建筑节能专项验收合格报告
- 格式:doc
- 大小:42.50 KB
- 文档页数:3
建筑节能专项工程竣工验收报告(建设单位)XXX和城一期5#、单位工程名称7#-11#栋工程开工日期验收日期2012年4月28日2014年6月3日建筑面积.67㎡工程地址芙蓉南路与中意路交汇处监理单位名称XXX勘察单位名称XXX主体设计单位XXX主体施工单位XXX建筑节能工程概况:1、外墙内保温采用25mm厚无机轻集料保温砂浆;2、门窗采用普通铝合金平开窗,玻璃采用双层6+12A+6中空玻璃。
3、屋面采用40厚岩棉板。
竣工验收程序:施工单位自检验收合格—监理公司验收合格—建设单位组织设计、施工、监理、当局部分组成竣工验收小组举行实物和材料验收—预会方发表意见,形成外保温验收集会记要。
竣工验收组织:工程竣工验收由建设方XXX负责组织,参与单位分别为区建管站节能办和质监站、设计院、监理公司、施工单位。
施工验收标准:1、《工程承包合同》2、工程设计施工图纸及说明3、《建筑节能工程施工质量验收规范》GB-2007对监理单位评价:该监理单位在本工程外墙内保温施工进程当中能严厉按照规范和设计图纸要求,当真检察了“施工计划”,在施工进程当中对每道工序都举行了检查和验收,较好的控制了外墙保温工程的施工质量,在进度和平安控制上也取得了较好的成绩,进度满足工程要求,无一例平安事故产生。
建设单位负责人:公司公章:时间:建筑节能专项验收报告(建设单位)单位工程名称XXX和城一期7#栋工程工程地址芙蓉南路与中意路交汇处开工日期竣工日期2012年4月28日年月日建筑面积.82㎡监理单位名称XXX勘察单位名称XXX主体设计单位XXX主体施工单位XXX建筑节能工程概况:1、外墙内保温采用25mm厚无机轻集料保温砂浆;2、门窗采用普通铝合金平开窗,玻璃采用双层6+12A+6中空玻璃。
3、屋面接纳40厚岩棉板。
竣工验收程序:施工单位自检验收合格—监理公司验收合格—建设单位组织设计、施工、监理、政府部门组成竣工验收小组进行实物和资料验收—与会方发表意见,形成外保温验收会议记要。
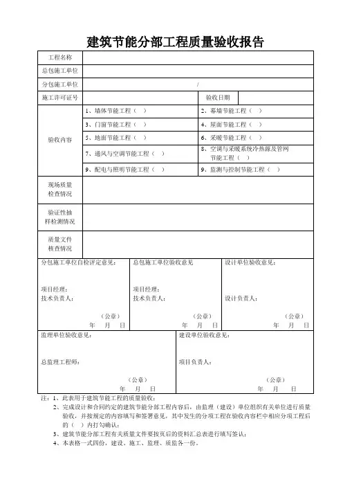
建筑节能分部工程质量验收报告
注:1、此表用于建筑节能工程的质量验收;
2、完成设计和合同约定的建筑节能分部工程内容后,由监理(建设)单位组织有关单位进行质量
验收,并按规定的内容填写和签署意见,其中发生的分项工程在验收内容栏中相应分项工程后的()内打勾确认;
3、建筑节能分部工程有关质量文件要按页后的资料汇总表进行填写签认;
4、本表格一式四份,建设、施工、监理、质监各一份。
建筑节能分部工程质量控制资料汇总表
注:工程技术资料要求按时间顺序进行装订,应签章的相关单位需签章齐全,检查、验收结论应明确。
节能分部工程验收报告3篇(建筑节能分部工程验收报告)下面是我分享的节能分部工程验收报告3篇(建筑节能分部工程验收报告),供大家参考。
节能分部工程验收报告1金盾港湾一期1#、1#裙楼、2#、2#裙楼节能分部验收报告一、工程概况1、金盾港湾一期1#、1#裙楼、2#、2#裙楼主要结构类型:框架剪力墙结构形式,地下2层,地上28层,标准层高,结构高度为H=。
屋面保温层采用难然型挤塑聚苯板,500mm宽泡沫混凝土防火隔离带;地面采用220mm泡沫混凝土保温层;外窗为多腔塑料型材,5透明+12A+5透明钢化中窗玻璃,玻璃遮阳系数,气密性为6级,水密性为3级,可见光透射比,隔声性能为3级,抗风压性能为4级;外墙自保温采用节能型厚壁型烧结页岩空心砖,非自保温为:热镀锌电焊网,胶粘剂,岩棉板,抹面胶浆,复合耐碱玻纤网格布二、施工情况施工单位在施工过程中,建立了比较完善的工程质量管理体系,并严格按照设计图纸和相关施工规范、图集进行施工。
一方面严格控制主要建筑材料、半成品或成品的进场验收,并对重要建筑材料进行了见证抽样复验,合格后方可使用;另一方面严格控制工序施工质量,加强了班组自检、专职质量检查员检查、工序交接检等“三检”制度;其次坚持上道工序不合格不准进入下道工序施工,有效的保证了工程施工质量。
三、质保资料抽样送检:按其规格品种及时取样送涪陵区建设工程质量监督检测中心,并由监理人员见证,保证资料的真实性。
1#楼、1#裙楼节能原材料复检:外墙:热镀锌电焊网(3组),胶粘剂(3组),垂直纤维岩棉板(3组),外墙保温锚栓抗拔1组,抹面胶浆(3组),耐碱玻纤网格布(3组),建筑外墙用腻子(3组),240mm厚节能型厚壁型烧结页岩空心砖导热系数(1组);屋面:难然型挤塑聚苯板(2组),泡沫混凝土(1组);以上原材料复检均检测合格。
2#楼、2#裙楼节能原材料复检:外墙:热镀锌电焊网(3组),胶粘剂(3组),垂直纤维岩棉板(3组),外墙保温锚栓抗拔1组,抹面胶浆(3组),耐碱玻纤网格布(3组),建筑外墙用腻子(3组),240mm厚节能型厚壁型烧结页岩空心砖导热系数(1组);屋面:难然型挤塑聚苯板(2组),泡沫混凝土(1组);以上原材料复检均检测合格。
监督号:共2页第1页工程名称祥瑞中心花园1#楼建筑面积(m2)结构类型剪力墙工程造价(万元)建设单位郑州市世群房地产开发有限公司合同开、竣工日期20 年月日至年月日实际开、竣工日期年月日至年月日验收时间年月日工程遗留情况无验收组人员名单详见《验收组人员组成情况表》对工程设计、施工、监理、设备安装质量和各管理环节的全面评价河南省纺织建筑设计院有限公司有限公司受我单位委托,对祥瑞中心花园6#楼工程进行了施工图设计,图纸经过审图机构审查,设计单位依据建筑节能标准的要求进行设计以及施工图节能设计的审查,并到节能管理部门进行备案,无违反法律、法规和强制性标准条文的行为,较好的完成了设计与服务任务。
河南宏盛建筑有限公司,在节能分部施工中能按照要求对节能材料进场后进行复试、实行了见证取样制度,节能工程有专项施工方案、施工前并做施工示范样板、有节能专项验收等。
能按规范、规程要求进行组织施工,各项质量控制资料齐全。
中牟县建设工程监理公司组建了以总监为核心的监理班子,编制了建筑节能监理规划和实施细则,监理工程师对节能材料进场及时进行验收签认,以及监督施工单位的质量“三检”程序和工作报验制度,能认真的对建筑节能工程隐蔽工程记录、检验批、分项、分部验收,并对形象进度报表进行审核。
密切配合施工单位,坚持关键部位实施旁站监理,较好地保证了工程监理任务。
监督号:共2页第2页序号分项工程主要验收内容及验收情况1 墙体节能工程主体结构基层符合设计要求,保温材料聚苯乙烯泡沫板厚度、导热系数、密度、压缩强度及燃烧性能、聚合物粘结强度及各构造层粘结强度、聚合物抹面砂浆拉伸粘结强度、耐碱网格布断裂应变及单位面积质量、锚固件的单个抗拉承载力等均符合设计要求,原材料证明文件齐全,复验合格。
保温砂浆按照施工方案规定分层施工,且各层之间粘接牢固,不脱层、无空鼓和开裂现象。
后置锚固件数量、位置、锚固深度和拉拔力符合设计要求。
拉拔试验合格,符合设计要求及规范规定。
中国工商银行股份有限公司业务营运中心工程节能工程专项验收报告1.工程概况中国工商银行业务股份有限公司营运中心工程,位于复兴门内大街55号,北侧紧临太平桥大街,东侧为太平桥东大街,西侧为闹市口北街、南侧相临贯通东西的主干线长安街沿线,交通便利,市政配套齐全,场地位置优势明显。
该工程建成后将与工行一期建筑物融为一体的标志性建筑,完整地表现了“天圆地方”的设计理念。
2.节能情况本工程执行建筑节能设计标准代号为《公共建筑节能设计标准》(gb50189-2005)和《公共建筑节能设计标准》(dbj01-621-2005),节能50%。
建筑东、西、北朝向的窗(包括透明幕墙)墙面积比0.47、0.47、0.557,不大于0.70的限值,且建筑物总窗墙面积比0.55,不大于0.70限值;外窗的可开启面积,均不小于所在房间面积的1/15。
屋顶透明部分的面积比例3.4%,≤30%(甲类建筑)。
外窗的气密性能不低于(gb7107-2002)中规定的4级。
透明幕墙的气密性能不低于(gb/t15225)中规定的iii级。
2.1建筑节能情况2.1.1顶棚保温节能工程(1)首层外挑檐顶板下方采用采用30厚挤塑聚苯板,导热系数0.030w/(m.k),满足标准要求,燃烧性能b2级。
外面压入耐碱玻纤网格布一层,外抹5厚聚合物抗裂砂浆。
压缩强度239kpa,大于标准要求200kpa。
(2)地下一层车库区顶板下、首层至b1层坡道上方顶板下方保温采用30厚环保型包铝箔玻璃棉板(容重80kg/m3),燃烧等级a级。
2.1.2幕墙节能工程本工程幕墙进行了抗风压性能、空气渗透性能、雨水渗漏性能、平面变形性能、空气隔声性能、隔热性能试验,均满足设计要求。
(1)玻璃幕墙:本工程玻璃幕墙均采用安全玻璃,建筑东、西、南、北立面外墙均采用8+12a+6低幅射镀膜钢化中空玻璃,内片6mm钢化玻璃,12mm空气层,外片8mmlow-e钢化玻璃。
采光顶屋面采用中空夹胶钢化玻璃,雨篷玻璃采用夹胶钢化玻璃。
专项节能验收报告正文第一篇:专项节能验收报告XXX 节能工程专项验收报告一、工程概况:XXX工程,位于XXX。
A区总建筑面积70666平方米,其中地上48299平方米,地下22367平方米。
建筑层数:地上9层地下2层,主要建筑最高高度为:29.150米。
建设单位:XXX 有限公司,勘察单位:XXX有限公司,设计单位:XXX有限公司,监理单位:XXX有限责任公司,施工单位:XXX有限公司规划许可证号:2021规(怀)建字0006号,施工许可证号:[2021]施建字0123号。
该工程A区为商业办公楼,即A-1#楼至1-7#楼、CK-1地库,地上为商业办公,地下为停车库,本项目人防工程设置:CK-1地库设六级物资库6000平方米。
建筑耐久年限:3类50年。
建筑结构形式:主楼结构为剪力墙结构,裙楼为框架填充结构,地库为无梁楼盖结构,抗震设防烈度为7度。
二、建筑节能设计指标:1、外墙:非承重墙墙体采用轻集料混凝土空心砌块(见设计变更005号),外墙保温采用80mm厚玻璃棉板夹芯,传热系数K ≤0.41 W/(㎡.K)。
2、建筑屋面:采用70mm挤塑聚苯板,传热系数K≤ 0.43 W/(㎡.K)。
3、建筑外窗及透明幕墙:采用PA断桥铝合金,外窗传热系数K≤ 2.3 W/(㎡.K),可见光透射比40%,遮阳系数0.7SC。
4、接触室外空气楼板:采用80mm厚玻璃棉板夹芯,传热系数K≤ 0.5 W/(㎡.K)。
5、非采暖空调间与采暖空调间:采用2021厚超细无机纤维保温,传热系数K≤1.25W/(㎡.K)。
6、采暖:散热器传热系数设计要求121.5W/片本建筑节能工程自2021年10月开始施工至2021年5月31日全部完成。
具备验收条件。
三、施工合同履行、设计文件执行情况:本工程施工过程中严格按施工合同约定、规范、设计文件和设计变更文件进行施工。
工程施工质量符合建筑节能施工质量验收规范和检验批评定标准要求四、监理机构主要监理人员:总监理工程师:XXX 土建监理工程师:XXX 水电监理工程师:XXX、XXX 见证员:XXX XXX XXX 安全员:XXX五、工程技术标准执行情况:本工程在施工过程中严格执行国家现行法律、法规、规范、标准及地方有关规定进行施工;1、《工程建设强制性施工规范条文》2、建设单位提供施工图纸、审图意见和变更文件3、屋面工程施工质量验收规范(GB5020212021)4、建筑装饰装修工程施工质量验收规范(GB50210-2021)5、建筑节能工程施工质量验收规范(GB50411-2021)六、质量控制资料核查情况:1、地基与基础分部、主体结构分部已全部通过,施工质量验收合格。
建筑节能工程质量验收报告示例建筑节能工程质量验收报告示例篇一:节能建设工程竣工验收合格报告范本建设工程竣工验收合格报告(包括建筑节能分部工程的实施内容)(范本)一、工程概况要求清楚写明工程规模、地点、类型等,各责任主体情况,并详细写明该工程采用的节能措施。
二、建设单位执行基本建设程序情况是否进行了节能设计审查、备案;施工单位是否编写了节能专项施工方案并报批;是否按照经节能审查合格的图纸进行施工,如有变更,是否有设计变更通知,是否经原审图机构重新审查,是否重新备案;是否严格按照《建筑节能工程施工质量验收规范》要求进行施工过程的节能监督和分项工程验收等等。
三、建设单位对设计、施工、监理在建筑节能实施方面的评价建设单位应对设计、施工、监理各责任主体在建筑节能实施方面进行如实评价,包括节能措施、节能部品检测和验收等。
四、建筑节能分部工程验收情况验收时间、验收程序、验收内容和组织形式、验收意见五、结论我单位组织设计、施工、工程监理等有关单位对该工程项目进行了建筑节能分部工程专项验收。
经我单位查验,该工程符合民用建筑节能强制性标准,现出具建筑节能分部工程专项验收合格报告。
如有不符合民用建筑节能强制性标准的情形,我单位自愿承担责任并接受按法律法规及相关规定作出的行政处理。
法定代表人(签章):建设单位(公章)建筑节能分部工程质量验收表(范本)建筑节能工程质量评估报告(范本)建筑节能工程质量验收报告示例篇二:建筑节能工程施工质量验收报告建筑节能工程施工质量验收报告建筑节能工程质量验收报告示例篇三:节能工程专项验收报告-范例研发中心节能工程专项验收报告中化岩土工程股份2013年12月一、工程概况工程名称:研发中心,工程地点:北京大兴工业开发区科苑路13号,建设单位:中化岩土工程股份,结构类型:框剪,建筑面积:23727m2。
采暖面积:16500m2。
本工程地下2层,地上12层,建筑用途为研发。
外墙外保温钉挂岩棉防火板复合板,外窗为断桥隔热铝合金窗,双层中空low-E玻璃。
节能工程专项验收报告公司标准化编码 [QQX96QT-XQQB89Q8-NQQJ6Q8-MQM9N]中国人民大学图书馆新馆工程节能工程专项验收报告中国人民大学二零一一年一月目录1、工程概况、设计概况中国人民大学图书馆新馆工程位于海淀区中关村大街路59号,建筑面积44620平方米,其中地上建筑面积27609平方米,地下建筑面积17011平方米;建筑高度23.98米;建筑层数为地上五层,地下二层。
本工程基础采用筏板结构,主体结构采用框架结构,二次结构分别采用轻集料混凝土空心砌块(非防火隔墙)及加气混凝土砌块(防火隔墙)。
本工程屋面分别采用金属屋面板系统及种植草屋面,其中金属屋面板系统保温层采用100mm厚玻璃丝棉,种植草屋面采用50mm厚挤塑聚苯板,普通非上人屋面采用70mm厚挤塑聚苯板;外墙保温采用50mm厚挤塑聚苯板,外立面采用石材幕墙、玻璃幕墙及金属隔栅幕墙等多种幕墙形式,所有幕墙及外窗均采用断桥铝合金型材。
本工程供暖采用区域锅炉房燃气供热,在楼内分区域设置计量仪器;动力与照明实行分别计量,空调用电单独计量。
本工程保温管道采用橡塑卷材,所有灯具均采用节能型灯具产品。
参建单位概况本工程建设单位是中国人民大学,勘察单位是中国建筑技术集团有限公司,设计单位是中旭建筑设计有限公司,施工总承包单位是中建一局(集团)有限公司,监理单位是北京建扶工程建设监理公司。
审批及备案本工程各项审批及备案手续齐全有效。
本工程于2009年3月4日通过“公共建筑节能设计审查备案”,备案编号为2-2009-005;另外,本工程按照相关程序要求分别取得了建设工程规划许可证(2008规(海)建字0176号)和建设工程施工许可证([2009]施建字0172号),并按照“建设工程质量管理条例”的规定,报请北京市质量监督总站注册,监督注册号为京建质字(2009)总站(第0077号)。
2、施工质量情况分项工程质量验收汇总本工程建筑节能各分项工程均按要求划分检验批并进行检查,各检验批质量评定均为合格。
建设工程竣工验收合格报告建设单位:工程名称:工程地址:建设工程竣工验收合格报告(包括建筑节能分部工程的实施内容)一、工程概况要求清楚写明工程规模、地点、类型等,各责任主体情况,并详细写明该工程采用的节能措施。
二、建设单位执行基本建设程序情况是否进行了节能设计审查、备案;施工单位是否编写了节能专项施工方案并报批;是否按照经节能审查合格的图纸进行施工,如有变更,是否有设计变更通知,是否经原审图机构重新审查,是否重新备案;是否严格按照《建筑节能工程施工质量验收规范》要求进行施工过程的节能监督和分项工程验收等等。
三、建设单位对设计、施工、监理在建筑节能实施方面的评价建设单位应对设计、施工、监理各责任主体在建筑节能实施方面进行如实评价,包括节能措施、节能部品检测和验收等。
四、建筑节能分部工程验收情况验收时间、验收程序、验收内容和组织形式、验收意见五、结论我单位组织设计、施工、工程监理等有关单位对该工程项目进行了建筑节能分部工程专项验收。
经我单位查验,该工程符合民用建筑节能强制性标准,现出具建筑节能分部工程专项验收合格报告。
如有不符合民用建筑节能强制性标准的情形,我单位自愿承担责任并接受按法律法规及相关规定作出的行政处理。
日月年建设单位公章建设工程竣工验收合格报告建设单位:工程名称:工程地址:建筑节能分部工程质量验收表建设工程竣工验收合格报告建设单位:工程名称:工程地址:建筑节能工程质量验收报告建设工程竣工验收合格报告建设单位:工程名称:工程地址:建筑节能工程质量检查报告建设工程竣工验收合格报告 建设单位:工程名称: 工程地址:建筑节能工程质量评估报告建设工程竣工验收合格报告建设单位:工程名称:工程地址:。
建筑节能工程专项验收报告建筑节能工程专项验收报告工程名称验收日期建设单位建设单位项目负责人联系电话建筑节能工程基本情况备注外墙保温型式外保温□内保温□墙体自保温□其它□若东南西北面不一样请注明保温材料种类选用厚度(mm)外墙材料饰面材料外窗窗框型材塑料□金属材料□断热金属材料□其它□窗玻璃材料单层□双层□Low-e□空气层厚(mm) 6□9□12□15□>20□遮阳形式屋面保温材料种类选用厚度(mm) 架空或外挑楼板保温材料种类选用厚度(mm) 幕墙隔热型材通风形式可开启□设通风装置□空气层厚(mm) 6□9□12□15□>20□幕墙玻璃单层□双层□Low-e□遮阳形式幕墙型式公用部位照明楼梯间节能灯具□照明控制自动□走道节能灯具□自动□厕所节能灯具□自动□空调系统型式空气□地下□水□太阳能□蓄冷□产品名称生产企业热回收利用装置太阳能利用应用部位产品名称生产企业热水供应系统热源形式太阳能□电□燃烧□(正面)参加验收各部门负责人姓名职务本人签名备注建设单位项目负责人设计单位项目负责人施工总承包单位项目经理监理单位总监理工程师验收结论:1、达到建筑节能%的要求;2、是否达到有关设计文要求□;3、相关工程质量是否符合国家、省及地方规范、标准及要求□。
4、其他说明:验收单位建设单位(盖章)*年*月*日设计单位(盖章)*年*月*日施工总承包单位(盖章)*年*月*日监理单位(盖章)*年*月*日备案意见(盖章)*年*月*日说明:1、本报告由建设单位填写,并对填写的内容负责。
2、本报告一式6份。
3、本报告所含两个表格应在同一张纸上,分开无效。
特别承诺:本报告提供的全部数据、信息均真实反映了本工程的实际情况。
如有任何虚假成分,建设单位及有关人员愿承担相应的行政和法律责任!(背面)篇2:三阶段文明工地验收汇报材料三阶段文明工地验收汇报材料本文关键词:工地,验收,汇报,阶段,材料三阶段文明工地验收汇报材料本文简介:重庆建安集团中渝滨江一号C区二标段项目部创市级安全文明工地汇报材料中渝。
建筑节能专项验收合格报告
一、工程概况
XX高新第六小学新建项目总建筑面积24955m2,位于XX市高新区博士
路以东,艺术大街以北,为采暖公共建筑,项目采取了必要的节能措施,建
设单位为XX高新区基础设施配套建设开发有限责任公司,监理单位为XX兴
业建设监理有限责任公司,施工总承包单位为XX建工第五建筑有限责任公司。
二、建设单位执行基本建设程序情况
该工程按规定已完成建筑节能设计审查及备案,施工单位编写节能专项施工方案并报批,并按照节能审查合格的图纸进行施工,工程变更有设计变更通知,并经原审图机构重新审查以及重新备案;施工过程严格按照《建筑节能工程施工质量验收规范》要求进行施工过程的节能监督和分项工程验收。
三、在建筑节能实施方面,设计单位、监理单位及施工单位均按照设计及规范要求严格组织施工及验收。
四、建筑节能分部工程验收情况
由监理单位组织的建筑节能分部工程验收已完成,验收程序符合《建筑节能工程施工质量验收规范》要求,本工程建筑节能各分项工程经检查全部合格、质量控制资料完整,各项节能检测均合格,按《建筑节能工程施工质量验收规范》(GB50411-2007)质量等级评定标准规定,本工程建筑节能分部工程质量等级评为合格。
五、结论
我单位组织设计、施工、工程监理等有关单位对该工程项目进行了建筑节能分部工程专项验收。
经我单位查验,该工程符合公共建筑节能强制性标准,现出具建筑节能分部工程专项验收合格报告。
如有不符合公共建筑节能强制性标准的情形,我单位自愿承担责任并接受按法律法规及相关规定作出的行政处理。
建设单位公章
年月日。
建筑节能专项验收报告我单位施工的紫御江山1#栋单位(子单位)工程,由中盐勘察设计院勘察,湖南省建筑设计院设计,湖南和天工程项目管理有限公司监理,湖南华驰置业有限公司建设。
根据施工图设计文件,该工程为剪力墙结构,最高26层,总建筑面积15635.46平方米。
该工程于2012年5月17日开工,2014年1月20日由建设单位牵头,勘察、设计、监理、施工等单位和其他有关方面的专家组成验收组对该工程进行节能专项验收,其验收情况报告如下:一、节能工程分项情况:1、墙体(由外至内):水泥砂浆(20mm)+烧结多孔砖(200mm)+无机保温砂浆Ⅰ型(25mm)+耐碱玻纤网格布,抗裂砂浆(5.0mm)+石灰,水泥,砂,砂浆(20mm)2、屋面:平屋面(由外至内):水泥砂浆(25mm)+C30细石混凝土(40mm)+岩棉板(45mm)+卷材防水层(3mm)+钢筋混凝土(120mm)+混合砂浆(20mm);3、外窗:断热铝合金单框普通中空玻璃窗(6+9A+6),气密性为6级,水密性为4级。
4、配电与照明:该工程采用湖南湘江电缆有限公司生产的电线,京广线缆集团有限公司生产的电缆。
在节能工程施工过程中,我施工单位严格按照设计图纸和国家建筑施工规范规定施工,对其隐蔽工程施工人员均进行自检,再通知甲方负责人及现场监理工程师检查验收,验收合格后再进入下道工序施工。
各种材料,即时见证取样送检试验。
施工期间我们能及时对各项技术资料进行搜集,整理归档,确保资料齐全,节能工程分部质保资料齐全,技术资料齐全,各分项资料完整。
三、建筑节能分部工程评定情况:根据建筑节能工程施工质量验收规范GB50411-2007湖南省地要求,符合国家现行法律、法规、规范、标准及地方规定要求,无违反强制性条文行为。
质量控制资料完整、有效。
观感质量验收:好。
安全与功能抽查检验符合设计和规范要求。
项目经理签字:施工单位(章)2014年 1月20日建筑节能专项验收报告我单位施工的紫御江山2#栋单位(子单位)工程,由中盐勘察设计院勘察,湖南省建筑设计院设计,湖南和天工程项目管理有限公司监理,湖南华驰置业有限公司建设。
国网宣恩县供电公司椒园营业楼节能工程验收施工单位工作情况汇报一、企业资质:恩施立城住宅建设有限责任公司资质等级为贰级,外墙外保温工程专业承包资质等级为贰级,符合本工程资质等级要求。
二、工程概况:宣恩县供电公司椒园供电所营业楼,位于椒园镇金狮路。
建设单位为国网宣恩县供电公司,湖北华疆城市建筑设计院设计,武汉南亚建设监理有限公司监理,恩施立城住宅建设有限责任公司承建。
本工程为地上6层的框架结构。
建筑总面积3983.50平方米。
本工程建筑结构安全等级为二级,建筑耐火等级为二级,抗震设防类别为丙类,6度抗震设防烈度。
节能设计:建筑物体形系数:0.24屋顶保温板采用挤塑型聚苯乙烯泡沫塑料板厚度40mm,外墙采用蒸压加气混泥土砌块,干体积密度Kg/m3 ≤725;抗压强度MPa≥3.5;导热系数W/(m.k)≤0.16;外墙基层采用10*10*100mm钢丝网满铺钢钉锚固;外墙保温采用15-20mm 厚的阻燃型无机保温砂浆作为墙体保温材料;墙体表面涂刷0.5mm抗裂砂浆;外墙面1-2层采用15-20mm厚保温砂浆粘贴文化石外墙砖;内墙基层转角处及构造柱、梁板柱接触面、连系梁与砌体连接部位均采用钢网连接钢钉锚固;内墙面基层水泥砂浆找平一道后用石棉纤维网铺设粉砂抹面;地面一楼30mm水泥砂浆、3mm防水材料、20mm水泥砂浆、120mm碎石,卵石混凝土、200mm石灰石(块石)、夯实粘土;六楼地面采用40mm挤朔板防水砂浆抹面粘贴广场砖;窗户采用单框中空玻璃塑钢窗5+9A+5;坡屋面采用无纺聚酯纤维布满铺,20mm厚水泥砂浆粘贴小青瓦;卫生间地面采用丙纶布涂刷5-10mm厚防水砂浆张贴地面砖,卫生间齐门窗1.2米高一下墙面涂刷5-10mm厚防水砂浆粘贴墙面砖。
三、施工资质人员资质及到岗到位情况我公司与建设单位签订合同后,组织精兵强将成立了强有力的工程项目部,质保、安全体系健全,工作人员全部持证上岗,资质到位。
恩施立城住宅建设有限责任公司施工资质资料齐全,在整个施工过程中严格按合同条款执行。
建筑节能专项验收合格报告
(包括建筑节能分部工程的实施内容)(建设单位填写范本)
一、工程概况
要求清楚写明工程规模、地点、类型等,各责任主体情况,并详细写明该工程采用的节能措施。
二、建设单位执行基本建设程序情况
是否进行了节能设计审查、备案;施工单位是否编写了节能专项施工方案并报批;是否按照经节能审查合格的图纸进行施工,如有变更,是否有设计变更通知,是否经原审图机构重新审查,是否重新备案;是否严格按照《建筑节能工程施工质量验收规范》要求进行施工过程的节能监督和分项工程验收等等。
三、建设单位对设计、施工、监理在建筑节能实施方面的评价
建设单位应对设计、施工、监理各责任主体在建筑节能实施方面进行如实评价,包括节能措施、节能部品检测和验收等。
四、建筑节能分部工程验收情况
验收时间、验收程序、验收内容和组织形式、验收意见
五、结论
我单位组织设计、施工、工程监理等有关单位对该工程项目进行了建筑节能分部工程专项验收。
经我单位查验,该工程符合民用建筑节能强制性标准,现出具建筑节能分部工程专项验收合格报告。
如有不符合民用建筑节能强制性标准的情形,我单位自愿承担责任并接受按法律法规及相关规定作出的行政处理。
建设单位公章年月日
建筑节能分部工程质量验收表(各单位须要填写范本)
建筑节能工程质量验收报告(施工单位填写范本)。