电动机型号参数列表
- 格式:doc
- 大小:1006.01 KB
- 文档页数:11
方程豹电机参数
豹电机是一种高性能的电动机,具有出色的运行效率和可靠性。
它采用先进的技术和材料,经过精心设计和制造,以满足各种工业和商业应用的需求。
让我们来看一下豹电机的参数。
豹电机的额定功率通常用千瓦(kW)来表示,它表示电动机在额定工况下能够输出的最大功率。
豹电机的额定电压是指电动机在额定工况下所需的电压。
额定电流表示电动机在额定工况下所需的电流。
豹电机还有一个重要的参数是额定转速。
额定转速是指电动机在额定电压和额定负载下的转速。
转速是描述电动机旋转效果的指标,也是衡量电动机性能的重要参数之一。
通常,额定转速越高,电动机的输出功率越大。
除了以上参数外,豹电机还有一些其他的技术指标值得关注。
例如,起动转矩是指电动机在起动时所能产生的最大转矩。
高起动转矩对于一些需要快速启动或承载重物的应用非常重要。
同时,额定效率是指电动机在额定工况下的能量转换效率。
高额定效率意味着电动机能够更好地利用输入电能,减少能量的浪费。
豹电机还具有很高的可靠性和耐用性。
它采用了优质的材料和先进的制造工艺,确保了电动机的长期稳定运行。
此外,豹电机还具有良好的散热性能,能够有效地散发电动机产生的热量,保持电动机
的正常工作温度。
豹电机是一种性能优异的电动机,具有高效率、可靠性和耐用性。
它适用于各种工业和商业领域的应用,为用户提供可靠的动力支持。
无论是驱动机械设备,还是提供动力源,豹电机都能够满足您的需求,并为您的工作带来更高的效率和可靠性。
电机运行的参数
电机运行的参数主要包括以下几种:
额定电压:指电动机额定运行时,外加于定子绕组上的线电压,单位为伏(V)。
一般来说,电源电压要与电动机额定电压相符。
额定频率:单位是Hz,指电动机在额定电压下工作的频率。
额定功率:指电动机在额定电压和额定频率下,输出机械功率的标准值。
额定电流:指电动机在额定电压下,空载稳态运行时输入的有效电流。
效率:单位是g/w,代表每单位功率所产生的推力大小。
转速:电机的旋转速率,一般使用转/分来表示。
电机的转速与电源电压、负载情况、电机的型号等有关。
转矩:指电机输出的力矩,一般使用牛·米(Nm)来表示。
负载转速:正常工作电压下电机带负载的转速。
负载力矩:正常工作电压下电机带负载的力矩(N· m)。
负载电流:负载电流是指电机拖动负载时实际检测到的定子电流数值。
空载电流:正常工作电压下电机不带任何负载的工作电流(单位mA (毫安))。
越好的电机,在空载时,该值越小。
堵转力矩:在电机受反向外力使其停止转动时的力矩。
如果电机堵转现象经常出现,则会损坏电机,或烧坏驱动芯片。
所以大家选电机时,这是除转速外要考虑的参数。
堵转时间一长,电机温度上升的很快,这个值也会下降的很厉害。
堵转电流:在电机受反向外力使其停止转动时的电流,此时电流非常
大,时间稍微就可能烧毁电机,在实际使用时应尽量避免。
减速比:是指没有减速齿轮时转速与有减速齿轮时转速之比。
KV值:表示电机运行速度的指标,电机转速=KV值x 工作电压。
单相电机电容匹配列表一、单相电机概述单相电机是一种常用的电动机,广泛应用于家电、工业生产等领域。
它具有结构简单、运行可靠、维修方便等优点。
单相电机的工作原理是利用单相交流电源激励绕组产生磁场,从而使转子转动。
然而,单相电机在运行过程中存在电容匹配问题,若匹配不当,会影响电机的性能和寿命。
二、电容匹配的重要性电容匹配是指在单相电机中,电容器与电机绕组的电容值相等,使得电流在电机绕组和电容器之间能够顺利地流通。
当电容匹配良好时,电机的运行效率、功率因数和可靠性都会得到提高。
反之,若电容匹配不良,会导致电机运行过程中出现以下问题:1.电机启动困难:电容值过大或过小,使得电机启动时所需的电流增大,从而降低启动性能。
2.运行噪音增大:电容匹配不良会导致电机运行时产生振动和噪音。
3.电机过热:电容匹配不良会导致电机损耗增加,进而引起过热。
4.缩短电机寿命:电容匹配不良会加速电机的磨损和老化,降低使用寿命。
三、电容匹配列表为了帮助大家更好地选择匹配电容,这里列举了一些常用的电容匹配列表。
需要注意的是,以下列表仅供参考,实际应用中应根据电机的参数和需求进行调整。
1.电机功率与电容容量关系:功率越大,所需电容容量越大。
2.电机转速与电容容量关系:转速越高,所需电容容量越大。
3.电机电压与电容容量关系:电压越高,所需电容容量越小。
四、匹配电容的选用与安装方法1.选用匹配电容时,应根据电机的功率、电压、转速等参数选择合适的电容容量。
2.安装时,电容器应紧贴电机绕组,减小电阻和电感损耗。
3.电容器引线应采用绝缘导线,避免短路和漏电。
4.安装完毕后,检查电容器外观和连接是否完好,确保电机启动和运行正常。
五、注意事项1.定期检查电容器的工作状态,发现损坏或性能下降时,及时更换。
2.电容器在运行过程中,应注意防水、防潮、防震。
3.避免在高温、潮湿、易爆的环境中使用电容器。
4.不要超过电容器的额定电压和容量,以免损坏电容器。
通过以上内容,相信大家对单相电机的电容匹配有了更深入的了解。
常用电动机参数总汇1、电动机轴的中心高度尺寸系列如下:电动机轴的中心高度如下单位m m:36、40、45、50、56、63、71、89、90、100、112、132、150、180、200、225、250、280、315、355、400、450、500、560、630、710、800、900、1000;2、电动机轴的中心高度尺寸的误差系列如下:电动机轴的中心高度尺寸的误差分别为:25~50m m范围内的误差是-0.4m m,50~250m m范围内的误差是-0.5m m,250~630m m范围内的误差是-1.0m m,630~1000m m范围内的误差是-1.0m m;3、电动机的安装形式:电动机的安装形式有两种:立式B与卧式V;4、电动机的结构形式:电动机的常用结构形式有以下几种:错误!:B3型端盖式轴承有两个,机座有地脚,端盖上无凸缘,地脚安装;错误!:B6型、B7型、B8型端盖式轴承有两个,机座有地脚,分别安装在墙上或天花板上;5、电动机的防护等级:电动机的防护等级分为防接触的防护等级和防水的防护等级;I P23:表示防止大于12m m的固体进入,且防淋水的电动机;I P44:表示防止大于1m m的固体进入,且防溅水水的电动机;按照电动机的转子绕组形式分为笼型和绕线型;按照电动机的尺寸分为大型电动机、中型电动机、小型电动机;按照电动机的防护形式分为开启式、防护式、封闭式;7、交流电动机的铁芯长度代号:S—代表短机座M—代表中机座L—代表长机座10极电机的输出轴径为Ф80m m;11、电动机的系列:Y系列电动机是指鼠笼型异步电动机Y R系列电动机是指绕线型异步电动机Y A系列电动机是指隔爆型异步电动机Y Z R系列电动机是指冶金起重型绕线型异步电动机12、机器设备的中心高度系列尺寸参数优选下列尺寸:机器设备的中心高度系列尺寸:25、32、40、50、63、80、90、100、112、125、160、200、225、250、280、315、355、400、450、500、560、630;。
Y系列(IP44)交流电机一、概述Y系列电动机是一般用途的全封闭自扇冷式鼠笼型三相异步电动机。
安装尺寸和功率等级符合IEC标准,外壳防护等级为IP44,冷却方法为IC411,连续工作制(S1)。
适用于驱动无特殊要求的机械设备,如机床、泵、风机、压缩机、搅拌机、运输机械、农业机械、食品机械等。
Y系列电动机效率高、节能、堵转转矩高、噪音低、振动小、运行安全可靠。
Y80~315电动机符合Y系列(IP44)三相异步电动机技术条件JB/T9616-1999。
Y355电动机符合Y系列(IP44)三相异步电动机技术条件JB5274-91。
Y80~315电动机采用B级绝缘。
Y355电动机采用F级绝缘。
额定电压为380V,额定频率为50Hz。
功率3kW及以下为Y接法;其它功率均为△接法。
电动机运行地点的海拔不超过1000m;环境空气温度随季节变化,但不超过40℃;最低环境空气温度为-15℃;最湿月月平均最高相对湿度为90%;同时该月月平均最低温度不高于25℃。
电动机有一个轴伸,按用户需要,可制成双轴伸,第二轴伸亦能传递额定功率,但只能用联轴器传动。
Y系列异步电动机安装尺寸B3机座带底脚、端盖上无凸缘的电动机安装尺寸机座号极数安装尺寸及公差外形尺寸Overall dimensionA A/2BCDEF G1)H K2)AB AC AD HD L 基本尺寸基本尺寸极限偏差基本尺寸基本尺寸极限偏差基本尺寸极限偏差基本尺寸极限偏差基本尺寸极限偏差基本尺寸极限偏差基本尺寸极限偏差基本尺寸极限偏差位置度公差80M2、412562.5±0.5010050±1.51940±0.3106-0.030-0.03615.5-0.10800-0.510ф1.016517515017529090S2、4、614070100562450820-0.209018019516019531590L125340100L1608014063±2.02860±0.3702410012205215180245380112M1909514070112245240190265400132S2、4、6、82161081408938801033132280275210315475132M178515160M254127±0.75210108±3.042110±0.430120-0.0433716015ф1.5330335265385605160L254650180M279139.5241121481442.5180355380285430670180L279710200L31815930513355164920019395420315475775225S4、8356178286149±4.060140±0.5001853225435475345530820225M231155110±0.4301649815 4、6、860140±0.5001853845250M2406203±1.0034916825024ф2.0490515385575930 4、6、86558280S2457228.53681902800-0.1055058041064010004、6、875200-0.05267.5280M241965180-0.043581050 4、6、875200-0.05267.5315S250825440621665180-0.043583152874464557686512404、6、8、1080170220-0.052711270315M245765140180-0.043581310 4、6、8、80170220-0.05271134010315L250865140180-0.043581310 4、6、8、1080170220-0.0527113401.G=D-GE,GE的极限偏差对机座号80为(+0.10),其余为(+0.20)。
YEZ系列锥形转子三相异步电动机主要参数(H112~180mm)详细介绍:发布时间:2007-5-29 11:24:40表1型号额定功率/KW额定电流/A额定转速(r/min)效率(%)效率因数堵转电流堵转转矩最大转矩外形尺寸/mm重量/kg额定电流额定转矩额定转矩长宽高YEZ1132S-4 5.5 12.7 1400 80 0.82 6 2.7 2.7 530 400 380 96 YEZ1132M-4 7.5 18 1400 80 0.82 6 3 3 570 400 380 102 注:此表为山东德州恒力电机有限责任公司的数据,电机用于混凝土搅拌机配套。
表2 S4-25%、绝缘等级:E级型号额定功率KW额定电流A额定转速(r/min)效率(%)效率因数堵转电流/A堵转转矩最大转矩制动力矩(N·M)重量kg额定转矩额定转矩YEZ112S-4 3.7 9 1380 50 2.7 2.7 51 60 YEZ132S-4 5.5 12.7 1400 81.7 3 3 76 96 YEZ132M-4 7.5 18 1400 110 3 3 102 105 YEZ160S-4 11 25.4 1400 160 3 3 150 169 YEZ160M-4 13 30 1400 190 3 3 177 178 YEZ160L-4 15 33 1400 207 3 3 205 190 YEZ180M-4 18.5 38 1400 245 3.3 3.3 252 210 注:此表为江苏启东电机厂的数据,专为JK系列建筑卷扬机配套设计制造的提升电动机。
表3 工作制S4-40%、绝缘等级:B极或F极、防护等级:IP44型号额定功率/KW额定转矩/(r/min)额定电流/A最大转矩堵转转矩堵转电流/A效率(%)额定转矩额定转矩YEJ112S-4 3.0 1380 7.6 2.7 2.7 42 78 YEJ112M-4 3.7 1380 9 2.8 2.8 54 78 YEJ132S-4(带地脚) 5.5 1400 15 3.0 3.0 85 79 YEJ132S-4 5.5 1400 15 3.0 3.0 85 79 YEJ132M-4 7.5 1400 18 3.0 3.0 100 79 YEJ160S-4 11 1421 22.7 3.0 3.0 140 86.7 YEJ160M-4 13 1400 30 3.0 3.0 165 80 YEJ160L-4 15 1400 34 3.0 3.0 200 81 YEJ180M-4 18.5 1400 42 3.0 3.0 229 82 YEJ112M-4/8 3.7/1.8 1380/680 9.0/8.5 3.0/2.5 2.7/2.4 49/23 75/66 YEJ132S-4/8 5.5/2.7 1380/680 15/13 3.0/2.5 2.8/2.5 74/35 75/60 YEJ132M-4/8 7.5/3.7 1390/390 18/15 3.0/2.5 3.0/2.5 102/42 78/63 YEJ160S-4/8 11/5.5 1390/390 24/17 3.5/2.5 3.2/2.5 175/62 80/70注:此表为湖北咸宁起重电机厂的数据,是专为建筑机械配套而设计的产品,有单、双速两种。
42步进电机选型,42步进电机的参数,42步进电机有哪些常用型号?维科特机电
42步进电机是混合式步进电机中用量最大的品种,产品性价比也最高,所以推荐优先考虑选用。
下面推荐的最常用的42步进电机型号,考虑了电机的代表性和通用性,也是性价比高的型号。
列表中绝大多数是信浓步进电机,只有机身长超过60mm的两款步进电机,信浓没有对应尺寸的产品,推荐的是维科特品牌的步进电机。
下面特性表里面的保持力矩参数基本上是信浓电动机规格书上的规格,而电机实测值一般比规格值高出10~15%。
另外,信浓标准电机是插头出线的型号是出厂不配引线的,维科特机电可以为客户另外单独配引线,还可以配拖链线。
下面一些是6线电机,用户如果在中低速场合使用,建议把电机串联接线,在串联接线时,电阻变成2倍,电感是4倍,额定电流0.7倍,保持力矩是1.4倍。
维科特机电专注于步进电机及其应用领域十几年,给用户推荐性价比高的产品解决方案,主推信浓步进电机,是信浓的核心一级经销商,具体选型及咨询服务请访问公司官网。
步电机系统解决方案
/index.html
步电机系统解决方案
/index.html。
yct电磁调速电机参数
YCT系列电磁调速电动机由三相(或单相)异步电动机与电磁转差离合器和测速发电机所组成,通过JD型或ZTK型控制器,调节转差离合器的励磁电流,实现输出转速的无极调节。
其主要技术参数如下:
- 制作器额定电压:220V。
- 机座中心高:112~355mm。
- 功率范围:0.55~90kw。
- 额定电压:三相380V或单相220V。
- 励磁线圈:<90V(直流)。
- 额定频率:50Hz(或60Hz需另订协议)。
- 防护等级:IP21。
- 绝缘等级:B级。
- 工作制:S1。
YCT系列电磁调速电动机产品性能和安装尺寸符合JB/T7123规定,与标准IEC接轨,广泛用于纺织、印染、橡胶、塑料、制糖、建筑、鼓风机等行业。
如需了解更多电磁调速电机的参数信息,可以继续向我提问。
工业控制常用电机类型
在工业控制中,常见的电机类型有以下几种:
1.交流电机(AC Motor):交流电机是使用交流电作为电源
的电动机。
常用的交流电机类型包括异步电动机(包括感应电动机和异步电动机)和同步电动机。
异步电动机广泛应用于工业控制中,具有简单、可靠和成本较低的特点。
2.直流电机(DC Motor):直流电机是使用直流电源的电动
机。
它们根据励磁方式的不同可以分为无刷直流电机(BLDC)和直流刷电机。
直流电机在一些特殊应用中具有优势,如需要精确控制速度和扭矩的场合。
3.步进电机(Stepper Motor):步进电机是一种将输入的脉
冲信号转换为精确的角度转动的电机。
它们通常由电磁线圈组成,可以实现高精度的定位和控制。
步进电机在机器人、自动化设备和精密控制系统中广泛使用。
4.伺服电机(Servo Motor):伺服电机是一种能够根据反馈
信号进行闭环控制的电机。
它们具有快速响应、高精度和稳定性的特点,常用于需要精确控制位置、速度和扭矩的应用领域,如自动化生产线和机器人技术。
这些电机类型在工业控制中具有不同的特点和应用场景。
根据实际需求和控制要求选择适当的电机类型,结合其他控制器件和系统构建出功能完备的工业控制系统。
实现往复直线运动的电动机4.1.1 选择电动机的类型按已知工作要求和条件选用Y 系列一般用途的全封闭自扇冷鼠笼三相异步电动机。
4.1.2 选择电动机的容量珩磨时,轴向力为:F wc =ρwc Sq(4-1) 其中:ρwc —珩磨轴向系数,一般取0.05~0.07[8],这里取0.06。
S —磨条工作面积,由于深孔珩磨油石长度一般大于150mm,则S=0143655.025.00183.0=⨯⨯π。
Q —磨条对零件表面的单位压力,范围为1.2~2.8×105Pa ,取2.5×105Pa 。
则 50.060.014365 2.510215.25wc F =⨯⨯⨯=N 取轴向珩磨平均速度为 1m/s ,即1wc v =m/s ,则工作机所需功率P wc 为:1215.2512.15251010001000wc wc wc Fv P -⨯⨯===⨯kW电动机的输出功率P 0为:02212342wcP P ηηηηηη=⨯=其中:96.01=η为带传动效率;20.98η=为齿轮联轴器传动效率;30.97η=为二级直齿减速器传动效率40.98η=为滑动轴承传动效率故有 220.960.980.970.980.85η=⨯⨯⨯=10 2.15251020.510.85P -⨯=⨯=kW 由于工作机对运动轨迹的精度要求高,飞轮具有调节曲柄滑块速度波动的能力,因此可以选则较大功率的电动机来完成运动精度要求。
4.1.3 确定电动机的转速在曲柄滑块运动中,曲柄的旋转角速度约为3rad/s ,即3ω=rad/s=3602π⨯r/min=28.66r/min 可取30ω=r/min ,则30n ω=r/min 。
带传动比范围为12~6i '=,展开式二级圆柱齿轮传动比范围27.1~50i '=则总传动比范围为:27.1~65014.2~300i '=⨯⨯=。
可见电动机转速可选范围为:(14.2~300)30(426~9000)n i n ω''=⋅=⨯=r/min综合以上,从电动机产品列表中选择电动机型号为:Y100L-6,其主要参数如下:表4-1 电机参数列表额定功 率 额定电 流转 速效 率 功率因数 cosψ 堵 转 转 矩 堵 转 电 流 1.5kW 4.0A940r/min 77.5% 0.74 30.48Nm 24A。
目录1引言 (1)2玉米脱粒机总体结构 (1)2.1入料部分 (1)2.2脱粒部分 (1)2.3筛选部分 (1)2.4机架部分 (2)2.5玉米脱粒机的总体设计 (2)3 玉米脱粒机的设计 (2)3.1 电动机的选择 (2)3.2 钉齿条上的钉齿转速 (3)3.3 钉齿滚筒的转速 (3)3.4 电动机的功率 (3)3.5 电动机的转速 (3)4带及带轮的设计 (4)4.1传动带的设计 (5)4.1.1 确定计算功率 (5)4.1.2 选择V带的型号 (5)4.1.3确定带轮的基准直径 (5)4.1.4 确定传动中心距和带长 (5)4.1.5 验算主动轮上的包角 (6)4.1.6 确定V带的根数 (6)4.1.7 确定带的初拉力 (7)4.1.8求V带传动作用在轴上的压力 (7)5 V 带带轮的设计 (7)5.1带轮的材料选择 (7)5.2结构设计 (7)5.3 从动带轮的设计 (8)6 传动轴的设计 (9)6.1根据轴向定位的要求确定轴的各段直径和长度 (10)6.2 初步选择输出轴系 (10)6.3确定输出轴上的圆角半径r值 (10)6.4 按弯扭合成条件校核轴的强度 (10)6.4.1 作轴的简图 (10)6.4.2 求输出轴上的所受作用力的大小 (10)6.4.3钉齿条上的合力 (11)6.4.4轴上水平面所受支反力如图 (11)6.4.5轴在垂直面所受的支反力 (11)6.4.6 作弯矩图 (12)6.4.7作弯矩图 (12)6.4.8作当量弯矩图(弯矩、扭矩合成图) (13)6.5 校核轴的强度 (13)7 钉齿条的设计 (14)7.1 钉齿条的总体结构设计 (14)7.2 钉齿条及钉齿的设计 (15)7.3 钉齿的设计 (15)7.4 圆盘的设计 (15)8 栅格式凹板的设计 (16)9入料口及脱粒机上盖的设计 (17)10机架的设计 (18)11轴承座的设计 (19)12玉米脱粒机上的标准件的选择 (19)12.1玉米脱粒机上的螺栓的选择 (19)12.2钩头楔键的选择 (19)13玉米脱粒机的安全操作 (20)13.1超速运转,机械“爆炸” (20)13.2禁止过疲劳或酒后操作 (20)14 玉米脱粒机的维护 (21)14.1玉米脱粒机的技术保养 (21)14.2玉米脱粒机的保管 (21)结论 (21)致 (21)参考文献: (22)玉米脱粒机的设计**宾(****学院机械电子系机械设计制造及其自动化0301班)指导老师:摘要:为了降低农民在玉米脱粒时劳动强度、提高工作效率,设计玉米脱粒机。
驱动系统部件的选择与校核AGV的驱动系统主要由驱动电源、电机和减速装置组成。
电机的性能参数及减速装置的规格型号的确定直接决定整车的动力性,即车辆的运动速度和驱动力直接决定整车的动力特性。
因此电机必须通过详细计算进行选择,现在很多电机直接与减速装置组合在一起构成减速电机,为我们的设计带来了很大的方便,并且能使AGV的驱动系统简单化,结构小型化,此外性价比也比较高,因此此次设计直接选择减速电机作为驱动源。
1电机种类的选择与AGV相关参数自动引导车是电动车的一种,而电机是电动车的驱动源,提供给整车提供动力。
目前最常用的电动车辆驱动系统有以下三种:第一种是直流电机驱动系统,20世纪90年代前的电动汽车几乎全是直流电机驱动的。
直流电机木身效率低,体积和质量大,换向器和电刷限制了它转速的提高,一般其最高转速为6000-8000r/min。
但出于其缺点目前除了小型车外,电动车很少采用直流电机驱动系统。
第二种是感应电机交流驱动系统。
该系统是20世纪90年代发展起来的新技术,目前尚处于发展完善阶段。
电机一般采用转子鼠笼结构的三相交流感应电动机。
电机控制器采用矢量控制的变频调速方式。
其具有效率高、体积小、质量小、结构简单,免维护、易于冷却和寿命长等优点,该系统调速范围宽,而且能实现低速恒转矩,高速恒功率运转,但交流电机控制器成本较高。
目前,世界上众多著名的电动汽车中,多数采用感应电机交流驱动系统。
第三种是永磁同步电机交流驱动系统,其中永磁同步电机包括无刷直流电机和三相永磁同步电机,而永磁同步电机和无刷直流电机相比,永磁同步电机交流驱动系统的效率较高,体积最小,质量最小,也无直流电机的换向器和电刷等缺点。
但该类驱动系统永磁材料成本较高,只在小功率的电动汽车中得到一定的应用。
但永磁同步电机是最有希望的高性能电机,是电动汽车电机的发展方向。
出于直流电机本身具有控制系统简单,调速方便,不需逆变装置等优点,并且本次毕业设计的AGV运行速度低,功率也不高,因此,采用直流电机(包含减速装置)作为驱动系统的动力源足够满足此次AGV设计,并且性价比优越。
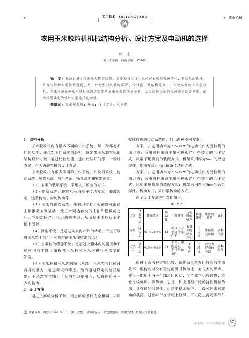
3 电动机的选择3.1 电动机的转速主轴的转速在 750~850min r ,按《机械设计指导书》中表一所推荐的传动比合理取值范围,取V 带的传动比=i 2~4,即可满足电动机的转速与主轴的转速相匹配,故电动机转速范围可选为:2(=*=n i n d ~15007504=⨯)~3000minr 。
符合这一范围的同步电动机转速的有720min r ,1440min r ,2900min r ,根据容量和相关转速,由《机械设计通用手册》查出三种适宜的电动机型号,因此有三种不同的传动比方案,如表1:表1 电动机的型号和技术参数及传动比方案电动机型号额定 功率 电动机转速 基本参数 P/kW 同步 转速 满载 转速 效率(%) 电动机重量(KG ) 功率因数 1 Y160M2-8 5.5 750 720 85 119 0.74 2 Y132S2-4 5.5 1500 1440 85.5 68 0.84 3Y132S1-25.53000290085.5640.88综台考虑电动机和传动装置的尺寸、重量以及带传动的传动比,可知方案3比较适合。
因此选定电动机型号为Y132S1-2。
所选电动机的额定功率d P =5.5kw ,满载转速m n =2900r /min ,总传动比适中,传动装置结构较紧凑。
如表2:表2 其主要参数如下表型 号额定功率 KW满 载 时额 定 电 流额 定 转 矩最 大 转 矩转速r/min 电流(380V )效率 %功率因数Y132S2-45.514401185.5 0.84 7 2.0 2.2表3 电动机尺寸列表单位mm中心高 H 外形尺寸HD AD AC L ⨯+⨯)2( 底脚安装尺寸 B A ⨯地脚螺栓孔直径 K 轴伸尺寸 E D ⨯ 装键部位尺寸GD F ⨯电动机的输出轴尺寸G132315345475⨯⨯140216⨯128038⨯4110⨯33脱粒机最大功率的确定根据公式:P=Tn/9550 (KW)可以算出轴的计算功率Pa。
Y系列(IP44)交换电机一.概述Y系列电念头是一般用处的全关闭自扇冷式鼠笼型三相异步电念头.装配尺寸和功率等级相符IEC尺度,外壳防护等级为IP44,冷却办法为IC411,持续工作制(S1).实用于驱动无特别请求的机械装备,如机床.泵.风机.紧缩机.搅拌机.运输机械.农业机械.食物机械等.Y系列电念头效力高.节能.堵转转矩高.噪音低.振动小.运行安然靠得住.Y80~315电念头相符Y系列(IP44)三相异步电念头技巧前提JB/T9616-1999.Y355电念头相符Y系列(IP44)三相异步电念头技巧前提JB5274-91.Y80~315电念头采取B级绝缘.Y355电念头采取F级绝缘.额定电压为380V,额定频率为50Hz.功率3kW及以下为Y接法;其它功率均为△接法.电念头运行地点的海拔不超出1000m;情况空气温度随季候变更,但不超出40℃;最低情况空气温度为-15℃;最湿月月平均最高相对湿度为90%;同时该月月平均最低温度不高于25℃.电念头有一个轴伸,按用户须要,可制成双轴伸,第二轴伸亦能传递额定功率,但只能用联轴器传动.Y315M-10551235908287960 Y315L2-107516459082871180 Y355M1-1090191595961620 Y355M2-10110230595961775 Y355L1-10132275595961880Y系列异步电念头装配尺寸B3机座带底脚.端盖上无凸缘的电念头装配尺寸机座号极数安装尺寸及公差外形尺寸Overall dimensionA A/2BCDEF G1)H K2)AB AC AD HD L 根本尺寸根本尺寸极限误差根本尺寸根本尺寸极限误差根本尺寸极限误差根本尺寸极限误差根本尺寸极限误差根本尺寸极限误差根本尺寸极限误差根本尺寸极限误差地位度公役80M 2.4 125±0.50 100 50 19 40 6-0.10800-0.510ф1.0165 175 150 175 29090S2.4.6 140 7010056 24 50820-0.2090 180 195 160 19531590L 125 340100L 160 80 140 6328 60 2410012 205 215 180 245 380112M 190 95 140 70 112 245 240 190 265 400 132S2.4.6.8 216 10814089 38 80 10 33 132 280 275 210 315475132M 178 515160M254 127±0.75 210108 421101237 16015ф1.5330 335 265 385605160L 254 650180M279 241121 48 14 180 355 380 285 430670180L 279 710200L 318 159 305 133 55 16 49 20019 395 420 315 475 775225S 4.8356 178 28614960 140 18 53225 435 475 345 530820225M231155 110 16 49 815 4.6.8601401853845250M2406 203±1.00349 168 25024ф2.0490 515 385 575 930 4.6.865 58280S2457 368190 2800-0.10550 580 410 64010004.6.8 75 20280M241965 18 581050 4.6.8 75 20315S2508 254 40621665 18 58315 28 744 645 576 86512404.6.8.10 80 170 22 71 1270315M245765 140 18 58 1310 4.6.8.10 80 170 22 71 1340315L250865 140 18 58 1310 4.6.8.10 80 170 22 71 13401.G=D-GE,GE的极限误差对机座号80为(+0.10),其余为(+0.20).2.K孔的地位度公役以轴伸的轴线为基准.B35机座带底脚.端盖上有凸缘的电念头装配尺寸机座号凸缘号极数安装尺寸及公差外形尺寸Overall dimensionA A/2BCDEF G1)H K2)MNP3)R4)S2)T凸缘孔数AB AC AD HDL 根本尺寸根本尺寸极限误差根本尺寸根本尺寸极限误差根本尺寸极限误差根本尺寸极限误差根本尺寸极限误差根本尺寸极限误差根本尺寸极限误差根本尺寸极限误差地位度公役根本尺寸极限误差根本尺寸极限误差根本尺寸极限误差地位度公役根本尺寸极限误差80M FF165 2.4 125±0.50100 50 19 40 60-0.1080-0.510ф1.0165 130 200 0 12ф1.04165 175 150 175 29090S2.4.6 140 70 10056 24 50 8 200-0.2090 180 195 160 19531590L 125 340100L FF215 160 80 140 6328 60 2410012215 180 25015ф1.54205 215 180 245 380112M 190 95 140 70 112 245 240 190 265 400 132S FF2652.4.6.8 216 10814089 38 80 10 33 132 265 230 300 280 275 210 315475132M 178 515160MFF3254 127±0.75 210108 4211012 37 16015ф1.5300 250 35019 5330 335 265 385605160L 254 650180M279 241121 48 14 180 355 380 285 430670180L 279 710200L FF35318 159 305 133 55 16 49 20019350 300 400 395 420 315 475 775225S FF40 4.8356 17828614960 140 18 53225 400 350 4508435 475 345 530820225M231155 110 16 49 815 4.6.8601401853845250MFF52406 203±1.00349 168 25024ф2.0500 450 550490 515 385 575 930 4.6.865 58280S2457 368190 280-0.10550 580 410 64010004.6.8 75 20280M241965 18 581050 4.6.8 75 20315SFF62508 25440621665 18 58315 28 600 550 660 24ф2.06 744 645 576 8651240 4.6.8.10 80 170 22 71 1270315M245765 140 18 58 1310 4.6.8.10 80 170 22 71 1340315L250865 140 18 58 1310 4.6.8.10 80 170 22 71 13401.G=D-GE,GE的极限误差对机座号80为(+0.10),其余为(+0.20).2.K,S 孔的地位度公役以轴伸的轴线为基准.3.P 尺寸为最大极限值.4.R 为凸缘合营面至轴伸肩的距离.B5机座不带底脚.端盖上有凸缘的电念头装配尺寸机座号凸缘号极数安装尺寸及公差外形尺寸Overall dimensionD E F G1)MNP2)R3)S4)T凸缘孔数AC AD HF L 根本尺寸极限误差根本尺寸极限误差根本尺寸极限误差根本尺寸极限误差根本尺寸极限误差根本尺寸极限误差根本尺寸极限误差地位度公役根本尺寸极限误差80MFF165 2.4 19 40 6-0.10165 130+0.014-0.01120012+0.430ф1.0-0.1204175 150 185 29090S2.4.6 24 508-0.03620-0.20195 160 19531590L 340 100LFF215 28 60 24 215 180 25015ф1.54215 180 245 380112M 240 190 265 400132SFF2652.4.6.8 38 80 10 33 265 230+0.016-0.013300 275 210 315475132M 515160MFF300 4211012-0.04337300 250 35019+0.5205335 265 385605160L 650180M48 14 380 285 430 670180L 710 200L FF350 55 16 49 350 300 400 420 315 480 775225SFF400 4.8 60 140 18 53400 350 450 8 475 345 535820225M2 55 110 16 49 815 4.6.8 60 140 18 53 8451.G=D-GE,GE的极限误差对机座号80为(+0.10),其余为(+0.20).2.P 尺寸为最大极限值.3.R 为凸缘合营面至轴伸肩的距离.4.S 孔的地位度公役以轴伸的轴线为基准.立式装配,机座不带底脚.端盖上有凸缘,轴伸向下的电念头装配尺寸机座号凸缘号极数安装尺寸及公差D E F G1)MNP3)R4)S2)T凸缘孔数AC AD HD L 根本尺寸极限误差根本尺寸极限误差根本尺寸极限误差根本尺寸极限误差根本尺寸极限误差根本尺寸极限误差根本尺寸极限误差地位度公役根本尺寸极限误差180M FF3002.4.6.8 48+0.018+0.002 11014-0.043-0.20300 250+0.016-0.01335019+0.520ф1.55-0.1204380 285 500730180LFF350 770200L 55 16 49 350 300 400 420 315 550 850225SFF400 4.8 60 140 18 53400 350 4508475 345 610910225M2 55 110 16 49 905 4.6.8601401853935250MFF5002500 450 550515 385 650 1035 4.6.865 58280S2580 410 720 11204.6.8 75 20-0.052280M2 65 18-0.043581170 4.6.8 75 20315SFF6002 65 18 58600 550 660 24ф2.06-0.150645 576 9001360 4.6.8.10 80 170 22 71 1390315M2 65 140 18 58 14604.6.8.10 80 170 22 71 1490 315L2 65 140 18 58 14604.6.8.10 80 170 22 71 14901.G=D-GE,GE的极限误差对机座号80为(+0.10),其余为(+0.20).2.P 尺寸为最大极限值.3.R 为凸缘合营面至轴伸肩的距离.4.S 孔的地位度公役以轴伸的轴线为基准.Y2系列(IP54)三相异步电念头一.概述Y2系列电念头是Y系列电机的更新换代产品,是一般用处的全关闭自扇冷式鼠笼型三相异步电念头.它是我国九十年月最新产品,其整体程度已达到国外同类产品九十年月初的程度.该产品运用于公平易近经济各个范畴,如机床.水泵.风机.紧缩机,也可实用于运输.搅拌.印刷.农机.食物等各类不含易燃.易爆或腐化性气体的场合.Y2系列电机的装配尺寸和功率等级相符IEC尺度,与德国DIN42673尺度一致,也与Y系列电机一样,其外壳防护等级为IP54,冷却办法为IC41l,持续工作制(S1).采取F级绝缘,温升按B级考察(除315L2-2.4,355全体规格按F级考察外),并请求考察负载噪声指标.Y2系列电念头额定电压为380V,额定频率为50Hz.功率3kwt以下为Y接法,其他功率均为△接法.电念头运行地点的海拔不超出1000m;情况空气温度随季候变更,但不超出40℃;最低情况空气温度为-15℃;最湿月月平均最高相对湿度为90%;同时该月月平均最低温度不高于25℃.二.型号寄义Y2系列电念头有两种设计,一种是实用于一般机械配套和出口须要,在轻载时有较高效力,在现实运行中有较佳节能后果,且具有较高堵转转矩,此设计称为Y2-Y系列.中间高63~355mm Y2系列(1P54)三相异步电念头(机座号63~355)技巧前提.型号寄义:如Y2-200L1-2Y:“Y2”暗示异步电念头第二次改型设计,“200”暗示中间高,“L”暗示机座长短号,“1”暗示铁心长度序号,“2”暗示极数,“Y”暗示第一种设计(可省略).Y2系列(1P54)三相异步电念头(机座号80~280)技巧前提.型号寄义:如Y2-200L2-6E:“Y2”暗示异步电念头第二次改型设计,“200”暗示中间高,“L”暗示机座长短号,“2”暗示铁心长度序号,“6”暗示极数,“E”暗示第二种设计.三.构造简介1.Y2系列电念头机座外轮廓呈四方形兼圆形,散热片呈垂直,程度平行散布,全体采取铸铁构造.别的H63~112还兼有铝合金压铸构造.2.本系列电念头采取浅端盖构造,增长了内部增强筋的数目和尺寸,全体采取铸铁构造,别的H63~112还兼有铝合金压铸构造.为便利用户运用和检修,H180及以上增设了不断机的注油装配.3.接线盒防护等级为IP55.为了减轻电机重量,H63~280接线盒用铝合金压铸(也可用铸铁件),H315~355运用铸铁件.且盒内设有专用的接地装配,H160及以上机座斟酌有热呵护装配的装配地位,电源进线孔采取双孔进线,并有两种密封构造:一种为加密封盖,另一种为锁慎密封.接线盒一般位于机座顶部,并可以四面出线,别的H80~355铸铁机座的接线盒还可以位于机座正面.Y2系列电机装配及外形尺寸。
创作编号:GB8878185555334563BT9125XW创作者:凤呜大王*Y系列(IP44)交流电机一、概述Y系列电动机是一般用途的全封闭自扇冷式鼠笼型三相异步电动机。
安装尺寸和功率等级符合IEC标准,外壳防护等级为IP44,冷却方法为IC411,连续工作制(S1)。
适用于驱动无特殊要求的机械设备,如机床、泵、风机、压缩机、搅拌机、运输机械、农业机械、食品机械等。
Y系列电动机效率高、节能、堵转转矩高、噪音低、振动小、运行安全可靠。
Y80~315电动机符合Y系列(IP44)三相异步电动机技术条件JB/T9616-1999。
Y355电动机符合Y系列(IP44)三相异步电动机技术条件JB5274-91。
Y80~315电动机采用B级绝缘。
Y355电动机采用F级绝缘。
额定电压为380V,额定频率为50Hz。
功率3kW及以下为Y接法;其它功率均为△接法。
电动机运行地点的海拔不超过1000m;环境空气温度随季节变化,但不超过40℃;最低环境空气温度为-15℃;最湿月月平均最高相对湿度为90%;同时该月月平均最低温度不高于25℃。
电动机有一个轴伸,按用户需要,可制成双轴伸,第二轴伸亦能传递额定功率,但只能用联轴器传动。
Y200L-81534.173088.00.8 1.8 6.0 2.07072 1.8228Y225S-818.541.373089.50.8 1.7 6.0 2.07075 1.8265Y225M-82247.673090.00.8 1.8 6.0 2.07075 1.8296Y250M-8306373090.50.8 1.8 6.0 2.07375 1.8391Y280S-83778.274091.00.8 1.8 6.0 2.07378 2.8500Y280M-84593.274091.70.8 1.8 6.0 2.07378 2.8562Y315S-85511474092.00.8 1.6 6.5 2.08287 2.8875Y315M-87515274092.50.8 1.6 6.5 2.08287 2.81008Y315L1-89017974093.00.8 1.6 6.5 2.08287 2.81065Y315L2-811021874093.30.8 1.6 6.3 2.08287 2.81195Y355M2-813226474093.80.8 1.3 6.3 2.099 4.51675Y355M4-816031974094.00.8 1.3 6.3 2.099 4.51730Y355L3-818536874294.20.8 1.3 6.3 2.099 4.51840Y355L4-820039874394.30.8 1.3 6.3 2.099 4.51905同步转速600r/min 10级Y315S-104510159091.50.7 1.4 6.0 2.08287 2.8838Y315M-105512359092.00.7 1.4 6.0 2.08287 2.8960Y315L2-107516459092.50.8 1.4 6.0 2.08287 2.81180Y355M1-109019159593.00.8 1.2 6.0 2.096 4.51620Y355M2-1011023059593.20.8 1.2 6.0 2.096 4.51775Y355L1-1013227559593.50.8 1.2 6.0 2.096 4.51880Y系列异步电动机安装尺寸B3机座带底脚、端盖上无凸缘的电动机安装尺寸机座号极数安装尺寸及公差外形尺寸Overall dimensionA A/2BCDEF G1)H K2)AB AC AD HD L 基本尺寸基本尺寸极限偏差基本尺寸基本尺寸极限偏差基本尺寸极限偏差基本尺寸极限偏差基本尺寸极限偏差基本尺寸极限偏差基本尺寸极限偏差基本尺寸极限偏差位置度公差80M 2、4 125 62.5±0.50100 50±1.519 40±0.3106-0.030-0.03615.5-0.10800-0.510ф1.0165 175 150 175 290 90S2、4、6140 7010056 24 50820-0.2090 180 195 160 195315 90L 125 340 100L 160 80 140 63±2.028 60±0.3702410012205 215 180 245 380 112M 190 95 140 70 112 245 240 190 265 400 132S2、4、6、8216 10814089 38 80 10 33 132 280 275 210 315475 132M 178 515 160M254 127±0.75210108±3.042110 ±0.430120-0.04337 16015ф1.5330 335 265 385605 160L 254 650180M279 139.5241121 48 14 42.5 180 355 380 285 430670 180L 279 710 200L 318 159 305 133 55 16 49 20019395 420 315 475 775 225S 4、8356 178286149±4.060 140 ±0.500 18 53225 435 475 345 530820 225M231155 110 ±0.430 16 49 8154、6、860140 ±0.5001853845 250M2406 203±1.00349 168 25024ф2.0490 515 385 575 9304、6、865 58280S2457 228.5 368 190 280 0-0.10 550 580 410 640 10004、6、8 75 20 0-0.052 67.5280M241965 18 0-0.043 5810504、6、8 75 20 0-0.052 67.5315S2508 25440621665 18 0-0.043 58315 28 744 645 576 86512404、6、8、10 80 170 22 0-0.052 71 1270315M245765 140 18 0-0.043 58 13104、6、8、10 80 170 22 0-0.052 71 1340315L250865 140 18 0-0.043 58 13104、6、8、10 80 170 22 0-0.052 71 13401.G=D-GE,GE的极限偏差对机座号80为(+0.10),其余为(+0.20)。
2.K孔的位置度公差以轴伸的轴线为基准。
B35机座带底脚、端盖上有凸缘的电动机安装尺寸机座号凸缘号极数安装尺寸及公差外形尺寸Overall dimensionA A/2BCDEF G1)H K2)MNP3)R4)S2)T凸缘孔数AB AC AD HDL 基本尺寸基本尺寸极限偏差基本尺寸基本尺寸极限偏差基本尺寸极限偏差基本尺寸极限偏差基本尺寸极限偏差基本尺寸极限偏差基本尺寸极限偏差基本尺寸极限偏差位置度公差基本尺寸极限偏差基本尺寸极限偏差基本尺寸极限偏差位置度公差基本尺寸极限偏差80M FF1652、4 125 62.5±0.50100 50±1.519 40 6 15.5 0-0.10 80-0.510ф1.0165 130 200±1.5 12ф1.03.54165 175 150 175 290 90S2、4、6140 7010056 24 508200-0.2090 180 195 160 195315 90L 125 340 100L FF215160 80 140 63±2.028 60 2410012215 180 250±2.0 15ф1.54205 215 180 245 380 112M 190 95 140 70 112 245 240 190 265 400 132S FF2652、4、6、8216 10814089 38 80 10 33 132 265 230 300 280 275 210 315475132M 178 515160M FF3254 127±0.75210108±3.04211012 37 16015ф1.5300 250 350±3.019 5330 335 265 385605 160L 254 650 180M279 139.5241121 48 14 42.5 180 355 380 285 430670 180L 279 710200LFF35318 159 305 133 55 16 49 20019350 300 400 395 420 315 475 775225S FF44、8356 178286149±4.060 140 18 53225 400 350 450±4.0 8435 475 345 530820225M231155 110 16 49 8154、6、8 601401853845 250MFF52406 203±1.00349 168 25024 ф2.0500 450 550490 515 385 575 9304、6、8 65 58280S2457 228.5368190 280 0-0.10550 580 410 64010004、6、875 20 67.5280M241965 18 5810504、6、875 20 67.5315S FF 2 508 254 406 216 65 18 58 315 28 600 550 660 24 ф2.0 6 744 645 576 865 124064、6、8、1080 170 22 71 1270 315M245765 140 18 58 13104、6、8、1080 170 22 71 1340 315L250865 140 18 58 13104、6、8、1080 170 22 71 13401.G=D-GE,GE的极限偏差对机座号80为(+0.10),其余为(+0.20)。
2.K,S 孔的位置度公差以轴伸的轴线为基准。
3.P 尺寸为最大极限值。
4.R 为凸缘配合面至轴伸肩的距离。
B5机座不带底脚、端盖上有凸缘的电动机安装尺寸机座号凸缘号极数安装尺寸及公差外形尺寸Overall dimensionD E F G1)MNP2)R3)S4)T凸缘孔数AC AD HF L 基本尺寸极限偏差基本尺寸极限偏差基本尺寸极限偏差基本尺寸极限偏差基本尺寸极限偏差基本尺寸极限偏差基本尺寸极限偏差位置度公差基本尺寸极限偏差80MFF1652、4 19+0.009-0.00440±0.3106-0.03015.5-0.10165 130+0.014-0.011200±1.5 12+0.430ф1.03.5-0.1204175 150 185 290 90S2、4、624 508-0.03620-0.20195 160 195315 90L 340100LFF215 28 60±0.37024 215 180 250±2.0 15ф1.54215 180 245 380 112M 240 190 265 400 132SFF2652、4、6、838+0.018+0.00280 10 33 265 230+0.016-0.013300 275 210 315475 132M 515 160MFF30042110 ±0.43012-0.04337300 250 350±3.019+0.5205335 265 385605 160L 650 180M48 14 42.5 380 285 430670 180L 710 200L FF350 55+0.030+0.01116 49 350 300 ±0.016 400 420 315 480 775 225SFF4004、8 60 140 ±0.500 18 53400 350 ±0.018 450 ±4.0 8 475 345 535820 225M2 55 110 ±0.430 16 49 8154、6、8 60 140 ±0.500 18 53 8451.G=D-GE,GE的极限偏差对机座号80为(+0.10),其余为(+0.20)。