土方回填质量评定表
- 格式:docx
- 大小:18.59 KB
- 文档页数:8
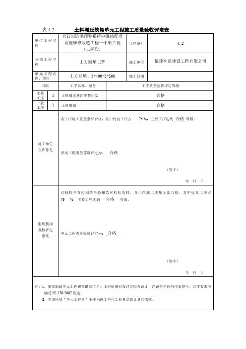
表4.2 土料碾压筑堤单元工程施工质量验收评定表单位工程名称大石凹防汛预警系统中继站配套设施维修改造工程一干渠工程(二标段)工序编号 4.2分部工程名称土方回填工程施工单位福建神通建设工程有限公司单元工程名称、部位土方回填、3+400-3+500 施工日期项次工序名称、编号工序质量验收评定等级主要工序1 土料碾压基面平整压实合格一般工序1 土料摊铺合格施工单位自评意见各工序施工质量全部合格,其中优良工序占76 %,主要工序达到合格等级。
单元工程质量等级评定为:合格(签字)年月日监理机构复核评定意见经抽检并查验相关检验报告和检验资料,各工序施工质量全部合格,其中优良工序占76 %,主要工序达到合格等级。
单元工程质量等级评定为:合格(签字)年月日注:1.重要隐蔽单元工程和关键部位单元工程质量验收评定应有设计、建设等单位的代表签字,具体要求应满足SL 176-2007规定。
2.本表所填“单元工程量”不作为施工单位工程量结算计量的依据。
单位工程名称大石凹防汛预警系统中继站配套设施维修改造工程一干渠工程(二标段)工序名称、编号 4.2.1、土料摊铺分部工程名称土方回填工程施工单位福建神通建设工程有限公司单元工程名称、编号土方回填、C2-1施工日期项次检验项目质量标准检查(测)记录或备查资料名称合格数合格率主控项目1 土块直径符合表5.0.5-2的要求铺料厚度50cm、限制直径≤15cm;15cm、16cm、17cm、14cm、13cm、12cm、10cm、12cm、14cm、9cm8 80%2 铺土厚度符合碾压试验或表5.0.5-2的要求;允许偏差为-5.0~0 cm18t振动碾、铺料厚度50cm;54cm、47cm、47cm、51cm、50cm、52cm、57cm、56cm、51cm、52cm8 80%一般项目1作业面分段长度人工作业不小于50m;机械作业不小于100m机械作业;100.5m、100.2m、100.1m、99.5m、99.3m、100.2m、100.0m、100.1m、100.1m、99.1m、7 70%2铺填边线超宽值人工铺料大于10cm;机械铺料大于30cm机械铺料;34cm、32cm、44cm、18cm、17cm、27cm、33cm、30cm、41cm、39cm7 70%防渗体: 0~10cm /包边盖顶:0~10cm/施工单位自评意见主控项目检验点100%合格,一般项目逐项检验点的合格率70%,且不合格点不集中分布。
土方回填质量评定表水利水电工程土方回填单元工程施工质量评定表单位工程名称靖宇县景山镇清水村排水沟建设工程单元工程量m3分部工程名称土方回填施工单位抚松新城市政建设有限公司单元工程名称、部位1#、3#边沟评定日期2017年 8 月23 日项次检查项目质量标准检验记录1 土料土质、含水率土料土质无不合格、含水率适中无不合格土、含水率适中2 土块粒径≤5cm ≤5cm项次允许偏差项目质量标准实测值合格数(点)合格率(%)1 每层回填≤25cm 10 8 80厚度2 压实指标回填的土料夯实均匀,无漏压、欠压部位,设计干密度不小于1.5t/m³评定意见工序质量等级基本项目全部符合质量标准;允许偏差项目实测点合格率为80%合格施工单位抚松新城市政建设有限公司签字:于春霞2017年 8月23 日监理单位吉林省东源水利水电工程咨询有限公司签字:2017 年8 月23 日水利水电工程土方回填单元工程施工质量评定表单位工程名称靖宇县景山镇清水村排水沟建设工程单元工程量m3分部工程名称土方回填施工单位抚松新城市政建设有限公司单元工程名称、部位2#、4#边沟评定日期2017年 8 月24 日项次检查项目质量标准检验记录1 土料土质、含水率土料土质无不合格、含水率适中无不合格土、含水率适中2 土块粒径≤5cm ≤5cm项允许质量标准实测值合格合格次偏差项目数(点)率(%)1 每层回填厚度≤25cm 10 8 802 压实指标回填的土料夯实均匀,无漏压、欠压部位,设计干密度不小于1.5t/m³评定意见工序质量等级基本项目全部符合质量标准;允许偏差项目实测点合格率为80%合格施工单位抚松新城市政建设有限公司签字:监理单位吉林省东源水利水电工程咨询有限公司签字:于春霞2017年 8 月24 日2017 年8 月24 日水利水电工程土方回填单元工程施工质量评定表单位工程名称靖宇县景山镇清水村排水沟建设工程单元工程量m3分部工程名称土方回填施工单位抚松新城市政建设有限公司单元工程名称、部位6#边沟评定日期2017年 8 月25 日项检查项质量标准检验记录次目1 土料土质、含水率土料土质无不合格、含水率适中无不合格土、含水率适中2 土块粒径≤5cm ≤5cm项次允许偏差项目质量标准实测值合格数(点)合格率(%)1 每层回填厚度≤25cm 10 9 902 压实指标回填的土料夯实均匀,无漏压、欠压部位,设计干密度不小于1.5t/m³评定意见工序质量等级基本项目全部符合质量标准;允许偏差项目实测点合格率为合格90%施工单位抚松新城市政建设有限公司签字:于春霞2017年 8月25 日监理单位吉林省东源水利水电工程咨询有限公司签字:2017 年8 月25 日水利水电工程土方回填单元工程施工质量评定表单位工程名称靖宇县景山镇清水村单元工程量m3排水沟建设工程分部工程名称土方回填施工单位抚松新城市政建设有限公司单元工程名称、部位5#边沟评定日期2017年 8 月26 日项次检查项目质量标准检验记录1 土料土质、含水率土料土质无不合格、含水率适中无不合格土、含水率适中2 土块粒径≤5cm ≤5cm项次允许偏差项目质量标准实测值合格数(点)合格率(%)1 每层回填厚度≤25cm 10 9 902 压实指标回填的土料夯实均匀,无漏压、欠压部位,设计干密度不小于1.5t/m³评定意见工序质量等级基本项目全部符合质量标准;允许偏差项目实测点合格率为90%合格施工单位抚松新城市政建设有限公司签字:于春霞2017年 8月26 日监理单位吉林省东源水利水电工程咨询有限公司签字:2017 年8 月26 日水利水电工程土方回填单元工程施工质量评定表单位工程名称靖宇县景山镇清水村排水沟建设工程单元工程量m3分部工程名称土方回填施工单位抚松新城市政建设有限公司单元工程名称、部位7#、9#边沟评定日期2017年 8 月27 日项次检查项目质量标准检验记录1 土料土质、含水率土料土质无不合格、含水率适中无不合格土、含水率适中2 土块粒径≤5cm ≤5cm项次允许偏差项目质量标准实测值合格数(点)合格率(%)1 每层回填厚度≤25cm 10 8 802 压实指标回填的土料夯实均匀,无漏压、欠压部位,设计干密度不小于1.5t/m³评定意见工序质量等级基本项目全部符合质量标准;允许偏差项目实测点合格率为80%合格施工单位抚松新城市政建设有限公司签字:于春霞2017年 8月27 日监理单位吉林省东源水利水电工程咨询有限公司签字:2017 年8 月27 日水利水电工程土方回填单元工程施工质量评定表单位工程名称靖宇县景山镇清水村排水沟建设工程单元工程量m3分部工程名称土方回填施工单位抚松新城市政建设有限公司单元工程名称、部位8#、10#边沟评定日期2017年 8 月28 日项次检查项目质量标准检验记录1 土料土质、含水率土料土质无不合格、含水率适中无不合格土、含水率适中2 土块粒径≤5cm ≤5cm项次允许偏差项质量标准实测值合格数(点)合格率(%)目1 每层回填厚度≤25cm 10 8 802 压实指标回填的土料夯实均匀,无漏压、欠压部位,设计干密度不小于1.5t/m³评定意见工序质量等级基本项目全部符合质量标准;允许偏差项目实测点合格率为80%合格施工单位抚松新城市政建设有限公司签字:于春霞监理单位吉林省东源水利水电工程咨询有限公司签字:2017年 8 月28 日2017 年8 月28 日。
路基清理、沟槽开挖单元工程质量评定表土石方回填压实工序质量评定表水利、水电工程机耕路单元工程质量评定表水利、水电工程混凝土沟渠单元工程质量评定表单元工程施工质量报验单合同名称:会理县烟基设施建设内东乡潭溪河村田型调整项目说明:本表一式 4 份,由承包人填写。
监理机构审签后,承包人水利水电工程水泥砂浆砌石体单元工程质量评定表合同名称:会理县西河堤文化桥至实验中学段整治工程合同编号:水利、水电工程水泥砂浆砌石体单元工程质量评定表水利水电工程表7.16—3 水泥砂浆砌石体浆砌石体层面处理水利、水电工程混凝土预制件沟渠单元工程质量评定表水利、水电工程单位工程施工质量评定表水利水电工程分部工程施工质量评定表注分部工程质量在施工单位质检部门自评的基础上,由监理单位复核其质量等级,报质量监督机构核备.大型水利枢纽工程主体建筑物的分部工程质量,在施工单位自评,监理单位复核后,需报质量监督机构核定其质量等级。
分部工程开工申请表([]合开工号)合同名称:会理县西河河堤文化桥至实验中学整治工程合同编号:施工竣工总结报告一、工程概况会理县南阁乡南阁村烟水配套工程23标段位于会理县南阁乡南阁村内,主要工程为渠道砌筑及渠系工程。
二、施工质量的控制我公司自2009年10月12日进入施工现场,首先进行了四等水准测量,并经过严格的复核检查合格后,才进行渠道的土方开挖施工。
在是施工中进行了严格高程控制,减少超挖和欠挖的现象出现。
至2009年12月12日全部工程竣工。
在开工前进行材料的组织,所进场材料均进行严格的抽样检查,合格后方可进入施工现场。
完成了全段的施工,整个渠体的浇筑分为两部分:边墙和底板,在砌筑渠体的边墙时,首先进行基础的清基,并经过自检合格后报建设单位及监理工程师验收合格后,才能进行下一道施工工序,在浇筑的过程中严格以高程控制边墙基底及顶面,防止边墙出现“吊脚楼"的情况,在砂浆搅拌过程中,严格按照规范标准和设计砂浆配合比的计量标准配料,砌筑时采用坐浆法分层浇筑,铺浆厚度在3~5cm,随铺浆随浇筑。
表4.2 土料碾压筑堤单元工程施工质量验收评定表单位工程名称大石凹防汛预警系统中继站配套设施维修改造工程一干渠工程(二标段)工序编号 4.2分部工程名称土方回填工程施工单位福建神通建设工程有限公司单元工程名称、部位土方回填、3+400-3+500 施工日期项次工序名称、编号工序质量验收评定等级主要工序1 土料碾压基面平整压实合格一般工序1 土料摊铺合格施工单位自评意见各工序施工质量全部合格,其中优良工序占76 %,主要工序达到合格等级。
单元工程质量等级评定为:合格(签字)年月日监理机构复核评定意见经抽检并查验相关检验报告和检验资料,各工序施工质量全部合格,其中优良工序占76 %,主要工序达到合格等级。
单元工程质量等级评定为:合格(签字)年月日注:1.重要隐蔽单元工程和关键部位单元工程质量验收评定应有设计、建设等单位的代表签字,具体要求应满足SL 176-2007规定。
2.本表所填“单元工程量”不作为施工单位工程量结算计量的依据。
单位工程名称大石凹防汛预警系统中继站配套设施维修改造工程一干渠工程(二标段)工序名称、编号 4.2.1、土料摊铺分部工程名称土方回填工程施工单位福建神通建设工程有限公司单元工程名称、编号土方回填、C2-1施工日期项次检验项目质量标准检查(测)记录或备查资料名称合格数合格率主控项目1 土块直径符合表5.0.5-2的要求铺料厚度50cm、限制直径≤15cm;15cm、16cm、17cm、14cm、13cm、12cm、10cm、12cm、14cm、9cm8 80%2 铺土厚度符合碾压试验或表5.0.5-2的要求;允许偏差为-5.0~0 cm18t振动碾、铺料厚度50cm;54cm、47cm、47cm、51cm、50cm、52cm、57cm、56cm、51cm、52cm8 80%一般项目1作业面分段长度人工作业不小于50m;机械作业不小于100m机械作业;100.5m、100.2m、100.1m、99.5m、99.3m、100.2m、100.0m、100.1m、100.1m、99.1m、7 70%2铺填边线超宽值人工铺料大于10cm;机械铺料大于30cm机械铺料;34cm、32cm、44cm、18cm、17cm、27cm、33cm、30cm、41cm、39cm7 70%防渗体: 0~10cm /包边盖顶:0~10cm/施工单位自评意见主控项目检验点100%合格,一般项目逐项检验点的合格率70%,且不合格点不集中分布。
水利水电工程
土方回填单元工程施工质量评定表
水利水电工程
土方回填单元工程施工质量评定表
基本项目全部符合质量标准;允许偏差项目实测点合格率为合格80%
水利水电工程
土方回填单元工程施工质量评定表
水利水电工程
土方回填单元工程施工质量评定表
水利水电工程
土方回填单元工程施工质量评定表
水利水电工程
土方回填单元工程施工质量评定表
压实指标
回填的土料夯实均匀, 无漏压、欠压部位,设
计干密度不小于 1.5t/m 3
评定意见
工序质量等级
基本项目全部符合质量标准;允许偏差项目实测点合格率为
80%
合格
施 工 单 位
抚松新城市政建设
签字:于春霞
监 理
单 位
省东源水利水电工程咨询
签字:
2017年8月27日 2017年8月27日。