加油站设备完好检查表
- 格式:xls
- 大小:37.50 KB
- 文档页数:3
加油站安全检查表一、加油站基本情况。
1. 加油站名称,________________________。
2. 地址,_____________________________。
3. 负责人,___________________________。
4. 联系电话,_________________________。
二、场地环境。
1. 油罐区域是否有漏油现象?2. 是否有易燃易爆物品存放在加油站周围?3. 储油罐、加油枪等设施是否完好无损?4. 是否有明火、电火花等火源存在?三、安全设施。
1. 灭火器是否在有效期内,且定期检查?2. 是否有安全出口标识,通道是否畅通?3. 是否有应急疏散预案,并定期演练?四、员工安全意识。
1. 是否有定期的安全培训?2. 是否有安全操作规程,员工是否遵守?3. 是否有安全警示标识,员工是否能正确识别?五、消防安全。
1. 是否有定期的消防设施检查?2. 是否有消防通道,通道是否畅通?3. 是否有定期的消防演练?六、客户安全。
1. 是否有明显的安全警示标识?2. 是否有加油提示,避免加油过程中发生意外?3. 是否有加油站工作人员进行安全引导?七、其他安全隐患。
1. 是否有定期的安全隐患排查?2. 是否有安全隐患整改记录?3. 是否有定期的安全检查报告?八、检查人员意见。
1. 检查人员,_________________________。
2. 检查日期,_________________________。
3. 检查意见,_________________________。
以上为加油站安全检查表,希望加油站能够严格按照安全检查表的要求进行安全管理,确保加油站的安全生产。
同时,加油站负责人应当重视安全管理工作,确保员工和客户的人身安全,维护加油站的正常经营秩序。
加油站安全检查表
一、人员安全
•每位员工必须佩戴安全帽和手套。
•禁止吸烟或使用明火。
•需定期进行员工安全意识培训。
二、设备安全
•加油机应每月进行一次全面检查,确保正常工作。
•车辆提取系统需定期维护,避免故障发生。
•警示标识牌应清晰可见,引导车辆停放位置。
三、场地安全
•应定期清理场地,确保无杂物堆积。
•地面需保持干燥,避免意外滑倒发生。
•出入口处需设置安全通道,紧急情况下能快速疏散人员。
四、风险防范
•建立应急预案,确保员工知晓如何应对紧急情况。
•定期检查消防设备,保持有效性。
•每月进行一次消防演练,提高员工应急能力。
五、安全记录
•每天定时记录安全巡查情况,及时发现问题并处理。
•定期汇总安全记录,制定改进措施。
•对安全记录进行归档,备查。
结语
通过对加油站的安全检查,能够有效降低事故风险,保障员工和顾客的安全。
安全意识始终是工作的首要任务,只有时刻警惕,才能让加油站环境更加安全可靠。
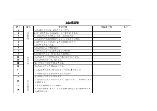
加油站现场安全检查表
一、危险化学品管理
•油罐区域未发现泄漏迹象
•油罐标识清晰完整,统一编码
•油罐附件设施无损坏或泄漏
二、设施设备检查
•油气回收系统运行正常
•加油机泄漏检测系统正常
•警报装置运行情况良好
三、消防设施检查
•灭火器压力合适,有效期内
•消防栓自清楚,易于操作
•消防通道畅通无障碍
四、安全生产管理
•现场工作人员佩戴工作证,符合操作规程
•加油站环境整洁,无明显污染
•日常安全巡逻记录完整
五、其他安全隐患排查
•可燃易爆物品存放有序,与其他物品隔离
•场内无明火行为
•定期开展安全培训,员工意识到位
通过上述安全检查表,加油站的现场安全状况得到了充分的审查。
在日常经营中,必须严格执行相关安全管理制度,持续加强安全生产意识,确保加油站运营安全稳定。
声明:本文内容仅供参考,具体的安全管理措施应根据实际情况制定。
加油站季节性安全检查表
一、检查项目
1. 检查加油站的照明系统是否正常;
2. 检查加油站的消防设备是否完好;
3. 检查加油站的油罐是否漏油;
4. 检查加油站的管道是否有损坏;
5. 检查加油站的操作设备是否安全;
6. 检查加油站的电气设备是否安全;
7. 检查加油站的汽油是否满足国家规定的标准;
8. 检查加油站的环境是否安全;
二、检查方法
1. 照明系统:检查照明系统是否正常,定期更换灯泡,检查灯具是否运行正常;
2. 消防设备:检查消防设备是否完好,检查灭火器是否有效;
3. 油罐:定期检查油罐是否漏油,检查油罐是否有锈蚀;
4. 管道:检查管道是否有损坏,检查管道的连接是否完好;
5. 操作设备:检查操作设备是否安全,检查操作设备的控制系统是否正常;
6. 电气设备:检查电气设备是否安全,检查电气设备的接线是否正确;
7. 汽油:检查汽油是否符合国家规定的标准,检查汽油的质量是否符合要求;
8. 环境:检查加油站的环境是否安全,检查周围环境是否有危险因素。
加油站常规设施安全检查表为了确保加油站设施的安全性和正常运营,需要定期进行常规设施安全检查。
本文将介绍加油站常规设施安全检查表,旨在提供必要的检查项目和方向,对加油站设施的安全进行全面检查。
一、加油站油罐区安全检查1.油罐区周围防护设施:检查油罐区围栏、标识牌、灯光是否完好,坑位是否有固定设施。
2.油罐:检查油罐周围是否有明火、杂物堆放等不安全因素,油罐表面是否有异常现象,如漏油、变形等。
3.泄油池:检查泄油池是否有漏油现象,油位是否处于安全范围内。
4.环保设施:检查加油站的排水系统、废气排放等是否符合环保要求。
二、加油站泵区安全检查1.泵房设施:检查泵房门窗、防盗设施、照明设施是否符合安全要求,且是否有异常声响。
2.油枪:检查油枪是否有泄漏、损坏等现象,长时间停放的油枪是否放置整齐。
3.泵台:检查泵台周围是否有易燃物品、操作人员是否按规范操作设备。
三、加油站收银区安全检查1.收银设施:检查收银台灯光、休息区设施是否完好。
2.防盗设施:检查摄像头、报警器是否处于正常使用状态,且是否可以清晰拍摄照片、录像。
3.操作员:检查收银员是否已经经过培训,了解有关应急处理程序和消防演习。
此外,检查是否有其他人员进入收银区,以确保安全。
四、加油站周边安全检查1.环境卫生:检查周边环境是否干净整洁,如有垃圾堆积、卫生间等设施的卫生状况。
2.道路安全:检查进出加油站的道路是否有隐患。
3.店铺安全:检查周边店铺门窗、防盗设施、灯光是否符合安全标准。
五、应急设施检查1.消防器材:检查灭火器、消火栓等设施是否处于正常的工作状态,是否有损坏。
2.安全防护用品:检查应急箱内是否配备有紫外线手电筒、呼吸器等设备,可在紧急情况下使用。
3.应急通讯设备:检查应急通讯设备是否正常工作,如确保联络方式畅通,以确保员工在紧急情况下能够得到及时帮助。
结论加油站常规设施安全检查表是确保加油站设施安全的有效工具。
通过按照以上检查项目对加油站设施进行全面检查,可以及时发现隐患并采取相应的措施,确保加油站设施的正常运营和安全性。