市政道路工程检验批划分规范
- 格式:doc
- 大小:90.50 KB
- 文档页数:4
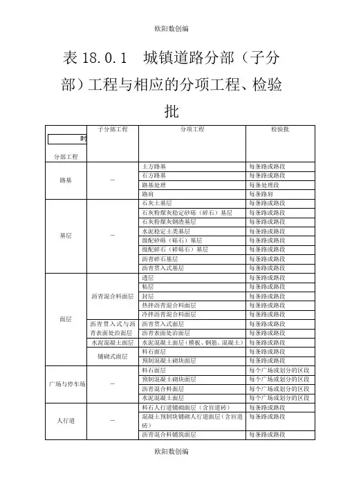
市政道路工程检验批划分规范表18.0.1城镇道路分部(子分部)工程与相应的分项工程、检验批分部工程子分部工程土方路基路基-石方路基路基处理路肩石灰土基层石灰粉煤灰稳定砂砾(碎石)基层石灰粉煤灰钢渣基层基层-水泥稳定土类基层级配砂砾(砾石)基层级配碎石(碎砾石)基层沥青碎石基层沥青贯入式基层透层粘层沥青混合料面层封层热拌沥青混合料面层面层冷拌沥青混合料面层沥青贯入式与沥青表面处治面层水泥混凝土面层铺砌式面层沥青渗透面层沥青表面处理面层料石面层预制混凝土砌块面层石材表层广场与停车场-预制混凝土砌块面层沥青混合料面层混凝土面层料石人行道铺砌面层(含盲道砖)人行道-分项工程检验批每条路或路段每条路或路段每条处理段每条路肩每条道路或路段每条道路或路段每条道路或路段每条路或路段每条路或路段每条道路或路段每条路或路段每条路或路段每条路或路段每条路或路段每条路或路段每条道路或路段每条道路或路段每条道路或路段每条道路或路段每条路或路段每条道路或路段每个正方形或分割的部分每个广场或划分的区段每个正方形或分割的部分每个正方形或分割的部分每条路或路段每条道路或路段的混凝土表面(模板、钢筋、混凝土) 混凝土预制块铺砌人行道面层(含盲道每条路或路段砖)沥青混合料摊铺面层地基每条道路或路段每个过道每座通道每座通道每座通道每座通道每座通道每座通道每个过道每个过道每个过道里的人行地道结构现浇钢筋混凝土人行地道结构防水材料基础(模板、钢筋、混凝土)墙与顶板(模板、钢筋、混凝土)墙顶构件的预制预制安装钢筋混凝土人行地道结构砌体墙和钢筋混凝土混凝土屋顶行人地板地基防水基础(模板、钢筋、混凝土)墙板、顶板安装顶部构件预制地基道结构防水基础(模板、钢筋、混凝土)墙体砌筑顶部构件、顶板安装现浇顶部(模板、钢筋、混凝土) 地基基础墙(模板、钢筋、混凝土)层和排水孔回填帽石栏杆预制挡土墙板基础基础(模板、钢筋、混凝土)墙板安装(含焊接)层和排水孔回填土石矛栏杆地基基础(砖石、混凝土)墙体砌筑滤层、泄水孔回填石矛地基基础(模板、钢筋、混凝土) 加筋挡土墙砌块与筋带安装每个过道每座通道每座通道每个过道每道挡土墙地基每个挡土墙基础每面墙每道墙体每面墙每面墙每道墙体每道墙体每个挡土墙的基础每道基础每道墙体每道墙体每道墙体每道墙体每面墙每面墙每道墙体每道墙体每道墙体每面墙每面墙每道挡土墙地基每个基金会每道墙体每道墙体每面墙每道墙体每面墙每条路或路段每条道路或路段每条路或路段每座结构每条路或路段每条道路或路段每条道路或路段每条路或路段每堵声屏障墙每条道路或路段现浇钢筋混凝土挡土墙装配式钢筋混凝土挡土墙挡土墙壁建筑挡土墙加筋土挡墙的反滤层和排水孔回填帽石栏杆路缘石雨水支管和雨水入口排(截)水沟倒置管道和涵洞护坡隔离墩隔离栅护栏声屏障(砌体、金属)防眩板附上属构筑物-个人停车位租赁合同范本出租方(甲方):xxx身份证号:xxxxxxxxx承租方(乙方):xxx身份证号:xxxxxxxxx甲、乙双方经充分协商,现将甲方位于xxxxxxxxx私家车位租给乙方作为车辆(车牌号:xxxxx)停放使用,并签订如下车位租赁合同条款,甲、乙双方共同遵守和执行。
道路工程检验批划分一、检验批划分原则1. 划分检验批的主要目的是为了能够进行质量验收,应当根据工程项目的规模大小和特点进行合理划分。
2. 检验批的划分应尽量保证其完整性,即每个划分单位在整个工程中都能独立、完整地体现施工工艺和施工要求。
3. 对于同一施工方法、同一工艺、同一工序,应尽量划分到同一检验批中,以便于质量管理和控制。
二、道路工程检验批划分标准1. 路基工程(1)土方填筑工程:根据土质和填筑方法的不同,可划分为不同的检验批,一般可按每层土的填筑厚度、填筑面积或填筑宽度划分。
例如,填方路基每层填筑厚度为30cm,可划分为若干个检验批;填筑面积或填筑宽度每500m2或100m2可划分为一个检验批。
(2)石方填筑工程:根据石质的不同,可划分为不同的检验批。
例如,填石路堤可按每层填筑厚度、填筑面积或填筑宽度划分检验批;爆破填方则可根据爆破后的粒径和级配,以及填筑厚度和面积划分检验批。
(3)路基排水工程:可根据排水设施的类型、位置和施工方法的不同,划分为不同的检验批。
例如,边沟、排水沟、截水沟等可根据其长度或排水面积划分检验批;跌水、急流槽等可根据施工方法的不同划分检验批。
2. 路面工程(1)沥青混凝土路面工程:可根据沥青混凝土的配合比、施工温度、施工方法等不同因素,划分为不同的检验批。
例如,沥青混凝土的配合比可根据矿料级配和沥青用量的不同进行划分;施工温度可根据摊铺和碾压过程中的温度变化进行划分;施工方法可根据不同的摊铺厚度、摊铺速度和碾压遍数进行划分。
根据不同的施工条件和要求,可适当调整检验批划分的标准和方法。
(2)水泥混凝土路面工程:可根据水泥混凝土的配合比、施工工艺和施工方法的不同,划分为不同的检验批。
例如,水泥混凝土的配合比可根据水泥、砂、石和水等原材料的比例进行划分;施工工艺可根据模板安装、钢筋绑扎、混合料拌和、运输、浇筑和养护等工序进行划分;施工方法可根据不同的模板类型、钢筋加工设备和混合料拌和设备进行划分。
横八路道路建设项目(单位工程、分部工程、分项工程、检验批划分方案)编制单位:重庆珠峰业建设工程有限公司编制人:审核人:编制日期:2015年 03月 20日检验批划分专项方案1、编制依据1.1、横八路道路建设项目施工合同1.2、横八路道路建设项目设计施工图1.3规范标准:1.3.1《公路工程技术标准》(JTG B01-2003)1.3.2《建筑地基基础工程施工质量验收规范》GB50202-20021.3.3《公路交通安全设施设计及施工技术规范》(JTG D81-2006)1.3.4《混凝土结构工程施工质量验收规范》GB50204-20021.3.5《混凝土质量控制标准》GB50164-20111.3.6《公路桥梁伸缩装置》(JT/T 327-2004)1.3.7《钢筋混凝土用钢第2部分:热轧带肋钢筋》GBl499.2-2008 1.3.8《通用硅酸盐水泥》GB175-20071.3.9《普通混凝土力学性能试验方法标准》GB/T50081-20021.3.10《钢筋焊接及验收规程》JGJ18-20121.3.11《钢筋焊接接头试验方法标准》JGJ/T27-20011.3.12《钢筋机械连接技术规程》JGJ107-20101.3.13《公路桥梁板式橡胶支座》(JT/T4-2004)1.3.14《砌体工程施工质量验收规范》GB50203-20111.3.15《公路桥涵施工技术规范》(JTG∕T F50-2011)1.3.16《公路工程质量检验评定标准》(JTG F80/1-2004)1.3.17《城镇道路工程施工与质量验收规范》(CJJ1-2008)1.3.18《建筑给水排水及采暖工程施工质量验收规范》GB50242-2002 1.3.19《给水排水管道工程施工及验收规范》GB50268-20081.3.20《公路路基施工技术规范》(JTG F10-2006)1.3.21《公路沥青路面施工技术规范》(JTG F40-2004)1.3.22《公路路面基层施工技术规范》(JTJ034-2000)1.3.23《城市道路工程施工质量验收规范》(DBJ50-078-2008)重庆市地方标准1.3.24《埋地塑料排水管道工程技术规程》(DG/TJ08-308-2002)1.3.25《给水排水管道工程施工及验收规范》(GB50268-2008)1.3.26《道路交通标志和标线》(GB5768-2009)1.3.27《城市道路交通标志和标线》(05MR601)2、工程概况2.1、工程建设概况工程建设概况一览表工程名称横八路道路建设项目工程地址重庆市巴南区高职城腹地建设单位重庆市高等职业技术教育城实业发展有限公司设计单位重庆路威土木工程设计有限公司勘察单位武汉华太岩土工程有限公司监理单位重庆市永安工程建设监理有限公司施工单位重庆珠峰业建设工程有限公司质监部门重庆巴南区质监站安监部门重庆巴南区安监站开工日期开工日期为2015年04月01日。
市政路面工程检验批划分规范1. 引言市政路面工程是城市基础设施建设的重要组成部分,为确保道路质量和使用安全,需要进行检验批划分。
本文档旨在规范市政路面工程检验批划分的步骤和要求,以确保工程质量符合相关标准和规范。
2. 检验批划分的目的市政路面工程的检验批划分是为了对工程进行有效的管理和监督,确保工程质量的合格性和稳定性。
通过划分检验批,可以对工程过程中的各个环节进行全面的检查和评估,及时发现和解决问题,确保工程的顺利进行和最终结果的符合要求。
3. 检验批划分的步骤为了确保检验批划分的科学性和准确性,以下是市政路面工程检验批划分的步骤:3.1 划定检验范围根据工程的具体情况和施工方案,确定每个检验批的范围。
一般可以按照施工工序或者区域进行划分,确保每个检验批的内容和范围具有可比性和可控性。
3.2 制定检验批划分方案在划定检验范围的基础上,制定详细的检验批划分方案。
该方案应包括划分原则、划分方法和划分依据等内容,以确保划分的科学性和合理性。
3.3 实施检验批划分按照检验批划分方案,对每个检验批进行具体划分,并编制相应的检验批划分表。
该表应包括检验批编号、范围、工序、质量目标和检验要求等内容,以便后续的检验和评估工作。
3.4 监督和管理在工程施工过程中,对每个检验批进行监督和管理。
包括对施工过程的监控和记录,对工程质量的评估和验收,以及对问题的处理和整改等。
4. 检验批划分的要求为确保市政路面工程检验批划分的准确和有效,以下是相关的要求:4.1 根据标准和规范检验批划分应根据相关的标准和规范进行,确保划分的科学性和合理性。
例如,可以参考相关行业标准、设计规范和工程施工阶段的要求等。
4.2 全过程监督对每个检验批的施工过程进行全过程监督。
包括对施工工序、施工质量、施工机械设备等的监控和记录,及时发现和解决问题,确保工程的整体质量。
4.3 反馈和改进对每个检验批的检验结果进行反馈和改进。
在发现问题或者不合格的情况下,应及时整改并记录,确保工程质量得到持续改进和提高。