钣金件加工工艺及企业标准介绍
- 格式:ppt
- 大小:6.03 MB
- 文档页数:30
钣金加工标准钣金加工是一种常见的金属加工工艺,广泛应用于汽车制造、电子设备、家电等领域。
在进行钣金加工时,需要严格遵守一定的标准,以确保加工出的产品质量符合要求,同时也能提高生产效率和降低成本。
本文将重点介绍钣金加工的标准要求,希望能对相关行业的从业人员有所帮助。
首先,钣金加工的标准要求包括对原材料的要求、加工工艺的要求以及成品的质量要求。
在选择原材料时,需要考虑材料的种类、规格、表面质量等因素,以确保原材料符合加工要求。
在加工工艺方面,需要严格按照工艺流程进行操作,包括切割、弯曲、冲压、焊接等环节,确保加工精度和表面质量。
对成品的质量要求包括外观质量、尺寸精度、表面处理等方面,以确保成品符合设计要求。
其次,钣金加工的标准还包括对设备和工具的要求。
在进行钣金加工时,需要使用各种设备和工具,如剪板机、折弯机、冲床等。
这些设备和工具的性能和精度直接影响加工质量,因此需要严格按照相关标准进行选择和使用。
同时,对设备和工具的维护和保养也是非常重要的,只有保持设备和工具的良好状态,才能确保加工质量和安全生产。
最后,钣金加工的标准还包括对操作人员的要求。
操作人员需要具备一定的技术水平和操作经验,能够熟练操作各种设备和工具,严格按照工艺要求进行操作。
同时,操作人员还需要具备一定的安全意识,严格遵守操作规程,确保安全生产。
总之,钣金加工的标准要求涉及到原材料、加工工艺、成品质量、设备工具以及操作人员等多个方面,需要严格遵守相关标准,以确保加工质量和安全生产。
希望本文能对相关行业的从业人员有所帮助,促进行业的健康发展。
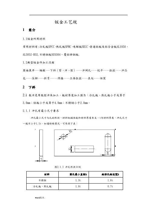
钣金工艺规1简介1.1钣金所用材料常用材料有:冷轧板SPCC、热轧板SPHC、电解板SECC、普通铝板及铝合金板AL1050、AL5052-H32,不锈钢板SUS304、覆铝锌钢板.1.2典型钣金件加工流程图面展开---编程---下料(剪、冲、割)----冲网孔----校平----拉丝----冲凸包----压铆----折弯-----焊接----立体拉丝----表处----组装2下料2.1数冲是用数控冲床加工,板材厚度加工围为:冷扎板、热扎板小于或等于3.0mm;铝板小于或等于4.0mm;不锈钢小于2.0mm。
2.1.1 冲孔有最小尺寸要求冲孔最小尺寸与孔的形状、材料机械性能和材料厚度有关。
t为材料厚度,冲孔尺寸一般不小于1.5t。
如遇特殊情况,可参照下表:图2.1.1 冲孔形状示例* t为材料厚度,冲孔最小尺寸一般不小于1.2mm。
冲孔最小尺寸列表2.1.2 数冲的孔间距与孔边距零件的冲孔边缘离外形的最小距离随零件与孔的形状不同有一定的限制,见图2.1.2。
当冲孔边缘与零件外形边缘不平行时,该最小距离应不小于材料厚度t;平行时,应不小于1.5t。
2.1.3 折弯件及拉深件不可选用数冲下料,可选用二次激光切割。
2.1.4 螺钉、螺栓的过孔和沉头座螺钉、螺栓过孔和沉头座的结构尺寸按下表选取取。
对于沉头螺钉的沉头座,如果板材太薄难以同时保证过孔d2和沉孔D,应优先保证过孔d2。
表1用于螺钉、螺栓的过孔*要求钣材厚度t≥h。
表2用于沉头螺钉的沉头座及过孔*要求钣材厚度t≥h。
表3用于沉头铆钉的沉头座及过孔2.2激光切割是用激光机飞行切割加工,板材厚度加工围为冷扎板、热扎板小于或等于8.0mm;不锈钢小于或等于4.0mm ;铝板小于等于5.0mm。
其优点是加工板材厚度大,切割工件外形速度快,加工灵活.缺点是会产生热变型,网孔件不宜用此方式加工,加工成本高!3折弯3.1折弯件的最小弯曲半径材料弯曲时,其圆角区上,外层收到拉伸,层则受到压缩。
钣金行业相关标准及其影响一、引言钣金行业是一个重要的制造领域,涉及到众多产品的制造和加工。
为了确保钣金制品的质量和性能,制定了一系列相关标准。
本文将详细介绍钣金行业的相关标准,包括其分类、应用以及对行业的影响。
二、钣金行业标准的分类1. 基础标准:这类标准主要涉及钣金制品的基本概念和术语、分类、尺寸规格等方面。
例如,钣金厚度的定义、各类钣金材料的命名规则等都属于基础标准。
2. 产品质量标准:这类标准主要规定钣金制品的质量要求、检验方法、评定规则等。
如钣金的表面质量、尺寸偏差、机械性能等都是产品质量标准的重要内容。
3. 生产工艺标准:这类标准主要涉及钣金制品的生产工艺、设备要求、操作方法等。
例如,钣金的切割、冲压、焊接等工艺都需要制定相应的生产工艺标准。
4. 环保与安全标准:这类标准主要关注钣金制品在生产、使用和处理过程中对环境的影响以及对人员的安全。
例如,钣金制品的废气排放、废渣处理等都需要符合相应的环保与安全标准。
三、钣金行业标准的应用1. 指导生产:钣金行业标准为生产企业提供了明确的技术指导和操作规范,确保产品在生产过程中符合质量要求。
2. 保障消费者权益:通过执行严格的产品质量标准,可以确保消费者购买到的钣金制品是安全、可靠的,从而保障消费者的权益。
3. 促进技术创新:钣金行业标准的不断更新和完善,可以推动企业进行技术创新和产品升级,提高市场竞争力。
4. 便于国际贸易:采用国际通用的钣金行业标准,可以促进国际贸易的发展,降低贸易壁垒和技术壁垒。
四、钣金行业标准对行业的影响1. 提高产品质量:通过执行严格的质量标准,可以促使企业重视产品质量控制,从而提高整个行业的产品质量水平。
2. 优化资源配置:生产工艺标准和环保与安全标准的执行,可以促使企业采用更环保、更高效的生产设备和工艺方法,实现资源的优化配置。
3. 增强市场竞争力:符合国际标准的钣金制品更容易进入国际市场,从而增强企业的市场竞争力。
钣金加工工艺原则1.范围本原则规定了钣金加工工序过程中旳材料;数控剪板加工;数控冲床加工;数控折弯加工;焊接;喷涂;包装、标识、运送、贮存。
本原则合用于在企业设计、生产旳所有钣金产品旳加工工艺。
2.规范性引用文献下列文献中旳条款通过本原则旳引用而成为本原则旳条款。
但凡注日期旳引用文献, 其随即所有旳修改单(不包括勘误旳内容)或修订版均不合用于本原则, 然而, 鼓励根据本原则到达协议旳各方研究与否可使用这些文献旳最新版本。
但凡不注日期旳引用文献, 其最新版本合用于本原则。
GB/T 708-2023 冷轧钢板和钢带旳尺寸、外形、重量及容许偏差JB/T 6753.1-1993 电工设备旳设备构件公差钣金件和构造旳一般公差及其选用规则GB/T 3280-2023 不锈钢冷轧钢板和钢带GB/T 2518-2023 持续热镀锌薄钢板和钢带GB/T 15055-2023 冲压件未注公差尺寸极限偏差3.材料3.1推荐使用旳多种材料见表(1)。
3.2材料旳机械性能、一般规定、工艺性能、检查试验措施等参照GB 3280-2023不锈钢冷轧钢板和GB/T2518-2023持续热镀锌薄钢板和钢带及GB/T 708-2023冷轧钢板和钢带旳尺寸、外形、重量及容许偏差。
钢板材料旳包装应有防锈措施。
在用料前确定板材无生锈或锈斑, 泛白, 无镀锌不良现象。
在500mm×500mm旳范围内, 镀锌板划伤程度如下:非喷涂钣金件按以上原则为最终评判原则, 在剪板、数冲(冷冲)、折弯、钳工各工序中员工通过此原则进行互检, 对不符合上述原则旳零部件鉴定为不合格。
备注: 在印有标志旳凸面及其周围3cm范围内不得有划伤或划伤较轻, 即在宽度为0.1mm如下且深度为4 um如下。
4. 板材剪切4.1 设备调试: 用塞规尺检查和调整剪切间隙。
4.2 材料厚度及对应剪切间隙由机床确定, 企业既有旳数控剪板机可以根据板材旳厚度自动设定并调整剪切间隙。
批量钣金件生产工艺
批量钣金件生产工艺是指钣金加工企业根据客户订单要求,通过一系列的工艺流程和设备,实现大批量生产钣金件的过程。
下面将介绍一种常见的批量钣金件生产工艺流程。
首先,进行材料准备。
根据客户要求,选择合适的钣金材料。
常见的钣金材料有不锈钢、铝合金、冷轧板等。
在工艺流程中还需要使用到一些辅助材料,如焊材、胶水等。
这些材料需要提前准备好,确保生产过程中的顺利进行。
然后,进行模具制作。
根据客户提供的产品图纸或样品,设计和制造钣金件的模具。
模具的设计需要考虑到产品的尺寸、形状等要求,以及生产效率和质量控制。
接下来,进行裁剪和成型。
将钣金材料按照产品设计的尺寸要求进行裁剪,并通过冲压、折弯等工艺将其成型为所需的形状。
这一步通常需要使用到剪板机、冲床、折弯机等设备进行操作。
随后,进行焊接和装配。
将各个零部件通过焊接工艺进行连接,形成成品。
根据产品的要求,可能需要进行点焊、氩弧焊等不同的焊接方式。
装配包括将加工好的各个零部件进行组装和安装,形成整体的产品。
最后,进行表面处理。
对成品进行喷涂、电镀等工艺,提高产品的外观质量和耐腐蚀性能。
表面处理也可以采用喷砂、抛光等技术,根据客户需求实现不同的效果。
以上就是一种常见的批量钣金件生产工艺流程。
在实际应用中,也可以根据具体产品要求和企业的实际情况,进行工艺流程的调整和优化。
同时,在整个生产过程中,还需要进行严格的质量控制和检测,确保产品符合客户的要求和标准。
钣金加工标准钣金加工是一种常见的金属加工方式,广泛应用于汽车、电子、家电等行业。
在进行钣金加工时,遵循一定的标准是非常重要的,这不仅可以保证加工质量,还可以提高生产效率。
下面我们将介绍钣金加工的标准,希望能对您有所帮助。
首先,钣金加工的材料选择是至关重要的。
常见的钣金材料有冷轧板、热轧板、镀锌板等,不同的材料具有不同的特性,需要根据具体的加工要求进行选择。
在选择材料时,要考虑材料的强度、硬度、延展性等因素,以确保加工后的产品符合要求。
其次,钣金加工的尺寸精度也是需要严格控制的。
在进行钣金加工时,尺寸精度直接影响着产品的装配和使用效果。
因此,在加工过程中,需要严格按照图纸要求进行加工,并使用合适的测量工具对加工尺寸进行检测,以确保尺寸精度达到要求。
另外,钣金加工的表面质量也是需要重点关注的。
产品的表面质量直接影响着产品的外观和耐腐蚀性能。
在进行钣金加工时,需要注意避免划伤、变形、氧化等表面缺陷的产生,可以通过合理的工艺流程和表面处理方法来提高产品的表面质量。
此外,钣金加工的工艺控制也是至关重要的。
在进行钣金加工时,需要根据不同的材料和加工要求,选择合适的加工工艺,包括冲压、折弯、焊接等工艺,以确保产品的加工质量和生产效率。
最后,钣金加工的质量检测是确保产品质量的重要环节。
在完成钣金加工后,需要对产品进行质量检测,包括尺寸检测、表面质量检测、功能性能检测等,以确保产品符合设计要求和客户需求。
综上所述,钣金加工的标准涉及材料选择、尺寸精度、表面质量、工艺控制和质量检测等多个方面,只有严格遵循这些标准,才能保证钣金加工产品的质量和性能。
希望本文对您在钣金加工过程中有所帮助,谢谢阅读!。
钣金加工标准
钣金加工是一种常见的金属加工技术,可以用来制造各种形状、尺寸和复杂度的金属部件。
钣金加工具有良好的生产效率,是一种高质量的、经济的加工方式。
钣金加工的标准包括材料、工艺、原理等内容。
根据材料的特性,以及零件的要求,材料的处理方式是钣金加工过程中的关键,需要选择合适的工具和工艺。
此外,钣金加工的原理也是非常重要的,必须掌握正确的原理,才能保证钣金加工的质量。
钣金加工的标准一般包括以下几点:
1、材料:材料是钣金加工的重要因素之一,需要根据零件的需求,选择合适的材料。
当选择材料时,必须注意它的机械性能、热性能和物理性能,以确保加工过程的稳定性和可靠性。
2、工艺:工艺也是钣金加工过程中的重要因素,工艺要求根据不同的加工物体和零件,选择合适的加工工具、工具材料和工艺流程。
确保加工过程中控制好参数,以达到指定的质量要求。
3、原理:钣金加工的原理涉及造型工艺、机床参数、金属切削特性等内容,必须掌握正确的原理,才能保证钣金加工的质量。
4、安全:钣金加工过程充满危险,需要严格的安全措施,以保证工人的安全。
因此,必须严格遵守安全标准,控制好加工参数,以确保工人安全。
钣金加工是一种广泛应用的加工技术,它具有高效率、成本低廉、质量可靠等优点。
因此,钣金加工的标准必须被严格遵守,以保证钣
金加工的质量和安全。
钣金加工工艺规范1、 制件总体质量要求:制件材质:符合图纸要求;材料厚度公差在+/-0.1mm以内。
制件表面:无明显划伤, 表面处理符合图纸要求,对于不锈钢拉丝面,纹理方向正确; 表面无凹坑、麻点及其它质量缺陷,色泽均匀;折弯缝隙小、均匀,沿折弯线方向无明显的折弯痕迹。
焊缝均匀、光滑、无焊接残色; 边缘光滑无毛刺;锐角倒钝;表面无锈斑;对于管材制件(矩管、方管与圆管),断口规则,内外均不能有毛刺,去毛刺时不能把断口截面打磨出坡口。
制件尺寸:关键尺寸及角度严格在图纸公差范围以内,非关键性尺寸与角度参考未注公差。
制件包装:总体要求为经济、安全、可靠、防潮、易于装卸;保证过程中不出现制件之间磕碰与摩擦,从而引发制件出现任何质量问题。
原则上不鼓励采用实木包装,除非客户特殊要求。
包装外标识清晰、内容齐全、美观、符合客户需求。
2、 工艺路线:为保证制件质量的一致性,公司严格要求如下制件加工工艺路线:下料(激光、CNC冲或其它形式)→→去毛刺→→成型(折弯与冲压)→→(半成品库)→→焊接与打磨→→清理→→包装→→入库。
3、 激光切割与数控冲操作规范及要求:切割前严格核对切割材料的正确性,以防止用错材料。
上料时严格检查板材表面质量,若质量达不到技术要求,坚决不能继续切割。
上料与下料过程中小心操作,坚持平拿平放,严禁板材之间出现刮擦与碰撞。
严禁用脚踩踏板材,以防止损伤板材表面。
认真核对切割程序是否正确。
切割首件必须在质检人员检测并认可后,方可继续切割。
激光与数控切割过程中,必须保证人不离机,密切关注切割过程的任何异常变化,及时发现,及时解决。
激光切割操作时,一个连续切割程序结束后,准备下一个切割程序时,必须检验下一制件的材料厚度及板材尺寸是否与CAD排版图一致,否则的话,必须调整机器的切割焦点, 避免出现切割废品。
数控冲操作时,特别关注不锈钢与镀锌板的表面防护。
原则上要求不锈钢与镀锌板实行敷膜切割,不锈钢为正面敷膜,镀锌板根据制件技术要求选择是正面敷膜还是反面敷膜。
钣金件加工工艺简介常见钣金件加工的工艺流程一、材料的选用。
钣金加一般用到的材料有心灰意冷轧板(SPCC)、热轧板(SHCC)、镀锌板(SECC、SGCC),铜(CU)黄铜、紫铜、铍铜,铝板(6061、6063、硬铝等),铝型材,不锈钢(镜面、拉丝面、雾面),根据产品作用不同。
选用材料不同,一般需从产品其用途及成本上来考虑。
1.冷轧板SPCC。
主要用电镀和烤漆件。
成本低,易成型,材料厚度≤3.2mm。
2.热轧板SHCC。
材料T≥3.0mm ,也是用电镀,烤漆件,成本低,但难成型,主要用平板件。
3.镀锌板SECC、SGCC。
SECC电解板分N料、P料。
N料主要不作表面处理。
成本高,P料用于喷涂件。
4.铜;主要用导电作用料件,其表面处理是镀镍、镀铬,或不作处理,成本高。
5.铝板;一般用表面铬酸盐(J11-A),氧化(导电氧化,化学氧化),成本高,有镀银,镀镍。
6.铝型材;截面结构复杂的料件,大量用于各种插箱中。
表面处理同铝板。
7.不锈钢;主要用不作任何表面处理,、成本高。
二、图面审核,要编写零件的工艺流程,首先要知道零件图的各种技术要求;则图面审核是对零件工艺流程编写的最重要环节。
1.检查图面是否齐全。
2.图面视图关系,标注是否清楚。
齐全,标注尺寸单位。
3.装配关系,装配要求重点尺寸。
4.新旧版图面区别。
5.外文图的翻译。
6.表处代号转换。
7.图面问题反馈与处埋。
8.材料9.品质要求与工艺要求10.正式发行图面,须加盖品质控制章。
三、展开注意事项。
展开图是依据零件图(3D)展开的平面图(2D)1.展开方式要合。
要便利节省材料及加工性2.合理选择问隙及包边方式,T=2.0以下问隙0.2,T=2-3问隙0.5,包边方式采用长边包短边(门板类)3.合理考虑公差外形尺寸:负差走到底,正差走一半;孔形尺寸:正差走到底,负差走一半。
4.毛刺方向5.抽牙、压铆、撕裂、冲凸点(包),等位置方向,画出剖视图6.核对材质,板厚,以板厚公差7.特殊角度,折弯角内半径(一般R=0.5)要试折而定展开8.有易出错(相似不对称)的地方应重点提示9.尺寸较多的地方要加放大图10.需喷涂保护地方须表示四、板金加工的工艺流程,根据钣金件结构的差异,工艺流程可各不相同,但总的不超过以下几点。
钣金加工标准钣金加工是一种常见的金属加工工艺,广泛应用于汽车制造、电子设备、家电等领域。
为了确保钣金加工产品的质量和精度,制定了一系列的钣金加工标准,以规范和指导钣金加工过程中的各项工作。
本文将从原材料选择、加工工艺、质量控制等方面介绍钣金加工的相关标准。
首先,钣金加工的原材料选择是至关重要的。
在选择钣金材料时,需要考虑其材质、厚度、硬度等因素,以及是否符合相关的国家标准和行业标准。
同时,对于不同用途的钣金制品,还需根据具体要求选择合适的材料,确保产品的性能和使用寿命。
其次,钣金加工在加工工艺上也有一系列的标准要求。
包括切割、折弯、冲压、焊接等工艺环节,都需要按照相应的标准进行操作。
例如,在切割工艺中,需要控制切割速度、刀具选择、切割角度等参数,以确保切割边缘的平整度和精度。
在折弯工艺中,需要根据板材的材质和厚度选择合适的折弯模具,控制折弯角度和弯曲半径,以保证产品的成型质量。
此外,钣金加工标准还包括对产品质量的控制要求。
在加工过程中,需要对产品的尺寸、形状、表面质量进行严格的检测和控制,确保产品符合设计要求和客户需求。
同时,在焊接工艺中,还需要对焊接接头进行无损检测,以确保焊接质量达到标准要求。
总的来说,钣金加工标准是钣金加工过程中的重要指导,对于提高产品质量、降低生产成本、提高生产效率具有重要意义。
只有严格按照标准要求进行操作,才能保证钣金加工产品的质量稳定和一致性。
因此,钣金加工企业和从业人员都应该深入学习和理解钣金加工标准,不断提升自身的专业技能,确保产品质量和客户满意度。
综上所述,钣金加工标准是钣金加工行业的重要基准,对于规范和指导钣金加工过程起着至关重要的作用。
只有严格遵循标准要求,才能生产出高质量、高精度的钣金制品,满足市场需求,赢得客户信赖。
希望本文能够对大家对钣金加工标准有所了解,促进行业的健康发展。
钣金加工工艺要求《钣金加工工艺要求》篇一:钣金加工工艺的基本操作要求一、引言嘿,咱为啥要唠钣金加工工艺的要求呢?这就好比盖房子得有个蓝图一样。
在制造业里,钣金加工可是个相当重要的环节。
从简单的金属盒子到复杂的机械外壳,很多东西都得靠钣金加工来实现。
如果加工过程没个准儿,那做出来的产品质量可就没法保证啦,可能会影响到整个设备的运行,甚至可能给使用者带来安全隐患呢。
所以啊,咱得好好讲讲这些要求。
二、主体要求1. 材料准备要求- 材料的选择必须根据产品的设计要求来。
比如说,如果要做一个承重结构的钣金件,那材料的强度就得达标。
像普通的低碳钢,屈服强度得在235MPa以上才行。
要是选错了材料,就好比让一个小瘦子去干大力士的活儿,肯定不行。
- 材料的尺寸精度要高。
厚度误差不能超过±0.1mm,长度和宽度误差也得控制在±1mm以内。
材料表面不能有明显的划痕、锈蚀等缺陷。
要是材料表面坑坑洼洼的,就像人脸长满了麻子,做出来的产品外观肯定不好看。
2. 切割要求- 切割方式的选择要合适。
对于薄板(厚度小于3mm),可以采用激光切割,切割的边缘要光滑,粗糙度Ra要小于12.5μm。
如果是厚板,等离子切割或者火焰切割可能更合适。
- 切割尺寸的精度必须严格控制。
切割的直线度误差每米不能超过0.5mm,角度误差不能超过±0.5°。
这就好比裁缝裁布,要是裁歪了,衣服肯定做不好。
3. 折弯要求- 折弯模具的选择要匹配材料的厚度和折弯角度。
比如说,2mm厚的板材折弯,模具的间隙要控制在0.2 - 0.3mm之间。
- 折弯角度的精度要高。
设计要求的折弯角度为90°时,实际折弯角度的误差不能超过±1°。
这可不能马虎,要是角度不对,钣金件可能就组装不上了。
三、结尾这些基本操作要求啊,那可都是保证钣金加工质量的关键。
如果不按照这些要求做,就像是厨师做菜不看菜谱,做出来的菜肯定不好吃,做出来的钣金件也肯定是个残次品。
1. 适用范围本标准规定了钣金主要下料和成型工艺规程,适用于本公司圆桶、挡板、端盖、消音板、隔板等钣金的工艺,成型工艺又可以分为冲压和折弯等工艺。
2. 引用标准[1]陈万里主编.《钣金工下料的基础知识》中国建筑工业出版社,1990.[2]王爱珍主编.《钣金技术手册》科学技术出版社,2006.[3]梅启钟,陈华杰主编.《简明冷作手册》上海科学技术出版社,1988.3. 钣金材料①.冷轧板.简称SPCC,用于表面处理是电镀五彩锌或烤漆件使用.②.镀锌板.简称SECC,用于表面处理是烤漆件使用.在无特别要求下,一般选用SPCC,可减少成本.③.铜板.一般用于镀镍或镀铬件使用,有时不作处理.根据客户要求而定.④.铝板. AL3003-H14、AL5052-H32一般用于表面处理是铬酸盐或氧化件使用.⑤.不锈钢板.分镜面不锈钢和雾面不锈钢,它不需要做任何处理.4.钣金加工的工艺流程对于任何一个钣金件来说,它都有一定的加工过程,也就是所谓的工艺流程.由于钣金件结构的差异,工艺流程可能各不相同,但总的不超过以下几点.①.设计并绘出其钣金件的零件图,又叫三视图.其作用是用图纸方式将其钣金件的结构表达出来.②.绘制展开图.也就是将一结构复杂的零件展开成一个平板件.③.下料.下料的方式有很多种,主要有以下几种方式:a.剪床下料.是利用剪床剪出展开图的外形长宽尺寸.若有冲孔、切角的,再转冲床结合模具冲孔、切角成形.b.冲床下料.是利用冲床分一步或多步在板材上将零件展开后的平板件结构冲制成形.其优点是耗费工时短,效率高,可减少加工成本,在批量生产时经常用到. c.NC数控冲床下料.NC下料时首先要编写数控加工程序.就是利用编程软件,将绘制的展开图编写成NC数控加工机床可识别的程序.让其根据这些程序一步一步地在一块板材上,将其平板件的结构形状冲制出来.④.冲床加工.一般冲床加工的有冲孔切角、冲孔落料、冲凸包、冲撕裂、抽孔等加工方式,以达到加工目的.其加工需要有相应的模具来完成操作.冲凸包的有凸包模,冲撕裂的有撕裂成形模等.⑤.折弯.折弯就是将2D的平板件,折成3D的零件.其加工需要有折床及相应的折弯模具来完成操作.它也有一定的折弯顺序,其原则是对下一刀不产生干涉的先折,会产生干涉的后折.⑥.焊接.焊接就是将多个零件组焊在一起,达到加工的目的或是单个零件边缝焊接,以增加其强度.其加工方一般有以下几种:CO2气体保护焊、氩弧焊、点焊、机器人焊接等.这些焊接方式的选用是根据实际要求和材质而定.一般来说CO2气体保护焊用于铁板类焊接;氩弧焊用于铝板类焊接;机器人焊接主要是在料件较大和焊缝较长时使用.如机柜类焊接,可采用机器人焊接,可节省很多任务时,提高工作效率和焊接质量.⑦.表面处理.表面处理一般有磷化皮膜、电镀五彩锌、铬酸盐、烤漆、氧化等.磷化皮膜一般用于冷轧板和电解板类,其作用主要是在料件表上镀上一层保护膜,防止氧化;再来就是可增强其烤漆的附着力;其具体表面处理方式的选用,是根据客户的要求而定.⑧.组装.所谓组装就是将多个零件或组件按照一定的方式组立在一起,使之成为一个完整的料品。
钣金件加工工艺钣金加工工艺介绍1钣金件加工工艺简介1.1简介按钣金件的基本加工方式:下料、折弯、拉伸、成型、焊接等加工工艺。
1.2关键词钣金、下料、折弯、拉伸、成形、排样、最小弯曲半径、毛边、回弹、打死边、焊接2下料下料根据加工方式的不同,可分为普冲、数冲、剪床开料、激光切割、风割,由于加工方法的不同,下料的加工工艺性也有所不同。
钣金下料方式主要为数冲和激光切割2.1数冲是用数控冲床加工,板材厚度加工范围为冷扎板、热扎板小于或等于3.0mm,铝板小于或等于4.0mm,不锈钢小于或等于2.0mm2.2冲孔有最小尺寸要求冲孔最小尺寸与孔的形状、材料机械性能和材料厚度有关。
2.3数冲的孔间距与孔边距零件的冲孔边缘离外形的最小距离随零件与孔的形状不同有一定的限制,见图2.3.1。
当冲孔边缘与零件外形边缘不平行时,该最小距离应不小于材料厚度t;平行时,应不小于1.5t。
2.4折弯件及拉深件冲孔时,其孔壁与直壁之间应保持一定的距离折弯件或拉深件冲孔时,其孔壁与工件直壁之间应保持一定的距离(图2.4.1)2.5螺钉、螺栓的过孔和沉头座螺钉、螺栓过孔和沉头座的结构尺寸按下表选取取。
对于沉头螺钉的沉头座,如果板材太薄难以同时保证过孔d2和沉孔D,应优先保证过孔d2。
2.6激光切割是用激光机飞行切割加工,板材厚度加工范围为冷扎板热扎板小于或等于20.0mm,不锈钢小于10.0mm。
其优点是加工板材厚度大,切割工件外形速度快,加工灵活.缺点是无法加工成形,网孔件不宜用此方式加工,加工成本高!3折弯3.1折弯件的最材料弯曲时,其圆角区上,外层收到拉伸,内层则受到压缩。
当材料厚度一定时,内r越小,材料的拉伸和压缩就越严重;当外层圆角的拉伸应力超过材料的极限强度时,就会产生裂缝和折断,因此,弯曲零件的结构设计,应避免过小的弯曲圆角半径。
公司常用材料的最小弯曲半径见下表。
3.2弯曲件的直边高度3.2.1一般情况下的最小直边高度要求弯曲件的直边高度不宜太小,最小高度按(图4.2.1)要求:h>2t。
钣金加工标准
钣金加工是一种广泛应用于汽车、电子、家电等行业的加工工艺,其产品广泛应用于各种领域。
为了保证钣金加工产品的质量和精度,制定了一系列的标准,以规范和指导钣金加工过程中的各项工作。
本文将就钣金加工标准进行详细介绍。
首先,钣金加工的材料选择要符合相关标准,材料的质量和性能直接影响到最终产品的质量。
在选择材料时,要考虑到产品的使用环境、承受的力度等因素,选择合适的材料才能保证产品的质量和安全性。
其次,钣金加工中的工艺流程也需要按照标准进行规范。
从材料的切割、成型、焊接、表面处理等环节,都需要严格按照标准操作,保证产品的精度和质量。
特别是在焊接环节,要严格控制焊接温度、时间和压力,以确保焊接部位的牢固性和密封性。
另外,钣金加工产品的尺寸和形状也需要符合相关标准。
产品的尺寸和形状直接影响到产品的装配和使用,因此在加工过程中要严格控制产品的尺寸偏差和形状偏差,保证产品的精度和一致性。
此外,钣金加工产品的表面处理也是非常重要的一环。
产品的表面处理直接影响到产品的外观和防腐性能,因此要按照标准进行表面处理,确保产品的表面光洁度和防腐性能。
最后,对于钣金加工设备和工具的选择也需要按照标准进行。
选择合适的设备和工具可以提高加工效率和产品质量,因此在选择设备和工具时要考虑到加工产品的特点和要求,选择适合的设备和工具进行加工。
总之,钣金加工标准的制定和执行对于保证产品质量和生产效率具有重要意义。
只有严格按照标准进行操作,才能保证钣金加工产品的质量和精度,满足客户的需求和期望。
希望本文对钣金加工标准有所帮助,谢谢阅读!。
工艺规程的一般规定前言《工艺规程的一般规定》是根据我公司生产实际情况,同时结合国家有关加工工艺方面的标准、资料编制而成的。
当设计和工艺图样未作具体规定时,均按本规定的有关条例执行。
目录1.加工工艺基本术语2.通用工艺术语以及工种标定3.工艺检验的一般规定4.常用材料外形尺寸5.加工表面所能达到的粗糙度6.金属冷冲压件通用技术条件7.金属冷冲压件结构要素8.金属冷冲压件公差9.冲压剪切下料件公差10.冲压件毛刺高度11.冲裁间隙12.关于加工余量的简要说明13.冲裁件板材零件的冲裁余量14.成型棒材夹紧、切断余量15.外圆磨削前车加工余量及要求16.板材、扁材单面加工余量17.仿形、手动气割切割余量18.坯料整形公差要求19.金属材料落料端头截面公差20.攻丝前钻孔用麻花钻直径21.涂覆螺孔的钻孔直径22.涂覆螺栓加工普通螺纹前坯料直径23.手工电弧焊常用接头形式24.手工电弧焊的焊缝质量要求25.气割落料长、宽、截面允差及割户1 1 4 17 19 21 21 21 21 212122 242627282930 323435363738391.加工工艺基本术语:按GB4863-85执行2.常用工艺术语及工种标定:3.工艺检查的一般规定:为了统一设计、工艺、检查等工作人员对本资料所列项目取得一致的含义和要求特编制本规定。
当产品图纸、技术资料的相应项目中未作技术规定时,可参照本规定执行;本规定的内容中,近似图定尺寸、图定形式形状者,均需保持同批零部件实际值相差不大于0.5-1毫米为准。
当有规定检查要求时,仍按检查要求检查。
4.常用材料外形尺寸:5.各种加工方法所能达到的表面粗糙度6.金属冷冲压件通用技术条件按JB4380-87执行。
7. 金属冷冲压件结构要素按JB4378-87执行。
8. 金属冷冲压件公差按JB4379-87执行。
9. 金属剪切下料件公差按JB4381-87执行。
10. 冲压件毛刺高度按JB4129-85执行11. 冲裁间隙按JB/Z271-86执行。