CO 分析仪使用操作手册
- 格式:doc
- 大小:4.67 MB
- 文档页数:33
一氧化碳检测仪使用方法一氧化碳(CO)是一种无色、无味、无臭的有毒气体,若长时间暴露在高浓度的CO环境中,会严重影响人体的健康甚至引发生命危险。
一氧化碳检测仪作为一种常见的检测设备,可以监测空气中CO浓度的变化,从而保证人员的健康和安全。
下面是一种常见的一氧化碳检测仪的使用方法。
1.准备工作:a.确保一氧化碳检测仪已经充好电或者连接到可靠的电源。
b.了解并熟悉一氧化碳检测仪的使用说明书以及安全操作指引。
c.确保一氧化碳检测仪在正确的工作状态下,没有明显的损坏。
2.设置参数:a.打开一氧化碳检测仪的电源开关,待其启动完全。
b. 使用一氧化碳检测仪的菜单或相关按键设置检测参数,比如测量单位(ppm或mg/m³)、报警阈值、背光亮度等。
c.确认一氧化碳检测仪已经正确设置。
3.环境检测:a.手持一氧化碳检测仪,保持其垂直放置,以便正面传感器可以接触空气。
b.在待测区域周围进行环境检测,确保检测仪能够全面检测到一氧化碳浓度。
c.静待一段时间,直到检测仪稳定显示出当前环境中的CO浓度。
4.监测数据:a.密切观察一氧化碳检测仪的显示屏,记录CO浓度的数值。
b.如果一氧化碳浓度超过预设的报警阈值,一氧化碳检测仪会发出警报信号或闪烁警示灯。
5.数据分析和存储:a.如有需要,可以将检测到的数据通过连接线缆或无线方式传输到计算机或其他设备上进行分析和存储。
b.分析检测到的CO浓度数据,评估是否存在危险,并采取相应措施保护工作人员的健康和安全。
6.日常维护:a.关闭一氧化碳检测仪的电源,并妥善保存。
b.定期对一氧化碳检测仪进行校准和维护,确保其准确度和可靠性。
c.定期更换一氧化碳检测仪的传感器或电池,确保设备的正常工作。
总结:一氧化碳检测仪的使用对于人员健康和安全非常重要。
在操作之前,必须熟悉设备的使用说明和安全操作指引,正确设置参数,并通过环境检测获取相关数据。
根据检测数据评估危险程度,并采取相应安全措施。
一氧化碳检定器作业操作规程一氧化碳(CO)检定器是一种用来检测环境中CO浓度的电子仪器。
由于CO是无色、无味、无臭且具有强毒性的气体,如果人们在CO浓度较高的环境中长时间呆在其中,会引起昏迷、死亡等严重后果。
因此,CO检测器被广泛应用于家庭、工业、医疗等各个领域。
正常来说,CO检定器应该定期进行检定,保证其检测的准确性和精度。
CO检定器的检定应该由专业的技术人员进行,下面是一份CO检定器的作业操作规程。
一、检定设备1. CO检定器2. 0-1000ppm CO气体源3. 电子天平4. 吹风机5. 外壳打开工具6. 计时器二、检定流程1. 准备(1)准备检定设备(2)保证检定现场通风良好2. 确定检定浓度和时间(1)设置检定浓度和时间(通常为100ppm或250ppm,时间为60s或120s)(2)开启CO气体源,并保持其稳定输出3. 连接检定器与CO气体源(1)将CO气体源连接到检定器中(2)检查检定器和CO气体源的连接是否紧密4. 启动检定器(1)按下检定器上的启动键,启动检定器(2)待显示屏上显示出“正常工作”后,将检定器置于待检测状态5. 检测(1)将检定器置于测试环境中(2)等待检定器稳定后,按下检定键开始检测(3)待检测完成后,检定器将显示出检测结果6. 校准(1)将检定器与CO气体源分离(2)使用外壳打开工具打开检定器,取出CO传感器(3)使用电子天平将CO传感器质量测量(4)使用吹风机将CO传感器表面清洗干净(5)将CO传感器放回检定器内,重新启动检定器7. 成功检定(1)检测结束后,检定员应该记录检定结果及时间(2)若检定结果符合标准,认定为检定成功(3)若检定结果不符合标准,应通知管理员更换CO传感器或进行其他相关修理以上就是CO检定器的操作规程,检定者应当按照操作规程进行检定,保证检定的准确性和精度。
同时,使用CO检定器时也应注意安全,切勿在高CO浓度环境下操作,以免发生意外。
GXH-3011A型便携式红外线(CO)分析器操作规程1 启动:使用交流电时将随机稳压电源的ø4.5插头插在仪器的面板“POWER”上,将“BAT.EXT”(电池.外接)转换到“EXT”外接处;使用直流供电时,转换到“BAT”处。
按下“ON/OFF”,红灯指示灯亮。
2 电压检查:将“TEST”开关向上扳,仪器表头指示为电源电压。
外接供电电压要大于5.8V,如太低应加交流调压器或稳压器;电池供电时电压应大于5.6V,否则需要充电。
如仪器电压指示正常,将“TEST”开关扳下,预热5分钟。
3 校零点:将仪器侧面板上的圆形切换阀旋钮拧到“零点”位置(红外对准“零点”,要拧到底)。
打开“PUMP”开关,泵开始工作。
约2分钟后表头指示应稳定在“0”附近,(如在“0.5”以下“0”以上)。
否则应旋动面板上“ZERO”电位器调零。
4 校终点:将标准气接在进气口“IN”处,使表头显示值上升约3分钟后稳定,调终点电位器显示值与标准气保证值相等。
5 测量:将取样探头拉出,用皮管将取样探头拉出,用皮管将取样器与入口相接,扳下TEST,便可从显示器上读得被测气体CO浓度值。
注意事项:1 当内接电池电压不足时,需要充电4小时电压到6V以上。
2 每次使用后将切换阀拧到“零点”,将仪器内部气路封闭以保护气路和过滤剂。
3 校终点时,一定要关上泵,将切换阀旋钮拧到“测量”位置,否则标准气进不了仪器且因流量太大时容易将仪器内部气管冲开。
4 仪器不用时,将“BAT.EXT”(电池、外接)开关扳到“EXT”防止“POWER”误开关受挤压开。
5 仪器的过滤剂(霍加拉特),长期使用后,效力会降低。
使用一年后,应放在瓷盘中在100℃左右恒温4小时,冷却至室温后再继续使用。
CO测报仪(霍尼韦尔)重要提示:●每天使用之前,应完成仪器的自检过程●可燃气体传感器的灵敏度会受到高浓度硫化物,卤素化合物,含硅化合物,以及含铅气体或蒸汽的影响,也叫“中毒”,应避免在以上的环境中使用仪器。
●仪器不能长时间在高浓度可燃气体的环境下使用,以免损坏可燃气体传感器,如果必须使用,则使用后必须进行标定,如传感器已经损坏,需要更换新的传感器才能重新使用。
●不要用有机溶液,肥皂或含硅的溶液清洗仪器,以免损坏传感器。
●不要让仪器直接或受到电或机械冲击,受到冲击后应对仪器进行自检或标定。
1、产品面板说明:2、开关机:按下前面板右侧“开关”按钮约1秒钟,机器将会进入开机预热自检状态,具体表现为报警器和蜂鸣器闪烁、鸣叫5次后进入30秒的预热倒计时。
如仪器正常,显示窗会出现“√”符号,如果有故障则出现“×”符号提示,表示自检失败。
关机时,按下“开关”键并保持5秒钟,仪器关闭。
3、显示符号:A:电池电量B:故障指示C:正常工作提示D:氧气和毒气一级报警信号毒气二级报警信号E:氧气二级报警信号F:毒气的TWA和STEL符号G:标定符号H:峰值符号I:浓度值和单位J:报警指示符4、安全自检过程:当按下开关键后,开机安全自检过程包括检查传感器,电路,电池,声/光报警以及振动报警。
厂家提醒用户在使用新的仪器时,用户最好让该仪器自检24小时。
1、电池欠压:如果仪器的电池欠压,则在屏幕上出现电池符号并同时闪烁,于此同时声光报警以每秒5次的频率激发,提示操作者更换电池。
2、报警解除:当所检测的气体超过报警点后,激发报警信号,其中︿表示毒气和氧气的一级报警符号,︽表示毒气的二级报警符号。
一旦报警发生,如果操作者确认该报警内容后且希望解除报警,只需按下“开关”、“上”或“下”键中的任意一个即可解除报警,并返回到正常操作模式。
CO在线分析仪标定操作指引
注意事项:吹扫空气的压力控制在1公斤左右,流量0.5L/min.,吹扫空气的压力不要超过,接入吹扫气后,仪表上电预热。
一预热
在进行可靠的CO测量前,MGFC7000E需要约30分钟的预热。
期间,仪器前面板的显示如下表所示。
前面板布局图
二查看和清除报警信息请按:
三标定
第一步:设置GFC7000E 型分析仪的模拟输出量程:
第二步:设置期望CO2量程气的浓度
CO2 SPAN CONC:400.000Conc
按 键忽略新的设置 CO2量程气默认值是
并返回至上一级菜单。
按 键接受新的设置 400.0CONC 。
并返回至上一级菜单。
想改变这个值,按每个数 字下面的按钮来改变数值。
第三步:执行零点/量程标定程序:。
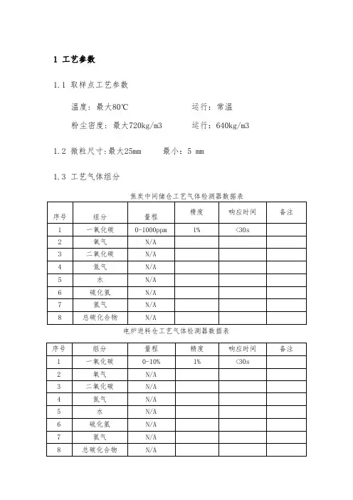
1 工艺参数1.1 取样点工艺参数温度: 最大80℃运行:常温粉尘密度: 最大720kg/m3 运行:640kg/m31.2 微粒尺寸:最大25mm 最小:5 mm1.3 工艺气体组分焦炭中间储仓工艺气体检测器数据表精度响应时间备注序号组分量程1 一氧化碳0-1000ppm 1% <30s2 氧气N/A3 二氧化碳N/A4 氮气N/A5 水N/A6 硫化氢N/A7 氢气N/A8 总碳化合物N/A序号组分量程精度响应时间备注1 一氧化碳0-10% 1% <30s2 氧气N/A3 二氧化碳N/A4 氮气N/A5 水N/A6 硫化氢N/A7 氢气N/A8 总碳化合物N/A电炉进料仓工艺气体检测器数据表2 系统启动前的检查注:1 检查前,请将一切与分析系统有关的气和电断开。
2 如果工艺介质不稳定,或者样品气未达到正常水平,样品中含有杂质、油、水等时,禁止启动仪表投入使用!2.1 安装检查检查各个设备是否按照规范安装,包括采样探头、预处理系统,传输管线的保温/伴热及机柜的公共条件准备。
2.2 管线吹扫吹扫样品传输管线及小屋的公共条件管线。
注:管线吹扫时,管线必须和预处理、仪表断开。
2.3 管线试漏试压管线试压、试漏(包括样品传输管线、分析小屋各个总管管线)。
注:试压、试漏时,管线必须和预处理、仪表断开。
2.4 小屋公共条件检查气路公共条件检查,包括蒸汽总管、仪表空气总管、N2 总管、大气排放总管,检查项包括管线对接是否正确,且是否已经到位,以及介质是否符合系统要求。
电路检查,包括分析小屋的仪表电、公共电、模拟信号、数字信号的接线。
尤其是电源线路的检查,都需按照电路规范进行。
2.5 仪表外观检查,检查仪表外观是否有破损等。
2.6 其他设备检查(包括样品处理设备外观功能检查及机柜内部的公共电器设备的外观检查)3 注意事项3.1 系统通电注意事项通电前关闭分析小屋内部所有的电源开关,确保线路及电压没有问题后再打开电源,然后测量电压正常后,再打开机柜的电源总开关及其他电器开关。
一氧化碳检定器作业操作规程一氧化碳检定器作业操作规程一、设备介绍一氧化碳(CO)检定器是用于检测环境中一氧化碳浓度的仪器。
该仪器采用非分散式红外光学传感器和微处理器技术,可以快速、准确地检测空气中一氧化碳的浓度,并显示浓度数值。
二、安全注意事项1. 确保工作场所通风良好,避免空气中一氧化碳浓度过高。
2. 操作人员必须全部配备好防护器具,包括手套、口罩等。
3. 操作前必须进行检测仪器的校准和检查,确保仪器正常工作。
4. 操作时要小心操作控制按钮,不得乱捣乱动,以避免对仪器造成伤害。
5. 在拆卸保护罩、更换配件等操作时,必须先断开电源,确保操作人员的人身安全。
三、操作步骤1. 确保仪器和电源设备处于关闭状态。
2. 打开仪器保护罩,检查传感器连接线是否牢固、连接是否良好。
3. 接通电源后,检查检定器是否正常工作,等待10分钟左右,使仪器进行自我校准。
4. 进行校准操作,把一氧化碳标准气体接入仪器,打开气体管道开关,让仪器检测气体浓度并显示数值。
5. 根据测量结果进行调整,使仪器的显示值和标准气体的浓度尽量接近,确保检测结果的准确性。
6. 校准完成后,拔掉标准气体管道,关闭气源开关,并关闭仪器保护罩。
7. 进行一次实际测量,记录测量结果,如果出现异常情况要及时解决。
8. 操作结束后,先关闭电源再拔掉电源线,存放仪器和配件。
四、日常维护1. 每天检查仪器是否正常运作,并进行定期维护。
2. 定期校准,确保测量结果的准确性。
3. 定期更换配件,如传感器等。
4. 保持仪器外部清洁,防止尘土进入影响运作。
五、故障排除1. 显示器无法正常显示数值,检查是否接通电源并确保电源线连接良好。
2. 显示器没有显示数值,检查是否有一氧化碳气体泄漏等异常情况。
3. 采集传感器无法采集数值,检查连接线是否牢固,传感器表面是否有污垢等。
4. 仪器报警,说明检测到了一氧化碳超标情况,应立即检查气体浓度和故障原因并进行处理。
六、总结以上就是一氧化碳检定器作业操作规程,操作中需要注意安全,保证仪器的正常运行和精准测量。
新疆吐鲁番自然环境试验研究中心操作规程与维护方法文件编号:CG-JS001-2012 第1页共2页标题便携式红外线气体分析器第1版第0次修订1 操作前检查使用前,接通电源,打开仪器开关,预热5分钟,冬季可适当延长预热时间。
2 操作步骤2.1校零点2.1.1 将仪器侧面板上的圆行切换阀旋钮拧到“调零”位置(红点对准“调零”,要拧到底);2.1.2 在显示屏上选择“参数设置”按“确定”键,选择“零点校准”进入CO的浓度零点校准界面,此时表头的读数应在零点附近,如相差较远则调节侧面板上的零点电位器,使其读数在“0.0”附近,待读数稳定后按“调零”键,仪器将自动保存零点初值,调零结束;2.1.3 若操作错误按“确定”直接退出,不保存这次的零点初值(但仍保留上次调零时的零点初值);2.2 校终点2.2.1 将仪器侧面板上的圆行切换阀旋钮拧到“测量”位置(此时一定要将仪器面板上的“泵”键按下,让抽气泵停止运转);2.2.2 在显示屏上选择“一般测量”按“确定”键,选择“开始测量”进入CO浓度的终点校准界面,将减压阀装在标准气瓶上安装好,气嘴接橡皮管。
打开标准气总阀,再缓慢旋转减压阀旋杆,将皮管另一端放在耳边能听到轻微的“咝咝”声,这是气体流量大约为0.5L/min,使表头显示值上升约1分钟稳定,调侧面板上的终点电位器使显示值与标准气值相等;2.2.3 关上减压气阀再关上气瓶总阀。
按动“泵”按键启动抽气泵,将标气排出,当指示小于5.0*10-6时再将切换阀拧到“调零”处,指示回到“0”附近,终点校完。
2.3 测量2.3.1 将仪器侧面板上的圆行切换阀旋转扭拧到“测量”位置。
在显示屏上选择“一般测量”按“确定”键,选择“开始测量”,便可将被测环境中的气体抽入仪器内,显示被测CO的浓度值,当浓度值稳定后按“确定”键保存测量数据。
3 维护保养及注意事项3.1 仪器测定样品时需要1min以上读数稳定,因此样品采集量应保证在5L左右;3.2 仪器选用高容量免维护蓄电池,无记忆特效,不必方光电后再充电,可随时充电;新疆吐鲁番自然环境试验研究中心操作规程与维护方法文件编号:CG-JS001-2012 第2页共2页标题便携式红外线气体分析器第1版第0次修订13.3 当仪器归零反应慢时,需要激活过滤剂。
一氧化碳检测仪器的使用方法和注意事项一氧化碳(CO)是一种无色、无味、无臭的有毒气体,它对人体健康有着严重的危害。
因此,在日常生活和工作中,使用一氧化碳检测仪器是非常重要的。
一氧化碳检测仪器是一种用来检测空气中一氧化碳浓度的设备,通过及时监测一氧化碳的浓度,可以有效预防一氧化碳中毒事件的发生。
以下是一氧化碳检测仪器的使用方法和注意事项:一、一氧化碳检测仪器的使用方法1.打开设备:确认一氧化碳检测仪器的电源开关处于关闭状态,然后打开电源开关。
2.预热:在使用前,需要等待一定时间以确保仪器处于稳定工作状态。
3.校零:在使用前需要进行零点校准,将仪器放置在干净的空气中进行零点校准,确保准确性。
4.测量:将仪器放置在需要检测的空气环境中,待仪器显示稳定后,记录测量数值。
5.结果读取:根据仪器显示的测量数值来评估当前环境中一氧化碳的浓度。
二、一氧化碳检测仪器的注意事项1.使用环境:一氧化碳检测仪器通常用于室内环境和封闭空间中,禁止在潮湿或高温环境下使用。
2.保养:定期清洁和校准仪器,确保仪器的准确性和稳定性。
3.安全:使用一氧化碳检测仪器时需要注意安全防护,避免触碰仪器传感器部分。
4.存放:仪器在不使用时需放置在干燥通风处,避免灰尘或其他物质进入。
5.注意灵敏度:不同型号的仪器对一氧化碳的灵敏度可能有所不同,使用时需要根据实际情况选取合适的型号。
综上所述,一氧化碳检测仪器的正确使用方法和注意事项对于保护人体健康至关重要。
使用时请严格按照说明书操作,确保测量结果的准确性,有效预防一氧化碳中毒的发生。
一氧化碳浓度检测仪使用说明书
一氧化碳浓度检测仪使用说明书
1. 产品概述:
本产品是一种能够检测空气中一氧化碳浓度的仪器,广泛应用于建筑、工业、家庭等各个领域的安全检测。
2. 产品特点:
- 简单易用,操作方便;
- 可自动校准和校验,保证检测准确;
- 可显示当前空气中的一氧化碳浓度;
- 告警功能,当检测数值超出设定范围时会自动报警。
3. 操作说明:
- 按下电源键启动仪器,等待数秒钟,仪器将进行自检;
- 检测头对准检测区域,等待测量结果;
- 检测完成后,及时关闭电源。
4. 注意事项:
- 本产品为检测空气中一氧化碳浓度的仪器,不可用于其他用途;
- 在使用前,请认真阅读说明书并按照说明操作;
- 请勿将仪器放置在高温、潮湿或易受振动的环境中;
- 请勿尝试自行拆卸或维修仪器,如需维修请联系专业人员。
5. 其他说明:
- 本产品在运输过程中需避免受到强烈碰撞或振动;
- 本产品须妥善保管,如需长期存放,请存放在干燥、温度适宜的空
间中;
- 本产品为独立销售产品,不含任何网址、超链接和电话,请勿轻信
虚假信息。
祝您使用愉快!。
西门子CO分析仪操作说明操作指南:西门子CO分析仪1.准备工作a.将分析仪放置在平稳的台面上,确保周围没有其他物体阻挡仪器的正常运行。
b.将电源插头插入交流电源插座,确保电源供应正常。
c.按下仪器背面电源开关,仪器即可开始预热。
2.连接气源a.将标准气体瓶连接至仪器背面的气源接口上。
确保连接牢固,并通过开启气瓶阀门并确定压力表指示正常的方式来检查气源的连接是否正确。
b.在气瓶上旋转阀门或通过仪器上的调节阀来调整气源流量,保证每分钟流量在推荐范围内。
3.设置分析参数a.打开仪器面板上的电源开关,等待仪器预热完毕。
通常预热时间为30分钟左右,仪器上的指示灯将从红色变为绿色。
b.按下面板上的菜单键,进入设置页面。
使用方向键选择参数设置选项,并使用确认键进入相应的设置界面。
c.根据实际需求设置分析参数,如CO浓度单位、测量时间、报警阈值等。
通过方向键和确认键进行选择和确认。
d.设置完成后,按下退出键返回主页面。
4.进行测量a.确保待测样品被加热至稳定温度。
可以通过将样品放置在加热板上进行加热,或者使用独立的加热设备。
b.将样品连接至分析仪上的进样口,确保连接密封良好。
c.按下开始测量键,仪器开始测量待测样品中的CO浓度。
仪器会显示测量结果,并进行报警和记录。
5.分析数据a.仪器可将测量结果保存至内部存储器中。
用户可以通过菜单选项进入数据页面,并使用方向键和确认键选择和查看具体数据。
b.仪器还可以通过串口或USB接口将数据传输至外部设备,如计算机或打印机,以便进一步分析和处理。
6.日常维护a.每次使用后,将样品通路进行清洗,以防止污染物影响测量结果。
b.定期校准仪器,以确保测量结果的准确性。
校准方法可参照仪器说明书。
请注意,在操作仪器时应严格按照仪器说明书和相关安全操作规程进行,以确保人员和设备的安全。
执行国家标准,指导现场检测,规范现场检测操作,以保证现场检测的质量。
2 范围本部分规定了作业场所一氧化碳的测量方法本部分适用于工作场所一氧化碳的测量3 职责检测人员:负责按照本测定方法对作业岗位进行测定。
复核人员:负责对测定程序是否规范进行复核。
4 操作规程交流供电时要将稳压电源的插头插在仪器后面板“电源”插孔处,并将“外接”“充电”开关处在“充电”处。
打开仪器开关,泵开关处于“关”状态,将波段开关置于“检”的位置。
这时仪器表头指示为电源电压数值为6V,然后将波段开关置于“测”的位置。
这时仪器指示有小到大变化约1分钟,指示回到“0”附近。
4.1校零点将过滤器串接在仪器入口及出口处。
打开泵开关,可听到泵的声音,说明泵在工作。
旋钮仍处在“测”的位置。
这时如果指示不是“0“旋下零点电位器护盖,用改锥缓慢拧动电位器,使仪器指示为“0”。
4.2校终点校好仪器零点后,管上泵开关,打开标准气总阀,在缓慢旋动减压器旋杆,用橡皮管与气瓶出口连接,将皮管放在耳边能听到轻微的“咝咝”声,这时流量大约为1升/分,将皮管插到仪器入口“IN”处,出口放空,CO 浓度较高时,应用橡皮管接在仪器出口将有害气体排出室外。
这时仪器指示上升约3分钟后指示教稳定。
调终点电位器,使指示值与标准气值相等,约45-50PPMCO(气瓶标签上有)。
关上标准总阀再用过滤器串在仪器入口与出口处,开泵后指示以回到“0”附近,终点就好了。
4.3测量4.3.1启动,校好“零点”,“终点”后,就可以开始测量了,将取样探被测环境的气体抽入仪器内,从显示器上能直接读得被测气体的CO的浓度值。
测量第二个数时,可不必再回零了,将探头指向被测处,可直接测量第二个数。
一小时后,可回零检查。
零点变化较大时,可以旋动电位器调零。
4.3.2刚拨开过滤器开始测量时,指示也许会出现负值,约2分钟后指示变为正值,是正常情况,所以应该2分钟后读数。
4.4充电仪器用稳压电源给蓄电池充电时,将稳压电源一端插在220V交流上,另一端的插头插在“电源”插座上,波段开关处在“关”的位置,“外接”“充电”选择开关处在“充电”处,便可对仪器充电。
五、操作使用指南1.启动前准备工作(对于首次投运设备或大修停运后再次投运的设备)。
a.细致检查系统气、电安装连接是否正确。
b.细致检查气样管道连接处的气密性,包括:●测量气体流路系统气密性检查。
●标准气(零气和量程气)流路系统气密性检查。
c.打开分析仪的控制开关,分析仪通电预热120分钟。
d.被测气样流量调节●气样流量调节在仪器接通工艺流程气条件下,调节仪表流量计和快速旁通气路流量计(放散流量),使流程气流量计的流量调节在30L/h(500 mL/min)~90L/h(1500 mL/min)之间,快速旁通气路流量计调节在90L/h(1500 mL/min)左右,至此分析系统的被测气样流量调整完毕。
2.调校仪器的零位和量程仪器刻度调校应在仪器通电预热约2h后进行。
用于分析仪零点的标准气是高纯N2;用于调校仪器量程的标准气为30%的CO气体。
调校仪器零点、量程时,将“工作-校对”切换至“校对”,“量程气-零气”二位一通阀切换至“量程气”或“零气”位置,同时打开标准气钢瓶总阀,并慢慢调节钢瓶减压阀(注:压力不可过大,出口压力应小于0.1Mpa),使仪器由通工艺流程气状态(“工作”)切换到通校对气(“量程气”或“零气”)状态。
关于仪器零位和量程的具体调校方法请参阅《HW-5200系列红外线气体分析器使用说明书》所介绍的方法进行。
仪器刻度调校结束后,“工作-校对”阀切换至“工作”位置,同时应将标准气钢瓶总阀关死。
3.设定报警点仪器可按工艺规定的报警值指标进行报警点设定,关于报警点的具体设定方法请参阅《HW-5200系列红外线气体分析器使用说明书》相关章节。
4.分析仪器预热结束后,将分析柜供电回路开关置“ON”位置。
此时抽气泵抽取样品气,分析仪器开始分析。
5.投运、使用和维护在完成上述各项准备工作后,本系统即可投运。
关于气体分析使仪的用维护、常见故障分析和排除请参阅《HW-5200系列红外线气体分析器使用说明书》的相关章节。
SG100磨煤机CO监测系统用户使用说明北京华能横河科技有限公司目录1.技术参数 (2)2.系统组成.............................................................. .3 3.设备布置图(含吹扫部分) (4)4.外部接线图 (6)5.使用说明 (6)5.1系统简介. (6)5.2暖机和操作 (7)5.3工作时序状态 (7)5.4系统报警指示 (7)5.5红外线分析仪 (10)5.5.1红外线分析仪及操作 (10)5.5.2屏幕显示内容 (13)5.5.3设置/选项屏幕 (13)5.5.4设置和校验 (14)5.5.5参数设置 (17)5.5.6维护模式 (19)5.5.7校验 (21)6.系统组成部件 (23)7.外观和尺寸 (23)7.1机柜尺寸 (23)7.2采样探头尺寸 (23)8.安装示意图 (24)9.安装事项 (25)10.故障分析 (26)10.1分析仪维护 (27)10.2部件的更换 (28)10.2.1采样探头和过滤器的更换 (30)10.2.2二级过滤器的过滤器芯的更换 (29)10.2.3碟式过滤器的更换 (29)10.2.4气泵的膜片的更换 (30)10.2.5如何更换电子冷凝器 (31)11.随机附件 (31)1、技术参数测量原理:红外线(NDIR)测量范围:0~500/1000ppm,0~500/2000ppm,双量程模拟输出信号:CO 浓度瞬时值,一路4~20mA 输出,负载电阻不超过550 Ω:继电器触点输出:共有5 路输出,无源触点输出,触点容量为2 5 0 V A C,8 A。
分别是:CO峰值超上限报警,CO峰值超上上限报警,高低量程识别信号维护状态故障报警显示:LCD,带背光源。
过滤式采样探头:·非电加热(内置过滤器)·过滤器材质:2 μm,金钢砂·探头芯材质:SUS316不锈钢,长度为1000mm·保护管材质:SUS316·法兰规格:日标,JIS 5K-65-FF·重量:约12 公斤采样管:·φ10/φ8 SS316(标准长度5m),伴热温度65℃·伴热管供电电压:220VAC ±10V。
一氧化碳分析仪操作说明一、适用范围:用于BBQ燃烧时的CO含量测试.二、操作程序:1.将连接仪器的变压器接上220V的电源.(附图1)2.按下仪器控制面板上的“ ”键(附图2),让仪器进入初始化自检过程,60秒后,完成自检工作,此时屏幕显示燃料选择(附图3),可供选择的燃料有:PROPANE(丙烷)、NATURAL GAS(天然气)、HEA VYFUEL OIL(重油)、LIGHT FUEL OIL(轻燃料),用和键进行选择,迁定后按“OK”键进入测量菜单.(附图4)3.用和键选择测量对象,其中的测量对象有“气体温度&O2含量”、“气体温度&CO含量“、”气体压力&O2含量”、“CO2含量&CO含量”我们选择测试所需的“CO2含量&CO含量”(附图5)4.将仪器的金属探头伸入到烟气流中(附图6、7、8),按下“START/STOP”键开始测量,观察屏幕上的“CO2&CO”含量逐渐增加,上升到一定的数值后稳定片刻又回落,刚回落时按下“START/STOP”键停止测量,此时屏幕上显示的数值就是“CO2与CO”的浓度含量.5.屏幕上“CO2”的浓度单位是(%),“CO”的浓度单位是“PPm”,利用相关公式便可计算出被测炉具燃烧时的CO含量.三、注意事项:1.每次测量后要用新鲜空气清洗仪器的集气池,即测量结束后,按“START/STOP”键,直到O2浓度达到20%以上,CO浓度在50PPm以下;2.测量时,除“μCO”符号可闪烁外,其余参数,符号闪烁都是不正常的,应做相应的检查与修理.四、附图:附图1)连接电源附图2)控制面板附图3)燃料选择附图4)测量菜单附图5)选择测量对象:“CO2&CO含量”附图6)将仪器的金属探头伸入到烟气流中进行“CO与CO2”含量的测量,测量平上盖的炉具时,将特制的集气罩置于炉具烧烤面上收集气体.附图7)将仪器的金属探头伸入到烟气流中进行“CO与CO2”含量的测量,测量大上盖的炉具时,将仪器探头伸入大上盖温度计安装孔内收集气体.附图8)将仪器的金属探头伸入到烟气流中进行“CO与CO2”含量的测量,。
CO测报仪(霍尼韦尔)重要提示:●每天使用之前,应完成仪器的自检过程●可燃气体传感器的灵敏度会受到高浓度硫化物,卤素化合物,含硅化合物,以及含铅气体或蒸汽的影响,也叫“中毒”,应避免在以上的环境中使用仪器。
●仪器不能长时间在高浓度可燃气体的环境下使用,以免损坏可燃气体传感器,如果必须使用,则使用后必须进行标定,如传感器已经损坏,需要更换新的传感器才能重新使用。
●不要用有机溶液,肥皂或含硅的溶液清洗仪器,以免损坏传感器。
●不要让仪器直接或受到电或机械冲击,受到冲击后应对仪器进行自检或标定。
1、产品面板说明:2、开关机:按下前面板右侧“开关”按钮约1秒钟,机器将会进入开机预热自检状态,具体表现为报警器和蜂鸣器闪烁、鸣叫5次后进入30秒的预热倒计时。
如仪器正常,显示窗会出现“√”符号,如果有故障则出现“×”符号提示,表示自检失败。
关机时,按下“开关”键并保持5秒钟,仪器关闭。
3、显示符号:A:电池电量B:故障指示C:正常工作提示D:氧气和毒气一级报警信号毒气二级报警信号E:氧气二级报警信号F:毒气的TWA和STEL符号G:标定符号H:峰值符号I:浓度值和单位J:报警指示符4、安全自检过程:当按下开关键后,开机安全自检过程包括检查传感器,电路,电池,声/光报警以及振动报警。
厂家提醒用户在使用新的仪器时,用户最好让该仪器自检24小时。
1、电池欠压:如果仪器的电池欠压,则在屏幕上出现电池符号并同时闪烁,于此同时声光报警以每秒5次的频率激发,提示操作者更换电池。
2、报警解除:当所检测的气体超过报警点后,激发报警信号,其中︿表示毒气和氧气的一级报警符号,︽表示毒气的二级报警符号。
一旦报警发生,如果操作者确认该报警内容后且希望解除报警,只需按下“开关”、“上”或“下”键中的任意一个即可解除报警,并返回到正常操作模式。
SG100磨煤机CO监测系统用户使用说明北京华能横河科技有限公司目录1.技术参数 (2)2.系统组成.............................................................. .3 3.设备布置图(含吹扫部分) (4)4.外部接线图 (6)5.使用说明 (6)5.1系统简介. (6)5.2暖机和操作 (7)5.3工作时序状态 (7)5.4系统报警指示 (7)5.5红外线分析仪 (10)5.5.1红外线分析仪及操作 (10)5.5.2屏幕显示内容 (13)5.5.3设置/选项屏幕 (13)5.5.4设置和校验 (14)5.5.5参数设置 (17)5.5.6维护模式 (19)5.5.7校验 (21)6.系统组成部件 (23)7.外观和尺寸 (23)7.1机柜尺寸 (23)7.2采样探头尺寸 (23)8.安装示意图 (24)9.安装事项 (25)10.故障分析 (26)10.1分析仪维护 (27)10.2部件的更换 (28)10.2.1采样探头和过滤器的更换 (30)10.2.2二级过滤器的过滤器芯的更换 (29)10.2.3碟式过滤器的更换 (29)10.2.4气泵的膜片的更换 (30)10.2.5如何更换电子冷凝器 (31)11.随机附件 (31)1、技术参数测量原理:红外线(NDIR)测量范围:0~500/1000ppm,0~500/2000ppm,双量程模拟输出信号:CO 浓度瞬时值,一路4~20mA 输出,负载电阻不超过550 Ω:继电器触点输出:共有5 路输出,无源触点输出,触点容量为2 5 0 V A C,8 A。
分别是:CO峰值超上限报警,CO峰值超上上限报警,高低量程识别信号维护状态故障报警显示:LCD,带背光源。
过滤式采样探头:·非电加热(内置过滤器)·过滤器材质:2 μm,金钢砂·探头芯材质:SUS316不锈钢,长度为1000mm·保护管材质:SUS316·法兰规格:日标,JIS 5K-65-FF·重量:约12 公斤采样管:·φ10/φ8 SS316(标准长度5m),伴热温度65℃·伴热管供电电压:220VAC ±10V。
功耗:25W/ 米功能:(1)在线CO 浓度显示(2)手动/ 半自动/ 自动校验·自动校验周期设定范围:1~99小时(以1小时为单位)或1~40天(以1天为单位)·自动校验气体流通时间设定范围:60~599秒(以1秒为单位)·自动/ 手动校验错误报警触点输出:当校正值超出满刻度50% 时·自动校验和维护状态触点输出信号:(3)输出信号保持功能自动校验和维护的过程中,输出电流信号保持不变(4)报警·CO瞬时浓度上限200ppm报警(可自行设定)·CO 瞬时浓度上上限250ppm 报警(可自行设定)(5)其他功能:·对仪器维护时,输出信号保持·量程改变识别触点输出,低量程时触点闭合·分析仪故障触点输出使用条件:样气温度:60~140℃·环境温度:-10~+50℃·环境湿度:<90%RH(不冷凝)·供电电压:220VAC ±10%,50 ±0.5Hz·功耗:max1000VA外形尺寸(H ×W ×D ):750×570×500mm重量:约5 0 公斤(不含标气瓶)机柜颜色:柜体:深灰;柜门:白色特性:重复性:±0.5%FS零点漂移:≤±2%FS/周量程漂移:Max±2%FS/周线性:±1%FS采样流量:6升/ 分钟分析仪入口流量:0.5-1升/分钟响应时间:T90=15秒供货范围·气体分析柜·3 1 6 不锈钢采样管(5 m)·过滤器探头·随机附件·标准气瓶(选项)2、系统组成(1 )过滤器探头(包括耐磨保护管和过滤器)将样气从探头输送到分析仪器。
过滤器除去样气中的煤粉颗粒;保护管可以防止煤粉直接冲刷过滤器,延长过滤器的使用时间。
(2)采样管(包括316 不锈钢和伴热带)连接探头和分析仪柜,从过滤器探头抽取样气,将样气输送到分析仪。
在寒冷地区,冷凝水有被冰冻的可能。
当环境温度有可能低于0℃时,必须使用伴热带加热采样管。
(3)分析仪柜(包括包括抽气泵、样气预处理系统、PLC吹扫系统、自动校验系统、红外线分析仪、机柜恒温装置和接线端子)在样气进入分析仪之前,要对样气进行预处理:对样气中的粉尘做第二级、第三级的精细过滤;对样气进行降温,除去样气中的冷凝水;并保持样气流量的恒定。
使样气成为无尘、低温、干燥的气体。
提高测量精度和延长分析仪的使用寿命。
PLC自动控制压缩空气对采样管和探头进行定时吹扫,防止堵塞。
定期对分析仪进行零点和量程的自动校验。
输出与样气中的CO浓度对应的4~20mA信号到DCS。
3、设备布置图(含吹扫部分)1 红外线分析仪2 5寸液晶显示屏3 红外线分析仪电源开关4 伴热管电源插座5 采样气体入口6 保护过滤器7 采样电磁阀8 吹扫电磁阀9 冷凝器10 排水过滤减压阀11 固态继电器12 排气排水口13 校验电磁阀14 零点气精密稳压阀15 排水蠕动泵16 零点气恒流阀17 24VDC开关电源18 分析仪流量计19 旁路流量计20 机柜温度设定器21 抽气泵回流阀22 外接端子排23 抽气泵24 地脚25 模块226 机柜加热器27 模块128 分析仪接线板29 日光照明灯30 墙挂固定件31 机柜吊环32 切断电磁阀1、CO 浓度上限报警仪2、冷凝器温度控制器3、冷凝器电源开关4、蠕动泵电源开关5、抽气泵电源开关6、PLC 电源开关7、排风扇电源开关8、日光灯电源开关9、机柜加热器电源开关10、手动吹扫按钮11、1# 探头开关12、2# 探头开关13、冷凝器电源保险丝14、蠕动泵电源保险丝15、抽气泵电源保险丝16、PLC电源保险丝17、排风扇电源保险丝18、日光灯电源保险丝19、机柜加热器电源保险丝20、测量/维护开关21、校验电路板22、伴热带空分开关23、机柜空分开关24、PLC25、抽气泵控制继电器26、故障报警继电器4、外部接线5、使用说明5、1流程简介SG400G磨煤机CO监测系统是用来监测CO浓度系统,本系统采用插入式探头直接抽取测量方式,通过取样探头将样气过滤后被抽出,再通过取样管线将样气输送到安装与分析系统内部的制冷装置中,通过电子制冷干燥和过滤后的样气被彻底除去水分,干燥后的样气再次过滤后除掉杂质直接进入测量系统,测量系统将所测气体含量转换为4-20mA电流信号。
系统组成包括采样系统、预处理系统、反吹系统、分析系统、控制系统、校正系统、信号输出系统。
5、2 暖机和操作5.2.1检查管道和配线双重检查采样气管和排气口是否正确连接双重检测是否正确配线5.2.2升温操作和正式操作1)打开主电源的空分电源开关。
2)打开加热采样管的空分电源开关。
3)打开所有(除了气泵的开关)的电源开关。
4)打开红外分析仪的电源(在分析仪的左边)。
5)对所有的设备进行暖机,暖机时间:四个小时。
6)暖机结束后,打开气泵电源,开始抽气。
7)调整流量计上的调节阀,使样气流量保持在0.5升/分钟。
5、3工作时序状态5.3.1.开机上电,打开电源总开关,同时打开PLC开关、抽气泵开关、预处理开关、排风扇开关和分析仪电源开关后系统开始采样测量工作。
5.3.2系统进入正常工作(采样测量)状态。
5.3.3当程序自动设定的吹扫时间到达时,PLC自动控制关闭抽气泵同时关闭采样阀,进行吹扫工作。
5.3.4当系统需要维护时,打开维护开关,只有分析仪的输出信号保持为维护前一时间值不变。
5.3.5当系统设定的吹扫不能满足要求的时候,可以通过模块上的吹扫按扭进行吹扫和校验工作。
5.3.6当系统出现报警信号的时候,无论现在工作再什么状态,出现报警的接点都会动作。
5、4系统报警指示报警指示包括:校验错误报警和分析仪故障报警。
5.4.1校验错误报警和分析仪故障报警:当故障报警出现时,会通过故障报警线发送出报警信号。
5.4.2 CO浓度高报警:当CO浓度超出设定值时,会通过报警输出线发送到DCS报警信号;也可在DCS上设置报警。
5.4.3CO浓度高报警设置报警仪是一种高性能、高可靠性的智能型工业调节仪表,可通过设定不同的报警值来实现不同温度的报警工作模式。
操作方法如下:按SET键超过3秒,可顺次显示下表参数符号。
Rdd г 本地通讯地址 1-2000 bRud通讯波特率1.2K2.4K 4.8K 9.6K 19.2K 38.4KModBus 协议 1个停止位/8个数据位/无校验位/2个停止位9600修改完毕后,如要退出调节状态返回至正常自动控制状态,则再次按住SET 键超过三秒即可。
5.4.4故障 测量值(PV )(闪烁)测量值(PV )超出输入范围 !警告为防止电击,更换传感器前请先关闭电源检查传感器及输入线HHHH(闪烁) 显示测量值(PV )超过输入范围上限LLLL (闪烁)显示测量值(PV )低于输入范围下限系统配有调试功能,若系统出现故障可通过该功能来判断故障的根源是PLC还是PLC以外的线路部分。
5.5红外线分析仪5.5.1红外线分析仪及操作主要部分的名称和说明操作面板按键的名称及描述名称描述名称描述1.方式键用来转换模式 5.转换字符键用来返回上一级的选项或者中途取消设置2.右移键用来变换和选择 6.输入键用来确认选中项5.5.2屏幕显示内容5.5.3设置/选项屏幕状态显示区域●显示之前的状态●信息提供显示区域,显示与操作和显示相关联的信息。
●设置/选项显示区域;显示选择一项目和数据在这个区域,可使用上、下向右键来移动光标。
5.5.4设置和校验改变量程a在测量状态,按MODE键后,直接进入“User Mode(用户模式)”。
b光标移至“Changeover of Range (改变量程)”,然后按ENT键确认。
c出现“Channel Selection(通道选择)”,按上或下键选择CH(成分)。
d选中后,按ENT键确认后,光标移至第二列。
e.按上或者下键,将光标移至所选中的测量范围上。
有右键的就是当前量程。
f.选中后,按ENT键确认。
g.分析移将在选中的范围内测量,同时输出量程的识别触点信号。
低量程(Range1)时触点闭合,高量程(Range2)时触点打开。
注)如果设置了远程控制有效时,就不能在屏幕上进行改变量程的操作。