新版小规模纳税人申报表
- 格式:docx
- 大小:517.77 KB
- 文档页数:3
纳税人名称:金额单位:元(列至角分)
经办人身份证号:
代理机构签章:
代理机构统一社会信用代码:受理税务机关(章):
受理日期: 年 月 日
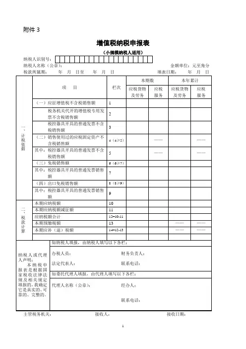
附件3
增值税及附加税费申报表
(小规模纳税人适用)
纳税人识别号(统一社会信用代码):□□□□□□□□□□□□□□□□□□□□
当开票金额未超过季度30万时,
1、全普票。
栏次10填写不含税金额如100000,栏次18填写100000*3%=3000
2、全专票。
栏次2填写不含税金额如100000,栏次16填写100000*2%=3000。
本期应纳税额会自动带出100000*3%=3000,栏次20应纳税额合计应为3000-
2000=1000,填写附加税。
3、普票和专票时。
以上合并填写。
当开票金额超过季度30万时,
1、全普票。
栏次3填写不含税金额如400000,此时本期应纳税额15为
400000*3%=12000,栏次16填写400000*2%=8000,栏次20金额为12000-
8000=4000,填写附加税。
2、全专票。
栏次2填写,同上。
3、普票和专票时。
以上合并填写。
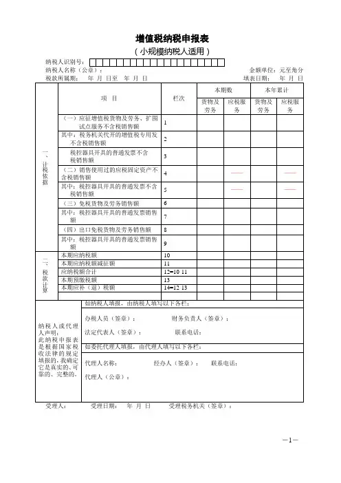
A06491《增值税纳税申报表(小规模纳税人适用)》【分类索引】业务类别申报纳税表单类型纳税人填报设置依据(表单来源)政策规定表单【政策依据】《国家税务总局关于调整增值税纳税申报有关事项的公告》(税务总局公告 2016年第27号)【表单】增值税纳税申报表(小规模纳税人适用)纳税人识别号:□□□□□□□□□□□□□□□□□□□□纳税人名称(公章):金额单位:元至角分税款所属期:年月日至年月日填表日期:年月日【表单说明】本纳税申报表及其附列资料填写说明(以下简称本表及填写说明)适用于增值税小规模纳税人(以下简称纳税人)。
一、名词解释(一)本表及填写说明所称“货物”,是指增值税的应税货物。
(二)本表及填写说明所称“劳务”,是指增值税的应税加工、修理、修配劳务。
(三)本表及填写说明所称“服务、不动产和无形资产”,是指销售服务、不动产和无形资产(以下简称应税行为)。
(四)本表及填写说明所称“扣除项目”,是指纳税人发生应税行为,在确定销售额时,按照有关规定允许其从取得的全部价款和价外费用中扣除价款的项目。
二、《增值税纳税申报表(小规模纳税人适用)》填写说明本表“货物及劳务”与“服务、不动产和无形资产”各项目应分别填写。
(一)“税款所属期”是指纳税人申报的增值税应纳税额的所属时间,应填写具体的起(二)“纳税人识别号”栏,填写纳税人的税务登记证件号码。
(三)“纳税人名称”栏,填写纳税人名称全称。
(四)第1栏“应征增值税不含税销售额(3%征收率)”:填写本期销售货物及劳务、发生应税行为适用3%征收率的不含税销售额,不包括应税行为适用5%征收率的不含税销售额、销售使用过的固定资产和销售旧货的不含税销售额、免税销售额、出口免税销售额、查补销售额。
纳税人发生适用3%征收率的应税行为且有扣除项目的,本栏填写扣除后的不含税销售额,与当期《增值税纳税申报表(小规模纳税人适用)附列资料》第8栏数据一致。
(五)第2栏“税务机关代开的增值税专用发票不含税销售额”:填写税务机关代开的增值税专用发票销售额合计。
增值税纳税申报表纳税人识别号:金额单位:元至角分增值税纳税申报表(适用于小规模纳税人)填表说明一、本申报表适用于增值税小规模纳税人填报。
纳税人提供免税劳务的,也使用本表。
纳税人发生销售额减除项目、可抵减税额的,应填报《本期销售额减除项目金额明细表》和《本期可抵减税额明细表》附表,未发生上述项目的,无需填写附表。
(一)本表“税款所属期”是指纳税人申报的增值税应纳税额(二)本表“纳税人识别号”栏,填写税务机关为纳税人确定(三)本表“纳税人名称”栏,填写纳税人单位名称,并加盖公章。
(四)货物及劳务列,填写纳税人销售货物,提供加工修理修配劳务;应税服务列填写纳税人提供交通运输服务和部分现代服务。
(五)本表第1项“应征增值税货物和劳务不含税销售额”栏数据,填写应征增值税货物及劳务的不含税销售额,不包含销售使用过的固定资产(不动产除外)和销售旧货应征增值税的不含税销售额、免税货物及劳务销售额、出口免税货物销售额。
如果纳税人本期提供的交通运输服务和部分现代服务所取得的销售额中,有按规定可扣除的项目金额,该栏填写的不含税销售额应为未减除可扣除的项目金额的不含税全额。
(六)本表第2项“税务机关代开的增值税专用发票不含税销售额”栏数据,填写税务机关代开的增值税专用发票的销售额合计。
(七)本表第3项“税控器具开具的普通发票不含税销售额”栏数据,填写税控器具开具的应征增值税货物及劳务的普通发票金额换算(八)本表第4项“销售使用过的应税固定资产不含税销售额”栏数据,填写销售使用过的、固定资产目录中所列的固定资产(不动产除外)和销售旧货的不含税销售额,销售额=含税销售额/(1+3%)。
(九)本表第5项“税控器具开具的普通发票不含税销售额”栏数据,填写税控器具开具的销售使用过的应税固定资产(不动产(十)本表第6项“免税货物及劳务销售额”栏数据,填写销售免征增值税货物及劳务的销售额。
本栏需向主管税务机关备案后进行填报。
(十一)本表第7项“税控器具开具的普通发票销售额”栏数据,填写税控器具开具的销售免征增值税货物及劳务的普通发票金额。
附件3增值税纳税申报表(小规模纳税人适用)纳税人识别号: 纳税人名称(公章):金额单位:元至角分税款所属期: 年 月 日至 年 月 日填表日期: 年 月 日一、计税依据项 目栏次本期数本年累计 应税货物及劳务应税 服务 应税货物及劳务应税 服务 (一)应征增值税不含税销售额 1税务机关代开的增值税专用发票不含税销售额2税控器具开具的普通发票不含税销售额3(二)销售使用过的应税固定资产不含税销售额4(4≥5)———— 其中:税控器具开具的普通发票不含税销售额 5—— —— (三)免税销售额6(6≥7)其中:税控器具开具的普通发票销售额7(四)出口免税销售额8(8≥9)其中:税控器具开具的普通发票销售 额 9二、税款计算本期应纳税额10 本期应纳税额减征额 11应纳税额合计 12=10-11本期预缴税额 13—— —— 本期应补(退)税额 14=12-13————纳税人或代理人声明:本纳税申报表是根据国家税收法律法规及相关规定填报的,我确定它是真实的、可靠的、完整的。
如纳税人填报,由纳税人填写以下各栏:办税人员: 财务负责人:法定代表人: 联系电话:如委托代理人填报,由代理人填写以下各栏: 代理人名称(公章): 经办人:联系电话:主管税务机关:接收人:接收日期:增值税纳税申报表(小规模纳税人适用)附列资料税款所属期:年月日至年月日填表日期:年月日纳税人名称(公章):金额单位:元至角分应税服务扣除额计算期初余额本期发生额本期扣除额期末余额1 2 3(3≤1+2之和,且3≤5)4=1+2-3应税服务计税销售额计算全部含税收入本期扣除额含税销售额不含税销售额5 6=3 7=5-6 8=7÷1.03。
小规模纳税人申报表小规模纳税人申报表是用于发布纳税人所需经营范围、纳税类型及相关纳税信息的表格。
本文将对小规模纳税人申报表进行介绍和说明。
小规模纳税人申报表包括以下几个部分:纳税人基本信息、经营范围、纳税类型及相关纳税信息。
以下将对每个部分进行详细说明。
1. 纳税人基本信息:该部分包括纳税人的姓名(名称)、纳税人识别号、联系电话、地址等基本信息。
纳税人应确保所填写的信息准确无误,并及时更新变更。
2. 经营范围:该部分详细列出纳税人的经营范围,包括主营业务和辅助业务。
纳税人需要根据实际经营情况填写,并在需要时进行调整和更新。
3. 纳税类型:根据不同行业和经营性质,纳税人需选择适用的纳税类型,如增值税、消费税、所得税等。
纳税人需要仔细阅读相关法律法规,确保选择正确的纳税类型。
4. 相关纳税信息:该部分包括纳税人的纳税申报周期、纳税申报截止日期、纳税申报频率等信息。
纳税人需要按照规定的截止日期履行纳税申报义务,并根据纳税申报频率及时上报相关纳税信息。
小规模纳税人申报表的填写要求如下:1. 文字清晰可辨:填写表格时应使用清晰的字迹,保证信息的准确传达。
2. 填写规范准确:填写表格时要按照要求的格式和标准填写相关内容,如姓名(名称)的顺序、纳税人识别号的位数等。
3. 实事求是:填写表格时应确保所填写的信息真实、准确,不得故意隐瞒或虚报相关信息。
纳税人在填写小规模纳税人申报表时应格外注意。
准确填写和及时申报纳税信息是纳税人的法定义务,也是确保自身合法权益的重要步骤。
纳税人应妥善保管纳税申报表及相关证明文件,并按照税务局的要求及时提交。
如有需要,纳税人还可咨询税务专业人士以获得更准确的指导和帮助。
以上是关于小规模纳税人申报表的介绍和说明。
希望对纳税人了解和正确填写小规模纳税人申报表有所帮助。
如果还有其他问题,可以咨询当地税务局或相关专业人士。
小规模纳税人申报表在中国,小规模纳税人是指具有独立承担民事责任能力的自然人、法人或其他组织,其年销售额不超过特定额度的纳税人。
小规模纳税人需要按照税法规定,定期向税务机关提供申报表,报送相关纳税信息。
本文将介绍小规模纳税人申报表的使用方法和填写要点。
1. 下载申报表模板小规模纳税人申报表的模板可以从国家税务总局的官方网站上下载得到。
一般来说,模板提供了Excel格式和PDF格式的两种下载选项。
选择合适的格式进行下载,根据实际情况选择使用Excel表格或打印PDF进行手写填写。
2. 填写纳税人基本信息在申报表的首部,一般包含了纳税人的基本信息。
这些信息包括纳税人的名称、纳税人识别号、注册地址等。
填写这些基本信息时要保证准确无误,以避免因信息错误而导致申报错误或遭受处罚。
3. 填写销售收入信息小规模纳税人的最主要申报内容就是销售收入信息。
销售收入信息包括了纳税人的销售额、销项税额等。
在填写销售收入信息时,要保证数据的准确性。
销售额是指纳税人在申报期内从销售商品、提供应税劳务等活动中获得的全部收入。
销项税额是指纳税人在销售商品、提供应税劳务中应该纳税的税额。
4. 填写进项税额信息除了销售收入信息,小规模纳税人还需要填写进项税额信息。
进项税额是指纳税人在购进商品、接受应税劳务等活动中支付的税额。
在填写进项税额信息时,要确保相关凭证齐全,并且与进项税额金额相符。
5. 计算纳税额小规模纳税人申报表中一般会包含计算纳税额的公式或说明。
根据具体情况,计算公式可能有所不同。
按照计算公式,填写相应的数据,计算出纳税额。
6. 填写其他税款和减免税款信息除了销售收入和进项税额,小规模纳税人还需要填写其他税款和减免税款信息。
这些信息包括已经缴纳的其他税款、享受的减免税款等。
在填写这些信息时,要提供相关凭证,并确保填写准确无误。
7. 填写申报人信息在申报表的末尾,通常需要填写申报人的信息。
申报人是指负责填写和报送申报表的个人或机构。
小规模纳税人申报表小规模纳税人申报表是一种用于纳税人申报纳税信息的表格。
在中国,根据税法规定,纳税人可以选择按照一般纳税人制度还是小规模纳税人制度进行税务申报。
小规模纳税人指的是年销售额不超过500万元的企业或个体工商户。
对于小规模纳税人而言,纳税申报表起着重要的作用,它是企业或个体工商户按照相关法律法规对纳税信息进行记录和申报的重要文件。
小规模纳税人申报表通常由税务机关提供,纳税人需要按照规定的时间和方式填写并提交。
根据不同的纳税人情况和税种的不同,小规模纳税人申报表的内容和格式可能会有所不同。
一般而言,小规模纳税人申报表包括以下几个主要部分:1. 纳税人信息:包括纳税人的名称、纳税人识别号、联系方式等基本信息。
这部分内容是识别纳税人身份和联系的重要依据。
2. 销售与进项:小规模纳税人一般需要申报销售额和进项额。
销售额是指纳税人在一定时期内销售商品或提供劳务的收入总额,进项额是指纳税人在一定时期内发生的与购货、费用等有关的支出总额。
纳税人需要将销售额和进项额按照规定的分类进行填写。
3. 税金计算与缴纳:根据销售额和进项额,小规模纳税人需要计算应纳税额。
具体计算方式根据不同的税种和政策而有所不同。
纳税人需要将计算好的应纳税额填写在申报表中,并按照规定的时间和方式缴纳相关税金。
4. 附表和附件:根据具体情况,小规模纳税人可能需要在申报表中附加一些附表和附件。
例如,企业可能需要提供销售发票、购货发票等相关凭证,个体工商户可能需要提供经营账簿、购货凭证等。
小规模纳税人申报表的填写需要纳税人具备一定的税务知识和经验。
如果纳税人不确定如何填写申报表,可以咨询税务机关或专业税务顾问的意见。
此外,纳税人还需要在规定的时间内将申报表及相关凭证提交给税务机关,否则可能会被视为逾期申报,造成不必要的纳税风险和处罚。
在实际操作中,纳税人还可以通过电子税务局等在线申报平台进行小规模纳税人申报表的填写和提交。
电子税务局提供了便捷的在线申报服务,纳税人可以通过电子税务局查询纳税信息、下载申报表、缴纳税款等操作,大大节省了纳税人的时间和精力。