大气条件对气隙击穿特性的影响及其校正
- 格式:ppt
- 大小:424.50 KB
- 文档页数:16
绪论高电压技术是一门重要的专业技术基础课;随着电力行业的发展,高压输电问题越来越得到人们的重视;高电压、高场强下存在着一些特殊的物理现象;高电压试验在高电压工程中起着重要的作用。
气体的绝缘特性与介质的电气强度研究气体放电的目的:了解气体在高电压(强电场)作用下逐步由电介质演变成导体的物理过程掌握气体介质的电气强度及其提高方法高压电气设备中的绝缘介质有气体、液体、固体以及其它复合介质。
气体放电是对气体中流通电流的各种形式统称。
由于空气中存在来自空间的辐射,气体会发生微弱的电离而产生少量的带电质点。
正常状态下气体的电导很小,空气还是性能优良的绝缘体;在出现大量带电质点的情况下,气体才会丧失绝缘性能。
自由行程长度单位行程中的碰撞次数Z的倒数λ即为该粒子的平均自由行程长度。
()λ-=xexP令x=λ,可见粒子实际自由行程长度大于或等于平均自由行程长度的概率是36.8%。
带电粒子的迁移率k=v/E它表示该带电粒子单位场强(1V/m)下沿电场方向的漂移速度。
电子的质量比离子小得多,电子的平均自由行程长度比离子大得多热运动中,粒子从浓度较大的区域运动到浓度较小的区域,从而使分布均匀化,这种过程称为扩散。
电子的热运动速度大、自由行程长度大,所以其扩散速度比离子快得多。
产生带电粒子的物理过程称为电离,是气体放电的首要前提。
光电离i W h ≥νc λν=气体中发生电离的分子数与总分子数的比值m 称为该气体的电离度。
碰撞电离附着:当电子与气体分子碰撞时,不但有可能引起碰撞电离而产生出正离子和新电子,而且也可能会发生电子与中性分子相结合形成负离子的情况。
电子亲合能:使基态的气体原子获得一个电子形成负离子时所放出的能量,其值越大则越易形成负离子。
电负性:一个无量纲的数,其值越大表明原子在分子中吸引电子的能力越大带电粒子的消失1到达电极时,消失于电极上而形成外电路中的电流2带电粒子因扩散而逸出气体放电空间3带电粒子的复合复合可能发生在电子和正离子之间,称为电子复合,其结果是产生一个中性分子;复合也可能发生在正离子和负离子之间,称为离子复合,其结果是产生两个中性分子。
1-1、电介质基本电气特性为极化特性、电导特性、损耗特性和击穿特性。
相对介电常数Er,电导率y,介质损耗因数tgδ和击穿电场强度E。
1-2、电介质的极化可分为无损极化和有损极化。
无损极化包括电子式极化和离子式极化,有损极化包括偶极子式极化、空间电荷极化和夹层极化。
无损极化包括电子式极化和离子式极化。
夹层极化是空间电荷极化的一种特殊形式,多层介质相串联的绝缘结构,在加上直流电压的初瞬,各层介质中的电场分布与介质的相对介电常数成反比;稳态时的电场分布则与介质的电导率成反比,在此过程中存在吸收现象。
1-3、电介质的电导与金属的电导有着本质的区别,电介质电导属离子式电导磨碎温度的升高按指数规律增大;金属电导属电子式电导,随温度的升高而减小。
1-4、电介质在电场作用下存在损耗,其中气体电介质的损耗可以忽略不计。
在直流电压作用下电介质的损耗仅为由电导引起的电导损耗,而交流电压作用下电介质的损耗既有损耗,又有极化损耗。
因此,电介质在交流电压下的损耗远大于其直流电压下的损耗。
2-1绝缘介质通常由气体、液体和固体三种形态,其中气体和液体电介质属于自恢复绝缘,固体电介质属于非自恢复绝缘。
2-2气体放电的根本原因在于气体中发生了电离的过程,在气体中产生了带电粒子;而气体具有自恢复绝缘特性的根本原因在于气体中存在去电离的过程,它使气体中的带电粒子消失。
电离和去电离这对矛盾的存在与发展状况决定着气体介质的电气特性。
2-3在气体电离的四种基本特性中,碰撞电离是最基本的一种电离形式。
而在碰撞电离中电子最活跃的因素。
2-4电子崩的概念是汤逊气体放电理论的基础。
汤逊理论是建立在均匀电场、短间隙、低气压的实验条件下,因此它不适合解释高气压、长间隙、不均匀电场中的气体放电现象,对于后者只能用流注放电理论予以解释。
2-5流注放电理论与汤逊放电理论的根本不同点在于流注理论认为电子的碰撞电离和空间光电离是形成自持放电的主要因素,并强调电荷畸变电场的作用。
湖北省高等教育自学考试课程考试大纲课程名称:高电压技术课程代码:02653第一部分课程性质与目标一、课程性质与特点高电压技术是高等教育自学考试“电气工程及其自动化”专业考试计划中的一门主要专业课。
它是研究电气设备的绝缘及其运行问题的学科。
作为从事电力系统的设计、安装、调试及运行的工程技术人员,都会遇到属于高电压技术一类的问题,因此它是电力系统及其自动化专业必修的专业课程之一,也是从事电力系统的专业人员必须掌握的专业知识,从而确定了本课程在该专业考试计划中的重要地位。
二、课程目标与基本要求课程目标:1. 较系统地掌握电气设备绝缘的基本特性。
2. 较系统地掌握波过程的基础理论、电力系统中雷电过电压和主要内部过电压产生机理及防护措施、正确理解电力系统绝缘配合的基本概念。
基本要求:1. 本课程的基本任务之一是解决电气设备在高电压下的绝缘问题,因此必须系统地掌握电气设备绝缘结构基本特性,掌握电介质的主要电气特性,了解电介质在高电压作用下的放电现象、影响因素和提高其抗电强度的措施。
2. 在掌握波过程等理论基础上,要求掌握电力系统中雷电过电压和主要内部过电压的产生机理和影响因素。
对过电压的各种保护装置和防雷接线是按有关规程规定的,是电力系统中采用的行之有效的措施,应掌握它们的工作原理和使用方法。
三、与本专业其他课程的关系本课程是“电力系统及其自动化”专业的一门主要专业课程。
本课程的先修课程有:高等数学、工程数学、电工原理、电机学、电子技术基础、电力系统分析等。
本课程要求应考者具有较好的数学、物理和电路知识,同时具有一定的电机学、电子技术等方面的知识。
第二部分考核内容与考核目标第1章气体放电的基本物理过程一、学习目的与要求本章介绍了气体(尤其是空气)绝缘介质在高电压作用下由绝缘变成导体(即发生击穿)的规律,并对气体介质的击穿电压在低气压短间隙的均匀电场中进行了定量的分析与计算,在不均匀电场或高气压下的击穿电压进行了定性的分析。
高电压技术辅导资料三主题:第一章介子在强电场下的特性(第7-8节)学习时间:2013年10月14日-10月20日内容:我们这周主要学习第一章第七、八节“各种电压作用下气隙的特性”、“大气条件对空气间隙击穿电压的影响及提高气体介质强度的方法”的相关内容。
希望通过下面的内容能使同学们加深对气隙放电的理解以及了解大气环境下的击穿电压和提高气体介质强度的方法。
第七节各种电压作用下气隙的特性(1)概述气体间隙的击穿电压和电场分布、电压种类都有很大关系。
也就是说气隙的击穿特性取决于电场形式和外加电压类型。
通常,有如下划分:电场形式:均匀电场,稍不均匀电场,极不均匀电场。
在间隙距离相同的情况下,通常电场越均匀,击穿电压越高。
外加电压类型:直流电压稳态电压工频交流电压雷电过电压冲击电压操作过电压(2)均匀电场气隙的击穿在均匀电场中,不存在极性效应,起始场强等于击穿场强。
直流、工频、冲击电压作用下的击穿电压相同,击穿电压分散性很小。
空气间隙的击穿电压经验公式:Ub=24.55δd+6.4(δd)0.5 kVUb-击穿电压峰值,kVδ-空气的相对密度d-间隙距离,cm间隙距离比较小(d=1 ~10cm)时,可以用这个经验公式估算,均匀电场中空气的电气强度大致为Eb=30kV/cm(3)稍不均匀电场与均匀电场相似,一旦出现局部放电,立即导致整个间隙的完全击穿。
稍不均匀电场中直到击穿为止不发生电晕;电场不对称时,极性效应不明显(但是存在)。
直流击穿电压、工频击穿电压(幅值)、50%冲击击穿电压基本上相等,击穿电压的分散性质也不大。
该电场中,电场越均匀,相同间隙距离下的击穿电压越高,其极限是均匀电场中的击穿电压。
该电场中,不能形成稳定的电晕放电,电晕起始电压就是其击穿电压,所以负极性下击穿电压略低于正极性下的数值(可参见上一周内容的极性效应相关内容)。
(4)极不均匀电场在极不均匀电场中,有持续的局部放电,空间电荷积累导致显著的极性效应。
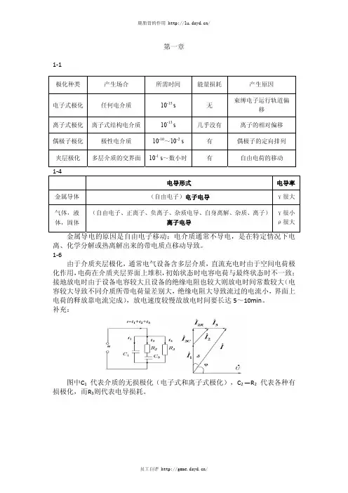
第一章1‐1极化种类产生场合所需时间能量损耗产生原因电子式极化任何电介质 10-15 s 无束缚电子运行轨道偏移离子式极化离子式结构电介质 10-13 s 几乎没有离子的相对偏移偶极子极化极性电介质 10-10~10-2 s 有偶极子的定向排列夹层极化多层介质的交界面 10-1 s~数小时有自由电荷的移动1‐4电导形式 电导率金属导体 (自由电子)电子电导 γ很大气体,液体,固体 (自由电子、正离子、负离子、杂质电导、自身离解、杂质、离子)离子电导γ很小ρ很大金属导电的原因是自由电子移动;电介质通常不导电,是在特定情况下电离、化学分解或热离解出来的带电质点移动导致。
1‐6由于介质夹层极化,通常电气设备含多层介质,直流充电时由于空间电荷极化作用,电荷在介质夹层界面上堆积,初始状态时电容电荷与最终状态时不一致;接地放电时由于设备电容较大且设备的绝缘电阻也较大则放电时间常数较大(电容较大导致不同介质所带电荷量差别大,绝缘电阻大导致流过的电流小,界面上电荷的释放靠电流完成),放电速度较慢故放电时间要长达5~10min。
补充:图中C1 代表介质的无损极化(电子式和离子式极化),C2 —R2 代表各种有损极化,而R3则代表电导损耗。
图1-4-2中,为泄漏电阻;为泄漏电流;为介质真空和无损极化所形成的电容;为流过的电流;为无损极化所引起的电容;为无损极化所形成的等效电阻;为流过支路的电流,可以分为有功分量和无功分量。
lk R lk I g C g I g C p C p R p I p p C R -pr I pc I g J 。
为真空和无损极化所引起的电流密度,为纯容性的;为漏导引起的电流密度,为纯阻性的;为有损极化所引起的电流密度,它由无功部分和有功部分组成。
容性电流与总电容电流密度向量之间的夹角为lk 。
J p 。
J pc 。
J pr 。
J c 。
J 。
J δ,称为介质损耗角。
介质损耗角简称介损角δ,为电介质电流的相角领先电压相角的余角,功率因素角ϕ的余角,其正切δtg 称为介质损耗因素,常用%表示,为总的有功电流密度与总无功电流密度之比。
完成气隙击穿的必备条件气隙击穿是指在电气设备中,当电压升高到一定程度时,电场强度超过了气体的绝缘能力,导致气体击穿,形成电弧或电晕现象。
气隙击穿是电气设备中的一种故障,可能会导致设备损坏、火灾甚至人身伤害。
为了避免气隙击穿的发生,有一些必备条件需要满足。
1. 电压升高:气隙击穿的必备条件之一是电压的升高。
当电压升高到一定程度时,电场强度也随之增加,超过了气体的绝缘能力,导致气体击穿。
因此,为了避免气隙击穿,需要控制电压的升高,确保电场强度不超过气体的绝缘能力。
2. 气体绝缘能力:气隙击穿的发生与气体的绝缘能力密切相关。
不同的气体具有不同的绝缘能力,一些气体的绝缘能力较强,而另一些气体的绝缘能力较弱。
为了避免气隙击穿,需要选择具有较强绝缘能力的气体,或者采取其他措施提高气体的绝缘能力。
3. 气隙距离:气隙击穿的必备条件之一是气隙的距离。
当气隙的距离较小时,电场强度会集中在较小的区域,容易导致气体击穿。
因此,为了避免气隙击穿,需要控制气隙的距离,确保电场强度分布均匀,不会导致气体击穿。
4. 温度和湿度:温度和湿度也会对气隙击穿产生影响。
在高温和高湿度环境下,气体的绝缘能力会降低,容易导致气隙击穿。
因此,在设计和使用电气设备时,需要考虑环境的温度和湿度,采取相应的措施来提高气体的绝缘能力。
5. 材料选择:材料的选择也会对气隙击穿产生影响。
不同的材料具有不同的绝缘性能,一些材料具有较好的绝缘性能,而另一些材料的绝缘性能较差。
为了避免气隙击穿,需要选择具有良好绝缘性能的材料,确保设备的绝缘性能达到要求。
综上所述,完成气隙击穿的必备条件包括电压升高、气体绝缘能力、气隙距离、温度和湿度以及材料选择等。
在设计和使用电气设备时,需要充分考虑这些条件,采取相应的措施来避免气隙击穿的发生,确保设备的安全运行。
只有满足这些必备条件,才能有效预防气隙击穿带来的潜在风险。
非持续作用电压雷电冲击过电压、操作冲击过电压持续时间极短(以微秒计),放电发展速度不能忽略不计。
间隙的击穿电压与作用电压的波形(即作用时间)有很大关系用伏秒特性来表达气隙的击穿特性伏秒特性以斜角波电压为例说明考虑放电时延的必要性在间隙上缓慢地施加电压,达到静态击穿电压U 0后,间隙中开始发展起击穿过程。
但击穿需一定时间∆τ= t l ,在此时间内电压上升击穿完成时间隙上的电压应为U 0+∆Utu U ∆∆⋅∆=∆/τ例如某间隙的静态击穿电压为50kV ,放电时延为如果电压上升的平均陡度为,与50kV 相比,可以忽略电压上升的平均陡度:,与50kV 相比,不能忽略V/S 10s )105/(V 1050733=××−V/S 10s )105/(V 10501063=××−S 106−=∆τV 10107=∆×=∆τU KV 101010=∆×=∆τU伏秒特性的制订方法工程上用间隙上出现的电压最大值和放电时间的关系来表征间隙在冲击电压下的击穿特性伏秒特性用实验方法求取放电时间具有分散性,实际上伏秒特性是以上、下包线为界的一个带状区域伏秒特性的应用S2对S1起保护作用在高幅值冲击电压作用下,S2不起保护作用气隙击穿电压的概率分布无论何种作用电压,气隙的击穿电压都有分散性,但分散程度不同接近正态分布:用50%击穿电压U和相对标50准偏差σ来表示,表3-2-1耐受电压:工程中将对应于(99%以上)的电压最为耐受电压U50(1-3σ)——击穿几率99.86%球—球间隙极性效应:当d>D/4,大地对电场的畸变作用使间隙电场分布不对称:电场最强的电极为负极性时的击穿电压略低于正极性时的数值电场均匀程度影响:同一间隙距离下,球电极直径越大,击穿电压也越高照射效应:增大气隙中出现有效电子的概率,减小击穿电压的分散性直流电压下的击穿电压¾极性效应:棒—棒电极间的击穿电压介于极性不同的棒—板电极之间¾击穿电压与间隙距离接近正比,平均击穿场强:正棒—负板:4.5kV/cm负棒—正板:l0kV/cm棒—棒:4.8~5.0kV/cm工频电压下的击穿电压¾击穿在棒的极性为正、电压达到幅值时发生¾间隙距离小于2.5cm,击穿电压和距离近似直线关系¾平均击穿场强(幅值):棒—棒间隙为5.36kV/cm,棒—板间隙为4.8kV/cm¾“饱和现象”:距离加大,平均击穿场强明显降低,棒—板间隙尤为严重d=1m, 5 kV/cmd=l0m,2 kV/cm¾在图所示范围内击穿电压和间隙距离呈直线关系¾棒—板间隙有明显的极性效应,棒—棒间隙也有不大的极性效应操作冲击电压下空气的击穿电压极不均匀电场中的操作冲击50%击穿有许多特点¾极性效应正极性下50%击穿电压比负极性下低,所以也更危险¾电场分布的影响“邻近效应”:接地物体靠近放电间隙会显著降低其正极性击穿电压,但能多少提高一些负极性击穿电压¾“饱和”现象:和工频电压下类似,棒—板间隙更严重¾分散性大:波前时间在数十到数百微秒之间,U50的标准偏差约为5%;波前时间超过1000µs以后,可达8%¾波形的影响在一定的波前时间范围内,U50 甚至会比工频击穿电压低,呈现出“U形曲线”放电时延和空间电荷(形成及迁移)这两类不同因素的影响所造成的对应极小值的波前时间随着间隙距离加大而增加,对7m以下的间隙,在50∼200µs之间1、改进电极形状以改善电场分布 增大电极曲率半径减小表面场强。
绪论高电压技术是一门重要的专业技术基础课;随着电力行业的发展,高压输电问题越来越得到人们的重视;高电压、高场强下存在着一些特殊的物理现象;高电压试验在高电压工程中起着重要的作用。
气体的绝缘特性与介质的电气强度研究气体放电的目的:了解气体在高电压(强电场)作用下逐步由电介质演变成导体的物理过程掌握气体介质的电气强度及其提高方法高压电气设备中的绝缘介质有气体、液体、固体以及其它复合介质。
气体放电是对气体中流通电流的各种形式统称。
由于空气中存在来自空间的辐射,气体会发生微弱的电离而产生少量的带电质点。
正常状态下气体的电导很小,空气还是性能优良的绝缘体;在出现大量带电质点的情况下,气体才会丧失绝缘性能。
自由行程长度单位行程中的碰撞次数Z的倒数λ即为该粒子的平均自由行程长度。
()λ-=xexP令x=λ,可见粒子实际自由行程长度大于或等于平均自由行程长度的概率是36.8%。
带电粒子的迁移率k=v/E它表示该带电粒子单位场强(1V/m)下沿电场方向的漂移速度。
电子的质量比离子小得多,电子的平均自由行程长度比离子大得多热运动中,粒子从浓度较大的区域运动到浓度较小的区域,从而使分布均匀化,这种过程称为扩散。
电子的热运动速度大、自由行程长度大,所以其扩散速度比离子快得多。
产生带电粒子的物理过程称为电离,是气体放电的首要前提。
光电离i W h ≥νc λν=气体中发生电离的分子数与总分子数的比值m 称为该气体的电离度。
碰撞电离附着:当电子与气体分子碰撞时,不但有可能引起碰撞电离而产生出正离子和新电子,而且也可能会发生电子与中性分子相结合形成负离子的情况。
电子亲合能:使基态的气体原子获得一个电子形成负离子时所放出的能量,其值越大则越易形成负离子。
电负性:一个无量纲的数,其值越大表明原子在分子中吸引电子的能力越大带电粒子的消失1到达电极时,消失于电极上而形成外电路中的电流2带电粒子因扩散而逸出气体放电空间3带电粒子的复合复合可能发生在电子和正离子之间,称为电子复合,其结果是产生一个中性分子;复合也可能发生在正离子和负离子之间,称为离子复合,其结果是产生两个中性分子。