机械原理实验思考题参考
- 格式:doc
- 大小:1.77 MB
- 文档页数:14
第十三章滚动轴承1. 滚动轴承的类型选择时,要考虑哪些因素?2. 试画出调心球轴承、深沟球轴承、角接触球轴承、圆锥滚子轴承和推力球轴承的结构示意图。
它们承受径向载荷和轴向载荷的能力各如何?3. 说明下列滚动轴承代号的含义。
即指出它们的类型、内径尺寸、尺寸系列、公差等级、游隙组别和结构特点等:6212,N2212,7012AC ,32312/P5。
4.为什么角接触球轴承和圆锥滚子轴承必须成对使用?5. 什么是滚动轴承的基本额定寿命?在基本额定寿命内,一个轴承是否会发生失效?为什么?6. 什么是滚动轴承的基本额定动载荷? 什么是滚动轴承的当量动载荷? 滚动轴承的寿命为什么要按当量动载荷来计算?7.校核6306轴承的承载能力。
其工作条件如下:径向载荷F r =2600N ,有中等冲击,内圈转动,转速n =2000r /min ,工作温度在100°C以下,要求寿命L h >10000h 。
8. 一农用水泵,决定选用深沟球轴承,轴颈直径d=35 mm ,转速n=2 900 r /min ,已知径向载荷F r =1 810N ,轴向载荷F a =740N ,预期计算寿命L h ′=6 000h ,试选择轴承的型号。
9. 某轴上正安装一对单列角接触轴承,已知两轴承的径向载荷分别为F r1=1580 N ,F r2=1980 N ,外加轴向力F a =880N ,轴径d=40 mm ,转速n=2900 r /min ,有轻微冲击,常温下工作,要求轴承使用寿命L h =5000h ,用脂润滑,试选择轴承的型号。
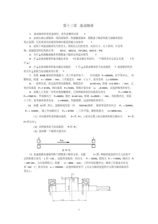
10.如题10图.所示,某轴两端安装一对7307AC 轴承 ,轴承承受的径向力F r1= 3390N ,F r2 = 1040N ,轴上外加轴向力F ae = 870N ,工作平稳,轴的转速为n=1800r/min,。
(1)求出轴承所受的轴向载荷F a1和F a2;(要求在图上标出轴承的派生轴向力F d1和F d2的方向)(2)求两轴承的当量动载荷P 1和P 2;(3)说明哪一个轴承可能先坏题10图.11.某减速器高速轴用两个圆锥滚子轴承支承,见题11图.两轴承宽度的中点与齿宽中点的距离分别为L 和1.5L 。
1第4章 齿轮机构思考题1渐开线有哪些重要性质?一对渐开线齿廓相啮合的啮合特性是什么?2 齿距的定义是什么?何谓模数?为什么要规定模数的标准值?在直齿圆柱齿轮、斜齿圆柱齿轮、蜗杆蜗轮和直齿圆锥齿轮上,何处的模数是标准值?3 渐开线直齿圆柱齿轮基本参数有哪几个?哪些是有标准的,其标准值为多少?4 分度圆与节圆有什么区别?在什么情况下节圆与分度圆重合?5 啮合线是一条什么线?啮合角与压力角有什么区别?什么情况下两者相等?6 渐开线直齿圆柱齿轮机构需满足哪些条件才能相互啮合正常运转?7 一对渐开线外啮合直齿圆柱齿轮机构的实际中心距大于标准中心距,其传动比是否变化?节圆与啮合角是否变化?这一对齿轮能否正确啮合?重合度是否有变化?8 重合度的物理意义是什么?有哪些参数合影响重合度,这些参数的增加会使重合度增大还是减小?9 何谓齿廓的根切现象?根切的原因是什么?根切有何危害?如何避免根切?10 正传动类型中的齿轮是否一定都是正变位齿轮?负传动类型中的齿轮是否一定都是负变位齿轮?11 平行铀斜齿圆柱齿轮机构的基本参数有哪些?基本参数的标准值是在端面还是在法面,为什么?12 何为蜗杆蜗轮机构的主平面?在主平面内,蜗杆蜗轮机构相当于什么传动?13 平行轴斜齿圆柱齿轮机构、蜗杆蜗轮机构和直齿圆锥齿轮机构的正确啮合条件与直齿圆柱齿轮机构的正确啮合条件相比较有何异同?14 何谓平行轴斜齿圆柱齿轮机构和直齿圆锥齿轮机构的当量齿数?当量齿数有什么用途?习题1 已知半径b r =30mm 的基圆上所展成的两条同向渐开线如习题图 1所示。
其k r =35mm 。
KK’=15mn ,试求:(1) 点K’处的向径'K r 和压力角K α;(2) 以O 为圆心,'K r 为半径画圆弧,与另一条渐开线相交于K’’点,求弧长 '''K K 。
2 今测得—渐开线标准直齿轮的齿顶圆直径d a =208mm ,齿根圆直径d f =172mm ,齿数z =24,试确定该齿轮的模数m 、齿顶高系数*a h 及项隙系数*c 。
思考题第0章绪论1、从力学特性和在生产中的低位来看,机器有哪些共同特征?答:1)机器都是由各种材料做成的制造单元经装配而成的各个运动单元的组合体;2)各个运动单元之间具有确定的相对运动。
当在预定的力约束条件下,其中一个或一个以上单元的运动一定时,该组合体就能实现预期的机械运动;3)在生产过程中,机器能代替或减轻人的劳动,完成有用的机械功或转换机械能。
2、机器与机构的主要区别是什么?机器与机构的关系如何?举例说明。
答:机器是执行机械运动的装置,机构是用来传递运动和动力的构件系统。
3、简述构件和零件的区别与联系。
举一构件的例子加以说明。
答:构件是机器中独立的运动单元,零件是机器中制造的运动单元。
4、什么叫原动机、工作机?答:原动机:反将其他形式的能量转换为机械能的机器称为原动机。
工作机:凡用来完成有用功的机器称为工作机。
5、什么叫原动件、从动件和机架?答:原动件:在除机架外的构件中,驱动力所作用的构件。
从动件:随着原动件的运动而运动的构件。
机架:凡本身固定不动的构件,或相对地球运动但固结于给定坐标参考系并视为固定不动的构件。
第一章结构分析1、运动副的定义是什么?常见的平面运动副分为哪几种?答:运动副定义:机构中各个构件之间必须有确定的相对运动,因此,构件的连接既要使两个构件直接接触,又能产生一定的相对运动,这种直接接触的活动连接称为运动副。
平面运动副按其接触形式分:点线接触的高副和面接触的低副。
2、机构具有确定运动的条件是什么?若不能满足这一条件,将会产生什么结果?答:若不满足这一条件:当F>0时,原动件数大于自由度机构遭破坏,原动件数小于自由度机构运动不确定。
当F<=0时,机构间不可能产生相对运动。
3、在计算平面机构的自由度时应注意哪些事项?如何处理?答:1.复合式铰链两个以上的构件同在一处以转动副相连接,就构成了所谓的复合铰链。
当M个构件以复合铰链相连接时。
其转动副的数目应为M-1个2.局部自由度与输出构件运动无关的自由度成为局部自由度,在计算机构的自由度时,局部自由度应该除去3.虚约束平面机构的虚约束常出现于下列情况:(1).轨迹重合机构上有两构件用转动副相连接,而构件上的连接点的轨迹重合,则该连接将带入一个虚约束(2)转动副轴线重合两构件构成多个转动副且其轴线互相重合,这时只有一个转动副起约束作用,其余转动副都是虚约束(3)移动副导路平行两构件构成多个移动副且其导路平行,这是只有一个移动副起约束作用,其余运动副都是虚约束(4)机构存在对运动起重复约束作用的对称部分在机构中,某些不影响机构传递的重复部分所带入的约束亦为虚约束虚约束的存在对机构的于东没有影响,但引入虚约束后可以改善机构的受力情况,可以增加构件的刚性,因此在机构的结构中得到较多使用4、何为杆组?常见的有哪两类?机构的级别是如何判定的?答:自由度F=0且不能再分(否则F≠0)的运动链称为杆组。
机械原理思考题1. 何谓机器,何谓机构?它们有什么区别与联系?2. 参照内燃机的机构分析,试对机械手进行分解,说明它是由哪些机构组成的。
3.何谓零件和构件?两者的区别是什么?4.何谓运动副?满足什么条件两个构件之间才能构成运动副?5.何谓“高副”和“低副”?在平面机构中高副和低副一般各带入几个约束?6.具备什么条件,运动链才具有运动的可能性?7.具备什么条件,运动链才具有运动的确定性?8.具备什么条件,运动链才能成为机构?9.机构运动分析包括哪些内容?对机构进行运动分析的目的是什么?10.什么叫速度瞬心?相对速度瞬心和绝对速度瞬心有什么区别?11.在进行机构运动分析时,速度瞬心法的优点及局限是什么?12.什么叫三心定理?13.什么是摩擦角?移动副中总反力是如何定的?14.何谓当量摩擦系数及当量摩擦角?引入它们的目的是什么?15.矩形螺纹和三角形螺纹螺旋副各有何特点?各适用于何种场合?16.何谓摩擦圆?摩擦圆的大小与哪些因素有关?17.为什么实际设计中采用空心的轴端?18.何谓机械效率?效率高低的实际意义是什么?19.何谓实际机械、理想机械?两者有何区别?20.什么叫自锁?在什么情况下移动副、转动副会发生自锁?21.机械效率小于零的物理意义是什么?22.工作阻力小于零的物理意义是什么?从受力的观点来看,机械自锁的条件是什么?23.机械系统正行程、反行程的机械效率是否相等?为什么?24.什么是连杆、连架杆、连杆机构?连杆机构适用于什么场合?不适用于什么场合?25.平面四杆机构的基本形式是什么?它有哪几种演化方法?其演化的目的何在?26.什么叫整转副、摆转副?什么叫曲柄?曲柄一定是最短构件吗?机构中有整转副的条件是什么?27.什么叫低副运动可逆性?它在连杆机构研究中有何具体应用?28.什么是连杆机构的急回特性?它用什么来表达?什么叫极位夹角?它与机构的急回特性有何关系?29.什么叫连杆机构的压力角、传动角?四杆机构的最大压力角发生在什么位置?研究传动角的意义是什么?30.什么叫"死点"?它在什么情况下发生?与"自锁"有何本质区别?如何利用和避免"死点"位置?31.平面连杆机构设计的基本命题有哪些?设计方法有哪些?它们分别适用在什么设计条件下?32.在用图解法进行函数生成机构的设计时,刚化、反转的目的何在?其依据是什么?33.用反转法设计盘形凸轮的廓线时,应注意哪些问题?移动从动件盘形凸轮机构和摆动从动件盘形凸轮机构的设计方法各有什么特点?34.何谓凸轮的偏距圆?35.何谓凸轮的理论廓线?何谓凸轮的实际廓线?两者有何区别与联系?36.理论廓线相同而实际廓线不同的两个对心移动从动件盘形凸轮机构,其从动件的运动规律是否相同?37.一个齿轮不同圆上的压力角和模数是否相同?是否都是标准值?38.为什么模数值要标准化?39.标准为什么规定压力角为20°?40.如果齿轮的五个基本参数中,除模数以外其余四个基本参数都相同,齿轮的几何尺寸有何不同?41.确定蜗杆头数和蜗轮的齿数要考虑哪些问题?42.何谓蜗杆蜗轮机构的中间平面?在中间平面内,蜗杆蜗轮传动相当于什么传动?43.确定蜗杆直径系数的目的是什么?的大小对蜗杆蜗轮机构有什么影响?它与蜗杆分度圆直径是什么关系?44.何谓圆锥齿轮的背锥和当量齿轮?引入背锥和当量齿轮的目的是什么?当量齿数如何计算?45.在直齿圆锥齿轮中何处为标准值?46.什么是惰轮?它在轮系中起什么作用?47.在定轴轮系中,如何来确定首、末两轮转向间的关系?48.什么叫周转轮系的"转化机构"?它在计算周转轮系传动比中起什么作用?49.在差动轮系中,若已知两个基本构件的转向,如何确定第三个基本构件的转向?50.周转轮系中两轮传动比的正负号与该周转轮系转化机构中两轮传动比的正负号相同吗?为什么?51.计算混合轮系传动比的基本思路是什么?能否通过给整个轮系加上一个公共的角速度的方法来计算整个轮系的传动比?为什么?52.如何从复杂的混合轮系中划分出各个基本轮系?53.定轴轮系有哪些功能?设计定轴轮系时,应考虑哪几方面的问题?54.什么样的轮系可以进行运动的合成和分解?55.棘轮机构有几种类型,它们分别有什么特点,适用于什么场合?56.内槽轮机构与外槽轮机构相比有何优点?57.平面槽轮机构中主动销轮上的圆柱销进入或退出槽轮上的滑槽时,它们的相对位置关系如何?58.在槽轮机构中,当主动件与从动件脱离接触之后,如何保证从动件静止?59.一般机械的运转过程分为哪三个阶段?在这三个阶段中,输入功、总耗功、动能及速度之间的关系各有什么特点?60.为什么要建立机器等效动力学模型?建立时应遵循的原则是什么?61.在机械系统的真实运动规律尚属未知的情况下,能否求出其等效力矩和等效转动惯量?为什么?62.飞轮的调速原理是什么?为什么说飞轮在调速的同时还能起到节约能源的作用?63.何谓机械运转的"平均速度"和"不均匀系数"?64.飞轮设计的基本原则是什么?为什么飞轮应尽量装在机械系统的高速轴上?系统上装上飞轮后是否可以得到绝对的匀速运动?65.机械系统在加飞轮前后的运动特性和动力特性有何异同(比较主轴的ωm,ωmax,选用的原动机功率、启动时间、停车时间,系统中主轴的运动循环周期、系统的总动能)?66.何谓最大盈亏功?如何确定其值?67.如何确定机械系统一个运动周期最大角速度Wmax与最小角速度Wmin 所在位置?68.为什么机械会出现非周期性速度波动,如何进行调节?69.机械的自调性及其条件是什么?70.离心调速器的工作原理是什么?71.机械平衡分为哪几类?何谓刚性转子与挠性转子?72.对于作往复移动或平面运动的构件,能否在构件本身将其惯性力平衡?73.机械的平衡包括哪两种方法?它们的目的各是什么?74.刚性转子的平衡设计包括哪两种设计?它们各需要满足的条件是什么?75.经过平衡设计后的刚性转子,在制造出来后是否还要进行平衡试验?为什么?76.简述机械执行系统方案设计的过程,并说明各设计阶段的具体内容。
机械原理思考题(参考答案)机械原理思考题一、选择题1、斜齿圆柱齿轮的标准模数和标准压力角在 B 上,计算几何尺寸需按 A 参数进行计算。
A .端面B .法面2、标准齿轮限制最少齿数的原因是 C 。
A .避免尺寸过大B .避免加工困难C .避免发生根切D .避免强度不足3、与其它机构相比,凸轮机构的最大优点是 A 。
A .容易使从动件得到各种预期的运动规律B .传动功率大、效率高C .制造方便,容易获得较高的精度D .从动件的行程可较大4、在由若干机器串联构成的机组中,若这些机器的效率均不相同,其中最高效率和最低效率分别为ηmax 和ηmin ,则机组的总效率η必有如下关系: A 。
A .η<ηminB .η>ηmaxC .ηmin ≤η≤ηmaxD .ηmin <η<ηmax 。
5、宽径比B/D ≥0.2的刚性转子要在 B 校正面内进行动平衡校正。
A .单个B .二个C .三个6、在机构中,某些不影响机构运动传递的重复部分所带入的约束为 B 。
A. 虚约束B. 局部自由度C. 复合铰链7、单转动副机械自锁的原因是驱动力 B 摩擦圆。
A. 切于B. 交于C. 远离8、对于双摇杆机构,最短杆与最长杆长度之和 B 大于其余两杆长度之和。
A. 一定B. 不一定C. 一定不9、设计凸轮廓线时,若减小凸轮的基圆半径,则凸轮压力角将 A 。
A. 增大B. 不变C. 减小10、在减速蜗杆传动中,用 C 来计算传动比是错误的。
A. 21ω=iB. 12z z i =C. 12d d i =11、在其他条件相同时,斜齿圆柱齿轮传动比直齿圆柱齿轮传动重合度 C 。
A. 小B. 相等C. 大12、棘轮机构中采用了止回棘爪主要是为了 A 。
A. 防止棘轮反转B. 保证棘轮每次转过相同角度C. 对棘轮双向定位13、利用飞轮进行调速的原因是它能 C 能量。
A. 产生B. 消耗C. 储存和放出14、曲柄滑块机构利用 B 可演化为偏心轮机构。
第十章 齿轮传动1.直齿圆柱齿轮、斜齿圆柱齿轮、直齿圆锥齿轮的优缺点各是什么?各适用何场合?2.齿轮传动的主要失效形式有几种?其发生的原因和防止措施各是什么?3.齿轮材料的选择原则是什么?软、硬齿面有什么区别?4.齿轮的工作载荷与计算载荷有什么关系?要考虑哪些因素的影响?5.齿数和齿宽系数对齿轮传动的承载能力有何影响?应如何选取?6. 试分析题6图.所示齿轮传动中各齿轮所受的力(在啮合点画出其三个分力)。
题6图. 齿轮传动力分析7.题7图.为两级斜齿圆柱齿轮减速器,动力由Ⅰ轴输入,Ⅲ轴输出,齿轮1的螺旋线方向及Ⅲ轴转向如图。
求:(1)为使载荷沿齿向分布均匀,运动应从轴Ⅰ的哪一端输入,从轴Ⅲ的哪一端输出? (2)为使轴Ⅱ的轴承所受轴向力最小,其余各齿轮的螺旋线方向如何? (3)标出齿轮2、3所受各分力的大小和方向。
题7图.两级斜齿圆柱齿轮减速器题8图. 齿轮传动应力循环特性分析8. 如图题8图.所示齿轮传动,试分析以下两种情况下各齿轮所受的齿面接触应力和齿根弯曲应力的循环特性。
(1)齿轮B 为“惰轮”,齿轮A 为主动轮,齿轮C 为从动轮; (2)齿轮B 为主动轮,齿轮A 和齿轮C 均为从动轮。
9. 有两对直齿圆柱齿轮传动,齿轮参数见下表,齿轮的材料、精度以及齿轮传动的工作条件均相同,则该两对齿轮传动的接触疲劳强度和弯曲疲劳强度相比较,哪对齿轮传动较好?z 1 z 2 m a b 1 20 70 4 180 80 24014021808010.一对标准直齿圆柱齿轮传动,已知模数m=2.5mm ,齿数Z 1=24,Z 2=115,若已知〔σH 〕1=590Mpa, 〔σH 〕2 =470Mpa, 〔σF 〕1 =321.4Mpa, 〔σF 〕2 =278.6Mpa, ,且小齿轮齿根弯曲应力σF1 =67.3Mpa, 齿面接触应力σH1 =550.2Mpa 已知, Y Fa1Y sa1=4.187, Y Fa2Y sa2=3.906,试问:(1)大齿轮的σF2 和σH2 为多少?(2)哪个齿轮的齿面接触疲劳强度弱?哪个齿轮的齿根弯曲疲劳强度弱?为什么? 11.设计一对斜齿圆柱齿轮传动。
《机构测绘、分析及设计》实验思考题参考答案1.一个正确的“机构运动简图”应能说明哪些内容?机构运动简图应着重表达机构各构件间的相对运动关系,应包括原动件的运动规律、机构中所有构件和运动副的类型、数目及其相对位置(即转动副的中心位置、移动副的中心线位置和高副接触点的位置),而与构件的外形、断面尺寸、组成构件的零件数目及其固联方式和运动副的具体结构无关。
因此绘制机构运动简图可以撇开构件的复杂外形和运动副的具体构造,用简单的线条和规定的符号代表构件和运动副,并按比例定出各运动副的相对位置。
2.根据所装配的曲柄滑块机构,分析此机构中曲柄存在条件是什么?连杆长度与机构传力性能之间有什么关联?曲柄滑块机构中曲柄存在条件是:L AB+e<=L BC连杆长度越长则机构传力性能越好,因为连杆越长则压力角越小。
3.牛头刨六杆机构中滑杆的行程长度如何调整?调整曲柄长度4.曲柄滑块机构、曲柄摇块机构、摆动导杆机构之间的演化关系如何?举例说明机构演化的方法有哪些?铰链四杆机构可以通过四种方式演化出其它形式的四杆机构。
即①取不同构件为机架;②转动副变移动副;③杆状构件与块状构件互换;④销钉扩大。
曲柄滑块机构曲柄摇块机构摆动导杆机构曲柄滑块机构、曲柄摇块机构、摆动导杆机构之间通过取不同构件为机架来演化。
对心曲柄滑块机构偏心轮滑块机构牛头刨六杆机构正弦机构曲柄摇杆机构《平面机构特性分析》实验思考题参考答案1、铰链四杆机构(L1=50 mm,L2=100 mm,L3=80 mm)中,通过改变机架长度可得到何种机构?设四杆机构中机架L4<=50,L4=L min,则由曲柄存在条件:最短杆与最长杆的长度之和必须小于或等于其余二杆的长度之和(L max+L min<=L2+L3)可得:100+L4<=50+80 即0<L4<=30时为双曲柄机构而30<L4<=50时为双摇杆机构设四杆机构中机架50<L4<100,L4既不L max也不L min,则由曲柄存在条件:最短杆与最长杆的长度之和必须小于或等于其余二杆的长度之和(L max+L min<=L4+L3)可得:100+50<= L4+80 即70<=L4<100时为曲柄摇杆机构而50<L4<70时为双摇杆机构设四杆机构中机架L4>=100,L4=L max,则由曲柄存在条件:最短杆与最长杆的长度之和必须小于或等于其余二杆的长度之和(L max+L min<=L2+L3)可得:L4+50<=100+80 即100<=L4<=130时为曲柄摇杆机构而130<L4<230(50+100+80)时为双摇杆机构则0<L4<=30时为双曲柄机构; 30<L4<70,130<L4<230时为双摇杆机构; 70<=L4<=130时为曲柄摇杆机构2、如何用传动角γ来判断传力性能的优劣?压力角是点C的受力方向与其速度方向间所夹的锐角,传动角是压力角的余角。
第五章螺纹连接和螺旋传动1. 常用螺纹的种类有哪几种?在设计螺旋千斤顶等滑动螺旋装置时宜选用哪种螺纹?为什么?为提高传动效率应选多线螺纹还是单线螺纹为宜?2. 观察日常生活中的机械装置,说明螺纹连接的基本类型有哪些?各用于什么场合?试画出螺纹连接的四种典型结构。
3. 螺纹零件的d、d1、d2和d s四种直径在计算中应如何使用?4. 在螺纹连接中,螺栓受力和连接受力是否相同?连接承受横向载荷时,螺栓是否一定受横向载荷?5. 试述螺栓连接的主要失效形式和拆装中应注意的问题。
6. 题6图. 所示钢板采用两个M20的普通螺栓连接,若被连接件接合面的摩擦因数f=0.2,可靠系数K f=1.2,螺栓的性能等级为3.6,材料选用Q215,试计算该连接允许传递的载荷F R。
题6图.7. 图示为一凸缘联轴器,用4个M12的普通螺栓连接,螺栓中心均匀分布在D=105mm,且安装时不控制预紧力。
已知螺栓材料为35钢,性能等级为4.8级,联轴器接合面间摩擦因数f=0.2,可靠系数K f=1.2,该联轴器能传递多大载荷?题7图.8. 题8图. 所示,刚性联轴器用4个M16小六角头铰制孔用螺栓连接,螺栓材料为45钢,受剪面处螺栓直径为17mm,其许用最大扭矩T=1.5kN·m(设为静载荷),试校核其连接的强度。
联轴器材料HT250。
题8图.9.题9图.所示,气缸内径D=150mm,气缸内气体压强p=1.5MPa,缸盖与缸体间用6个4.8级的螺栓连接,控制预紧力,试确定螺栓直径。
题9图. 压力容器盖的螺栓连接10.题10图.示一汽缸盖螺栓组连接,已知汽缸内压力在0~1.5MPa间变化,缸盖和缸体均为钢制,为保证气密性要求,试选择螺栓材料,并确定螺栓数目和尺寸。
题10图.11.铰制孔用螺栓组连接的三种方案如图所示,已知L=300mm,a=60mm,试求三个方案中,受力最大的螺栓所受的力各为多少?哪个方案较好?题11图.。
第3 章 凸轮设计思考题1 凸轮机构按凸轮的形状分为哪几种?2 凸轮机构按凸轮的运动形式分为哪几种?3 从动件的常用运动规律有哪几种?它们各有什么特点?4 当要求凸轮机构从动件的运动没有冲击时,可选择那些常用运动规律?5 何为凸轮机构的偏距圆?6 何为凸轮的理论轮廓?何为凸轮的实际轮廓?两者有何联系与区别?7理论轮廓相同而实际轮廓不同的两个对心移动滚子从动件盘形凸轮机构,其从动件的运动规律是否相同?8在移动滚子从动件盘形凸轮机构中,若凸轮实际轮廓保持不变,而增大或减小滚子半径,从动件的运动规律是否发生变化?9 何为凸轮机构的压力角?为减小推程压力角,可采取哪些措施?10 在移动滚子从动件盘形凸轮机构的设计中,采用偏置从动件的主要目的是什么?偏置方向应如何选取?11 在移动平底从动件盘形凸轮机构的设计中,采用偏置从动件的主要目的是什么?偏置方向应如何选取?12 在滚子型从动件盘形凸轮机构的设计中,可能会出现运动失真现象,造成这种现象的原因可能有哪些?怎么避免?习题1 在直动从动件盘形凸轮机构中,从动件动程h =50mm ,其运动规律为:凸轮回转°=Φ120,从动件推程为等加速等减速运动规律;凸轮回转°=Φ90s ,从动件远休止;凸轮继续回转°=Φ′120,从动件回程为简谐运动规律;凸轮继续回转,从动件近休止。
写出从动件各阶段的位移方程式,并画出其完整的位移线图。
2 习题图 1为一尖顶直动从动件盘形凸轮机构从动件的部分运动线图。
试根据s 、v 和a 之间的对应关系定性地补全该运动曲线,并指出该凸轮机构工作时,何处有刚性冲击?何处有柔性冲击?习题图 13 在直动从动件盘形凸轮机构中,已知从动件动程h =50mm ,凸轮推程运动角°=Φ90。
求当凸轮转速min /60r n =时,从动件分别作等速、等加速等减速、余弦加速度和正弦加速度四种常用运动规律的最大速度max v 、最大加速度max a 及所对应的凸轮转角。
第一章机构的组成和结构分析复习思考题1、“构件是由多个零件组成的”,“一个零件不能成为构件”的说法是否正确?构件和零件的本质区别是什么?2、“机构有确定的运动,运动链则没有确定的运动”,“机构中肯定有一个构件为机架、运动链中则没有机架”的说法是否正确?机构与运动链究竟有什么区别?3、机构方案设计中用机构运动简图,而不使用机械零、部件图和总装图,是否只是为了简便?是否也可用机械的装图来代替机构运动简图?机构运动简图着重表达机构的什么特点?4、绘制机构运动简图应注意哪些事项?5、构件自由度和机构自由度有何区别?机构自由度的计算和运动链的自由度计算有何区别?6、计算机构自由度时应注意哪些事项?7、平面机构的自由度计算公式与一般空间机构自由度计算公式有何不同?平面机构能否使用一般空间机构的自由度计算公式?8、平面机构中所有构件都具有3个公共约束,是否意味着平面运动副引入的约束都不小于3,而空间运动副引入约束都不大于3?9、组成机构的基本单元是什么?“机构由是零件组成的”,“机构是由机构组成的”,“机构是由运动链组成的”,“机构是由原动件、机架组成的”,“机构是由原动件、机架和杆组成的”这些说法是否正确?请说明理由。
机构究竟是怎么组成的?符合什么条件才能成为机构?10、对机构进行组成和机构分析的目的是什么?它们分别用于什么场合?11、如何确定机构的级别?影响机构级别变化的因素是什么?为什么?12、杆组有何特点?如何确定杆组的级别?试举例说明。
13、高副低代的目的、原则和方法是什么?14、试叙述对机构进行机构分析拆杆组的原则和步骤。
15、机构运动简图、机构示意图的区别是什么?各有什么用途?16、为什么说机构组成原理为创造新机构提供了一条途径?如何运用此理论进行机构的创新设计?第二章平面机构的运动分析复习思考题1、什么叫速度瞬心?相对速度瞬心和绝对速度瞬心有什么区别?2、什么叫三心定理?3、在进行机构运动分析时,速度瞬心法的优点及局限是什么?4、什么叫杆组法?5、利用杆组法进行机构运动分析的基本思路是什么?第三章平面连杆机构及其设计复习思考题1、什么叫连杆、连架杆、连杆机构?连杆机构适用于什么场合?不适用于什么场合?2、平面四杆机构的基本形式是什么?它有哪几种演化方法?其演化的目的何在?3、什么叫整转副、摆转副?什么叫曲柄?曲柄一定是最短构件吗?机构中有整转副的条件是什么?4、什么叫低副运动可逆性?5、什么叫连杆机构的急回特性?什么叫极位夹角?它与机构的急回特性有什么关系?6、什么叫连杆机构的压力角、传动角?四杆机构的最大压力角发生在什么位置?研究传动角的意义是什么?7、什么叫“死点”?它在什么情况下发生?与“自锁”有何本质区别?8、平面连杆机构设计的基本命题有哪些?设计方法有哪些?9、在用图解法进行机构设计时,刚化、反转的目的何在?其依据是什么?第四章凸轮机构及其设计复习思考题1、从动件的常用运动规律有哪几种?它们各有什么特点?各适用于什么场合?2、当要求凸轮机构从动件的运动没有冲击时,应选用何种运动规律?3、从动件运动规律选取的原则是什么?4、不同运动规律曲线拼接时应满足什么条件?5、在用反转法设计盘形凸轮的廓线时,应注意哪些问题?6、何谓凸轮机构的偏距圆?7、何谓凸轮的理论廓线?何谓凸轮的实际廓线?两者有何区别与联系?8、理论廓线相同而实际廓线不同的两个对心移动滚子从动件盘形凸轮机构,其从动件运动规律是否相同?9、何谓凸轮机构的压力角?若发现压力角超过许用值,可采取什么措施减小推程压力角?10、何谓运动失真?应如何避免出现运动失真现象?11、在移动滚子从动件盘形凸轮机构的设计中,采用偏置从动件的主要目的是什么?第五章齿轮机构及其设计复习思考题1、叙述齿廓啮合基本定律,这个定律是否仅仅用来确定一对相啮合齿廓的传动比?2、渐开线是如何形成的?有哪些重要性质?试列出渐开线方程式。
机械原理思考题〔2021.6.19〕〔标有*的重点掌握。
这些思考题没有涵盖课程的全部内容,希望同学们有时间全面复习。
预祝大家取得好成绩!下周一〔6月25日〕下午的复习课在2404A大教室,请大家准点到。
〕1.何谓机器?何谓机构?两者有何不同?2.何谓构件?何谓零件?有何区别?*3.什么是运动副?什么是低副?什么是高副?平面高副、低副的自由度数及约束数几何?*4.机构运动简图、机构运动示意图有何区别?给你一个机构的模型图,你能画出这两种图吗?*5.机构有确定运动的条件是什么?如将几个杆件用运动副任意联接起来是否就成为机构?*6.计算机构自由度数时应注意哪些问题?*7.如何进行高副低代?8.拆杆组时应注意哪些问题?9.两刚体互作相对运动,其重合点的速度关系如何?加速度呢?*10.作平面运动的刚体其上两点的速度关系如何?加速度呢?*11.怎样画速度图,加速度图?有什么规律?*12.在什么情况下存在哥氏加速度,如何判定其大小与方向?*13.复数矢量法求速度、加速度有什么优点?14.四杆机构最常见的型式有哪几种?连杆机构的主要优缺点是什么?15.铰链四杆机构存在曲柄的条件?在满足长度之和条件时,如何获得双曲柄机构?双摇杆机构?曲柄摇杆机构?*16.四杆机构在死点位置时传动角等于多大?试作一简图说明机构处在死点位置。
*17.当给定连杆二位置,三位置时,如何设计铰链四杆机构?18.当给定两连架杆的两相应位置,三相应位置如何设计铰链四杆机构?19.行程速比系数与极位夹角有何关系?假设行程速比系数,偏距及滑块的行程,如何设计曲柄滑块机构?*20.怎样用解析法设计四杆机构?21.凸轮机构的从动件常用的类型有几种?各有什么特点?*22.从动件常用运动规律有哪几种?各有什么特点?23.凸轮的理论廓线与实际廓线的关系如何?当理论廓线和滚子半径如何用作图法求实际廓线?如果知道实际廓线又如何用作图法求得理论廓线?*24.当实际廓线,如何求得凸轮的基园?*25.绘制偏置直动从动件的凸轮时,为什么要在偏距园的切线方向截取从动件的位移长度?*26.凸轮基园半径与压力角有何关系?27.怎样用解析法设计凸轮廓线?28.渐开线的怎样形成的?有什么性质?*29.两个渐开线齿轮,假设基节相等,试问能否正确啮合,为什么?*30.两个渐开线齿轮传动,哪三线重合?*31.节园和分度园有何区别?压力角与啮合角有何区别?*32.一对标准齿轮传动,节园和分度园是否一定重合?*33.两个渐开线齿轮假设其模数和压力角相等是否就能连续传动?两个渐开线齿轮的周节相等是否说明连续传动?*34.今有两对齿轮它们在传动时的啮合路程相等,是否说明重合度相等?*35.两齿轮的分度园半径相等,是否渐开线的形状就一定相同?36.在研究齿轮传动时,为什么要保证无侧隙啮合传动?当中心距变动系数y=0的两个标准齿轮传动是否保证了无侧隙啮合传动?为什么?*37.什么叫跟根切现象,如何防止?38.变位的作用是什么?怎样区分变位齿轮和标准齿轮?39.模数、压力角相同而齿数不同的两个齿轮其齿形是否相同?40.斜齿轮的几何尺寸如何计算?标准参数是法面还是端面?*41.斜齿轮在不同圆柱面上的螺旋角是否相同?为什么?42.斜齿轮的正确啮合条件是什么?*43.斜齿轮的当量齿数如何计算?*44.怎样的圆锥叫背锥?圆锥齿轮的当量齿数如何计算?45.蜗杆的轴面模数、压力角与蜗轮的端面模数、压力角关系如何?46.螺旋升角〔导程角〕与螺旋角是否一回事?什么叫蜗轮的直径系数?它有何意义?47.蜗轮蜗杆传动的传动比为什么不能用Z2/Z1表示?48.如何判别蜗杆传动的转向?49.怎样计算普通轮系〔即定轴轮系〕的传动比?*50.什么叫周转轮系?如何计算其传动比?*51.行星轮系与差动轮系有什么区别?如何简便第计算行星轮系的传动比?52.周转轮系中假设有圆锥齿轮传动,如何计算其传动比?*53.什么叫混合轮系?怎样区分轮系?怎样计算混合轮系的传动比?*54.行星轮系设计应满足哪四个条件?要满足这四个条件齿轮间隔齿数有何关系?55.万向联轴节的传动比一定不等于常数吗?*56.复式螺旋和差动螺旋的区别在哪里?*57.棘轮的工作原理怎样?试举两种改变棘轮转角的方法。
课后思考题解析第2章:2-1、2-3、2-11、2-12、2-13、2-162-11解: 1)2)3n =、l 4p =、h 1p =。
l h 3(2)33(241)0F n p p =-+=⨯-⨯+=,无法运动。
3)修改方案:2-12解: 1)2)7n =、l 9p =、h 2p =。
l h 3(2)37(292)1F n p p =-+=⨯-⨯+= 2-13解: 1)2)3n =、l 4p =、h 0p =。
l h 3(2)33(240)1F n p p =-+=⨯-⨯+= 2-16解:a )A 处为复合铰链。
4n =、l 5p =、h 1p =。
l h 3(2)34(251)1F n p p =-+=⨯-⨯+=b )B 、E 两处存在局部自由度, C 处移动副之一及F 处移动副之一为虚约束。
5n =、l 6p =、h 2p =。
l h 3(2)35(262)1F n p p =-+=⨯-⨯+=c )杆KL 、FG 、KF 、FC 、MJ 及其上的转动副(重复部分)为虚约束,C 处为复合铰链。
5n =、l 7p =、h 0p =。
l h 3(2)35(270)1F n p p =-+=⨯-⨯+= d )A 、B 、C 处为复合铰链。
6n =、l 7p =、h 3p =。
l h 3(2)36(273)1F n p p =-+=⨯-⨯+=第3章:3-1、3-2、3-43-4解:1)22615N K C C === 2)16P 、36P 分别在转动副A 、D 的中心上;由于齿轮节圆互作纯滚动,切点的相对速度为零,所以切点就是两啮合传动齿轮的相对瞬心12P 、23P ;由三心定理得齿轮1、3的相对瞬心13P 应在12P 与23P 连线和16P 与36P 连线的交点处,如图所示。
3)根据瞬心的定义得:131131631336P v P P P P ωω==,则:1336131316PP P P ωω= 第4章:4-7b )、4-134-7b )解:a )b )c )先作出该压力机的机构运动简图,如图b )所示。
《机构测绘、分析及设计》实验思考题参考答案
1.一个正确的“机构运动简图”应能说明哪些内容?
机构运动简图应着重表达机构各构件间的相对运动关系,应包括原动件的运动规律、机构中所有构件和运动副的类型、数目及其相对位置(即转动副的中心位置、移动副的中心线位置和高副接触点的位置),而与构件的外形、断面尺寸、组成构件的零件数目及其固联方式和运动副的具体结构无关。
因此绘制机构运动简图可以撇开构件的复杂外形和运动副的具体构造,用简单的线条和规定的符号代表构件和运动副,并按比例定出各运动副的相对位置。
2.根据所装配的曲柄滑块机构,分析此机构中曲柄存在条件是什么?连杆长度与机构传力性能之间有什么关联?
曲柄滑块机构中曲柄存在条件是:
L AB +e<=L
BC
连杆长度越长则机构传力性能越好,因为连杆越长则压力角越小。
3.牛头刨六杆机构中滑杆的行程长度如何调整?调整曲柄长度
4.曲柄滑块机构、曲柄摇块机构、摆动导杆机构之间的演化关系如何?举例说明机构演化的方法有哪些?
铰链四杆机构可以通过四种方式演化出其它形式的四杆机构。
即①取不同构件为机架;②转动副变移动副;③杆状构件与块状构件互换;④销钉扩大。
曲柄滑块机构曲柄摇块机构摆动导杆机构
曲柄滑块机构、曲柄摇块机构、摆动导杆机构之间通过取不同构件为机架来演化。
对心曲柄滑块机构偏心轮滑块机构
牛头刨六杆机构正弦机
构曲柄摇杆机构
《平面机构特性分析》实验思考题参考答案
1、铰链四杆机构(L1=50 mm,L2=100 mm,L3=80 mm)中,通过改变机架长度可得到何种机构?
设四杆机构中机架L4<=50,L4=L min,则由曲柄存在条件:最短杆与最长杆的长度之和必须小于或等于其余二杆的长度之和(L max+L min<=L2+L3)可得:
100+L4<=50+80 即0<L4<=30时为双曲柄机构
而30<L4<=50时为双摇杆机构
设四杆机构中机架50<L4<100,L4既不L max也不L min,则由曲柄存在条件:最短杆与最长杆的长度之和必须小于或等于其余二杆的长度之和
(L max+L min<=L4+L3)可得:
100+50<= L4+80 即70<=L4<100时为曲柄摇杆机构
而50<L4<70时为双摇杆机构
设四杆机构中机架L4>=100,L4=L max,则由曲柄存在条件:最短杆与最长杆的长度之和必须小于或等于其余二杆的长度之和(L max+L min<=L2+L3)可得:
L4+50<=100+80 即100<=L4<=130时为曲柄摇杆机构
而130<L4<230(50+100+80)时为双摇杆机构则0<L4<=30时为双曲柄机构; 30<L4<70,130<L4<230时为双摇杆机构; 70<=L4<=130时为曲柄摇杆机构
2、如何用传动角γ来判断传力性能的优劣?
压力角是点C的受力方向与其速度方向间所夹的锐角,传动角是压力角的余角。
显然,传动角愈大,有效分力愈大,机构的传力性能愈佳。
所以在连杆机构中,常用传动角的大小来表示机构的传力性能。
3、指出死点在工程上的利弊。
机构处于死点时,其从动件将出现卡死或发生运动不确定现象。
如缝纫机踏板机构就是以摇杆为主动件的曲柄摇杆机构,当我们踏缝纫机时,有时就会出现这种现象。
为了使机构能通过死点而继续运动,可以利用飞轮的惯性,或采用相同机构错位排列等办法实现。
有时,工程上也常利用机构的死点来实现某些工作要求。
如夹具中,利用死点使夹具工作时不会自动松开,就确保了夹具的有效夹紧作用。
4、一对齿轮啮合传动的正确啮合条件是什么?一对齿轮啮合传动的无侧隙啮合条件是什么?一对齿轮啮合传动的连续传动条件是什么?
一对渐开线齿轮正确啮合的条件是:两轮的模数和压力角应分别相等。
一对齿轮啮合传动的无侧隙啮合条件是一轮节圆上的齿厚与另一轮节圆上的齿槽宽相等.
齿轮连续传动的条件为:
5、实际中心距增大时,齿轮传动的重合度是怎样变化的?
实际中心距增大时,齿轮传动的重合度会减小
极位夹角
压力角与传动角(最小传动角γmin总是出现在图示的两虚线位置(即其曲柄与机架的两个共线位置)之一处,所以只要比较这两个位置时的两个传动角,取其小者,就是曲柄摇杆机构的最小传动角γmin。
)
死点(其压力角为90,而传动角为零)
以摇杆CD为原动件,死点位置为AB1C1D,AB2C2D。
以曲柄AB为原动件,无死点。
一对渐开线齿轮啮合的情况
《机械创新设计》实验思考题参考答案
1)下图所示是什么儿童玩具?或者给它取个名称。
答:方球
2)下图所示是什么东西?估计它能干些什么?
答:虚拟轴镗铣床(并联机床)
3)下图所示的东西能够做出来吗?为什么?
答:可以用铁丝制作
4)下图所示的两种设计方案,你认为哪种方案较好?为什么?
答:方案b较好,因为不产生横向推力,确保挺杆不卡死
5)下图所示能看得见的小立方体有多少个?
答:有几个方案,如考虑透明的小空气立方体,换个角度又是另外的答案
6)一种需要的产生,将自然会引申出其他需要(派生的需要)的出现。
试从对
高层住宅的需要出发,提出几种因派生需要而形成的新产品概念(如下图所示)?
7)下图所示这种用燕尾槽连接的东西能够做出来吗?为什么?
答:可以,两燕尾槽平行沿450方向刨制
8)观察下图所示的容易装、拆吊钩结构,思考它们在设计时可能移植了什么技术?
答:可能移植了弹簧技术
9)将下图所示的图形1、2、3组合后,会形成A、B、C中的哪一种?
答:A
10)试分析下图所示的螺钉结构具有什么特点?
答:它们是螺纹与丝锥或螺纹与钻头进行组合的自攻螺钉
11)怎样用直尺量出下图所示实心立方体的对顶角间的长度AB?
答:可以将立方体右移一个位置再测量左边等量空气立方体对角线尺寸12)在印刷过程中,将纸张分离可采用下图所示切向力、摩擦力和离心力
分纸外,还可以采用哪些分纸原理?
13)在下图所示标有字母的积木中哪一块与左上角那块积木相同?
答:E
14)下图3-13—14所示手机面板设计,采用了三角形按键,试分析这种新
设计有什么特点?
答:可以减少按键在面板上占用的面积,使手机体积更小
※《机构运动参数与机构动平衡综合》实验思考题参考答案
1、测试机构运动参数系统的基本硬件组成有哪几大类?
答:机构运动参数测定与机构动平衡综合实验系统由四大部分组成,第一部分为被测对象:机构;第二部分:传感器及其中间变换器:第三部分;信号自动采集和处理系统;第四部分,计算机。
任何物理量的测量装置, 往往由许多功能不同的器件所组成。
在测量技术中,首先经传感器将机构运动参数(非电量)变换成便于检测、传输或计算处理的电参量(电阻、电荷、电势等)后,送进中间变换器,中间变换器把这些电参量进一步变成易于测量或显示的电流或电压(通称电信号)等,使电信号成为一些合于需要又便于记录和显示的信号,并最后被计算
机记录、分析、显示出来,供测量者使用。
2、.试叙述测试机构运动参数的一般工作程序。
答:测试机构运动参数的一般工作程序是:1.根据被测物理量,准确的进行测试系统的连接(传感器——中间变换器——采集器——电脑)。
2. 使用信号采集和分析的专业软件,并正确设置参数。
3.打开被测机构电源,使机构运转起来,进行运动参数测试。
4.分析运动参数曲线图。
3、从你的试验结果中,获取到了哪些信息?你是如何利用所得数据对机构运动特性及机构动力特性进行分析的?
答:从试验结果中,可获取到了以下信息:曲柄转速、摇杆角位移(滑块直线位移)、未平衡时的振动加速度、部分平衡时的振动加速度、以及增加滑块质量时的振动加速度。
通过实测得到的这些参数可以用来验证理论设计是否正确或合理, 也可以用来检测机构的实际运动情况。
另外,通过测量、比较、分析不同情况下机构中具有弹性支撑的机架在水平方向振动加速度的大小,定性地了解机构惯性力对机架的平衡情况,以判断机构动态特性的优劣。