28.3缓冲材料性能解析
- 格式:ppt
- 大小:1.92 MB
- 文档页数:28
合成橡胶工业简介兰州寰球工程公司目 录1.橡胶概述 2.丁苯橡胶 3.丁腈橡胶 4.丁基橡胶 5 异戊橡胶 5. 6 顺丁橡胶 6. 7.乙丙橡胶兰州寰球工程公司橡胶的分类按来源分类天然橡胶合成橡胶天然橡胶树、 虫胶、 琥珀等由单体合成或 天然高聚物改 性获得兰州寰球工程公司天然橡胶天然 橡胶是从天然植物中采集出来的一种高弹性材料, 经采集、凝聚、洗涤、干燥等过程即得。
制造各种轮胎以及工业橡胶制品,如胶管、胶带和工 业用橡胶杂品;日常生活用品如胶鞋、雨衣以及医疗卫生 用品等 用品等。
兰州寰球工程公司合成橡胶合成橡胶与天然橡胶相比,具有高弹性,绝缘性、耐油和耐高温等性能,因 而广泛应用于工农业、国防、交通及日常生活中。
兰州寰球工程公司橡胶的分类橡胶 天然橡胶(NR) 合成橡胶(SR) 热塑性弹性体(TPE) 苯乙烯类 SBS、SIS、SEBS、SEPS 烯烃类(TPO、TPV)通用橡胶特种橡胶顺丁橡胶(BR)硅橡胶(SI或Q)丁苯橡胶(SBR)氟橡胶(FPM)双烯类(TPB、TPI)丁睛橡胶(NBR)聚氨酯橡胶(EU或AU)氯乙烯类(TPVC、TCPE)氯丁橡胶(CR)丙烯酸酯橡胶(ACM或AEM)乙丙橡胶(EPDM)氯醚橡胶(CO或ECO)丁基橡胶(IIR)异戊橡胶(IR)兰州寰球工程公司主要的合成橡胶 要的合成橡胶合成橡胶(SR):合成橡胶是由人工合成方法而制得的,各种轮胎及一般工 业橡胶制品。
业橡胶制品 顺丁橡胶是丁二烯的聚合物。
丁苯橡胶是丁二烯和苯乙烯的聚合物。
丁腈橡胶是丁二烯和丙烯晴的聚合物。
丁基橡胶是异丁烯和少量异戊二烯的聚合物。
异戊橡胶是异戊二烯的聚合物。
异戊橡胶是异戊二烯的聚合物 乙丙橡胶是乙烯和丙烯的聚合物。
氯丁橡胶是氯丁二烯的聚合物。
兰州寰球工程公司合成橡胶橡胶装置特点流程复杂(100PID张左右)、辅助原料多、工艺设备多( 500 1000台套) 投资大(3 15亿元) 500-1000台套)、投资大(3-15亿元) 2012年我国轮胎产量4.8亿条,目前国外正在布局中国轮胎基地。
高一理综寒假作业答案高一理综寒假作业答案理科综合试题,简称“理综”,指的是在高考中,物理、化学、生物三科的合卷。
下面店铺收集整理了高一理综寒假作业答案,供大家。
一、物理第一章运动的描述练习(一)1.C2.B3.B、D4.A、D5.A6.CD7.C8.D 9.CD10.(1)6m,X负方向 (2)4m,X正方向11.匀速,5,匀加速,1012.电磁,电火花,4~6,22013.1.5m/s2 , 0, -3m/s214.解:(1)略(2) A1=2 (3)略(4)A2=-2第一章运动的描述练习(二)1.AD2.C3.BCD4.AD5.BD6.CD7.ABC8.BD9.CD 10.3m/s11.解:(1)位移X=28.3CM 方向由A点指向B点路程 L=94.2CM(2)平均速度 V=14.2CM/S 方向由A 到B 平均速率 V=47.1CM/S12.解:(1)初速度V0=20M/S (2)经5S汽车停下来(3)A=V-V0/T=0-20/5=-4第二章匀变速直线运动的研究练习(一)1.C2.B3.B4.B5.BC6.B7.ABC8.B9.6,4.5 10.1.5,300 11. 3.2 12.180,20,60,100 13.2,114.解:t=3s第4s初的速度为v3 =v0+at=2+0.1×3=2.3s=v0t+1/2at2s=2.3×3+1/2×0.1×32=7.35mv=s/t=7.35/3=2.45m/s第二章匀变速直线运动的研究练习(二)1.A2.ACD3.C4.B5.B6.D7.C8.C9.A 10.(24 -3 8) 11.2:5,9:25,5:912.0.375m/s 0.625 m/s 2.5 m/s213.V0=16.7m/s≈60km/h> 40km/h所以汽车违章14.解:0—5s:s1 =vt=5×(0+4)/2=10m5s—25s:s2 =4×20=80m25s—29s:s3 =4×(0+4)/2=8ms=s1+s2+s3=98m第一、二章综合练习1.AB2. D3.A4.AB5.B6.A、D7.CD8.BD9.12,6,72 10.1:3 11. -2.5 m/s2 21 m/s 1 m/s12.(0.8m/s 0.8 m/s2 1.2m 1.6m)第三章相互作用练习(一)1.重力,60 N或58.8,竖直向下,地球2. B3. C4. AD5.D6. AD7.D8.BCD9.0,3 N 10.70 N, 100 N11.O点位置拉力的方向弹簧秤的读数 O点位置拉力的方向弹簧秤的读数细线的方向与木板平行第三章相互作用练习(二)1.A2.C3.BD4.ABC5.AD6.A7.24cm8. 最大,70N,最小,10N,F2方向一致,50N9.T/m+g 10. 2N,0 11. 50( 根号3-1)N,25(根号6 - 根号2)N12.tgθ=u第四章牛顿运动定律练习(一)1. D2. C3. D4. D5. ABD6. 没有平衡摩擦力;将木板一端抬起成斜面,使小车在没有挂小盘时轻推一下刚好能作匀速运动7.不能判断是否作匀速直线运动;能判断是否做加速运动和加速度方向8.过原点直线线,a与F成正比9.不对,砝码和砝码盘也在做加速运动,绳拉力小于砝码和砝码盘重力,应该为 M/M+m (mg)(m为砝码和砝码盘质量,M为小车质量)10. 3∶5 6∶5第四章牛顿运动定律练习(二)1. B2.B3.A4.C5.D6.BD7.A8.CD9.15m10.Mmg/M+m第三、四章综合练习(一)1.BD2.B3.B4.B5.BD6.A7.BD8.100kg9.物体,地面10. (1)略 (2)a与m不是线性关系;a与m成反比关系 (3)1.6N11.设加速度恰为a0时,N0=0 绳与斜面平行;则:mgctg =ma0; a0=ctg =13.3m/s2因为a> a0 所以球离开斜面则N=0绳子拉力为:T2=(mg) 2+(ma) 2(2代表方); T=1.8牛第三、四章综合练习(二)1.C2.CD3.AC4.B5.D6. 2N, 与F2方向相同7. 40N8. 0,4,809. 100m10.FN2=M1F2+M2F1/M1=M2 FN2= M1F2+M2F1/M1+M211.电梯先加速下降4.5m,再匀速下降24m,最后减速下降3m,共下降了31.5m全册综合练习一1.B2.BCD3.ABC4.A5.B6.B7.C8.AD9.CD10.BC 11.B 12.AC 13 .CD 14.AC 15. D 16.D 17. 6,0.218.3∶421.0.1 222.2 m/s2 0.1 23. 60kg 5 m/s2 24. 16.25m全册综合练习二1.B2.B3.D4.C5.CD6. C7. 0.28.1s9.-2m/s2, 25m 10.1.58m/s2 11.C12.AB段的平均速度V1=VA+VB/2=VB/2 BC段的平均速度V2=VB+VC/2=VC/2v1=v2 由x=vt及t1+t2=10s得t1=4s t2=6s由X=1/2AT方得 A1=1/2 A2=-1/3全册综合练习三1.C2.DBGCEAF3.AC4.A5.B6.D7. ① ④ ⑤ ⑥ ⑦ ⑨,低压交流电源、刻度尺 8. g/u9.(1)VT=0 V0=VT=6 0-V0方=2as a=1.5F=MA=20*-1.5=30(2)v0=0匀加速 t=8s vt=6m/s vt=at→a=0.75(m/s2)F-f=ma→F=ma+f=15+30=45(N)10. 解:(1)向上拉木箱时,由物体的平衡条件有:F1cos30°—μ(mg—F1sin30°)=0 代入数据解得:F1=240/(根号3 /2+0.4/2)=225.1N(2)向下推木箱时,由物体的平衡条件有:F2cos30°—μ(mg+F2sin30°)=0 代入数据解得:F2=360N11. 解:(1)设汽车的加速度为a1,由牛顿第二定律F1-F2=ma1 a1=4m/s2 方向向右(2)由于两根轻弹簧是相同的,当传感在A的示数为零时,则FB =20N设汽车的加速度为a2,则 FB=ma2汽车加速度a2=10m/s2 方向向左即汽车加速度向左、大小为10m/s2时会感器A的示数为零二、生物寒假作业(一)答案1.D【解析】试题分析:病毒只能寄生在活细胞中,培养病毒应该用活细胞的培养基,A错误;染色体的组成成分是蛋白质和DNA,病毒的组成为DNA和蛋白质或者RNA和蛋白质,B错误;病毒不属于生命系统的结构层次,细胞是最基本的生命系统,C错误;SARS的遗传物质是RNA,D正确。
化工进展Chemical Industry and Engineering Progress2022年第41卷第2期PVA-g -mPEG 接枝聚合物的制备及其防药物滥用性能杨璐1,李效文1,2,李凤和2,姚日生1(1合肥工业大学食品与生物工程学院,安徽合肥230009;2安徽安生生物化工科技有限责任公司,安徽合肥230002)摘要:阿片类药物的滥用问题日益严重,目前防滥用制剂局限在以往已有的技术,在开发新材料方向却少有报道,为此本文通过分子设计提出以接枝改性的方法制备一种具有防滥用性能的新型PVA-g -mPEG 接枝聚合物。
以聚乙烯醇(PVA )、单甲氧基聚乙二醇(mPEG )和环氧氯丙烷(ECH )为原料,采用两步反应合成法制备聚乙烯醇/单甲氧基聚乙二醇的接枝聚合物(PVA-g -mPEG ),研究了反应温度对接枝率的影响。
通过傅里叶红外光谱、核磁共振氢谱、差示扫描量热法以及X 射线衍射法对产物进行表征。
另外,以盐酸二甲双胍为模型药物,制备了接枝聚合物骨架片,考察了材料的防滥用性能。
结果表明:随着接枝率的升高(43.44%,81.23%,120.48%),在水中20min 时分别有28.3%、20.8%和12.9%的药物被提取,表明接枝聚合物具有一定的防滥用效果,对开发新的防滥用药的药用辅料具有较好的指导作用。
关键词:聚合物;化学反应;制备;接枝;防滥用中图分类号:O633.1文献标志码:A文章编号:1000-6613(2022)02-0930-08Preparation and anti-drug abuse performance of PVA-g -mPEG graftpolymerYANG Lu 1,LI Xiaowen 1,2,LI Fenghe 2,YAO Risheng 1(1School of Food and Biological Engineering,Hefei University of Technology,Hefei 230009,Anhui,China;2Anhui AnsonBiochemical Technology Company Limited,Hefei 230002,Anhui,China)Abstract:The abuse of opioids is becoming more and more serious.The abuse deterrent formulations are limited to the existing technologies,but there are few reports on the development of new materials at present.Therefore,a novel PVA-g -mPEG graft polymer with anti-abuse performance was prepared by grafting modification through molecular design.Polyvinyl alcohol/mono-methoxypolyethylene glycol graft polymer (PVA-g -mPEG)was prepared with polyvinyl alcohol (PVA),mono-methoxypolyethylene glycol (mPEG)and epichlorohydrin (ECH)by a two-step reaction method.The effect of reaction temperature on the grafting rate was studied.The graft polymer was characterized by FTIR,1H NMR,DSC and XRD.In addition,using metformin hydrochloride as model drug,the graft polymer matrix tablets were prepared,and the anti-abuse performance of the materials was investigated.The results showed that with the increase of grafting ratio (43.44%,81.23%,120.48%),28.3%,20.8%and 12.9%of drugs were extracted from water in 20min,respectively,which indicates that the graft polymer had a certain anti-abuse effect and good guiding effect on the development of new anti-abuse pharmaceutic adjuvant materials.Keywords:polymers;chemical reaction;preparation;graft;anti-abuse研究开发DOI :10.16085/j.issn.1000-6613.2021-0474收稿日期:2021-03-10;修改稿日期:2021-04-19。
泡沫材料的力学性能研究作为一种常见的轻质材料,泡沫材料具有良好的隔热性和吸能能力,被广泛应用于建筑、交通工具和电子设备等领域。
然而,对于泡沫材料的力学性能研究并不充分,这限制了其进一步的应用。
因此,研究者们开始着手探究泡沫材料的力学性能,以期能够深入了解其性质,从而改进工程应用,并指导设备设计。
首先,泡沫材料的强度是力学性能研究的一个重要方面。
强度主要包括拉伸强度和压缩强度两个方面。
拉伸强度是指材料在承受拉伸力下所能承受的最大应力。
研究表明,泡沫材料的拉伸强度与其泡沫结构有着密切关系。
泡沫结构的均匀性和孔隙度等因素都会影响材料的强度。
此外,泡沫材料的压缩强度也引人关注。
压缩强度是材料在承受压缩力时所能承受的最大应力。
研究表明,泡沫材料的压缩强度与材料的密度和孔隙数密切相关。
因此,通过对泡沫材料的强度进行研究,可以为工程应用提供指导和改进的方向。
其次,疲劳寿命是另一个需要关注的力学性能。
疲劳寿命是指材料在反复加载下能够保持足够强度的次数。
泡沫材料作为轻质材料,其疲劳寿命相对较短,承受颠簸和振动后容易疲劳破裂。
因此,研究者们通过改变泡沫材料的结构和物理性质,以提高其疲劳寿命。
例如,增加泡沫材料的孔隙度和减小孔隙的尺寸,可以有效减轻材料的疲劳损伤,延长其使用寿命。
此外,添加纤维增强剂等方法也被应用于提升泡沫材料的抗疲劳能力。
因此,疲劳寿命的研究对于泡沫材料的工程应用是至关重要的。
最后,泡沫材料的热稳定性也是力学性能研究的一部分。
泡沫材料的热稳定性主要包括其熔点和热膨胀系数等参数。
研究表明,泡沫材料的熔点与其化学成分和泡沫结构有关。
一些泡沫材料在高温下容易软化和分解,从而影响材料的力学性能。
因此,通过改变材料的配方和加工工艺,可以提高材料的热稳定性。
此外,研究泡沫材料的热膨胀系数也对其工程应用具有指导意义。
热膨胀系数是指材料在温度变化下体积的变化程度。
通过研究泡沫材料的热膨胀系数,可以避免由于温度变化而引起的尺寸变化,从而提高材料的使用性能。
实验室常用技术参数资料一、核酸及蛋白质常用数据1.核苷三磷酸的物理常数2.常用核酸的长度与分子量3.常用核酸蛋白换算数据(1)重量换算1μg=10-6g1pg=10-12g1ng=10-9g 1fg=10-15g(2)分光光度换算:1A260双链DNA=50μg/ml1A260单链DNA=30μg/ml1A260单链RNA=40μg/ml(3)DNA摩尔换算:1μg 100bp DNA=1.52pmol=3.03pmol末端1μg pBR322 DNA=0.36pmol1pmol 1000bp DNA=0.66μg1pmol pBR322=2.8μg1kb双链DNA(钠盐)=6.6×105道尔顿1kb单链DNA(钠盐)=3.3×105道尔顿1kb单链RNA(钠盐)=3.4×105道尔顿(4)蛋白摩尔换算:100pmol分子量100,000蛋白质=10μg100pmol分子量50,000蛋白质=5μg100pmol分子量10,000蛋白质=1μg氨基酸的平均分子量=126.7道尔顿(5)蛋白质/DNA换算:1kb DNA=333 个氨基酸编码容量=3.7×104MW蛋白质10,000MW蛋白质=270bp DNA30,000MW蛋白质=810bp DNA50,000MW蛋白质=1.35kb100,000MW蛋白质=2.7kb DNA4.常用蛋白质分子量标准参照物5.常用DNA分子量标准参照物续上表二、常用缓冲液1.分子克隆常用缓冲液2.磷酸缓冲液(1)25℃下0.1mol/L磷酸钾缓冲液的配制※(2)25℃下0.1mol/L磷酸钠缓冲液的配制※※:用蒸馏水将混合的两种1mol/L贮存液稀释至1000ml,根据Henderson-Hasselbalch方程计算其pH 值:pH=pK’+1g([质子受体]/[质子供体])在此,pK’=6.86(25℃)。
3.电泳缓冲液测序凝胶加样缓冲液98%去离子甲酰胺10mol/L EDTA(pH8.0)0.025%二甲苯青FF0.025%溴酚蓝甲酰胺:许多批号的试剂级甲酰胺,其纯度符合使用要求,无须再进行处理。
宁夏某牧场奶牛生产性能测定数据的分析与应用张志登;敬盈嘉;杨玉东;刘敏;脱征军;温万;王玲【摘要】奶牛生产性能测定(DHI)在现代奶牛场的生产管理中具有重大意义.准确、全面解读DHI报告在解决奶牛场实际问题以及牛群改良中扮演着重要角色.对宁夏某规模化奶牛场荷斯坦奶牛群2017年10月至2018年9月DHI相关指标进行了分析,同时针对出现的问题提出了相应的改进措施,以期使DHI报告在奶牛场的实际生产中发挥重要作用.【期刊名称】《安徽农业科学》【年(卷),期】2019(047)012【总页数】4页(P108-110,122)【关键词】生产性能测定(DHI);荷斯坦奶牛;测定数据【作者】张志登;敬盈嘉;杨玉东;刘敏;脱征军;温万;王玲【作者单位】宁夏大学农学院,宁夏银川750021;宁夏大学农学院,宁夏银川750021;宁夏农垦贺兰山奶业有限公司,宁夏银川750024;宁夏农垦贺兰山奶业有限公司,宁夏银川750024;宁夏回族自治区畜牧工作站,宁夏银川750200;宁夏回族自治区畜牧工作站,宁夏银川750200;宁夏大学农学院,宁夏银川750021【正文语种】中文【中图分类】S823.9+1奶牛生产性能测定(dairy herd improvement,DHI),又被称为奶牛群遗传改良,是一套完整的生产记录和管理体系,主要是针对个体牛的生产性能测定,用来指导牛场的管理和育种工作[1-2],在提高奶牛产奶量、改善牛奶品质、预防乳房炎发生、指导牧场生产管理方面取得了明显的效果[3]。
DHI报告是根据奶牛的生理、生产规律将奶牛的生产性能、繁殖和身体健康状况等参数进行量化分析,客观、真实反映牧场的饲养管理状况,是科学化管理牛场的依据[4]。
笔者对2017年10月至2018年9月宁夏某规模化奶牛场荷斯坦奶牛群DHI相关指标进行了分析,同时针对存在的问题提出了改进措施,以期使DHI报告在奶牛场的实际生产中发挥重要作用。
高庙子膨润土的水理性能摘要:缓冲-回填材料是高放废物地质处置库多重屏障系统重要组成部分,经过全国范围内的比较和筛选,内蒙古兴河县高庙子膨润土矿床被确定为我国高放废物处置库缓冲材料的首选矿床。
针对缓冲回填材料的性能要求,对内蒙古高庙子膨润土的水理性质进行了系统的实验研究。
通过与其它各地的膨润土的水理性能比较,内蒙古高庙子膨润土在水中具有良好的膨胀性、分散性和水化能力。
关键字:高能废物;地质处置库;缓冲回填材料;水理性能1 前言高放废物的安全处置是一个世界性的科学与技术难题, 是一个与核安全同等重要的问题, 也是关系到我国国防军工和核能工业可持续发展、国土环境和公众安全的重要而紧迫的重大课题。
当前, 我国已经开展了高放废物地质处置选址和场址评价、处置工程和工程材料等重大科学问题的研究。
图1 高放废物深地质处置库多重屏障系统示意图1.1高庙子钠基膨润土的物质组成蒙脱石是TOT型二八面体层状结构硅酸盐矿物,结构层为两层硅氧四面体片夹一层Al-O(OH)八面体片配合而成。
硅氧四面体片和八面体片的厚度均为0.22 nm士,所构成的结构层约0.66nm士(图1)。
层间域与水化阳离子层的厚度约0.60 nm士(钠蒙脱石)和0.8 9n m 士(钙蒙脱石)。
每一结蒙脱石是 TOT型二八面体层状结构硅酸盐矿物,结构层为两层硅氧四面体片夹一层Al-O(OH)八面体片配合而成。
硅氧四面体片和八面体片的厚度均为0.22 n m 士,所构成的结构层约0.66构层与层间域(含水化阳离子层)构成一重复周期,这一重复周期即为蒙脱石的结构单元层(图2),厚度为1.25 nm(钠蒙脱石)~l.5 nm(钙蒙脱石)。
结构层内为共价键与离子键联结,结构联结紧密,结构层之间为弱的离子键和氢键相联结。
结构层间具有可交换的水化阳离子层,其中的水分子可被其他与水分子类似的极性分子如有机极性分子所交换,而阳离子可被无机或有机阳离子所交换。
因而蒙脱石可通过钠化及有机化处理达到使蒙脱石结构分散剥离的目的。
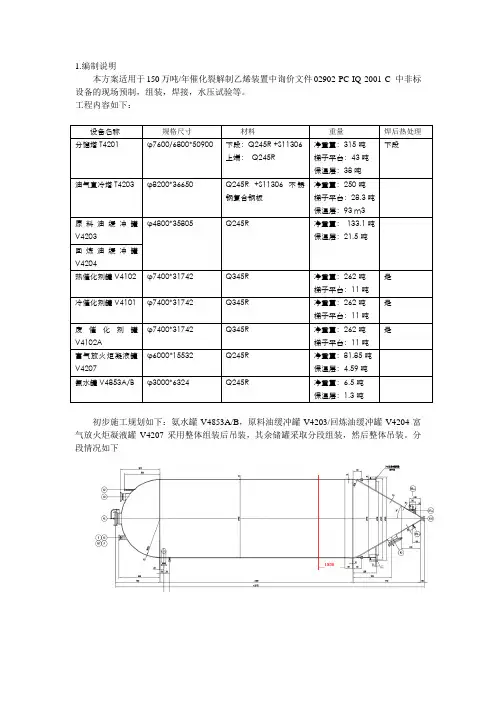
1.编制说明本方案适用于150万吨/年催化裂解制乙烯装置中询价文件02902-PC-IQ-2001-C 中非标设备的现场预制,组装,焊接,水压试验等。
工程内容如下:初步施工规划如下:氨水罐V4853A/B,原料油缓冲罐V4203/回炼油缓冲罐V4204富气放火炬凝液罐V4207采用整体组装后吊装,其余储罐采取分段组装,然后整体吊装。
分段情况如下V4101,V4102,V4102A分段图T4201分段图T4203分段图V4203,V4204 分段图2.编制依据GB150-1998 《钢制压力容器》JB4730-2005 《压力容器无损检测》JB/T4709-2000 《钢制压力容器焊接工艺规程》JB4710-2005 《钢制塔式容器》JB/T4735-97 《钢制焊接常压容器》HGJ209-83 《中低压化工设备施工及验收规范》3.施工准备1 施工技术准备施工技术人员应根据设计图样、有关法规和标准及现场条件编制施工方案。
压力容器,在现场安装组焊前必须到当地特种设备安全监督管理部门办理告知手续施工前应进行技术交底,明确任务的特点、施工进度、施工方法、技术要求、质量标准以及安全措施。
2 施工现场准备1 施工现场应按施工平面图进行布置水、电等, 场地平整、道路畅通。
组焊平台和施工机具应按规定位置就位。
2 计量器具应在周检期内。
3 工卡具及样板应合格。
4 现场的消防器材、安全设施应符合要求,并经安全监督部门验收通过。
4.主要施工程序和施工方法、技术措施4.1 主要施工程序4.2 施工方法及技术措施4.2.1 材料验收制造压力容器用材料必须提供质量证明书,质量证明书的内容必须填写齐全,并经生产单位质检部门盖章确认,材料生产单位应按相应标准规定,在材料的指定部位或其它明显的部位作出清晰的标志,使用前应根据质量证明书与材料上的标记核对其炉批号和材料牌号,认真检查材料的表面质量。
根据使用上的要求,对钢板进行外观及超声波探伤检查,并抽查钢板的化学成分、硬度及力学性能等。
水轮发电机组设备出厂检验一般规定DL443—911991-10-28发布1992-04-01实施中华人民共和国能源部发布1总则1.1本办法主要适用于额定容量为10~300MW的混流式和轴流式水轮发电机组及其附属设备的制造质量的出厂检验,额定容量大于或小于此范围的或其他型式的水轮发电机组及附属设备可参照执行。
产品型式试验的出厂验收办法供需双方可另行商定。
1.2制造质量检验的依据1.2.1经济合同及其所附的产品技术规范书和在合同中指定的专业标准。
1.2.2有关水轮机、水轮发电机及其附属设备的国家标准。
1.2.3制造厂的设计文件、制造图纸。
1.2.4其他双方认可的有关标准。
1.3出厂检验机构由用户驻制造厂监造代表组或临时检验小组作为机组出厂的检验机构。
1.4检验机构的职责1.4.1对合同产品的制造质量实行全面监督。
1.4.2参与或了解重要部件的原材料、铸锻件的材质检验和元器件的筛选检验。
1.4.3了解重要部件的加工、焊接和热处理工艺以及保证质量的措施,并参与质量检查和签证。
1.4.4参与产品主要部件的试验与装配,如电气试验、水压试验、油压试验、联动试验、总装试验和出厂试验等,并对试验结果进行签证。
1.4.5了解产品的设计修改和质量问题的处理情况。
1.4.6了解和检查产品的除锈、油漆和包装发运。
1.4.7需要签证的项目,要及时通知监造代表。
如在完工前未通知监造代表,监造代表有权要求复检或复试。
监造代表审阅检查记录有怀疑时,有权对产品进行抽查,制造厂应主动提供方便和配合。
若制造厂已事先通知监造代表,而监造代表未参加,制造厂不停产等侯,事后一般不重检或重试。
1.5制造厂职责1.5.1向监造代表介绍产品计划安排,重要部件的加工焊接工艺、检验方法和保证质量的措施、设计改进和质量问题的处理情况。
1.5.2在进行1.4.4条主要部件的试验与装配前,通知监造代表参加。
1.5.3提出产品主要部件的加工检验标准和检查试验记录。
JESD204B协议解析
在使用最新模数转换器(ADC)和数模转换器(DAC)设计系统时,我已知道了很多有关JESD204B 接口标准的信息,这些器件使用该协议与FPGA 通信。
有一个没有深入讨论的主题就是解决ADC 至FPGA 和FPGA 至DAC 链路问题的协议部分,这两种链路本来就是相同的TX 至RX 系统。
作为一名应用工程师,所需要的就是了解其中的细微差别,这样才能充分利用
JESD204B 通过现有LVDS 和CMOS 接口提供的优势。
有了JESD204B,无需再:
●使用数据接口时钟(嵌入在比特流中)
●担心信道偏移(信道对齐可修复该问题)
●使用大量I/O(高速串行解串器实现高吞吐量)
●担心用于同步多种IC 的复杂方法(子类1 和2)
我们来考虑一种由ADC 等数字源向FPGA 发送数字数据的简单情况。
在正确发送或接收数据之前,有几件事必须要做,如图1 所示以及下文所说明的那样。
图1 JESD204B 协议状态图
1. 代码组同步(CGS)- 不需要接口时钟,因此RX 必须将其数位及字边界与TX 串行输出对齐。
RX 可向TX 发送SYNC 请求,让其通过所有信道发送一个已知的重复比特序列,本例中每字符每K 是K28.5。
确切的字符比特序列可在标准中找到。
RX 将移动每个信道上的比特数据,直到找到4 个连续的K28.5 字符为止。
这时,它不仅将知道比特及字边界,而且已经实现了CGS。
随后,它会取消对SYNC 的断言,而TX 和RX 则都会进入下一个状态:。
一、FFH-1消防员普通防护服消防员普通防护服采用先进的阻燃布料制成,是消防队员在进行灭火战斗时保护自身而通常穿着的一种防护服,它具有阻燃、防水、抗热辐射功能,结构设计合理,颜色鲜明,适应火场条件。
1.结构型式:仿猎装式,由上衣、裤子组成,黄绿色,设有反光标志色带;2.阻燃性能:试验损毁长度≤12㎝,续燃时间≤2s,阴燃时间≤10s;3.机械性能:撕破强力≥32N;断裂强力≥450N;4.抗辐射热渗透性能:内表面温升≤15℃;5.抗渗水性能:耐静水压≥4000Pa;6.接缝断裂强力≥360N;7.维护保养:通风,干燥贮存,不宜接触明火,可用温水擦洗,晾干。
二、FZD-197消防战斗服97消防战斗服是消防队员在进行灭火战斗中穿着的最基本的新一代多功能防护服,是在原普通防护服基础上,对防水和透气性能作了进一步改进,采用新型布料研制而成。
具有阻燃、隔热、热防护、透气等多种防护功能。
款式新颖,结构合理,反光标志明显,已作为消防部队统一制式的防护服。
1.结构型式:分体式(多层结构),由上衣和裤子组成,设有反光标志带,能在其360度方位均能看见。
2.阻燃性能:试验损毁长度≤10㎝,续燃时间≤2s;3.机械性能:撕破强力≥100N,断裂强力≥450N;4.抗湿性能:沾水等级不低于3级;5.热稳定性能:收缩率≤3%;6.耐静水压>17000Pa;7.透气性能:透气量>2000g/㎡d;8.组合材料TPP值≥28cal/c㎡。
9.维护保养:该服装穿着在一般火灾状态进行灭火战斗,应避免与明火和熔化金属直接接触,外罩可水洗,漂净晾干,干燥存放,不宜与有腐蚀性气体接触。
三、FBH-1消防避火服(Q/321203CXA005-2004)消防避火服是消防员进入火场内扑救恶性火灾和抢险救援时穿着的防护服,是消防员特种防护装备之一。
该产品具有良好的耐火焰、隔热性能,并具有材质轻、柔软性佳等优点,该服装不仅适用于火焰区抢险战斗,亦可用于玻璃、水泥、陶瓷等行业高温抢修时穿着,用途广泛。
三种原理苦参结肠靶向微丸在大鼠体内转运及释药性能的对比研究谢兴亮;韩丽;杨明【摘要】Objective To investigate the conveying and drug release in vivo of three different principal kinds of colon target pellets of Sophora flavescens in rats: pH-triggered-single-layer (I), pH-triggered-double-layer (II), pH-triggered and enzyme-triggering combination (III), and select the best scheme, and the best scheme will be selected.Methods The SD rats were randomly divided into four groups: the pellet core, colon target pellets I, II and III, three rats per time point each group. The four kinds of pellets were administered by stomach cannula. The rats were respectively killed and stomach, small intestine and colon tisses were harvested at 0.5, 1, 2 hour after administering the pellet core, and at 1, 2, 3, 4, 6, 8, 10, 12,16, 20, 24 hour after administering the three kinds of colon target pellets. The appearance of pellets were observed. The sum of pellets and the distribution rates in different sections of alimentary canal were counted. After the residue level of matrine and oxymatrine in pellets were respectively determined by HPLC, the accumulated drug release rates and the release index number of three kinds of target pellets in vivo after administration at different times were calculated.Results The gastric emptying of three kinds of target pellets all showed continual, all stayed transiently in small intestine and were transferred to colon completely. Compared with pellets model I and II, the pellet of model III was obviouslyprolonged in the gastric emptying, and obviously delayed to reach colon. Compared with the pellet core, the three kinds of target pellets all possessed the obvious delayed effects of drug release. The descending sequence of cumulated drug release rates of the three kinds of target pellets in stomach and small intestine was model III (34.5%) > model I (17.4%) > model II (11.8%). The descending sequence of cumulated drug release rates of the three kinds of target pellets in colon was model I (98.9%) > model II (97.7%) > model HI (91.7%). The descending sequence of the release index number of the three kinds of target pellets was model II (7.3) > model I (4.7) > model III (1.7).Conclusion Three different principal kinds of colon target pellets of Sophora flavescens all possessed the characteristic of colon target drug delivery, which of pH-triggered-double-layer (II) was the best.%目的对比pH敏感单层型(Ⅰ型)、pH敏感双层型(Ⅱ型)、pH-酶触发双控型(Ⅲ型)3种原理苦参结肠靶向微丸在大鼠体内的转运及释药性能,并优选最佳方案.方法按给药不同将SD大鼠随机分为4组:Ⅰ、Ⅱ、Ⅲ型苦参结肠靶向微丸组和苦参丸心组,每组每时间点各3只.通过胃插管给药,苦参丸心组分别于给药后0.5、1、2h,3种苦参结肠靶向微丸组分别于给药后1、2、3、4、6、8、10、12、16、20、24 h处死大鼠,剖取胃、小肠、结肠组织.观察微丸外观性状并计数,计算给药后不同时间点其在各段消化道的分布率;采用HPLC法测定微丸中苦参碱、氧化苦参碱的残留总量,计算给药后不同时间点其在体内的累积释放度和定位释约指数.结果3种靶向微丸的胃排空均呈连续性,在小肠段短暂停留后即被完整转运至结肠;与Ⅰ、Ⅱ型微丸相比,Ⅲ型微丸胃排空时间明显延长,抵达结肠时间也明显延迟.相比于苦参丸心,3种靶向微丸均具有明显的迟释效应;3种靶向微丸在胃与小肠段的累积释放度由高至低依次为Ⅲ型(34.5%)>Ⅰ型(17.4%)>Ⅱ型(11.8%);在结肠段的累积释放度由高至低依次为Ⅰ型(98.9%)>Ⅱ型(97.7%)>Ⅲ型(91.7%);3种靶向微丸的定位释药指数分别为4.7、7.3、1.7,定位释药性能由高至低依次为Ⅱ型>Ⅰ型>Ⅲ型.结论3种原理苦参结肠靶向微丸均具有结肠定位释药性能,其中pH敏感双层型(Ⅱ型)苦参结肠靶向微丸的结肠定位释药性能最佳.【期刊名称】《中国医药生物技术》【年(卷),期】2011(006)004【总页数】5页(P261-265)【关键词】苦参△;动物实验;丸剂;微胶粒;靶向给药【作者】谢兴亮;韩丽;杨明【作者单位】610083 成都医学院药学院药剂教研室;611173 成都中医药大学药学院药剂教研室;330004 南昌,江西中医学院现代中药制剂教育部重点实验室【正文语种】中文苦参性苦寒,归心、肺、肾、大肠经,具有清热燥湿、祛风杀虫的功效,主治湿热下注大肠所致泻痢、肠风便血等,临床用其灌肠治疗结肠炎[1],疗效肯定。