基础管理类隐患排查清单
- 格式:xls
- 大小:33.00 KB
- 文档页数:6
基础管理类隐患排查清单一、电气设备安全1.检查所有电气设备是否有明显的损坏或老化,如插头、插座、开关等;2.检查所有电气设备是否安装到位,是否有稳定的接地;3.检查电气设备是否有合格的绝缘保护措施;4.检查所有电气设备的电线是否有断裂现象;5.检查电气设备的电线是不是过载现象。
二、消防设施安全1.检查所有消防设施是否正常运行,如灭火器、喷淋系统、报警器等;2.检查消防设施是否有合格的维护记录;3.检查所有应急出口是否畅通无阻,标示是否清晰可见;4.检查消防设施是否可以迅速响应火灾报警;5.检查消防设施是否有保持在合适温度和湿度的环境。
三、水、气、热系统安全1.检查水、气、热系统的管道是否有泄漏现象;2.检查水、气、热系统的管道是否有冻裂或老化现象;3.检查水、气、热系统的管道是否有合格的维护记录;4.检查水、气、热系统的阀门是否正常运行;5.检查水、气、热系统是否有合格的压力控制措施。
四、建筑结构安全1.检查建筑结构是否有明显的裂缝、变形或腐蚀现象;2.检查建筑结构是否有合格的维护记录;3.检查建筑结构的承重梁、柱是否有达到极限承重的迹象;4.检查建筑结构的防水层是否有损坏或老化现象;5.检查建筑结构是否有防震措施。
五、设备设施安全1.检查所有设备设施是否有明显的损坏或老化,如工具、机器等;2.检查所有设备设施是否安装到位,是否有稳定的支撑;3.检查所有设备设施是否有合格的维护记录;4.检查所有设备设施是否有良好的防护措施,避免误操作;5.检查所有设备设施是否有合格的使用培训。
六、环境卫生安全1.检查工作环境是否有足够的通风和照明;2.检查工作环境是否有异味、污染源或有毒物质;3.检查工作环境是否清洁整齐,有无杂物堆积;4.检查工作环境是否有合格的垃圾处理方法;5.检查工作环境是否有防止跌倒和绊倒的危险源。
七、安全教育与培训1.检查是否有安全教育和培训计划;2.检查员工是否接受了安全教育和培训;3.检查员工是否了解应急逃生程序;4.检查是否有完善的安全守则和标识;5.检查是否进行定期的安全巡视和评估。
基础管理类隐患排查清单内容
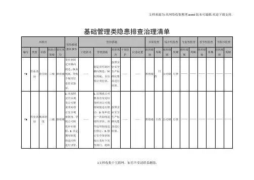
1、安全生产法律法规、规章制度、规程标准的贯彻执行情况;
2、安全生产责任制建立及落实情况;
3、高危行业安全生产费用提取使用、安全生产风险抵押金交纳等经济政策的执行情况;
4、企业安全生产重要设施、装备和关键设备、装置的完好状况及日常管理维护、保养情况,劳动防护用品的配备和使用情况;
5、危险性较大的特种设备和危险物品的存储容器、运输工具的完好状况及检测检验情况;
6、对存在较大危险因素的生产经营场所以及重点环节、部位重大危险源普查建档、风险辨识、监控预警制度的建设及措施落实情况。
基础管理类隐患排查治理清单
1文档收集于互联网,如有不妥请联系删除.
2文档收集于互联网,如有不妥请联系删除.
3文档收集于互联网,如有不妥请联系删除.
4文档收集于互联网,如有不妥请联系删除.
5文档收集于互联网,如有不妥请联系删除.
6文档收集于互联网,如有不妥请联系删除.
7文档收集于互联网,如有不妥请联系删除.
8文档收集于互联网,如有不妥请联系删除.
9文档收集于互联网,如有不妥请联系删除.
10文档收集于互联网,如有不妥请联系删除.
11文档收集于互联网,如有不妥请联系删除.
12文档收集于互联网,如有不妥请联系删除.。
基础管理类隐患排查项目清单清单隐患排查是一项重要的管理工作,对于企事业单位来说,排查基础管理类隐患尤为重要。
基础管理类隐患,包括场所、环境、设施设备等方面,如果存在安全隐患将会对员工和单位造成不可预估的后果。
为了保证生产经营的正常进行,企事业单位需制定一份基础管理类隐患排查项目清单,以下是基础管理类隐患排查项目清单清单的详细说明:1. 场所管理方面1.1 防火设施1.灭火器2.火灾自动报警系统3.防火卷帘门4.防烟排烟系统1.2 通道和出口1.安全通道2.通道宽度是否符合规定3.出口是否清晰明确1.3 清洁和整洁度1.室内是否有杂物堆积2.室内是否有易燃易爆物品3.地面是否干净整洁1.4 电气设备管理1.电线电缆是否正常2.配电箱是否封闭完整3.电气设备是否定期维护保养2. 环境管理方面2.1 噪声和震动1.是否有超标噪声和震动2.是否定期检测2.2 有害气体1.是否存在有害气体2.是否及时排放处理2.3 防护设施1.是否安装护栏和安全网2.使用有关设备时是否佩戴相关防护用品3.展馆内外是否存在安全隐患2.4 卫生管理1.环境是否整洁卫生2.是否开展环境卫生保洁巡查工作3. 设备管理方面3.1 机械设备1.电动机、轴承等机械设备的磨损状态2.润滑油脂是否填充3.设备电气线路是否正常3.2 压力容器1.压力容器是否定期检测2.是否符合安全使用标准3.3 动力设备1.发电机等动力设备是否正常2.是否有定期检测和维护保养记录3.4 资料管理1.设备备件配件是否按规定到位2.设备维修保养记录是否齐全4. 管理制度方面4.1 安全管理制度1.安全管理制度的是否健全2.是否有定期演练的应急预案4.2 培训制度1.培训计划是否落实2.年度安全培训是否全面4.3 人员素质1.是否对员工进行安全知识教育2.是否对员工进行业务培训4.4 安全检查1.安全检查记录是否及时做好2.安全隐患是否能及时发现并处理5. 其他5.1 设施安全1.设施内是否有明牌标识2.设施设备是否存在使用安全隐患5.2 特种设备安全1.特种设备是否具有有效的安全使用证书2.特种设备是否定期维保以上是基础管理类隐患排查项目清单清单的详细说明。