现场管理类隐患排查治理清单作业活动
- 格式:xls
- 大小:33.50 KB
- 文档页数:10
前纺车间现场管理类隐患排查治理清单一、安全生产1.1 人员管理•【问题】不按规定进行安全培训,未制定应急预案,未进行模拟演练。
•【治理】制定安全培训计划,设立安全教育每月必修制度,每季度进行一次消防演习,每年进行一次模拟应急预案演习。
1.2 设备管理•【问题】设备老化,维修不及时,部分设备存在安全隐患;易燃易爆物品无专人看管。
•【治理】制定设备维护计划,设备维护按时维修,设备老化时及时更换,设备检查不合格立即停用,建立易燃易爆物品专人管控制度。
二、环境保护2.1 废气排放•【问题】存在废气排放无实时监测,环保设施不完善,污染物超标排放等问题。
•【治理】建立污染源管控管理制度,实现废气实时监测,设置各类环保设施,制定废气排放标准和处罚制度。
2.2 废水排放•【问题】存在废水排放量未控制,废水处理设施不完善,污染物分离不彻底等问题。
•【治理】制定废水排放标准及参数管理制度,完善废水处理设施,定期进行处理设施检查和维护。
三、消防安全•【问题】消防设施不完善,逃生通道堆放物品,未定期清洁和更换灭火器等问题。
•【治理】建立完善的消防设施,整改逃生通道相关安全问题,定期清洁、更换及检查灭火器,场馆内设置专人值守。
四、员工健康4.1 环境卫生•【问题】环境卫生不健康,员工在恶劣的环境下工作,长时间接触对身体健康的影响。
•【治理】定期进行场馆卫生清理,对环境空气进行检测,做好防尘、防异味等相关工作。
4.2 食品安全•【问题】食堂卫生管理不完善,存在食品污染的风险。
•【治理】建立完善的食堂卫生管理制度,做好进货、储存、加工、销售等相关工作,并做好食品检测工作。
五、总结通过对前纺车间现场管理类隐患排查和治理,有效的消除了一系列可能对员工生产生活环境卫生、安全生产、消防安全等方面的隐患。
今后,应加强与环保、安监部门,相关检查机构的联络,持续对前纺车间的现场管理类隐患进行排查和治理,不断提高车间的安全生产和环保水平。
原料场现场管理类隐患排查治理清单一、现场管理类隐患排查1. 原料堆场的货物分类管理是否规范?2. 原料堆垛是否稳固?3. 堆场内是否存在公共设施混乱、异物杂乱的现象?4. 堆场内是否存在堆放过高的货物?5. 堆场内是否存在原料线路错综复杂,存在交叉、摆放困难的情况?6. 堆场内是否存在人行道被阻挡,通行不便或受阻的情况?7. 堆场内是否存在道路或通道不畅通,造成拥堵、交通混乱等问题?8. 堆场内是否存在路面不平整,存在坑洼、凹凸不平、沟壑等情况?9. 堆场内是否存在环境卫生不佳,存在垃圾、杂物等问题?二、治理清单1. 原料堆场的货物分类管理规范。
对原料进行分门别类排放,确保不同品种、不同规格之间不发生交叉混淆现象。
2. 原料堆垛稳固。
堆放原料时应采用平整的地面,确保原料稳定,在移动或者取走时不会发生倾斜或堆垛塌方等危险。
3. 解决公共设施混乱、异物杂乱的现象。
要随时清理和整理,确保环境整洁,消除隐患。
4. 堆场堆放货物不能过高,超过规定的高度应当采取支架加固等措施。
5. 对于原料线路错综复杂的情况,应当对其进行规范化管理,建立标准化的线路图,使其井然有序,避免交叉、摆放困难的现象。
6. 任何时候都要保证人行道畅通,通行不受阻。
7. 道路或通道应当保证畅通。
对于道路不畅通的情况,应当采取相应的措施进行治理,调整路线或加宽道路等。
8. 路面不平整的情况,应当及时进行铺水泥、下沥青等措施予以改善。
9. 环境卫生问题,应当加强清扫,定期清理垃圾、堆放的树叶、纸屑等废弃物品。
同时,对于建筑垃圾要及时进行处理。
对于以上列举的问题,进行排查治理清单,定期检查,确保原料场现场管理的安全和规范。
现场管理类隐患排查治理清单前言在工业生产、建筑施工、交通运输、环境保护等领域中,现场安全管理一直是非常重要的工作。
隐患排查与治理是现场管理的核心内容之一,是保障生产、保障安全的基础性工作。
本文旨在针对现场管理类隐患进行排查治理清单,帮助管理人员和工作人员有效评估隐患风险,采取切实有效的措施进行治理与预防。
一、通用隐患1.现场环境噪声过大、空气污染等环境污染问题;2.施工设备未经过维护、检修或配备不符合要求;3.人员不员佩戴安全帽、防护眼镜、防护鞋等基本防护设备;4.缺乏必要的安全标识、警告标志等提醒措施;5.地面不平整、滑落等现场安全问题。
1.1 排查治理1.针对现场环境噪声、空气污染问题,应按照相关要求定期进行检测,采取必要的维护、清洗、调整等措施,确保现场安全环境指标符合标准;2.对施工设备要进行维护、检修,并配备符合实际需要的设备,及时更换损坏、老化的设施;3.对工作人员要进行培训,确保防护设备使用规范;4.根据实际需要,在现场设置必要的安全标识、警告标志,加强人员安全意识和风险认识;5.对现场地面进行清理、维护,妥善保管直观可见的安全带、防滑垫等安全设施。
二、建筑施工行业常见隐患1.施工现场材料堆放不规范、施工吊篮悬挂不牢固;2.工地起重机械、登高作业缺乏安全规范;3.管道本体未固定、便携式电器设备使用不规范;4.施工用电不规范、施工现场电缆布线混乱;5.施工现场拆除、爆破、卸料等作业过程中缺乏有效的管控措施。
2.1 排查治理1.严格按照施工物料堆放规范,保证施工用品摆放整齐、位置稳固,吊篮、吊桶以及其他高空工具必须通过安全鉴定检查;2.按照新要求治理并规范工地起重、搬运动车和高空罐、脚手架等相关设备的使用规范;3.准备相应工具对管道进行锁定,以确保管道本体不会发生位移或摇晃,同时,便携式电器设备必须符合国家标准,使用设备前要定期检测;4.按照规范进行施工用电和电线布线,定期检修维护,检查负荷是否匹配,再进行主线开关、断路器检查和维修;5.在施工现场拆除,卸料以及其他爆破作业过程中,采取一定的管控措施,施工现场人员必须佩戴好防护用品,严控危险源的产生。
公辅系统现场管理类隐患排查治理清单一、前言为了保障公共设施使用者的安全和利益,公辅系统现场管理类隐患排查治理显得尤为重要。
公辅系统现场管理类隐患排查治理清单旨在帮助管理人员制定有效的安全隐患治理计划和措施,全面检查和治理公共设施现场的各类隐患,提高现场安全管理水平,确保人民群众的生命财产安全。
二、排查治理清单1. 进入设施区域必须佩戴头盔、安全带等个人防护装备。
2. 现场标识要清晰明确,标识字体要清楚可见,标识牢固不易脱落。
3. 施工期间必须落实施工卫生措施,防止施工垃圾、建筑废弃物四处飞散。
4. 进入施工现场前必须进行安全示范课程,使人员对现场安全知识有全面清晰的认识。
5. 现场施工设备安全可靠,设备应经过检验合格的才能使用,必须符合国家有关安全标准。
6. 安装吊顶、固定天花板的抵扣件应牢固可靠,不得掉落、松动。
7. 现场施工人员应严格按照作业规程进行施工作业,不得超标作业。
8. 施工人员要做好宣传,向施工现场周边居民普及安全知识,保障周边居民人身安全。
9. 严格按照规定使用安全绳索,保障高空作业人员的人身安全。
10. 施工现场必须配置好应急救援设备和急救箱,一旦险情发生,能及时采取有效应对措施。
11. 确保现场工程材料采购合法,不得采用假冒伪劣材料。
12. 建筑材料应由专人管理,防止材料乱放乱堆。
13. 电气安全必须得到重视,现场电路必须符合国家规定,电缆线路要有隐蔽管道,不能暴露于空气中。
14. 保证设备散热通风情况,避免因设备过热引起的安全事故。
15. 确保现场垃圾分类处理,防止环境污染,同时保护垃圾处理工人的健康安全。
三、结论公辅系统现场管理类隐患排查治理清单,是为了保障人民群众利益和安全而制定的一份严谨的排查治理清单。
在实际操作中,管理人员应密切配合现场施工人员,按照以上清单的要求,严格执行清单中规定的安全措施和标准,全面治理现场隐患,营造一个安全、稳定的建设环境。
最终,让广大人民群众能在安全的环境下享受现代化公共设施带来的美好生活。
炼钢厂现场管理类隐患排查治理清单危险作业一、前言随着我国经济的快速发展,炼钢厂成为了一个重要的产业,但其在生产过程中,也面临着许多危险隐患,可能会给工人及周围环境造成严重的危害。
因此,对炼钢厂现场进行隐患排查治理显得尤为重要。
本文将对炼钢厂现场管理类隐患进行排查治理,并对常见的危险作业进行分析及防范措施的提出。
二、隐患排查治理清单1. 工艺过程风险:炼钢厂在钢铁生产过程中,涉及高温、高压、高速、强酸等较危险的工艺过程。
工人应根据安全操作规程要点,科学操作,保障设备及人身安全,严禁私自操作。
2. 设备安全隐患:炼钢厂占地面积较大,设备众多,但往往存在设备维修不及时、设备保养不到位、设备老化等问题,如存在潜在危险隐患必须及时排除。
3. 环境卫生风险:炼钢厂生产过程中,会产生较多的粉尘、气味、噪音等危害因素,严重影响工人健康及城市环境。
因此,厂区清洁卫生及环境监测工作远大于一般企业。
4. 网络安全风险:随着科技的发展,炼钢厂也相应推出了智能化设备及系统,但是一旦存在信息泄露、系统漏洞等问题,将会给企业生产造成重大损失及不良影响,因此,网络安全应作为企业响应能力的一部分来保证其正常运作。
三、危险作业分析及防范措施1. 叉车作业:炼钢厂中,有许多物资需要使用叉车搬运,但是叉车操作不当、叉车驾驶员缺乏必要的安全意识,都可能会造成重大危险。
因此,应严格规定叉车操作规程,加强机具装备维护保养,加强叉车驾驶员培训,让工人掌握正确的叉车操作技巧。
2. 氧气及管道作业:在炼钢厂中,氧气及管道操作很常见,但如果在操作时操作人员不使用防护设备、疏忽大意等等,将会引发严重的爆炸及其他意外事故。
因此,要求操作人员必须操作规程,必须佩戴防护设备,必须进行相关安全培训。
3. 架空线路作业:炼钢厂中的电缆及架空线路不可避免,但不可忽视的是,不正确的人员操作、狂风暴雨等自然因素,都会对工作造成不良影响。
因此,在进行作业之前,必须仔细查看通讯及电力线路,必要时需关闭电源,充分保证施工安全。
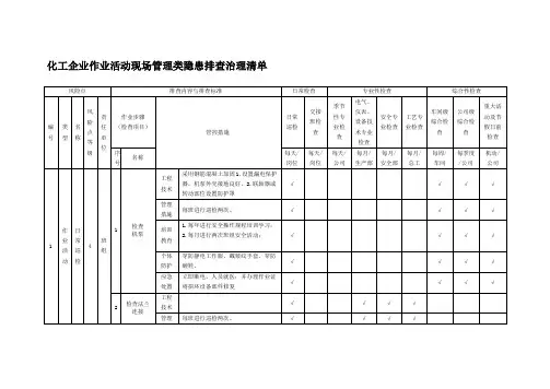
*****有限公司现场管理类隐患排查项目清单(作业活动类)2022 年 5 月现场管理类隐患排查项目清单(作业活动) 风险点编类型名称号1 作业活动入库作业成品出库作业作业活动设备清理3作业活动风险点等级4444排查内容与排查标准作业步骤(检查项目)责任单位车间车间车间车间序号1112名称原料验收、暂存成品出库、搬运装车清理设备清理设备危(wei)险源或者潜在事件车辆伤害坍塌车辆伤害坍塌清理设备或者处理设备故障时未停电挂警示牌,或者设备未停稳易导致伤手清理杂物措施不当易导致伤手教育培训培训合格后上岗培训合格后上岗1、每班班前会进行培训清理设备或者处理设备故障教育,做好班前会记录;时必须停电挂警示牌,等 2、按照计划每半年进行设备挺稳后方能处理一次全员培训,年度培训学时不少于 8 学时1、每班班前会进行培训1、清理杂物时使用防下落教育,做好班前会记录;支撑; 2、按照计划每半年进行2、多人协同作业加强配合一次全员培训,年度培训学时不少于 8 学时日常检查巡查每班/岗位√√√√综合性检查岗位级每月/厂级√√岗位级每半月/岗位级√√易燃易爆场所每半年/安全科专业性检查季节性检查电气每季度/安全科设备每季度/安全科消防每季度/安全科防冻冬季来临前/安全科防火春季来临前/安全科防涝雨季来临前/安全科2 作业活动管控措施按规程操作按规程操作管理措施4 5 6 作业活动作业活动开停机作业活动作业活动登高作业作业活动作业活动暂时用电作业作业活动作业活动44444443车间车间车间车间车间车间车间车间31211231清理设备开停机开停机登高作业作业前准备作业中清理设备卫生时未停电源,误铲断电源线导致触电未确认设备安全状态或者未按程序开停设备操作控制柜开关,易发生触电设置防护设施,界定安全工作距离;未建立暂时用电管理制度。
未办理暂时用电作业审批手续。
未停电、挂牌操作人员违章。
1、每班班前会进行培训教育,做好班前会记录;2、按照计划每半年进行一次全员培训,年度培训学时不少于 8 学时1、每班班前会进行培训开机前应先对设备进行巡教育,做好班前会记录;检,确保各设备安全防护 2、按照计划每半年进行设施达到正常状态一次全员培训,年度培训学时不少于 8 学时1、每班班前会进行培训1、定期检修电源开关密教育,做好班前会记录;封、绝缘,保证安全使用;2、按照计划每半年进行2、要求人员操作电器开关一次全员培训,年度培时必须手部保持干燥训学时不少于 8 学时按登高作业规程操作培训合格后上岗制定暂时用电作业规章制度。
动力车间现场管理类隐患排查治理清单为了确保动力车间安全生产,避免事故发生,我们需要制定一个现场管理类隐患排查治理清单。
该清单主要针对工人在动力车间操作时可能存在的隐患进行排查,明确责任和措施,以保证动力车间生产环境的安全。
1.现场管理类隐患现场管理类隐患主要分为以下几类:1.1生产设备•设备维护不当,缺乏日常保养;•工作平台、防护栏松动、坍塌、损坏;•设备漏电或者短路现象;•网络安全风险,如恶意软件、木马病毒等。
1.2作业操作•作业人员没有接受过相应的培训,缺乏了解相关法律法规知识;•作业人员本人安全意识不强,缺乏相关操作规范,如穿戴安全帽、口罩、护目镜等;•作业工具或机器运作使用不当,缺乏必要的保养和维护;•生产过程中对环境造成污染。
1.3人员管理•班次交接的情况不清晰,安全责任较模糊;•人员管理不当,职责分工不明确,责任不明确;•人员在工作岗位上缺乏相应的工作经验和技能,从而导致操作不当或错误。
2.排查治理方案针对上述隐患,我们制定以下排查治理方案。
2.1生产设备•设备维护:定期对设备进行维护和保养,并制定保养方案记录维护情况;•工作平台和防护栏:每天首班前,必须对平台、防护栏、网线等设备进行检查,确保完好无损;•设备漏电和短路问题:定期检查电气设备,发现问题及时处理或更换;•网络安全风险:加强网络安全管理,减少恶意软件和病毒的攻击风险。
2.2作业操作•作业人员培训:对作业人员进行相关的安全、法律法规和操作规范培训,确保所有人员了解安全要求和作业规范;•安全工具和机器保养:对所有作业工具和机器进行保养和维护,最大限度地降低操作风险;•生产污染:严格遵守环保规定,生产前做好必要的环保准备,并对生产过程中的环境污染进行有效治理。
2.3 人员管理•班次交接详情记录:每个班次交接交底,书面记录并留存;•人员管理:制定明确的职责分工,对职责和安全意识要求进行非常严格的执行;•岗位技能培训:对所有工作人员进行岗位技能培训,并确保所有岗位有经验和技巧的工作人员来协助学徒或缺乏经验的员工。