塑料模课程设计题目
- 格式:doc
- 大小:923.50 KB
- 文档页数:13
二、填空:(每小题2分)1、注射成型一般用于热塑性塑料的成型。
压缩模塑主要用于热固性塑料成型.2、挤出成型时,在挤出过程中,塑料加压方式有连续加压和间断加压两中,因此,挤出成型工艺可分为连续和间断两种。
3、注射时,模具型腔充满之后,需要的一定的保压时间。
4、塑件的花纹,标记,符号,及其文字应易于成型和脱模,便于模具制造。
为了便于塑件的脱模,在一般情况下,使塑件在开模时留在动模上。
6、分型面选择时要便于侧分型和抽芯。
若塑件有侧孔或侧凹时,宜将侧型芯设置在垂直开模方向上,,除液压抽芯机构外,一般应将抽芯或分型距较大的放在开模方向上。
-为了保证塑件质量,分型面选择时,对有同轴度要求的塑件,将有同轴度要求的部分设在同一模板内。
-=塑料模的合模导向装置主要有导柱导向和锥面定位,通常用导柱导向。
7、当模塑大型,精度要求高,深型腔,薄壁及非对称塑件时。
会产生大的侧压力,不仅用导柱导向机构,还需增设锥面导向和定位。
11、挤压环的作用是在半溢式压缩模具中用以限制凸模下行的位置,保证获得最薄的水平飞边。
溢式模没有加料腔,凸模与凹模在分型面水平接触。
15、排气是塑件成型的需要,引气是塑件脱模的需要16、常见的引气方式有镶拼式侧隙引气和气阀式引气17、在实际生产中斜导拄斜角α一般取15~20度,最大不超过25度.18、为了保证斜导拄申出端准确可靠的进入滑快斜孔,侧滑块在完成抽芯后必须停留在一定位置上,为此滑块需要有定位装置。
19、在塑件注射成型过程中,侧型心在抽芯方向上受到型腔内塑料熔体较大的推力作用,为了保护斜导拄和保证塑件精度而使用楔紧块,楔紧块的斜角α一般为α+(2~3)。
20、斜导拄与滑块都设在定模上,为完成脱模和抽芯工作,需采用定距分型拉紧机构。
21、斜导拄在定模上,滑块在动模这种结构可通过推出机构或定距分型机构来实现斜导拄与滑块的相对运动。
由于滑块可以不脱离斜导拄,所以不设置滑快定位装置。
23、设计注射模时,要求塑件留在动模上,但由于塑件形状结构的关系,塑件留在定模或动,定模上均有可能时,就须设双推出机构。
塑料模具设计试卷含答案文稿归稿存档编号:[KKUY-KKIO69-OTM243-OLUI129-G00I-FDQS58-一、填空题(每空1分,共计35分)1、根据塑料受热后的性能特点,可将塑料分为热塑性塑料和热固性塑料两类。
2、塑料成型最重要的工艺是温度、压力和时间。
3、按注塑部分和锁模部分的位置和方向不同,注射机可分为立式、卧式和直角式三种类型4、由于一副模具可以有一个或多个分型面,一般把动模和定模部分之间的分型面称为主分型面,在模具装配图上用“ PL ”表示,并用“”标出,箭头的指向为动模移动的方向。
5、注射模的零件比较多,根据模具上各部件的主要功能,一般把注射模分为成型零部件、浇注系统、导向机构、脱模机构、温度调节装置、结构零部件及其它机构等几个基本组成部分。
6、注射模的普通浇注系统一般由主流道、分流道、浇口和冷料穴等四部分组成。
7、常用的一次脱模机构有推杆脱模、推管脱模、推块脱模、推件板脱模和多元件联合脱模等形式。
8、常用的复位机构有复位杆复位和弹簧复位两种形式,而常用的先复位机构有弹簧先复位机构和连杆式先复位机构。
9、注射模具常用的导向机构有导柱和导套导向和锥面对合导向。
10和11、12、5 种形式。
二、判断题(正确的打√,错误的打×.每题2分,共计10分)( √ )1.一副塑料模可能有一个或两个分型面,分型面可能是垂直、倾斜或平行于合模方向。
( × )2.多数塑料的弹性模量和强度较高,受力时不容易发生变形和破坏。
( √ )3.成型零件的磨损是因为塑件与成型零件在脱模过程中的相对摩擦及熔体冲模过程中的冲刷。
( √ )4.塑料模的垫块是用来调节模具总高度以适应成型设备上模具安装空间对模具总高度的要求。
( √ )5.冷却回路应有利于减小冷却水进、出口水温的差值。
三、选择题(每题1分,共计10分)1、三板式注射模(双分型面注塑模)的一个分型面用于取出塑件,另一个分型面用于取出()A、浇注系统凝料B、型心C、另一个塑件D、排气2、主流道衬套又可称为()A、保护套B、浇口套C、喷嘴D、顶出套3、双分型面注射模的两个分型面()打开A、同时B、先后C、有时同时打开D、不一定4、潜伏式浇口是由()浇口演变而来A、侧浇口B、真浇口C、爪型浇口D、点浇口5、热流道模具浇注系统中的热料始终处于()状态A、熔融B、凝固C、室温D、半凝固6、斜导柱的倾角a 与楔形角B 的关系是()A、a>B+2~3B、a=B+2~3C、B=a+2~3D、a=B7、挤出机头的作用是将挤出机的熔融塑料由运动变为运动,并使熔融塑料件进一步塑化。
塑料模具毕业设计题目1.塑料套管2.小模数双联圆柱直齿轮材料为聚甲醛,大批量生产。
3.卡尺盒(+qq1162401387,获取图纸)4.透明塑料试管5.折页盒6.螺纹盖7.斜三通8.顺水三通9.灭火器壳10.锥齿轮11.螺母12.刷座14.塑料桶盖16.线轮17.导向轮18.台历架19.电视机按钮20.泡沫灭火器喷嘴21.快换接头22.塑料罩23.菜篮24.分油套25.油管接头26.上罩27.矩形罩128.端盖29.圆形盖30.盒子31.矩形罩2 32.矩形罩333.罩盖34.圆端盖35.饮料瓶盖36.座块盖37.连接座38.盒盖39.弯头40.三通管41.外壳42.旋钮43.外壳45.旋钮47.骨架48.罩49.放大镜产品名称:放大镜要求:表面无缺痕材料:透明pp生产批量:大批量50.壳盖名称材料尺寸参数值A B C D E F G H I J塑料壳盖PS 60 80 25 4 3 45 20 74 12 35 技术要求:1. 大批量生产,精度为MT5,壁厚均匀;2. 塑件不允许有裂纹和变形缺陷;3. 脱模斜度30'~1°;4. 未注圆角R=251.塑料扣盖名称材料尺寸参数值A B C DE(Φ)F(Φ)G(Φ)H(Φ)δ(Φ)塑料扣盖PP 75 30 20 5 16 65 10 50 4 技术要求:1. 大批量生产,精度为MT5,壁厚均匀;2. 塑件不允许有裂纹和变形缺陷;3. 脱模斜度30'~1°;4. 未注圆角R=152.塑料仪表盖名称材料尺寸参数值A B C D E F G H塑料仪表盖ABS 70 30 25 35 65 10 5 50 技术要求:1. 大批量生产,精度为MT5,壁厚处处相等;2. 塑件不允许有裂纹和变形缺陷;3. 脱模斜度30'~1°;4. 未注圆角R2~R35. 未注尺寸公差按所有塑料的高精度级查取。
53.多孔塑料罩名称材料尺寸参数值A B C D E F G H I多孔塑料罩PP 60 50 30 4 3 44 8 5 26 技术要求:1. 大批量生产,精度为MT5;2. 塑件不允许有裂纹和变形缺陷;3. 脱模斜度30'~1°;4. 未注圆角R2~R354. 穿线塑料盒盖名称:穿线塑料盒盖技术要求:1. 大批量生产,精度为MT5;2. 塑件不允许有裂纹和变形缺陷;3. 脱模斜度30'~1°;55.对称塑料套管名称:对称塑料套管技术要求:1. 大批量生产,精度为MT5;材料ABS;2. 塑件不允许有裂纹和变形缺陷3. 脱模斜度30'~1°;56. 塑料后盖板名称:塑料后盖板技术要求:1. 大批量生产,精度为MT5;材料ABS;2. 塑件不允许有裂纹和变形缺陷;3. 脱模斜度30'~1°;57.花边塑料盖名称:花边塑料盖技术要求:1. 大批量生产,精度为MT5;材料PP;2. 塑件不允许有裂纹和变形缺陷;3. 脱模斜度30'~1°;58.塑料罩桶名称:塑料罩桶技术要求:1. 大批量生产,精度为MT5;材料ABS;2. 塑件不允许有裂纹和变形缺陷;3. 脱模斜度30'~1°;60.圆形塑料扣盖名称:圆形塑料扣盖技术要求:1. 大批量生产,精度为MT5;材料:ABS;2. 塑件不允许有裂纹和变形缺陷;3. 脱模斜度30'~1°;61.圆形塑料罩壳名称:圆形塑料罩壳技术要求:1. 大批量生产,精度为MT5;材料ABS;2. 塑件不允许有裂纹和变形缺陷;3. 脱模斜度30'~1°;62.阶梯圆筒塑料盖名称:阶梯圆筒塑料盖技术要求:1. 大批量生产,精度为MT5;材料PP;2. 塑件不允许有裂纹和变形缺陷;3. 脱模斜度30'~1°;63. 阶梯圆筒塑料支架名称:阶梯圆筒塑料支架技术要求:1. 大批量生产,精度为MT5;材料ABS2. 塑件不允许有裂纹和变形缺陷;3. 脱模斜度30'~1°;64. 圆形塑料纱筒名称:圆形塑料纱筒技术要求:1. 大批量生产,精度为MT5;材料PP;2. 塑件不允许有裂纹和变形缺陷;3. 脱模斜度30'~1°;65. 圆形塑料桶盖名称:圆形塑料桶盖技术要求:1. 大批量生产,精度为MT5;材料PP;2. 塑件不允许有裂纹和变形缺陷;3. 脱模斜度30'~1°;66. 塑料盒上盖名称:塑料盒上盖技术要求:1. 大批量生产,精度为MT5;材料PE;2. 塑件不允许有裂纹和变形缺陷;3. 脱模斜度30'~1°;67. 塑料方盒上端盖名称:塑料方盒上端盖技术要求:1. 大批量生产,精度为MT5;材料尼龙1010黑色;2. 塑件不允许有裂纹和变形缺陷;3. 脱模斜度30'~1°;68. 圆形塑料包装盒名称:圆形塑料包装盒技术要求:1. 大批量生产,精度为MT5;材料:高密度聚乙烯;2. 塑件不允许有裂纹和变形缺陷;3. 脱模斜度30'~1°;69.弹簧上座名称:弹簧上座技术要求:1. 大批量生产,精度为MT5;材料:ABS;2. 塑件不允许有裂纹和变形缺陷;3. 脱模斜度30'~1°;70.圆形塑料扣盖名称:圆形塑料扣盖技术要求:1. 大批量生产,精度为MT5;材料:ABS;2. 塑件不允许有裂纹和变形缺陷;3. 脱模斜度30'~1°;71.圆形塑料封盖名称:圆形塑料封盖技术要求:1. 大批量生产,精度为MT5;材料:ABS;2. 塑件不允许有裂纹和变形缺陷;3. 脱模斜度30'~1°;72.塑料旋钮名称:塑料旋钮技术要求:1. 大批量生产,精度为MT5;材料:ABS;2. 旋钮表面数字凹进0.4,并涂红色蜡,字型选用3.5#字体;3. 脱模斜度30'~1°;塑件不允许有裂纹和变形缺陷。
塑料模具毕业设计题目塑料模具毕业设计题目随着现代工业的发展,塑料制品在各个领域中得到了广泛的应用。
而塑料模具作为塑料制品生产的重要工具,也越来越受到重视。
因此,塑料模具毕业设计成为塑料工程专业学生的必修课程之一。
本文将探讨几个有趣且具有挑战性的塑料模具毕业设计题目。
一、设计一个可持续发展的塑料模具随着环保意识的提高,可持续发展已经成为当今社会的热门话题。
因此,设计一个可持续发展的塑料模具成为了一个有意义的毕业设计题目。
这个设计要求考虑使用环保材料制作模具,例如可降解塑料或回收塑料。
同时,还需要考虑模具的设计结构,以减少材料的浪费和能源的消耗。
这个设计不仅能够提高塑料制品的生产效率,还能够减少对环境的负面影响。
二、设计一个高精度的塑料模具在一些特殊领域,例如医疗器械或电子产品制造中,对于塑料制品的精度要求非常高。
因此,设计一个高精度的塑料模具成为了一个有挑战性的毕业设计题目。
这个设计要求考虑模具的结构和材料,以确保制品的尺寸精度和表面质量。
同时,还需要考虑模具的使用寿命和维护成本。
这个设计不仅能够提高塑料制品的质量,还能够提高生产效率和降低成本。
三、设计一个多功能的塑料模具随着市场需求的多样化,塑料制品的功能也越来越丰富。
因此,设计一个多功能的塑料模具成为了一个有创意的毕业设计题目。
这个设计要求考虑模具的结构和功能,以适应不同的产品需求。
例如,可以设计一个可变形的模具,可以生产不同形状和尺寸的塑料制品。
或者设计一个带有自动化功能的模具,可以实现自动上料、成型和脱模等操作。
这个设计不仅能够提高生产效率,还能够满足市场的多样化需求。
四、设计一个智能化的塑料模具随着人工智能技术的发展,智能化的制造方式正在逐渐兴起。
因此,设计一个智能化的塑料模具成为了一个前沿的毕业设计题目。
这个设计要求考虑模具与智能设备的连接和交互,以实现自动化的生产流程。
例如,可以设计一个能够实时监测温度、压力和湿度等参数的模具,以优化生产过程。
塑料成型工艺与模具设计试题及答案1.在注射成型中,合理的温度控制包括料筒、喷嘴和模具温度的控制。
2.塑件需要进行塑后处理,常见的处理方式包括退火和调湿处理。
3.塑料模具的组成零件可以分为成型零件和结构零件两大类,根据不同的用途进行分类。
4.在注射成型过程中,为了便于塑件的脱模,一般情况下让塑件留在动模上。
5.塑料通常由树脂和添加剂组成。
6.塑料注射模主要用于成型热塑性塑料件,而压缩成型主要用于成型热固性塑料件。
7.排气是塑件成型的必要条件,而引气则是塑件脱模的必要条件。
8.注射模的浇注系统包括主流道、分流道、浇口和冷料穴等组成。
9.凹模的形式有整体式和组合式两种类型。
10.导向机构的形式主要包括导柱导向和锥面定位两种。
11.树脂分为天然树脂和合成树脂两种。
12.注射模塑最主要的工艺条件是“三要素”,即压力、时间和温度。
1.卧式注射机SX-Z-63/50中的50表示锁模力为500kN。
2.注射机料筒温度的分布原则是前高后低。
3.热塑性塑料在常温下呈坚硬固态,属于玻璃态。
4.塑料模失效形式不包括冷却。
5.凹模是成型塑件外表面的成型零件。
6.球头铣刀主要用于加工塑料模具零件中的轮廓。
7.注射模导向机构不包括推杆。
8.主流道一般与注射机的喷嘴轴心线重合。
9.推出机构零件不包括型芯。
10.压缩模具中凸模的结构形式多数是整体式的,以便于加工制造。
11.天然树脂包括松香。
12.塑料模具结构零件不包括成型作用。
13.稳定剂不包括树脂。
角,可以避免模具损坏和塑件表面不光滑的问题(3分)。
此外,圆角的设计还可以避免塑件在使用过程中刮伤人体或其他物品(1分)。
2.请简述多型腔模具的优缺点。
(10分)答:多型腔模具的优点是可以同时生产多个相同或不同的塑件,提高生产效率,降低成本(3分);可以灵活调整模具的生产能力,适应不同的市场需求(2分);同时还可以减少模具的占地面积和存储空间(2分)。
缺点是制造成本较高(1分);需要更高的精度和稳定性(1分);同时需要更多的注塑机和操作人员(1分);还有可能出现一个腔位出现问题,影响整个生产线的正常运行(2分)。
修改后的分型面位置1. 请指出下面塑件结构设计错误的原因,并改正之。
答:(a ):壁厚不均匀,改正如下。
(b ):1) 壁厚不均匀2) 不能采用塑件的整个底平面作支撑面。
2. 请分析正确分型面的选择位置及原因。
答:按原图示,大齿和小齿分别在定模和动模,难以保证二者良好的同轴度,修改后,两齿轮型腔都位于动模,可保证良好同轴度。
一、 读图题,写出下列图1和图2中零部件名称,与序号对应。
(本题共2小题36个序号,(a ) (b )图2每序号0.5分,共18分)1. 图1各零部件名称如下:1— 动模板 2— 定模板 3— 冷却水道 4— 定模座板 5— 定位圈 6— 浇口套 7— 凸模型芯 8— 导柱 9— 导套 10— 动模座板 11— 支撑板 12— 挡钉 13— 推板 14— 推出固定板 15— 拉料杆 16— 推板导柱 17— 推板导套 18— 顶杆 19— 复位杆 20— 支撑垫块 21— 注塑机顶杆2. 图2各零部件名称如下:1— 动模座板 2— 支撑板 3— 动模板4— 推件板 5— 限位导柱 6— 限位销7— 弹簧 8— 定距拉杆 9— 凸模型芯10— 浇口套 11— 定模座板 12— 定模板13— 导柱 14— 顶杆 15— 推出固定板16— 推板二、 简答题(本题共4小题,每题5分,共20分)1. 简述注塑成型的简单过程? 答: 注塑成型的简单过程为:将粒状或粉状塑料经注塑机的料斗加入加热的料筒内,塑料受热熔融,在注塑机的螺杆或活塞的压力推动下,经喷嘴进入模具型腔,塑料充满型腔,经冷却硬化定型,脱模后而得到具有一定形状的塑件。
2. 凹模型腔的结构形式采用镶拼组合式有什么优点?答:(1) 简化凹模型腔加工,将复杂的凹模内形加工变成镶件的外形加工,降低了凹模整体的加工难度。
(2) 镶件可用高碳钢或高碳合金钢淬火。
淬火后变形较小,可用专用磨床研磨复杂形状和曲面。
凹模中使用镶件的局部型腔有较高精度,经久的耐磨性并可置换。
一、冲压方面的设计题库1、止转板;见图1,请设计其冲压模具总装配图及模具主要零件的零件图。
图1 止转板产品图2、垫圈;见图2,厚度;t = 1.2mm,材料;Q235,生产批量为年产60万套。
请设计其冲压模具之总装配图及模具主要零件的各零件图。
图2 垫圈产品图3、变压器芯插片;见图3和图4,厚度;t = 0.5mm,材料;D21硅钢板(硬钢),生产批量为年产80万件。
请设计其冲压模具之总装配图及模具主要零件的各零件图。
图3变压器芯插片产品图4、线端子;见图5和图6,厚度;t = 1mm,材料;304(不锈钢),生产批量为年产100万件。
请设计其冲压模具之总装配图及模具主要零件的各零件图。
产品名称:线端子材料:不锈钢厚度:1mm图5 线端子产品图5、刷片;见图7和图8,厚度t = 1.5mm,材料;20钢,生产批量为年产200万件。
请设计其冲压模具之总装配图及模具主要零件的各零件图。
图7 刷片产品图6、弹簧片;图9,厚度;t =1.5MM,材料为45钢,生产批量为年产20万件。
请设计其冲压模具之总装配图及模具主要零件的各零件图。
图9 弹簧片产品图7、圆垫片;见图10和图11,厚度;t =1MM,材料为10钢,生产批量年产15万件。
请设计其冲压模具之总装配图及模具主要零件的各零件图。
图10圆垫片产品图图11 如果是选用级进模的形式进行设计,可以参考此排样图。
8、圆筒拉深件;见图12,材料;spcen,生产批量年产20万件。
请设计其冲压模具之总装配图及模具主要零件的各零件图(任选一副模具,如;首次拉深模或后续拉深模)。
图12 圆筒拉深件产品图9、插片;见图13和图14,材料;20#钢,厚度;0.5mm,生产批量年产80万件。
请设计其冲压模具之总装配图及模具主要零件的各零件图。
产品名称:插片材料:20厚度:0.5mm图13插片产品图10、图18圆垫片材料:10#钢,批量:年产80万件。
请设计其冲压模具之总装配图及模具主要零件的各零件图。
1号同学选01图号,按照侧浇口结构设计2号同学选02图号,按照其它浇口形式设计第3~4题塑料端盖,大批量生产,精度:MT5。
(班级名单序号3~4号同学按照名单排序分别做各对应题目)3号同学选01图号,按照侧浇口、顶杆顶出结构设计4号同学选02图号,按照侧浇口、推板顶出结构设计5号同学选01图号,按照按照侧浇口结构设计6号同学选02图号,按照其它浇口结构设计第7~8题塑料仪表盖,大批量生产,精度:MT5。
(班级名单序号7~8号同学按照名单排序分别做各对应题目)7号同学选01图号;8号同学选02图号;要求两同学设计模具浇注系统或顶出系统不同第9~10题多孔塑料罩,大批量生产,精度:MT5。
(班级名单序号9~10号同学按照名单排序分别做各对应题目)9号同学选01图号,按照侧浇口结构设计10号同学选02图号,按照其它浇口结构设计第11~12题:(班级名单序号11~12号同学作此题)穿线盒;大批量生产;精度:MT5。
11号同学按照图示尺寸计算,材料ABS12号同学将基本尺寸乘0.8倍作为设计尺寸,材料PP要求两同学设计模具浇注系统或顶出系统不同第13~14题(班级名单序号13~14号同学作此题)套管,结构如图所示。
大批量生产,精度:MT5。
13号同学按照图示尺寸计算,材料ABS。
14号同学将基本尺寸乘1.2倍作为设计尺寸,材料PP要求两同学设计模具浇注系统或顶出系统不同第15~16题:(班级名单序号15~16号同学按照名单排序分别做各对应题目)罩盖板,大批量生产;精度:MT515号同学将图示尺寸设计,材料PP;16号同学将图示尺寸放大1.2倍作为设计尺寸,材料ABS;要求同组两位同学设计模具结构不同(如浇注系统不同;或顶出系统不同;或其它不同)第17~18题(班级名单序号17~18号同学按照名单排序分别做各对应题目)把手,结构如图所示。
大批量生产,精度:MT5。
17号同学按照一模多腔、侧浇口结构设计,材料ABS;18号同学将基本尺寸放大1.5倍作为设计尺寸,按一模多腔、点浇口结构设计,材料PP第19~20题:(班级名单序号19~20号同学做此题)后盖板;大批量生产;精度:MT519号同学按照图示尺寸计算,材料ABS。
塑料模具设计试卷(含答案)一、填空题(每空1分,共计35分)1、根据塑料受热后的性能特点,可将塑料分为热塑性塑料和热固性塑料两类。
2、塑料成型最重要的工艺是温度、压力和时间。
3、按注塑部分和锁模部分的位置和方向不同,注射机可分为立式、卧式和直角式三种类型4、由于一副模具可以有一个或多个分型面,一般把动模和定模部分之间的分型面称为主分型面,在模具装配图上用“ PL ”表示,并用“”标出,箭头的指向为动模移动的方向。
5成型零部件、浇注系统、导向机构、脱模机构、温度调节装置、结构零部件及其它机构等几个基本组成部分。
6、注射模的普通浇注系统一般由主流道、分流道、浇口和冷料穴等四部分组成。
7、常用的一次脱模机构有推杆脱模、推管脱模、推块脱模、推件板脱模和多元件联合脱模等形式。
8、常用的复位机构有复位杆复位和弹簧复位两种形式,而常用的先复位机构有弹簧先复位机构和连杆式先复位机构。
9、注射模具常用的导向机构有导柱和导套导向和锥面对合导向。
10、根据流到获取热量方式不同,一般将热流道注射模分为绝热流道注射模和加热流道注射模11、压缩模具又称压制模,简称压缩模或压模。
12、根据具体的成型方法,吹塑成型工艺可分为挤出吹塑成型、注射吹塑成型、拉伸吹塑、多层吹塑成型和片材吹塑成型等5 种形式。
二、判断题(正确的打√,错误的打×.每题2分,共计10分)( √)1.一副塑料模可能有一个或两个分型面,分型面可能是垂直、倾斜或平行于合模方向。
( ×)2.多数塑料的弹性模量和强度较高,受力时不容易发生变形和破坏。
( √)3.成型零件的磨损是因为塑件与成型零件在脱模过程中的相对摩擦及熔体冲模过程中的冲刷。
( √)4.塑料模的垫块是用来调节模具总高度以适应成型设备上模具安装空间对模具总高度的要求。
( √)5.冷却回路应有利于减小冷却水进、出口水温的差值。
三、选择题(每题1分,共计10分)1、三板式注射模(双分型面注塑模)的一个分型面用于取出塑件,另一个分型面用于取出()A、浇注系统凝料B、型心C、另一个塑件D、排气2、主流道衬套又可称为()A、保护套B、浇口套C、喷嘴D、顶出套3、双分型面注射模的两个分型面()打开A、同时B、先后C、有时同时打开D、不一定4、潜伏式浇口是由()浇口演变而来A、侧浇口B、真浇口D、点浇口5、热流道模具浇注系统中的热料始终处于()状态A、熔融B、凝固C、室温D、半凝固6、斜导柱的倾角a 与楔形角B 的关系是()A、a>B+2~3B、a=B+2~3C、B=a+2~3D、a=B7、挤出机头的作用是将挤出机的熔融塑料由运动变为运动,并使熔融塑料件进一步塑化。
塑料模课程设计任务书1一、弹簧上座注塑模如图所示,材料为尼龙-6,大批量生产,要求全自动连续生产。
二、设计要求:1、手工书写出详细设计说明书一份。
2、绘制出一份完整模具装配图。
3、要求绘制出所有非标准件的零件图4、所有图纸经过检查后才能描深、上交。
三、说明:1、所有尺寸计算、数据引用都要有根据,查阅资料要注明出处。
2、所有图线要粗细分明,图面洁净,书写规范。
塑料模课程设计任务书2一、限烟器隔套注塑模如图所示,材料为有机玻璃,大批量生产,要求全自动连续生产。
二、设计要求:1、手工书写出详细设计说明书一份。
2、绘制出一份完整模具装配图。
3、要求绘制出所有非标准件的零件图4、所有图纸经过检查后才能描深、上交。
三、说明:1、所有尺寸计算、数据引用都要有根据,查阅资料要注明出处。
2、所有图线要粗细分明,图面洁净,书定规范。
塑料模课程设计任务书3一、限烟器隔套注塑模如图所示,材料为尼龙-1010,大批量生产,要求全自动连续生产。
二、设计要求:1、手工书写出详细设计说明书一份。
2、绘制出一份完整模具装配图。
3、要求绘制出所有非标准件的零件图4、所有图纸经过检查后才能描深、上交。
三、说明:1、所有尺寸计算、数据引用都要有根据,查阅资料要注明出处。
2、所有图线要粗细分明,图面洁净,书定规范。
塑料模课程设计任务书4一、包装盒注塑模如图所示,材料为高密度聚乙烯,大批量生产,要求全自动连续生产。
二、设计要求:1、手工书写出详细设计说明书一份。
2、绘制出一份完整模具装配图。
3、要求绘制出所有非标准件的零件图4、所有图纸经过检查后才能描深、上交。
三、说明:1、所有尺寸计算、数据引用都要有根据,查阅资料要注明出处。
塑料模课程设计任务书5一、防护罩注塑模如图所示,材料为低密度聚乙烯,大批量生产,要求全自动连续生产。
技术要求为去浇口飞边,色泽为本色二、设计要求:1、手工书写出详细设计说明书一份。
2、绘制出一份完整模具装配图。
3、要求绘制出所有非标准件的零件图4、所有图纸经过检查后才能描深、上交。
塑料模具设计题库1、端盖:尼龙1010黑色大批量
2、三通管: RPVC 大批量
3、连接座: ABS 大批量
4、盖:改性聚苯乙烯大批量
5、盒盖:聚甲醛(POM)大批量
6、钩:尼龙1010(增强)大批量
7、90°弯头:聚氯乙稀(RPVC)大批量
8、骨轮:聚甲醛(POM)大批量
9、灯罩:乳氏液苯乙烯塑料6透明大批量
10、外壳:尼龙1010(1.0%~1.6%)大批量
11、罩盖:聚苯乙烯(PS)大批量
12、旋钮:高密度聚乙烯(HDPE)大批量
13、骨架: ABS 大批量
14、杯托:聚碳酸酯(PC)大批量
15、罩:聚丙烯大批量
16、支撑块:酚醛塑料(D133)大批量
二、压缩、压注模
1、锁盖:黑色酚醛塑料 M4602 大批量
2、座块盖:象牙色聚碳酸酯大批量
3、隔弧板:三聚氰胺甲醛玻璃纤维大批量
4、底板:酚醛塑料粉4010 大批量
5、电器插头:酚醛塑料(161)大批量
6、电流线圈架:酚醛塑料(J8603)大批量。
合肥学院
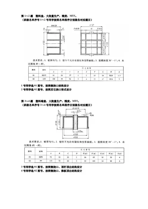
第1~2题塑料盒,大批量生产,精度:MT5。
(要求采用标准模架设计)(班级名单序号1~2号同学按照名单排序分别做各对应题目)
1号同学选01图号,按照侧浇口结构设计
2号同学选02图号,按照其它浇口形式设计
第3~4题塑料端盖,大批量生产,精度:MT5。
(要求采用标准模架设计)(班级名单序号3~4号同学按照名单排序分别做各对应题目)
3号同学选01图号,按照侧浇口、顶杆顶出结构设计
4号同学选02图号,按照侧浇口、推板顶出结构设计
第5~6题塑料壳体,大批量生产,精度:MT5。
(要求采用标准模架设计)(班级名单序号5~6号同学按照名单排序分别做各对应题目)
5号同学选01图号,按照按照侧浇口结构设计
6号同学选02图号,按照其它浇口结构设计
第7~8题塑料仪表盖,大批量生产,精度:MT5。
(要求采用标准模架设计)(班级名单序号7~8号同学按照名单排序分别做各对应题目)
7号同学选01图号;
8号同学选02图号;
要求两同学设计模具浇注系统或顶出系统不同
第9~10题多孔塑料罩,大批量生产,精度:MT5。
(要求采用标准模架设计)(班级名单序号9~10号同学按照名单排序分别做各对应题目)
9号同学选01图号,按照侧浇口结构设计
10号同学选02图号,按照其它浇口结构设计
第11~12题:(班级名单序号11~12号同学作此题)(要求采用标准模架设计)穿线盒;大批量生产;精度:MT5。
11号同学按照图示尺寸计算,材料ABS
12号同学将基本尺寸乘0.8倍作为设计尺寸,材料PP
要求两同学设计模具浇注系统或顶出系统不同
第13~14题(班级名单序号13~14号同学作此题)(要求采用标准模架设计)
套管,结构如图所示。
大批量生产,精度:MT5。
13号同学按照图示尺寸计算,材料ABS。
14号同学将基本尺寸乘1.2倍作为设计尺寸,材料PP
要求两同学设计模具浇注系统或顶出系统不同
第15~16题:(班级名单序号15~16号同学按照名单排序分别做各对应题目)(要求采用标准模架设计)
罩盖板,大批量生产;精度:MT5
15号同学将图示尺寸设计,材料PP;
16号同学将图示尺寸放大1.2倍作为设计尺寸,材料ABS;
要求同组两位同学设计模具结构不同(如浇注系统不同;或顶出系统不同;或其它不同)
准模架设计)
把手,结构如图所示。
大批量生产,精度:MT5。
17号同学按照一模多腔、侧浇口结构设计,材料ABS;
18号同学将基本尺寸放大1.5倍作为设计尺寸,按一模多腔、点浇口结构设计,材料PP
第19~20题:(班级名单序号19~20号同学做此题)(要求采用标准模架设计)
后盖板;大批量生产;精度:MT5
19号同学按照图示尺寸计算,材料ABS。
20号同学将基本尺寸乘1.1倍作为设计尺寸,材料PP
结构设计)(要求采用标准模架设计)
塑料盖,结构如图所示。
大批量生产,精度:MT5。
21号同学按照一模多腔、侧浇口结构设计,材料PP;
22号同学将基本尺寸放大1.2倍作为设计尺寸,按一模多腔、点浇口结构设计,材料PE。
第23~24题:(班级名单序号23~24号同学按照名单排序分别做各对应题目)
罩盖,结构如图所示。
大批量生产。
(要求采用标准模架设计)
23号同学按照图示尺寸计算,材料ABS。
24号同学将基本尺寸乘1.2倍作为设计尺寸,材料PP
要求两同学设计模具浇注系统或顶出系统不同
盖,根据图示的塑件图设计一套注塑模。
大批量生产;精度:MT5。
25号同学按照图示尺寸计算,材料ABS。
(要求采用标准模架设计)
26号同学将基本尺寸乘1.3倍作为设计尺寸,材料PE
要求两同学设计模具浇注系统或顶出系统不同
第27,28 题:灭火器桶座(班级名单序号27~28号同学按照名单排序分别做各对应题目)根据图示的塑件图设计一套注塑模。
大批量生产;精度:MT5。
(要求采用标准模架设计)大批量生产;精度:MT5。
27号同学按照顶杆顶出结构设计,材料ABS;
根据图示的塑件图设计一套注塑模。
大批量生产;精度:MT5,材料ABS。
第30~31题:罩盖(班级名单序号30~31号同学做此题)(要求采用标准模架设计)根据图示的塑件图设计一套注塑模。
大批量生产;精度:MT5。
30号同学按照图示尺寸计算,材料LDPE。
(要求采用标准模架设计)
31号同学将基本尺寸乘1.2倍作为设计尺寸,材料PP
要求两同学设计模具浇注系统或顶出系统不同
第32题:(班级名单序号32号同学做此题)(要求采用标准模架设计)
线圈骨架;大批量生产;精度:MT5。
材料:ABS
第33~34题;(班级名单序号33~34号同学做此题)(要求采用标准模架设计)后盖:大批量生产;精度:MT5,材料:ABS
33号同学按照图示尺寸计算,材料ABS。
34号同学将基本尺寸乘1.4倍作为设计尺寸,材料PP
要求两同学设计模具浇注系统或顶出系统不同
第35~36题:(班级名单序号35~36号同学做此题)(要求采用标准模架设计)电器盖;大批量生产;精度:MT5。
35号同学按照图示尺寸计算,材料PP。
36号同学将基本尺寸乘0.8倍作为设计尺寸,材料PE
要求两同学设计模具浇注系统或顶出系统不同
第37题:(班级名单序号37号同学做此题)(要求采用标准模架设计)
支架;大批量生产;精度:MT5,材料ABS。
尾灯罩;大批量生产;精度:MT5,材料ABS。
第39题:(班级名单序号39号同学做此题)(要求采用标准模架设计)龙骨架:大批量生产;精度:MT5,材料PE
第40题(班级名单序号40号同学作此题)(要求采用标准模架设计)衬套,结构如图所示。
大批量生产,材料PP,精度:MT5。
套管,结构如图所示。
大批量生产,材料ABS,精度:MT5。
第42题(班级名单序号42号同学作此题)(要求采用标准模架设计)纱桶,结构如图所示。
大批量生产,材料PP,精度:MT5。
第43题(班级名单序号43号同学作此题)(要求采用标准模架设计)桶盖,结构如图所示。
大批量生产,材料PP,精度:MT5。
桶:大批量生产;精度:MT5,材料PP
第45题:(班级名单序号45号同学做此题)(要求采用标准模架设计)龙骨架;大批量生产;精度:MT5,材料:ABS。
第46题:(班级名单序号46号同学做此题)(要求采用标准模架设计)外盖:大批量生产;精度:MT5,材料PE。