锚杆张拉施工记录
- 格式:xlsx
- 大小:13.56 KB
- 文档页数:1
技术交底记录施工单位:编号:路基交底—00抗滑桩锚索张拉技术交底匀,注浆速度不宜太快。
所用砂浆必须搅拌均匀,使其达到规定指标,搅拌直至灌浆结束方可停止。
在砂浆未完全固化前,不得拉拔和移动锚索。
(6).锚墩砌筑:凿毛锚孔周围,大小和锚墩底面相适应。
安置三层钢筋网(①10@60m)预埋和钢垫板正交焊接的内径为15cm的定位钢管,钢垫板尺寸0.4 X 0.4 X 0.04m。
钢筋网碰到定位钢管和预留注浆孔及排气孔时其间距可做调整或截断。
采用C30混凝土浇筑锚墩,锚墩承压面与轴线应保持垂直,其误差不得大于0.5。
锚墩浇注后要精心养护,为使锚墩强度尽快增长可在混凝土中掺入一定比例的早强剂。
⑺•锚索张拉与锚固力锁定:锚索在锚固段结束7天后进行张拉,并按以下程序进行:①张拉作业前,须对张拉设备进行标定,标定时,千斤顶、油管、压力表和高压泵联好。
②先对锚索进行单根两次预张拉,以提高锚索各钢绞线的受力均匀,单根预张拉值为10KN③隔时分级施加荷载,直至压力表无返回现象,方可进行锁定作业。
若预应力损失过大,需进行整体张拉与重新锁定。
④锁定锚固力的大小可用两种方法确定:测力传感器直接测定或通过张拉锁定时预应力钢绞线变形量计算得出。
⑤桩锚索的预应力张拉分三级进行,第一次为张拉锁定值的50%第二次张拉锁定值,第三次超张拉值不应超过锁定值的20%每次张拉间隔时间3〜5 天。
⑻.锚索张拉段及锚墩的防腐处理:自由段钢绞线一般采用三种防护体系防腐,即防腐剂涂层,塑料套管及水泥砂浆体。
当砂浆达锚墩时,可停止注浆,封空口,从锚具处量起留100mm钢绞线,将多余的截断,外覆不小于0.1m厚的水泥砂浆保护层。
锚杆张拉与锁定一、编制依据1、建筑基坑支护技术规程(JGJ120-2012)2、建筑边坡工程技术规范(GB 50330-2013)3、岩土锚杆与喷射混凝土支护工程技术规范(GB 50086-2015)二、规范要求1、锚杆的施工偏差应符合下列要求:(1)钻孔深度宜大于设计深度0.5m;(2)钻孔孔位的允许偏差应为50mm;(3)钻孔倾角的允许偏差应为3°;(4)杆体长度应大于设计长度;(5)自由端的套管长度允许偏差应为±50mm。
2、锚杆钻孔应符合下列规定:(1)钻孔应按设计图所示位置、孔径、长度和方向进行,并应选择对钻孔周边地层扰动小的施工方法;(2)钻孔应保持直线和设定的方位;(3)向钻孔安装锚杆杆体前,应将孔内岩粉和土屑清洗干净。
3、注浆设备和注浆工艺应符合下列规定:(1)注浆设备应具有1h内完成单根锚杆连续注浆的能力;(2)对下倾的钻孔注浆时,注浆管应插入距孔底300mm~500mm处;(3)对上倾的锚杆注浆时,应在孔口设置密封装置,并应将排气管内端设于孔底。
4、钢绞线锚杆和普通钢筋锚杆的注浆应符合下列规定:(1)注浆液采用水泥浆时,水灰比宜取0.50~0.55,采用水泥砂浆时,水灰比宜取0.40~0.45,灰砂比宜取0.5~1.0,拌和用砂宜选用中粗砂。
(2)水泥浆或水泥砂浆内可掺入能提高注浆固结体早期强度或微膨胀的外掺剂,其掺入量宜按室内试验确定;(3)注浆管端部至孔底的距离不宜大于200mm,注浆及拔管过程中,注浆管口应始终埋入注浆液面内,应在水泥浆液从孔口溢出后停止注浆,注浆后,当浆液液面下降时,应进行孔口补浆;(4)采用二次压力注浆工艺时,二次压力注浆宜采用水灰比0.50~0.55的水泥浆,二次注浆管应牢固绑扎在杆体上,注浆管的出浆口应采取逆止措施,二次压力注浆时,始终注浆的压力不应小于1.5MPa;(5)基坑采用止水帷幕时,地下水位以下的锚杆注浆应采取孔口封堵措施。
锚杆张拉与锁定文稿归稿存档编号:[KKUY-KKIO69-OTM243-OLUI129-G00I-FDQS58-锚杆张拉与锁定一、编制依据1、建筑基坑支护技术规程(JGJ120-2012)2、建筑边坡工程技术规范(GB 50330-2013)3、岩土锚杆与喷射混凝土支护工程技术规范(GB 50086-2015)二、规范要求1、锚杆的施工偏差应符合下列要求:(1)钻孔深度宜大于设计深度0.5m;(2)钻孔孔位的允许偏差应为50mm;(3)钻孔倾角的允许偏差应为3°;(4)杆体长度应大于设计长度;(5)自由端的套管长度允许偏差应为±50mm。
2、锚杆钻孔应符合下列规定:(1)钻孔应按设计图所示位置、孔径、长度和方向进行,并应选择对钻孔周边地层扰动小的施工方法;(2)钻孔应保持直线和设定的方位;(3)向钻孔安装锚杆杆体前,应将孔内岩粉和土屑清洗干净。
3、注浆设备和注浆工艺应符合下列规定:(1)注浆设备应具有1h内完成单根锚杆连续注浆的能力;(2)对下倾的钻孔注浆时,注浆管应插入距孔底300mm~500mm处;(3)对上倾的锚杆注浆时,应在孔口设置密封装置,并应将排气管内端设于孔底。
4、钢绞线锚杆和普通钢筋锚杆的注浆应符合下列规定:(1)注浆液采用水泥浆时,水灰比宜取0.50~0.55,采用水泥砂浆时,水灰比宜取0.40~0.45,灰砂比宜取0.5~1.0,拌和用砂宜选用中粗砂。
(2)水泥浆或水泥砂浆内可掺入能提高注浆固结体早期强度或微膨胀的外掺剂,其掺入量宜按室内试验确定;(3)注浆管端部至孔底的距离不宜大于200mm,注浆及拔管过程中,注浆管口应始终埋入注浆液面内,应在水泥浆液从孔口溢出后停止注浆,注浆后,当浆液液面下降时,应进行孔口补浆;(4)采用二次压力注浆工艺时,二次压力注浆宜采用水灰比0.50~0.55的水泥浆,二次注浆管应牢固绑扎在杆体上,注浆管的出浆口应采取逆止措施,二次压力注浆时,始终注浆的压力不应小于1.5MPa;(5)基坑采用止水帷幕时,地下水位以下的锚杆注浆应采取孔口封堵措施。
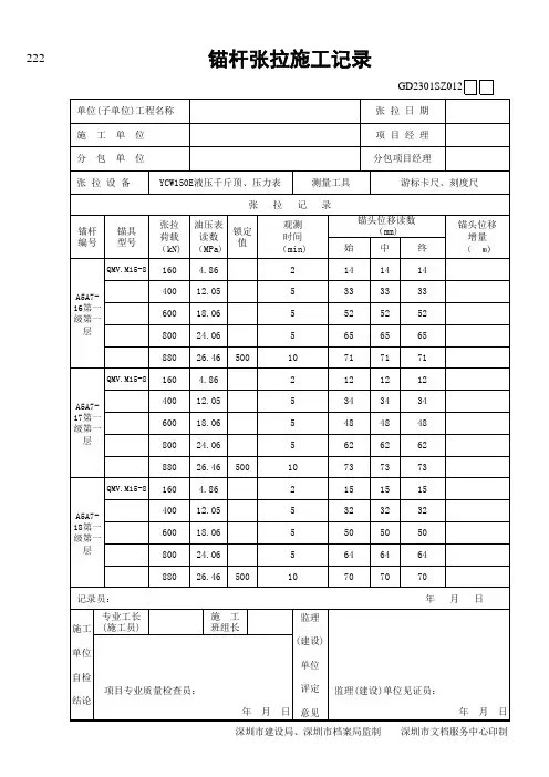
锚杆(索)张拉施工记录GD2301SZ012□□
深圳市建设局、深圳市档案局监制深圳市文档服务中心印制锚杆(索)张拉施工记录GD2301SZ012□□
深圳市建设局、深圳市档案局监制深圳市文档服务中心印制锚杆(索)张拉施工记录GD2301SZ012□□
深圳市建设局、深圳市档案局监制深圳市文档服务中心印制锚杆(索)张拉施工记录GD2301SZ012□□
锚杆(索)张拉施工记录GD2301SZ012□□
锚杆(索)张拉施工记录GD2301SZ012□□
深圳市建设局、深圳市档案局监制深圳市文档服务中心印制锚杆(索)张拉施工记录GD2301SZ012□□
深圳市建设局、深圳市档案局监制深圳市文档服务中心印制锚杆(索)张拉施工记录GD2301SZ012□□
锚杆(索)张拉施工记录GD2301SZ012□□
深圳市建设局、深圳市档案局监制深圳市文档服务中心印制锚杆(索)张拉施工记录GD2301SZ012□□
深圳市建设局、深圳市档案局监制深圳市文档服务中心印制。
压力型预应力锚杆施工方案1. 引言本文档旨在介绍压力型预应力锚杆的施工方案。
压力型预应力锚杆是一种常用于工程结构中的预应力设备,适用于公路大桥、高速公路、铁路、隧道等工程。
下文将详细介绍压力型预应力锚杆施工步骤、材料要求、质量控制等内容。
2. 施工步骤2.1 材料准备在开始施工之前,需要准备以下材料: - 预应力钢束 - 预应力套管 - 锚具和锚板 - 混凝土 - 压力油泵2.2 钻孔首先,按照设计要求在需要安装压力型预应力锚杆的位置进行钻孔。
钻孔的直径和深度应符合设计要求,并确保钻孔平直、垂直。
2.3 安装钢束和套管将预应力钢束穿过套管,然后将套管插入钻孔中,确保套管和钢束与钻孔壁紧密贴合。
2.4 固定锚具和锚板将锚具和锚板安装在钢束的末端,并确保固定稳固。
锚板上的孔洞要与设计要求相符,以便后续的张拉工作。
2.5 浇筑混凝土准备混凝土,并在钻孔上方进行浇筑,直至达到设计要求的混凝土高度。
在浇筑过程中,要注意混凝土的均匀分布和充实。
2.6 张拉预应力等待混凝土到达设计强度后,使用压力油泵施行预应力锚杆的张拉工作。
根据设计要求和钢束的特性,逐渐施加压力,直到预应力锚杆达到设计要求的预应力水平。
3. 质量控制3.1 施工人员资质要求施工人员必须具备相关的施工经验和技术资质,熟悉压力型预应力锚杆的施工工艺和操作规范。
3.2 材料质量控制在施工过程中,要对所使用的材料进行检查。
预应力钢束、套管、锚具和锚板等材料必须符合设计要求和相关标准的质量要求。
3.3 施工过程控制在施工过程中,需要注意钻孔的准确性和混凝土浇筑的均匀性。
及时发现并修复施工过程中可能出现的问题,确保施工的连续性和质量。
3.4 预应力张拉质量控制预应力锚杆的张拉过程中,需要监测各个锚杆的预应力水平,并记录相关数据。
确保每个锚杆的预应力达到设计要求,并对达不到要求的锚杆进行处理。
4. 安全措施4.1 施工现场安全在施工现场,要设置明显可见的警示标志,并对施工区域进行围挡。
土层锚杆张拉与锁定记录
一、适用范围
土层锚杆张拉与锁定施工必须用本表作施工记录。
二、执行标准
城市桥梁工程施工与验收规范,CJJ2;公路桥涵施工技术规范,JTJ041;建筑地基基础工程施工质量验收规范,GB50202;混凝土结构工程施工质量验收规范,GB50204等。
以最新颁布的规范、标准为准。
三、表内填写提示
部位里程:本机本天施工的锚杆所在的部位及里程范围。
张拉设备编号:按自编的设备编号或标识铭牌填写。
张拉设备型号:按设备的铭牌填写。
油压表编号:按表的铭牌填写。
张拉设备标定报告编号:法定计量检测单位对张拉设备标定的报告编号。
设计锚具型号、设计锚杆规格、设计张拉力、设计锁定力:按设计图纸要求填写。
序号:为本机当天施工的流水号。
锚杆编号:杆号与设计图或自编锚杆杆位图一致。
张拉力:施加于锚杆实际拉力。
油压表读数:锁锚前的压力表读数。
锚头位移量:锚杆张拉前的实测长度-锚杆张拉后的实测长度。
锁定力:施加于锚杆实际锁定力。
锚头回缩量:锚杆锁定前实测的锚杆长度- 锚杆锁定后实测的锚杆长
备注:填写施工过程中出现的问题、处理情况及需要补充说明的其他内容。
土层锚杆张拉和锁定记录
项目技术负责人:质检员:施工员:监理工程师:年月日。
锚杆成孔、安装、张拉施工记录1. 引言本文档旨在记录锚杆在施工过程中的成孔、安装和张拉工作,以确保施工质量和施工安全。
2. 锚杆成孔工作记录锚杆成孔工作是锚杆安装的第一步,下面将详细记录相关的内容。
2.1 施工时间和地点•施工时间:20XX年XX月XX日•施工地点:XX工程地点2.2 设备和材料准备在成孔工作前,需要准备以下设备和材料: - 钻机:型号XXXX - 钻头:直径XXmm - 水泥浆:配比XX2.3 施工步骤1.钻孔定位:根据设计图纸要求,确定锚杆孔位位置。
2.钻孔准备:将钻头安装到钻机上,检查钻机的工作状态和钻头的磨损程度。
3.钻孔操作:根据设计要求,控制好钻孔深度和孔径,逐渐向下进行钻孔操作。
4.确认孔径:钻完一个孔后,使用钢丝筛或其他适当工具检测孔径是否符合要求。
5.清洁孔内:使用气压净化枪清理钻孔内部的碎屑和粉尘。
6.注浆:根据设计要求,配制好水泥浆,使用注浆管将浆液注入钻孔直到孔底。
3. 锚杆安装工作记录在完成锚杆成孔后,进行锚杆的安装工作,下面将详细记录相关的内容。
3.1 施工时间和地点•施工时间:20XX年XX月XX日•施工地点:XX工程地点3.2 设备和材料准备在安装锚杆前,需要准备以下设备和材料: - 锚杆:规格、材质等 - 锚杆套管:规格、材质等 - 注浆设备:配比器、压力泵等 - 水泥浆:配比XX3.3 施工步骤1.准备工作:检查锚杆、套管和注浆设备的完好性和正常工作状态。
2.安装套管:按照设计要求,将套管嵌入到孔内并与孔壁紧密接触。
3.锚杆安装:将锚杆插入套管,并使用锚杆卡具将锚杆固定住。
4.注浆:根据设计要求,配制好水泥浆,使用注浆设备将浆液注入套管。
5.检测:在注浆完成后,使用振动棒等工具对锚杆进行质量检测,确保其质量合格。
4. 锚杆张拉施工记录在锚杆安装完成后,进行锚杆的张拉工作,下面将详细记录相关的内容。
4.1 施工时间和地点•施工时间:20XX年XX月XX日•施工地点:XX工程地点4.2 设备和材料准备在进行锚杆张拉前,需要准备以下设备和材料: - 锚杆张拉设备:张拉机、夹具、应变片等 - 计量设备:应变仪、伸缩尺等4.3 施工步骤1.准备工作:检查锚杆张拉设备和计量设备的工作状态和完好性。
建筑工程案卷题名1.工程-项目前期文件(一)-建设项目环境影响审查批复文件等;2.工程-项目前期文件(二)-岩土工程勘察报告;3.工程-项目前期文件(三)-岩土工程勘察报告等;4.工程-项目前期文件(四)-铝合金门窗、幕墙工程施工合同等;5.工程-项目前期文件(五)-基坑支护施工合同等;6.工程-项目前期文件(六)-消防工程分包合同等;7.工程-竣工验收文件-房屋建筑工程质量评估报告等;8.工程-监理工作文件-总监理工程师任命通知书等;9.工程-施工管理及质量保证文件(一)-项目经理任命通知书等;10.工程-施工管理及质量保证文件(二);11.工程-施工管理及质量保证文件(三);12.工程-施工管理及质量保证文件(四);13.工程-施工管理及质量保证文件(五);14.工程-施工管理及质量保证文件(六);15.工程-施工管理及质量保证文件(七);16.工程-施工管理及质量保证文件(八);17.工程-施工管理及质量保证文件(九);18.工程-施工管理及质量保证文件(十);19.工程-施工管理及质量保证文件(十一);20.工程-施工管理及质量保证文件(十二);21.工程-施工管理及质量保证文件(十三);22.工程-施工管理及质量保证文件(十四);23.工程-施工管理及质量保证文件(十五);24.工程-施工管理及质量保证文件(十六);25.工程-施工管理及质量保证文件(十七);26.工程-施工管理及质量保证文件(十八);27.工程-施工管理及质量保证文件(十九);28.工程-施工管理及质量保证文件(二十);29.工程-施工管理及质量保证文件(二十一);30.工程-施工管理及质量保证文件(二十二);31.工程-施工管理及质量保证文件(二十三);32.工程-施工管理及质量保证文件(二十四);33.工程-施工管理及质量保证文件(二十五);34.工程-施工管理及质量保证文件(二十六);35.工程-施工管理及质量保证文件(二十七);36.工程-施工管理及质量保证文件(二十八);37.工程-施工管理及质量保证文件(二十九)38.工程-工程质量第三方试验、检验、检测文件(一)-钢筋机械连接接头检验报告汇总表等;39.工程-工程质量第三方试验、检验、检测文件(二)-填充墙砌体植筋锚固承载力现场检验报告;40.工程-工程质量第三方试验、检验、检测文件(三)-填充墙砌体植筋锚固承载力现场检验报告等;41.工程-工程质量第三方试验、检验、检测文件(四)-基桩钻芯法检测报告;42.工程-工程质量第三方试验、检验、检测文件(五)-基桩低应变反射波法检测报告等;43.工程-工程质量第三方试验、检验、检测文件(六)-混凝土试块试验结果汇总表等;44.工程-工程质量第三方试验、检验、检测文件(七)-回弹法检测混凝土抗压强度报告等;45.工程-工程质量第三方试验、检验、检测文件(八)-混凝土结构实体楼板厚度检验报告等;46.工程-基坑支护工程工序检查及质量验收文件(一)-锚杆张拉施工记录;47.工程-基坑支护工程工序检查及质量验收文件(二)-锚杆张拉施工记录;48.工程-基坑支护工程工序检查及质量验收文件(三)-锚杆(土钉)钻孔施工记录等;49.工程-基坑支护工程工序检查及质量验收文件(四)-钻(冲)孔桩成孔施工记录;50.工程-基坑支护工程工序检查及质量验收文件(五)-钻(冲)孔桩成孔施工记录;51.工程-基坑支护工程工序检查及质量验收文件(六)-钻(冲)孔桩成孔施工记录等;52.工程-基坑支护工程工序检查及质量验收文件(七)-钻(冲)孔桩地下连续墙灌注水下混凝土记录;53.工程-基坑支护工程和主体结构工程工序检查及质量验收文件(八)-钻(冲)孔桩地下连续墙灌注水下混凝土记录等;54.工程-基坑支护工程工序检查及质量验收文件(九)-钻(冲、挖)孔桩钢筋笼安装隐蔽验收记录表;55.工程-基坑支护工程工序检查及质量验收文件(十)-钻(冲、挖)孔桩钢筋笼安装隐蔽验收记录表;56.工程-基坑支护工程工序检查及质量验收文件(十一)-钻(冲、挖)孔桩钢筋笼安装隐蔽验收记录表等;57.工程-基坑支护工程工序检查及质量验收文件(十二)-(钻)冲孔桩隐蔽验收记录;58.工程-基坑支护工程工序检查及质量验收文件(十三)-(钻)冲孔桩隐蔽验收记录;59.工程--地基与基础工程和主体结构工程工序检查及质量验收文件(一)-锚杆(土钉)钻孔施工记录;60.工程-地基与基础工程和主体结构工程工序检查及质量验收文件(二)-钻(冲)孔桩成孔施工记录;61.工程-地基与基础工程和主体结构工程工序检查及质量验收文件(三)-钻(冲)孔桩成孔施工记录;62.工程-地基与基础工程和主体结构工程工序检查及质量验收文件(四)-钻(冲)孔桩成孔施工记录;63.工程-地基与基础工程和主体结构工程工序检查及质量验收文件(五)-钻(冲)孔桩地下连续墙灌注水下混凝土记录;64.工程-地基与基础工程和主体结构工程工序检查及质量验收文件(六)-钻(冲)孔桩地下连续墙灌注水下混凝土记录;65.工程-地基与基础工程和主体结构工程工序检查及质量验收文件(七)-钻(冲)孔桩地下连续墙灌注水下混凝土记录等;66.工程-地基与基础工程和主体结构工程工序检查及质量验收文件(八)-钻(冲、挖)孔桩钢筋笼安装隐蔽验收记录表;67.工程-地基与基础工程和主体结构工程工序检查及质量验收文件(九)-(钻)冲孔桩隐蔽验收记录;68.工程-地基与基础工程和主体结构工程工序检查及质量验收文件(十)-(钻)冲孔桩隐蔽验收记录;69.工程-地基与基础工程和主体结构工程工序检查及质量验收文件(十一)-(钻)冲孔桩隐蔽验收记录;70.工程-地基与基础工程和主体结构工程工序检查及质量验收文件(十二)-分项工程质量验收记录;71.工程-各分部分项工程工序检查及质量验收文件-分部工程质量验。
锚杆(索)张拉施工记录GD2301SZ012□□
锚杆(索)张拉施工记录GD2301SZ012□□
锚杆(索)张拉施工记录GD2301SZ012
□□
深圳市建设局、深圳市档案局监制深圳市文档服务中心印制锚杆(索)张拉施工记录GD2301SZ012□□
深圳市建设局、深圳市档案局监制深圳市文档服务中心印制锚杆(索)张拉施工记录GD2301SZ012□□
锚杆(索)张拉施工记录GD2301SZ0
12□□
深圳市建设局、深圳市档案局监制深圳市文档服务中心印制锚杆(索)张拉施工记录GD2301SZ012□□
深圳市建设局、深圳市档案局监制深圳市文档服务中心印制锚杆(索)张拉施工记录GD2301SZ0
12□□
深圳市建设局、深圳市档案局监制深圳市文档服务中心印制锚杆(索)张拉施工记录GD2301SZ012□□
深圳市建设局、深圳市档案局监制深圳市文档服务中心印制锚杆(索)张拉施工记录GD2301SZ012□□。
锚杆张拉与锁定一、编制依照1、建筑基坑支护技术规程(JGJ120-2012)2、建筑边坡工程技术规范(GB 50330-2013)3、岩土锚杆与发射混凝土支护工程技术规范(GB 50086-2015)二、规范要求1、锚杆的施工偏差应切合以下要求:(1)钻孔深度宜大于设计深度 0.5m;(2)钻孔孔位的同意偏差应为 50mm;(3)钻孔倾角的同意偏差应为 3°;(4)杆体长度应大于设计长度;(5)自由端的套管长度同意偏差应为± 50mm。
2、锚杆钻孔应切合以下规定:(1)钻孔应按设计图所示地点、孔径、长度和方向进行,并应选择对钻孔周边地层扰动小的施工方法;(2)钻孔应保持直线和设定的方向;(3)向钻孔安装锚杆杆体前,应将孔内岩粉和土屑冲洗洁净。
3、注浆设备和注浆工艺应切合以下规定:(1)注浆设备应拥有 1h 内达成单根锚杆连续注浆的能力;(2)对下倾的钻孔注浆时,注浆管应插入距孔底 300mm~500mm处;(3)对上倾的锚杆注浆时,应在孔口设置密封装置,并应将排气管内端设于孔底。
4、钢绞线锚杆和一般钢筋锚杆的注浆应切合以下规定:(1)注浆液采纳水泥浆时,水灰比宜取 0.50~0.55,采纳水泥沙浆时,水灰比宜取 0.40~0.45,灰砂比宜取 0.5~1.0,拌和用砂宜采纳中粗砂。
(2)水泥浆或水泥沙浆内可掺入能提升注浆固结体初期强度或微膨胀的外掺剂,其掺入量宜按室内试验确立;(3)注浆管端部至孔底的距离不宜大于 200mm,注浆及拔管过程中,注浆管口应一直埋入注浆液面内,应在水泥浆液从孔口溢出后停止注浆,注浆后,当浆液液面降落时,应进行孔口补浆;(4)采纳二次压力注浆工艺时,二次压力注浆宜采纳水灰比0.50~0.55的水泥浆,二次注浆管应坚固绑扎在杆体上,注浆管的出浆口应采纳逆止举措,二次压力注浆时,一直注浆的压力不该小于 1.5MPa;(5)基坑采纳止水帷幕时,地下水位以下的锚杆注浆应采纳孔口封堵举措。
锚杆施工质量控制要点一、引言锚杆施工是土木工程中常用的一种地基加固方法,用于增加土体的稳定性和承载能力。
为了确保锚杆施工的质量,需要严格控制施工过程中的关键要点。
本文将详细介绍锚杆施工质量控制的要点。
二、施工前准备1. 设计方案审查:在施工前,应仔细审查设计方案,确保方案合理、可行,并与设计人员进行沟通,以解决可能存在的问题。
2. 材料准备:根据设计要求,选择符合标准的锚杆材料,并进行验收。
材料的强度、耐久性和可靠性是施工质量的关键因素。
3. 设备检查:检查施工所需的设备,确保其完好无损,并进行必要的维护和保养。
三、施工过程控制1. 基坑开挖:按照设计要求进行基坑开挖,确保基坑的尺寸和形状符合设计要求,并采取防止坍塌的措施。
2. 钻孔施工:根据设计要求进行钻孔,确保钻孔的位置、直径和深度符合要求,并进行钻孔质量的检查。
钻孔过程中应注意排除孔底杂质和保持孔壁的垂直度。
3. 锚杆安装:选择适当的锚杆材料和长度,根据设计要求进行锚杆的安装。
确保锚杆的垂直度和水平度符合要求,并进行必要的锚固措施。
4. 灌浆施工:根据设计要求进行灌浆,确保灌浆材料的质量和配比符合要求。
灌浆过程中应注意控制灌浆压力和速度,确保灌浆充实且无空隙。
5. 锚杆张拉:根据设计要求进行锚杆的张拉,确保张拉力的大小和均匀性符合要求。
张拉过程中应注意控制张拉速度和张拉力的监测,确保锚杆的受力状态稳定。
四、施工质量检查1. 施工记录:施工过程中应详细记录每个环节的施工情况,包括材料验收记录、设备使用记录、施工工艺记录等。
记录内容应真实、准确,并做好保存。
2. 施工质量检测:根据设计要求和相关标准进行施工质量检测,包括锚杆的尺寸、强度、锚固长度等。
检测结果应与设计要求进行比对,确保施工质量符合要求。
3. 施工质量评估:对施工质量进行评估,包括锚杆的稳定性、可靠性和耐久性等。
评估结果应用于施工质量的改进和提升。
五、施工质量控制要点总结1. 严格按照设计要求进行施工,确保施工质量符合要求。
一、工程背景随着城市化进程的加快,深基坑工程在建筑工程中日益增多。
为了确保基坑工程的安全、高效施工,基坑锚固技术得到了广泛应用。
本文针对某深基坑工程,设计了一套锚固工程施工方案。
二、工程概况该工程基坑深度为8米,宽20米,长100米,基坑周边为住宅区,地下管线密集。
基坑支护形式采用土钉墙+锚杆支护结构。
三、施工方案设计1. 土钉墙施工(1)施工顺序:放样→钻孔→注浆→土钉植入→喷射混凝土面层。
(2)施工要点:1)放样:根据设计图纸,确定土钉墙的尺寸、间距和角度。
2)钻孔:采用旋挖钻机进行钻孔,钻孔深度应大于设计深度,孔径应符合要求。
3)注浆:采用水泥浆注浆,注浆压力应控制在0.5~1.0MPa之间,注浆量应满足设计要求。
4)土钉植入:土钉植入前,应检查土钉质量,确保符合设计要求。
植入时,采用机械振动法,确保土钉与土体紧密结合。
5)喷射混凝土面层:喷射混凝土厚度应符合设计要求,表面应平整、密实。
2. 锚杆施工(1)施工顺序:钻孔→锚杆植入→注浆→锚杆张拉。
(2)施工要点:1)钻孔:采用旋挖钻机进行钻孔,钻孔深度应大于设计深度,孔径应符合要求。
2)锚杆植入:锚杆植入前,应检查锚杆质量,确保符合设计要求。
植入时,采用机械振动法,确保锚杆与土体紧密结合。
3)注浆:采用水泥浆注浆,注浆压力应控制在0.5~1.0MPa之间,注浆量应满足设计要求。
4)锚杆张拉:锚杆张拉前,应检查锚杆张拉设备,确保其符合要求。
张拉过程中,应按设计要求进行张拉,并做好记录。
四、质量控制措施1. 施工前,对施工人员进行技术交底,确保施工人员掌握施工工艺和质量要求。
2. 施工过程中,对施工材料、设备进行检查,确保其符合设计要求。
3. 施工过程中,对关键工序进行检验,确保工程质量。
4. 施工完成后,对工程进行验收,确保工程质量符合设计要求。
五、安全措施1. 施工现场设置安全警示标志,确保施工人员安全。
2. 施工过程中,做好高空作业、用电、消防等安全措施。