外连式水平加劲肋梁柱刚接节点计算(腹板螺栓连接)
- 格式:xls
- 大小:289.00 KB
- 文档页数:7
“梁梁拼接全螺栓刚接”节点计算书一. 节点基本资料设计依据:《钢结构连接节点设计手册》(第二版)节点类型为:梁梁拼接全螺栓刚接梁截面:H-340*173*4.5*6,材料:Q235左边梁截面:H-340*173*4.5*6,材料:Q235腹板螺栓群:10.9级-M20螺栓群并列布置:4行;行间距70mm;1列;螺栓群列边距:45 mm,行边距45 mm翼缘螺栓群:10.9级-M20螺栓群并列布置:1行;2列;列间距70mm;螺栓群列边距:45 mm,行边距35 mm腹板连接板:300 mm×185 mm,厚:6 mm翼缘上部连接板:325 mm×173 mm,厚:8 mm翼缘下部连接板:325 mm×70 mm,厚:8 mm梁梁腹板间距为:a=5mm节点前视图如下:节点下视图如下:二. 荷载信息设计内力:组合工况内力设计值组合工况1 0.0 115.4 152.3 否组合工况2 0.0 135.4 172.3 是三. 验算结果一览承担剪力(kN) 33.9 最大126 满足列边距(mm) 45 最小33 满足列边距(mm) 45 最大48 满足行边距(mm) 45 最小44 满足行边距(mm) 45 最大48 满足外排行间距(mm) 70 最大72 满足中排行间距(mm) 70 最大144 满足行间距(mm) 70 最小66 满足净截面剪应力比 0.426 1 满足净截面正应力比 0.000 1 满足净面积(cm^2) 25.4 最小10.8 满足承担剪力(kN) 129 最大140 满足列边距(mm) 45 最小44 满足列边距(mm) 45 最大64 满足外排列间距(mm) 70 最大96 满足中排列间距(mm) 70 最大192 满足列间距(mm) 70 最小66 满足行边距(mm) 35 最小33 满足行边距(mm) 35 最大64 满足净截面剪应力比 0.000 1满足净截面正应力比 0.500 1 满足净面积(cm^2) 18.0 最小7.74 满足净抵抗矩(cm^3) 679 最小300 满足四. 梁梁腹板螺栓群验算1 螺栓群受力计算控制工况:组合工况2,N=0 kN;V x=135.4 kN;M y=172.3 kN·m;2 腹板螺栓群承载力计算列向剪力:V=135.4 kN螺栓采用:10.9级-M20螺栓群并列布置:4行;行间距70mm;1列;螺栓群列边距:45 mm,行边距45 mm螺栓受剪面个数为2个连接板材料类型为Q235螺栓抗剪承载力:N vt=N v=0.9n fμP=0.9×2×0.45×155=125.55kN计算右上角边缘螺栓承受的力:N v=135.4/4=33.85 kNN h=0 kN螺栓群对中心的坐标平方和:S=∑x^2+∑y^2=24500 mm^2N mx=0 kNN my=0 kNN=[(|N mx|+|N h|)^2+(|N my|+|N v|)^2]^0.5=[(0+0)^2+(0+33.85)^2]^0.5=33.85 kN≤125.55,满足3 腹板螺栓群构造检查列边距为45,最小限值为33,满足!列边距为45,最大限值为48,满足!行边距为45,最小限值为44,满足!行边距为45,最大限值为48,满足!外排行间距为70,最大限值为72,满足!中排行间距为70,最大限值为144,满足!行间距为70,最小限值为66,满足!五. 腹板连接板计算1 腹板连接板受力计算控制工况:同腹板螺栓群(内力计算参上)连接板剪力:V l=135.4 kN采用一样的两块连接板连接板截面宽度为:B l=300 mm连接板截面厚度为:T l=6 mm连接板材料抗剪强度为:f v=125 N/mm^2连接板材料抗拉强度为:f=215 N/mm^2连接板全面积:A=B l*T l*2=300×6×2×10^-2=36 cm^2开洞总面积:A0=4×22×6×2×10^-2=10.56 cm^2连接板净面积:A n=A-A0=36-10.56=25.44 cm^2连接板净截面剪应力计算:τ=V l×10^3/A n=135.4/25.44×10=53.2233 N/mm^2≤125,满足!连接板截面正应力计算:按《钢结构设计规范》5.1.1-2公式计算:σ=(1-0.5n1/n)N/A n=(1-0.5×4/4)×0/25.44×10=0 N/mm^2≤215,满足!按《钢结构设计规范》5.1.1-3公式计算:σ=N/A=0/36×10=0 N/mm^2≤215,满足!2 腹板连接板刚度计算腹板的净面积为:4.5×(340-2×6)/100-4×4.5×22/100=10.8cm^2腹板连接板的净面积为:(300-4×22)×6×2/100=25.44cm^2≥10.8,满足六. 翼缘螺栓群验算1 翼缘螺栓群受力计算控制工况:组合工况2,N=0 kN;V x=135.4 kN;M y=172.3 kN·m;翼缘螺栓群承担的轴向力:F f=|M f|/(h-t f)/2=257.934kN2 翼缘螺栓群承载力计算行向轴力:H=257.934 kN为地震组合工况,取连接螺栓γRE=1螺栓采用:10.9级-M20螺栓群并列布置:1行;2列;列间距70mm;螺栓群列边距:45 mm,行边距35 mm螺栓受剪面个数为2个连接板材料类型为Q345螺栓抗剪承载力:N vt=N v=0.9n fμP=0.9×2×0.5×155=139.5kN轴向连接长度:l1=(2-1)×70=70 mm<15d0=330,取承载力折减系数为ξ=1.0折减后螺栓抗剪承载力:N vt=139.5×1=139.5 kN计算右上角边缘螺栓承受的力:N v=0 kNN h=257.93/2=128.97 kN螺栓群对中心的坐标平方和:S=∑x^2+∑y^2=2450 mm^2N mx=0 kNN my=0 kNN=[(|N mx|+|N h|)^2+(|N my|+|N v|)^2]^0.5=[(0+128.97)^2+(0+0)^2]^0.5=128.97 kN≤139.5,满足3 翼缘螺栓群构造检查列边距为45,最小限值为44,满足!列边距为45,最大限值为64,满足!外排列间距为70,最大限值为96,满足!中排列间距为70,最大限值为192,满足!列间距为70,最小限值为66,满足!行边距为35,最小限值为33,满足!行边距为35,最大限值为64,满足!七. 翼缘连接板计算1 翼缘连接板受力计算控制工况:同翼缘螺栓群(内力计算参上)连接板轴力:N l=257.934 kN采用两种不同的连接板连接板1截面宽度为:B l1=70 mm连接板1截面厚度为:T l1=8 mm连接板1有2块连接板2截面宽度为:B l2=173 mm连接板2截面厚度为:T l2=8 mm连接板材料抗剪强度为:f v=125 N/mm^2连接板材料抗拉强度为:f=215 N/mm^2连接板全面积:A=B l1*T l1*2+B l2*T l2=(70×8×2+173×8)×10^-2=25.04 cm^2开洞总面积:A0=1×22×(8+8)×2×10^-2=7.04 cm^2连接板净面积:A n=A-A0=25.04-7.04=18 cm^2连接板净截面剪应力:τ=0 N/mm^2≤125,满足!连接板截面正应力计算:按《钢结构设计规范》5.1.1-2公式计算:σ=(1-0.5n1/n)N/A n=(1-0.5×1/2)×257.934/18×10=107.473 N/mm^2≤215,满足!按《钢结构设计规范》5.1.1-3公式计算:σ=N/A=257.934/25.04×10=103.009 N/mm^2≤215,满足!2 翼缘连接板刚度计算单侧翼缘的净面积为:173×6/100-2×1×22×6/100=7.74cm^2单侧翼缘连接板的净面积为:(173-2×1×22)×8/100+(70-1×22)×8×2/100=18cm^2≥7.74,满足3 拼接连接板刚度验算梁的毛截面惯性矩:I b0=6823cm^4翼缘上的螺栓孔的惯性矩:I bbf=2×2×1×[22×6^3/12+22×6×(340/2-6/2)^2]×10^-4=1472.7cm^4腹板上的螺栓孔的惯性矩:I bbw=4×4.5×22^3/12×10^-4+4.5×22×(105^2+35^2+35^2+105^2)×10^-4=244.147cm^4梁的净惯性矩:I b=6823-1472.7-244.147=5106.16cm^4梁的净截面抵抗矩:W b=5106.16/340×2×10=300.362cm^3翼缘上部连接板的毛惯性矩:I pf1=2×[173×8^3/12+173×8×(340/2+8/2)^2]×10^-4=8381.87cm^4翼缘上部连接板上的螺栓孔的惯性矩:I pfb1=2×2×1×[22×8^3/12+22×8×(340/2+8/2)^2]×10^-4=2131.81cm^4翼缘下部连接板的毛惯性矩:I pf2=2×2×[70×8^3/12+70×8×(340/2-8/2-6)^2]×10^-4=5735.59cm^4翼缘下部连接板上的螺栓孔的惯性矩:I pfb2=2×2×1×[22×8^3/12+22×8×(340/2-8/2)^2]×10^-4=1940.32cm^4腹板连接板的毛惯性矩:I pw=2×6×300^3/12×10^-4=2700cm^4腹板连接板上的螺栓孔的惯性矩:I pbw=2×4×6×22^3/12×10^-4+2×6×22×(105^2+35^2+35^2+105^2)×10^-4=651.059cm^4连接板的净惯性矩:I p=8381.87+5735.59+2700-2131.81-1940.32-651.059=12094.3cm^4连接板的净截面抵抗矩:W p=12094.3/(340/2+8)×10=679.454cm^3≥300.362,满足。
“外柱柱脚”节点计算书一.节点基本资料设计依据:《钢结构连接节点设计手册》(第二版)节点类型为:圆柱埋入刚接柱截面:φ299×12,材料:Q355柱与底板全截面采用对接焊缝,焊缝等级为:二级,采用引弧板;底板尺寸:1×B=700mm×700mm,厚:T=30mm锚栓信息:个数:4采用锚栓:双螺母弯钩锚栓库_Q345-M24方形锚栓垫板尺寸(mm):B×T=70×20底板下混凝土采用C30基础梁混凝土采用C30埋入深度:1.2m栓钉生产标准:GB/T10433栓钉抗拉强度设计值:f=215N∕mm2栓钉强屈比:γ=1.67沿Y向栓钉采用:M19×100行向排列:12OmmX9列向排列:45o×2沿X向栓钉采用:M19×100行向排列:120mm×9列向排列:45o×2实配用冈筋:4HRB400C20+10HRB400C20÷10HRB400C20近似取X向钢筋保护层厚度:Cx=30mm近似取Y向钢筋保护层厚度:Cy=30mm节点示意图如下:二.荷载信息设计内力:组合工况内力设计值工况N(kN)Vx(kN)Vy(kN)Mx(kN∙n Q)My(kN∙m)组合工况-813.227261.830.0 0.0 5.219三.验算结果一览验算项数值限值结果最大压应力(MPa) 1.39最大14.3满足等强全截面1满足基底最大剪力(kN)219最大273满足绕X轴抗弯承载力(kNXm)1311 最小1019满足绕y轴抗弯承载力(kN×m)1873 最小1019满足沿Y向抗剪应力比 5.29最大71.3满足沿X向抗剪应力比O最大71.3满足X向栓钉直径(mm)19.0最小16.0满足X向列间距(mm)117最大200满足X向列间距(mm)76.0最大200满足X向行间距(mm)120最大200满足X向行间距(mm)120最小114满足X向边距(mm)149最小为29.5满足Y向栓钉直径(mm)19.0最小16.0满足Y向列间距(mm)117最大200满足Y向列间距(mm)76.0最大200满足Y向行间距(mm)120最大200满足Y向行间距(mm)120最小114满足Y向边距(mm)149最小为29.5满足绕Y轴承载力比值0.65最大1.00满足绕X轴承载力比值0最大1.00满足绕Y轴含钢率(%) 0.65最小0.20满足绕X轴含钢率(%) 0.65最小0.20满足沿Y向主筋中距(mm)83.3 最小45.0 满足沿Y向主筋中距(mm)83.3最大200满足沿X向主筋中距(mm)83.3最小45.0满足沿X向主筋中距(mm)83.3最大200满足沿Y向锚固长度(mm)920最小700满足沿X向锚固长度(mm)920最小700满足四.混凝土承载力验算控制工况:组合工况1N=(-813.227)kN;底板面积:A=1×B=700×700×10-2=4900cm2底板承受的压力为:N=813.227kN底板下混凝土压应力:σc=813.227/4900×10=1.6596N∕mm2<14.3,满足五.柱对接焊缝验算柱截面与底板采用全对接焊缝,强度满足要求六.柱脚抗剪验算控制工况:组合工况1N=(-813.227)kN;Vx=261.83kN;Vy=OkN;锚栓所承受的总拉力为:Ta=OkN柱脚底板的摩擦力:Vfb=O.4X(-N+Ta)=0.4x(813.227+0)=325.29kN柱脚所承受的剪力:V=(Vx2+Vy2)0.5=(219.322+02)0.5=219.32kN<325.29,满足七.柱脚节点抗震验算1绕X轴抗弯最大承载力验算绕X轴柱全塑性受弯承载力:Wp=3953712mm3Mp=WpXfy=3953712×235=929.12232kN∙m因为N∕Ny=813227/2542616.6=0.268742837>0.2,所以Mpc=1.25(1-N/Ny)Mp=849.284kN∙m绕X轴柱脚的极限受弯承载力:Mu,basej=fckBc1[((21+hb)2+hb2)0.5-(21+hb)]=20.1×209.3×4000×[((2×4000+1200)2+12002)0.5-(2×4000+1200)]=1311.398kN∙m>=1.2Mpc=1.2×8.492842e+008=1019.141kN∙m,满足2绕y轴抗弯最大承载力验算绕y轴柱全塑性受弯承载力:WP=3953712mm3Mp=Wp×fy=3953712×235=929.12232kN∙m因为N∕Ny=813227/2542616.6=0.268742837>0.2,所以Mpc=1.25(1-N∕Ny)Mp=849.284kN∙m绕y轴柱脚的极限受弯承载力:Mu,basej=fckBc11((21+hb)2+hb2)0.5-(21+hb)]=20.1×299×4000×[((2×4000+1200)2+12002)0.5-(2×4000+1200)]=1873.425 kN∙m>=1.2Mpc=1.2×8.492842e+008=1019.141kN∙m,满足八.栓钉验算栓钉生产标准:GB/T10433栓钉抗拉强度设计值:f=215N∕mm2栓钉强屈比:γ=1.67沿Y向栓钉采用:M19×100行向排列:120mm×9列向排列:45o×2沿X向栓钉采用:M19×100行向排列:12OmmX9列向排列:45o×21沿Y向栓钉验算承载力验算控制工况:组合工况1控制内力:N=(-813.227)kN,My=5.219kN∙m,Vx=261.83kN顶部箍筋处弯矩设计值:Myu=∣16.37+0.21932×50∣=27.336kN∙mX向截面高度:hx=299mmX向翼缘厚度:tx=12mm沿Y向一侧栓钉承担的翼缘轴力:Nf=27.336∕(299-12)×103=95.247kN单个栓钉受剪承载力设计值计算:栓钉钉杆面积:As=πd2∕4=3.142×192/4=283.529mm2Nvs1=0.43×As(Ec×fc)0.5=0.43×283.529×(429000)0.5×10-3=79.854kNNvs2=0.7×As×f×γ=0.7×283.529×215×1.67×10-3=71.261kNNvs=min(Nvs1,Nvs2)=71.261kN沿Y向栓钉抗剪等效列数:Nr=ZCOSa=2沿Y向单根栓钉承受剪力:V=95.25∕9∕2=5.292kN<71.26,满足2沿X向栓钉验算承载力验算控制工况:组合工况1控制内力:N=(-813.227)kN,Mx=OkNm,Vy=OkNY向顶部箍筋处弯矩设计值:Mxu=∣0-0×50∣=0kN∙mY向截面高度:hy=299mmY向翼缘厚度:ty=12mm沿X向一侧栓钉承担的翼缘轴力:Nfy=0∕(299-12)×103=0kN沿X向栓钉承受剪力为零,承载力满足要求九.钢筋验算1内力计算Y向承载力验算控制工况:组合工况1控制内力:My=5.219kN∙m,Vx=261.83kNY向柱脚底部弯矩设计值:Myd=∣5.219+261.83×1.2∣=319.42kN∙m2承载力计算外包混凝土X向长度:X=580mm外包混凝土Y向长度:Y=580mm实配钢筋:4HRB400.20÷10HRB400_20+10HRB400_20单侧角筋面积:Ac=628,319mm2沿Y向中部筋面积:Amy=1570.796mm2外包混凝土X向计算长度:X0=580-30-20×0.5=540mm构造要求沿Y向配筋量:Aymin=0.002×XO×Y=626.4mm2沿Y向单侧实配面积:Asy=Ac+Amy=2199.115mm2≥Aymin=626.4,满足要求沿X向中部筋面积:Amx=1570.796mm2外包混凝土Y向计算长度:Y0=580-30-20×0.5=540mm构造要求沿X向配筋量:Axmin=0.002×YO×X=626.4mm2沿X向单侧实配面积:Asx=Ac+Amx=2199.115mm2>Axmin=626.4,满足要求沿Y向钢筋中心间距:X00=500mm角筋绕Y轴承载力:Mcy=Ac×Fyc×X0=628.319×360×540×10-6=122.145kN∙m 中部筋绕Y轴承载力:Mmy=Amx×Fym×XO=1570.796×360×540×10-6=305.363kN∙m实配钢筋绕绕Y轴承载力:MSy=MCy+Mmy=I22.145+305.363=427.508kN∙m Msy>∣My∣=319.42,满足要求沿X向钢筋中心间距:Y00=500mm角筋绕X轴承载力:Mcx=Ac×Fyc×Y0=628.319×360×540X10-6=122.145kN∙m 中部筋绕X轴承载力:Mmx=Amx×Fym×YO=1570.796×360×540×10-6=305.363kN∙m实配钢筋绕X轴承载力:Msx=Mcx+Mmx=122.145+305.363=427.508kN∙m Msx>∣Mx∣=0,满足要求“内柱柱脚”节点计算书一.设计依据本工程按照如下规范、规程、设计手册进行设计:1.《钢结构设计标准》(GB500I7-2017)2.《建筑结构荷载规范》(GB50009-2012)3.《建筑抗震设计规范》(GB500U-2010)(2016年版)4.《高层民用建筑钢结构技术规程》(JGJ99-2015)5.《钢结构连接节点设计手册》(第三版)李星荣魏才昂秦斌主编6.《钢结构设计方法》童根树著7.《混凝土结构设计规范》(GB50010-2010)(2015年版)二.计算软件信息本工程计算软件为钢结构软件PKPM-STSV5计算日期为2023年4月8日18时12分2秒计算书中未标注单位的数据,单位均为mm三,计算结果一览四.节点基本资料节点编号=44;柱截面尺寸:圆管299X16;材料:Q355;柱脚混凝土标号:C30;柱脚底板钢号:Q355;埋入深度:1.20叱柱脚底板尺寸:B×H×T=540X540X30;锚栓钢号:Q355;锚栓直径D=24;锚栓垫板尺寸:BXT=70X25;环向锚栓数量:4柱与底板采用对接焊缝连接;加劲肋与柱连接采用对接焊缝;埋入部分顶面加劲肋设置:T=16;栓钉直径:16;栓钉长度:65;单列侧栓钉数:4个;竖向受力筋强度等级:HRB(F)400;箍筋强度等级:HRB(F)335;保护层厚度:250;实配钢筋(埋入式柱脚已按极限承载力进行调整):横向单侧受力筋:3Φ22;横向单侧架立筋:2Φ16;竖向单侧受力筋:3Φ22;竖向单侧架立筋:2Φ16;顶部附加箍筋:3Φ12@50;一般箍筋:4>10@100;五.计算结果1.栓钉抗剪承载力校核说明:高钢规已取消,结果仅供参考;栓钉抗剪承载力内力设计值N=721199kN,V=0.429kN,M=0.789kN∙m栓钉直径:16;栓钉长度:65;单列侧栓钉数:4个;单个栓钉的抗剪承载力:N:=min(0.43AJEJ c0.7AYf)y O MU r VV=ιnin(0.43×201.06×y∣30000.00×14.30,0.7×201.06×167×235.00)=50.53kN合力弯矩作用力臂(相对X轴为):y1nax=105.7i各位置栓钉的力臂总和为:¾≡=4470050单个栓钉承受剪力为:MEV XymC1XNNF=-5⅛ ------------ +7=3776730.00×105.71/(2×44700.50)+758729.00/4=194.17kNN v =N p ∕n v =194169.0()/4=48.54kNNVVN 栓钉抗剪承载力满足要求!2 .侧面混凝土承压计算钢标算法: 计算配筋为:_My+/X ,_]328540().()()+13050.6()X897.0() AS =0.9f y b 0= 0.9X360.00X697构造配筋为:=0.87N∕mtn 2_________ / _________ 26548.80+(2×1001.53/897.00+I)2299X89700OCW0%=14.30N∕mm2,侧面混凝土承压验算满足要求!3.柱脚配筋校核(1)翼缘侧配筋计算: 高度方向拉延筋形心间距:h 0=697计算配筋为:心+… A109Wo构造配筋为:A min =0.002b 0h 0=0.002×697×697=97162mn?(2)腹板侧配筋计算: 宽度方向拉延筋形心间距: 23068200.00÷23154.70X897.000.9×360.00X697194.12mm 22×1(X)1.53 897.00+Du +A min=0.002h0h0=0.002×697×697=97162nιf n2(3)实配钢筋(埋入式柱脚已按极限承载力进行调整):横向单侧受力筋:3Φ22;横向单侧架立筋:2Φ16;竖向单侧受力筋:3Φ22;竖向单侧架立筋:2Φ16;顶部附加箍筋:3Φ12@50;一般箍筋:<M0@100;4.柱脚极限承载力验算结果连接系数:∏j=1.20柱脚最大轴力和轴向屈服承载力的比值0.10圆管柱:N∕N v W0.2圆管柱截面全塑性受弯承载力:W p=1282.79cm3MP=W p×f y=1282790.00×345.00=442.56kN・m取M nr=Mn=442.56kN∙m圆管柱脚连接的极限受弯承载力:M U=SJH⑵+〃/+幼2.⑵÷hβ)∣20.IO×299×12(X).00×{y∣(2×1200.00+897.00)2+897.0()2-(2×12(X).(X)+897.00)}864.29kN∙mM11>Q i M nr=531.07kN-m,满足要求!u J∕7c“裙房柱脚”节点计算书一.设计依据本工程按照如下规范、规程、设计手册进行设计:1.《钢结构设计标准》(GB50017-2017)2.《建筑结构荷载规范》(GB50009-2012)3.《建筑抗震设计规范》(GB50011-2010)(2016年版)4.《高层民用建筑钢结构技术规程》(JGJ99-2015)5.《钢结构连接节点设计手册》(第三版)李星荣魏才昂秦斌主编6.《钢结构设计方法》童根树著7.《混凝土结构设计规范》(GB50010-2010)(2015年版)二.计算软件信息本工程计算软件为钢结构软件PKPM-STSV5计算日期为2023年4月8日18时3分23秒计算书中未标注单位的数据,单位均为mm三.计算结果一览柱截面尺寸:圆管299X12;材料:Q355;柱脚混凝土标号:C30:柱脚底板钢号:Q355;埋入深度:1.20m;柱脚底板尺寸:BXHXT=540×540X30;锚栓钢号:Q355:锚栓直径D=24;锚栓垫板尺寸:BXT=70X14;环向锚栓数量:4柱与底板采用对接焊缝连接:加劲肋与柱连接采用对接焊缝;埋入部分顶面加劲肋设置:T=13:栓钉直径:16;栓钉长度:65;单列侧栓钉数:4个;竖向受力筋强度等级:HRB(F)400:箍筋强度等级:HRB(F)335;保护层厚度:250;实配钢筋(埋入式柱脚已按极限承载力进行调整):横向单侧受力筋:3Φ22;横向单侧架立筋:2Φ16;竖向单侧受力筋:3Φ22;竖向单侧架立筋:2Φ16;顶部附加箍筋:3Φ12Θ50;一般箍筋:<MO@100;五.计算结果1栓钉抗剪承载力校核说明:高钢规已取消,结果仅供参考;栓钉抗剪承载力内力设计值:N=351.958kN,V=11.028kN,M=20.194kN∙m栓钉直径:16;栓钉长度:65;单列侧栓钉数:4个:单个栓钉的抗剪承载力:N:=min(0.43A sγ∣E c f cc,0.7A sγf)=min(0.43×201.()6Xyj25500.0()×9.60,0.7×201.06×167×235.00)=42.78kN合力弯矩作用力臂(相对X 轴为):y f nax=105.71各位置栓钉的力臂总和为:⅛n=4470050单个栓钉承受剪力为:NF=A +^=/7900900.00×105.71/(2×44700.50)+337571.00/4=130.45kN Z ysum4 N v =Nm=130450.00/4=32.61kNNVVN 栓钉抗剪承载力满足要求!2 .侧面混凝土承压计算钢标算法:/ 22510.47 +(2×1730.32∕897.00+I)2299X897.00=1.06N∕mm 2OC^0.8f c =9.60Λ½ww 2,侧面混凝土承压验算满足要求! 3 .柱脚配筋校核(1)翼缘侧配筋计算:高度方向拉延筋形心间距:(2h(∕d+1)2/,o σc=(~T+DU+2×1730.32897.00+Du+计算配筋为: 22310600.00+9788.28X897KX) 0.9X360.00X697 构造配筋为: A min =0.002h 0h 0=0.002×697×697=97162nιf n 2(2)腹板侧配筋计算:计算配筋对应的内力组合号:1(非地震组合);内力设计值:M v =-34.59kN ・m ;V r =-20.34kN;宽度方向拉延筋形心间距:%=697计算配筋为:_MV+½y X>_34593200.00+20341.50X897.0()A S =0.9fyb 0 = 0.9×360.00X697构造配筋为:A min =0.002b 0h 0=0.002X697×697=971.62mm 2(3)实配钢筋(埋入式柱脚已按极限承载力进行调整):横向单侧受力筋:3Φ22;横向单侧架立筋:2Φ16;竖向单侧受力筋:3Φ22;竖向单侧架立筋:2616;顶部附加箍筋:3Φ12@50;一般箍筋:4>10@100;4 .柱脚极限承载力验算结果连接系数:∏j =1.20柱脚最大轴力和轴向屈服承载力的比值:0.09圆管柱:N∕N v W0.2yM r +V v Xh A s =0.9f y h 0137.67mιn^=233.98nun^圆管柱截面全塑性受弯承载力:W p=989.00cm3MP=W p×f y=989004.00X345.00=341.21kN∙in取M nr=M n=341.21kN∙m圆管柱脚连接的极限受弯承载力:MM=f*"∖∕⑵+hB)2+a2-(21÷hβ))=13.40×299X3400.00×(y∣(2×3400.00+897,00)2+897.002-(2×3400.00+897,00)) =709.61kN*mM1t>H i M nr=409.45kN・〃i,满足要求!。
H型钢支撑刚接连接节点计算钢材牌号及板厚抗拉、抗压和抗弯抗剪235Q235(≤16mm)215125235Q235(>16~40mm)205120235Q235(>40~60mm)200115235Q235(>60~100mm)190110345Q345(≤16mm)310180345Q345(>16~35mm)295170345Q345(>35~50mm)265155345Q345(>50~100mm)250145390Q390(≤16mm)350205390Q390(>16~35mm)335190390Q390(>35~50mm)315180390Q390(>50~100mm)295170420Q420(≤16mm)380220420Q420(>16~35mm)360210420Q420(>35~50mm)340195420Q420(>50~100mm)325185高强度螺栓预拉力螺栓直径预拉力螺栓直径螺栓孔径M 16(8.8级)801617.5M 20(8.8级)1252022M 22(8.8级)1502224M 24(8.8级)1752426M 27(8.8级)2302729M 30(8.8级)2803032M 16(10.9级)1001617.5M 20(10.9级)1552022M 22(10.9级)1902224M 24(10.9级)2252426M 27(10.9级)2902729M 30(10.9级)3553032焊缝的强度设计值一级、二级三级Q235(≤16mm)215215185Q235(>16~40mm)205205175Q235(>40~60mm)200200170对接焊缝抗拉 f v w钢材牌号及板厚抗压f c wQ235(>60~100mm)190190160Q345(≤16mm)310310265Q345(>16~35mm)295295250Q345(>35~50mm)265265225Q345(>50~100mm)250250210Q390(≤16mm)350350300Q390(>16~35mm)335335285Q390(>35~50mm)315315270Q390(>50~100mm)295295250Q420(≤16mm)380380320Q420(>16~35mm)360360305Q420(>35~50mm)340340290Q420(>50~100mm)325325275混凝土强度设计值混凝土强度等级混凝土强度影响系数βc轴心抗压强度f c轴心抗拉强度f cC15 1.007.20.91C20 1.009.6 1.1二.支撑拼接节点弹性计算 1.0011.9 1.27C30 1.0014.3 1.43C35 1.0016.7 1.57C40 1.0019.1 1.711)支撑拼接等强连接 1.0021.1 1.8C50 1.0023.1 1.89C55Nn =0.85AwnXf=0 1.96C600.9327.5 2.04C650.9029.7 2.09C70n Wb ≥Nn/N v b=31.8 2.14C750.8333.8 2.18C800.8035.92.22钢结构抗震设计连接系数焊接螺栓连接焊接Q235 1.4 1.45 1.25Q345 1.3 1.35 1.2Q345GJ1.251.31.15梁柱连接支撑,构件母材牌号最小抗拉强度屈服强度13752355375225375215375215470345470325470295470295485390485370485350485350517420517400517380517380螺栓有效截面积最小抗拉强度132.783010226.9830254.3830314.0830415.3830530.7830132.71040226.91040254.31040314.01040415.31040530.71040角焊缝5125自动焊、半自动焊和E43型焊条1602120自动焊、半自动焊和E50型焊条2001155自动焊、半自动焊和E55型焊条220焊接方法和焊条型号抗拉、抗压和抗剪 f f w抗剪f v w1101801701551452051901801702202101951854螺栓连接1.3埋入式 1.21.25外包式 1.21.2外露式1.1柱脚,构件拼接。
“梁十字柱栓焊刚接”节点计算书=一. 节点基本料设计依据:《钢结构连接节点设计手册》(第二版)节点类型为:梁十字柱栓焊刚接节点内力采用:梁端节点力采用设计方法为:常用设计梁截面:H-400*200*8*13,材料:Q235腹板螺栓群:10.9级-M20螺栓群并列布置:3行;行间距70mm;1列;螺栓群列边距:45 mm,行边距45 mm双侧焊缝,单根计算长度:l f=230-2×7=216mm腹板连接板:230 mm×90 mm,厚:18 mm节点示意图如下:二. 荷载信息设计内力:组合工况内力设计值组合工况1 0.0 115.4 152.3 否三. 验算结果一览最大拉应力(MPa) 156 最大215 满足最大压应力(MPa) -156 最小-215满足承担剪力(kN) 38.5 最大62.8 满足列边距(mm) 45 最小33 满足列边距(mm) 45 最大64 满足行边距(mm) 45 最小44 满足行边距(mm) 45 最大64 满足外排行间距(mm) 70 最大96 满足中排行间距(mm) 70 最大192 满足行间距(mm) 70 最小66 满足净截面剪应力比 0.326 1 满足净截面正应力比 0.000 1 满足焊缝应力(MPa) 54.5 最大160 满足焊脚高度(mm) 7 最大21 满足焊脚高度(mm) 7 最小7 满足剪应力(MPa) 56.2 最大125 满足正应力(MPa) 0 最大310 满足四. 梁柱对接焊缝验算1 对接焊缝受力计算控制工况:组合工况1,N=0 kN;V x=115.4 kN;M y=152.3 kN·m;2 对接焊缝承载力计算焊缝受力:N=0 kN;M x=0 kN·mM y=152.3kN·m抗拉强度:F t=215N/mm^2抗压强度:F c=215N/mm^2轴力N为零,σN=0 N/mm^2弯矩Mx为零,σMx=0 N/mm^2W y=973.865cm^3σMy=|M y|/W y=152.3/973.865×1000=156.387N/mm^2最大拉应力:σt=σN+σMx+σMy=0+0+156.387=156.387N/mm^2≤215,满足最大压应力:σc=σN-σMx-σMy=0-0-156.387=(-156.387)N/mm^2≥(-215),满足五. 梁柱腹板螺栓群验算1 螺栓群受力计算控制工况:组合工况1,N=0 kN;V x=115.4 kN;M y=152.3 kN·m;2 螺栓群承载力验算列向剪力:V=115.4 kN螺栓采用:10.9级-M20螺栓群并列布置:3行;行间距70mm;1列;螺栓群列边距:45 mm,行边距45 mm螺栓受剪面个数为1个连接板材料类型为Q235螺栓抗剪承载力:N vt=N v=0.9n fμP=0.9×1×0.45×155=62.775kN计算右上角边缘螺栓承受的力:N v=115.4/3=38.467 kNN h=0 kN螺栓群对中心的坐标平方和:S=∑x^2+∑y^2=9800 mm^2N mx=0 kNN my=0 kNN=[(|N mx|+|N h|)^2+(|N my|+|N v|)^2]^0.5=[(0+0)^2+(0+38.467)^2]^0.5=38.467 kN≤62.775,满足3 螺栓群构造检查列边距为45,最小限值为33,满足!列边距为45,最大限值为64,满足!行边距为45,最小限值为44,满足!行边距为45,最大限值为64,满足!外排行间距为70,最大限值为96,满足!中排行间距为70,最大限值为192,满足!行间距为70,最小限值为66,满足!六. 腹板连接板计算1 连接板受力计算控制工况:同腹板螺栓群(内力计算参上)2 连接板承载力验算连接板剪力:V l=115.4 kN仅采用一块连接板连接板截面宽度为:B l=230 mm连接板截面厚度为:T l=18 mm连接板材料抗剪强度为:f v=120 N/mm^2连接板材料抗拉强度为:f=205 N/mm^2连接板全面积:A=B l*T l=230×18×10^-2=41.4 cm^2开洞总面积:A0=3×22×18×10^-2=11.88 cm^2连接板净面积:A n=A-A0=41.4-11.88=29.52 cm^2连接板净截面剪应力计算:τ=V l×10^3/A n=115.4/29.52×10=39.0921 N/mm^2≤120,满足!连接板截面正应力计算:按《钢结构设计规范》5.1.1-2公式计算:σ=(1-0.5n1/n)N/A n=(1-0.5×3/3)×0/29.52×10=0 N/mm^2≤205,满足!按《钢结构设计规范》5.1.1-3公式计算:σ=N/A=0/41.4×10=0 N/mm^2≤205,满足!七. 梁柱角焊缝验算1 角焊缝受力计算控制工况:组合工况1,N=0 kN;V x=115.4 kN;M y=152.3 kN·m;2 角焊缝承载力计算焊缝受力:N=0kN;V=115.4kN;M=0kN·m焊脚高度:h f=7mm;角焊缝有效焊脚高度:h e=2×0.7×7=9.8 mm双侧焊缝,单根计算长度:l f=230-2×7=216mm3 焊缝承载力验算强度设计值:f=160N/mm^2A=l f*h e=216×9.8×10^-2=21.17 cm^2τ=V/A=115.4/21.17×10=54.52 N/mm^2综合应力:σ=τ=54.52 N/mm^2≤160,满足4 角焊缝构造检查最大焊脚高度:18×1.2=21mm(取整)7≤21,满足!最小焊脚高度:18^0.5×1.5=7mm(取整)7 >= 7,满足!八. 梁腹净截面承载力验算1 梁腹净截面抗剪验算控制工况:组合工况1,V x=115.4 kN;腹板净高:h0=400-13-13-3×22=308 mm腹板剪应力:τ=1.2*V/(h0*T w)=1.2×1.154e+005/(308×8)=56.2≤125,满足2 梁腹净截面抗弯验算无偏心弯矩作用,抗弯应力为0,满足!。
第一节 钢结构的连接方法钢结构是由钢板、型钢通过必要的连接组成基本构件,如梁、柱、桁架等;再通过一定的安装连结装配成空间整体结构,如屋盖、厂房、钢闸门、钢桥等。
可见,连接的构造和计算是钢结构设计的重要组成部分。
好的连接应当符合安全可靠、节约钢材、构造简单和施工方便等原则。
钢结构的连接方法可分为焊缝连接、铆钉连接和螺栓连接三种(详见附图十三)。
一、焊缝连接焊接是现代钢结构最主要的连接方法。
其优点是不削弱构件截面(不必钻孔),构造简单,节约钢材,加工方便,在一定条件下还可以采用自动化操作,生产效率高。
此外,焊缝连接的刚度较大密封性能好。
焊缝连接的缺点是焊缝附近钢材因焊接的高温作用而形成热影响区,热影响区由高温降到常温冷却速度快,会使钢材脆性加大,同时由于热影响区的不均匀收缩,易使焊件产生焊接残余应力及残余变形,甚至可能造成裂纹,导致脆性破坏。
焊接结构低温冷脆问题也比较突出。
二、铆钉连接铆接的优点是塑性和韧性较好,传力可靠,质量易于检查和保证,可用于承受动载的重型结构。
但是,由于铆接工艺复杂、用钢量多,因此,费钢又费工。
现已很少采用。
三、螺栓连接螺栓连接分为普通螺栓连接和高强度螺栓连接两种。
普通螺栓通常用Q235钢制成,而高强度螺栓则用高强度钢材制成并经热处理。
高强度螺栓因其连接紧密,耐疲劳,承受动载可靠,成本也不太高,目前在一些重要的永久性结构的安装连接中,已成为代替铆接的优良连接方法。
螺栓连接的优点是安装方便,特别适用于工地安装连接,也便于拆卸,适用于需要装拆结构和临时性连接。
其缺点是需要在板件上开孔和拼装时对孔,增加制造工作量;螺栓孔还使构件截面削弱,且被连接的板件需要相互搭接或另加拼接板或角钢等连接件,因而比焊接连接多费钢材。
第二节 焊接方法、焊缝类型和质量级别一、钢结构中常用的焊接方法焊接方法很多,钢结构中主要采用电弧焊,薄钢板(mm t 3 )的连接有时也可以采用电阻焊或气焊。
1.电弧焊电弧焊是利用焊条或焊丝与焊件间产生的电弧热,将金属加热并熔化的焊接方法。
框架结构梁柱结点计算公式框架结构是工程中常见的一种结构形式,它由梁、柱和节点组成,能够承受各种不同方向的力和扭矩。
在设计和分析框架结构时,需要对梁柱结点进行计算,以确定结构的稳定性和安全性。
本文将介绍框架结构梁柱结点计算公式,以帮助工程师和设计师更好地理解和应用这些公式。
梁的计算公式。
梁是框架结构中的主要承重构件,其计算公式通常包括弯曲和剪切两种情况。
对于弯曲情况,梁的计算公式为:M = -EI(d^2v/dx^2)。
其中,M为梁的弯矩,E为弹性模量,I为截面惯性矩,v为横向位移,x为横向坐标。
这个公式描述了梁在受力时的变形情况,可以帮助工程师确定梁的设计参数。
对于剪切情况,梁的计算公式为:V = Q/A。
其中,V为梁的剪力,Q为梁的截面积,A为梁的横截面积。
这个公式描述了梁在受力时的剪切情况,可以帮助工程师确定梁的截面尺寸和材料强度。
柱的计算公式。
柱是框架结构中的竖直承重构件,其计算公式通常包括压力和弯曲两种情况。
对于压力情况,柱的计算公式为:P = F/A。
其中,P为柱的压力,F为柱的承载力,A为柱的横截面积。
这个公式描述了柱在受力时的压力情况,可以帮助工程师确定柱的截面尺寸和材料强度。
对于弯曲情况,柱的计算公式为:M = Pe。
其中,M为柱的弯矩,P为柱的压力,e为柱的偏心距。
这个公式描述了柱在受力时的弯曲情况,可以帮助工程师确定柱的设计参数。
节点的计算公式。
节点是框架结构中连接梁和柱的部分,其计算公式通常包括受力平衡和位移两种情况。
对于受力平衡情况,节点的计算公式为:ΣF = 0。
其中,ΣF为节点的受力平衡方程,描述了节点受力的平衡情况,可以帮助工程师确定节点的受力情况。
对于位移情况,节点的计算公式为:ΣM = 0。
其中,ΣM为节点的位移平衡方程,描述了节点的位移平衡情况,可以帮助工程师确定节点的位移情况。
综合计算公式。
在实际工程中,框架结构的梁柱结点往往同时受到多种不同方向的力和扭矩作用,需要综合考虑各种情况下的计算公式。
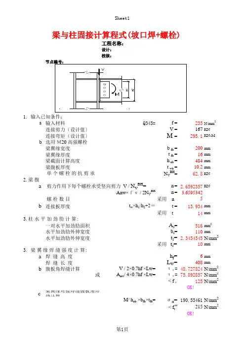
Sheet1工程名称:设计:校核:a 输入材料Q345=f =235N/mm 2连接剪力(设计值〕V =167KN 连接弯矩(设计值〕M =295.1KN-Mb 选用 M20 高强螺栓(10.9级)梁翼缘宽度 b fb =200mm 梁翼缘厚度 t fb =16mm 梁截面计算高度 h ob =484mm 梁腹板厚度t wb =10.2mm 单 个 螺 栓 的 抗 剪 承 载 力(单剪)N V BH =62.8KN2. 梁 腹 板 螺 栓 连 接 计 算:a n = 2.6592357KN Anw×fv / 2N V BHn = 3.6595342 螺 栓 数 目采用 n =5 b 连接板厚度t w ×h 1/h 2+2=t =13.934mm采用 t 14mm一对水平加劲肋面积 A s =516mm 2水平加劲肋外伸宽度b s =110mm 水平加劲肋外伸宽度 t s = 2.3454545N/mm2采用 t s =10mma 焊 缝 高 度h f =6mm 焊 缝 长 度L W =408mmb 腹板角焊缝计算V / 2×0.7hf ×Lw=τυ=48.727824N/mm 2或A nw / 4×0.7hf ×Lw=τυ=75.892857N/mm 2< f υ125N/mm 2OK!c 梁翼缘对接焊缝腹板角焊缝计算M/ h ob ×b fb ×t fb =σm =190.53461N/mm 2< f t w215N/mm 2OK!3. 柱 水 平 加 劲 肋 计 算:1. 输入已知条件:3. 梁 翼 缘 焊 缝 强 度 计 算: 梁与柱固接计算程式(坡口焊+螺栓)剪力作用下每个螺栓承受竖向剪力 V / N V BH =第1页。
钢结构常见的几种梁柱刚性连形式(1)梁与柱刚性连接的构造形式有三种,如图所示:(2)梁与柱的连接节点计算时,主要验算以下内容:①梁与柱连接的承载力②柱腹板的局部抗压承载力和柱翼缘板的刚度③梁柱节点域的抗剪承载力(3)梁与柱刚性连接的构造①框架梁与工字形截面柱和箱形截面柱刚性连接的构造:框架梁与柱刚性连接②工字形截面柱和箱形截面柱通过带悬臂梁段与框架梁连接时,构造措施有两种:柱带悬臂梁段与框架梁连接梁与柱刚性连接时,按抗震设防的结构,柱在梁翼缘上下各500mm的节点范围内,柱翼缘与柱腹板间或箱形柱壁板间的组合焊缝,应采用全熔透坡口焊缝。
(4)改进梁与柱刚性连接抗震性能的构造措施①骨形连接骨形连接是通过削弱梁来保护梁柱节点。
骨形连接梁端翼缘加焊楔形盖板在不降低梁的强度和刚度的前提下,通过梁端翼缘加焊楔形盖板。
(5)工字形截面柱在弱轴与主梁刚性连接当工字形截面柱在弱轴方向与主梁刚性连接时,应在主梁翼缘对应位置设置柱水平加劲肋,在梁高范围内设置柱的竖向连接板,其厚度应分别与梁翼缘和腹板厚度相同。
柱水平加劲肋与柱翼缘和腹板均为全熔透坡口焊缝,竖向连接板与柱腹板连接为角焊缝。
主梁与柱的现场连接如图所示。
2梁与柱的铰接连接(1)梁与柱的铰接连接分为:仅梁腹板连接、仅梁翼缘连接:仅梁腹板连接仅梁翼缘连接柱上伸出加劲板与梁腹板相连梁与柱用双盖板相连(2)柱在弱轴与梁铰接连接分为:柱上伸出加劲板与梁腹板相连、梁与柱用双盖板相连柱的拼接节点一般都是刚接节点,柱拼接接头应位于框架节点塑性区以外,一般宜在框架梁上方1.3m左右。
考虑运输方便及吊装条件等因素,柱的安装单元一般采用三层一根,长度10~12m左右。
根据设计和施工的具体条件,柱的拼接可采取焊接或高强度螺栓连接。
按非抗震设计的轴心受压柱或压弯柱,当柱的弯矩较小且不产生拉力的情况下,柱的上下端应铣平顶紧,并与柱轴线垂直。
柱的25%的轴力和弯矩可通过铣平端传递,此时柱的拼接节点可按75%的轴力和弯矩及全部剪力设计。
梁梁拼接全螺栓刚接计算书“梁梁拼接全螺栓刚接”节点计算书======================================== ============================计算软件:MTS钢结构设计系列软件MTSTool v2.0.1.20计算时间:2011年12月24日13:42:24======================================== ============================一.节点基本资料节点类型为:梁梁拼接全螺栓刚接梁截面:H-244*175*7*11,材料:Q235左边梁截面:H-244*175*7*11,材料:Q235腹板螺栓群:10.9级-M20螺栓群并列布置:2行;行间距95mm;1列;翼缘螺栓群:10.9级-M20螺栓群并列布置:1行;2列;列间距70mm;腹板连接板:185mm×145mm,厚:8mm翼缘上部连接板:325mm×175mm,厚:16mm翼缘下部连接板:325mm×60mm,厚:8mm梁梁腹板间距为:a=5mm节点前视图如下:节点下视图如下:1荷载信息设计内力:组合工况内力设计值工况N(kN)Vx(kN)My(kN·m)抗震组合工况10.0115.4152.3否组合工况20.0135.4172.3是二.验算结果一览验算项数值限值结果承担剪力(kN)77.9最大126满足列边距(mm)35最小33满足列边距(mm)35最大64满足行边距(mm)45最小44满足行边距(mm)45最大64满足外排行间距(mm)95最大96满足中排行间距(mm)95最大192满足行间距(mm)95最小66满足列边距(mm)35最小33满足列边距(mm)35最大64满足行边距(mm)45最小44满足行边距(mm)45最大64满足外排行间距(mm)95最大96满足中排行间距(mm)95最大192满足行间距(mm)95最小66满足净截面剪应力比0.5521满足净截面正应力比0.0001满足净面积(cm^2)22.6最小12.5满足承担剪力(kN)74.0最大126满足列边距(mm)45最小44满足列边距(mm)45最大64满足外排列间距(mm)70最大96满足中排列间距(mm)70最大192满足列间距(mm)70最小66满足行边距(mm)30最小33不满足行边距(mm)30最大64满足净截面剪应力比0.0001满足净截面正应力比0.2551满足净面积(cm^2)27.0最小14.4满足净抵抗矩(cm^3)652最小371满足三.梁梁腹板螺栓群验算1螺栓群受力计算控制工况:梁净截面承载力梁腹板净截面抗剪承载力:Vwn=[7×(244-2×11)-max(2×22,0+0)×7]×125=155.75kN2腹板螺栓群承载力计算列向剪力:V=155.75kN螺栓采用:10.9级-M20螺栓群并列布置:2行;行间距95mm;1列;螺栓受剪面个数为2个连接板材料类型为Q235螺栓抗剪承载力:Nvt=Nv=0.9nfμP=0.9×2×0.45×155=125.55kN 计算右上角边缘螺栓承受的力:Nv=155.75/2=77.875kNNh=0kN螺栓群对中心的坐标平方和:S=∑x^2+∑y^2=4512.5mm^2 Nmx=0kNNmy=0kNN=[(|Nmx|+|Nh|)^2+(|Nmy|+|Nv|)^2]^0.5=[(0+0)^2+(0+77.875) ^2]^0.5=77.875kN≤125.55,满足3腹板螺栓群构造检查列边距为35,最小限值为33,满足!列边距为35,最大限值为64,满足!行边距为45,最小限值为44,满足!行边距为45,最大限值为64,满足!外排行间距为95,最大限值为96,满足!中排行间距为95,最大限值为192,满足!行间距为95,最小限值为66,满足!4腹板连接板计算连接板剪力:Vl=155.75kN采用一样的两块连接板连接板截面宽度为:Bl=185mm连接板截面厚度为:Tl=8mm连接板材料抗剪强度为:fv=125N/mm^2连接板材料抗拉强度为:f=215N/mm^2连接板全面积:A=Bl*Tl*2=185×8×2×10^-2=29.6cm^2开洞总面积:A0=2×22×8×2×10^-2=7.04cm^2连接板净面积:An=A-A0=29.6-7.04=22.56cm^2连接板净截面剪应力计算:τ=Vl×10^3/An=155.75/22.56×10=69.038N/mm^2≤125,满足!连接板净截面正应力:σ=0N/mm^2≤215,满足!5腹板连接板刚度计算腹板的净面积为:7×(244-2×11)/100-2×7×22/100=12.46cm^2腹板连接板的净面积为:(185-2×22)×8×2/100=22.56cm^2≥12.46,满足四.翼缘螺栓群验算1翼缘螺栓群受力计算控制工况:梁净截面抗弯承载力梁净截面抗弯承载力计算翼缘螺栓:Ifb=[4×1×22×11^3/12+4×1×22×11×(244-11)^2/4]×10^-4=1314.77cm^4腹板螺栓:Iwb=[2×7×22^3/12+7×20×4512.5]×10^-4=70.735 cm^4梁净截面:Wn=(5908-1314.77-70.735)/0.5/244×10=370.696cm^3净截面抗弯承载力:Mn=Wn*f=370.696×215×10^-3=79.7kN·m 翼缘净截面:Mfn=Mn=68.984kN·m翼缘螺栓群承担剪力:Vf=Mfn/(h-tf)/2=68.984/(244-11)/2×10^3=148.034kN2翼缘螺栓群承载力计算行向轴力:H=148.034kN螺栓采用:10.9级-M20螺栓群并列布置:1行;2列;列间距70mm;螺栓受剪面个数为2个连接板材料类型为Q235螺栓抗剪承载力:Nvt=Nv=0.9nfμP=0.9×2×0.45×155=125.55kN 轴向连接长度:l1=(2-1)×70=70mm<15d0=330,取承载力折减系数为ξ=1.0折减后螺栓抗剪承载力:Nvt=125.55×1=125.55kN计算右上角边缘螺栓承受的力:Nv=0kNNh=148.034/2=74.017kN螺栓群对中心的坐标平方和:S=∑x^2+∑y^2=2450mm^2Nmx=0kNNmy=0kNN=[(|Nmx|+|Nh|)^2+(|Nmy|+|Nv|)^2]^0.5=[(0+74.017)^2+(0+0) ^2]^0.5=74.017kN≤125.55,满足3翼缘螺栓群构造检查列边距为45,最小限值为44,满足!列边距为45,最大限值为64,满足!外排列间距为70,最大限值为96,满足!中排列间距为70,最大限值为192,满足!列间距为70,最小限值为66,满足!行边距为30,最小限值为33,不满足!行边距为30,最大限值为64,满足!4翼缘连接板计算连接板轴力:Nl=148.034kN采用两种不同的连接板连接板1截面宽度为:Bl1=60mm连接板1截面厚度为:Tl1=8mm连接板1有2块连接板2截面宽度为:Bl2=175mm连接板2截面厚度为:Tl2=16mm连接板材料抗剪强度为:fv=125N/mm^2连接板材料抗拉强度为:f=215N/mm^2连接板全面积:A=Bl1*Tl1*2+Bl2*Tl2=(60×8×2+175×16)×10^-2=37.6cm^2开洞总面积:A0=1×22×(8+16)×2×10^-2=10.56cm^2连接板净面积:An=A-A0=37.6-10.56=27.04cm^2连接板净截面剪应力:τ=0N/mm^2≤125,满足!连接板净截面正应力计算:σ=Nl/An=148.034/27.04×10=54.746N/mm^2≤215,满足!5翼缘连接板刚度计算单侧翼缘的净面积为:175×11/100-2×1×22×11/100=14.41cm^2单侧翼缘连接板的净面积为:(175-2×1×22)×16/100+(60-1×22)×8×2/100=27.04cm^2≥14.41,满足6拼接连接板刚度验算梁的毛截面惯性矩:Ib0=5908cm^4翼缘上的螺栓孔的惯性矩:Ibbf=2×2×1×[22×11^3/12+22×11×(244/2-11/2)^2]×10^-4=1314.77cm^4腹板上的螺栓孔的惯性矩:Ibbw=2×7×22^3/12×10^-4+7×22×(47.5^2+47.5^2)×10^-4=70.735cm^4梁的净惯性矩:Ib=5908-1314.77-70.735=4522.495cm^4梁的净截面抵抗矩:Wb=4522.495/244×2×10=370.696cm^3翼缘上部连接板的毛惯性矩:Ipf1=2×[175×16^3/12+175×16×(244/2+16/2)^2]×10^-4=9475.947cm^4翼缘上部连接板上的螺栓孔的惯性矩:Ipfb1=2×2×1×[22×16^3/12+22×16×(244/2+16/2)^2]×10^-4=2382.524cm^4翼缘下部连接板的毛惯性矩:Ipf2=2×2×[60×8^3/12+60×8×(244/2-8/2-11)^2]×10^-4=2199.232cm^4翼缘下部连接板上的螺栓孔的惯性矩:Ipfb2=2×2×1×[22×8^3/12+22×8×(244/2-8/2)^2]×10^-4=980.625cm^4腹板连接板的毛惯性矩:Ipw=2×8×185^3/12×10^-4=844.217cm^4腹板连接板上的螺栓孔的惯性矩:Ipbw=2×2×8×22^3/12×10^-4+2×8×22×(47.5^2+47.5^2)×10^-4=161.679cm^4连接板的净惯性矩:Ip=9475.947+2199.232+844.217-2382.524-980.625-161.679=8994.567cm^4连接板的净截面抵抗矩:Wp=8994.567/(244/2+16)×10=651.78cm^3≥370.696,满足。
一、钢梁截面特征 h=360 b=200 h w =320t w =12t 1=20翼缘截面惯性矩: I 1 =2×b×t 1×(h/2-t 1/2)2=2×200×20×(360/2-20/2)^2 =231200000mm 4腹板截面惯性矩: I w =1/12×t w ×h w 3 =1/12×12×320^3 =32768000mm 4钢梁全截面惯性矩: I=I 1+I w =263968000mm 4翼缘截面抵抗矩: W 1=b×t 1×(h-t 1)=200×20×(360-20) =mm 3腹板截面抵抗矩: W w =1/6×t w ×h w 2=1/6×12×320^2 =mm 3钢梁全截面抵抗矩: W= W 1+W w =1564800mm 3二、翼缘受弯承载力计算材质:Q235钢f t w =205N/mm 2钢梁翼缘受弯承载力M u =βt f t w ×W 1=1.22*205×1360000/10^6=340.1KN.m三、腹板螺栓受剪承载力计算高强螺栓采用10.9级,材质Q345钢,表面喷砂处理单个螺栓承载力设计值为: N v b =0.9n f μP 腹板与柱采用高强螺栓连接,10.9级。
螺栓直径d=22mm 单剪螺栓个数n=3一个高强螺栓的预拉力P=190KN n f =1一个螺栓承载力设计值N v b =0.9*1*0.5*190=85.5KN全部腹板螺栓受剪承载力为:85.5*3=256.5KN四、支承板双面角焊缝计算支承板厚同梁腹板,焊接一侧的长度:240mm 焊缝高度:6mm f t w =215N/mm 2抗剪承载力为 N w =h e l w f t w =6*0.707*2*(240-10)*215/1000=419.5KN梁柱刚接节点计算1360000204800。
钢结构常见的几种梁柱刚性连接形式说明(1)梁与柱刚性连接的构造形式有三种,如图所示:(2)梁与柱的连接节点计算时,主要验算以下内容:①梁与柱连接的承载力②柱腹板的局部抗压承载力和柱翼缘板的刚度③梁柱节点域的抗剪承载力(3)梁与柱刚性连接的构造①框架梁与工字形截面柱和箱形截面柱刚性连接的构造:框架梁与柱刚性连接②工字形截面柱和箱形截面柱通过带悬臂梁段与框架梁连接时,构造措施有两种:柱带悬臂梁段与框架梁连接梁与柱刚性连接时,按抗震设防的结构,柱在梁翼缘上下各500mm 的节点范围内,柱翼缘与柱腹板间或箱形柱壁板间的组合焊缝,应采用全熔透坡口焊缝。
(4)改进梁与柱刚性连接抗震性能的构造措施①骨形连接骨形连接是通过削弱梁来保护梁柱节点。
骨形连接梁端翼缘加焊楔形盖板在不降低梁的强度和刚度的前提下,通过梁端翼缘加焊楔形盖板。
(5)工字形截面柱在弱轴与主梁刚性连接当工字形截面柱在弱轴方向与主梁刚性连接时,应在主梁翼缘对应位置设置柱水平加劲肋,在梁高范围内设置柱的竖向连接板,其厚度应分别与梁翼缘和腹板厚度相同。
柱水平加劲肋与柱翼缘和腹板均为全熔透坡口焊缝,竖向连接板与柱腹板连接为角焊缝。
主梁与柱的现场连接如图所示。
2梁与柱的铰接连接(1)梁与柱的铰接连接分为:仅梁腹板连接、仅梁翼缘连接:仅梁腹板连接仅梁翼缘连接柱上伸出加劲板与梁腹板相连梁与柱用双盖板相连(2)柱在弱轴与梁铰接连接分为:柱上伸出加劲板与梁腹板相连、梁与柱用双盖板相连柱的拼接节点一般都是刚接节点,柱拼接接头应位于框架节点塑性区以外,一般宜在框架梁上方1.3m左右。
考虑运输方便及吊装条件等因素,柱的安装单元一般采用三层一根,长度10~12m左右。
根据设计和施工的具体条件,柱的拼接可采取焊接或高强度螺栓连接。
按非抗震设计的轴心受压柱或压弯柱,当柱的弯矩较小且不产生拉力的情况下,柱的上下端应铣平顶紧,并与柱轴线垂直。
柱的25%的轴力和弯矩可通过铣平端传递,此时柱的拼接节点可按75%的轴力和弯矩及全部剪力设计。
山东项目节点计算一、泳池1、节点12-主次梁连接固接第二种: 连接板连接主梁编号 = 1采用钢截面: H750X300X13X24次梁编号 = 3采用钢截面: H750X300X13X24次梁钢号:Q345梁翼缘塑性截面模量/全截面塑性截面模量: 0.765 > 0.7算法: 翼缘承担全部弯矩,腹板只承担剪力翼缘验算对应的内力组合: 2翼缘设计弯矩 M: 30.00 kN*m(次梁端剪力取梁腹板净截面抗剪承载力设计值的1/2) 次梁翼缘采用对接焊缝连接腹板螺栓连接验算结果:螺栓验算采用的组合号: 1采用常用设计法设计,腹板承担剪力 V = 613.61 kN(剪力V 取梁腹板净截面抗剪承载力设计值的1/2) 采用10.9级摩擦型高强螺栓连接螺栓直径 D=20 mm高强度螺栓连接处构件接触面处理方式: 喷砂接触面抗滑移系数 u = 0.50高强螺栓预拉力 P = 155.00 kN螺栓双面抗剪承载力设计值 Nvb = 139.50 kN螺栓承受的最大剪力 Ns = 76.70 kN < Nvb ,设计满足主梁腹板侧螺栓验算:腹板螺栓排列(平行于梁轴线的称为“行”) :行数: 8 , 螺栓的行间距: 66 mm , 螺栓的行边距: 50 mm列数: 1 , 螺栓列列边距: 40 mm加劲肋与主梁的连接焊缝:加劲肋与主梁腹板的连接焊缝 Hf = 6mm加劲肋与主梁翼缘的连接焊缝 Hf = 8mm焊缝强度设计值 Fcw = 200.00 N/mm2加劲肋与主梁围焊缝最大应力 43.85N/mm2 <= Fcw,设计满足连接件验算:连接板尺寸: B x H x T = 320 x 632 x15构件抗拉强度设计值:f=310.00 N/mm2 抗剪强度设计值:fv=180.00 N/mm2连接角焊缝强度 Ffw=200.00 N/mm2连接件净截面最大正应力: 0.00 N/mm2 < f= 310.00 N/mm2,设计满足连接件净截面最大剪应力: 48.54 N/mm2 < fv= 180.00 N/mm2,设计满足次梁端部连接验算:连接件净截面正应力计算采用的组合号: 1采用常用设计法设计,腹板承担剪力 V = 613.61 kN (剪力V 取梁腹板净截面抗剪承载力设计值的1/2) 构件抗拉强度设计值:f=310.00 N/mm2 抗剪强度设计值:fv=180.00 N/mm2次梁腹板净截面最大正应力: 0.00N/mm2 <= f,设计满足连接件净截面正应力计算采用的组合号: 1采用常用设计法设计,腹板承担剪力 V = 613.61 kN (剪力V 取梁腹板净截面抗剪承载力设计值的1/2) 次梁腹板净截面最大剪应力: 112.03N/mm2 <= fv,设计满足次梁到主梁腹板的距离 e = 150 mm2、。
梁柱连接节点计算一、GL1与GZ1连接计算:查得节点处的最大内力为:M max =226KN ·MV max =72KN如右图所示,采用10M20-10.9S摩擦型高强螺栓,喷砂处理。
则:P=155KN; μ=0.551. 高强螺栓所受的最大拉力为:KN P N KN h y h M N b t i t 1241558.08.074]448/)256336448(24[39210226)24(22226221=⨯==<=+++⨯=+=∑则:KN n V N KN N P n N v t f b v 2.7107231)7425.1155(55.019.0)25.1(9.01===>=⨯-⨯⨯⨯=-=μ经验算,高强螺栓强度满足!2.端板厚度验算:按两边支承类端板计算:mmt mm fe e e b e N e e t wf f w t f w 1813300)]6150(50225061[107450616)](2[631min =<=⨯+⨯+⨯⨯⨯⨯⨯=++= 经验算,端板强度满足!经验算,连接节点安全!二、GL1与GL1拼接计算查得节点处的最大内力为:M max =96KN ·M(弯矩取屋脊处验算)V max =72KN (剪力取檐口处验算)如右图所示,采用8M20-10.9S摩擦型高强螺栓,喷砂处理。
则:P=155KN; μ=0.551.高强螺栓所受的最大拉力为:KN P N KN y y M N b t i t 1241558.08.096)200100(420010964226211=⨯==<=+⨯⨯=∙=∑则:KN n V N KN N P n N v t f b v 98723.17)9625.1155(55.019.0)25.1(9.01===>=⨯-⨯⨯⨯=-=μ经验算,高强螺栓强度满足!2.端板厚度验算:按两边支承类端板计算:mmt mm fe e e b e N e e t wf f w t f w 82.15300)]4246(46219042[109646426)](2[631min =<=⨯+⨯+⨯⨯⨯⨯⨯=++= 经验算,端板强度满足!经验算, 拼接处节点安全!三、GL1(2)与GZ2连接计算:查得节点处的最大内力为:M max =242KN ·MV max =61KN如右图所示,采用10M20-10.9S摩擦型高强螺栓,喷砂处理。
ZL3刚接梁腹板连接计算
(考虑腹板等强)
工程名称:一、基本条件
BH430X150X6.X8Q235材质
截面腹板高Hw=414mm 截面腹板厚tw=
6.mm 腹板拼接连接板竖直方向长度h=
340mm 腹板拼接连接板厚(考虑双剪情况) ts=Hw*tw/2h+2= 5.7mm 实际拼接连接板厚取为8mm
三、高强螺栓的计算
M20125.55KN 3.4个4个螺栓列数 l :1列每列螺栓个数 n :
4个钢柱截面能满足此排列方式,按此设计。
梁截面选取高强螺栓(10.9级)型号:实际连接高强螺栓个数取为:柱腹板连接所需高强螺栓数目:
nc=1.133*(Hw*tw*f)/Nvb
螺栓抗剪承载力(考虑双剪情况):二、连接板的计算(材质同梁腹板为Q345)四、结论
第 -1 页。
拼接节点设计计算书计算依据:1、《钢结构设计规范》GB50017-2003一、基本参数计算简图:高强螺栓布置图(十排)二、连接节点计算螺栓强度等级8.8级高强螺栓型号M20一个高强度螺栓的预拉力P(kN) 125 摩擦面的抗滑移系数μ0.45连接板材质Q345 节点域腹板抗剪强度设计值τ(N/mm2) 170 最外排螺栓至螺栓群形心距离:e fh=∑e f/2=(50+50+60+60+70+70+80+80+90+90+100)/2=400mm每排螺栓至螺栓群形心距离的平方和:∑e f2=e fh2+e fh2+(e fh-e f3-e f5)2+(e fh-e f4-e f6)2+(e fh-e f3-e f5-e f7)2+(e fh-e f4-e f6-e f8)2+(e fh-e f3-e f5-e f7-e f9)2+(e fh-e f-e f6-e f8-e f10)2+(e fh-e f3-e f5-e f7-e f9-e f11)2+(e fh-e f4-e f6-e f8-e f10-e f12)2=4002+4002+(400-50-60)2+(400 4-50-60)2+(400-50-60-70)2+(400-50-60-70)2+(400-50-60-70-80)2+(400-50-60-70-80)2+(400-50-60-70-80-90)2+(400-50-60-70-80-90)2=629200mm2螺栓承受的拉力:N t1=M×e fh/(2×∑e f2)=90×103×400/(2×629200)=28.608kNN t2=M×(e fh-e f3-e f5)/(2×∑e f2)=90×103×(400-50-60)/(2×629200)=20.741kNN t3=M×(e fh-e f3-e f5-e f7)/(2×∑e f2)=90×103×(400-50-60-70)/(2×629200)=15.734kNN t4=M×(e fh-e f3-e f5-e f7-e f9)/(2×∑e f2)=90×103×(400-50-60-70-80)/(2×629200)=10.013kN N t5=M×(e fh-e f3-e f5-e f7-e f9-e f11)/(2×∑e f2)=90×103×(400-50-60-70-80-90)/(2×629200)=3.576kN中和轴以下螺栓所受力大小与以上各值相等,但均为压力单个螺栓受拉承载力设计值:N t b=0.8P=0.8×125=100kNN t=28.608kN≤N t b=100kN满足要求!受拉力最大螺栓的抗剪承载力设计值为N v b=0.9n fμ(P-1.25N t)=0.9×1×0.45×(125-1.25×28.608=36.142kN若剪力按螺栓群平均承担则单个螺栓承受的剪力为N v=V/(2n)=15/(2×10)=0.75kNN v=0.75<N v b=36.142N v/N v b+N t/N t b=0.75/36.142+28.608/100=0.307≤1满足要求!三、端板支撑验算计算简图:端板支撑条件节点域腹板剪应力:τ=M/(d b×d c×t c)=90×106/(700×150×8)=107.143N/mm2≤[τ]=170N/mm2满足要求!端板所需厚度:t≥(6×e f×e w×N t/((e w×b+2e f×(e f+e w))×f))0.5=(6×50×100×28.608×103/((100×350+2×50×(50+100))×215))0.5= 8.935mmt≥(12×e f×e w×N t/((e w×b+4e f×(e f+e w))×f))0.5=(12×50×100×28.608×103/((100×350+4×50×(50+100))×215))0.5= 11.083mm t≥(3×e w×N t/((0.5a+e w)×f))0.5= (3×100×28.608×103/((0.5×206+100)×215))0.5= 14.023mm。
说明:梁翼缘采用焊接连接,腹板采用摩擦型高强螺栓连接
对接焊缝的抗拉抗压强度设计值
M:
梁端弯矩(N.m)h ob:
梁腹板净高度(m)b Fb:梁翼缘宽度(m)
t Fb:梁翼缘厚度(m)
σ:焊缝强度(Pa)#DIV/0!
依据美国钢结构规范(AISC)中规定,对于完全焊透焊缝(CJP)坡口焊,焊缝设计强度由基底金属强度
f l w f c w
等于金属抗拉抗压强度设计值Φfy(F BM ),Ф=0.9f l w ,f c w 可以取0.9fy
采用螺栓个数去上述三个公式中的最大值
V
梁端截面剪力(N)N v bH
单个螺栓抗剪承载力设计值(N)A nw b
梁腹板扣除螺栓孔后净截面面积(m^2)
f v
钢材抗剪强度设计值(Pa)M l b
作用在梁左端的弯矩(N.m)Mr b
作用在梁右端的弯矩(N.m)l 0
梁净跨长度(m)n wb 1
#DIV/0!n wb2#DIV/0!最终取#DIV/0!1.梁翼缘完全焊透的对接焊缝的强度
外连式水平加劲肋梁柱刚接节点计算(圆管型截面柱,H型2.梁腹板与连接板连接采用高强螺栓个数计算
n wb3#DIV/0!按照美国钢结构规范(AISC)中规定,采用高强度螺栓摩擦型连接时:a 只承受剪力时N
v bH =ФRn
其中Ф=1其余符号可以查看《美国钢结构规范》第166页,并且取值
u
Du
hc
Tb
Ns
ФRn 0
b 同时还承受剪力和拉力,那么在前式基础上乘以一个系数:Ks
N v bH =Ks ФRn Tu
计算得到的拉力Du
1.13Tb
最小拉力,查表Nb
承受拉力的螺栓数(可以预估)Ks #DIV/0!
注:连接板长度与宽度依据螺栓孔数量及其布置确定,这里只对其厚度采取计算
一般采用在腹板两侧成对配置
h wb
梁腹板高度(mm)t wb
梁腹板厚度(mm)h
腹板拼接连接板垂直方向长度(mm)t (mm)#DIV/0!
3.腹板连接板计算
mm h
h t t wb wb 3~12+=s b c u n N T h uD R Φ=Φb b u u S N T D T K -
=1
4.水平劲肋板计算
a.劲肋板厚度应大于梁中较厚翼缘的厚度
b.劲肋板自由外伸长度应符合下列要求f y
钢材屈服强度(MPa)t s
劲肋板厚度(mm)b s (mm)#DIV/0!
c.水平加劲肋与柱相连,当采用完全焊透的坡口对接焊缝时,可视焊缝与母材等强度不必进行焊强度验算,当采用双面角焊缝时,应根据梁较大翼缘面积确定强度
b Fb
梁翼缘宽度(mm)tFb 梁翼缘厚度(mm)
f 钢材抗拉强度(MPa)
f W t 焊缝抗拉强度(MPa)
D 柱直径(mm)
h f
焊脚尺寸(mm)#DIV/0!Fb
s t t ≥s y
s t f b 23518≤W
t Fb Fb f f D f t b h )4/(7.0*2)*(π≥
但是,当t
>t 时,hf<=ts, 当tc<=ts时,hf<=tc
Ф
0.75A w
焊缝有效面积(mm^2)F Exx
焊条强度等级(MPa)θ
作用荷载与焊缝纵轴间的夹角ФR n (N)0
f w t
(N)#DIV/0!将f w t带入公式中以求得h f
M b1
节点板域左端弯矩(N.m)M b2
节点板域右端弯矩(N.m)Vp
节点板域体积(m^3)0其中,h b 梁翼缘厚度中心距离(m)
R 柱壁厚中心半径(m)
t WC 柱壁厚(m)
f v
钢材抗剪强度
τp
#DIV/0!5.节点板域剪力强度验算
柱,H型梁)
由基底金属强度控制
进行焊缝。