C01地基与基础分部(子分部)工程、分项工程划分
- 格式:xls
- 大小:28.00 KB
- 文档页数:18
地基与基础分部工程划分一、地下室工程全部划归为地基与基础分部的习惯做法是错误的1、±0.000以下工程划归为地基与基础分部是《建筑工程质量检验评定标准》(GBJ301—88)规定的。
此规范后被《建筑工程施工质量验收统一标准》(GB 50300-2001)取代,取消了此条规定。
现行版本《建筑工程施工质量验收统一标准》(GB 50300-2013)更没此规定。
2、但±0.000以下工程划归为地基与基础分部的习惯做法沿袭至今!3、按照这种划分方法,执行《建筑工程施工质量验收统一标准》(GB 50300-2013)和《建筑地基基础工程施工规范》(GB 51004-2015 )就有很大的问题。
(1)《建筑工程施工质量验收统一标准》(GB 50300-2013)规定地基与基础分部工程按下图划分地基与基础子分部工程和分项工程。
从图中可以看出:基础子分部只包含各类基础,而不包括地下室中的梁板柱。
地下室中的梁板柱混凝土结构没有安身之地,就无法纳入基础分部(例外:如果地下室作为箱形基础则应纳入地基与基础分部)。
(2)《建筑地基基础工程施工规范》(GB 51004-2015 )规定地基基础工程应施工的内容见下图,依然不包括地下室中的梁板柱混凝土结构。
4、地下室中的梁板柱混凝土结构特征与主体结构类似,与地基基础明显不同,划入主体结构更合适。
且《建筑工程施工质量验收统一标准》(GB 50300-2013)地基与基础分部和《建筑地基基础工程施工规范》(GB 51004-2015 )中已没有它们的立足之地。
5、综上所述,地下室工程全部划归为地基与基础分部的习惯做法是错误的。
二、正确划分方法1、原则:在GB50300-2013上明确的,照办;不很明确的,应该根据分部工程划分的主要原则,并结合工程实际来划分,这个原则就是合理且方便验收。
2、若地下室作为箱形基础,则地下室划为地基与基础分部。
3、把与土直接接触的部分划归为地基与基础分部,如各种地基、各种基础、基坑支护、地下水控制、土方、边坡、防水层、基础垫层、地下车库的斜道、挡土墙等。
划分说明一、划分依据:1、交通部JTG F80/1-2004《公路工程质量检验评定标准》;2、本项目两阶段施工设计图;3、《浙江省公路工程竣工文件编制办法2010修订》二、划分原因:1)单位工程划分本段共分为7个单位工程,分别为:路基工程、路面工程、蒋村通道、彭村通道、余店通道、东塘立交、白露塘桥。
2)分部、分项工程划分(1)路基工程分为路基土石方、排水、小桥、涵洞、防护等,其中:路基土石方、排水、通涵、防护每1~3km为一个分部工程,小桥每座为一个分部工程。
1~3km内的每一座通涵为一个子分部工程。
路基土石方工程分为土方、软土地基2个分项工程,各个分项工程按照每自然段划分为子分项工程。
排水工程分为浆砌排水沟、集水井、流水槽、排水管、盲沟,各个分项工程按照每自然段或者1km划分为子分项工程。
防护工程分为挡土墙,护坡、方格植草、喷播植草等分项工程,各个分项工程按照每处或者1km划分为子分项工程。
通涵工程按照其类型分为圆管涵、盖板涵(通道)、倒虹吸。
圆管涵分为基础、管节安装及护座、台背填土、总体等分项;盖板涵(通道)分为基础、墙身、盖板预制、盖板安装、台背填土、总体等分项;倒虹吸分为基础、管节安装及护座、台背填土、总体等分项。
如果结构部位有钢筋,则该分项分为混凝土、钢筋两个子分项工程。
小桥工程的划分参照桥梁工程。
(2)路面工程分为底基层,基层,上面层,下面层,垫层,封层,黏层,侧石,培土路肩等,每1~3km为一个分部工程。
(3)桥梁工程分为基础与下部构造、上部构造预制与安装、上部构造现场浇注、总体桥面系和附属工程、防护工程等分部工程。
其中,基础与下部构造每个墩台为一个子分部工程,上部构造每跨为一个子分部工程。
基础与下部构造分为扩大基础,桩基,桩的制作,钢筋加工及安装,墩台身,墩台帽,台背填土,支座垫石和挡块等分项工程。
每一根桩基、墩台等作为一个子分项工程,其余以此类推。
钢筋加工及安装作为一个分项工程,每一根桩基、墩台、盖帽的加工及安装等作为一个子分项工程。
11#楼建造工程分部(子分部)工程、分项工程划分序号1分部工程地基与基础子分部工程土方工程砼灌注桩桩基工程基础柱及基础剪力墙砌体基础1~20 轴底层梁板砼结构分项工程(1) 土方开挖检验批 (2)土方回填检验批(1) 钢筋原材料、加工为一报验批。
钢筋安装、连接、隐蔽为一报验批(2)砼原材料、配合比、施工为一报验批砼外观尺寸、外观质量为一报验批桩承台及基础梁 (1) 模板安装、模板拆除各为一个报验批(2) 钢筋原材料、加工为一报验批。
钢筋安装、连接、隐蔽为一报验批(3)砼原材料、配合比、施工为一报验批砼外观尺寸、外观质量为一报验批(1) 模板安装、模板拆除各为一个报验批(2) 钢筋原材料、加工为一报验批。
钢筋安装、连接、隐蔽为一报验批(3)砼原材料、配合比、施工为一报验批砼外观尺寸、外观质量为一报验批砖砌体检验批(1) 模板安装、模板拆除各为一个报验批(2) 钢筋原材料、加工为一报验批。
钢筋安装、连接、隐蔽为一报验批(3)砼原材料、配合比、施工为一报验批砼外观尺寸、外观质量为一报验批21~40 轴底层梁板砼结构主体结构21~20 轴底层柱砼结构21~40 轴底层柱砼结构1~20 轴二层梁板砼结构21~40 轴二层梁板砼结构各为一个报验批(2) 钢筋原材料、加工为一报验批。
钢筋安装、连接、隐蔽为一报验批(3)砼原材料、配合比、施工为一报验批砼外观尺寸、外观质量为一报验批(1) 模板安装、模板拆除各为一个报验批(2) 钢筋原材料、加工为一报验批。
钢筋安装、连接、隐蔽为一报验批(3)砼原材料、配合比、施工为一报验批砼外观尺寸、外观质量为一报验批(1) 模板安装、模板拆除各为一个报验批(2) 钢筋原材料、加工为一报验批。
钢筋安装、连接、隐蔽为一报验批(3)砼原材料、配合比、施工为一报验批砼外观尺寸、外观质量为一报验批(1) 模板安装、模板拆除各为一个报验批(2) 钢筋原材料、加工为一报验批。
钢筋安装、连接、隐蔽为一报验批(3)砼原材料、配合比、施工为一报验批砼外观尺寸、外观质量为一报验批(1) 模板安装、模板拆除各为一个报验批(2) 钢筋原材料、加工为一报验批。
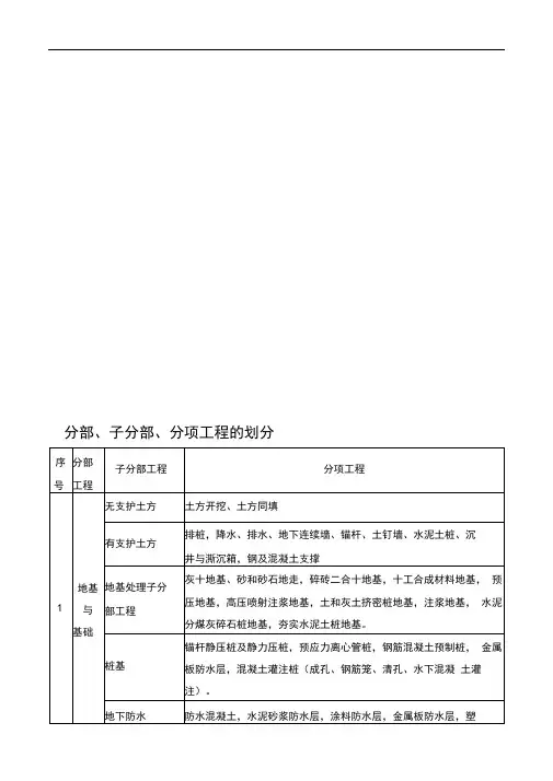
地基与基础工程分部分项划分
地基与基础工程可以划分为以下几个子项:
1. 土壤勘察:包括对场地地质、地形、土质等条件进行调查和分析,确定坑深、基坑开挖量、土壤承载能力等参数。
2. 基坑支护:包括支撑结构的设计和施工,使其能够承受开挖和周围土壤的压力。
3. 地基处理:包括挖土、填土、加固土体等处理方法,以达到基础安全和稳定的目的。
4. 基础施工:包括浇筑基础、安装预制板和基础框架等工作,确保基础的质量和强度。
5. 基础检测:包括基础的质量检测和监测,确保基础在使用过程中的安全性。
6. 基础维护:包括基础的日常维护和修缮,保证基础的长期稳定和安全。
单位、分部、分项工程划分表单位工程分部工程(子分部工程)分项工程(子分项工程)路基工程(LJ)路基土石方工程(A)桩号按3公里路段为单元划分子分部(A01,A02……)土方路基(A)按自然段或整公里石方路基(B)按自然段或整公里软土地基(C)按自然段或整公里土工合成材料处治层(D)按自然段或整公里排水工程(B)桩号按3公里路段为单元划分子分部(B01,B02…..)管道基础及管节安装(A)按自然段或整公里检查(雨水)井砌筑(B)按自然段或整公里土沟(C)按自然段或整公里边沟(D)按自然段或整公里排水沟(E)截水沟(F)按自然段或整公里盲沟(G)按自然段或整公里渗沟(H)按自然段或整公里跌水(I)按自然段或整公里急流槽(J)按自然段或整公里水簸箕(K)按自然段或整公里排水泵站(L)按自然段或整公里集水井(M)小桥及符合小标准的通道、人行天桥、渡槽工程( C )桩号每座为单元划分子分部(C01,C02…..)基础及下部构造(A)上部构造预制、安装或浇筑(B)桥面(C)栏杆(D)人行道(E)涵洞、通道(桩号按3公里)(D)每座为单元划分子分部子分部(D01,D02…..)基础及下部构造(A)上部构造预制、安装或浇筑(B)填土(C)总体(D)砌筑工程(E)桩号按3公里路段为单元划分子分部(E01,E02….)挡土墙(A)每处为单元(自然段起止桩号)墙背填土(B)每处为单元(自然段起止桩号)抗滑桩(C)每处为单元(自然段起止桩号)锚喷支护(D)每处为单元(自然段起止桩号)锥、护坡(E)每处为单元(自然段起止桩号)导流工程(F)每处为单元(自然段起止桩号)石笼防护(G)每处为单元(自然段起止桩号)单位、分部、分项工程划分表(续)单位工程分部工程(子分部工程)分项工程(子分项工程)路基工程(LJ)大型挡土墙,组合式挡土墙(F)桩号每处为单元划分子分部(F01,F02….)基础(A)墙身(B)墙背填土(C)构件预制(D)构件安装(E)筋带(F)锚杆(G)拉杆(H)总体(I)路面工程(LM) 路面工程(A)桩号按3公里路段为单元划分子分部(A01,A02……)底基层(A)按整公里左右幅分基层(B)按整公里左右幅分面层(C)按整公里左右幅分垫层(D)按整公里左右幅分联结层(E)按整公里左右幅分路缘石(F)按整公里左右幅分路肩(G)按整公里左右幅分路面边缘排水设施(H)按整公里左右幅分桥梁工程(桩号)(Q1,Q2….) 基础及下部构造(A)以每个墩台为单元划分子分部(A01,A02……)明挖基础(A)明挖基础桩基(B)桩基钢筋加工及安装桩基系梁(C)系梁钢筋加工及安装系梁侧墙(D)侧墙钢筋加工及安装侧墙台(墩)身、柱(E)台(墩)身、柱钢筋加工及安装台(墩)身、柱台(墩)帽(F)台(墩)帽钢筋加工及安装台(墩)帽盖梁(G)盖梁钢筋加工及安装盖梁台背填土(H)支座垫石和挡块(I)单位、分部、分项工程划分表(续)单位工程分部工程(子分部工程)分项工程(子分项工程)桥梁工程(Q1,Q2….) 预制和安装(B)每个孔为单元划分子分部(B01,B02…)主要构件(梁、板)预制(A)其他构件预制(B)梁板安装(C)钢筋加工及安装(D)预应力筋的加工和张拉(E)现场浇筑(C)每个孔为单元划分子分部(C01,C02…)预应力筋的加工和张拉(A)主要构件浇筑(B)主要构件浇筑钢筋加工及安装(C)其他构件浇筑(D)其他构件浇筑钢筋加工及安装(E)总体及桥面(D)总体及桥面(每座)(D01)桥梁总体(A)桥面防水层施工(B)桥面铺装钢筋加工及安装(C)桥面铺装(D)支座安装(E)搭板钢筋加工及安装(F)搭板(G)伸缩缝安装钢筋加工及安装(H)伸缩缝安装(I)砼护栏钢筋加工及安装(J)护栏(K)栏杆(L)人行道铺设(M)灯柱安装(N)防护工程(E)每座左右(E01,E02)护坡(A)护岸(B)导流工程(C)石笼防护(D)砌石防护(E)砌石工程(F)引道工程(F)每座左右(F01,F02)路基(A)路面(B)挡土墙(C)小桥(D)涵洞(E)护栏(F)单位工程分部工程(子分部工程)分项工程(子分项工程)拱桥(Q1,12…) 基础及下部构造(A)以每个墩台为单元划分子分部(A01,A02..)?号台、拱座(A)明挖基础桩基钢筋加工及安装桩基拱座钢筋加工及安装拱座浇筑台(墩)身钢筋加工及安装台(墩)身台(墩)帽钢筋加工及安装台(墩)帽台背填土预制和安装(B)每个孔为单元划分子分部(B01,B02..)预制主拱桥面板钢筋加工及安装(B)资料较多,可分?梁板预应力筋的加工和张拉(C)预制主拱桥面板(D)预应力筋的加工和张拉(E)预制引孔桥面板钢筋加工及安装(F)预制引孔桥面板(G)预制拱肋腹板钢筋加工及安装(H)预制拱肋腹板(I)预制拱肋隔板钢筋加工及安装(J)预制拱肋隔板(K)预制肋间系梁钢筋加工及安装(L)预制肋间系梁(M)梁板安装(N)现场浇筑(C)每个孔为单元划分子分部(C01,C02…)?立柱(梁板)(A)拱圈钢筋加工及安装拱圈现浇砼主拱立柱钢筋加工及安装主拱立柱引孔立柱钢筋加工及安装引孔立柱主拱立柱系梁钢筋加工及安装主拱立柱系梁引孔立柱系梁钢筋加工及安装引孔立柱系梁主拱立柱盖梁钢筋加工及安装主拱立柱盖梁引孔立柱盖梁钢筋加工及安装引孔立柱盖梁单位工程分部工程(子分部工程)分项工程(子分项工程)隧道工程(S1,S2…) 总体(A)一个分部隧道总体(A)明洞(B)明洞浇筑(A)明洞防水层(B)明洞回填(C)洞口工程(C)洞口开挖(A)洞口边仰坡防护(B)洞门和翼墙的浇(砌)筑(C)截水沟(D)洞口排水沟(E)洞身开挖(D)一个分部以100m为单元分段划分分项(A)洞身开挖(分段洞身衬砌(E)一个分部喷射砼(A)以100m为单元分段划分子分项锚喷支护(B)钢筋网(C)仰拱(D)衬砌砼(E)钢支撑(F)衬砌钢筋(G)以100m为单元分段划分子分项防排水(F)一个分部防水层(A)止水带(B)排水沟(C)隧道路面(G)一个分部基层(A)以3km为单位(左右幅分开)面层(B)以3km为单位(左右幅分开)装饰(H)装饰工程(A)辅助施工措施(L)超前锚杆(A)超前钢管(B)绿化与环保工程(LH) 声屏障(A)每处声屏障(A)绿化工程(B)1-3km路段或每处中央分隔带绿化(A)路侧绿化(B)互通立交绿化(C)服务区绿化(D)取弃土场绿化(E)单位、分部、分项工程划分表(续)单位工程分部工程(子分部工程)分项工程(子分项工程)交通安全设施工程(JA)标志(A)按5-10公里路段为单元标志(A)(资料左右幅分开)标线、突起路标(B)按5-10公里路段为单元标线(A)突起路标(B)护栏、轮廓标(C)按5-10公里路段为单元波形梁护栏(A)缆索护栏(B)砼护栏(C)轮廓标(D)防眩设施(D)按5-10公里路段为单元防眩板、网(A)隔离栅、防落网(E)按5-10公里路段为单元隔离栅、防落网(A)机电工程(JD) 监控设施(A)车辆检测器(A)气象检测器(B)闭路电视监视系统(C)可变标志(D)光电缆线路(E)监控(分)中心设备安装及软件调测(F)(A)大屏幕投影系统(G)地图板(H)计算机监控软件与网络(I)通信设施(B)通信管道与光电缆线路(A)光纤数字传输系统(B)数字程控交换系统(C)紧急电话系统(D)无线移动通信系统(E)通信电源(F)收费系统(C)入口车道设备(A)出口车道设备(B)收费站设备与软件(C)收费中心设备及软件(D)IC卡及发卡编号系统(E)闭路电视监视系统(F)内部有线对讲及紧急报警系统(G)收费站内光、电缆及塑料管道(H)收费系统计算机网络(I)单位、分部、分项工程划分表(续)单位工程分部工程(子分部工程)分项工程(子分项工程)机电工程(JD)低压配电设施(D)中心(站)内低压配电设备(A)外场设备电力电缆线路(B)照明设施(E)照明设施(A)隧道机电设施(F)以座为单位车辆检测器(A)气象检测器(B)闭路电视监视系统(C)紧急电话系统(D)环境检测设备(E)报警与诱导设施(F)可变标志(G)通风设施(H)照明设施(I)消防设施(J)本地控制器(K)隧道监控中心计算机控制系统(L)隧道监控中心计算机网络(M)低压供配电(N)房建工程(FJ)服务系统及房屋建筑(A)以处为单位(A01,A02..)服务系统及房屋建筑(A) 处(A01,A02…)注:分部、分项划分表中的字母表示分部分项工程识别号。
建筑工程分部工程及分项工程划分建筑工程质量验收应划分为单位(子单位)工程、分部(子分部)工程、分项工程和检验批。
1、单位工程是指---具备独立施工条件并能形成独立使用功能的建筑物及构筑物;2、子单位工程是指--建筑规模较大的单位工程,可将其能形成独立使用功能的部分为一个子单位工程;3、分部工程是指---按专业性质、建筑部位确定的;4、子分部工程是指--当分部工程较大或较复杂时,可按材料种类、施工特点、施工程序、专业系统及类别等划分为若干子分部工程。
5、分项工程是指---按主要工种、材料、施工工艺、设备类别等进行划分;6、检验批是指----根据施工及质量控制和专业验收需要按楼层、施工段、变形缝等进行划分。
具体定义:1、建设项目:指在一个总体范围内,由一个或几个单项工程组成,经济上实行独立核算,行政上实行统一管理,并具有法人资格的建设单位。
例:一所学校、一个工厂等。
2、单项工程:是指在一个建设项目中,具有独立的设计文件,能够独立组织施工,竣工后可以独立发挥生产能力或效益的工程。
例:一所学校的教学楼、实验楼、图书馆等。
3、单位工程:指竣工后不可以独立发挥生产能力或效益,但具有独立设计,能够独立组织施工的工程。
例:土建、电器照明、给水排水等。
4、分部工程:按照工程部位、设备种类和型号、使用材料的不同划分。
例:基础工程、砖石工程、混凝土及钢筋混凝土工程、装修工程、屋面工程等。
5、分项工程:按照不同的施工方法、不同的材料、不同的规格划分。
例:砖石工程可分为砖砌体、毛石砌体两类,其中砖砌体可按部位不同分为内墙、外墙、女儿墙。
分项工程是计算工、料及资金消耗的最基本的构造要素。
详细解释:(一)单项工程:单项工程(single construction)是建设项目的组成部分,具有独立的设计文件,竣工后能单独发挥设计所规定的生产能力或效益,并构成建设工程项目的组成部分。
单项工程是指具有单独设计文件的,建成后可以独立发挥生产能力或效益的一组配套齐全的工程项目。
公路工程之单位工程、分部工程、分项工程划分公路工程之单位工程、分部工程、分项工程划分2018年公路工程单位/分部/分项单位工程分部工程(子分部工程)分项工程(子分项工程)1.路基工程(LJ )1.1路基土石方工程(A)1.1.1桩号按3公里路段为单元划分子分部(A01,A02…)1.1.1.1土方路基(A)按自然段或整公里1.1.1.2石方路基(B)按自然段或整公里1.1.1.3软土地基(C)按自然段或整公里1.1.1.4土工合成材料处治层(D)按自然段或整公里1.2排水工程1.2.2桩号按3公里1.2.2.1管道基础及按自然段或整公里(B) 路段为单元划分子分部(B01,B02…) 管节安装(A)1.2.2.2检查(雨水)井砌筑(B)按自然段或整公里1.2.2.3土沟(C)按自然段或整公里1.2.2.4边沟(D)按自然段或整公里1.2.2.5排水沟(E)1.2.2.6截水沟(F)按自然段或整公里1.2.2.7盲沟(G)按自然段或整公里1.2.2.8渗沟(H)按自然段或整公里1.2.2.9跌水(I)按自然段或整公里1.2.2.10急流槽(J)按自然段或整公里1.2.2.11按自然段或整水簸箕(K) 公里1.2.2.12排水泵站(L) 按自然段或整公里1.2.2.13集水井(M)1.2.2.14坡体排水(N)1.3小桥及符合小标准的通道、人行天桥、渡槽工程( C )1.3.1桩号每座为单元划分子分部(C01,C02…)1.3.1.1基础及下部构造(A)1.3.1.2上部构造预制、安装或浇筑(B)1.3.1.3桥面(C)1.3.1.4栏杆(D)1.3.1.5人行道(E)1.4涵洞、通道(桩号按3公里)(D)1.4.1每座为单元划分子分部子分部(D01,D02…)1.4.1.1基础及下部构造(A)1.4.1.2上部构造预制、安装或浇筑(B)1.4.1.3填土(C)1.4.1.4总体(D)1.5砌筑工程(E) 1.5.1桩号按3公里路段为单元划分子分部(E01,E02….)1.5.1.1挡土墙(A)每处为单元(自然段起止桩号)1.5.1.2墙背填土(B)每处为单元(自然段起止桩号)1.5.1.3抗滑桩(C)每处为单元(自然段起止桩号)1.5.1.4锚喷支护每处为单元(自然段起止(D) 桩号) 1.5.1.5锥、护坡(E)每处为单元(自然段起止桩号) 1.5.1.6导流工程(F)每处为单元(自然段起止桩号)1.5.1.7石笼防护(G)每处为单元(自然段起止桩号)单位工程 分部工程 (子分部工程)分项工程 (子分项工程) 2.路基工程 (LJ )2.1大型挡土墙,组合式挡土墙(F)2.1.1桩号每处为单元划分子分部(F01,F02…)2.1.1.1基础(A) 2.1.1.2墙身(B) 2.1.1.3墙背填土(C) 2.1.1.4构件预制(D)2.1.1.5构件安装(E)2.1.1.6筋带(F)2.1.1.7锚杆(G)2.1.1.8拉杆(H)2.1.1.9总体(I)3.路面工程(LM)3.1路面工程(A)桩号按3公里路段3.1.1为单元划分子分部(A01,A02……)3.1.1.1底基层(A)按整公里左右幅分3.1.1.2基层(B)按整公里左右幅分3.1.1.3面层(C)按整公里左右幅分3.1.1.4垫层(D)按整公里左右幅分3.1.1.5联结层(E)按整公里左右幅分3.1.1.6路缘石(F) 按整公里左右幅分3.1.1.7路肩(G) 按整公里左右幅分3.1.1.8路面边缘排水设施(H) 按整公里左右幅分4.桥梁工程(桩号)(Q 1,Q2…)4.1基础及下部构造(A)4.1.1以每个墩台为单元划分子分部(A01,A02…)4.1.1.1明挖基础(A)明挖基础4.1.1.2桩基(B)桩基钢筋加工及安装桩基4.1.1.3系梁(C)系梁钢筋加工及安装系梁4.1.1.4侧墙(D)侧墙钢筋加工及安装侧墙4.1.1.5台(墩)身、柱(E)台(墩)身、柱钢筋加工及安装台(墩)身、柱4.1.1.6台(墩)帽(F) 台(墩)帽钢筋加工及安装台(墩)帽4.1.1.7盖梁(G) 盖梁钢筋加工及安装盖梁台背填土(H)支座垫石和挡块(I) 承台(J)单位工程分部工程(子分部工程)分项工程(子分项工程)5.桥梁工程(Q1,Q2…)5.1预制和安装(B)5.1.1每个孔为单元划分子分部(B01,B02…)5.1.1.1主要构件(梁、板)预制(A)5.1.1.2其他构件预制(B)5.1.1.3梁板安装(C)5.1.1.4钢筋加工及安装(D)5.1.1.5预应力筋的加工和张拉(E)5.2现场浇筑(C)5.2.1每个孔为单元划分子分部(C01,C02…)5.2.1.1预应力筋的加工和张拉(A)5.2.1.2主要构件浇筑 (B)5.2.1.3主要构件浇筑钢筋加工及安装(C)5.2.1.4其他构件浇筑 (D)5.2.1.5其他构件浇筑钢筋加工及安装(E)5.3总体及桥面(D)5.3.1总体及桥面(每座)(D01)5.3.1.1桥梁总体(A)5.3.1.2桥面防水层施工(B)5.3.1.3桥面铺装钢筋加工及安装(C)5.3.1.4桥面铺装(D)5.3.1.5支座安装(E)5.3.1.6搭板钢筋加工及安装(F)5.3.1.7搭板(G)5.3.1.8伸缩缝安装钢筋加工及安装(H)5.3.1.9伸缩缝安装(I)5.3.1.10砼护栏钢筋加工及安装(J)5.3.1.11护栏(K)5.3.1.12栏杆(L)5.3.1.13人行道铺设(M) 5.3.1.14灯柱安装(N)5.4防护工程(E)5.4.1每座左右(E01,E02)5.4.1.1护坡(A)5.4.1.2护岸(B)5.4.1.3导流工程(C)5.4.1.4石笼防护(D)5.4.1.5砌石防护(E)5.4.1.6砌石工程(F)单位工程分部工程(子分部工程)分项工程(子分项工程)6.1 6.1 6.1. 6.1.1.1号 6.1.1.1.1明挖拱桥(Q1,1 2…)基础及下部构造(A)1以每个墩台为单元划分子分部(A01,A02..)台、拱座(A)基础6.1.1.1.2桩基钢筋加工及安装6.1.1.1.3桩基6.1.1.1.4拱座钢筋加工及安装6.1.1.1.5拱座浇筑6.1.1.1.6台(墩)身钢筋加工及安装6.1.1.1.7台(墩)身6.1.1.1.8台(墩)帽钢筋加工及安装6.1.1.1.9台(墩)帽6.1.1.1.10台背填土6.2预制6.2.1每个6.2.1.1预制主拱桥面板资料较多,可分梁板和安装 (B) 孔为单元划分子分部 (B01,B02..) 钢筋加工及安装(B) 6.2.1.2预应力筋的加工和张拉(C) 6.2.1.3预制主拱桥面板(D) 6.2.1.4预应力筋的加工和张拉(E) 6.2.1.5预制引孔桥面板钢筋加工及安装(F) 6.2.1.6预制引孔桥面板(G) 6.2.1.7预制拱肋腹板钢筋加工及安装(H)6.2.1.8预制拱肋腹板(I)6.2.1.9预制拱肋隔板钢筋加工及安装(J)6.2.1.10预制拱肋隔板(K)6.2.1.11预制肋间系梁钢筋加工及安装(L)6.2.1.12预制肋间系梁(M)6.2.1.13梁板安装(N)6.3现场浇筑(C) 6.3.1每个孔为单元划分子分部(C01,C6.3.1.1立柱(梁板)(A)6.3.1.1.1拱圈钢筋加工及安装6.3.1.1.2拱圈现浇砼6.3.1.1.3主拱立柱钢筋加工及02…) 安装6.3.1.1.4主拱立柱6.3.1.1.5引孔立柱钢筋加工及安装6.3.1.1.6引孔立柱6.3.1.1.7主拱立柱系梁钢筋加工及安装6.3.1.1.8主拱立柱系梁6.3.1.1.9引孔立柱系梁钢筋加工及安装6.3.1.1.10引孔立柱系梁6.3.1.1.11主拱立柱盖梁钢筋加工及安装6.3.1.1.12主拱立柱盖梁6.3.1.1.13引孔立柱盖梁钢筋加工及安装6.3.1.1.14引孔立柱盖梁单位工程分部工程(子分部工程)分项工程(子分项工程)7.隧道工程(S1,S 2…)7.1总体(A)7.1.1一个分部7.1.1.1隧道总体(A)7.2明洞(B)7.2.1明洞浇筑(A)7.2.2明洞防水层(B)7.2.3明洞回填(C)7.3洞口工程(C)7.3.1洞口开挖(A)7.3.2洞口边仰坡防护(B)7.3.3洞门和翼墙的浇(砌)筑(C)7.3.4截水沟(D)7.3.5洞口排水沟(E) 7.4洞身开挖(D)7.4.1一个分部7.4.1.1以100m为单元分段划分分项(A)洞身开挖(分段7.5洞身衬砌(E)7.5.1一个分部7.5.1.1喷射砼(A)以100m为单元分段划分子分项7.5.1.2锚喷支护(B)7.5.1.3钢筋网(C)7.5.1.4仰拱(D)7.5.1.5衬砌砼(E)7.5.1.6钢支撑(F)7.5.1.7衬砌钢筋(G) 以100m为单元分段划分子分项7.6防排水(F) 7.6.1一个分部7.6.1.1防水层(A)7.6.1.2止水带(B)7.6.1.3排水沟(C)7.7隧道路面(G)7.7.1一个分部7.7.1.1基层(A)以3km为单位(左右幅分开)7.7.1.2面层(B)以3km为单位(左右幅分开)7.8装饰(H)7.8.1装饰工程(A)7.9辅助施工7.9.1超前锚杆(A)7.9.2超前措施(L)钢管(B)8.绿化与环保工程(LH )8.1声屏障(A)8.1.1每处8.1.1.1声屏障(A)8.2绿化工程(B)8.1.21-3km路段或每处8.1.2.1中央分隔带绿化(A)8.1.2.2路侧绿化(B)8.1.2.3互通立交绿化(C)8.1.2.4服务区绿化(D)8.1.2.5取弃土场绿化(E)单位工程分部工程(子分部工程)分项工程(子分项工程)9.交通安全设施工程(JA) 9.1标志(A)9.1.1按5-1 0公里路段为单元标志(A)(资料左右幅分开)9.2标线、突起路标(B)9.2.1按5-1 0公里路段为单元标线(A)突起路标(B)9.3护栏、轮廓标(C)9.3.1按5-1 0公里路段为单元波形梁护栏(A)缆索护栏(B)砼护栏(C)轮廓标(D)9.4防眩设施(D)9.4.1按5-1 0公里路防眩板、网(A)段为单元划分子分部9.5隔离栅、防落网(E)9.5.1按5-1 0公里路段为单元隔离栅、防落网(A)10.机电工程(JD) 10.1监控设施(A)10.1.1车辆检测器(A)10.1.2气象检测器(B)10.1.3闭路电视监视系统(C)10.1.4可变标志(D)10.1.5光电缆线路(E)10.1.6监控(分)中心设备安装及软件调测(F)(A)10.1.7大屏幕投影系统(G)10.1.8地图板(H)10.1.9计算机监控软件与网络(I)10.2通信设施(B)10.2.1通信管道与光电缆线路(A)10.2.2光纤数字传输系统(B)10.2.3数字程控交换系统(C)10.2.4紧急电话系统(D)10.2.5无线移动通信系统(E)10.2.6通信电源(F)10.3收费系统(C)10.3.1入口车道设备(A)10.3.2出口车道设备(B)10.3.3收费站设备与软件(C)10.3.4收费中心设备及软件(D)10.3.5IC 卡及发卡编号系统(E)10.3.6闭路电视监视系统(F)10.3.7内部有线对讲及紧急报警系统(G)10.3.8收费站内光、电缆及塑料管道(H)10.3.9收费系统计算机网络(I)单位工程分部工程(子分部工程)分项工程(子分项工程)11.机电工程(JD)11.1低压配电设施(D)11.1.1中心(站)内低压配电设备(A)11.1.2外场设备电力电缆线路(B)11.2照明设施(E)11.2.1照明设施(A)11.3隧道机电设施以座为单位11.3.1车辆检测器(A)11.3.2气象检测器(B)11.3.3闭路电视监视系(F) 统(C)11.3.4紧急电话系统(D)11.3.5环境检测设备(E)11.3.6报警与诱导设施(F)11.3.7可变标志(G)11.3.8通风设施(H)11.3.9照明设施(I)11.3.10消防设施(J)11.3.11本地控制器(K)11.3.12隧道监控中心计算机控制系统(L)11.3.13隧道监控中心计算机网络(M)11.3.14低压供配电(N)12.房建工程(FJ)12.1服务系统及房屋建筑(A)12.1.1以处为单位(A01,A02..)12.1.1.1服务系统及房屋建筑(A)处(A01,A02…)。
地基与基础分部:基础子分部:钢筋砼预制桩基础,干作业成孔桩基础,长螺旋钻孔压灌桩基础,沉管灌注桩基础砼结构子分部:模板,钢筋,砼,现浇外观尺寸砌体结构子分部:砖砌体,砼小型空心砖砌体,填充墙砌体地下防水子分部:主体结构防水,细部构造防水,注浆土方子分部:土方开挖,土方回填主体分部:砼结构子分部:模板,钢筋,砼,现浇外观尺寸,预应力,装配式结构砌体结构子分部:砖砌体,填充墙砌体钢结构子分部:钢结构焊接,紧固件连接,钢零部件加工,单层钢结构安装,多层级高层钢结构安装,钢结构涂装,钢构件组装,钢构件预拼装,钢网架结构安装,压型金属板,网架(网架制作、网架安装、网架防火、防腐涂料)装饰装修分部:建筑地面子分部:水泥砂浆面层抹灰子分部:一般抹灰,装饰抹灰门窗子分部:金属门窗安装,特种门安装,门窗玻璃安装,吊顶子分部:整体面层吊顶,板块面层吊顶,格栅吊顶轻质隔墙:板材隔墙,骨架隔墙,活动隔墙,玻璃隔墙饰面板子分部:金属板安装,塑料板安装饰面砖子分部:外墙饰面砖粘贴,内墙饰面砖粘贴幕墙子分部:玻璃幕墙,金属幕墙,石材幕墙、涂饰子分部:水性涂料涂饰细部子分部:护栏和扶手制作与安装建筑屋面分部:基层与保护子分部:找坡层和找平层保温与隔热子分部:纤维材料保温层防水与密封子分部:卷材防水层,接缝密封防水瓦面与板面子分部:烧结瓦和混凝土瓦铺装细部子分部:檐口,檐沟和天沟,女儿墙和山墙,水落口,变形缝,伸出屋面管道,屋面出入口,屋脊,屋顶窗,设施基座建筑给水、排水分部:室内给水系统子分部:给水管道及配件安装,给水设备安装,室内消火栓系统安装,试验与调试室内排水系统子分部:排水管道及配件安装,雨水管道及配件安装,试验与调试卫生器具子分部:卫生器具安装,卫生器具给水配件安装,卫生器具排水管道安装,试验与调试室外给水管网子分部:室外消火栓系统安装,给水管道安装,试验与调试室外排水管网子分部:排水管道安装,排水管沟与井池,试验与调试建筑电气分部:电气照明子分部:成套配电柜和照明配电箱安装,梯架、支架、托盘和槽盒安装,管内穿线和槽盒内敷线,塑料护套线直敷布线,导线连接和线路绝缘测试,普通灯具安装,开关、插座安装,建筑照明通电试运行供电干线子分部:电气设备试验和试运行,母线槽安装,梯架、支架、托盘和槽盒安装,导管敷设,电缆敷设,管内穿线和槽盒内敷线,电缆头制作,导线连接和线路绝缘测试,接地干线敷设室外电气子分部:成套配电柜、控制柜和动力、照明配电箱及控制柜安装,梯架、支架、托盘和槽盒安装,导管敷设,电缆敷设,管内穿线和槽盒内敷线,电缆头制作,导线连接和线路绝缘测试,普通灯具安装,建筑照明通电试运行,接地装置安装防雷及接地子分部:接地装置安装,防雷引下线和接闪器安装,建筑物等电位连接通风与空调分部:送风系统子分部:风管与配件制作,部件安装,风管系统安装,风管与设备防腐,织物(布)风管安装,系统调试排风系统子分部:风管与配件制作,部件安装,风管系统安装,风管与设备防腐,厨房、卫生间排风系统安装,系统调试防排烟系统子分部:风管与配件制作,部件安装,风管系统安装,风机与空气处理设备安装,风管与设备防腐,排烟风阀(口),防火风管安装,系统调试地下人防通风系统子分部:风管与配件制作,部件安装,风管系统安装,风机与空气处理设备安装,风管与设备防腐,系统调试智能建筑:智能化集成系统子分部:安装,软件安装,接口及系统调试,试行信息接入系统子分部:安装场地检查信息网络系统子分部:计算机网络设备安装,计算机网络软件安装,网络安全设备安装,网络安全软件安装,系统调试,试运行综合布线系统子分部:梯架、托盘、槽盒和导管安装,线缆敷设,机柜、机架、配线架安装,信息插座安装,软件安装,系统调试,试运行有线电视接收系统子分部:梯架、托盘、槽盒和导管安装,线缆敷设,机柜、机架、配线架安装,软件安装,系统调试,试运行建筑设备监控系统子分部:梯架、托盘、槽盒和导管安装,线缆敷设,控制器类设备安装,软件安装,系统调试,试运行防雷与接地子分部:接地装置安装,接地线,等电位连接,屏蔽设施,线缆敷设,系统调试,试运行。