基础设施检查表
- 格式:xlsx
- 大小:11.47 KB
- 文档页数:2
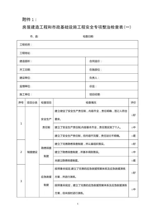
附件1:房屋建造工程和市政基础设施工程安全专项整治检查表(一)市、县: 检查日期:工程名称:工程地址:建造面积:开工日期:建设单位:监理单位:施工单位:序号项目分类12 制度建设3 检查项目安全生产责任制隐患排查制度应急救援制度合同造价:在施部位:负责人:总监:项目经理:检查情况建立健全了安全生产责任制,内容齐全,责任明确,签订人符合要求。
建立了安全生产责任制,内容基本齐全,责任落实到了个人。
建立了安全生产责任制,但内容不完整,责任划分不明确。
建立了完善隐患排查制度,并认真组织落实。
建立了隐患排查制度,并基本得到落实。
未建立隐患排查制度。
按照像关规定,建立了完善的应急救援预案体系及应急救援演练方案,并进行演练。
按照像关规定,建立了完善的应急救援预案体系及应急救援演练方案,但未按时进行演练。
评价□好□中□差□好□中□差□好□中应急救援预案体系及应急救援演练方案不完善,未按照规定按时□差进行应急救援演练。
安全生产培训教育建立了安全生产培训教育制度,积极开展入场教育、班前讲话、□好安全技术交底等形式多样的安全生产培训教育活动建立了基本的安全培训教育制度,能够对新入场员工开展安全生□中产培训教育。
4 5 培训教育依法施工持证上岗情况工程施工许可、质量安全监督手续办理工程承包情况安全生产培训教育开展不到位。
项目经理、专职安全员经安全生产考核合格,具备安全生产考核合格证书;特种作业人员经培训考核合格,持有效操作证。
项目经理、专职安全员经安全生产考核合格,具备安全生产考核合格证书;个别特种作业人员未持有效操作证作业。
项目经理或者专职安全员未经安全生产考核;特种作业人员未经培训,无操作资格证.工程施工许可、质量安全监督等各项手续齐全有效.中标通知书与施工许可以及现场项目经理相关内容一致。
未办理施工许可或者质量安全监督手续.中标通知书与施工许可以及现场项目经理相关内容不一致。
无违法分包、转包和非法挂靠现象,无越级承包(监理)、超资质范围承包(监理)现象。
体系审核检查表
127.1.5.2.1138.5.1.5148.5.1.5158.5.1.5168.5.1.5178.5.1.6188.5.1.6198.5.1.6208.5.1.6218.5.1.622
8.5.1.6
是否有工装设计文件?
工艺部保存有工装设计文件及图纸
是否有工装标识,包括编号、状态、所有权及位置?建立工艺装备编号程序文件,规定工装标识等内容
是否对顾客提供的工装进行管理?
是否有工装管理体系,包括8.5.1.6的要求?建立工装保养维护程序文件
是否对工装进行维护维修?定期对工装进行维护保养,有问题及时维修更换是否有易损工装的更换方案?建立易损管理流程,对易损工装存有备品备件,发现问题及时更换
是否识别关键设备?是否有设备的备品备件管理?建立设备分级管理规定,识别关键设备
是否对设备进行预防性维护和预测性维护?是否有周期性检修?
是否有形成文件的过程管理校准和检定记录?校准和检定的记录是否包括7.1.5.2.1所规定的细节?
保存有内校记录及外部检定证书,符合标准要求
是否有形成文件的全面生产维护系统,该系统至少包括8.5.1.5要求?。
基础设施资产清查明细表是一份详细的表格,用于记录和展示基础设施资产的数量、种类、价值、使用状况等信息。
以下是基础设施资产清查明细表的一个示例:
序号资产名称资产类型数量单价(元)总价值(元)使用状况
1道路交通基础设施100公里50,000元/公里50,000,000元正常使用中
2桥梁交通基础设施5座1,000,000元/座5,000,000元正常使用中
3供水系统民生基础设施1套5,000,000元/套5,000,000元正常使用中
4污水处理厂环境基础设施1座10,000,000元/座10,000,000元正常使用中
5通信塔信息基础设施20座3,000,000元/座60,000,00元正常使用中
这个表格只是一个示例,实际的基础设施资产清查明细表可能包含更多的信息,如资产的物理特性、建设时间、维护状况等。
根据具体需要,表格的设计和内容可以根据实际情况进行调整和扩展。
市政基础设施工程检查表(质量类)填写人:检查日期:项目经理:总监理工程师:。
填写说明一、施工技术专项方案主要有:通病防治、冬雨季施工、特殊路基处理、管道施工、降排水施工、施工试验、闭水试验、强度和严密性试验、满水试验、拖拉管施工、顶管施工、桩基施工、混凝土浇筑、地下工程防水施工专项、预应力张拉及压浆、施工监测等。
二、市政基础设施工程的下列关键部位、关键工序应当实施旁站:(1)深基坑(沟槽)开挖、支护及拆除;(2)6m以上边坡施工;(3)深度超过5m(含5m)的土方开挖;(4)地质条件、周围环境、地下管线复杂,地下水位在坑底以上的基坑(沟槽)、边坡、土方施工;(5)暗挖工程;(6)地基处理;(7)道路面层施工;(8)模板支撑系统搭设与拆除;(9)脚手架搭设与拆除;(10)起重机械设备安装与拆除;(11)起重吊装;(12)拆除、爆破;(13)钢筋隐蔽过程;(14)基础及主体结构混凝土浇筑;(15)预应力张拉;(16)防水层施工;(17)钢结构安装;(18)管道对接与疏通;(19)设备安装;(20)采用新材料、新技术、新工艺的部位和工序;(21)沥青路面施工、桥梁铺装防水粘结层施工、排水管道安装、隧道装饰施工、路灯安装等通病防治导则要求旁站的情形;(22)其它需要旁站的部位和工序。
三、监理见证工作应当包括以下内容:(1)进场材料、半成品、构配件、试块、试件等现场取样送检过程;(2)工程功能性试验过程;(3)现场施工管理人员和作业人员安全教育培训考核过程;(4)工程质量安全技术交底过程;(5)施工现场应急救援预案演练过程。
四、监理作出处理应出示相关书面联系单、通知单等,口头通知不予计入。
五、需进行合同备案的主要材料:钢筋、混凝土、水泥、沥青混凝土、水泥石灰粉煤灰类无机结合料、石灰、粉煤灰、路缘石、路面砖、水泥砖、排水管材、井壁模块、雨水篦、井盖、塑料检查井、钢绞线及锚夹具、支座以及防水材料、土工格栅、土工布、围挡,桩基检测合同等。
公司基建管理检查评价标准表格(年版)
一、基础设施管理
1.建筑物管理:
–建筑物外观及照明是否良好,是否存在漏水、漏雨等问题。
–建筑物内部设施是否齐全、维护是否及时。
–是否定期进行建筑物的维修及检查。
2.设备管理:
–公司各类设备的购置与更新情况。
–设备是否定期维护、保养。
–是否建立设备使用记录、设备故障报修流程。
二、环境管理
1.卫生管理:
–公司环境整洁度怎么样。
–是否定期进行环境卫生检查及整治。
–废弃物处理是否符合规范。
2.安全管理:
–是否建立安全生产责任制度。
–是否定期进行安全检查。
–是否进行安全隐患排查及整改。
三、资源管理
1.能源管理:
–公司是否制定了节能降耗的管理措施。
–是否对用能进行监测与分析。
–能源的使用是否遵循节能环保政策。
2.物资管理:
–公司物资采购和库存管理制度是否健全。
–是否建立物资消耗台账及报废处理制度。
–物资的使用是否节约和合理。
四、综合评价
以上内容均分别评定,总得分达到标准者,方可视为合格。
根据各项得分情况,可以对基建管理情况进行评价和改进,确保公司的基础设施和环境管理水平达到规范要求,提高工作效率和员工的工作幸福感。
备注:以上标准表格为公司对基建管理进行检查评价的业务标准,旨在帮助公司全面了解和掌握基建管理情况,促进公司管理的规范和高效。
城市基础设施施工安全检查表1. 检查项目:道路施工安全- 检查施工现场是否设置明显的警示标志,包括施工区域的警示牌和交通标志。
- 检查道路施工区域是否设置了安全隔离带,并确保其符合规定要求。
- 检查施工区域内的交通组织是否合理,是否有足够的交通导向标志、交通警示灯等。
- 检查道路施工区域内的施工设备和材料是否摆放整齐,是否会对交通造成阻碍或危险。
- 检查施工现场是否有专人负责交通组织和安全管理,并是否有足够的安全警示人员。
2. 检查项目:桥梁施工安全- 检查桥梁施工现场是否设置了明显的警示标志,包括施工区域的警示牌和安全标志。
- 检查桥梁施工区域是否设置了安全隔离带,并确保其符合规定要求。
- 检查桥梁施工现场是否采取了适当的防护措施,如围网、防护栏等,以防止人员和设备坠落。
- 检查桥梁施工现场是否合理设置了施工通道和出入口,并是否有足够的标识和警示。
- 检查桥梁施工现场是否有专人负责施工安全管理,并是否有足够的安全警示人员。
3. 检查项目:管道施工安全- 检查管道施工现场是否设置了明显的警示标志,包括施工区域的警示牌和安全标志。
- 检查管道施工区域是否设置了安全隔离带,并确保其符合规定要求。
- 检查管道施工现场是否采取了适当的防护措施,如围栏、警示标识等,以防止人员误入危险区域。
- 检查管道施工现场是否有专人负责施工安全管理,并是否有足够的安全警示人员。
- 检查管道施工现场是否有合理的通风设施和消防设备,并是否得到有效维护。
4. 检查项目:建筑施工安全- 检查建筑施工现场是否设置了明显的警示标志,包括施工区域的警示牌和安全标志。
- 检查建筑施工区域是否设置了安全隔离带,并确保其符合规定要求。
- 检查建筑施工现场是否设置了安全防护网、安全网等,以防止人员坠落。
- 检查建筑施工现场是否有专人负责施工安全管理,并是否有足够的安全警示人员。
- 检查建筑施工现场是否有合理的逃生通道和消防设备,并是否得到有效维护。