螺栓紧固力矩标准
- 格式:pdf
- 大小:1.07 MB
- 文档页数:16
螺栓拧紧力矩及标准 Document serial number【LGGKGB-LGG98YT-LGGT8CB-LGUT-螺栓拧紧力矩标准M6~M24螺钉或螺母的拧紧力矩(操作者参考)未注明拧紧力矩要求时,参考下表(普通螺栓拧紧力矩)未注明拧紧力矩要求时,参考下表(普通螺栓拧紧力矩)公制螺栓扭紧力矩 Q/STB 范围:本标准适用于机械性能级,规格从M6-M39的螺栓的扭紧力矩,对于使用尼龙垫圈、密封垫圈、其它非金属垫圈的螺栓,本标准不适用。
★对于设计图纸有明确力矩要求的,应按图纸要求执行。
套管螺母紧固力矩 Q/STB B07833-1998材料 HPb63-3Y2直通式压注油杯 Q/STB B07020-1998(螺纹M6、M8*1、M10*1)紧固力矩:-0.5Kg。
安全阀 Q/STB B07029-1998(螺纹R1/8)紧固力矩:。
通气塞 Q/STB B07030-1998 (螺纹R1/4)紧固力矩:。
螺塞 Q/STB B07040-1998(公称直径08-10螺距,12-36螺距)螺栓(排气) Q/STB B07060-1998(M12*)紧固力矩:。
软管(锥形密封)Q/STB B07100-1998软管(锥形密封) Q/STB B07123-1998(接头部螺母拧紧力矩)螺母(球头式管接头用) Q/STB B07201-1998 拧紧力矩:材料:(Q235)管接头螺母 Q/STB B07202-1998拧紧力矩(Q235 / HPb 59-1)铰接螺栓 Q/STB B07206-1998拧紧力矩(Q235)球头式端直通接头 Q/STB B07211-1998拧紧力矩(Q235 HPb 60-1 )表中拧紧力矩适用于钢制接头管接头 Q/STB B07212-1998紧固力矩(区分代号为5、7的件材料Q235)套管螺母 Q/STB B07221-1998拧紧力矩(材料Q235)管接头 Q/STB B07230-1998拧入紧固力矩(Q235)弯头(带座) Q/STB B07235-1998 、 B07236-1998拧紧力矩喉箍 Q/STB B07281-1998拧紧力矩U形管夹及座 Q/STB B07283-1998螺母的紧固力矩(区分代号 2、3使用)管夹 Q/STB B07289-1998(有效紧固直径φ25-φ232)紧固力矩:±05Nm套管接头 Q/STB B07290-1998套管螺母 Q/STB B07833-1998软管(空调器用) Q/STB B09488-1998。
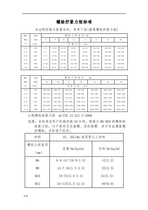
螺栓拧紧力矩国家标准未注明拧紧力矩要求时,参考下表(普通螺栓拧紧力矩)1螺栓拧紧力矩国家标准公制螺栓扭紧力矩Q/STB 12.521.5-2000范围:本标准适用于机械性能10.9级,规格从M6-M39的螺栓的扭紧力矩,对于使用尼龙垫圈、密封垫圈、其它非金属垫圈的螺栓,本标准不适用。
螺栓拧紧力矩国家标准2★对于设计图纸有明确力矩要求的,应按图纸要求执行。
套管螺母紧固力矩Q/STB B07833-1998 材料 HPb63-3Y2直通式压注油杯Q/STB B07020-1998(螺纹M6、M8*1、M10*1)紧固力矩:0.3-0.5Kg.m。
安全阀Q/STB B07029-1998(螺纹R1/8)紧固力矩:2.9-4.9Nm。
通气塞Q/STB B07030-1998 (螺纹R1/4)紧固力矩:2.94-5.88Nm。
螺塞Q/STB B07040-1998(公称直径08-10螺距1.25,12-36螺距1.5)螺栓(排气) Q/STB B07060-1998(M12*1.5)3螺栓拧紧力矩国家标准紧固力矩:58.8-78.4N.m。
软管(锥形密封)Q/STB B07100-1998软管(锥形密封) Q/STB B07123-1998(接头部螺母拧紧力矩)螺母(球头式管接头用) Q/STB B07201-1998螺栓拧紧力矩国家标准4螺栓拧紧力矩国家标准5拧紧力矩:N.m 材料:(Q235)管接头螺母 Q/STB B07202-1998拧紧力矩(Q235 / HPb 59-1)铰接螺栓 Q/STB B07206-1998拧紧力矩(Q235)球头式端直通接头Q/STB B07211-1998拧紧力矩(Q235 HPb 60-1 )表中拧紧力矩适用于钢制接头管接头 Q/STB B07212-1998紧固力矩(区分代号为5、7的件材料Q235)螺栓拧紧力矩国家标准6螺栓拧紧力矩国家标准7套管螺母 Q/STB B07221-1998拧紧力矩 (材料Q235)管接头 Q/STB B07230-1998拧入紧固力矩 (Q235)弯头(带座) Q/STB B07235-1998 、 B07236-1998拧紧力矩喉箍Q/STB B07281-1998拧紧力矩U形管夹及座Q/STB B07283-1998螺母的紧固力矩(区分代号 2、3使用)管夹Q/STB B07289-1998(有效紧固直径φ25-φ232)紧固力矩:8.8±05Nm套管接头Q/STB B07290-1998螺栓拧紧力矩国家标准8套管螺母Q/STB B07833-1998软管(空调器用) Q/STB B09488-19989螺栓拧紧力矩国家标准。
各种螺栓扭矩标准以下是M6~M24螺钉或螺母的拧紧力矩(操作者参考):螺纹公称直径为M6至M12的尺寸,施加在扳手上的寸拧紧力矩分别为3.5、8.3、16.4和28.5M/螺纹公称直径为M16至M24的尺寸,施加在扳手上的拧紧力矩分别为71、137和235M/N.m。
施力操作要领为加全身力、压上全身重量、压上全身重量。
螺栓的强度级分别为4.6、5.6、6.8、8.8、10.9和12.9.对于不同强度级的螺栓,其公称直径和屈服强度也不同。
例如,4.6级螺栓的公称直径为M6至M24,屈服强度为240N/mm2.而12.9级螺栓的公称直径为M6至M36,屈服强度为1080N/mm2.在拧紧螺栓时,需要根据螺栓的公称直径和强度级来确定拧紧力矩的大小。
例如,螺栓公称直径为8mm的4.6级螺栓,拧紧力矩为22N/m。
而公称直径为36mm的12.9级螺栓,则需要拧紧力矩为1098~1464N/m。
总之,拧紧螺钉或螺母时,需要根据螺纹公称直径、螺栓强度级和屈服强度来确定施加的拧紧力矩大小,以确保螺栓的紧固效果。
在机械制造和建筑领域中,螺栓是一种常见的紧固件。
为确保螺栓的紧固效果,需要根据螺栓公称直径和拧紧力矩来选择合适的螺栓。
下表列出了常见螺栓公称直径和对应的拧紧力矩:螺栓公称直径(mm) | 拧紧力矩(N.m) |M6.| 10.|M8.| 24.|M10.| 49.|M12.| 86.|M14.| 140.|M16.| 215.|M18.| 309.|M20.| 424.|M22.| 570.|M24.| 737.|M27.| 1070.|M30.| 1430.|M33.| 1820.|M36.| 2250.|M39.| 2720.|M42.| 3240.|M48.| 4620.|M52.| 5520.|M56.| 6560.|M56X4.| 6760.| M64.| 9360.|M64X4.| 9560.| M72.| .|M76X4.| .|M80.| .|M90.| .|M100.| .|此外,不同国家和地区对螺栓的标准也有所不同。
螺栓紧固力矩标准
螺栓紧固力矩标准是指在螺栓连接中,施加在螺栓上的力矩大小。
螺栓紧固力矩标准的制定是为了确保螺栓连接的安全可靠性,
防止由于螺栓松动而导致的设备损坏或人员伤害。
在工程设计和制
造中,螺栓紧固力矩标准是非常重要的,它直接影响着设备的安全
运行和使用寿命。
螺栓紧固力矩标准的制定需要考虑多个因素,包括螺栓的材料、直径、螺纹类型、螺栓连接的松动和紧固要求等。
一般来说,螺栓
紧固力矩标准是由设计人员根据设备的使用条件和要求来确定的。
在确定螺栓紧固力矩标准时,需要考虑到螺栓的材料强度、螺纹的
摩擦系数、螺栓连接的预紧力和工作载荷等因素,以确保螺栓连接
的安全可靠性。
螺栓紧固力矩标准的制定不仅需要考虑螺栓连接的静态特性,
还需要考虑到螺栓连接在动态载荷下的工作情况。
在实际工程中,
螺栓连接往往需要承受来自设备运行时的振动和冲击载荷,因此螺
栓紧固力矩标准的制定也需要考虑到这些动态载荷的影响。
为了确
保螺栓连接在动态载荷下的安全可靠性,设计人员通常会在螺栓紧
固力矩标准中增加一定的安全系数。
螺栓紧固力矩标准的制定还需要考虑到螺栓连接的使用环境和工作条件。
在一些特殊的环境中,如高温、低温、腐蚀、震动等条件下,螺栓连接的工作性能会受到影响,因此螺栓紧固力矩标准也需要根据实际使用环境来进行调整和制定。
总之,螺栓紧固力矩标准的制定是一个复杂而严谨的过程,它需要考虑多个因素,以确保螺栓连接的安全可靠性。
在工程设计和制造中,设计人员需要根据设备的使用条件和要求来确定螺栓紧固力矩标准,并在实际应用中进行验证和调整,以确保螺栓连接的安全可靠性和稳定性。
公制螺栓拧紧力矩标准
公制螺栓拧紧力矩标准是指在安装和拆卸螺纹连接时,为保证螺纹连接的可靠性和耐久性,需要施加一定的拧紧力矩。
这个力矩的大小是根据螺栓的规格、材料、螺纹长度以及被连接件的材料等因素来确定的。
在中国,公制螺栓拧紧力矩的标准是由国家标准GB/T 15756-2018《紧固件螺栓、螺钉和螺母通用技术条件》规定的。
该标准规定了不同规格的螺栓在拧紧时所需的最小扭矩值,以确保螺纹连接的质量。
例如,对于M6×10的螺栓,其最小扭矩值为4.8N·m;而对于M8×20的螺栓,其最小扭矩值为9.8N·m。
这些数值是根据实验数据得出的,可以保证螺纹连接的稳定性和可靠性。
在实际使用中,螺栓的拧紧力矩可能会受到多种因素的影响,如螺纹表面的粗糙度、润滑情况等。
因此,在实际操作中,应根据具体情况进行调整,以确保螺纹连接的质量。
公制螺栓拧紧力矩标准是为了确保螺纹连接的质量和可靠性而制定的。
在使用公制螺栓时,应按照相应的标准进行操作,以保证螺纹连接的稳定性和耐久性。
螺栓拧紧力矩标准未注明拧紧力矩要求时,参考下表(普通螺栓拧紧力矩)公制螺栓扭紧力矩 Q/STB 12.521.5-2000范围:本标准适用于机械性能10.9级,规格从M6-M39的螺栓的扭紧力矩,对于使用尼龙垫圈、密封垫圈、其它非金属垫圈的螺栓,本标准不适用。
★对于设计图纸有明确力矩要求的,应按图纸要求执行。
套管螺母紧固力矩Q/STB B07833-1998 材料HPb63-3Y2直通式压注油杯Q/STB B07020-1998(螺纹M6、M8*1、M10*1)紧固力矩:0.3-0.5Kg.m。
安全阀Q/STB B07029-1998(螺纹R1/8)紧固力矩:2.9-4.9Nm。
通气塞Q/STB B07030-1998 (螺纹R1/4)紧固力矩:2.94-5.88Nm。
螺塞Q/STB B07040-1998(公称直径08-10螺距1.25,12-36螺距1.5)螺栓(排气)Q/STB B07060-1998(M12*1.5)紧固力矩:58.8-78.4N.m。
软管(锥形密封)Q/STB B07100-1998软管(锥形密封)Q/STB B07123-1998(接头部螺母拧紧力矩)螺母(球头式管接头用)Q/STB B07201-1998拧紧力矩:N.m 材料:(Q235)管接头螺母Q/STB B07202-1998拧紧力矩(Q235 / HPb 59-1)铰接螺栓Q/STB B07206-1998 拧紧力矩(Q235)球头式端直通接头Q/STB B07211-1998拧紧力矩(Q235 HPb 60-1 )表中拧紧力矩适用于钢制接头管接头Q/STB B07212-1998紧固力矩(区分代号为5、7的件材料Q235)套管螺母Q/STB B07221-1998 拧紧力矩(材料Q235)管接头Q/STB B07230-1998 拧紧固力矩(Q235)弯头(带座)Q/STB B07235-1998 、B07236-1998 拧紧力矩喉箍 Q/STB B07281-1998 拧紧力矩U 形管夹及座 Q/STB B07283-1998 螺母的紧固力矩(区分代号 2、3使用)管夹 Q/STB B07289-1998(有效紧固直径φ25-φ232) 紧固力矩:8.8±05Nm 套管接头 Q/STB B07290-1998套管螺母 Q/STB B07833-1998软管(空调器用) Q/STB B09488-1998。
螺栓紧固力矩标准螺栓紧固力矩标准是指在螺栓紧固过程中所施加的力矩大小的规定。
螺栓是机械设备中常用的连接零件,而螺栓的紧固力矩标准对于机械设备的安全运行和使用具有重要意义。
正确的螺栓紧固力矩标准可以确保螺栓连接的牢固性,避免因螺栓松动而引起的安全事故,同时也可以保证机械设备的正常工作。
首先,螺栓紧固力矩标准的制定是基于螺栓的材质、直径、螺纹类型等因素进行考虑的。
不同材质的螺栓在承受力矩时会有不同的变形和破坏特性,因此需要根据材质的不同来确定相应的力矩标准。
此外,螺栓的直径和螺纹类型也会影响其承受力矩的能力,因此在制定力矩标准时需要考虑这些因素,以确保螺栓的紧固质量。
其次,螺栓紧固力矩标准的确定是基于工程实践和经验总结的。
在机械设备的设计和制造过程中,螺栓紧固力矩标准是经过大量实验和实际使用中的总结得出的。
通过对各种工况下螺栓紧固力矩的测试和观察,可以确定适合不同情况下的螺栓紧固力矩标准,以确保螺栓连接的安全可靠。
另外,螺栓紧固力矩标准的执行需要依靠专业的工具和技术。
在实际的螺栓紧固过程中,需要使用扭力扳手等专业工具来施加力矩,以确保施加的力矩符合标准要求。
同时,操作人员也需要具备一定的技术和经验,以确保螺栓紧固的质量和效果。
最后,螺栓紧固力矩标准的重要性不容忽视。
在机械设备的运行过程中,螺栓连接的牢固性直接关系到设备的安全性和稳定性。
因此,制定和执行合适的螺栓紧固力矩标准对于保障设备的正常运行和使用具有重要意义。
综上所述,螺栓紧固力矩标准是机械设备中不可或缺的重要标准之一。
正确的力矩标准可以保证螺栓连接的牢固性和安全性,对于机械设备的正常运行具有至关重要的作用。
因此,在机械设备的设计、制造和维护过程中,需要严格遵守螺栓紧固力矩标准,以确保设备的安全可靠运行。
螺栓拧紧力矩标准M6〜M24螺钉或螺母的拧紧力矩(操作者参考)未注明拧紧力矩要求时,参考下表(普通螺栓拧紧力矩)未注明拧紧力矩要求时,参考下表(普通螺栓拧紧力矩)公制螺栓扭紧力矩Q/STB 12.521.5-2000范围:本标准适用于机械性能10.9级,规格从M6-M39的螺栓的扭紧力矩,对于使用尼龙垫圈、密封垫圈、其它非金属垫圈的螺栓,本标准不适用。
★对于设计图纸有明确力矩要求的,应按图纸要求执行套管螺母紧固力矩Q/STB B07833-1998材料HPb63-3Y2直通式压注油杯Q/STB B07020-199&螺纹M6、M8*1、M10*1)紧固力矩:030.5Kgm安全阀Q/STB B07029-1998(螺纹R1/8)紧固力矩:2.9-4.9Nm。
通气塞Q/STB B07030-1998 (螺纹R1/4)紧固力矩:2.94-5.88Nm。
螺塞Q/STB B07040-1998(公称直径08-10螺距 1.25, 12-36螺距 1.5)螺栓(排气) Q/STB B07060-1998( M12*1.5)紧固力矩:58.8-78.4N.m 软管(锥形密封)Q/STB B07100-1998软管(锥形密封)Q/STB B07123-1998(接头部螺母拧紧力矩)拧紧力矩:N.m 材料:(Q235)管接头螺母Q/STB B07202-1998 拧紧力矩(Q235 / HPb 59-1 )铰接螺栓Q/STB B07206-1998拧紧力矩(Q235)拧紧力矩(Q235 HPb 60-1 )表中拧紧力矩适用于钢制接头管接头Q/STB B07212-1998紧固力矩(区分代号为5、7的件材料Q235)套管螺母Q/STB B07221-1998拧紧力矩(材料Q235)管接头Q/STB B07230-1998拧入紧固力矩(Q235)弯头(带座)Q/STB B07235-1998、B07236-1998 拧紧力矩喉箍Q/STB B07281-1998拧紧力矩U 形管夹及座Q/STB B07283-1998螺母的紧固力矩(区分代号2、3使用)管夹Q/STB B07289-1998有效紧固直径© 25-牡32) 紧固力矩:8.8± 05Nm套管接头Q/STB B07290-1998套管螺母Q/STB B07833-1998软管(空调器用)Q/STB B09488-1998。
螺栓拧紧力矩标准未注明拧紧力矩要求时,参考下表(普通螺栓拧紧力矩)公制螺栓扭紧力矩 Q/STB 12.521.5-2000范围:本标准适用于机械性能10.9级,规格从M6-M39的螺栓的扭紧力矩,对于使用尼龙垫圈、密封垫圈、其它非金属垫圈★对于设计图纸有明确力矩要求的,应按图纸要求执行。
套管螺母紧固力矩 Q/STB B07833-1998材料 HPb63-3Y2直通式压注油杯 Q/STB B07020-1998(螺纹M6、M8*1、M10*1)紧固力矩:0.3-0.5Kg.m。
安全阀 Q/STB B07029-1998(螺纹R1/8)紧固力矩:2.9-4.9Nm。
通气塞 Q/STB B07030-1998 (螺纹R1/4)紧固力矩:2.94-5.88Nm。
螺塞 Q/STB B07040-1998(公称直径08-10螺距1.25,12-36螺距1.5)螺栓(排气) Q/STB B07060-1998(M12*1.5)紧固力矩:58.8-78.4N.m。
软管(锥形密封)Q/STB B07100-1998软管(锥形密封) Q/STB B07123-1998(接头部螺母拧紧力矩)螺母(球头式管接头用) Q/STB B07201-1998 拧紧力矩:N.m 材料:(Q235)管接头螺母 Q/STB B07202-1998拧紧力矩(Q235 / HPb 59-1)铰接螺栓 Q/STB B07206-1998拧紧力矩(Q235)球头式端直通接头 Q/STB B07211-1998拧紧力矩(Q235 HPb 60-1 )表中拧紧力矩适用于钢制接头管接头 Q/STB B07212-1998紧固力矩(区分代号为5、7的件材料Q235)套管螺母 Q/STB B07221-1998拧紧力矩(材料Q235)管接头 Q/STB B07230-1998拧入紧固力矩(Q235)弯头(带座) Q/STB B07235-1998 、 B07236-1998 拧紧力矩喉箍 Q/STB B07281-1998拧紧力矩U形管夹及座 Q/STB B07283-1998螺母的紧固力矩(区分代号 2、3使用)管夹 Q/STB B07289-1998(有效紧固直径φ25-φ232) 紧固力矩:8.8±05Nm套管接头 Q/STB B07290-1998套管螺母 Q/STB B07833-1998软管(空调器用) Q/STB B09488-1998。
螺栓拧紧力矩标准未注明拧紧力矩要求时,参考下表(普通螺栓拧紧力矩)X围:本标准适用于机械性能10.9级,规格从M6-M39的螺栓的扭紧力矩,对于使用尼龙垫圈、密封垫圈、其它非金属垫圈的螺栓,本标准不适用。
★对于设计图纸有明确力矩要求的,应按图纸要求执行。
套管螺母紧固力矩 Q/STB B07833-1998材料 HPb63-3Y2直通式压注油杯 Q/STB B07020-1998〔螺纹M6、M8*1、M10*1〕平安阀 Q/STB B07029-1998〔螺纹R1/8〕紧固力矩:2.9-4.9Nm。
通气塞 Q/STB B07030-1998 〔螺纹R1/4〕紧固力矩:2.94-5.88Nm。
螺塞 Q/STB B07040-1998〔公称直径08-10螺距1.25,12-36螺距1.5〕螺栓〔排气〕 Q/STB B07060-1998〔M12*1.5〕软管〔锥形密封〕Q/STB B07100-1998软管〔锥形密封〕 Q/STB B07123-1998〔接头部螺母拧紧力矩〕螺母〔球头式管接头用〕 Q/STB B07201-1998 拧紧力矩:N.m 材料:〔Q235〕管接头螺母 Q/STB B07202-1998拧紧力矩〔Q235 / HPb 59-1〕铰接螺栓 Q/STB B07206-1998拧紧力矩〔Q235〕球头式端直通接头 Q/STB B07211-1998 拧紧力矩〔Q235 HPb 60-1 〕表中拧紧力矩适用于钢制接头管接头 Q/STB B07212-1998紧固力矩〔区分代号为5、7的件材料Q235〕套管螺母 Q/STB B07221-1998拧紧力矩〔材料Q235〕管接头 Q/STB B07230-1998拧入紧固力矩〔Q235〕弯头〔带座〕 Q/STB B07235-1998 、 B07236-1998 拧紧力矩喉箍 Q/STB B07281-1998拧紧力矩U形管夹及座 Q/STB B07283-1998螺母的紧固力矩〔区分代号 2、3使用〕管夹 Q/STB B07289-1998(有效紧固直径φ25-φ232) 紧固力矩:8.8±05Nm套管接头 Q/STB B07290-1998套管螺母 Q/STB B07833-1998软管〔空调器用〕 Q/STB B09488-1998。
螺栓拧紧力矩标准未注明拧紧力矩要求时,参考下表(普通螺栓拧紧力矩)公制螺栓扭紧力矩Q/STB 12.521.5-2000范围:本标准适用于机械性能10.9级,规格从M6-M39的螺栓的扭紧力矩,对于使用尼龙垫圈、密封垫圈、其它非金属垫圈的螺栓,本标准不适用。
★对于设计图纸有明确力矩要求的,应按图纸要求执行。
套管螺母紧固力矩Q/STB B07833-1998 材料 HPb63-3Y2 直通式压注油杯 Q/STB B07020-1998(螺纹M6、M8*1、M10*1)紧固力矩:0.3-0.5Kg.m。
安全阀Q/STB B07029-1998(螺纹R1/8)紧固力矩:2.9-4.9Nm。
通气塞Q/STB B07030-1998 (螺纹R1/4)紧固力矩:2.94-5.88Nm。
螺塞Q/STB B07040-1998(公称直径08-10螺距1.25,12-36螺距1.5)螺栓(排气)Q/STB B07060-1998(M12*1.5)紧固力矩:58.8-78.4N.m。
软管(锥形密封)Q/STB B07100-1998软管(锥形密封)Q/STB B07123-1998(接头部螺母拧紧力矩)螺母(球头式管接头用)Q/STB B07201-1998 拧紧力矩:N.m 材料:(Q235)管接头螺母Q/STB B07202-1998拧紧力矩(Q235 / HPb 59-1)铰接螺栓Q/STB B07206-1998拧紧力矩(Q235)球头式端直通接头Q/STB B07211-1998拧紧力矩(Q235 HPb 60-1 )表中拧紧力矩适用于钢制接头管接头Q/STB B07212-1998紧固力矩(区分代号为5、7的件材料Q235)套管螺母Q/STB B07221-1998拧紧力矩(材料Q235)管接头Q/STB B07230-1998拧入紧固力矩(Q235)弯头(带座)Q/STB B07235-1998 、B07236-1998 拧紧力矩喉箍 Q/STB B07281-1998拧紧力矩U 形管夹及座Q/STB B07283-1998 螺母的紧固力矩(区分代号 2、3使用)管夹 Q/STB B07289-1998(有效紧固直径φ25-φ232) 紧固力矩:8.8±05Nm套管接头 Q/STB B07290-1998套管螺母Q/STB B07833-1998软管(空调器用)Q/STB B09488-1998。
螺栓拧紧力矩标准未注明拧紧力矩要求时,参考下表(普通螺栓拧紧力矩)公制螺栓扭紧力矩Q/STB 范围:本标准适用于机械性能级,规格从M6-M39的螺栓的扭紧力矩,对于使用尼龙垫圈、密封垫圈、其它非金属垫圈的螺栓,本标准不适用。
★对于设计图纸有明确力矩要求的,应按图纸要求执行。
套管螺母紧固力矩Q/STB B07833-1998材料HPb63-3Y2直通式压注油杯Q/STB B07020-1998(螺纹M6、M8*1、M10*1)紧固力矩:-0.5Kg。
安全阀Q/STB B07029-1998(螺纹R1/8)紧固力矩:。
通气塞 Q/STB B07030-1998 (螺纹R1/4) 紧固力矩:。
螺塞 Q/STB B07040-1998(公称直径08-10螺距,12-36螺距)螺栓(排气) Q/STB B07060-1998(M12*) 紧固力矩:。
软管(锥形密封)Q/STBB07100-1998软管(锥形密封) Q/STB B07123-1998 (接头部螺母拧紧力矩)螺母(球头式管接头用)Q/STB B07201-1998 拧紧力矩:材料:(Q235)管接头螺母Q/STB B07202-1998拧紧力矩(Q235 / HPb 59-1)拧紧力矩(Q235)球头式端直通接头Q/STB B07211-1998拧紧力矩(Q235 HPb 60-1 )表中拧紧力矩适用于钢制接头管接头Q/STB B07212-1998紧固力矩(区分代号为5、7的件材料Q235)拧紧力矩(材料Q235)管接头Q/STB B07230-1998拧入紧固力矩(Q235)弯头(带座)Q/STB B07235-1998 、B07236-1998 拧紧力矩喉箍Q/STB B07281-1998拧紧力矩U 形管夹及座 Q/STB B07283-1998 螺母的紧固力矩(区分代号2、3使用)管夹 Q/STB B07289-1998(有效紧固直径φ25-φ232) 紧固力矩:±05Nm套管接头 Q/STB B07290-1998套管螺母 Q/STB B07833-1998软管(空调器用)Q/STB B09488-1998。
螺栓紧固力矩标准螺栓紧固力矩标准是指在螺栓紧固过程中所施加的力矩大小的规范。
螺栓紧固力矩标准的制定,对于保证螺栓紧固的安全可靠性、工程质量、使用寿命具有重要的意义。
下面就螺栓紧固力矩标准进行详细介绍。
一、螺栓紧固力矩标准的重要性。
螺栓紧固力矩标准的制定,是为了保证螺栓在紧固过程中所承受的力矩大小能够达到设计要求,从而确保螺栓连接的安全可靠性。
如果螺栓紧固力矩不符合标准,就会导致螺栓连接的松动或者过紧,从而影响设备的正常运行,甚至造成设备事故,给工程带来严重的安全隐患。
因此,螺栓紧固力矩标准的制定对于工程质量和安全具有重要的意义。
二、螺栓紧固力矩标准的制定依据。
螺栓紧固力矩标准的制定需要依据相关的国家标准或行业标准进行。
在制定螺栓紧固力矩标准时,需要考虑到螺栓的材料、型号、规格、紧固环境等因素,确保力矩大小能够适应实际工程的需要。
同时,还需要结合实际工程经验和技术要求,进行合理的确定和调整,以保证螺栓紧固力矩标准的科学性和合理性。
三、螺栓紧固力矩标准的应用范围。
螺栓紧固力矩标准适用于各种领域的工程项目,包括建筑、机械、航空航天、汽车、船舶等。
在这些领域中,螺栓连接是非常常见的一种连接方式,而螺栓紧固力矩标准的应用则能够保证螺栓连接的安全可靠性,从而保障工程的正常运行和使用。
四、螺栓紧固力矩标准的检测方法。
螺栓紧固力矩标准的检测是非常重要的一项工作,可以通过扭力扳手、电动扭矩扳手、液压扭矩扳手等工具进行检测。
在进行螺栓紧固力矩标准的检测时,需要根据实际情况选择合适的检测工具,并严格按照标准要求进行操作,确保检测结果的准确性和可靠性。
五、螺栓紧固力矩标准的管理和控制。
螺栓紧固力矩标准的管理和控制是非常重要的,需要建立健全的管理制度和标准化操作规程,对螺栓紧固力矩进行严格的管理和控制。
只有做好了管理和控制工作,才能够确保螺栓紧固力矩标准的有效实施,从而保证工程的安全可靠性和质量稳定性。
六、结语。
螺栓紧固力矩标准作为一项重要的技术规范,对于工程质量和安全具有重要的意义。
螺栓打紧力矩标准
螺栓打紧力矩标准通常是根据螺栓的材料、直径、螺距和使用环境等因素来确定的。
不同的螺栓类型和应用场景可能有不同的力矩标准。
以下是一些常见的螺栓打紧力矩标准参考值:
1. 碳钢螺栓:一般情况下,碳钢螺栓的打紧力矩标准可以根据螺栓直径和螺距来确定。
例如,M8 的螺栓,螺距为1.25mm,打紧力矩标准通常在10-15N·m 之间;M10 的螺栓,螺距为1.5mm,打紧力矩标准通常在20-30N·m 之间。
2. 不锈钢螺栓:不锈钢螺栓的打紧力矩标准通常比碳钢螺栓低,因为不锈钢的材料强度相对较低。
例如,M8 的不锈钢螺栓,打紧力矩标准通常在8-12N·m 之间;M10 的不锈钢螺栓,打紧力矩标准通常在15-25N·m 之间。
3. 高强度螺栓:高强度螺栓的打紧力矩标准通常更高,因为它们需要更高的预紧力来保证连接的可靠性。
例如,8.8 级M16 的高强度螺栓,打紧力矩标准通常在120-180N·m 之间;10.9 级M20 的高强度螺栓,打紧力矩标准通常在220-300N·m 之间。
需要注意的是,以上仅为一些常见的螺栓打紧力矩标准参考值,实际应用中应根据具体情况进行调整。
在选择螺栓打紧力矩时,还应考虑螺栓的润滑情况、使用环境的温度和湿度等因素。
如果你需要更准确的力矩标准,请参考相关的工程设计规范或咨询专业工程师。
目次1 总则1.1 范围1.2 引用标准2 计算方法2.1 一般要求2.2 计算步骤附录A法兰螺栓紧固力矩的计算实例附录B常用的法兰螺栓紧固力矩1 总则1.1 范围1.1.1本标准规定了法兰螺栓紧固力矩的计算方法。
1.1.2本标准适用于设计压力不大于35 MPa、钢材的使用温度在允许范围之内的法兰螺栓紧固力矩的计算。
1.2引用标准使用本标准时。
应使用下列标准最新版本。
GB 150 《钢制压力容器》。
GB/T 196 《普通螺纹基本尺寸(直径1~600 mm)》。
2 计算方法2.1 一般要求2.1.1 本标准考虑了流体静压力及垫片压紧力的作用,未考虑外力、外力矩的作用。
2.1.2 法兰螺栓紧固力矩是指为避免操作状态下法兰泄漏,在法兰安装时扭紧螺栓所需的扭力矩。
该扭力矩在避免法兰泄漏的同时, 不致造成垫片损坏、法兰永久变形和螺栓屈服。
由于理论计算模型不可能与实际情况完全吻合,因此本标准的法兰螺栓紧固力矩数值只作为施工中的参考,在操作状态仍需考虑进行热紧。
2.2 计算步骤2.2.1 垫片基本密封宽度b0根据垫片型式及尺寸,按表2.2.1确定垫片基本密封宽度b0(mm)。
2.2.2 垫片有效密封宽度b垫片有效密封宽度b(mm)按以下规定计算:a) 当b0≤6.4 mm时,b=b0;bb) 当b0>6.4 mm时,b=2.53。
2.2.3 垫片压紧力作用中心圆直径D G2.2.3.1 对于活套法兰,垫片压紧力作用中心圆直径D G(mm)即为法兰与翻边接触面的平均直径。
2.2.3.2 对于其他型式的法兰,按下述规定计算D G(mm):a) 当b0≤6.4 mm时,D G等于垫片接触面的平均直径;b) 当b0>6.4 mm时,D G等于垫片接触面外直径减2b。
2.2.4 操作状态下内压力引起的螺栓总轴向力按式(2.2.4)计算:(2.2.4)式中:F——操作状态下内压力引起的螺栓总轴向力,N;P——设计压力,MPa。
2.2.5 操作状态下需要的最小垫片压紧力按式(2.2.5)计算:F P=2π⨯D G⨯b⨯m⨯P(2.2.5)式中:F P——操作状态下需要的最小垫片压紧力,N;m——垫片系数,由表2.2.5查得。
表2.2.1 垫片基本密度宽度垫片基本密封宽度b0 压紧面形状(简图)ⅠⅡ1a1b1cω<N1dω≤N(最大)(最大)2ω<N/23ω<N/24①5①62N2N2gδω+2gδω+4N+ω4N+ω4N+ω83N+ω4N83N83N4N83N167N8ωPDF⨯⨯=2G4π注:①当锯齿深度不超过0.4 mm ,齿距不超过0.8 mm 时,应采用1b 或1d 的压紧面形状。
表2.2.5 垫片参数垫片材料垫片系数m比压力y MPa简图压紧面形状①类别①肖氏硬度低于750.500 无织物或少含量石棉纤维的合成橡胶 肖氏硬度不低于75 1.00 1.4厚度3 mm2.00 11 厚度 1.5 mm2.75 25.5 具有适当加固物的石棉(石棉橡胶板) 厚度0.75 mm3.50 44.8内有棉纤维的橡胶 1.252.8 3层 2.25 15.2 2层 2.50 20 内有石棉纤维的橡胶,具有金属加强丝或不具有金属加强丝1层2.7525.51(a 、b 、c 、d )、 4、5植物纤维1.757.61(a 、b 、c 、d )、 4、5碳钢2.5 69 内填石棉缠绕式金属不锈钢或蒙乃尔 3.00 69 软铝2.50 20 软铜或黄铜 2.75 26 铁或软钢3.00 31 蒙乃尔或 4 %~6 %铬钢 3.25 38 波纹金属板类壳内包石棉或波纹金属板内包石棉不锈钢3.50 44.81(a 、b )软铝 2.75 25.5 软铜或黄铜 3.00 31 铁或软钢 3.25 38 蒙乃尔或 4 %~6 %铬钢 3.50 44.8不锈钢3.7552.41(a 、b 、c 、d )Ⅱ续表垫片材料 垫片系数 m 比压力 y MPa 简图压紧面形状①类别①软铝 3.25 38 软铜或黄铜3.50 44.8 铁或软钢 3.75 52.4 蒙乃尔或 3.50 55.2 4 %~6 %铬钢 3.75 62.1平金属板内包石棉不锈钢3.75 62.11a 、1b 、 1c ②、 1d ②、2②软铝 3.25 38 软铜或黄铜3.50 44.8 铁或软钢 3.75 52.4 蒙乃尔或 4 %~6 %铬钢 3.75 62.1 槽型金属不锈钢 4.25 69.6 1(a 、b 、c 、d )、 2、3Ⅱ软铝 4.00 60.7 软铜或黄铜4.75 89.6 铁或软钢5.50 124.1 蒙乃尔或 4 %~6 %铬钢6.00 150.3 金属平板不锈钢 6.50 179.3 1(a 、b 、c 、d )、2、3、4、5铁或软钢5.50 124.1 蒙乃尔或 4 %~6 %铬钢6.00 150.3 金属环不锈钢6.50179.36Ⅰ注:① 见表2.2.1。
② 本表所列各种垫片的m 、y 值及适用的压紧面形状,均属推荐性资料。
采用本表推荐的垫片参数(m 、y )并按本章规定设计的法兰,在一般使用条件下,通常能得到比较满意的使用效果。
但在使用条件特别苛刻的场合,如在诸如氰化物介质中使用的垫片,其参数m 、y ,应根据成熟的使用经验谨慎确定。
2.2.6 操作状态下需要的最小螺栓总荷载按式(2.2.6)计算:W P =F +F P (2.2.6)式中:W P ——操作状态下需要的最小螺栓总荷载,N 。
2.2.7 预紧状态下需要的最小螺栓总荷载按式(2.2.7)计算:W a =π⨯D G ⨯b ⨯y (2.2.7)式中:W a ——预紧状态下需要的最小螺栓总荷载,N ; y ——垫片比压力,MPa ,由表2.2.5查得。
2.2.8 确定预紧状态下的螺栓设计总荷载,具体步骤如下:a) 确定预紧状态下需要的最小螺栓总面积,其数值按式(2.2.8-1)计算:(2.2.8-1)式中:A a ——预紧状态下需要的最小螺栓总面积,mm 2;[σ]b ——常温下螺栓材料的许用应力,MPa ;螺栓材料的许用应力数值可参照GB 150-1998表4-7。
b) 确定操作状态下需要的最小螺栓总面积,其数值按式(2.2.8-2)计算:(2.2.8-2)式中:A P ——操作状态下需要的最小螺栓总面积,mm 2;——设计温度下螺栓材料的许用应力,MPa ;螺栓材料的许用应力数值可参tb][σ照GB 150-1998表4-7。
c) 需要的螺栓总面积A m 取A a 与A P 之间的大值。
d) 确定预紧状态下的螺栓设计总荷载,其数值按式(2.2.8-3)计算:W y = (2.2.8-3) b bm][2σ⨯+A A 式中:W y ——预紧状态下的螺栓设计总荷载,N ;A b ——实际螺栓总面积,它应不小于需要的螺栓总面积A m 。
其数值按式(2.2.8-4)计算:A b =n ⨯A (2.2.8-4)式中:n ——螺栓个数;A ——单个螺栓实际面积A ,mm 2;其数值按式(2.2.8-5)计算:[]t bpp σW A =[]baa σW A =A =(2.2.8-5) 21164)(P d -⨯π式中:d 1——外螺纹小径,mm 。
d 1可根据所选螺栓公称直径及螺矩由GB /T 196-1981查得;P 1——螺矩,mm 。
2.2.9螺栓设计总荷载W (N )取预紧状态下的螺栓设计总荷载,即W =W y 。
2.2.10 法兰每个螺栓所需的紧固力矩按式(2.2.10)计算:T= (2.2.10)nd W k B310⨯⨯⨯-式中:T ——法兰每个螺栓所需的紧固力矩,N m ;k ——扭矩系数。
它与螺栓、螺母的松紧配合,螺纹、螺母和法兰的表面的光洁度和磨擦系数有关。
在允许情况下k 值可通过抽样进行测定,其数值一般在0.11~0.15之间。
在无法测定的情况下,建议将k 值取为0.13;d B ——螺栓公称直径,mm 。
2.2.11 法兰螺栓紧固力矩的计算实例和常用的法兰螺栓紧固力矩见附录A 和 附录B 。
附录A 法兰螺栓紧固力矩的计算实例A1 计算实例一 A1.1 已知数据A1.1.1 法兰等级PN42.0 MPa ,公称直径DN200,设计温度450 ℃,螺栓材料25Cr2MoVA 。
A1.1.2 垫片为圆环垫,垫片材料为TP316,垫片宽度ω为22.224 mm ;垫片接触面平均直径为279.4 mm ;设计压力P 为20 MPa ;常温下螺栓材料的许用应力[σ]b 为254 MPa ;设计温度下螺栓材料的许用应力为185 MPa ;螺栓公称直径d B 为 tb ][σ52 mm ;螺矩P 1为3 mm 。
螺栓个数n 为12个。
A1.2 计算法兰螺栓紧固力矩 A1.2.1 确定垫片基本密封宽度b 0:查表2.2.1可知,对园环垫b 0=ω/8=2.778(mm )。
A1.2.2 确定垫片有效密封宽度b :因为b 0<6.4 mm ,所以b =b 0=2.778 (mm )。
A1.2.3 确定垫片压紧力作用中心圆直径D G :因为b 0<6.4 mm ,所以D G =垫片接触面的平均直径=279.4 (mm )。
A1.2.4 由式(2.2.4)计算操作状态下内压力引起的螺栓总轴向力F :F = =⨯279.42⨯20=1.2262⨯106(N )A1.2.5 计算操作状态下需要的最小垫片压紧力F P :由表2.2.5可知,不锈钢圆环垫的垫片系数m 为6.5;由式(2.2.5)中计算得到操作状态下需要的最小垫片压紧力F P :F P =2π⨯DG ⨯b ⨯m ⨯P=2⨯3.14⨯279.4⨯2.778⨯6.5⨯20 =6.3397⨯105(N )A1.2.6 由式(2.2.6)计算操作状态下需要的最小螺栓总荷载W P :W P =F +F P=1.2262⨯106+6.3397⨯105 =1.8602⨯106 (N )A1.2.7 计算预紧状态下需要的最小螺栓总荷载W a :由表2.2.5可知,不锈钢圆环垫的垫片比压力y 为179.3;由式(2.2.7)计算预紧状态下需要的最小螺栓总荷载W a 为:W a =π⨯D G ⨯b ⨯y=3.14⨯279.4⨯2.778⨯179.3 =4.372⨯105(N )A1.2.8 计算预紧状态下的螺栓设计总荷载W y :a) 按式(2.2.8-1)计算预紧状态下需要的最小螺栓总面积A a :A a =1721.26 (mm 2) b) 按式(2.2.8-2)计算操作状态下需要的最小螺栓总面积A P :A p =10055.14 (mm 2) c) 因A P 大于A a ,所以需要的螺栓总面积A m 为:A m =A P =10055.14 (mm 2)d) 根据GB /T 196-1981,对于公称直径为52 mm 、螺矩为3 mm 的螺栓,[]25410372.45⨯==baW σ[]185108602.16⨯==t bpW σ414.3P D G⨯⨯24πd 1=48.752 mm 。