消防水管安装施工工艺流程(竖向)
- 格式:doc
- 大小:14.80 KB
- 文档页数:1
消防工程施工方案的施工工序与工艺流程一、前期准备工作在消防工程施工之前,必须进行充分的前期准备工作,包括但不限于以下内容:1.审批和规划根据当地政府相关规定,进行消防工程施工的审批和规划工作。
确保施工方案符合法律法规的要求,同时满足现场实际需求。
2.材料采购与准备根据施工方案的要求,采购和准备必要的消防材料和设备,确保施工过程中的顺利进行。
3.人员配备合理安排施工人员的数量和职责,确保施工过程中的安全和效率。
二、施工工序与工艺流程1. 消防设备安装首先,根据消防设备的类型和布置图纸,确定设备的具体安装位置。
然后,按照相关工艺流程进行安装,包括通电、连接管道、调试等工序。
2. 管道铺设与连接根据设计图纸,对消防水源管道进行铺设和连接。
确保各个管道的质量、连接紧密性和稳定性。
3. 系统设备安装对消防系统设备,如报警系统、排烟系统、喷淋系统等进行安装。
根据设计要求,安装相应的控制面板、传感器、阀门等设备,并进行相应的联调和测试。
4. 喷淋系统调试喷淋系统是消防工程中的重要部分,需要进行严格的调试工作。
确保系统的喷水效果、喷水覆盖范围和喷水压力等达到设计要求。
5. 烟气排除系统安装与调试烟气排除系统的安装和调试工作,主要包括风机的安装、排烟管道的布置和连接、风机系统的运行测试等。
确保烟气排除系统在火灾发生时能够正常运行。
6. 系统联调与测试对已完成的各个消防系统进行联调和测试,包括设备的互联互通、信号传输的可靠性、自动报警和联动控制等功能的测试。
7. 施工完工验收在施工结束后,必须进行消防工程的完工验收。
由相关部门对施工质量进行检验和评估,确保施工符合相关标准和规范。
三、施工相关注意事项1. 施工过程中,严格按照相关法律法规和技术规范进行操作,确保施工的安全和质量。
2. 注意施工现场的卫生和整洁,保持作业环境的良好状态。
3. 在施工过程中,必须严格执行各项安全操作规程,做好施工人员的个人防护工作。
4. 施工过程中发现的问题和隐患应及时报告相关负责人,并采取相应的措施进行处理。
第1篇一、施工前准备1. 项目组成立:根据工程概况和图纸会审,成立项目组,明确各成员职责。
2. 施工方案编制:根据项目组讨论,编制消防工程施工方案,明确施工顺序、施工工艺、质量控制、安全措施等。
3. 材料设备准备:根据施工图纸和施工方案,准备所需材料设备,确保质量合格。
4. 施工现场准备:平整施工现场,确保排水畅通,搭建临时设施,如办公室、宿舍、仓库等。
二、预留预埋阶段1. 熟悉图纸:项目组成员熟悉图纸,明确预留预埋位置和尺寸。
2. 绘制预留预埋图:根据图纸要求,绘制预留预埋图,标注预埋位置和尺寸。
3. 预埋施工:按照预留预埋图,进行预埋施工,确保预埋位置准确、尺寸符合要求。
4. 预埋件加工:根据预留预埋图,加工预埋件,确保预埋件质量合格。
三、支架制作安装1. 支架选型:根据管道材质、管径大小等因素,选择合适的支架类型。
2. 支架制作:按照支架选型,制作支架,并进行防腐、涂漆处理。
3. 支架安装:按照支架制作要求,进行支架安装,确保支架稳固、水平。
四、管道安装1. 管道加工:根据管道规格、长度要求,进行管道加工。
2. 管道连接:按照管道连接规范,进行管道连接,确保连接牢固、密封。
3. 管道试压:对管道进行试压,确保管道强度和密封性。
4. 管道冲洗:对管道进行冲洗,清除管道内的杂质和污物。
五、消防设备安装1. 消火栓(箱)安装:按照消防设备安装规范,进行消火栓(箱)安装,确保安装牢固、出水方向正确。
2. 报警装置安装:按照报警装置安装规范,进行报警装置安装,确保报警装置灵敏、可靠。
3. 喷头安装:按照喷头安装规范,进行喷头安装,确保喷头安装牢固、喷洒范围符合要求。
六、系统调试1. 系统试压:对消防系统进行试压,确保系统强度和密封性。
2. 系统冲洗:对消防系统进行冲洗,清除系统内的杂质和污物。
3. 系统调试:对消防系统进行调试,确保系统运行正常、可靠。
4. 系统验收:按照消防工程验收规范,进行系统验收,确保消防工程符合要求。
球墨铸铁管安装(胶圈接口)主要是室外埋地消防管(DN150mm)一、球墨铸铁管安装(胶圈接口)的工艺流程:二、沟槽开挖1、沟槽开挖前工作开槽前要认真调查了解地上地下障碍物,以便开槽时采取妥善加固保护措施,根据业主方提供的现况地下管线图和我公司的现场调查,统计出现况地下情况,采取有效措施加以保护。
2、沟槽开挖形式根据设计图中设计管道的规格及埋置深度以及规范要求来确定沟槽开挖的形式。
⑴槽帮坡度的确定:槽深h<3。
0米时,槽帮坡度i为1:0.33;⑵管道一侧工作面宽度情况详见下表:⑶沟槽断面形式(见下图)3、开挖方法⑴土方开挖采用机械开挖,槽底预留20㎝由人工清底。
开挖过程中严禁超挖,以防扰动地基,对有地下障碍物(现况管线)的地段由人工开挖,严禁破坏。
⑵沟槽开挖按先深后浅顺序进行,以利排水。
⑶挖槽土方处置,按现场暂存、场外暂存和外弃相结合的原则.开槽土方凡适宜回填的土选择妥善位置进行堆放,但不得覆盖测量等标注,均暂存于现场用于沟槽回填,回填土施工前合理的土方调配计划。
作好土方平衡,减少土方外运及现场土方调运。
⑷开槽后及时约请有关人员检槽,槽底合格后方可进行下道工序,如遇槽底土基不符设计要求,及时与设计监理单位及地勘部门联系,共同研究基底处理措施,方可进行下道工序.二、下管在沟槽检底后,经核对管节、管件位置无误后立即下管.下管时注意承口方向保持与管道安装方向一致.同时在各接口处掏挖工作坑,工作坑大小以方便管道撞口安装为宜。
三、清理承口清刷承口,铲去所有粘结物,如沙子、泥土和松散土涂层及可能污染水质、划破胶圈的附着物。
四、清理胶圈、上胶圈将胶圈清理干净。
上胶圈时,使胶圈弯成心形或花形放在承口内槽就位,并用手压实,确保各个部位不翘不扭.胶圈存放注意避沈,不要叠合挤压,长期贮存在盒子里面或用其他东西罩上。
五、清理播口表面插口端是圆角并有一定锥度。
在胶圈内表面和插口外表涂刷润滑剂(洗涤灵),润滑剂均匀刷在承口内已安装好的橡胶圈表面,在插口外表刷润滑剂刷到插口坡口处。
消防机电管道工程施工一、消防机电管道工程施工流程1. 前期准备阶段在进行消防机电管道工程施工前,首先需要进行前期准备工作。
这包括对工程图纸和设计方案进行审核,确定施工的具体方案和工艺流程。
同时,还需要购买相应的材料和设备,安排施工人员和工作计划,确保施工有序进行。
2. 筹建阶段筹建阶段是消防机电管道工程施工的第一步,包括现场勘测和测量、脚手架搭建、模板搭设等工作。
在这个阶段,施工人员需要根据地形和实际情况进行调查,确定施工的具体位置和方向,并搭建相应的支架和模板,为后续施工做好准备。
3. 施工阶段在筹建阶段完成后,就可以正式进行消防机电管道工程的施工。
这个阶段包括管道的铺设、管件的连接、设备的安装等工作。
在施工过程中,施工人员需要严格按照设计图纸和施工方案进行操作,确保施工质量和进度。
4. 完工验收阶段消防机电管道工程施工完成后,需要进行完工验收。
验收内容包括施工质量、材料使用、设备安装等方面,确保工程符合相关标准和规定。
同时,还需要组织相关部门进行验收,并对施工过程中存在的问题进行整改和修复。
二、消防机电管道工程施工注意事项1. 施工安全消防机电管道工程施工是一项高危工程,施工人员需要时刻注意安全。
在施工过程中,需要严格按照相关规定和安全措施进行操作,避免发生意外事故。
2. 施工质量消防机电管道工程施工的质量直接关系到建筑物的消防安全和设备运行的正常性,施工人员需要保证施工质量。
在施工过程中,需要注意材料的选用和施工工艺,确保管道安装牢固、连接严密。
3. 施工进度消防机电管道工程的施工进度也是一个重要的考量因素,施工人员需要严格按照工作计划和进度表进行操作,确保工程如期完成。
同时,还需要注意协调施工队伍和保障施工的顺利进行。
4. 环境保护消防机电管道工程施工过程中,需要注意环境保护工作。
施工人员需要妥善处理施工过程中产生的废弃物和污染物,确保环境清洁和整洁。
总而言之,消防机电管道工程施工是一项细致且复杂的工程,需要施工人员具备专业知识和技能。
室外给水系统(消防)施工方案本工程室外消防水管设计为球墨铸铁管(胶圈接口)。
球墨铸铁管安装(胶圈接口)的工艺流程通水、1.1沟槽开挖1.1.1沟槽开挖前工作开槽前要认真调查了解地上地下障碍物,以便开槽时采取妥善加固保护措施,根据业主方提供的现况地下管线图和我公司的现场调查,统计出现况地下管线情况,采取有效措施加以保护。
1.1.2沟槽开挖形式根据设计图中设计管道的规格及埋置深度以及规范要求来确定沟槽开挖的形式。
a. 槽帮坡度的确定:槽深h<3.0米时,槽帮坡度i为1:0.33;b. 槽底工作面的确定:管道一侧工作面宽度情况详见下表:管道一侧的工作面b1管道结构外径D1金属管道D1≤500 300c. 沟槽断面形式(见下图)沟槽开挖断面1.1.3开挖方法a.土方开挖采用机械开挖,槽底预留20cm由人工清底。
开挖过程中严禁超挖,以防扰动地基。
对于有地下障碍物(现况管缆)的地段由人工开挖,严禁破坏。
b.沟槽开挖尽量按先深后浅顺序进行,以利排水。
c.挖槽土方处置,按现场暂存、场外暂存、外弃相结合的原则进行。
开槽土方凡适宜回填的土选择妥善位置进行堆放,但不得覆盖测量等标注,均暂存于现场用于沟槽回填。
回填土施工前制定合理土方调配计划,作好土方平衡少土方外运及现场土方调运。
d.开槽后及时约请各有关人员验槽,槽底合格后方可进行下道工序。
如遇槽底土基不符合设计要求,及时与设计、监理单位及地勘部门联系,共同研究基底处理措施,方可进行下道工序。
1.2下管在沟槽检底后,经核对管节、管件位置无误后立即下管。
下管时注意承口方向保持与管道安装方向一致,同时在各接口处掏挖工作坑,工作坑大小为方便管道撞口安装为宜。
1.3 清理承口清刷承口,铲去所有粘结物,如砂子、泥土和松散土涂层及可能污染水质、划破胶圈的附着物。
1.4清理胶圈,上胶圈将胶圈清理洁净,上胶圈时,使胶圈弯成心形或花形放在承口槽内就位,并用手压实,确保各个部位不翘不扭。
一、工程概况本项目位于XX市XX区,占地面积XX平方米,总建筑面积XX平方米。
建筑结构为框架结构,层数XX层。
根据《建筑设计防火规范》(GB50016-2014)的要求,为确保建筑物的消防安全,特制定本消防水管施工方案。
二、施工依据1. 《建筑设计防火规范》(GB50016-2014)2. 《消防给水及消火栓系统技术规范》(GB50974-2014)3. 《消防工程施工及验收规范》(GB50251-2015)4. 《建筑给水排水及采暖工程施工及验收规范》(GB50242-2002)三、施工范围1. 消防水管系统安装2. 消防水泵房建设3. 消防水箱安装4. 消防栓系统安装四、施工准备1. 人员准备:组织施工队伍,明确各工种人员职责,进行技术交底和安全教育。
2. 材料准备:根据设计图纸和施工规范,准备消防水管、消防泵、消防水箱、消防栓等材料。
3. 施工机具准备:准备切割机、电焊机、水泵、潜水泵、扳手、螺丝刀等施工机具。
4. 施工场地准备:清理施工现场,确保施工环境安全、整洁。
五、施工工艺1. 消防水管安装(1)根据设计图纸,确定消防水管安装位置,进行测量放线。
(2)对消防水管进行切割、打磨、清洗等处理。
(3)采用焊接或螺纹连接方式,将消防水管与消防泵、消防水箱、消防栓等设备连接。
(4)对连接处进行试压,确保无泄漏。
2. 消防水泵房建设(1)根据设计图纸,确定消防水泵房的位置和尺寸。
(2)进行基础施工,确保地基稳定。
(3)进行墙体和顶板施工,确保结构安全。
(4)安装消防水泵、配电柜等设备。
3. 消防水箱安装(1)根据设计图纸,确定消防水箱的位置和尺寸。
(2)进行基础施工,确保地基稳定。
(3)进行墙体和顶板施工,确保结构安全。
(4)安装消防水箱,连接消防水管。
4. 消防栓系统安装(1)根据设计图纸,确定消防栓的位置和数量。
(2)安装消防栓,连接消防水管。
(3)对消防栓系统进行试压,确保无泄漏。
六、施工质量控制1. 严格按照施工规范和设计要求进行施工。
消防预留预埋施工3.1、消防预埋1.预留预埋是给排水专业在主体施工中的工作重点。
预留预埋准确与否对整个安装工程至关重要。
它将直接影响给排水安装的顺利进行。
2.施工准备期间,专业工长认真熟悉施工图纸,找出所有预埋预留点,并统一编号,并在深化设计的预留预准:3.2、套管安装4.1消防管道安装5.1电气配管1.刚性套管安装:主体结构钢筋绑扎好后,按照给排水施工图标高几何尺寸找准位置,然后将套管置于钢筋中,焊接在钢筋网中,如果需气割钢筋安装的,安装后必须用加强筋加固,并做好套管的防堵工作。
刚性套管安装如图所示:2.穿墙套管安装:土建专业在砌筑隔墙时,按专业施工图标高,几何尺寸将套管置于隔墙中,用砌块找平后用砂浆固定,然后交给土建队伍继续施工。
3.穿剪力墙钢套管安装:在钢筋绑扎好后,按照专业施工图确定好套管的标高和几何尺寸放置钢套管,找准确切位置后焊牢在周围钢筋上,如果需要气割钢筋安装的,安装好后必须用加强筋加固,并做好防堵工作。
4.穿楼板孔洞预留:预留孔洞根据尺寸做好木盒子或钢套管,确定位置后预埋,待混凝土浇筑后取出即可。
消防管道安装施工1.系统流程:4.11图2.施工工序:⑴干管安装,≤DN75的干管采用套丝连接安装,焊接和丝接技术数据与给水管相同,焊接口和埋地部分的管理作防腐处理。
⑵消防栓及支管安装,消防栓支管要以栓阀的坐标、标高定位甩口,核定后再固稳消防栓箱,栓箱内配件根据设计要求设定。
⑶消防水泵安装根据设计要求定型号、定位置,安装顺序为止回阀;阀门依次与设备紧固,阀门安装手轮方向应便于操作,具体安装技术参照泵房的安装。
3.消防栓箱的安装⑴安装前应核对产品型号与设计是否相符,箱内配件、产品合格证、产品说明书是否齐全。
箱体安装前应进行外观质量检查,如发现质量问题不得使用。
安装过程中应与装修紧密配合,不得损坏装修面,箱体安装高度一致,栓口离地面高度为1.2m,允许偏差20mm。
阀门距箱侧面为140mm,距箱后内表面为100mm,允许偏差5mm。
消防安装工程施工工艺标准一、施工前准备工作1、施工前应对有关规范、图纸进行仔细研究和分析,熟悉施工工艺和要求。
2、施工单位应当进行技术交底,明确各工种责任和施工要求。
3、确定施工队伍组织结构,明确各工种工作任务。
4、对施工场地进行清理和平整,确保施工现场整洁、有序。
5、准备施工所需要的工具、设备和材料。
6、做好安全防护工作,确保施工人员的人身安全。
7、施工前应做好相关手续和备案。
二、材料准备1、消防水泵、管道、阀门等设备应按照标准进行采购,保证设备的品质和性能。
2、消防管道应选用优质焊接材料,如不锈钢、塑料等。
3、焊接材料、焊接工具也应按照标准进行采购,保证焊接的质量。
4、消防设备的配件和附件也应按照标准进行采购,确保设备的完整。
5、施工现场应设置临时堆放点,对材料进行分类、整理和妥善保管。
6、对高空和狭小空间施工材料应加固、焊接牢固以保证施工人员的安全。
三、施工工序1、布线:根据设计图纸确定管道的布线方案,合理规划管道的位置和走向。
2、切割:根据布线方案在管道上进行切割,保证切口平整、垂直。
3、焊接:采用焊接机或手工焊接,保证焊口牢固、密封。
4、安装:在焊接完成后,对管道、阀门、接头等进行安装,保证各部件之间的连接紧密。
5、压力测试:安装完成后应进行压力测试,确认管道的密封性和耐压性能。
6、绝缘:对管道进行绝缘处理,保证管道不受外界干扰和损坏。
7、清洗、保养:施工完成后,要对管道进行清洗和保养,确保管道的长期稳定运行。
8、验收:按照规范的验收标准对消防设备进行检测和验收,确保施工质量达标。
四、施工质量管理1、对施工过程进行现场监督和检查,及时发现问题并进行调整。
2、加强交底和技术培训,提高施工人员的技术水平和责任意识。
3、施工过程要严格按照施工图纸、规范和要求进行施工,确保施工质量。
4、对施工过程中出现的问题及时处理,确保施工进度。
5、施工完成后要进行质量验收,在规定的时间内办理相关手续。
6、对施工现场和设施进行清理、整理,保持施工现场的整洁和有序。
消防安装施工方案及主要工序一、施工方案:1.安装方案编制:根据建筑物的功能、结构、平面布局和消防水源等要求,制定消防安装施工方案,包括消防设施的选址、设备配置和管网布置等内容。
3.材料采购:根据设计图纸和施工方案,制定材料采购方案,包括消防设备、管材、阀门、配件等的种类、规格和数量,并与供应商进行洽谈和采购。
4.设备安装:根据设计图纸和施工方案,进行消防设备的安装和调试工作,包括消防泵、消防水箱、消防喷淋系统、消防报警系统等的安装和连接。
5.管道安装:按照设计图纸和施工方案,进行管道的布置和连接工作,包括主管道和支管道的安装、焊接和连接,同时进行管道的测试和检验。
6.接电接水:根据设计图纸和施工方案,进行消防设备的电源和水源接入工作,包括电气接线和水管连接,并进行设备的调试和运行测试。
7.防火墙建设:根据设计图纸和施工方案,进行防火墙的建设和装修工作,包括耐火材料的选择和施工、防火门的安装等。
8.排烟排气:根据设计图纸和施工方案,进行排烟排气系统的安装和调试工作,包括排烟风机、排烟管道的安装和连接等。
9.报警控制:根据设计图纸和施工方案,进行消防报警系统的安装和调试工作,包括火灾报警按钮、消防设备的连接和控制等。
10.检验验收:完成消防安装的各项工作后,进行系统的检验和验收,确保消防设备和系统的正常运行和达到设计要求。
二、主要工序:1.设备安装工序:包括消防泵、消防水箱、水泵控制柜、消防喷淋系统、喷淋泵等设备的安装和连接。
2.管道安装工序:包括主管道和支管道的布置和连接工作,包括焊接、连接和固定等。
3.接电接水工序:包括电气接线和水管连接工作,确保消防设备的电源和水源正常接入。
4.防火墙建设工序:包括耐火材料的选择和施工、防火门的安装等。
5.排烟排气工序:包括排烟风机、排烟管道的安装和连接等。
6.报警控制工序:包括火灾报警按钮、消防设备的连接和控制等。
7.检验验收工序:对完成的消防安装工作进行系统的检验和验收,确保消防设备和系统的正常运行和达到设计要求。
消防工程施工方案中的施工工艺流程消防工程施工方案中的施工工艺流程是确保消防设备安装和布线效果良好的关键步骤。
本文将介绍消防工程施工方案中施工工艺流程的几个关键阶段。
1. 现场勘察与准备在开始施工之前,施工队需要进行详细的现场勘察与准备工作。
这包括对施工区域进行全面的勘察,了解土地地质情况、建筑结构以及现有消防设备的位置和状况等。
同时,施工队还需准备必要的施工设备、材料和劳动力,确保施工进展顺利。
2. 消防设备安装根据消防工程施工方案,施工队开始对消防设备进行安装。
首先,各种消防设备如消防栓、灭火器、喷淋系统等需要正确地安装在预定位置上。
安装过程中,要注意设备的水平、垂直和固定性,确保其稳定可靠。
3. 排水管道铺设与连通消防工程中的排水管道起到排放火灾现场水源的作用,因此在施工工艺流程中排水管道的铺设与连通至关重要。
铺设阶段,施工队需要根据设计方案的要求,将各种排水管道与设备连接,确保管道畅通无阻,水源能够有效地达到火灾现场。
4. 电气布线与调试消防工程中的电气系统是确保消防设备正常运行的关键。
在施工工艺流程中,施工队需要根据设计方案进行电气布线和调试。
布线过程中,要保证电线的牢固、绝缘和防水性能。
调试阶段,施工队需要对电气系统进行全面的测试和检查,确保各个设备的电路连接正确,能够正常供电。
5. 系统测试与验收在施工工艺流程的最后阶段,施工队需要对整个消防工程进行系统测试和验收。
这包括对消防设备、排水管道和电气系统等进行功能测试,确保其正常工作。
同时,施工队还需邀请消防安全监督部门对施工效果进行验收,以确保消防工程符合相关的法规和标准。
总结:消防工程施工方案中的施工工艺流程对消防设备的安装和布线起着决定性的作用。
通过现场勘察与准备、消防设备安装、排水管道铺设与连通、电气布线与调试以及系统测试与验收等关键阶段的有序进行,可以确保消防工程的质量和可靠性。
同时,施工团队需要严格遵守相关的法规和标准,提高消防设备的使用效果,确保人们的生命财产安全。
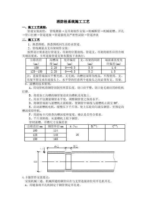
消防栓系统施工工艺一、施工工艺流程:管道安装流程:管线测量→支吊架制作安装→机械断管→机械滚槽、开孔→管口打磨→管道连接→管道强度及严密性试验→管道冲洗二、施工工艺1、熟悉图纸,熟悉图纸同生活给水管道。
2、管线测量及支吊架制作安装:按照设计要求进行管道支、吊架的位置放线。
管道支、吊架的制作应符合相A、用切管机将钢管切割至所需长度,切口应平整,切口处毛刺应用砂轮机打磨。
B、将需加工沟槽的钢管架设在沟槽机及尾架上。
C、用水平仪测量钢管水平度,调整钢管使之保持水平。
D、将钢管端面与滚槽机止面贴紧,使钢管中轴线与滚槽机止面呈900。
E、启动滚槽机电机,缓慢压下千斤顶,使上压轮均匀滚压钢管,至预定沟槽深度即停机。
F、用游标卡尺检查沟槽深度和宽度,确认是否符合要求。
G、千斤顶卸荷,从滚槽机上取下钢管。
4.卡箍管件安装要点:安装机械三通、机械四通的钢管应在与支管连接部位用开孔机开孔。
A、用链条将开孔机固定于钢管预定开孔处。
B、启动开孔机,缓慢转动开孔机立柱顶部的手轮,直至钻头完成在钢管上开孔的工作。
在操作过程中,为保护钻头,需适量添加开孔钻头用润滑剂。
C、清理钻落的金属和开孔部位残渣,孔洞处毛刺须用砂轮机打磨光滑。
D、将机械三通、卡环置于钢管孔洞上下,注意机械三通、橡胶密封与孔洞之间间隙均匀,紧固螺栓到位。
5. 卡箍管道安装技术要点:先装大口径、总管、立管,后装小口径、分支管的原则。
安装过程中应按顺序安装,避免出现跳装、分段装,以免出现管段之间连接困难和影响管路整体性能。
A、准备好符合要求的沟槽管段、配件和附件。
B、检查接头橡胶密封圈是否有损伤,将其套上一根钢管的端部。
C、将另一根钢管靠近已套上橡胶密封圈的钢管端部,两端处应留有一定间隙,间隙应符合要求。
D、将橡胶密封圈套上另一根钢管端部,使橡胶密封圈位于接口中间部位,并在其周边涂抹润滑剂。
E、检查管道中轴线是否保持水平。
F、在接口位置橡胶密封圈外侧安装上、下卡环,并将卡环凸边卡进沟槽内。
消防给水管道工程管道安装施工方法及技术措施1、钢管1.1、施工工艺流程1.2、管材、管件、阀门钢管一律用Q235A级钢焊制,其技术条件必须符合国家标准SY/T5037-2000技术标准。
管子的椭圆度不应超过0.01D (D为管内径),在管节的安装端不得超过0.005D。
管节的材料、规格、压力等级、加工质量应符合设计规定。
阀门的设计及制造应满足设计、招标要求。
各种管件、管材、阀门的内、外防腐符合要求。
进场的管件、管材、阀门应检验合格后方可使用,未经检验合格的材料不得使用。
1.3、管材和特殊件的运输及贮存:1)在管道运输过程和装卸运输到现场或指定地点时,必须采取必要的措施保护管材和零配件内外防腐层免受损坏。
2)管材运输过程中保护用的临时包裹,包装箱等在管子安装前最好不要拆除,除非检验需要,并且检验完毕,应重新包装保存。
3)在装卸运输、堆叠过程中,采取足够的措施减少对管子的碰撞,管子表面涂层和衬砌应加以保护避免损伤。
4)吊装管子和零部件应用没有吊钩和其他设备的非金属起重带操作,不应用吊钩或其他工具在管子的两端起吊或承重,以保证管子的外层防腐和内层衬砌不被破坏。
5)管道下车后采用排架加滚杠在轨道木方上,用人工绞磨水平运输到管沟上,6)在装卸运输、堆叠过程中,采取足够的措施减少对管子的碰撞,管子表面涂层和衬砌应加以保护避免损伤。
7)管道焊接、检测、防腐完成后用三角架葫芦吊装就位。
吊装管子和零部件应用没有吊钩和其他设备的非金属起重带操作,不应用吊钩或其他工具在管子的两端起吊或承重,以保证管子的外层防腐和内层衬砌不被破坏。
1.4、管道焊接管道连接前应做好防腐及表面处理,严格按《给排水管道工程施工及验收规范》(GB50286-67)及施工图设计说明要求进行施工。
1.4.1、准备工作1)清理管子、管件、阀门(闸门)等内部要清理干净、不留杂物;2)检验尺寸管子安装前,应逐根量测、编号配管,应选用其壁厚相同及管径相差最小的管节组合对接;3)检查防腐层检查防腐层,经检验合格方可下管,入沟槽后如有碰撞损伤,要标出记号,按要求修补;4)管段组合如钢管组成管段下管时,管段的长度、吊距应根据管径、壁厚、外防腐材料、下管方法及工作环境考虑、在施工设计制定好方案;5)选配焊条焊条的化学成份、机械强度应与母材相同且匹配,兼顾工作条件和工艺性;焊条的质量按现行国家标准《碳钢焊条》、《低合金焊条》的规定执行。
消防工程施工工艺流程消防工程施工工艺是指按照设计要求和规范标准,对建筑项目进行消防设施的安装和调试。
下面将介绍一下消防工程施工的具体流程。
首先,在施工前,需要对消防工程的施工方案进行评审。
施工方案是施工单位根据消防设施设计图纸和施工要求编制的具体施工方案,包括施工工艺、施工方法和施工计划等。
只有方案通过评审并得到批准后,才能进行施工。
其次,进行施工准备工作。
施工单位需要根据施工方案组织施工队伍、采购施工所需材料和设备,并将施工现场进行准备。
同时,还需要对施工现场进行安全防护措施的规划和布置,确保施工过程的安全性。
然后,进行设备安装和管道敷设工作。
根据设计图纸和施工方案,施工单位将消防设备进行安装,包括灭火器、喷淋系统、疏散通道等设施的安装,并进行管道的敷设和连接工作。
在进行安装工作时,需要按照相关规范和标准进行施工,保证施工质量。
接着,进行设备调试和试运行。
安装完成后,施工单位需要对消防设备进行调试和试运行,确保设备的正常工作。
同时,还要对设备进行备案和验收工作,获得相关部门的验收合格证书。
最后,进行施工的收尾工作。
施工完成后,需要对施工现场进行清理整理,并进行施工的竣工验收。
竣工验收包括设备性能的检查、消防工程的安全性能测试等。
只有通过竣工验收,消防工程才能正式投入使用。
总的来说,消防工程施工工艺流程包括施工方案评审、施工准备、设备安装和管道敷设、设备调试和试运行,以及施工收尾工作等环节。
在整个施工过程中,需要按照相关规范和标准进行施工,并严格按照施工方案组织施工,确保施工质量和工程安全性的达到设计要求。
给排水消防工程施工方法排水工程是指用各种方法和设施将地表和地下的雨水和污水引往规定地点的工程。
在排水工程的施工过程中,需要注意以下几个方面的工作。
1.前期准备在施工前,需要进行前期准备工作,包括确定排水工程的设计方案、购买所需材料和设备、清理施工现场等。
2.开挖工程排水工程的第一步是进行开挖工作。
根据设计方案,确定要开挖的地点和深度,并使用挖掘机等工具进行开挖。
在开挖过程中,需要注意挖掘机的操作,确保安全。
开挖完成后,需要对开挖的地方进行检查,确保质量。
3.安装管道开挖完成后,可以开始进行排水管道的安装。
根据设计方案,确定管道的走向和连接方式,并使用合适的工具进行安装。
在安装过程中,需要注意管道的坡度、连接的严密性以及管道的稳固性。
安装完成后,需要进行测试,确保管道的质量。
4.排水井和检查井的建设除了管道安装外,还需要建设排水井和检查井。
根据设计方案,确定井的位置和规格,并使用混凝土等材料进行建设。
建设完成后,需要进行检查,确保井的质量。
5.覆土工程在管道安装和井建设完成后,需要进行覆土工作。
根据设计方案,使用土石方工具将土壤覆盖在管道和井上,使其与周围环境相平衡,并进行压实,确保排水工程的稳固性。
6.系统测试在完成排水工程的施工后,还需要进行系统测试,确保排水系统的质量。
可以使用水泵等工具进行测试,检查排水系统的流量和压力是否正常。
消防工程是指通过各种设备和措施来预防和控制火灾的工程。
在消防工程的施工过程中,需要注意以下几个方面的工作。
1.前期准备在施工前,需要进行前期准备工作,包括购买所需的消防设备和器材、确定施工方案、清理施工现场等。
2.安装灭火设备消防工程的核心是安装各种灭火设备,如灭火器、喷淋系统、消防栓等。
根据设计方案,确定设备的安装位置和数量,并采用合适的方法进行安装。
在安装过程中,需要注意设备的连接和固定,确保安全可靠。
3.建设逃生通道消防工程还包括建设逃生通道。
根据设计方案,确定逃生通道的位置和规格,并使用合适的材料进行建设。
消防水管道施工方案1总体要求:1.1关键要做好施工前的准备工作和施工中的检查工作,每项工程施工前,技术人员要结合具体气象条件及工程任务特点,详细地做好对施工人员的技术交底,保证每个施工人员了解每一步施工要求,并监督施工人员按施工方案的要求执行。
管道在组装前须将内部清理干净,敷设后,在管沟内不得有应力弯曲现象;管道敷设中断时,应将管口临时封堵。
管道敷设的顺序:先排水管后给水管,先深管后浅管,先大管后小管。
排水管道敷设的深度和坡度应设计图纸要求。
2.1管道基础要求:管道应铺设在原土地基上,如果在回填土路段铺设,当回填土≤150mm时,将原土夯实;当回填土>150mm 时,将回填土挖去,夯填200mm厚碎石和砂;当槽底为淤泥质粘土组成的软土层时,在管道基础下加铺200mm 碎石垫层。
管道的砂石垫层基础以及回填的碎石垫层应严格要求砂石的密实度,密实度不应小于95%。
2.2管道埋设要求:考虑到管道基底土质原为回填土或是耕植土且管道安装完成并在回填后需在上方通形车辆,所以管线回填埋设时要先做管线撼砂处理。
撼砂采用具体材料及撼砂至管顶高度可在施工前视现场具体情况而定。
2.3管沟测量放线:A、在生产-消防管道的放线与测量前完成定位和高程的测量布点工作,并对基准点采取保护措施,并作出明显标记。
施工测量应沿管道线路进行,设置于观测的临时水准点和管道轴线控制桩应采取保护措施。
在管道线路与原有地下管道、电缆及其他构筑物交叉处的地面上应设置明显标记。
B、在管道改变方向的地方设置坐标桩,在管道变坡点设置水平桩,在坐标桩和水平桩处水平设龙门板,根据管沟的中心与宽度,在龙门板上钉三个钉子,标出管沟中心与沟边的位置。
然后用线绳分别系在两块龙门板的钉子上,用白灰沿着线绳测放出开挖线。
在龙门板上标出开挖深度,便于挖沟时复查。
C、管线测量放线自检合格后应向监理工程师报验复核。
2.4开挖管沟槽和工作坑:A、沟槽开挖的宽度和深度应根据管材的直径、土壤的性质及埋设深度参照规范确定。