建筑工程资料整理要求
- 格式:ppt
- 大小:1.88 MB
- 文档页数:34
竣工资料整理的标准竣工资料整理是建筑工程竣工之后,对相关资料进行整理、归档的过程。
它是确保工程质量、安全和合规性的重要环节,也是为了方便后续的维护、管理和验收工作。
本文将介绍竣工资料整理的标准和要求,包括资料的分类、存储、整齐、清晰等方面。
一、资料分类竣工资料涉及多个方面,一般可以按照以下分类进行整理:1. 设计文件:包括工程设计图纸、设计计算书、设计说明书等。
2. 合同文件:包括工程施工合同、采购合同等。
3. 技术文件:包括工程技术交底记录、工程质量检测报告、工程验收记录等。
4. 材料文件:包括工程材料采购清单、材料检验报告、进场验收记录等。
5. 维护保养文件:包括操作手册、设备保养记录、维修记录等。
6. 安全文件:包括安全交底记录、安全检查记录、事故报告等。
二、资料存储要求为了保证竣工资料的长期保存和方便查阅,有以下存储要求:1. 选择合适的存储介质:如硬盘、光盘、云存储等,在选择时要考虑存储容量、安全性和可访问性等因素。
2. 建立完善的目录结构:根据不同的文件类型和工程阶段,建立相应的文件夹,形成清晰的目录结构,便于查找和管理。
3. 文件命名规范:文件名应具有描述性,包括工程名称、文件类型、日期等信息,避免使用无意义的编号和符号。
4. 文件备份:定期进行文件备份,确保数据的安全性和可恢复性。
三、资料整齐清晰资料整齐清晰是提高资料查阅效率和防止损坏的重要保障:1. 文件整齐排列:确保文件放置整齐,避免交叉叠放、错位摆放等情况。
2. 文件装订:对于纸质文件,可以采用装订方式进行整理,保证文件的完整性和稳定性。
3. 页面整洁清晰:文件的内容应清晰可读,字迹工整,避免涂改和污损。
四、资料保密性和安全性竣工资料受到法律和商业保密的保护,因此需要采取措施确保资料的保密性和安全性:1. 权限控制:建立合理的权限管理机制,限制对竣工资料的访问和修改权限,确保只有授权人员可以查阅和修改资料。
2. 电子加密:对于电子文件,可以采用加密技术进行保护,防止非授权人员获取敏感信息。
建筑工程资料管理规程对工程档案的要求在建筑工程中,工程档案的管理至关重要。
工程档案是记录工程进程、工艺、技术参数以及变更情况的重要依据,具有很高的实用和保留价值。
建筑工程资料管理规程明确了对工程档案的要求,以确保档案的准确性、完整性和可追溯性。
本文将介绍建筑工程资料管理规程对工程档案的具体要求,并阐述其重要性。
一、工程档案的归档与整理根据建筑工程资料管理规程,一般将工程档案按照工程名称、项目编号、工程阶段等进行分类归档。
同时,要求对档案进行及时整理与整编,确保档案的有序性和可查性。
这要求在项目实施过程中,及时将各类文件、技术资料等按照一定的分类标准整理并存放于指定的档案室内。
二、工程档案的内容要求建筑工程资料管理规程对工程档案的内容提出了明确要求。
工程档案应包括项目依托的法律法规、合同协议、设计文件、施工图纸、工程变更和调整等记录,以及施工报告、质量验收记录等相关资料。
这些文档是工程实施过程的重要记录,能够为工程后续运维提供重要依据。
三、工程档案的保存要求工程档案的保存是建筑工程资料管理规程的重要要求之一。
规程规定,工程档案应当按照一定的保存期限进行长期保存,并采取适当的保存措施,以确保档案的安全性与持久性。
常见的保存措施包括传统的纸质存档和现代数字化存档。
在进行存档时,应注意防火、防潮、防虫等方面的措施,同时确保存档的易用性与便捷性。
四、工程档案的查询与利用建筑工程资料管理规程鼓励对工程档案进行查询和利用,以实现工程数据共享和重复利用。
工程档案的查询与利用应当依照指定的程序和权限进行,确保对档案的合理利用和保密性。
同时,规程要求有关部门和单位应提供必要的支持和服务,帮助用户查阅和利用工程档案。
综上所述,建筑工程资料管理规程对工程档案提出了明确的要求,包括归档整理、内容要求、保存要求以及查询与利用等方面。
遵守规程的要求,能够保证工程档案的准确性和完整性,提高工程管理的效率和水平。
因此,建筑工程项目各方应高度重视工程档案的管理工作,确保所有相关资料得到妥善保管与利用。
工程施工现场资料整理要求一、前言随着我国建筑行业的快速发展,工程施工现场资料的整理和管理日益受到重视。
工程施工现场资料是指在施工过程中产生的各类文件、图纸、报告、记录等,它是项目管理的重要组成部分,对于保证工程质量、安全、进度和投资控制具有重要意义。
本文将对工程施工现场资料整理的要求进行详细介绍。
二、资料整理原则1. 真实性:资料整理应真实反映工程施工过程中的实际情况,不得虚构、篡改、隐瞒。
2. 完整性:资料整理应确保各项内容的完整性,包括工程设计、施工、监理、质量检测、安全防护等各个方面。
3. 及时性:资料整理应及时进行,确保施工过程中的变化和问题能够得到及时记录和处理。
4. 规范性:资料整理应遵循国家相关法规、标准和行业规范,确保资料的格式、编号、归档等符合要求。
5. 安全性:资料整理应注重保密和安全,防止资料丢失、损坏或泄露。
三、资料整理内容1. 工程设计资料:包括工程设计文件、设计变更通知、设计交底记录等。
2. 施工资料:包括施工图纸、施工方案、施工组织设计、施工日志、施工记录、施工报告等。
3. 监理资料:包括监理规划、监理实施细则、监理日志、监理报告、监理验收记录等。
4. 质量检测资料:包括原材料检测报告、中间产品检测报告、工程实体检测报告等。
5. 安全防护资料:包括安全防护方案、安全防护措施、安全检查记录、安全事故记录等。
6. 进度和投资控制资料:包括施工进度计划、进度报告、投资控制报告等。
7. 环境保护和文明施工资料:包括环境保护措施、文明施工措施、环保检查记录等。
8. 竣工验收资料:包括竣工报告、竣工图纸、竣工验收记录等。
四、资料整理要求1. 分类明确:资料应按照工程部位、专业、时间等进行分类,以便于查找和利用。
2. 编号有序:资料应按照编号规则进行排序,确保资料的有序性和连续性。
3. 格式统一:资料应采用统一的格式和字体,保证资料的整洁和美观。
4. 签字盖章:资料应经相关责任人签字并加盖公章,以确保资料的有效性。
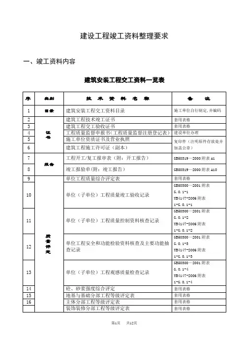
建设工程竣工资料整理要求一、竣工资料内容建筑安装工程交工资料一览表行;冶金建筑单位工程按YB4147—2006表格执行。
冶金机械设备安装工程交工资料目录工程竣工监理资料二、竣工资料的要求1、建设工程竣工资料、竣工图是工程的实际反映,是工程的重要档案。
工程承、发包合同或施工协议要根据国家对编制竣工资料、竣工图的要求,对竣工资料、竣工图的编制、整理、审核、交接、验收做出规定,施工单位不按时提交合格竣工资料、竣工图的,视为未完成施工任务,并应承担相应责任。
2、建设工程竣工资料要与项目建设进程同步。
项目开工时,即应开始进行文件材料的积累、整理、审查工作;项目竣工验收时,完成文件材料的归档和验收工作。
凡是在单位工程竣工的同时,未提交竣工资料的,一律不予报竣工验收。
3、竣工资料的装订规格:分册、卷的封面、封底的规格采用A4本(297×210毫米),并在封面上印有分册、卷的名称和序号;封面、封底的材料均采用彩色硬塑纸面。
4、竣工图应盖有标准规定的“竣工图印章”;图纸规格必须按国家标准绘制按工程编写总目录和分目录,并按专业分别组成保管单位,案卷大小必须以图纸甲4规格 (297×210) 折叠整齐,标题栏在正面;所有图纸均须按图纸目录所写图名、图号装入档案袋,并填写封面、封底。
5、交两套竣工资料(一套原件、一套复印件)、两套竣工图(蓝图)到工程所在地(质监部门、建设单位)统一存档。
6、归档文件材料必须字迹清楚,图样清晰,图表整洁,规格统一,纸质优良。
不得使用会褪色的书写材料(如红色墨水、纯蓝墨水、圆珠笔、复写纸、铅笔等)。
7、归档单位必须填写归档清单一式两份,双方签字后各保存一份;不符合归档要求的材料不得入档。
二0一0年六月。
教你如何整理建筑工程施工资料在建筑工程领域,良好的施工资料整理是保证施工顺利进行和保障工程质量的重要环节。
合理整理施工资料可以提高工作效率,确保施工过程中的信息交流和沟通的准确性。
本文将为大家介绍如何有效整理建筑工程施工资料,以提高工作效率和工程质量。
一、建立完善的文件管理系统建立一个完善的文件管理系统是整理建筑施工资料的第一步。
在开始施工前,应根据施工方案和施工流程建立一个清晰的文件分类系统,包括但不限于图纸、设计文件、合同协议、施工规范、技术规范等。
每个分类下再进行细分,使每一份文件都有明确的归属。
二、制定明确的文件编号和命名规则在整理建筑工程施工资料时,为了方便查找和使用,需要为每一份文件制定一个独立的编号和命名规则。
编号可以根据文件分类和施工阶段进行划分,命名规则可以采用项目名称、文件类型、版本号等信息进行组合。
采用统一的编号和命名规则有助于减少文件混乱和遗失的可能性。
三、合理安排资料存储和归档资料的存储和归档是施工资料整理的核心环节。
在整理建筑工程施工资料时,应根据文件的重要性和使用频率进行合理的存储和归档安排。
可以将一些常用的资料存放在便于查找的地方,如办公室的文件柜中;而一些使用频率较低的资料可以进行封存,存放在专门的档案室中。
四、建立信息交流和备忘录制度在建筑工程施工过程中,经常需要与各方进行信息交流和沟通。
为了确保信息的准确传递和基本记录,可以建立信息交流和备忘录制度。
每次重要的会议和沟通后,都应有一份写实的会议纪要或备忘录,记录下会议内容、重要事项和责任人。
这对于后期的施工过程追溯和问题处理都非常有帮助。
五、定期检查和维护资料整理工作资料整理并非一成不变的,随着施工的进行和时间的推移,文件数量会逐渐增加,一些文件可能会被遗失或变动。
因此,定期检查和维护资料整理工作是非常必要的。
可以每个施工阶段结束后进行一次检查,核对文件和编号的完整性,及时补充和更新不完整或遗失的文件。
六、利用信息技术辅助整理工作随着信息技术的发展,可以采用电子化办公和管理的方式辅助整理建筑工程施工资料。
工程资料的收集、整理和归档工作是工程施工管理工作中的重要组成部分。
良好的工程资料能够为单位的各项基本工作提供坚实的基础,对施工过程和管理流程进行有效控制,优化资源配置,确保工程质量,以便于顺利竣工验收。
工程资料是与工程的施工过程同步形成的,在很大程度上反映的是工程项目实体,是该工程报批、施工、竣工过程的原始记录,对于工程质量标准、工程施工细节等都有详细的记载,是工程质量监督部门进行竣工验收的重要依据。
因此,工程资料的整理归档工作对于提高工程质量、加强对工程的监督以及竣工验收等都具有十分重要的意义。
1工程资料整理归档的基本要求①真实性。
要求工程资料必须要真实反映工程建设的情况。
②准确性。
要求工程资料必须填写准确,评语准确、无误。
③及时性。
要求工程资料必须要与工程施工同步。
④完整性。
要求工程资料不得有缺项和漏项。
2工程资料的重要性2.1工程资料是竣工文件的重要组成部分随着高性能混凝土的普遍使用,预计建筑工程使用年限大都为100年,但是施工单位在工程竣工验收、交付使用后,一般只在前两年负责维修,由于施工不当导致的工程质量问题往往在多年以后才显现出来,需要进行维修和整改,但是由于施工单位人员流动性大,导致难以进行工程修复工作。
因此,为了延长工程使用寿命,保证维修质量,确保工程使用人员的安全,维修人员必须通过查阅该工程的相关日志、检查记录等资料档案,以便采取有效的补救措施,提高工程维修质量,从而保证工程的使用寿命。
由此可见,只有规范了工程资料的整理归档流程,使工程资料保持完整性和准确性,才能为有效解决工程的后期问题提供资料支持。
2.2工程资料是反映工程质量的有力证明工程资料是对工程施工的各个环节、各项材料等的真实记录,是对整个工程实际情况的客观、真实地反映,包括施工过程中使用的工程材料的质量、相关材料及工程质量的评定资料等,为工程施工过程中控制和提高工程施工质量提供了客观、真实的依据,可以帮助施工人员及时发现错误并积极改进,促进工程质量得到有效提高。
建筑工程行业资料整理方法建筑工程行业资料整理方法引言建筑工程行业是一个信息繁杂的行业,各种资料如图纸、合同、报告等在工程过程中被频繁使用。
因此,对于建筑工程行业从业者来说,掌握一套有效的资料整理方法显得尤为重要。
本文将介绍一些建筑工程行业资料整理的常用方法,帮助读者提高工作效率。
1. 制定文件命名规范在建筑工程行业中,文件命名规范对于资料整理至关重要。
合理的命名规范可以使文件易于查找和识别,并减少混乱和错误。
以下是一些常用的文件命名规范建议:使用简洁的文件名,不要包含特殊字符或空格。
使用有意义的文件名,能够简要描述文件内容。
采用统一的命名格式,例如项目名称文件类型日期。
对于重要文件,可以在文件名中添加版本号以便跟踪更新。
2. 创建文件夹分类为了更好地组织和管理建筑工程行业资料,创建一套有效的文件夹分类系统是必不可少的。
可以按照项目、类型、日期等方式进行分类。
以下是一些常见的文件夹分类建议:按项目划分:每个项目创建一个独立的文件夹,将该项目相关的所有资料放在这个文件夹下。
按类型划分:根据文件的类型,如合同、图纸、报告等创建相应的文件夹,将不同类型的文件分别放置在对应的文件夹中。
按日期划分:按照文件的创建日期或修改日期进行分类,可以方便地按时间顺序查找和管理文件。
按部门划分:对于大型建筑工程公司,可以按照不同部门或团队进行分类,方便各个部门之间的协作和交流。
3. 建立统一的文件命名模板除了文件命名规范外,建立统一的文件命名模板也是很有必要的。
通过使用统一的文件命名模板,可以确保文件的一致性,减少混乱和错误。
以下是一个文件命名模板的示例:项目名称文件类型日期版本号文件类型可以是合同、图纸、报告等,日期以年月日的形式表示,版本号表示文件的修改次数或版本号。
4. 使用文件管理工具随着科技的进步,现代化的文件管理工具能够帮助建筑工程行业从业者更好地管理和整理资料。
以下是一些常用的文件管理工具:文件管理软件:例如Windows的资源管理器或Mac的Finder,能够帮助用户查找、复制、移动和删除文件。
《建设工程文件归档整理规范》《建设工程文件归档整理规范》为了规范建设工程文件归档整理工作,提高档案管理水平,保障档案质量,根据有关法律法规和规定,结合实际情况,制定本规范。
一、适用范围本规范适用于新建、改建、扩建的建设工程文件归档整理工作。
二、收集资料建设工程文件归档整理前,应当全面收集设计、施工、监理等过程中形成的文件资料,包括施工图纸、施工记录、质量评估报告、监理报告等。
三、分类整理建设工程文件应当按照建设工程的不同类型进行分类整理。
具体可以按照以下几个方面进行分类:1、建筑工程文件:包括建筑图纸、施工记录、质量评估报告、验收报告等。
2、安装工程文件:包括设备安装图纸、施工记录、质量评估报告、验收报告等。
3、市政工程文件:包括市政设施图纸、施工记录、质量评估报告、验收报告等。
4、铁路工程文件:包括铁路设施图纸、施工记录、质量评估报告、验收报告等。
5、水利工程文件:包括水利设施图纸、施工记录、质量评估报告、验收报告等。
四、编写目录在整理建设工程文件时,应当编写文件目录。
文件目录应当清晰明了,包括文件名称、文件编号、文件日期等信息。
五、装订成册建设工程文件应当按照整理顺序装订成册,确保文件完整、有序。
六、质量要求建设工程文件应当符合以下质量要求:1、字迹清晰,无涂改、涂抹现象。
2、文件完整,无遗漏、缺项现象。
3、文件分类准确,整理有序。
4、文件保存安全,无损坏、丢失现象。
七、责任与监督建设单位应当对建设工程文件归档整理工作负总责,并监督设计、施工、监理等单位做好文件归档整理工作。
设计、施工、监理等单位应当按照本规范要求做好文件归档整理工作,确保文件质量。
八、总结与建议本规范为建设工程文件归档整理工作提供了具体的指导与要求,对于提高档案管理水平,保障档案质量具有重要意义。
建议各单位在实施过程中认真遵守本规范,加强监督与管理,确保建设工程文件归档整理工作的顺利进行。
针对实际工作中出现的问题,各单位应及时总结经验,不断完善本规范,为建设工程档案管理工作提供更加科学、合理的指导。
建筑工程资料整理所需内容(资料员必备)作为一个建筑工程资料员,要做好整理工作必须掌握以下所需内容。
1. 建筑设计资料建筑设计资料是一个工程项目中最基本的资料,它是整个工程的核心。
建筑设计资料包括建筑图纸、设计方案、设计计算书、施工技术文件等。
资料员需清晰了解整个建筑设计的蓝图,方便之后的资料整理。
建筑图纸应包括平面图、立面图、剖面图、局部图、详图等。
2. 工程合同及协议在工程建设过程中,工程合同是一份非常重要的资料,也是资料员必备的资料之一。
工程合同应包括工程建设的类型、标准、时间、价格、责任等要素。
在整个工程中,资料员要时刻清楚工程合同的相关内容,以便对接之后的资料整理。
3. 施工图纸文件施工图纸文件是建筑施工的指导文件,包括了现场施工的具体要求、标准、规范等。
施工图纸文件还包括了施工单位需要进行的具体工作、验收标准等相关资料。
资料员需要清晰理解所有施工图纸文件的内容,以方便之后的资料整理。
4. 工程进度表与质量检验报告在工程施工过程中,施工单位需要记录工程的进度和质量,并不断进行质量检测。
这时对应的资料就是工程进度表和质量检验报告。
资料员要时刻关注进度表和质量检验报告的更新内容,以便整理出具有全面性和准确性的施工资料。
5. 工程变更及索赔资料在工程施工过程中,有时需要进行界址、设计、材料等方面的变更。
这些变更均应该有相应的变更记录和索赔资料。
资料员需要清楚了解之后的变更内容,做好记录工作以及记录整理工作。
6. 工程验收文件工程验收文件是工程项目结束后比较重要的一环,它包括了交工、竣工、维保等相关资料。
验收文件应该包括交付单、结算单、保修书等资料。
资料员需要及时收集并整理验收文件,以方便后续查询和查阅。
结尾,建筑工程资料整理工作非常地重要,资料员所需掌握的内容也很多。
只有认真对待每一个方面的工作,才能够真正地做好资料整理工作,为整个建筑工程项目的顺利推进提供后勤保障。
工程单位资料整理制度范本一、目的和范围为了加强工程资料的管理,确保工程建设过程中的文件和资料得到有效控制,特制定本资料整理制度。
本制度适用于本单位承担的所有工程项目,涵盖从项目启动到竣工验收的全过程。
二、资料分类工程资料应根据其性质和用途进行分类,包括但不限于施工图纸、技术文件、合同协议、会议纪要、进度报告、质量检验记录、安全生产记录、物资采购记录等。
三、资料编制与归档1. 所有工程资料应由指定人员负责编制,并在规定的时间内完成。
2. 资料编制应遵循真实性、及时性、完整性和准确性的原则。
3. 编制完成的资料应及时归档,按照分类存放在指定的档案柜或电子存储设备中。
4. 归档资料应有明确的索引和标记,便于查询和使用。
四、资料审核与更新1. 工程资料在归档前应经过项目负责人或授权管理人员的审核。
2. 资料一经归档,任何修改或更新都应严格遵循变更管理程序,并保留变更记录。
3. 定期对已归档的资料进行复查,确保其内容的准确性和时效性。
五、资料保管与保密1. 工程资料应妥善保管,防止遗失、损坏或泄露。
2. 根据资料的性质和重要性,采取相应的保密措施,限制无关人员的访问。
3. 对于涉及商业秘密或个人隐私的资料,应严格按照相关法律法规和单位内部规定进行处理。
六、资料借阅与复制1. 借阅工程资料需经过项目负责人或授权管理人员的批准,并填写借阅登记表。
2. 借阅人应在规定时间内归还资料,并确保资料完好无损。
3. 未经允许,不得随意复制或传播工程资料。
七、资料作废与销毁1. 对于过时或无效的工程资料,应及时作废,并在资料上明确标注“作废”字样。
2. 需要销毁的资料应按照单位的相关规定执行,确保信息安全。
八、监督与考核1. 项目负责人或授权管理人员应对资料整理工作进行定期监督和检查。
2. 对于违反资料整理制度的行为,应根据情节轻重进行相应的处理。
工程项目资料整理管理制度一、总则为规范工程项目资料的整理管理工作,提高工程建设项目资料整理效率和质量,保障施工过程中各类资料的完整性和安全性,特制订本制度。
二、适用范围本制度适用于工程项目资料整理管理的各个环节,包括但不限于施工图纸、合同资料、质量检测报告、验收资料等。
三、资料整理与归档1. 工程项目资料的整理与归档应遵循“真实、准确、完整、清晰、便于查询”的原则,确保资料的真实性和完整性。
2. 工程项目资料应按照项目流程和文件管理规定进行分类整理和编号命名,并采取电子化管理和实物归档相结合的方式进行保存。
3. 负责整理工程项目资料的人员应具备相关资料管理知识和技能,确保资料整理的准确性和及时性。
4. 资料归档应定期进行备份和更新,避免数据丢失和泄露的风险。
四、资料查询与借阅1. 工程项目资料的查询与借阅应遵循“有权者查,有事者借”的原则,确保资料的安全和合理利用。
2. 资料查询和借阅应提前向资料管理员申请,并留下相关记录,借阅期限不得超过规定时间。
3. 资料借阅完毕后,应及时归还,保持资料的完整性和安全性。
五、资料销毁与更新1. 工程项目资料的销毁需经相关部门审批,并按照规定程序和流程进行处理,确保信息安全和保密性。
2. 已过期或已失效的资料应及时更新或销毁,避免存储空间浪费和信息混乱。
3. 资料销毁过程中应注意环保和信息安全,避免造成数据泄露和环境污染的风险。
六、监督与检查1. 工程项目资料整理管理工作应定期进行监督和检查,确保整理工作的质量和效率。
2. 负责监督和检查的部门应及时发现问题和解决问题,保障施工过程中各类资料的完整性和安全性。
七、执法与违规处理1. 对于违反工程项目资料整理管理制度的行为,将严格按照规定程序进行追责和处理,确保规章制度的严肃性和有效性。
2. 对于盗用、篡改、泄露工程项目资料的行为,将按法律规定依法处理,并追究相关责任人的法律责任。
八、附则1. 本制度的解释权归工程项目资料管理部门所有。
建筑工程资料整理规程1. 概述1.1 背景:介绍整理建筑工程资料的目的和重要性。
1.2 目的:明确本规程的目标和任务。
1.3 适用范围:定义本规程适用的建筑工程资料的范围。
1.4 引用文件:列出与本规程相关的参考文件。
2. 资料整理要求2.1 原始资料整理:描述对建筑工程的原始资料进行整理的要求。
2.2 合同文件整理:说明对建筑工程的合同文件进行整理的要求。
2.3 技术资料整理:规定对建筑工程的技术资料进行整理的要求。
2.4 进度文件整理:阐述对建筑工程的进度文件进行整理的要求。
2.5 财务资料整理:定义对建筑工程的财务资料进行整理的要求。
2.6 项目档案整理:说明对建筑工程的项目档案进行整理的要求。
3. 资料整理流程3.1 原始资料整理流程:详细描述对原始资料进行整理的步骤。
3.2 合同文件整理流程:具体阐述对合同文件进行整理的步骤。
3.3 技术资料整理流程:概述对技术资料进行整理的步骤。
3.4 进度文件整理流程:列出对进度文件进行整理的步骤。
3.5 财务资料整理流程:介绍对财务资料进行整理的步骤。
3.6 项目档案整理流程:说明对项目档案进行整理的步骤。
4. 资料整理操作细则4.1 原始资料整理细则:具体规定对各类原始资料的整理方法和操作要点。
4.2 合同文件整理细则:详细说明对各类合同文件的整理方式和操作要领。
4.3 技术资料整理细则:概述对各类技术资料的整理方法和操作细节。
4.4 进度文件整理细则:列举对进度文件的整理方式和操作准则。
4.5 财务资料整理细则:阐述对各类财务资料的整理方式和操作细则。
4.6 项目档案整理细则:规定对项目档案的整理方法和操作准则。
5. 资料整理规范与标准5.1 纸质资料规范:说明纸质资料整理的规范要求和标准。
5.2 电子资料规范:阐述电子资料整理的规范要求和标准。
6. 资料整理质量控制6.1 质量责任:明确资料整理质量的责任归属。
6.2 质量评估:规定对资料整理质量进行评估的方法和指标。
建筑工程资料管理规范建筑工程资料管理规范是为了规范建筑工程资料的收集、整理、保存和利用工作,确保建筑工程资料的完整性、准确性和可追溯性,提高建筑工程管理的科学性和效率性。
以下是建筑工程资料管理规范的具体要求。
一、资料收集1.建立完善的资料收集机制,明确资料收集的责任部门和人员,并制定明确的工作流程,确保资料收集工作的及时性和准确性。
2.建立统一的信息采集表,对资料收集的内容、形式、数量和时间进行记录,确保资料的全面性和一致性。
3.加强对施工现场的监督管理,及时收集施工现场的资料,包括工程进度、质量检验报告、变更通知等,做到事事有据,记录完整。
二、资料整理1.对收集到的建筑工程资料进行分类、整理和归档,确保资料的有序性和检索性。
2.建立清晰的文件命名规则和索引系统,使每一份资料都能被快速找到。
3.采用电子化管理,建立电子文档库,将建筑工程资料以电子文档的形式进行存储,方便后续的查询和利用。
三、资料保存1.对于非电子化的资料,应采取防潮、防火、防尘等措施进行保存,确保纸质资料的保存完整和安全。
2.对于电子化的资料,应定期进行备份和存储,确保数据的安全性和可靠性。
3.设立专门的资料室或库房,对建筑工程资料进行统一的保管和管理,注明资料的名称、编号、保存期限和责任人。
四、资料利用1.建立资料利用的申请和审批制度,确保资料的使用符合规定,并严禁私自篡改、删除或外借资料。
2.对于需要提供建筑工程资料的单位或个人,应按照规定的程序办理申请手续,并记录使用情况和归还情况。
3.加强对建筑工程资料的保密工作,严格控制资料的查阅和复制,防止泄露建筑工程的机密信息。
五、资料销毁1.建立资料销毁的程序和要求,明确资料的保存期限和逾期处置的程序,及时销毁过期的资料。
2.对于涉及国家机密或商业秘密的资料,应按照相关法律法规的要求进行销毁,确保机密的安全性和保密性。
以上是建筑工程资料管理规范的要求,通过严格执行这些规定,能够确保建筑工程资料的完整性和可靠性,提高建筑工程管理的科学性和效率性。