断面测量记录表
- 格式:xls
- 大小:48.50 KB
- 文档页数:4
施工/委托单位工程名称工程部位/用途检测依据判定依据
实测
偏差
实测
偏差
实测
偏差
实测
偏差
实测
偏差
断面或截面尺寸测量通用记录表(排水)
截面尺寸图
测点位置
E(砂垫层厚度):合格率(%):
合格率(%):
备注:
检测: 复核: 日期: 年 月 日
A(高):500
B(宽):500
测量断面数:测量断面数:C(墙厚铺砌厚度):300D(沟底铺砌厚度):300合格断面数:合格断面数:A:±30 B:±30
C:不小于设计值 D:不小于设计值E:不小于设计值
设计值(mm)
断面尺寸铺砌厚度A(mm)
B(mm)
C(mm)
D(mm)
F(mm)允许偏差(mm)
JTG F80/1-2004
检测日期
JTG F80/1-2004
主要仪器设备及编号
钢卷尺、钢直尺样品编号样品描述第 页,共 页
JJ1419a
检测单位名称:******土木建筑工程检测中心记录编号:
委托编号。
一记录表格1上水管道实地调查表上水管道实地调查表测区:图幅号:权属单位:调查者(检查者):记录者:作业日期:2污(雨)水管道实地调查表污(雨)水管道实地调查表测区:图幅号:权属单位:调查者(检查者):记录者:作业日期:3煤气管道实地调查表煤气管道实地调查表测区:图幅号:权属单位:调查者(检查者):记录者:作业日期:4电力管道实地调查表电力管道实地调查表测区:图幅号:权属单位:调查者(检查者):记录者:作业日期:5电信管道实地调查表电信管道实地调查表测区:图幅号:权属单位:调查者(检查者):记录者:作业日期:6工业管道实地调查表工业管道实地调查表测区:图幅号:权属单位:调查者(检查者):记录者:作业日期:7新增地下管线调查成果表新增地下管线调查成果表测区:调查者:记录者:调查日期:8房屋查丈原图房屋查丈原图查丈人:年月日深圳市研究研究院9水准测量观测手簿()等水准测量观测手簿测自:测至:第页总第页观测者:记录者:仪器型号:仪器号:起始时间:天气:成象:日期:10导线外业观测手簿()级导线水平角手簿仪器型号:观测者:测站:气温:第页仪器号:记录者:日期:气压:仪器高:()级导线垂直角手簿()级导线边长手簿11地界测量外业记录地界测量外业记录测量者:记录者:日期:12水准标尺分米分划误差的测定水准标尺分米分划误差的测定标尺:年月日观测者:检查尺:记录者:分划面;检查者:13水准标尺名义米长的测定水准标尺名义米长的测定标尺:年月日观测者:检查尺:记录者:尺长方程式:L= 检查者:14倾斜观测记录表倾斜观测记录表测量者:记录者:15界桩放(测)点关系略图界桩放(测)点关系略图界桩放(测)点检测关系略图测量起算成果一、理论数据测量放点计算及检测结果二、实测数据16 边长和方位角计算表边长和方位角计算表年月日计算者:检查者:定点者:二检查表格1测量技术检查卡片测量技术检查卡片工程名称:检查项目及内容2 地下管线接边点数据对比统计表地下管线接边点数据对比统计表测区:注:表中N为新探测或本测区管线点成果;W为原探测或邻测区管线点成果制表:制表日期:检查者:检查日期:3明显管线点检查记录表明显管线点检查记录表测区:施工单位:检查:记录:年月日4隐蔽管线点检查记录表隐蔽管线点检查记录表测区:施工单位:检查:记录:年月日5导线精度统计表导线精度统计表统计者:校对:6隐蔽管线点开挖检查记录表隐蔽管线点开挖检查记录表测区:施工单位:检查级别:检查者:记录者:年月日7 测绘项目成果校审验收表测绘项目成果校审验收表。
项目编号:XXX库区山坡断面测量报告书XXXXX测绘有限公司201X年XX月XX日XXXX库区山坡断面测量报告书委托单位:XXXX有限公司项目名称:XXXX库区山坡断面测量施测单位:XXXX测绘有限公司单位负责人:XXXX资料复审人:XXXX资料审核人:XXXX项目负责人:XXXXXXXX测绘有限公司电话:XXXXX项目测绘技术说明第一部分:项目概况XXXX库区山坡断面测量,测区地理位置:XX县XXXX库区地面附着物以道路、植被为主,自然环境复杂程度一般,施测难度一般。
第二部分:施测单位及日期该项目测绘工作由XXXX测绘有限公司 [XX测资字XXXXXX]承担,201X 年XX月完成野外作业及内业整理。
第三部分:作业的技术依据1、中华人民共和国标准《全球定位系统(GPS)测量规范》(GB/T18314-2009)2、中华人民共和国标准《1:500、1:1000、1:2000地形图图式》(GB/T20257.1-2007)3、中华人民共和国标准《国家三、四等水准测量规范》(GB12898-91)4、中华人民共和国行业标准《城市测量规范》(GJJ/t8-2011)5、中华人民共和国标准《地下管线测绘规范》(DGJ08-85-2010)6、中华人民共和国标准《工程测量规范》(GB50026-2007)第四部分:坐标系统和高程系统1、平面坐标系统:XXX坐标系2、高程系统:XXX高程系第五部分:外业数据采集1、地面地形测绘使用采用南方公司的南方全站仪 NTS-312R(标称精度为2+2PPM \无棱镜5+3ppm,带内存)。
第六部分:内业数据处理数字化成图采用南方公司的CASS8.0数字化地形地籍成图软件。
软件系统的运行环境:①Windows XP professional操作系统②Autocad软件2006版本1、比例尺为1:500测图、草图绘制:①绘制草图时,对于地物、地貌,采用GB/T20257.1-2007标准所规定的符号绘制,对于复杂的图式符号采用简化或自行定义。
浙江省现代水利示范区(德清洛舍)工程洛舍漾及周边水系综合整治项目
-洛舍漾环漾护岸工程
(西岛XD-A型叠石)
原始断面测量记录表
浙江富江水利水电工程有限公司
浙江省现代水利示范区(德清洛舍)工程
洛舍漾及周边水系综合整治项目-洛舍漾环漾护岸工程项目部
年月日
浙江省现代水利示范区(德清洛舍)工程洛舍漾及周边水系综合整治项目
-洛舍漾环漾护岸工程
(洛舍村LSC-B型)
完工断面测量记录表
浙江富江水利水电工程有限公司
浙江省现代水利示范区(德清洛舍)工程
洛舍漾及周边水系综合整治项目-洛舍漾环漾护岸工程项目部
年月日
德清县十字港水系综合治理一期工程
(Ⅲ标段)
( 46#下塘门前港:叠石)
河道护岸原始断面测量记录表
浙江鸿翔水利建设有限公司
德清十字港水系综合治理一期工程(Ⅲ标段)项目部
年月日。
我部依据已上报的《施工控制点放样及横、纵断面复测计划》,并按照监理工程师的要求,于2007年6月2日开始进行主坝、副坝及溢洪道施工区的施工控制点的放样和原始横、纵断面的复测工作,至2007年6月11日完成上述测量外业工作。
1、施工控制点的放样经过和结果:依照计划用全站仪架立在已复核过的控制基准点上,按照已上报计划中的施工控制点坐标并结合现场的地形情况,直接在主坝、副坝及溢洪道施工区内施放出分布在坝轴线上、横断面上、轴线拐点等处能起到控制施工的控制点(以在木桩上的钢钉作为标记);施放出的各控制点的平面坐标及高程,测量成果已复核无误,可以作为开挖边线的放样依据。
(各控制点的坐标及平面分布图见附件1、2)2、原始横断面的实测经过和结果:A、主坝、副坝原始横断面的复测经过和结果:依据计划并根据主坝、副坝轴线处的实际地形对计划中的断面位置做了个别调整,按照计划中的方法,用全站仪测出每个横断面上地形变化处各点的地面高程及相对于主、副坝坝轴线的水平距离。
然后根据测量原始记录,在CAD上绘出相应横断面的实测地面线,再根据设计大坝横断面尺寸、坝轴线位置及坝顶高程绘出大坝横断面图,将大坝横断面图套进各个断面上的实测地面线上,即可得到各个断面上的大坝横断面图。
B、溢洪道原始横断面的复测经过和结果:依据计划并根据溢洪道轴线处的实际地形在地形变化较大的地方对计划中的断面进行了加密,仍按照计划中的方法,用全站仪测出每个横断面上地形变化处各点的地面高程及相对于溢洪道轴线的水平距离。
然后根据测量原始记录,在CAD上绘出相应桩号横断面的实测地面线,再根据现场会议中统一的溢洪道断面尺寸、坡降绘出各个桩号的溢洪道横断面图,将各个桩号的溢洪道横断面图套进相应断面上的实测地面线上,即可得到该断面上的溢洪道横断面图。
同时直接用CAD的面积查询功能计算出该断面的开挖及填方面积。
依此方法得出每个横断面的开挖及填方面积,然后计算出相邻两断面的平均面积,再根据各断面之间的水平距离用“平均断面法”求出相邻两断面间的开挖及填方量;依此方法逐段进行计算,最后将各段方量累积得出开挖及填方量挖方量为(实测土石方量计算表、溢洪道实测横断面图、原始横断面实测测量记录详见附件) 3、原始纵断面的实测经过和结果:依据计划,并按照设计单位及建设单位现场指定的溢洪道的轴线起点、拐点及方向,用全站仪架立在基准控制点上,依次测出该轴线纵断面上地形变化处各点的坐标及高程。
教学设计困难时,也可以参考地形图选定一个与实地高程接近的数值作为起始水准点的假定高程。
(3)测量方法测量的方法以水准测量为主,应根据等级要求采用三等或四等水准进行,S3水准仪,采用一组往返或两组单程在两水准点之间进行观测,闭合差不超过mm。
也可按全站仪电磁波三角高程测量代替四等水准测量。
全站仪竖直角观测精度不大于2″,标称精度不低于(5+5×10-6D)mm2.中平测量中平测量是依据基平测量设置的水准点,向前进行单程符合水准测量,测定中桩地面高程,为绘制纵断面图提供资料。
(1)水准测量法如图6-1所示,该线路每隔100m打一里程桩,在坡度变化的地方和特殊地段处设有加0+050,0+108,0+120,0+140,0+160,0+180,0+221,0+240等。
先将仪器安置于①处,后视水准点BM1上的水准尺,其读数为2.191,计入表中第3栏(见表6-1),并计算视线高:12.314+2.191=14.505(m),计入第6栏内。
旋转仪器照准前视尺(0+000桩)读数为1.60,计入表格第4栏。
然后依次照准0+050, 0+100,0+108,0+120处的水准尺,读数为1.90、0.62、1.03、0.91,计入表格第4栏,最后照准转点TP1上的水准尺,读数为1.006,计入表格第5栏。
第一站测定后,将仪器迁至②处,此时以转点TP1上的水准尺为后视尺,照准后视尺度数为2.162,计入与TP1对齐的第3栏内,并计算视线高;13.499+2.162=15.661(m),计入第6栏内。
转动仪器,依次照准立在0+140、0+160、0+180、0+200、0+221、0+240桩处的水准尺,读数为0.50,0.52,0.82,1.20,1.01,1.06,计入表格第4栏,最后照准转点TP2上的水准尺,读数为1.521,计入表格第5栏。
前视读数由于传递高程必须读至mm,0+050, 0+100,0+108,0+120,·····为中间桩,不传递高程,可读至㎝,又称间视点。
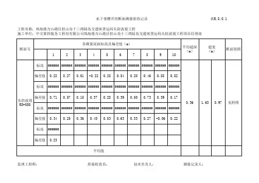
目录测表1 水准测量记录表测表2 施工放样测量记录表测表3 横断面测量记录表联测记录表测表4测表5 隧道施工测量记录表路基(路面结构层)顶面高程检验记录表测表 67 路基(路面结构层)宽度横坡检验记录表测表测表8 路线桩位检测验收记录表测表9 桥梁及构造物轴线放样检查记录表钻(挖)孔桩桩位检测记录10 测表11 测表平整度测定记录表省道308线安溪尚卿至祥华地园公路工程高程测量记录表测表1承包单位:福建省闽西交通工程有限公司施工标段:A2标段监理单位:厦门高诚信建设监理有限公司编号:BM桩工程名前视读差实测高设计高后视读视线M中间前示意图:测量:记录:计算:日期:监理:复核:省道308线安溪尚卿至祥华地园公路工程施工放样测量记录表2测表标段施工标段:A2 承包单位:福建省闽西交通工程有限公司共页第页号:编监理单位:厦门高诚信建设监理有限公司测量时测量:记录:计算:日期:监理:承包人技术负责人:省道308线安溪尚卿至祥华地园公路工程横断面测量记录表3测表承包单位:福建省闽西交通工程有限公司施工标段:A2标段测量:记录:计算:承包人技术负责人:监理:日期:省道308线安溪尚卿至祥华地园公路工程联测记录表4测表承包单位:福建省闽西交通工程有限公司施工标段:A2标段监理单位:厦门高诚信建设监理有限公司编号:测量:记录:日期:监理工程师:承包人技术负责人:省道308线安溪尚卿至祥华地园公路工程隧道施工测量记录报表5测表承包单位:福建省闽西交通工程有限公司施工标段:A2标段监理单位:厦门高诚信建设监理有限公司编号:设计半R(m)R(m)r测量:记录:承包人技术负责人:监理:日期:。
”+,右侧为“,行车线的左侧为“—”注:表中“距离”是指测点至线路中心(或行车道中心的距离).省道308线安溪尚卿至祥华地园公路工程路基(路面结构层)顶面高程检测记录表6测表承包单位:福建省闽西交通工程有限公司施工标段:A2标段监理单位:厦门高诚信建设监理有限公司编号:误测量:记录:计算:日期:监理:承包人技术负责人:省道308线安溪尚卿至祥华地园公路工程路基(路面结构层)宽度、横坡检验记录表7测表承包单位:福建省闽西交通工程有限公司施工标段:A2标段监理单位:厦门高诚信建设监理有限公司编号:路基宽度误实测设计:日期监理:复核:检测:省道308线安溪尚卿至祥华地园公路工程路线桩位检测验收记录表测表8承包单位:福建省闽西交通工程有限公司施工标段:A2标段监理单位:厦门高诚信建设监理有限公司编号:检测项目:仪器:y测量:记录:计算:日期:监理:复核:省道308线安溪尚卿至祥华地园公路工程桥涵及构造物轴线放样检查记录表测表9承包单位:福建省闽西交通工程有限公司合同标段:A2标段监理单位:厦门高诚信建设监理有限公司编号:实测合格日期:监理:复核:测量:省道308线安溪尚卿至祥华地园公路钻(挖)孔桩桩位检测记录10测表承包单位:福建省闽西交通工程有限公司施工标段:A2标段监理单位:厦门高诚信建设监理有限公司编号:日期:负责人:承包人:省道308线安溪尚卿至祥华地园公路工程平整度测定记录表测表11承包单位:福建省闽西交通工程有限公司合同号:A2标段监理单位:厦门高诚信建设监理有限公司编号:计算:测量:记录:监理:复核:日期:。
道路测量放线记录表填写示例道路测量放线记录表填写示例作为一项基础设施建设中必不可少的一环,道路的测量放线工作显得尤为重要。
而作为测量放线工作的基础要素,道路测量放线记录表的填写则更是至关重要。
以下是关于道路测量放线记录表的填写示例和注意事项。
一、填写示例1. 道路测量放线记录表基本信息表头包括:测量单位、填表日期、地理位置、测量日期、测量员、编制人员等基本信息。
2. 基础测量数据表基础测量数据表主要是记录测量中所得的各种数据,包括站点编号、点名、高程、坐标等项内容。
需要特别注意的是,填写此表时应该将数据填写准确、完整,同时要规范填写。
3. 道路纵断面图道路纵断面图的绘制需要按照特定的比例尺进行。
在图中应该包含道路横断面线位置、标高、护栏高度、沿线标志等信息。
需要特别注意的是,图中信息的填写要准确、完整,同时应该有明显的标识和注释。
4. 道路横断面图道路横断面图的绘制同样需要按照特定的比例尺进行。
在图中应该包含道路中心线位置、道路横断面、护栏高度、视线线位置等信息。
同样需要注意图中信息的准确、完整和明显标识。
5. 其他表格在实际的测量中,也可能出现需要额外填写的表格,如挖方量表、填方量表、管线表等。
需要根据实际情况进行填写。
二、注意事项1. 填表前应仔细审查。
填表人员应当在填表之前对表格要求及填写规则进行了解,并仔细审查填写内容。
表格填写错误或不规范会对后续工作产生极大影响。
2. 应注意准确性和规范性。
表格填写的准确性和规范性是其必需具备的两个最基本要素,同时也是审查表格质量的关键点。
填写内容的准确性直接影响后续工作的进展,而规范填写则有助于保持表格整齐有序、易于理解和解读。
3. 表格填写要及时。
及时填写、处理、分析和总结已经测量到的数据是测量中很重要的环节。
因此,针对表格填写的工作要做到及时、准确,便于及时总结测量结果和下一步工作的进展。
4. 对表格进行保密。
在进行道路测量放线工作时,应根据实际情况制定保密措施,如禁止外人进入测量现场、限制工作人员的外出范围等。
项目编号:XXX库区山坡断面测量报告书XXXXX测绘有限公司201X年XX月XX日XXXX库区山坡断面测量报告书委托单位:XXXX有限公司项目名称:XXXX库区山坡断面测量施测单位:XXXX测绘有限公司单位负责人:XXXX资料复审人:XXXX资料审核人:XXXX项目负责人:XXXXXXXX测绘有限公司电话:XXXXX项目测绘技术说明第一部分:项目概况XXXX库区山坡断面测量,测区地理位置:XX县XXXX库区地面附着物以道路、植被为主,自然环境复杂程度一般,施测难度一般。
第二部分:施测单位及日期该项目测绘工作由XXXX测绘有限公司 [XX测资字XXXXXX]承担,201X 年XX月完成野外作业及内业整理。
第三部分:作业的技术依据1、中华人民共和国标准《全球定位系统(GPS)测量规范》(GB/T18314-2009)2、中华人民共和国标准《1:500、1:1000、1:2000地形图图式》(GB/T20257.1-2007)3、中华人民共和国标准《国家三、四等水准测量规范》(GB12898-91)4、中华人民共和国行业标准《城市测量规范》(GJJ/t8-2011)5、中华人民共和国标准《地下管线测绘规范》(DGJ08-85-2010)6、中华人民共和国标准《工程测量规范》(GB50026-2007)第四部分:坐标系统和高程系统1、平面坐标系统:XXX坐标系2、高程系统:XXX高程系第五部分:外业数据采集1、地面地形测绘使用采用南方公司的南方全站仪 NTS-312R(标称精度为2+2PPM \无棱镜5+3ppm,带内存)。
第六部分:内业数据处理数字化成图采用南方公司的CASS8.0数字化地形地籍成图软件。
软件系统的运行环境:①Windows XP professional操作系统②Autocad软件2006版本1、比例尺为1:500测图、草图绘制:①绘制草图时,对于地物、地貌,采用GB/T20257.1-2007标准所规定的符号绘制,对于复杂的图式符号采用简化或自行定义。