建筑能效测评具体所需资料.pdf
- 格式:pdf
- 大小:215.46 KB
- 文档页数:3
重庆市建筑能效(绿色建筑)测评申报资料一、建设单位填写《重庆市建筑能效(绿色建筑)测评与标识申请表》。
申请表需一式4份(必须盖有建设单位公章,资料组卷装订1份,另外3份以散件方式提供)。
二、光盘资料(同时应提供装订完整的竣工图纸):1、全套竣工图及施工审查图(包括建筑、暖通、电气、给排水专业):其中建筑部分图纸包含建筑的平面、立面、剖面图,节能构造大样图,门窗(幕墙)大样图及门窗明细表,建筑总说明,建筑节能专篇,建筑节能保温范围图,建筑总平面图;2、建筑节能设计模型、建筑节能计算报告书。
三、建设单位提供建筑节能(绿色建筑)测评资料,主要资料如下:(一)建筑节能部分:1、初步设计审批意见;2、施工许可证;3、施工图审查机构审查通过的施工图设计文件(包括建筑、暖通、电气、给排水专业设计图及建筑节能设计模型,节能计算报告书,空调热负荷及逐项、逐时冷负荷计算书);施工图建筑节能专项审查意见及设计单位的回复资料;施工图建筑节能工程设计变更文件(包括变更图说、建筑节能设计模型、节能计算报告书和相应的审查、备案文件);4、涉及建筑节能分部工程(或建筑节能子分部)的竣工图、施工质量验收记录、隐蔽工程验收记录等相关资料;5、与建筑节能相关的设备、材料、产品(部品)质量证明文件、进场复验报告和法定检测机构出具的节能性能检测报告和备案文件;6、供暖、通风与空调、空调与供暖系统冷热源及管网分项工程、监控系统分项工程调试运行记录;7、如采用暂无国家、行业或本市应用技术标准依据的建筑节能新技术、新设备、新材料的,须提供其采用情况报告及按照有关规定进行评审、鉴定及备案的相关文件。
(二)建筑环境与资源利用部分(有绿色建筑设计时提供):1、重庆市绿色建筑设计标识证书(国家二星级以上绿色建筑提供);2、建筑节能(绿色建筑)工程达标情况表;3、涉及建筑环境与资源综合利用子分部工程的施工图设计文件(包括变更文件)、竣工图、施工质量验收记录、隐蔽工程验收记录等相关资料;4、与建筑环境与资源综合利用子分部工程相关设备、材料、产品(部品)质量证明文件、进场复验报告、检测报告;5、与建筑环境与资源综合利用子分部工程相关的计算书(表)、材料决算清单;6、与建筑环境与资源综合利用子分部工程相关的数字化模拟计算分析报告、模型;7、绿色施工的制度、方案、监理记录和环境检测报告。
能效测评所需提供资料
一、资料:
1、全套施工电子版施工图及施工审查图(包括建筑、幕墙、暖通、电气、
给排水、太阳能专业),其中建筑部分图纸包含各建筑的平面、立面、剖面图,门窗大样图;
2、建筑电子版总平面图;
3、建筑节能设计模型、建筑节能计算报告书。
二、纸质资料,主要资料如下:
1、项目立项、审批等文件;
2、施工图审查机构审查通过的施工图设计文件(包括建筑、暖
通、电气(包括弱电)、给排水专业设计图及建筑节能设计模型,节能计算报告书);
3、空调系统设计方案,包括空调热负荷及逐项、逐时冷负荷计
算书
4、施工图建筑节能专项审查意见及设计单位的回复资料;施工
图建筑节能工程设计变更文件(包括变更图说、建筑节能设计模型、节能计算报告书和相应的审查文件);
5、涉及建筑节能分部工程的施工图、节能做法施工变更、施工
质量检查记录、节能分部验收记录及各分项的节能验收记录相关资料;。
节能验收需要提供的资料(总
1页)
-CAL-FENGHAI.-(YICAI)-Company One1
-CAL-本页仅作为文档封面,使用请直接删除
建筑节能验收需要提供的资料
1、节能分部(子分部)工程质量验收通知书
2、建筑节能分部工程质量验收方案及主要验收主要成员名单
3、建设工程设计质量检查报告(表)
4、建设工程监理质量评估报告(表、报告)
5、建设工程施工质量竣工(节能)报告(表报告)
6、建筑节能分部工程质量验收记录表(含子分部、分项)
7、保温材料进场检测报告(外墙、屋面、地面)
8、建筑物外围护结构节能性能检测报告
9、外窗“三性”试验检测报告及现场气密性检测报告
10、外墙节能构造钻芯取样检测报告
11、外围护结构(保温)锚栓拉拔试验检测报告
12、室内空气环境污染指数检测报告
13、建筑安装材料检测报告(电线、电缆、开关插座、漏电断路器、管材、管件、阀门、水嘴等)
14、温控装置、计量设备等检测报告
15、建筑节能设计说明
16、图纸审查合格书、图纸审查意见及答复(节能部分)
(节能工程验收范围包括:墙体、幕墙、门窗、屋面、地面、采暖、通风与空调、空调与采暖系统的冷热源及管网、配电与照明、检测与控制等节能工程)
2。
节能评估报告需提供的资料清单节能评估报告是一个组织或企业向政府或其他机构提交的一份文档,他需要清楚地阐明组织或企业的节能实践、正在实践的计划以及如何优化和改善他们的能源利用效率。
为编制拟定完备的节能评估报告,以下是需要提供的资料清单。
一、能耗数据提供组织或企业所有的能源消耗数据非常重要。
这将有助于确定能量使用量,以及每份文件所涉及的总能耗。
数据应包括所有类型的用电、水、天然气、燃料、氢气等的用量,以及机械设备的使用频率等信息。
把所有的数据集中起来,经过深度分析、处理和比较,可以计算出能源消耗量和成本,进而制定出节能潜力大的目标和计划。
二、设备清单组织或企业需要提供他们所拥有的设备清单,并标注设备使用用途、级别和能耗数据。
这将有助于确定节能优化的目标。
清除资料需包括设备的信息如:名称、型号、工作正常状态下的单机、功率、峰值负荷、生产厂家、安装时间、设备能耗降低改进方案等资料。
这些资料将有助于节能专家分析并为您提供节能建议和方案,以降低能源消耗量和节能成本。
三、气候数据为了更好的分析研究能源使用模式,需要收集所涉及场所的气候数据,包括温度、湿度、日照、降雨量、风速等信息,因为气候条件将会影响能源消耗量,一些区域可能会因天气条件,而影响发生灾害或房屋能耗。
四、使用模式为了分析基于不同使用模式的能效水平,提供这一信息很重要。
需要记录需要特别关注的一些事物,例如:跨越几年的用能量数据;租约跨越多年的建筑;特定使用模式的设备;人员数目等。
这些资料可以帮助节能专家深入分析,以评估每份文件的节能潜力。
五、费用信息提供全部的能耗数据的同时,还需要提供相关的费用信息,如零售价、采购价和税收。
这将强调该实体的节能成本,以帮助分析能源成本时进行比较,找到最具成本效益的方法。
六、节能措施需要列出现有的节能措施,什么方案已经实施,什么方案还在实施中,以及什么方案计划在未来执行。
这些信息可以帮助政府或其他机构了解组织或企业正在采取的节能措施,并帮助评估组织或企业的能源利用效率。
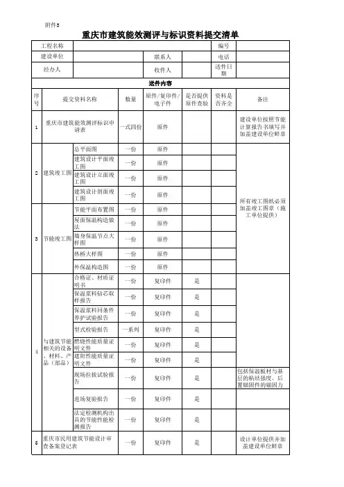
申报重庆市建筑能效测评与标识资料一、建设单位填写《重庆市建筑能效测评与标识申请表》。
申请表需一式2份。
二、光盘资料(同时应提供装订完整的竣工图纸及施工审查图纸):1、全套竣工图及施工审查图(包括建筑、暖通、电气、给排水专业):其中建筑部分图纸包含建筑的平面、立面、剖面图,节能构造大样图,门窗(幕墙)大样图及门窗明细表;建筑总说明;建筑节能专篇;2、建筑总平面图;3、建筑节能设计模型、建筑节能计算报告书(设计单位提供)。
三、建设单位提供能效测评与标识资料,主要资料如下:1、建筑节能初步设计审批意见;2、施工图审查机构审查通过的施工图设计文件(包括建筑、暖通、电气(包括弱电)、给排水专业设计图及建筑节能设计模型,节能计算报告书,空调热负荷及逐项、逐时冷负荷计算书);施工图建筑节能专项审查意见及设计单位的回复资料;施工图建筑节能工程设计变更文件(包括变更图说、建筑节能设计模型、节能计算报告书和相应的审查文件);3、重庆市民用建筑节能设计审查备案登记表;4、涉及建筑节能分部工程的竣工图、施工变更、施工质量检查记录、验收报告等相关资料;5、与建筑节能相关的设备、材料、产品(部品)合格证、进场复验报告,法定检测机构出具的节能性能检测报告;6、已由法定检测机构进行了工程围护结构热工性能检测的,应提供检测报告;7、采用建筑节能新技术、新设备、新材料的情况报告及按照有关规定应进行评审、鉴定及核准、备案和技术性能认定的有关文件。
建筑能效测评与标识资料清单建筑能效测评与标识服务单位单位:璧山县城乡建设委员会地址:璧城街道东林大道电话:41433267 传真:41424040建筑能效测评资料初步审查资料情况:齐全□不齐全□建筑节能工程质量监督人员(签字):申报时间:年月日。
建筑安全预评价所需资料清单本文档旨在列举进行建筑安全预评价时所需的相关资料清单。
建筑安全预评价是为了评估建筑工程的安全性和可靠性,并提供相关建议和措施以确保建筑的安全运行。
以下是建筑安全预评价所需的资料清单:1. 建筑工程设计文件:包括建筑的设计图纸、施工图纸、结构计算书和设计说明等文件。
建筑工程设计文件:包括建筑的设计图纸、施工图纸、结构计算书和设计说明等文件。
2. 建筑工程施工方案:包括施工组织设计、安全技术措施、施工进度计划等方案。
建筑工程施工方案:包括施工组织设计、安全技术措施、施工进度计划等方案。
3. 工程验收报告:包括建筑工程的竣工验收报告以及相关质量检测报告。
工程验收报告:包括建筑工程的竣工验收报告以及相关质量检测报告。
4. 建筑材料和设备信息:包括使用的主要建筑材料和设备的相关信息、性能报告及质量证明文件。
建筑材料和设备信息:包括使用的主要建筑材料和设备的相关信息、性能报告及质量证明文件。
5. 施工现场记录:包括施工现场的巡检记录、安全事故记录、检测结果记录等。
施工现场记录:包括施工现场的巡检记录、安全事故记录、检测结果记录等。
6. 建筑安全管理文件:包括建筑安全管理规定、工作安全操作程序、应急预案等文件。
建筑安全管理文件:包括建筑安全管理规定、工作安全操作程序、应急预案等文件。
7. 相关法规和标准:包括相关法律法规和建筑安全评价的相关标准。
相关法规和标准:包括相关法律法规和建筑安全评价的相关标准。
以上是进行建筑安全预评价所需的主要资料清单。
这些资料的准备和提供将有助于评价建筑工程的安全性,并制定出相应的安全保障措施。
请在进行建筑安全预评价时,确保以上资料的完备性和准确性。
> 注意:本文档仅为参考,具体建筑安全预评价过程中所需资料的具体要求,应根据实际情况和相关法规进行确定和调整。
建筑节能专项验收资料整理要求
一、建筑工程设计资料
1.建筑节能设计文件:包括节能措施的选择、设计计算和参数等。
2.建筑节能设计说明:详细解释和说明节能设计的理念、原理和方法等。
3.建筑结构设计文件:包括结构设计计算和参数等。
4.建筑设备设计文件:包括供暖、通风、空调等设备的设计计算和参
数等。
5.建筑施工图纸:清晰地显示建筑的布局、尺寸和构造等。
二、建筑工程施工资料
1.建筑工程施工方案:详细描述建筑施工的步骤、方法和措施等。
2.建筑节能施工技术要求:包括施工过程中的节能要求和注意事项等。
3.建筑施工记录:记录建筑施工过程中的关键节点、问题和解决方案等。
三、建筑工程竣工资料
1.建筑工程竣工图纸:反映建筑工程最终完成的情况,包括施工图变
更和修正记录等。
2.建筑工程竣工验收报告:记录建筑工程竣工情况,包括设计变更、
施工质量和合格证明等。
3.建筑设备竣工验收报告:记录建筑设备的安装质量和运行情况等。
4.建筑材料和设备的入场检验报告:记录建筑材料和设备的采购和运
输过程中的检验结果等。
四、建筑工程使用阶段资料
1.建筑节能性能评估报告:评估建筑的节能性能,包括能耗数据、室
内环境质量和用户反馈等。
2.建筑设备可行性分析报告:分析建筑设备的性能和可行性,包括投
资回收期和使用寿命等。
3.建筑能耗管理记录:记录建筑能耗数据和能源管理措施等。
以上是建筑节能专项验收资料整理的要求,通过合理整理和准备资料,可以为节能专项验收工作提供依据,确保建筑工程的节能性能达到相关标
准和要求。
建筑能效测评服务指南简版发布机构:重庆市大渡口区城乡建设委员会建筑能效测评服务指南简版适用范围本服务指南规定了本行政区域内建筑能效测评事项的审批依据、申请条件、申请材料和办理流程及相关办理内容。
本事项所适用对象为在本行政区域内申请建筑能效测评事项的法人或其他组织。
事项概况(一)受理机构:重庆市大渡口区城乡建设委员会。
(二)决定机构:重庆市大渡口区城乡建设委员会。
(三)数量限制:无数量限制。
(四)办理方式:窗口办理、网上办理。
(五)事项审查类型:前审后批。
(六)法定时限:个工作日。
(七)承诺时限:个工作日。
(八)收费依据及标准:不收费。
(九)审批结果:《建筑能效(绿色建筑)测评表》、建筑能效(绿色建筑)测评竣工标识证书、建筑能效(绿色建筑)测评竣工标识标志。
(十)结果送达:决定之日起天内,出具《建筑能效(绿色建筑)测评表》、建筑能效(绿色建筑)测评竣工标识证书予建设单位,根据项目累计数量出具建筑能效(绿色建筑)测评竣工标识标志予建设单位。
(十一)咨询电话:。
(十二)投诉电话:。
审批依据.《重庆市建筑节能条例》第十八条。
.《重庆市建筑能效(绿色建筑)测评与标识管理办法》(渝建发【】号)第四条。
申请条件建筑工程项目竣工且建筑节能(绿色建筑)分部工程验收合格后。
禁止性要求无禁止性要求。
申请材料目录(一)基本资料、《重庆市建筑能效(绿色建筑)测评与标识申请表》(原件份);、建筑能效(绿色建筑)测评资料初步审查表(原件份)。
(二)建筑能效部分、初步设计批复(复印件份);、施工许可证(复印件份);、施工图审查机构审查通过的施工图设计文件光盘(包括建筑、暖通、电气、给排水专业设计图及建筑节能设计模型,节能计算报告书,空调热负荷及逐项、逐时冷负荷计算书);施工图建筑节能专项审查意见及设计单位的回复资料;施工图审查合格书备案凭证;建筑节能(绿色建筑)自审意见书;施工图建筑节能工程设计变更文件(包括变更图说、建筑节能设计模型、节能计算报告书和相应的审查、备案文件)(复印件份);、涉及建筑节能分部工程(或建筑节能子分部)的竣工图、施工质量验收记录、隐蔽工程验收记录,建筑节能分部工程验收会议记录等相关资料(原件份);、与建筑节能相关的设备、材料、产品(部品)质量证明文件、进场复验报告和法定检测机构出具的节能性能检测报告和备案文件(复印件份);、供暖、通风与空调、空调与供暖系统冷热源及管网分项工程、监控系统分项工程调试运行记录(复印件份);、如采用暂无国家、行业或本市应用技术标准依据的建筑节能新技术、新设备、新材料的,须提供其采用情况报告及按照有关规定进行评审、鉴定及备案的相关文件(复印件份)。
江苏省住房和城乡建设厅苏建质〔2012〕27号关于建筑节能分部工程质量验收中开展建筑能效测评工作的通知各市建设局(委):为加大建筑节能监管力度,提高建筑节能工程质量,根据住房城乡建设部印发的《民用建筑能效测评标识管理暂行办法》、住房城乡建设部和财政部联合印发的《关于进一步推进公共建筑节能工作的通知》、《江苏省建筑能效测评标识管理实施细则》以及有关规范、标准要求,现将建筑节能分部工程验收中开展建筑能效测评有关事项通知如下:一、建筑能效测评是指对建筑物能源消耗量及其用能系统效率等性能指标进行检测、计算和评估,并给出其所处水平的活动。
建筑节能分部工程验收中开展建筑能效测评是建筑能效测评标识管理的重要组成部分,是理论值阶段。
建筑能效测评达到设计要求是建筑节能分部工程质量验收合格的必要条件,建筑节能分部工程验收合格后方可进行单位工程竣工验收。
应进行建筑能效测评的建筑工程项目未经建筑能效测评,或者建筑能效测评不合格的,不得组织工程竣工验收。
二、下列工程应进行建筑能效测评:(一)新建(改建、扩建)国家机关办公建筑和大型公共建筑(单体建筑面积为2万平方米及以上);(二)新建(改建、扩建)可再生能源建筑应用项目;(三)实施节能综合改造的国家机关办公建筑和大型公共建筑;(四)申请节能示范工程的建筑;(五)申请绿色建筑评价标识的建筑;三、建筑节能分部工程验收前,建设单位应委托经省住房城乡建设厅认定的建筑能效测评机构进行建筑能效测评,提供以下资料,并对其真实性负责。
(一)项目立项、审批等文件;(二)施工图设计文件审查机构审查合格的工程施工图节能设计文件;(三)工程施工图纸及相关技术文件;(四)具有相关资质的检测机构出具的围护结构保温材料性能检测报告及外窗保温性能、气密性检测报告;建筑物外窗(包括透明幕墙)传热系数和外窗(包括透明幕墙)玻璃遮阳系数进场复验报告; 建筑门窗节能性能标识证书和标签以及《建筑门窗节能性能标识测评报告》;(五)冷热源设备及相应水泵等主要产品合格证或性能检测报告;(六)围护结构热工缺陷报告;(七)外墙墙体、屋面、热桥部位和采暖空调管道的保温施工做法或施工方案,及与此有关的隐蔽工程施工质量中间验收报告;(八)建筑节能设备运行调试报告及节能系统检测报告;(九)使用地源热泵作为冷热源时应提供当地相关部门出具的环评报告;(十)应用节能新技术的情况报告;四、建筑能效测评机构应根据委托合同和有关技术标准要求,及时对受委托的建筑进行建筑能效测评,出具建筑能效测评报告,并对测评结果的公正性、准确性和真实性负责。
能效测评目录:1 测评依据2 测评对象3 标识等级能效测评就是指对建筑能源消耗量及其用能系统效率等性能指标进行计算、检测,并给出其所处水平得活动。
能效测评过程按照建筑节能有关标准与技术要求,对建筑物得能效水平进行核查、计算,必要时进行检测,评定其相应等级得活动。
建筑能效测评标识按照建筑能效测评结果,对建筑物能效水平,以信息标识得形式进行明示得活动。
1 测评依据建筑能效测评依据《民用建筑能效测评标识技术导则》实施,导则由中国建筑科学研究院为主编单位。
在编制过程中,编制组进行了广泛深入得调查研究,认真总结与吸收了发达国家建筑能效标识得成果与经验,以我国现行建筑节能设计标准为依据,结合我国建筑节能工作得现状与特点,在广泛征求意见得基础上,通过反复讨论、修改与完善,制定了导则。
导则由中国建筑科学研究院负责具体技术内容得解释。
为了贯彻《民用建筑能效测评标识技术导则》实施,中国建筑科学研究院环境测控优化研究中心成立能效测评机构团队,对反映建筑物能源消耗量及其用能系统效率等性能指标进行检测、计算,并给出其所处水平,并协助地方政府制定地方相应得政策与标准规范。
2 测评对象建筑能效得测评标识以单栋建筑为对象,且包括与该建筑相联得管网与冷热源设备。
居住建筑得用能设备主要就是指采暖空调系统,公共建筑得用能设备主要就是指采暖空调系统与照明两大类;设施一般就是指与设备相配套得、为满足设备运行需要而设置得服务系统。
在对相关文件资料、部品与构件性能检测报告审查以及现场抽查检验得基础上,结合建筑能耗计算分析及实测结果,综合进行测评。
3 标识等级建筑能效标识得适用对象就是新建居住与公共建筑以及实施节能改造后得既有建筑,以单栋建筑为测评对象。
建筑能效标识划分为五个等级,节能50~65%为一星,就是节能达标建筑;节能65~75%为二星;节能75~85%以上为三星;节能85%以上为四星。
若选择项(对高于国家现行建筑节能标准得用能系统与工艺技术加分得项目)所加分数超过60分(满分100分)则再加一星。
建筑能效(绿色建筑)测评标识资料报送清单重庆市建筑能效(绿色建筑)测评与标识申请表;初步设计审查批复(含节能审查意见)、施工图审查合格书、施工许可证、规划验收确认书;重庆市民用建筑节能设计审查备案登记表;建筑节能设计模型、节能计算报告书、空调冷热负荷计算书;施工图(建筑专业)、竣工图(建筑专业)、节能变更文件;设计图纸电子版(所有专业)、节能材料技术备案文件;建筑节能分部工程验收会议纪要报告;建筑节能分项工程质量验收表;建筑节能工程检验批质量验收记录表;建筑节能(绿色建筑)分部工程质量验收表;建筑节能(绿色建筑)工程建筑环境与资源综合利用子分部工程质量验收表;建筑节能(绿色建筑)工程环境分项工程质量验收表;建筑节能(绿色建筑)工程资源综合利用分项工程质量验收表;建筑节能(绿色建筑)工程达标情况表(一)建筑节能(绿色建筑)工程达标情况表(二)墙体施工质量验收记录;隐蔽工程验收记录;砌体材料、保温材料及辅材的质量证明文件和进场复验报告;饰面材料、防火隔离带材料的检测报告;外墙节能构造钻芯检验报告;幕墙施工质量验收记录;隐蔽工程验收记录;幕墙系统、幕墙保温材料、幕墙玻璃、型材、透明或半透明材料、建筑遮阳产品及附件材料的质量证明文件和进场复验报告;幕墙气密性能检测报告;门窗施工质量验收记录;隐蔽工程验收记录;建筑外门窗系统、玻璃、型材、透光或半透光遮阳材料、建筑遮阳产品及附件材料的质量证明文件和进场复验报告;外窗现场气密性检测报告;屋面施工质量验收记录;隐蔽工程验收记录;保温材料质量证明文件和进场复验报告;屋面饰面材料、防火隔离带材料的检测报告;地面施工质量验收记录;隐蔽工程验收记录;保温材料质量证明文件和进场复验报告;现场钻芯检测报告;通风空调施工质量验收记录;隐蔽工程验收记录;通风与空调节能工程中的送、排风系统及空调风系统、空调水系统的调试报告和运行记录;通风机和空调机组等设备的试运转和调试记录、系统风量平衡调试记录;多联机空调系统试运行和调试及系统带负荷运行效果检验记录;空调和新风机组设备、风机盘管、风机和排风热回收装置、双向换气装置、绝热材料的质量证明文件;风机盘管机组以及绝热材料进场复验报告;空调与供暖施工质量验收记录;隐蔽工程验收记录;采用集中冷源和热源的冷、热量及能耗计量装置运行记录;冷热源设备、辅助设备的单机试运转和调试记录;系统联合试运转和调试记录;空调与供暖系统冷热源设备及其辅助设备、绝热管道、绝热材料的质量证明文件;绝热管道、绝热材料的进场复验报告;配电与照明施工质量验收记录;照明光源、灯具及其附属装置、低压配电系统选择的电缆电线(导体电阻值)质量证明文件和进场复验报告;监测与控制施工质量验收记录;隐蔽工程验收记录;系统集成监控软件的测试记录;监测与控制系统采用设备、材料及附属产品的质量证明文件;通风与空调监测控制系统的控制功能及故障报警功能检测报告;采用节能型电梯、自动扶梯、自动人行步道的质量证明文件;其他法定检测机构出具的工程围护结构热工性能检测报告(已由法定检测机构检测的应提供);采用建筑节能新技术、新设备、新材料情况报告;评审、鉴定、备案的有关文件。