外墙外保温抹面层检验批质量验收记录表
- 格式:doc
- 大小:306.00 KB
- 文档页数:8
表A.0.1
外墙保温检验批质量验收记录表
单位(子单位)工程名称
分部(子分位)工程名称外墙保温验收部位
施工单位项目经理
分包单位分包项目负责人/
施工执行标准名称及编号<<外墙内保温工程技术规程>>JGJ/T261-2011;《建筑节能工程施工质量验收规范》GB50411-2007的规定
施工质量验收规范的规定施工单位检查评定记录监理(建设)单位验收记录
主控项目1 墙体材料品种规格第4.2.1条
2 材料性能第4.2.2条
3 性能检验第4.2.3条
4 基层处理第4.2.5
5 构造做法第4.2.6条
6 节能施工第4.2.7条
7 保温浆第4.2.9条
8 面层施工第4.2.10条
一般项目1 外观检查第4.3.1条
2 加强网铺贴第4.3.2条
3 缺陷第4.3.4条
4 接缝方法第4.3.5条
施工单位检查评定结果
项目专业质量检查员:年月日
建筑节能工程墙体节能分项工程质量验收记录
墙体节能工程质量验收记录表
检验批施工质量验收记录
检验批施工质量验收记录
建筑节能隐蔽工程施工质量验收记录
建筑节能内保温子分部工程质量验收记录。
外墙外保温样板检查验收记录外墙外保温样板验收记录工程名称欣嘉园3号地项目二标段总包单位天津二建建筑工程有限公司施工部位外墙外保温分包单位天津东信建筑工程有限公司验收日期年月日一、节能设计依据:1、《天津市居住建筑节能设计标准》 DB29-1-20132、《民用建筑热工设计规范》 GB50176-933、《墙体材料应用统一技术规范》 GB50574-20104、《外墙外保温工程技术规程》 JGJ144-20045、《天津市岩棉外墙外保温系统应用技术规程》DB/T29-217-20136、《建筑外墙外保温防火隔离带技术规程》 JGJ289-20127、《天津市泡沫塑料板薄抹灰外墙外保温系统应用技术规程》DB/T29-227-2014 8、《天津市民用建筑围护结构节能检测技术规程》DB/T29-88-2014 9、《天津市民用建筑节能工程施工质量验收规程》DB29-126-201410、《市建设交通委关于印发天津市民用建筑外墙外保温工程管理办法的通知》津建科【2013】504号文11、《市建委市公安局关于进一步提高我市民用建筑节能工程防火技术要求的通知》津建科(2015)522号二、节能设计做法(建筑专业)1、常用建筑材料热工计算参数表:注:以上常用建筑材料热工计算参数表选自《天津市公共建筑节能设计标准》DB29-153-2014附录F 2、主要围护结构的构造设计:1)外露梁、柱结构性热桥部位,外墙挑出构件、附墙构件等和外门窗洞口室外部分的侧墙面,采用隔断热桥或保温措施,为30厚膨胀玻化微珠保温隔热砂浆。
2)外门窗附框与外墙之间的缝隙采用防水砂浆抹平,外门窗框与附框之间的缝隙采用聚氨酯高效保温材料发泡填充饱满,其洞口周边缝隙内外两侧采用中性硅酮系列建筑密封胶密封,严禁采用普通水泥砂浆补缝,当外窗安装采用金属附框时,附框内应满填保温材料,且外墙外保温材料应完全覆盖附框,门窗上口应做滴水线。
3)凸窗凸出(从外墙外保温完成面至凸窗框外表面)400mm ,满足不大于400mm 的规定,且其不透明的顶板、底板、侧板的传热系数当采用石墨聚苯板时不大于外墙的平均传热系数,当采用岩棉板时大于外墙的平均传热系数,保温材料名称密度p Kg/m 3标准值导热系数修正系数(α)燃烧性能等级备注导热系数入 [w/(m.k )]蓄热系数s [w/(㎡.k)] 使用部位岩棉板 140-160 0.040 0.75 1.20 A 级外墙挤塑聚苯板 22-35 0.032 0.32 1.10 B1级屋顶、分户楼板、周边地面模塑石墨聚苯板 18-22 0.033 0.36 1.05 B1级外墙蒸压加气混凝土砌块≤600 0.160 3.11 1.25 A 级外、内墙膨胀玻化微珠保温砂浆≤3000.0701.151.25A 级内墙、热桥部位设计单位验收意见:项目负责人:年月日分包单位验收意见:项目负责人:年月日施工单位验收意见:项目负责人:年月日供货单位验收意见:项目负责人:年月日监理单位验收意见:项目负责人:年月日建设单位验收意见:项目负责人:年月日工程名称欣嘉园3号地项目二标段外墙外保温样板验收记录外墙外保温样板验收记录总包单位天津二建建筑工程有限公司施工部位外墙外保温分包单位天津东信建筑工程有限公司验收日期年月日进行权衡计算。
GB50411-2007 (表一)QT-工程名称鼎宇苑商住楼分项工程名称外墙保温验收部位外墙北施工单位新蒲建设集团有限公司专业工长郝国民项目经理李卫国分包单位分包项目经理施工班组长施工执行工艺标准及编号《民用建筑节能设计标准》(采暖居住建筑部分)山西地区节能设计实施细则(第二阶段)DBJ04-216-2006验收规范规定施工单位检查评定记录主控项目1用于墙体节能工程的材料、构件等,其品种、规格应符合设计要求和相关标准的规定。
材料品种、规格符合设计要求和相关标准的规定。
√2墙体工程使用的保温隔热材料,其导热系数密度抗压强度或压缩强度燃烧性能应符合设计要求。
导热系数、密度、抗压强度、压缩强度燃烧性能应符合设计要求。
√3墙体节能工程采用的保温材料和粘结材料等,进场时应对其下列性能进行复验,复验应为见证取样送检。
1、保温材料的导热系数、密度、抗压强度或压缩强度;2、粘结材料的粘结强度;3、增强网的力学性能。
符合设计要求√4严寒和寒冷地区外保温使用的粘结材料,其冻融试验结果应符合该地区最低气温环境的使用求。
符合要求5墙体节能工程施工前应按照设计和施工方案的要求对基层进行处理,处理后的基层应符合保温层施工方案的要求。
基层已进行处理√6墙体节能工程各层构造做法应符合设计要求,并应按照经过审批的施工方案施工。
符合设计要求,按施工方案施工√7墙体节能工程的施工,应符合下列要求:1、保温隔热材料的厚度必须符合设计要求;2、保温板与基层及各构造层之间的粘结或连接必须牢固。
粘结强度和连接方式应符合设计要求。
保温板材与基层的粘结强度应做现场拉拔试验。
3、当墙体节能工程的保温层采用预埋或后置锚固件时,其数量、位置、锚固深度和拉拔力应符合设计要求。
后置锚固件应进行现场拉拔试验。
符合要求√8外墙采用预置保温板现场浇筑混凝土墙体时,保温材料的验收应执行本规范第4.2.2条的规定;保温板的安装应位置正确、接缝严密,保温板在浇筑混凝土过程中不得移位、变形,保温板表面应采取界面处理措施,与混凝土应粘结牢固。
外墙涂膜防水检验批质量验收记录一、工程概况本次外墙涂膜防水工程是为了提高墙体防水性能、保护墙体结构,并增加墙体的美观程度。
涂膜防水层为聚合物涂料,双组份,厚度约为1-3mm。
本次验收共涉及XX平方米的工程面积,工程周期为XX天。
二、验收项目及要求1. 防水层厚度:防水层厚度应符合设计要求,要求在1-3mm之间。
2.防水层附着力:涂膜防水层应对墙体有较好的附着力,不得有剥离现象。
3.防水层施工质量:涂膜防水层表面应平整、无起泡、裂痕等缺陷。
4.防水层颜色:涂膜防水层颜色应与设计要求一致,色差不得超过2级。
三、验收方法1.防水层厚度测量:使用涂膜厚度计在不少于5个随机选取的位置测量涂膜防水层厚度,取平均值作为防水层厚度。
2. 防水层附着力测试:使用胶液剥离试验法进行测试,剥离的长度不得超过50mm。
3.防水层施工质量检查:用肉眼观察防水层表面是否平整,是否有起泡、裂痕等现象。
4.防水层颜色检查:使用色差仪对涂膜防水层的颜色进行检测比对。
四、验收结果1. 防水层厚度:经测量,防水层厚度为1.5mm,符合设计要求。
2. 防水层附着力:经剥离试验,剥离的长度为0mm,符合要求。
3.防水层施工质量:经检查,涂膜防水层表面平整、无起泡、裂痕等缺陷。
4.防水层颜色:经检测,涂膜防水层颜色与设计要求一致,色差不超过2级。
五、不合格处理及整改意见本次外墙涂膜防水工程验收结果均合格,未发现不合格项,无需进行不合格处理和整改。
六、验收结论本次外墙涂膜防水工程的质量验收合格,可以进行下一步施工工序。
七、备注1.本次验收记录仅针对涂膜防水工程,不包含其他外墙工程验收。
2.涂膜防水层的材料及施工人员应符合相关标准和规定。
墙体节能工程检验批质量验收记录编号:填表说明:1、检验批容量填写:采用相同材料、工艺和施工做法的墙面,扣除门窗洞口后的保温墙面面积每1000m2划分为一个检验批;当按计数方法抽样检验时,其抽样数量尚应符合表1的规定。
表1 检验批最小抽样数量2、最小/实际检查数量栏中,实际检查数量:按实填写。
具体如下:主控项目:(1)材料、半成品、成品进场验收:接进场批次,每批随机抽取3个试样进行检查质量证明文件应按其出厂检验批进行核查;(2)材料质量:同厂家、同品种产品,按照扣除门窗洞口后的保温墙面面积所使用的材料用量。
在5000㎡以内时应复验1次;面积每增加 5000㎡应增加1次。
同工程项目、同施工单位且同施工的多个单位工程,可合并计算抽检面积。
在同一工程项目中,同厂家、同类型、同规格的节能材料、构件和设备,当获得建筑节能产品认证、具有节能标识或连续三次见证取样检验均一次检验合格时,其检验批的容量可扩大一倍,且仅可扩大一倍。
扩大检验批后的检验中出现不合格情况时,应按扩大前的检验批重新验收,且该产品不得再次扩大检验批容量。
(3)外墙外保温工程材料及型式检验报告:全数检查;(4)冻融试验:全数检查;(5)基层处理要求:全数检查;(6)墙体节能工程构造层做法:全数检查;(7)保温隔热材料厚度、粘结强度、连接方式、预埋或后置锚固件固定:检验批应抽查3处;(8)预置保温板现场浇筑混凝土墙体施工:隐蔽工程验收记录全数核查;其他项目按表1的规定抽检;(9)保温浆料施工:同厂家、同品种产品,按照扣除门窗洞口后的保温墙面面积所使用的材料用量。
在5000㎡以内时应复验1次;面积每增加 5000㎡应增加1次。
同工程项目、同施工单位且同施工的多个单位工程,可合并计算抽检面积(10)饰面层的基层及面层施工:粘结强度应按照现行行业标准《建筑工程饰面砖粘结强度检验标准》JGJ/T 110的有关规定抽样,其他为全数检查。
(11)保温砌块砌筑的墙体施工:砂浆品种和强度试验报告全数核查。
XX#楼外墙保温施工记录工程名称:XXXXXXXXXXXXXXXXX#楼外墙保温工程我公司施工的XXXXXXXXXXXXXXXXXXXXXXXXXXXXX4#楼外墙保温工程已按规范要求进行施工,具体情况如下:一、材料进场之前样板墙做拉拔检测,材料进场时所有材料均进行材料复试(采用20厚聚苯板进行外墙保温施工)施工结束后进行现场实体拉拔检测。
二、施工操作要点1、基层处理(1)彻底清理基层表面浮灰、涂料油污、脱模剂、和旧外墙面的空鼓、风化物、霉菌、藻类等影响黏结强度的各种因素。
(2)工程的结构墙体,用2m靠尺检查,最大偏差应小于4mm,超过部分应剔凿或用1:3水泥砂浆修补平整。
(3)若局部找平层厚度较薄而普通水泥砂浆施工困难时,可使用聚合物水泥砂浆找平.2、测量放线(1)根据建筑物立面设计和外墙外保温的技术要求,在墙面弹出外门窗的水平、垂直控制线以及伸缩缝线、装饰线等.(2)在建筑外墙大角(阴角、阳角)和其他必要处悬挂垂直基准线;每个楼层在适当位置挂水平线以控制膨胀聚苯板的垂直度和平整度。
3、配制聚合物胶粘剂该胶粘剂为粉状,调配比例为:胶粘剂:水=1:0。
25(重量比,施工现场配置要具备称重仪器)。
配制时,在适当容器中注入水,再在搅拌的状况下加入粉状胶粘剂,采用机械搅拌形式搅拌均匀.配制应有专人负责,准确计量,采用机械搅拌,搅拌时间不少于3min,以确保均匀.配制好的胶粘剂注意避风、防晒,以免水分蒸发过快。
配制好的胶粘剂应在2h内用完。
4、铺设翻包网裁剪翻包网格布的宽度应为200mm+保温板厚度的总和.先在基层墙体上所有门、窗、洞周边及系统终端处,涂刷胶粘剂,宽度为100mm,厚度为2mm。
将裁剪好的网格布一边80mm压入胶粘剂内,不允许有网眼外露,将边缘多余的胶粘剂刮净,保持甩出部分网格布的清洁.5、粘贴膨胀聚苯板(1)采用1200mm×600mm的标准膨胀聚苯板,对非标准尺寸或局部不规则处进行裁切修整,裁切面应与板面垂直。
外墙内保温检验批质量验收记录一、项目概述为确保工程质量符合相关标准和技术要求,对外墙内保温进行了检验批质量验收工作。
本文档旨在对验收过程、验收结果及问题处理等进行详细记录,为工程质量的监督和管理提供依据。
二、验收时间及地点验收时间:[填写具体时间]验收地点:[填写具体地点]三、验收人员本次验收由以下人员参与:1. 验收人员1:[填写姓名]2. 验收人员2:[填写姓名]3. 验收人员3:[填写姓名]4. 验收人员4:[填写姓名]四、检查内容本次验收主要检查以下内容:1. 外墙内保温材料的质量及安装情况2. 外墙内保温层的厚度与设计要求是否一致3. 外墙内保温层的表面平整度和垂直度4. 外墙内保温层与结构之间的粘接情况5. 外墙内保温层的防水性能五、验收过程1. 验收人员按照验收内容对施工现场进行实地勘察和测量,并记录实际情况。
2. 对外墙内保温材料进行抽样检测,检测项目包括材料的密度、导热系数、抗拉强度等。
3. 对外墙内保温层的厚度进行测量,与设计要求进行比对。
4. 对外墙内保温层的表面平整度进行测量,记录测量结果。
5. 对外墙内保温层的垂直度进行测量,记录测量结果。
6. 对外墙内保温层与结构之间的粘接情况进行检查,记录问题及处理办法。
7. 对外墙内保温层进行防水性能测试,记录测试结果。
六、验收结果1. 外墙内保温材料的质量符合相关标准和技术要求。
2. 外墙内保温层的厚度与设计要求一致。
3. 外墙内保温层的表面平整度满足要求,无明显凹凸不平。
4. 外墙内保温层的垂直度满足要求,无明显倾斜。
5. 外墙内保温层与结构之间的粘接情况良好,无松动或空鼓现象。
6. 外墙内保温层的防水性能满足要求,无渗水现象。
七、存在的问题及处理办法1. 问题1:[填写具体问题描述]处理办法:[填写问题的处理办法]2. 问题2:[填写具体问题描述]处理办法:[填写问题的处理办法]八、备注[填写备注信息]九、附件清单本次验收记录无附件。
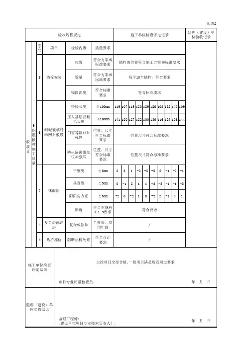
表B.0.7墙体基层处理报审、报验表工程名称:淮北恒大御景湾首期主体及配套建设工程4#楼编号:注:本表一式二份,项目监理机构、施工单位各一份。
建筑节能隐蔽工程验收记录表B。
0。
7钢托架安装报审、报验表工程名称:淮北恒大御景湾首期主体及配套建设工程4#楼编号:建筑节能隐蔽工程验收记录钢托架安装表B.0。
7憎水性岩棉板施工报审、报验表工程名称:淮北恒大御景湾首期主体及配套建设工程4#楼编号:注:本表一式二份,项目监理机构、施工单位各一份。
建筑节能隐蔽工程验收记录岩棉板铺贴表B.0.7锚固件施工(第1遍)报审、报验表工程名称:淮北恒大御景湾首期主体及配套建设工程4#楼编号:注:本表一式二份,项目监理机构、施工单位各一份.建筑节能隐蔽工程验收记录锚固件第1遍施工(安装在岩棉板上)表B。
0.7变形缝施工报审、报验表工程名称:淮北恒大御景湾首期主体及配套建设工程4#楼编号:注:本表一式二份,项目监理机构、施工单位各一份。
建筑节能隐蔽工程验收记录变形缝施工表B。
0。
7抹面砂浆施工(第1遍)报审、报验表工程名称:淮北恒大御景湾首期主体及配套建设工程4#楼编号:注:本表一式二份,项目监理机构、施工单位各一份。
建筑节能隐蔽工程验收记录抹面砂浆施工(第1遍)表B。
0.7敷设加强型网格布(第一层)报审、报验表工程名称:淮北恒大御景湾首期主体及配套建设工程4#楼编号:注:本表一式二份,项目监理机构、施工单位各一份。
建筑节能隐蔽工程验收记录翻包网施工300克加强型耐碱网格布铺设(第1遍)表B。
0。
7抹面砂浆施工(第2遍)报审、报验表工程名称:淮北恒大御景湾首期主体及配套建设工程4#楼编号:注:本表一式二份,项目监理机构、施工单位各一份.建筑节能隐蔽工程验收记录抹面砂浆施工(第2遍)表B。
0.7锚固件施工(第2遍)报审、报验表工程名称:淮北恒大御景湾首期主体及配套建设工程4#楼编号:注:本表一式二份,项目监理机构、施工单位各一份。
陕西省建设工程质量验收技术资料统一用表C7 分项工程检验批质量验收记录泡沫混凝土板外墙保温墙体检验批质量验收记录填写说明一、验收依据1、《建筑节能工程施工质量验收规范》GB504112、《泡沫混凝土板外墙外保温系统应用技术规程》DBJ61/T86二、规范摘要1、检验批划分原则采用相同材料、工艺和施工做法的墙面,每500~1000m2面积划分为一个检验批,不足500m2也作为一个检验批。
也可根据与施工流程相一致且方便施工与验收的原则,由施工单位与监理(建设)单位共同商定。
2、主控项目⑴第4.2.1条:用于墙体节能工程的材料、构件等,其品种、规格应符合设计要求和相关标准的规定。
检验方法:观察、尺量检查;核查质量证明文件。
检查数量:按进场批次,每批随机抽取3个试样进行检查;质量证明文件应按照其出厂检验批进行核查。
⑵第4.2.2条:墙体节能工程使用的保温隔热材料,其导热系数、密度、抗压强度或压缩强度、燃烧性能应符合设计要求。
检验方法:核查质量证明文件及进场复验报告。
检查数量:全数检查。
第4.2.3条:墙体节能工程采用的保温材料和粘结材料等,进场时应对其下列性能进行复验,复验应为见证取样送检;①保温材料的导热系数、密度、抗压强度或压缩强度;②粘结材料的粘接强度;③增强网的力学性能、抗腐蚀性能。
检验方法:随机抽样送检,核查复验报告。
检查数量:同一厂家同一品种的产品,当单位工程建筑面积在20000m2以下时各抽检不少于3次;当单位工程的建筑面积在20000m2以上时各抽检不少于6次。
《泡沫混凝土板外墙外保温系统应用技术规程》DBJ61/T86⑶第7.2.2条:泡沫砼板外墙外保温系统用泡沫砼板、粘结砂浆、界面砂浆、抹面砂浆、耐碱网格布、锚栓等,进场应按照下列项目复验,复验应为见证取样送检。
①泡沫砼板的干密度、导热系数、抗压强度、体积吸水率、抗拉强度;②粘结砂浆的拉伸粘结强度(原强度、浸水后)、可操作时间;③抹面砂浆的拉伸粘结强度(原强度、浸水后、冻融循环后)、压折比、可操作时间;④界面砂浆的拉伸粘结强度、压剪粘结强度;⑤耐碱网格布的耐碱拉伸断裂强力及保留率、断裂伸长率;⑥锚栓的抗拉承载力标准值;检验方法:核查质量证明文件;随机抽样送检,核查复验报告。
-/建筑装修装修工程施工质量查收资料外墙保温施工施工单位:监理单位:-/目录1、动工报告报审表2、动工报告3、分包单位资格报审表4、施工方案报审表5、施工方案6、技术交底7、工程资料报审表8、合格证贴条9、保证资料10、资质证明资料11、施工工序报验表及隐蔽工程报验表12、外墙保温分项工程质量查收纪录-/工程动工 / 复工报审表工程名称;编号:致:(监理单位)我方肩负的工程已达成了以下各项工作,具备了动工/ 复工条件,特此申请施工,请核查并签发动工指令。
附: 1. 动工报告2.(1)、营业执照(2)、施薪水质(3)税务登记证、(4)市备案证明(5)山东省认证证书承包单位:项目经理:日期:审查建议:项目监理机构:总监理工程师:日期:动工报告编号:工程名称工程地址施工单位监理单位建筑面积㎡构造层数中标价格承包方式包工包料定额工期天计划动工日期计划竣工日期合同编号1、主体外墙施工达成经过查收,基层的平展度与垂直度满足外墙保温施工要求。
说2、施工方案已编制达成。
3、施工人员已到位。
明4、资料及设备已到位,并满足施工要求。
5、质量保证系统、技术系统、安全保证系统已到位。
上述工作已就绪,定于年月日正式动工,希望监理(建设)单位于年月日进行审查,特此报告。
施工单位:项目经理:年月日建设单位审查建议:监理单位审查建议:总监理工程师(建设单位项目负责人):(公章)年月日年月日山东省建设工程质量督查总站监制分包单位资格报审表工程名称:编号:致:(监理单位)经审查,我方选定的有限公司具备肩负以下分包工程的相应资质和能力,能够依照合同约定的工程质量标准在合同约定的工程工期内达成施工任务。
分包后我公司仍肩负总包方应尽的责任与义务,请予审查。
分包工程名称分包工程量分包工程合同总价款分包工程占总工程(造价)专业监理工程师审查建议:专业监理工程师日期:总监理工程师审查建议:项目监理单位:总监理工程师:日期:A2 施工方案报审表致:(监理单位)我方已依照施工合同相关规定达成了工程的施工组织设计(方案)编制,并经我单位上级技术负责人审查赞同,请予以审查。