三路智力抢答器的PLC控制49391
- 格式:doc
- 大小:218.16 KB
- 文档页数:26
佛山科学技术学院课程设计任务书电气工程及其自动化专业 13年级 2 班付琴芳一、设计题目三路抢答器的PLC控制二、主要内容该抢答器作为智力竞赛的评判装置,根据应答者抢答情况自动设定答题时间,并根据答题情况用灯光、声音显示其答题正确、错误及违规,在主持人的操作下,对答题者所显示的分数值进行加分、减分或违规扣分。
三、具体要求1.主持人提出问题并按下启动按钮(开始抢答)后,若10s内无人抢答,则有声音提示,说明该题无人抢答,自动作废。
2.主持人提出问题在未按下启动按钮(开始抢答)之前抢答,则违规,抢答器报出违规信号,并作减分处理。
3.主持人提出问题并按下启动按钮(开始抢答)后,第一个按下按钮的信号有效,后按下的按钮信号无效。
4.主持人按下计时按钮,开始计时。
答题时间为1min,答题过程中有灯光提示时间,时间到并有声音指示。
5.抢答器有数码显示器显示各答题者的分数,由主持人控制,答对者加10分,答错者减10分,违规者扣5分,减分计算中若出现负分作0分处理。
6.答题完毕按下复位按钮,恢复抢答器原始状态,为下一轮抢答做好准备。
答题过程中灯光、音响的安排及注意事项见课程设计指导书。
在上述具体的要求下,完成硬件电路的制作和接线,PLC控制程序的设计及联机调试,直至满足要求。
四、进度安排1.理解课程设计内容及设计要求,查阅资料(第一周的星期一)。
2. PLC外围硬件电路的制作和接线,构思设计方案(第一周的星期二至星期三)。
3. PLC控制程序设计、程序调试及系统的总体调试,撰写课程设计报告(第一周的星期四至第二周星期四)。
4. 课程设计答辩、批改设计报告,登载成绩(第二周星期五)。
五、完成后应上交的材料PLC外围硬件连接电路、程序清单及课程设计总结报告。
六、总评成绩指导教师签名日期年月日系主任审核日期年月日目录1. 前言 (4)2. 设计任务和要求 (5)任务描述 (5)设计任务及要求 (6)3. 硬软件设计方案选择 (7)硬件I/O地址分配 (8)方案选择 (9)控制系统的硬件组成 (13)4 抢答器软件系统设计 (14)软件流程图的设计 (14)PLC控制程序的设计 (16)4.2.1 主持人开始复位初始化 (16)4.2.2 抢答前计时 (17)4.2.3 抢答总台绿灯亮 (17)4.2.4 违规抢答红灯亮 (18)4.2.5 总台音响 (19)4.2.6 抢答标志 (19)4.2.7 加减分程序 (20)4.2.8 各位选手的分数显示 (22)4.2.9 复位 (23)抢答总程序 (24)5 调试中的遇到的问题 (24)6 设计体会 (25)7 参考文献 (26)1前言目前国内外市场上已有很多类型的知识竞赛抢答器,其大致采用模拟电路、数字电路、单片机或者PLC芯片、计算机控制系统等四类产品。
摘要近年来随着科技的飞速发展, PLC的应用不断地走向深入,同时带动传统的控制检测技术的不断更新,可编程控制器由于其优良的控制性能,极高的可靠性,在各行各业中的应用日益广泛普及。
本次设计是利用PLC(Programmable Logic Controller)对PLC控制智力抢答器进行控制。
首先,选择这个题目之后,我对本次设计进行了全面的思考。
使自己对本次设计有一个大致的总体思路,然后仔细分析PLC控制的三路智力抢答器的工作原理,以及它的一些工作过程,分析后得出它主要需要完成主持人的控制、选手的抢答、计时及计分输出显示功能等。
关键词:智力控制,三路抢答器, PLC,计分。
设计任务书(1)三路抢答器应用背景和概述抢答器广泛用于电视台、商业机构及学校,为竞赛增添了刺激性、娱乐性,在一定程度上丰富了人们的业余生活。
本文介绍一种抢答器,能使三个人同时参加抢答,赛场中设有1个裁判台,三个参赛台.总体设计选用三菱PLC控制,抢答操作方便,在很多的场所都可以使用,并且给人的视觉效果非常好。
抢答器,顾名思义就是用于比赛时,跟对手比反应时间,思维运转快慢的新型电器。
随着社会科技技术的不断发展,他的应用场合也随之增加;技术含量大大提升;更加方便可靠。
用PLC进行知识竞赛抢答器设计,其控制方便,灵活,只要改变输入PLC的控制程序,便可改变竞赛抢答器的抢答方案。
此任务的抢答器可根据应答者抢答情况自动设定答题时间,并根据情况用灯光和声音现实其回答正确和错误,在工作人员操作下对答题者所显示的分数进行加分和减分。
三路智力抢答器有三个抢答按钮最先按下按钮有效,在此之后按下按钮无效,伴有灯光和声音指示,并开始计时答题时间。
计时时间到声音提示停止答题。
如果抢答者答题正确和错误主持人按下加分键或减分键,将对所显示的分数进行加分和减分。
(2)设计任务和要求三路智力抢答器应达到以下要求。
(1)按下启动按钮(开始抢答)后,若10内无人抢答,则抢答器自动撤销抢答信号(有声音提示),说明该题无人抢答自动作废。
第一章设计任务书一、三路抢答器应用背景和概述抢答器广泛用于电视台、商业机构及学校,为竞赛增添了刺激性、娱乐性,在一定程度上丰富了人们的业余生活。
本文介绍一种抢答器,能使三个人同时参加抢答,赛场中设有1个裁判台,三个参赛台.总体设计选用三菱PLC控制,抢答操作方便,在很多的场所都可以使用,并且给人的视觉效果非常好。
抢答器,顾名思义就是用于比赛时,跟对手比反应时间,思维运转快慢的新型电器。
随着社会科技技术的不断发展,他的应用场合也随之增加;技术含量大大提升;更加方便可靠。
用PLC进行知识竞赛抢答器设计,其控制方便,灵活,只要改变输入PLC的控制程序,便可改变竞赛抢答器的抢答方案。
该抢答器可作为智力竞赛的评论装置。
根据应答者抢答情况自动设定答题时间,并根据情况用灯光和声音现实其回答正确和错误,在工作人员操作下对答题者所显示的分数进行加分和减分。
三路智力抢答器有三个抢答按钮SB1~SB2,最先按下按钮有效,在此之后按下按钮无效,伴有灯光、声音指示,并开始计时(答题时间),计时时间到(答题给定的时间),声音提示停止答题。
如果抢答者答题正确或错误,主持人或操作员按下加分键或减分键,将对显示分数值加分或减分。
该控制器组成框图如图1.1所示。
图1.1 三路智力抢答器组成框图二、设计任务和要求1、三路智力抢答器应达到以下要求。
(1)按下启动按钮(开始抢答)后,若10内无人抢答,则抢答器自动撤销抢答信号(有声音提示),说明该题无人抢答自动作废。
(2)按下启动按钮(开始抢答)后,第一个按下按钮有效,其余信号(后按下)无效。
有效信号用灯光和声音表示。
(3)若有人抢答即按下任意一个抢答按钮,从按下按钮开始计时,在答题时间(约 1 min)完毕时。
有灯光和声音信号提示答题时间已到。
(4)三路抢答器应有灯显示和分数显示对答题正确或错误者,在操作人员控制下可对其加10分或减10分。
加分最大可达到99分,减分最少分值00分。
三路智力抢答器工作流程图如图1.2所示。
课程设计(论文)题目名称智力抢答器的PLC控制课程名称PLC课程设计学生姓名学号系、专业指导教师2011年12 月23 日随着我国经济和文化实业的发展,在很多公开竞争场合要求有公正的竞争裁决,诸如证券、股票交易及各种智力竞赛等,因此出现了抢答器。
最初的抢答器是由优先权编码器构成的逻辑电路,其运算速度慢,线路复杂,可靠性不高,功能也比较简单,特别是当抢答路数很多时,实现起来就更加困难。
因此,一种能够体现竞赛的公开、公平、公正性的知识竞赛抢答器成为一种需求。
本设计将以PLC为核心设计了系统结构图、梯形图以及输入输出端子的分配方案,比较优秀的实现了三路抢答的功能,主持人操作简单,只需按一下即可达到初始状态继续答题。
从而使得竞赛不断完善其公平、公正性。
关键词:PLC;竞赛抢答器;控制程序摘要 (Ⅰ)1课题分析与利用PLC控制的特点 (1)1.1 课题与程序控制分析 (1)1.2 采用PLC控制的特点 (1)2 PLC控制系统的硬件配置 (2)2.1.PLC机型 (2)2.2控制特点分析 (2)2.3 外部接线图 (3)3 PLC控制系统应用程序的设计 (3)3.1 程序流程图 (3)3.2 I⁄O分配表 (4)4 梯形图与程序运行步骤说明 (4)4.1梯形图设计 (4)4.2 指令表 (9)4.3程序运行过程分析说明 (11)4.4程序的下载、安装和调试 (13)5总结 (13)参考文献............................................. . 141 课题分析与利用PLC控制的特点1.1课题与程序控制分析1.1.1课题分析知识竞赛抢答器,顾名思义就是用于比赛时,跟对手比反应时间,思维运转快慢的新型电器。
随着社会科技技术的不断发展,它的应用场合也随之增加;技术含量大大提升;更加方便可靠。
与传统抢答器不同,在PLC的控制下可以弥补传统抢答器的很多不足。
课题要求:1、竞赛开始时,主持人接通启动/停止开关(SA),指示灯(HL1)亮。
目录一、前言 (2)二、课程设计分析与解决思路 (3)2.1、控制任务 (3)2.2、分析及解决思路 (3)三、控制系统设计 (4)3.1、PLC机型选择 (4)3.2、控制程序流程图 (4)3.3、输入输出点分配图 (5)3.4、梯形图设计 (6)3.5、设计指令 (8)3.6、外部接线图 (11)四、程序调试说明 (12)五、总结 (13)参考资料 (14)一、前言目前国内外市场上已有很多类型的知识竞赛抢答器,其大致采用模拟电路、数字电路、单片机或者PLC芯片、计算机控制系统等四类产品。
对于采用模拟电路或者数字电路的产品,其技术相当成熟。
但是随着功能的增多,电路也越复杂,并且成本偏高,故障率高,显示方式简单或者没有,无法准确判断抢按按钮的行为,也不便于参数调节及其功能的升级换代。
而对于科技飞速发展的今天,PLC、单片机应用的不断深入,带动了传统控制检测技术的不断更新,并鉴于其本身具有的优点,以PLC、单片机为核心的部件成为主流。
它对采样获得的各种抢答信号进行分析。
但仅有抢答功能的抢答器已经不能满足当今社会的需要。
该设计不但有抢答功能,而且还有一个计分系统,能分别对四个选手进行计分,并能够对分数进行加、减。
带计分功能的智能抢答器将会取代一般的智能抢答器,更好的服务于社会。
本设计将以PLC为核心设计了系统结构图、梯形图以及输入输出端子的分配方案,实现了三路抢答的功能,抢答人员按下抢答器后,七段显示器显示抢答成功的相应的位置号。
主持人只需按一下即可达到初始状态继续答题。
从而使得竞赛不断完善其公平、公正性。
二、课程设计分析与解决思路1、控制任务:(1)、有3个抢答席(分别为1~3号)和1个主持人席,每个抢答席上各有1个抢答按钮和一盏抢答指示灯。
(2)、参赛者在允许抢答时,第一个按下抢答按钮的抢答席上的指示灯将会亮,七段显示器显示抢答成功的相应的位置号,且释放抢答按钮后,指示灯仍然亮;此后另外两个抢答席上即使在按各自的抢答按钮,其指示灯也不会亮。
三路智力抢答器的P L C控制第一章设计任务书一、三路抢答器应用背景和概述抢答器广泛用于电视台、商业机构及学校,为竞赛增添了刺激性、娱乐性,在一定程度上丰富了人们的业余生活。
本文介绍一种抢答器,能使三个人同时参加抢答,赛场中设有1个裁判台,三个参赛台.总体设计选用三菱PLC控制,抢答操作方便,在很多的场所都可以使用,并且给人的视觉效果非常好。
抢答器,顾名思义就是用于比赛时,跟对手比反应时间,思维运转快慢的新型电器。
随着社会科技技术的不断发展,他的应用场合也随之增加;技术含量大大提升;更加方便可靠。
用PLC 进行知识竞赛抢答器设计,其控制方便,灵活,只要改变输入PLC的控制程序,便可改变竞赛抢答器的抢答方案。
该抢答器可作为智力竞赛的评论装置。
根据应答者抢答情况自动设定答题时间,并根据情况用灯光和声音现实其回答正确和错误,在工作人员操作下对答题者所显示的分数进行加分和减分。
三路智力抢答器有三个抢答按钮SB1~SB2,最先按下按钮有效,在此之后按下按钮无效,伴有灯光、声音指示,并开始计时(答题时间),计时时间到(答题给定的时间),声音提示停止答题。
如果抢答者答题正确或错误,主持人或操作员按下加分键或减分键,将对显示分数值加分或减分。
该控制器组成框图如图1.1所示。
图1.1 三路智力抢答器组成框图二、设计任务和要求1、三路智力抢答器应达到以下要求。
(1)按下启动按钮(开始抢答)后,若10内无人抢答,则抢答器自动撤销抢答信号(有声音提示),说明该题无人抢答自动作废。
(2)按下启动按钮(开始抢答)后,第一个按下按钮有效,其余信号(后按下)无效。
有效信号用灯光和声音表示。
(3)若有人抢答即按下任意一个抢答按钮,从按下按钮开始计时,在答题时间(约1 min)完毕时。
有灯光和声音信号提示答题时间已到。
(4)三路抢答器应有灯显示和分数显示对答题正确或错误者,在操作人员控制下可对其加10分或减10分。
加分最大可达到99分,减分最少分值00分。
2013级课程设计(论文)说明书三路智力抢答器的PLC设计院、部: 电气信息与工程学院学生姓名:___________ 唐慧学号:____________ 1330140126指导教师:罗雪莲职称教授专业:电气工程及其自动化班级:____________ 电气1301班完成时间:________ 2016年06月湖南工学院电气控制技术课程设计课题任务书设计一个控制基于 PLC 的三路智力抢答器系统。
二、 任务根据控制要求,明确设计任务,拟定设计方案与进度计划, 运用所学的理论知识, 进行病床呼叫系统运行原理设计、硬件系统设计、软件系统设计、创新设计,提高理 论知识工程应用能力、系统调试能力、分析问题与解决问题的能力。
主要内容包括:1、 设计该系统电气控制硬件系统;2、 P LC 选择及I/O 及其它PLC 元器件分配。
3、 选择电器元件,编制元件目录表。
4、 设计该系统 PLC 控制梯形图。
5、 用计算机绘制 PLC 控制电路图。
6、 进行系统仿真测试,实现三路智力抢答器系统的控制要求。
7、 编写设计说明书。
三、 要求该抢答器可作为智力竞赛的评判装置。
根据应答者抢答情况自动设定答题时间, 并根据答题情况用灯光、声音显示其回答正确或错误,在工作人员操作下对答题者所 显示的分数加分或减分。
三路智力抢答器有三个抢答按钮 SB1~SB3最先按下按钮有效, 在此以后按下的 按钮无效,伴有灯光、声音指示,并开始计时(答题时间),计时时间到(答 题给定的时间),声音提示停止答题。
如果抢答者答题正确或错误,主持人或 操作员按下加分键或减分键,将对显示分数值加分或减分。
该控制器组成框图 如图1所示。
图1三路智力抢答器组成框图指导教师罗雪莲 学生姓名 唐慧课题名称三路智力抢答器的 PLC 控制 学院:电气与信息工程学院专业:电气工程及其自动化 、目标 内容及任务 主持人三路抢答器应达到以下要求1 •按下启动按钮(开始抢答)后,若 10s 内无人抢答,则抢答器自动撤消抢答 信号(有声音提示),说明该题无人抢答,自动作废。
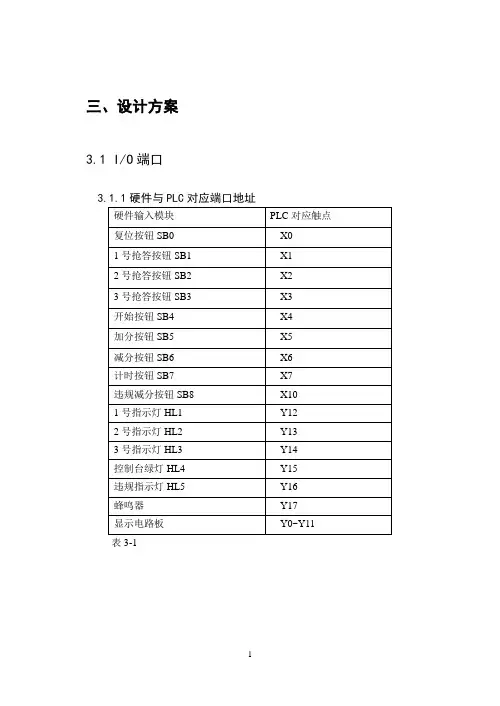
三、设计方案3.1 I/O端口3.1.1硬件与PLC对应端口地址表3-13.3梯形图说明3.3.1元件说明表3-2.元件说明3.2.2初始化程序当赋初值一次后,初始化程序自动断开,采用计数器 C0 控制3.2.3违规抢答程序及警报灯程序我们认为违规行为处在主流程图的开始与判断是否按下开始按钮之间的按下抢答器行为; C8、C9、C10是防止过违规行为。
3.2.4启动按钮及无人应答程序按下开始按钮X004,进入抢答环节,10s无人应答,进入声响(T1)及控制台绿灯(T2)点亮2s,并且自动复位。
图3-53.2.5有效抢答与违规时抢答者灯亮程序开关T0是避免10s无人应答后,在计时器T2时间内,有人进行抢答。
Y13、Y14为互锁开关;C4为违规时,违规者灯亮开关,C4常开开关允许多人在一轮抢答中违规。
图3-63.2.6控制台绿灯点亮程序只有在有效抢答标志位M1得电,才能进入计时环节;T6、T7为计时环节中的10s灯闪烁的控制开关;T0无人抢答时的灯亮控制开关;图3-73.2.6蜂鸣器程序T0、T1无应答时的蜂鸣控制开关;C1、T9为计时60s时间到的时候的蜂鸣控制开关;图3-83.2.7计时程序只有在有效抢答标志位M1得电,才能按下X7进行计时;T6计时50s进入绿灯闪烁的计时程序,同时使绿灯灭;T7控制10s闪烁灯亮1s,T8控制灯灭1s;C1控制闪烁5次;3.2.8有效加减分程序图3-93.2.8有效加减法程序首先对抢答者分数的十位数进行判断,是否被加数小于9或者被减数大于0,如果是,则进行加减法计算,如果否,则直接进入输出程序;C2控制提前答完时,结束60s计时环节;图3-113.2.9违规减法程序首先对违规者分数的个位数进行判断是否等于5,如果是,则直接进行个位数减5计算.如果否,再次对违规者分数的十位数进行判断是否大于0,如果是,则进行十位数减1,个位数加5运算,如果否,直接进行输出显示;图3-12图3-133.2.10防过违规程序及违规时单次减分、输出控制程序当按下违规减分按钮之后,未复位之前,再次按下抢答器行为视为无效输入行为;计数器C3控制违规减分程序及输出控制程序在复位前只能单次执行;计数器C8、C9、C10是避免当有违规行为时,并且已经进行了违规减分按钮,但未复位之前,没有违规者按下抢答器为无效输入;[RST C7]指令为违规减分输出显示开始指令。
电气控制课程设计专 业: 班 级:姓 名: 学 号: 指导教师:兰州交通大学自动化与电气工程学院2013年7月12日自动化 动1001班智力抢答器PLC 控制的实现方法1问题分析及解决方案框架确定1.1 问题描述在各种形式的智力竞赛中,抢答器作为智力竞赛的批判装置得到了广泛的应用。
设计抢答器的原则是:(1)可以根据比赛规则,设定答题时间。
(2)能够用声光信号表示竞赛状态,调节赛场气氛。
(3)用数码管显示参赛者的得分情况。
1.2 控制任务和功能要求(1)竞赛开始时,主持人接通启动/停止按钮(SA ),指示灯HL1亮。
(2)当主持人按下开始抢答按钮(SB0)后,如果在10S 内无人抢答,赛场的音响(HA )发出持续1.5S 的声音,指示灯HL2亮,表示抢答器自动撤销此次抢答信号。
(3)当主持人按下开始抢答按钮(SB0)后,如果在10S 内有人抢答(按下抢答按钮SB3、SB4或SB5),则最先按下按钮的信号有效,相应的抢答桌上的抢答按钮灯(HL3、HL4或HL5)亮,赛场的音响发出短促音(0.2SON,0.2SOFF,0.2SON )。
(4)当主持人确认抢答有效后,按下答题计时按钮(SB6),抢答桌上的抢答灯灭,计时开始,计时时间到(假设为20S ),赛场的音响发出持续3S 的长音,抢答桌上抢答灯再次亮。
(5)如果抢答者在规定的时间内正确回答问题,主持人或助手按下加分按钮,为抢答者加分(分数自定),同时抢答桌上的指示灯快速闪烁3S(闪烁频率为0.3SON ,0.3SOFF)。
(6)如果抢答者在规定的时间不能正确回答问题,主持人或助手按下减分按钮,为抢答者减分(分数自定)。
模型如图1。
启动按钮开始抢答应答按钮加分按钮减分按钮图1 抢答器模型2 PLC选型及硬件配置现在市场上的PLC主要是西门子的S7-300PLC,具有优化配合、强大的模拟技术、结构紧凑、组装简单、接线方便等特点。
我们在课堂上老师主要以此PLC 给我们讲解,我们对此型号PLC较为熟悉,所以选S7-300PLC作为此次设计的核心。
第一章设计任务书一、三路抢答器应用背景和概述抢答器广泛用于电视台、商业机构及学校,为竞赛增添了刺激性、娱乐性,在一定程度上丰富了人们的业余生活。
本文介绍一种抢答器,能使三个人同时参加抢答,赛场中设有1个裁判台,三个参赛台.总体设计选用三菱PLC控制,抢答操作方便,在很多的场所都可以使用,并且给人的视觉效果非常好。
抢答器,顾名思义就是用于比赛时,跟对手比反应时间,思维运转快慢的新型电器。
随着社会科技技术的不断发展,他的应用场合也随之增加;技术含量大大提升;更加方便可靠。
用PLC进行知识竞赛抢答器设计,其控制方便,灵活,只要改变输入PLC的控制程序,便可改变竞赛抢答器的抢答方案。
该抢答器可作为智力竞赛的评论装置。
根据应答者抢答情况自动设定答题时间,并根据情况用灯光和声音现实其回答正确和错误,在工作人员操作下对答题者所显示的分数进行加分和减分。
三路智力抢答器有三个抢答按钮SB1~SB2,最先按下按钮有效,在此之后按下按钮无效,伴有灯光、声音指示,并开始计时(答题时间),计时时间到(答题给定的时间),声音提示停止答题。
如果抢答者答题正确或错误,主持人或操作员按下加分键或减分键,将对显示分数值加分或减分。
该控制器组成框图如图1.1所示。
图1.1 三路智力抢答器组成框图二、设计任务和要求1、三路智力抢答器应达到以下要求。
(1)按下启动按钮(开始抢答)后,若10内无人抢答,则抢答器自动撤销抢答信号(有声音提示),说明该题无人抢答自动作废。
(2)按下启动按钮(开始抢答)后,第一个按下按钮有效,其余信号(后按下)无效。
有效信号用灯光和声音表示。
(3)若有人抢答即按下任意一个抢答按钮,从按下按钮开始计时,在答题时间(约 1 min)完毕时。
有灯光和声音信号提示答题时间已到。
(4)三路抢答器应有灯显示和分数显示对答题正确或错误者,在操作人员控制下可对其加10分或减10分。
加分最大可达到99分,减分最少分值00分。
三路智力抢答器工作流程图如图1.2所示。
图1.2 三路抢答器工作流程示意图2、工作任务1) 根据控制要求,进行抢答器PLC控制系统硬件电路设计,包括主电路、控制电路及PLC硬件配置电路。
2) 根据控制要求,编制抢答器PLC控制应用程序。
3) 编写设计说明书,内容包括:①设计过程和有关说明。
②基于PLC的抢答器电气控制系统电路图。
③ PLC控制程序。
④电器元器件的选择和有关计算。
⑤电气设备明细表。
⑥参考资料、参考书及参考手册。
⑦其他需要说明的问题,例如操作说明书、程序的调试过程、遇到的问题及解决方法、对课程设计的认识和建议等。
第二章抢答器硬件系统设计一、控制系统选取抢答器对时间间隔的要求很高,而且多在会议、答辩赛等一些正规的需要进行抢答的场合中使用,所以对设备的精准性和可靠性要求很高。
为此,我们对将采用的控制系统进行了全面的分析对比。
可编程控制器(PLC)是由工业微型计算机、输入, 输出设备、保护及抗干扰隔离电路等构成的微机控制装置,具有顺序、周期性工作的特征,从应用角度看可编程控制器具有如下特点:1)可靠性高2)体积小3)通用性好4)使用方便硬件系统分别选择4个额定电压为24V的电铃,8个额定电压为24V灯泡。
6个七段数码显示管(七段数码显示管用7位的信号驱动。
在实际应用中可以用三菱PLC指令SEGD.只需要用一个数据寄存器D)。
I/O接口分别为7个输入继电器X、35个输出继电器Y和20%接口裕量,所以选择三菱PLC的FX2N—80MR系列。
FX2N-80MR系列的PLC在各种行业的检测及控制的自动化都得到广泛的应用。
三菱FX2N-80MR具有40个输入辅助继电器X和40个输出辅继电器Y。
PLC的工作方式为周期扫描。
一个扫描周期大约为0.08us,可见其PLC 的可靠性。
同时在使用方面用软件GX—developer,输入程序变换看是否有错误。
如果有错误继续修改,通过计算机写入PLC运行调试。
二、控制系统的硬件组成在抢答器的工作过程中,主控单元的主要控制对象首先是输入信号,控制系统就是判别这个事件有没有发生,不同的情况给出不同的结果,其硬件组成结构图如图2.1所示:三、硬件I/O 地址分配根据任务要求及所选FX 2N -80MR(考虑20%接口裕量)和其他硬件(电铃、灯、七段数码显示管)PLC 的I/O 地址分配如表1所示。
表1 三路智力抢答器输入输出口分配表图2.1硬件组成结构图系统四、硬件系统接线图1. 外部硬件接线图根据题目要求和I/O地址分配,结合FX2N-80MR的PLC外部系统接线图如图2.3所示。
图2.3 外部接线图2.硬件接线分析为了硬件电路接线方便,SB1抢答的开始按钮,对应输入点为X1输出点为Y0。
SB4、SB5、SB6分别对应三个参赛对号,输入点分别X4、X5、X6,输出点分别为Y2、Y3、Y4。
SB0为抢答的复位按钮,对应输入点为X0。
数码管1显示输出点为Y10-Y16。
数码管2显示输出点为Y20-Y26。
数码管3显示输出点为Y30-Y36。
PLC与数码管采用串电阻直接连接方式。
其外部硬件接线图如图2.33. 外部控制电路(电源和急停开关)根据急停原理在PLC上连接一对常闭触点,急停控制电路如下如图2.4所示。
图2.4 急停电路第三章抢答器软件系统设计一、整体设计根据PLC智能抢答器的控制要求,应用程序采用一体化结构。
通过PLC控制程序来实现整体的运行,系统仅需要少量的按钮和接口,一般的PLC配置都可运行。
该系统本着简单易懂、可靠性强、适应性强等方面进行设计。
在抢答时只需按动按钮即可数码管在系统程序的控制下自动显示组号以及倒计时时间。
安全、可靠、省时、省力、价格便宜。
控制软件应用GX-developer编程软件,采用梯形图语言编写,工作系统自动控制流程框图如图3.1.所示。
根据系统控制要求,进行针对性设计,要充分保证系统的安全,保证整个系统的运行安全可靠。
自动条件下,必须复位后在满足自动条件下才能进行自动运行程序,当中充分应用各个过程的互锁来保证系统的安全。
二、PLC控制程序为了编程结构的简单、明了在主程序中引用了中间继电器,X4—X6分别为三组选手的抢答信号,同时我们用中间继电器M1,M2,M3,M10,M51,M52进行自锁和互锁功能,以保证每个选手公平抢答。
主持人控制台有X1按钮用以抢答开始,X0按钮为复位按钮。
程序流程图如图3.1所示。
图3.1 三路抢答器工作流程示意图1.主持人开始复位初始化在主持人按抢答开始按钮X1时,复位D0和M52.同时有抢答开始声音信号Y1,在PLC开始运行时复位D1—D4。
图3.2 初始化复位2.三组抢答者抢答程序在抢答者按下抢答的同时即X4(或X5,X6)为ON时产生一个互锁信号M10(锁定其他选手抢答)。
同时Y2(或Y3,Y4)有1秒钟ON信号,为了以后程序选择置位M1(或M2,M3),程序如图3.2所示。
图3.3 抢答程序(续页如下)3.计时时间程序根据任务要求当10秒内无人抢答则取消答题信号(用T4实现)。
程序如图3.4所示。
图3.4 无人抢答程序利用中间继电器M10和Y2和Y3和Y4开始计时。
如果已抢答则计时答题时间60秒,计满60秒不准答题。
程序如图3.5所示。
4.加减分初始化初始时需要解码D0作为加减分选通信号,同时有抢答者的信号(M1,M2,M3)参与加减分的选择。
程序如图3.6所示。
图3.6 加减分初始化5.加减分显示程序如果答题正确加10分,错误减10分。
如果加分超过99分或减分低于0分则置零处理。
同时考虑到个位一直为零则用同一种输出接口连接数码管。
直接加减十位。
程序如图3.7所示。
图3.7 加减分显示(续页如下)续1 加减分显示6.抢答器总程序X4—X6分别为三组选手的抢答信号,同时我们用中间继电器M1,M2,M3,M10,M51,M52进行自锁和互锁功能,以保证每个选手公平抢答。
主持人控制台有X1按钮用以抢答开始,X0按钮为复位按钮。
在按下启动按钮SB1时复位所有数据寄存器(累加计分的数据寄存器除外D1—D4),然后三组抢答者开始抢答,抢答的同时产生一个切断信号M10(目地后者抢答无效),抢答后开始计时,答题时间为60秒。
答完以后主持人开始加减分(在抢答的基础之上产生一个选通信号),没有抢答的组加不了或减不了分数。
在加减分的同时需要对D1—D4进行判断(可以用CMP指令或LD)。
如果超过99或低于0都以0处理。
由各功能块程序及任务要求编写程序如图3.8所示(续下页)所示。
图3.8 总程序(下有续图)续1总程序续2 总程序续3 总程序N1 续4 总程序续5 总程序7.总程序指令表根据程序编写以下指令表如图3.9所示。
图3.9 指令表续1 指令表第四章控制柜台设计根据任务要求,硬件布置及主持人操作方便设计如图4.1所示柜台图4.1所示柜台第五章安装与调试将各个输入输出端子和实际控制系统中的按钮、所需控制设备正确连接,完成硬件的安装。
知识竞赛抢答器的程序是由三菱PLC编程软件GX-DEVELOPER编制完成,正常工作时程序存放在存储卡中,若要修改程序,先将PLC设定在STOP状态下,运行三菱PLC编程软件GX-DEVELOPER编程软件,打开知识竞赛抢答器的程序,即可在线调试,也可用编程器进行调试1)按下抢答开始按钮SB1。
先在10秒内抢答,看答题开始计时60秒后是否有灯光和声音信号。
2)按下抢答开始按钮SB1。
10秒内无人抢答是否有灯光和声音信号。
3)在正确的抢答情况下加减分是否有正确显示。
4)所有的信号显示都要根据I/O分配,看是否正确。
结束语经过这两个星期的努力,在老师和同学的帮助下做完了任务设计的工作,通过这次的毕业设计,我能运用已学的知识解决我在设计中遇到的问题,使自己的动手能力和思考问题的能力得到了很大的提高。
在做设计的过程中我查阅了很多的资料,并认真的阅读这些与我的设计相关的资料,从而我的专业涵养得到了提高,知识的储备量也有所增加。
在做设计时,我复习了很多专业课的知识,这使得我的专业知识在离校之前得到了巩固。
整个设计通过了软件和硬件上的调试、仿真。
我想这对于自己以后的学习和工作都会有很大的帮助的。
在这次设计中遇到了很多实际性的问题,在实际设计中才发现,书本上理论性的东西与在实际运用中的还是有一定的出入的,所以有些问题不但要深入地理解,而且要不断地更正以前的错误思维。
但是,通过这次设计我也发现自己的很多不足之处。
在设计过程中我发现自己考虑问题很不全面,自己的专业知识掌握的很不牢固,所掌握的计算机应用软件还不够多,我希望自己的这些不足之处能在今后的工作和学习中得到改善。
而且,通过这次设计,我懂得了学习的重要性,学会了坚持和努力,这将为以后的学习做出了最好的榜样!我将会在以后的学习中继续学习。