10KV高压真空断路器的型号参数
- 格式:doc
- 大小:226.00 KB
- 文档页数:7
2018年临武分公司10kV及以下工程10kV柱上真空断路器专用技术规范校对:编制:设计单位:中国电建集团海南电力设计研究院有限公司2018年07月供货一览表目录1 总则 (3)2 工作范围 (3)2.1 范围和界限 (3)2.2 服务范围 (3)3 应遵循的主要标准 (4)4 使用条件 (5)4.1 正常使用条件 (5)4.2特殊使用条件要求 (6)4.3系统条件要求 (6)5 技术要求 (6)5.1 基本参数 (6)5.2设计与结构要求 (9)5.3专业接口要求 (12)6 试验 (13)6.1型式试验 (13)6.2出厂试验 (13)6.3现场验收试验 (14)7 产品对环境的影响 (14)8 企业VI标识 (14)9 技术文件要求 (14)10 监造、包装、运输、安装及质量保证 (15)10.1监造 (15)10.2包装和运输 (15)10.3安装指导 (15)10.4质量保证 (15)1 总则1.1 本设备技术规范书适用于10kV柱上真空断路器,它提出了该设备本体及附属设备的功能设计、结构、性能、安装和试验等方面的技术要求。
1.2 本设备技术文件文件提出的是最低限度的技术要求。
凡本技术文件文件中未规定,但在相关设备的行业标准、国家标准或IEC标准中有规定的规范条文,投标人应按相应标准的条文进行设备设计、制造、试验和安装。
对国家有关安全、环保等强制性标准,必须满足其要求。
1.3 如果投标人没有以书面形式对本技术文件文件的条文提出异议,则意味着投标人提供的设备完全符合本技术文件文件的要求。
如有异议,不管是多么微小,都应在报价书中以“对技术文件文件的意见和同技术文件文件的差异”为标题的专门章节中加以详细描述。
1.4 本技术文件文件所使用的标准如遇与投标人所执行的标准不一致时,按较高标准执行。
1.5 本技术文件文件经建设单位、供货单位双方确认后作为订货合同的技术附件,与合同正文具有同等的法律效力。
、柱上隔离开关额定频率: 50Hz。
额定电压: 12kV。
额定电流: 630A。
绝缘水平: 见下表。
柱上隔离开关额定绝缘水平kV二、柱上真空断路器(一)技术参数1.主要技术参数(见下表)柱上真空断路器主要技术参数2.技术规范(1) 环境条件1) 海拔高度:W 3000m2) 最大风速:30m/s。
3) 环境相对湿度:日平均值95%月平均值90%4) 地震烈度: 8度。
5) 污秽等级: 3级。
使用条件1) 系统电压: 10kV;系统最高电压:12kV;系统额定频率:50Hz;系统中性点接地方式:非有效。
2)安装地点:户外。
3)安装方式:柱上垂直。
(3)技术性能要求1)断路器应在规定的各种工作情况下达到开断性能的要求而不发生拒动或误动。
2)噪声:户外不大于55dBo 3)操动机构。
形式:弹簧机构或永磁电动机构;操作方式:手动操作或电动操作。
4)辅助回路。
辅助回路应能长期承载10A电流,温升不超过GB/T 11022—1999《高压开关设备和控制设备标准的共用技术要求》规定值。
辅助触点10对,其中5对动合触点,5对动断触点,并能按需要改换。
采用阻燃端子,留有15%&用端子排。
5)一次端子。
断路器提供连接导线的板式端子,端子受力:水平750N;垂直500N;横向400N。
断路器端子型式和尺寸应满足GB/T 5273 —1985《高压器、高压电器和套管的接线端子》标准中有关规定。
6)断路器瓷套的爬电距离不小于31mm/kV( 42kV以下)。
7)接地。
每台断路器应装设满足接地热稳定电流要求的接地极板,并配有与接地线连接用的接地螺栓,螺栓的直径不小于12mm8)寿命。
机械寿命(连续操作不调整):10000次;电气寿命:开断100%额定开断短路电流30次。
9)每台断路器配有位置指示器。
合闸为红色;分闸为绿色。
10)所有支架按工程需要要进行热镀锌的防腐处理。
11)有符合国标的铭牌,铭牌用耐腐蚀的材料制成,字样、符号应清晰耐久,铭牌在正常运行时安装位置应明显可见。
10kV 柱上真空断路器技术规范书单位:批准:审核:编制:年月1. 总则2. 引用标准3. 使用条件4. 技术参数5. 技术要求6. 附属设备技术参数及要求7. 质量保证及试验(监造)8. 供货商应提供的供货范围和技术文件9. 包装、运输附录一供方投标文件要求附录二买方提出的技术文件附录三试验大纲附录四售后服务附录五备品备件及专用工具1 总则1.1 本技术规范书适用于10KV 线路户外柱上交流真空断路器,型号为ZW □—12/630 — ( 20〜25kA )带隔离刀闸,它提出了断路器的功能设计、结构、性能、安装和试验等方面的技术要求。
1.2 本规范书提出的是最低限度的技术要求,并未对一切技术细节作出规定,也未充分引述有关标准和规范的条文,卖方应提供符合本规范书和相关标准的优质产品。
1.3 本设备技术规范书所使用的标准如遇与卖方所执行的标准不一致时,按较高标准执行。
1.4 本设备技术规范书经买、卖双方确认后作为订货合同的技术附件,与合同正文具有同等的法律效力。
1.5 本设备技术规范书未尽事宜,由买卖双方协商确定。
1.6 未尽事宜, 由买卖双方协商确定。
2 引用标准GB3ll.1 《高压输变电设备的绝缘配合》GBll022 《高压开关设备通用技术条件》GB2706 《交流高压电器动热稳定试验方法》GB763 《交流高压电器在长期工作时的发热》GB3906 《3〜35KV 交流金属封闭开关设备》SD/T318 《高压开关柜闭锁装置技术条件》DL/T593 《高压开关设备的共用订货技术条件》GB3309 《高压开关设备常温下的机械试验》DL/T486 《交流高压隔离开关和接地开关订货技术条件》DL/T615 交流高压断路器参数选用导则》DL/T403《12Kv 〜40.5kV 高压真空断路器订货技术条件》3 、 使用条件安装场所: 户外 海拔高度 : 1000 米 最高温度: 40 C 最低温度:-40 C最大日平均温差:25 °C8度水平加速度不大于 0.2m/S 2 垂直加速度不大于 0.25m/S 24 、 技术参数 4.1 主要技术参数名称 单位 数据额定电压 kV 12额定电流 A 630额定频率Hz 501min 工频耐压(干试 / 湿试)kV42( 断口 49 )/30污秽等级 :4级空气相对湿度: 日平均相对湿度不大于 95 % 月平均相对湿度不大于 90 %地震裂雷电冲击耐压(峰值)kV75( 断口85 )额定短路开断电流HZ20额定峰值耐受电流kA50DL/T615 交流高压断路器参数选用导则》4S额定短时耐受电流kA20额定短路关合电流(峰值)kA50额定操作顺序分-0.3s-合分-180s-合分机械寿命次10000额定短路电流开断次数次30额定操作电压V220 (DC, AC)辅助回路额定电压V220(DC,AC)过电流脱扣器额定电流A5电流互感器变比A200/5,400/5,600/5 (保护级:3级,测量级:0.5级)操作方式弹簧操作(手动/电动)二次回路1min工频耐压kV 24.2断路器调整后达到的技术数据名称单位数据触头开距mm10 ±1触头超行程mm 2 ±0.5分闸速度m/s 1 ±0.3合闸速度m/s0.6 ±0.2触头合闸弹跳时间ms< 2相间中心距mm340 ±1.5三相分合闸不同期性ms< 2各相导电回路电阻卩Q< 60分闸时间ms < 45动触头允许磨损累计厚度mm 34.3操动机构主要技术数据5、技术要求5.1真空断路器的外壳应为不锈钢外壳。
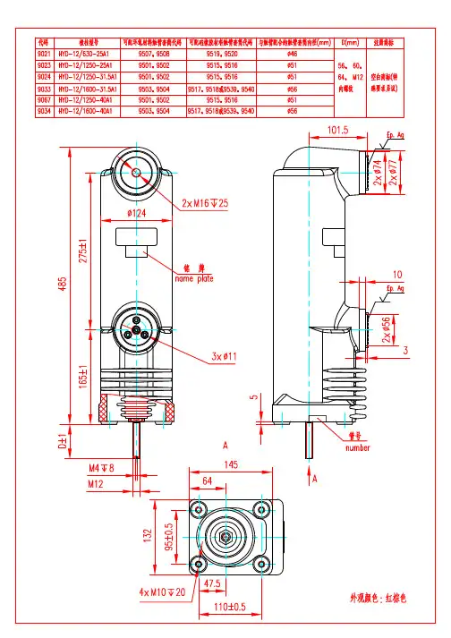
曲咼压真空断路器ZN12-12型户内高压真空断路器ZN12-40.5型户内高压真空断路器ZN65-12型户内高压真空断路器VS1-12型户内高压真空断路器ZN28-12型户内高压真空断路器ZN28A-12型户内高压真空断路器ZW32-12型户外高压真空断路器ZN12-12户内高压真空断路器一、概述ZN12-12型真空断路器为额定电压12kV、三相交流50Hz的户内高压开关设备,是引进德国西门子公司3AF技术的国产化产品。
本断路器的操作机构为弹簧储能式,可以用交流或直流扣作,亦可用手动扣作。
本断路器结构简单,开断能力强,机械寿命长,操作功能齐全,无爆炸危险,维修简便,适于作发电厂、变电所等输配电系统的控制或保护开关,尤其适用于开断重要负荷及频繁操作的场所。
二、使用环境条件海拔高度:低于1000m。
环境温度:最高+40 C,最低-25 C。
相对湿度:日平均不大于95%,月平均不大于90%。
地震烈度:低于8°。
无火灾、爆炸危险,无腐蚀性气体及无剧烈震动的场所。
三、技术参数注:合闸速度指触头最后6mm时的平均速度分闸速度指触头刚分6mm时的平均速度采用小型化纵磁场灭弧室每相回路电阻w 40注:图中尺寸 b2000A 及以上为360, 2000A以下为350 ; 2000A 及以上,上下出线端孔 为4-M12,1600A 及以下,上下出线端孔为 2-M12 。
()内的尺寸为40、50kA 产品尺寸。
e 210 230 250 280 c 610 650 690 750 d 514 554 594 514f 586 626 666 726 g215235255215四、产品外形及安装尺寸寸6? OFF W问一一空40MQ -®-4)-®- U F' U机械联锁孔位置ZN12-40.5户内高压真空断路器一、概述ZN12-40.5型真空断路器为额定电压40.5kV、三相交流50Hz的户内高压开关设备,是引进德国西门子公司3AF技术的国产化产品。
10KV中压真空断路器的选用发布时间:2021-05-07T02:53:14.646Z 来源:《中国电业》(发电)》2021年第1期作者:景启刚[导读] 对中压等级的开断设备选型,被广泛应用,为10KV中压断路器选型的首选设备。
历电自动化科技(镇江)有限公司 21220010KV电压等级是我国配电的主要电压等级,10KV等级中控制开关中,真空断路器由于灭弧能力强,电气寿命长,维护方便,技术含量高等优点,在电力系统建设中,对中压等级的开断设备选型,被广泛应用,为10KV中压断路器选型的首选设备。
一、真空断路器的选择应按额定电流值和额定短路电流值进行选择,应以电网的实际容量为宜,尽可能地克服取值保险系数愈大愈好的倾向。
取值过大不仅造成大马拉小车极不经济的情况,同时也将影响开断小的感性或容性电流性能,导致截流过电压的发生。
据相关文献报导,我国运行中的10kV电网额定电流在2000及以下的约占总馈路数的93.1%,故而对额定工作电流的选择应以2000及以下为主。
对于最大短路电流值的选择应依据“城市网络规划与改造导则”的要求,避免盲目追求过大的保险系数。
目前国内市场上,主要选用的合资品牌断路器主要有施耐德HVX、ABBVD4、西门子3AE等品牌系列;自主品牌的有常熟开关CV1、上联RMVS1、宝光ZN172等系列。
产品质量现在自助品牌与合资品牌相差无几。
二、真空断路器及其特性断路器是带有特殊的灭弧室装置的一种开关电器,能够关合承载和开断正常回路条件下的电流并能关合在规定的时间内承载和开断异常回路条件(如短路条件)下的电流的机械开关装置。
适用于50Hz,3.6kV及以上电压等级的电网中,作为关合和开断负荷电流(一般不大于4000A)、过载电流及额定短路电流用(一般不大于63kA,亦可用作特殊场合关合和开断空载长线,空载变压器及电容器组等,以及在规定的时间内(1s、3s、4s)承载短路电流(一般不大于63kA,关合短路电流(一般不大于160kA)。
10KV柱上真空断路器技术条件型号:ZW32 –12G/630A-20KA (不锈钢外壳)一、使用环境:1.海拔高度:≤1800M2.环境温度:+ 60 ℃~ -30℃3.最大日温差:≤15K4.风速:≤34 m/s5.抗震能力:地面水平加速度0.25g地面垂直加速度0.125g6.覆冰厚度:10mm7.使用地点: 户外二、产品应符合下列标准要求:1.GB1984-89 交流高压断路器2.GB1985-89 交流高压隔离开关和接地开关3.GB11022-89 高压开关设备通用技术条件4.DL406-91 交流自动分段器订货技术条件5.DL/T 402-91 交流高压断路器订货技术条件6.SD317-89 10KV交流自动重合器技术条件三、技术参数要求:1.额定电压:12KV2.额定工作电压:10KV3.额定电流:630 A4.频率50Hz5.额定开断电流:20 KA6.额定关合电流: 50 KA7.额定短时耐受电流: 20 KA8.额定短时耐受电流时间: 4S9.额定峰值耐受电流: 50 KA10.绝缘水平一分钟工频耐压对地42KV(干试)断口48KV雷电冲击耐压对地75KV断口85KV12.外绝缘污秽等级:III级13.主绝缘距离要求: 导体相间及对地≥125mm瓷绝缘爬电比距1.8 cm/KV有机绝缘爬电比距2.0cm/KV绝缘隔板两边距带电体的净距离每边不小于30 mm 14.绝缘材料: 应选用阻燃材料如SMC。
15.断路器机械寿命:10000次16.辅助开关额定电流:DC10A17.断路器合闸时间:≤0.06S(最高操作电压)≤0.1S(最低操作电压) 18.断路器分闸时间:≤0.1S19.断路器合分闸不同期:≤ 2 MS20.断路器弹跳时间:≤ 2 MS21.操作电压的波动范围:65%~120%Un能可靠分闸85%~110%Un能可靠合闸22.断路器应装设指示明显的分合闸位置指示及计数器。
10kv真空断路器参数
一、引言
10kv真空断路器是电力系统中常用的一种开关设备,其主要作用是在电路中的故障情况下自动切断电路,以保护设备和人员安全。
本文将
详细介绍10kv真空断路器的参数。
二、外观参数
1. 外形尺寸:通常为长宽高三个方向,一般为
400mm×300mm×600mm。
2. 重量:一般为30kg左右。
3. 外壳材质:通常采用不锈钢或铝合金材料。
三、电气参数
1. 额定电压:10kV。
2. 额定频率:50Hz或60Hz。
3. 额定电流:通常为630A或1250A。
4. 短时耐受电流:20kA或25kA。
5. 短时稳定电流:16kA或20kA。
四、机械参数
1. 机械寿命:通常为20000次以上,具体取决于使用环境和保养情况。
2. 操作力矩:通常为100N.m左右。
3. 开合时间:通常为40ms以下。
五、环境参数
1. 工作温度范围:-40℃~+60℃。
2. 相对湿度范围:≤95%。
3. 海拔高度范围:≤3000m。
六、其他参数
1. 绝缘水平:达到10kV级别。
2. 防护等级:一般为IP40或IP54。
3. 接线方式:通常为上进下出或上出下进。
七、结论
10kv真空断路器是电力系统中重要的开关设备,其参数包括外观参数、电气参数、机械参数、环境参数和其他参数等。
在使用过程中,需要
根据实际情况选择合适的型号,并根据厂家提供的使用说明书进行正
确使用和保养。
ZW32-12/630-12.5ZW32-12/630-20ZW32-12/T630-12.5ZW32-12/T630-20ZW32-12G/630-12.5ZW32-12G/630-20ZW32-12G/T630-12.5ZW32-12G/T630-20ZW32-12/1250-20ZW32-12G/1250-20ZW32-12系列柱式户外高压真空断路器是三相交流50hz、额定电压12kv的户外高压开关设备。
适用于开断、关合城市或农村配电系统的负荷电流、过载电流和短路电流。
断路器为全新的小型化设计,全封闭结构,独特的灭弧室封装技术,密封性能好、防潮、防凝露,适用于高温潮湿地区。
zw32-12G断路器隔离开关组合电器是由zw32断路器隔离开关两大部分组成。
•主要技术参数名称单位 ZW32-12(G)/1250-20 ZW32-12(G)/T630-16 ZW32-12(G)/T630-20额定电压 kV 12额定电流 A1250 630 630额定短路开断电流 kA 20 16 20额定短中关合电流(峰值) 31.5 40 50额定峰值耐受电流 31.5 40 50额定短时耐受电流 20 16 20额定短路持续时间 S 4额定绝缘水平雷电冲击耐受电压(峰值) kV 相间、对地75,断口851min工频耐受电压相间、对地42,断口48额定操作顺序分 -0.3s- 合 -180s- 合分(电动机构)额定短路电流开断次数次 30机械寿命 10000额定操作电压(分合线圈) v DC220,100, AC220动静头允许磨损累计厚度 mm 3过电流脱扣器额定电流 A 5电流互感器电流比 200/5 400/5 600/5触头开距mm 9±1触头超程2±0.5平均分闸速度m/s 1.2±0.3平均合闸速度0.6±0.2分闸时间 ms 30-60合闸时间 20-40合闸弹跳时间≤20三相分合闸同期性≤2每相回路直流电阻μΩ ≤80储能电机额定电压 V -220额定功率 W 200储能时间S ≤8ZW8-12/630-20ZW8-12G/630-20ZW8-12/1250-25ZW8-12G/1250-25ZW8-12系列真空断路器为额定电压12kV,三相交流50Hz的高压户外开关设备,主要用来开断关农网、城网和小型电力系统的负荷电流、过载电流、短路电流。
10kv户内高压真空断路器型号、参数、选型陕西泰开高压开关制造有限公司(简称“泰开高压开关”原西安高压开关厂分支)是一家专业从事高压真空开关及相关高压产品的研发、生产及销售于一体的重点高新技术企业,高压电器设备骨干企业,从事高压电力设备生产已有三十余年,拥有宽敞的净化生产区,拥有先进的生产设备和完善的高压试验、检测设施,以其优越的性能、技术、精湛的工艺、可靠的质量、优质的服务赢得了广大用户的赞誉,并跟多家合资企业、外资企业建立了长期稳定的合作伙伴关系,我厂专业生产12-40.5KV户内外高压断路器,永磁真空断路器,智能、预付费、小型化、双电源、看门狗等真空断路器,六氟化硫断路器,负荷开关,隔离开关,高压熔断器,避雷器,变压器,高低压成套,电缆分支箱,充气柜,自动化设备电器等高低压电器。
自创建以来一直本着“服务至上“的经营宗旨。
不折不扣做好售前,售中,售后,服务各处细节之点,本顾客之所想,为在电气行业中而努力奋斗不止。
陕西泰开高压开关厂是中国高压开关行业定点生产厂家,已成为我国高压开关设备的研发和生产基地,特别在城网、农网改造和电站改造中一站式供应单位,是国家经贸委城乡电网建设、改造所需设备***的生产企业,坚持走高新技术之路,坚持高新技术产品的研发,近年来陆续开发了10KV智能永磁快速真空断路器,高压智能双电源自动转换装置等,并针对智能电网的新要求,高压断路器本体能更快速地动作,具有更小的分散性、更高的可靠性,终达到同步关合的要求,而随着我国电网不断扩大及用电负荷的迅猛增长,原有10KV电压等级配电网难以满足供电要求,公司适时开发出了24KV户外永磁快速真空断路器,特别是在小型化断路器上有全新的发展,针对35KV真空断路器取得了突破性的成功。
公司将结合对电力设备市场导向的分析,继续并努力开发高新产品。
真空断路器通常可分多个电压等级。
低压型一般用于防爆电气使用。
像煤矿等等。
额定电流达到5000A,开断电流达到50kA的较好水平,并已发展到电压达35kV等级。
110千伏棋盘输变电工程10kV柱上真空断路器技术协议云南电网有限责任公司玉溪供电局2016年5月供货一览表目录➢总则 (4)➢工作范围 (4)2.1 范围和界限 (4)2.2 服务范围 (4)➢应遵循的主要标准 (5)➢使用条件 (6)4.1 正常使用条件 (6)4.2特殊使用条件要求 (7)4.3系统条件要求 (7)➢技术要求 (7)5.1 基本参数 (7)5.2设计与结构要求 (10)5.3专业接口要求 (13)➢试验 (14)6.1型式试验 (14)6.2出厂试验 (14)6.3现场验收试验 (15)➢产品对环境的影响 (15)➢企业VI标识 (15)➢技术文件要求 (15)➢监造、包装、运输、安装及质量保证 (16)10.1监造 (16)10.2包装和运输 (16)10.3安装指导 (16)10.4质量保证 (17)➢总则1.1 本技术文件文件适用于110千伏棋盘输变电工程项目采购的10kV柱上真空断路器,它提出了该设备本体及附属设备的功能设计、结构、性能、安装和试验等方面的技术要求。
1.2 本设备技术文件文件提出的是最低限度的技术要求。
凡本技术文件文件中未规定,但在相关设备的行业标准、国家标准或IEC标准中有规定的规范条文,乙方应按相应标准的条文进行设备设计、制造、试验和安装。
对国家有关安全、环保等强制性标准,必须满足其要求。
1.3 如果乙方没有以书面形式对本技术文件文件的条文提出异议,则意味着乙方提供的设备完全符合本技术文件文件的要求。
如有异议,不管是多么微小,都应在报价书中以“对技术文件文件的意见和同技术文件文件的差异”为标题的专门章节中加以详细描述。
1.4 本技术文件文件所使用的标准如遇与乙方所执行的标准不一致时,按较高标准执行。
1.5 本技术文件文件经建设单位、供货单位双方确认后作为订货合同的技术附件,与合同正文具有同等的法律效力。
1.6 本技术文件文件未尽事宜,由建设单位、供货单位双方协商确定。
高压真空断路器ZN12-12 型户内高压真空断路器ZN12-40.5 型户内高压真空断路器ZN65-12 型户内高压真空断路器VS1-12 型户内高压真空断路器ZN28-12 型户内高压真空断路器ZN28A-12 型户内高压真空断路器ZW32-12型户外高压真空断路器ZN12-12 户内高压真空断路器一、概述ZN12-12 型真空断路器为额定电压 12kV、三相交流 50Hz 的户内高压开关设备,是引进德国西门子公司 3AF 技术的国产化产品。
本断路器的操作机构为弹簧储能式,可以用交流或直流扣作,亦可用手动扣作。
本断路器结构简单,开断能力强,机械寿命长,操作功能齐全,无爆炸危险,维修简便,适于作发电厂、变电所等输配电系统的控制或保护开关,尤其适用于开断重要负荷及频繁操作的场所。
二、使用环境条件海拔高度:低于 1000m。
环境温度:最高+40℃,最低 -25 ℃。
相对湿度:日平均不大于 95%,月平均不大于 90%。
地震烈度:低于8°。
无火灾、爆炸危险,无腐蚀性气体及无剧烈震动的场所。
三、技术参数注:合闸速度指触头最后6mm时的平均速度分闸速度指触头刚分6mm时的平均速度采用小型化纵磁场灭弧室每相回路电阻≤40μΩ四、 产品外形及安装尺寸注:图中尺寸 b2000A 及以上为 360, 2000A 以下为350; 2000A 及以上,上下出线端孔 为 4-M12 , 1600A 及以下,上下出线端孔为 2-M12 。
()内的尺寸为 40、50kA 产品尺寸。
◆表内所列为各项对应尺寸e 210 230 250 280 c 610 650 690 750 d 514 554 594 514 f586 626 666 726 g215235255215ZN12-40.5 户内高压真空断路器一、 概述ZN12-40.5 型真空断路器为额定电压 40.5kV 、三相交流 50Hz 的户内高压开关设备,是 引进德国西门子公司 3AF 技术的国产化产品。
一、柱上隔离开关(1)额定频率:50Hz。
(2)额定电压:12kV。
(3)额定电流:630A。
(4)绝缘水平:见下表。
柱上隔离开关额定绝缘水平kV二、柱上真空断路器(一)技术参数1.主要技术参数(见下表)柱上真空断路器主要技术参数2.技术规范(1)环境条件1)海拔高度:≤3000m。
2)最大风速:30m/s。
3)环境相对湿度:日平均值 95%;月平均值 90%。
4)地震烈度:8 度。
5)污秽等级:3 级。
(2)使用条件1)系统电压:10kV;系统最高电压:12kV;系统额定频率:50Hz;系统中性点接地方式:非有效。
2)安装地点:户外。
3)安装方式:柱上垂直。
(3)技术性能要求1)断路器应在规定的各种工作情况下达到开断性能的要求而不发生拒动或误动。
2)噪声:户外不大于 55dB。
3)操动机构。
形式:弹簧机构或永磁电动机构;操作方式:手动操作或电动操作。
4)辅助回路。
辅助回路应能长期承载 10A 电流,温升不超过 GB/T 11022—1999《高压开关设备和控制设备标准的共用技术要求》规定值。
辅助触点 10 对,其中 5 对动合触点,5 对动断触点,并能按需要改换。
采用阻燃端子,留有 15%备用端子排。
5)一次端子。
断路器提供连接导线的板式端子,端子受力:水平 750N;垂直 500N;横向 400N。
断路器端子型式和尺寸应满足GB/T 5273—1985《高压器、高压电器和套管的接线端子》标准中有关规定。
6)断路器瓷套的爬电距离不小于 31mm/kV(42kV 以下)。
7)接地。
每台断路器应装设满足接地热稳定电流要求的接地极板,并配有与接地线连接用的接地螺栓,螺栓的直径不小于 12mm。
8)寿命。
机械寿命(连续操作不调整):10000 次;电气寿命:开断 100% 额定开断短路电流 30 次。
9)每台断路器配有位置指示器。
合闸为红色;分闸为绿色。
10)所有支架按工程需要要进行热镀锌的防腐处理。
10kV真空断路器型号参数
陕西泰开高压开关制造有限公司
随着城市化进程的加速,大型生活小区的形成以及工业生产的集团化和规模化,为提高供电质量,减少线路损耗,需要高压送电直接进入市区的负荷中心,因而要求大量使用占地面积小、安全可靠的高压开关———真空开关。
真空开关是一种以气体分子极为稀少,绝缘强度很高的真空空间为熄弧介质的新型开关。
其触头是在密封的真空灭弧室内分、合电路的,切断电流时,仅有金属蒸汽离子形成的电弧,而无气体的碰撞游离,因金属蒸汽离子的扩散及再复合过程非常迅速,从而能快速灭弧和恢复原来的真空度,可承受多次分、合闸而不降低开断能力,并且不产生高压气体及有毒气体。
因此具有:体积小,重量轻;动作快,开断容量大;适合频繁操作;无火灾及爆炸危险,不污染环境;寿命长,维修工作量少等优点。
真空开关的工艺水平适合我国企业的制造现状,价格相对较低,非常适合我国的国情,因此得到了普遍的应用。
据统计,我国目前在10kV 级断路器中,真空开关占到80%以上。
在35kV 级,近几年也占到40%以上。
但是,由于真空开关依赖真空实现快速灭弧开断,在检测中也较多出现真空灭弧室漏气、机械特性失调、温升过高等不合格现象,因此在应用真空开关时必须处理好这几个关键问题。
1、真空室漏气
真空灭弧室是真空开关的核心部件,它是采用玻璃或陶瓷作支撑及密封,内部有动、静触头和屏蔽罩,室内有负压,真空度为10-4~10-6 Pa,保证其开断时的灭弧性能和绝缘水平。
随着真空灭弧室使用时间的增长和开断次数的增多,以及受外界
因素的作用,其真空度逐步下降,其开断性能也随之降低,当真空度低于1.3×10-2 Pa 时,将导致开断和关合能力的不稳定。
因此应注意下列几点:
(1)真空灭弧室出厂时的真空度应不低于1.3×10-5 Pa。
(2)出厂前真空开关应经过严格的检查和装配,维修时应紧固灭弧室的各螺栓,以保证其受力均匀。
(3)保证导电杆同心度的设计。
如果可动导电杆同心度调整不当,将使陶瓷、法兰—————金属封接强度不够稳定,致使真空灭弧室漏气。
在错误的操作过程中,易引起波纹管的扭曲变形。
为防止这种现象,在动导电杆的导向套部位可采用六边形设计,花键连接设计。
(4)不得用任何外力碰撞真空灭弧室,严禁敲击、手拍打,搬动及维护时不得受力。
禁止把任何东西放在真空开关上,以防止落下时打坏真空灭弧室。
(5)装调时如果发现螺纹配合不良,应查原因后再处理,不要用很大力气去拧动真空灭弧室,防止波纹管受到损伤。
(6)严格控制触头行程。
不能误以为开距大对灭弧有利,而随意增加真空开关的触头行程。
因为真空开关的行程比较短。
一般额定电压为10~15kV 的真空开关触头行程仅为8~12mm,触头超行程仅为2~3mm。
如果过多地增加触头的行
程,会使开关合闸后,在波纹管上产生过大的应力,引起波纹管损坏,破坏开关密封外壳内的真空。
分闸缓冲器的回弹不应过大,过大会影响波纹管的寿命。
(7)合理的选择使用和储存环境,真空灭弧室的存放和使用环境中应无化学腐蚀性气体存在。
真空灭弧室的波纹管大多数都是采用0.1~0.15mm 厚度的不锈钢液压成型的。
高压真空开关应用环境的污秽等级、湿度、盐雾等选择不够合适,有害气体、凝露造成波纹管点状腐蚀,导致波纹管和盖板及封接面的漏气。
(8)定期进行42kV 工频耐压试验。
新装后和运行中应结合验收和季节或年度性预防性试验对真空灭弧室断口进行工频耐压试验以检验其真空度。
(9)监控触头磨损值,当动静触头的总磨损量达到制造厂规定值时应更换真空灭弧室。
真空灭弧室的触头接触面在经过多次开断电流后会逐渐磨损,触头行程增大,也就相当波纹管的工作行程增大,因而波纹管的寿命会迅速下降,通常允许触头磨损最大值为3mm 左右。
为了能够准确地控制每个真空灭弧室触头的磨损值,必须从灭弧室开始安装使用时起,每次预防性试验或维护时,就准确地测量开距和超程并进行比较,当触头磨损后累计减小值就是触头累计磨损值。
当累计磨损值达到或超过此值,真空灭弧室的开断性能和导电性能都会下降,真空灭弧室的使用
寿命即已到期。
新一代高压真空开关普遍使用纵向磁场灭弧原理和铜铬触头材料,以减少触头烧损和提高电气使用寿命。
2、操动机构配合
开关的分、合动作是通过操动机构来实现的,操动机构的工作性能和质量的优劣,对高压开关的工作性能起着极为重要的作用。
真空开关由于其真空灭弧性能的优异,使其开断速度和电寿命大大增加。
因此,与其配合的操动机构的机械动作性能及可靠性就成了较为突出的问题。
在实际安装和调试过程中,应做到:
(1)严格进行交接验收。
真空开关出厂前已做过试验,但在运往现场安装完毕后,必须进行有关参数的复核。
以防止设备在运输中的变化,特别是操动机构与真空开关连接后的问题。
主要复测的参数有:合闸弹跳,分闸同期,开距,超程,合、分闸速度,合、分闸时间,直流接触电阻,断口绝缘水平。
(2)重视缓冲特性的调整。
操动机构在高压真空开关机械结构中是最为复杂、精度要求最高的部分,为了保证高压真空开关的可靠性,一般采取分装式结构,即将操动机构与开关主体二者分开,由生产条件比较好的工厂集中生产操动机构,然后再将机构的输出轴与开关合而为一,所以机械参数的合理配置与调整,
直接关系到高压真空开关的技术性能和机械寿命。
满意的缓冲特性应该是运动部件接触缓冲瞬间,缓冲器提供较小的反力,随着缓冲距离的增加,缓冲特性迅速变陡,最大可能地吸收分离能量,达到限制分闸反弹和分闸行程的目的。
(3)严格控制真空开关的合、分闸速度。
真空开关的合闸速度过低时,会由于预击穿时间加长,而增大触头的磨损量。
又由于真空开关灭弧室一般采用铜焊工艺,并且经高温下去气处理,所以它的机械强度不高,耐振性差。
如果开关合闸速度过高会造成较大的振动,还会对波纹管产生较大冲击,降低波纹管寿命。
通常真空开关的合闸速度为0.6~2m/s,对一定结构的真空开关有着最佳合闸速度。
真空开关断路时的燃弧时间短,其最大燃弧时间不超过1.5 个工频半波,因此,需要严格控制开关的分闸速度。
此外,要求真空开关的分闸缓冲器与合闸缓冲器有较好的特性,尽量减轻分闸或合闸时的冲击力,以保护真空灭弧室的使用寿命。
3、温升
高压真空开关的回路电阻是影响温升的主要原因,而灭弧室的回路电阻通常要占高压真空开关回路电阻的50%以上。
触头间的接触电阻是真空灭弧室回路电阻的主要组成部分,因为触头系统密封于真空灭弧室内,触头与外壳之间的真空形成了热绝缘,所以触头和导电杆上的热量只能通过动、静导电杆向外部传
导散热。
真空灭弧室静端直接与静支架相连,动端则通过导电夹、软连接与动支架相连。
因动端连接环节较多,导热路径较长,所以高压真空开关温升的最高点多集中于动导电杆与导电夹搭接部位。
在实际应用中,有效的利用静端有利于散热的元件,迫使触头间隙热量较多的从静端导出,分流动端的热量,是解决高压真空开关温升偏高的有效措施。
4、结论
真空开关优越的技术应用特性,得到了广大用户的普遍认可,随着经济建设的持续增长,今后将得到越来越广泛的应用。
在实际工作中使用和调试真空开关时应认真解决真空室漏气、操动机构配合、温升等关键质量问题,才能充分发挥真空开关优势。