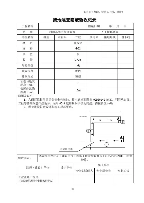
接地装置隐蔽验收记录
- 格式:doc
- 大小:167.50 KB
- 文档页数:6
避雷及接地装置接地隐蔽工程验收记录GB50303—2002 技06-04-工程名称雅美新居6#住宅楼子分部工程名称防雷及接地施工单位新乡市获嘉建筑安装工程总公司验收日期2005.设计单位及图纸编号河南省机电设计院电施-1、4类别部位名称材质规格数量连接方法长度(m)埋深(m)排列形式顶端与地表距离(m)利用基础的接地装置条基钢筋12107焊接0.15地圈梁钢筋12焊接筏板立柱(引上线)钢筋147焊接0.15人工接地装置接地体镀锌扁铁-40*4 2 焊接-0.8 接地母线引上线示意图及说明:1、利用基础周边钢筋通焊,搭接12D单面焊。
2、作为引下线的GZ四根通焊与基础钢筋搭接12D单面焊。
3、各类金属管道按规范要求与地网导通。
4、从建筑物北立面东西两角室外地坪-0.8处从引下线焊接引出-40*4镀锌扁铁引至室外散水外0.5以备人工重复接地.施工单位监理(建设)单位验收意见:符合设计及规范要求验收意见:项目专业工长(施工员):项目专业质量检查员:项目专业监理工程师:2005年月日(公章)年月日(公章)郑州市工程质量监督站监制电线、电缆导管隐蔽工程验收记录电线、电缆导管隐蔽工程验收记录GB50303—2002 技电线、电缆导管隐蔽工程验收记录验收意见:符合设计及规范要求。
验收意见:项目专业工长(施工员):项目专业质量检查员:项目专业监理工程师:2005年月日(公章)年月日(公章)避雷及接地引线(侧击雷)隐蔽工程验收记录GB50303—2002 技06-05-工程名称雅美新居6#住宅楼子分部工程名称防雷及接地施工单位新乡市获嘉建筑安装工程总公司验收日期2005.设计单位及图纸编号河南省机电设计院电施-1、4类别部位层段或标高(m)材质规格数量连接方法引线GZ 一层○A/○2、○12钢筋14 7 电渣压力焊○D/○1、○13○E/○3、○6、○11侧击雷外窗均压环接闪器示意图及说明:1、施工详见电施-1、4。
接地装置隐蔽工程验收记录一、验收基本情况项目名称:接地装置隐蔽工程验收工程地点:XX省XX市建设单位:XX公司施工单位:XX公司二、验收人员本次验收的人员有:1.建设单位的负责人2.施工单位的负责人3.监理单位的负责人4.监测单位的负责人三、验收内容本次隐蔽工程验收主要包括以下内容:1.接地电阻测试2.金属接地体埋深测试3.接地装置与设备的连接验收4.接地体材料检查5.接地装置的接线检查四、验收结果1.接地电阻测试结果:按照相关规范要求,工程施工单位在验收前完成了接地装置的安装工作,并正确连接了各个接地体。
接地电阻测试结果符合规范要求,满足了安全使用的要求。
2.金属接地体埋深测试结果:施工单位按照设计要求,确保接地体的埋深符合规定。
经过测试,埋深达到了规范要求,能够有效地提供接地保护功能。
3.接地装置与设备的连接验收结果:施工单位完成了接地装置与设备之间的连接工作,并经过验收,连接牢固,无松动现象,符合相关规范要求。
4.接地体材料检查结果:材料检查有经验的质检人员按照设计要求进行了检查,并对检测结果进行了记录。
检查结果符合规范要求,各接地体均采用金属材料,质地坚固,不易腐蚀,能够保证长期可靠地提供接地功能。
5.接地装置的接线检查结果:按照设计要求,施工单位对接地装置的接线进行了检查,检查结果符合规范要求,并与相关设备的接线图一致。
五、存在的问题及处理意见经验收,发现存在以下问题:1.部分接地体埋深不达标:部分接地体的埋深未达到设计要求,需要及时处理,确保埋深达到规范要求。
2.部分接地装置与设备连接不牢固:部分接地装置与设备的连接存在松动现象,需要重新进行固定,确保连接牢固可靠。
3.部分接地体材料不符合规范要求:部分接地体的材料质量不符合规范要求,需要更换合格材料,确保接地体的质地坚固,不易腐蚀。
针对以上存在的问题,我们提出如下处理意见:1.针对未达标的接地体埋深问题,施工单位将重新挖掘并降低埋深,确保埋深达到设计要求。
避雷及接地装置接地隐蔽工程验收记录
一、验收单位:验收单位:年月日
二、工程概况:
项目名称:
项目地点:
施工单位:
监理单位:
设计单位:
三、施工工艺及材料:
1.避雷器型号及规格:
2.避雷接地装置类型:
3.接地材料:
四、隐蔽工程验收:
1.开挖接地体验收
a.开挖接地体位置与尺寸是否符合设计要求?
b.开挖接地体深度是否符合设计要求?
c.接地体底部是否平整?
d.接地体周围是否有明显的裂缝或变形?
e.接地体底部是否碾压整平?
2.接地体材料验收
a.接地体材料是否符合设计要求?
b.接地体连接件是否齐全、无损坏?
3.埋设接地体验收
a.接地体埋设是否符合设计要求?
b.接地体周围是否有外来物或建筑垃圾?
4.接地装置与避雷器验收
a.避雷器安装位置是否符合设计要求?
b.避雷器安装固定是否牢固?
c.避雷器引下线安装高度是否符合规范要求?
d.接地网布置是否合理?
e.接地装置与设备之间的连接是否良好?
五、验收结论:
1.验收合格
2.验收不合格,需要重新整改。
六、存在的问题及整改要求:
1.问题描述:
2.整改要求:
七、其他事项:
1.验收人员签名:
2.监理单位签字:
3.施工单位签字:
4.设计单位签字:
以上是避雷及接地装置接地隐蔽工程的验收记录,如有不足之处,请多多指教。
接地装置安装隐蔽工程检查验收记录项目名称:XXX工程
检查验收单位:XXX公司
检查验收日期:XXXX年XX月XX日
一、检查对象
本次检查验收的对象为XXX工程中的接地装置的安装隐蔽工程。
二、检查内容及方法
1.检查内容
(1)接地装置的材料及规格是否符合相关标准;
(2)接地装置的安装位置和数量是否满足设计要求;
(3)接地装置的焊接质量是否合格;
(4)接地装置的接地电阻是否符合标准要求;
(5)接地装置与其它金属构件的连接是否可靠。
2.检查方法
(1)实地勘察,与设计文件进行对照检查;
(2)视觉检查,对焊缝进行目测检验;
(3)采用专业测试仪器对接地电阻进行测量;
(4)对接地装置与其它金属构件的连接进行拉拔试验。
三、检查验收结果
1.接地装置的材料及规格符合相关标准,安装位置和数量满足设计要求。
2.接地装置的焊接质量经视觉检查合格,焊缝均匀且牢固。
3.经过使用专业测试仪器测量,接地装置的接地电阻值为XXXΩ,符合标准要求。
4.接地装置与其它金属构件的连接牢固可靠,通过拉拔试验没有出现松动现象。
四、检查验收结论
本次接地装置安装隐蔽工程经检查验收,符合设计要求和相关标准。
验收单位认为,接地装置安装工程合格。
五、存在问题及整改要求
在接地装置安装隐蔽工程的过程中,未发现任何问题,不需要进行整改。
六、检查验收单位意见
经检查验收,接地装置安装隐蔽工程合格。
七、工程负责人签名:
八、检查验收单位负责人签名:。
基础接地装置隐蔽验收记录项目名称:XXX工程验收单位:XXX公司验收人员:XXXX验收时间:XXXX年XX月XX日一、接地装置基础隐蔽验收工作内容:1.查看接地装置的隐蔽施工图纸和相关技术文件,确保安装符合设计要求。
2.检查接地装置材料的质量和合格证明,包括接地体、接地线、接地箱等。
3.检查基础接地装置的施工质量,包括基础的混凝土浇筑质量、接地体定位和安装位置是否准确等。
4.检查接地线的施工质量,包括焊接点的牢固性、接地线的贯穿管道的情况以及绝缘处理等。
5.检查接地箱的施工质量,包括接地箱的安装位置、连接线的质量和穿线的完整性等。
6.检查接地装置的连接性能,包括使用专业仪器测试接地电阻的值,确保其符合设计要求。
7.检查接地装置的防腐蚀措施,包括接地体的防腐涂层和接地线的防腐处理等。
8.检查接地装置的可靠性和安全性,包括对接地装置的拉力和振动测试等。
二、基础接地装置隐蔽验收结果:1.接地装置的施工质量良好,符合设计要求。
2.接地装置的材料质量合格,安装工艺正确。
3.接地装置的连接性能符合设计要求,接地电阻值满足要求。
4.接地装置的防腐蚀措施完好,可以有效防止腐蚀损坏。
5.接地装置的可靠性和安全性良好,经过拉力和振动测试后未观察到异常情况。
三、基础接地装置隐蔽验收结论:根据以上的隐蔽验收结果,确认基础接地装置的施工质量良好,符合设计和验收要求。
经过测试和检查,接地装置的连接性能、防腐蚀性能以及可靠性和安全性均符合规范要求。
四、基础接地装置隐蔽验收备注:1.相关技术文件和验收记录全面齐全,所有工作都能通过合格证明。
2.验收过程中未发现任何质量问题或安全隐患。
3.注意接地体的良好接地性和接地线的良好接触性。
以上是一份基础接地装置隐蔽验收记录的示例,具体内容可以根据实际情况进行调整和补充。
在实施隐蔽验收过程中,应充分重视施工质量和安全性,确保接地装置的可靠性,以保障电气设备和人员的安全。
津资K—D5—6填写说明
一、一般说明:
1.接地装置、防雷工程中的人工接地体暗敷工程,应做隐蔽检查验收并记录。
2.人工接地体应按不同安装方式,分别记录在不同表内;相同安装方式的每组接地体,应分别记录在同一表的各栏
内。
二、栏目说明:
1.“接地名称”栏:指其功能名称,即工作、保护、重复、总等电位联结、防静电、屏蔽、避雷和智能建筑各系统
接地。
2.“安装位置”栏:填写接地体引入建筑物的位置。
3.“垂直接地体”、“水平接地(连接)体”栏:垂直和水平接地体的规格含长度,水平连接体不记录长度。
4.“水平与垂直接地体连接结点图”栏:应绘制水平与垂直接地体连接结点的立体或俯、侧视图。
5.“接地体形状位置平面图”栏:应绘制接地体平面敷设形状及位置图,同一建筑物的各组画在一图上,画图要求
见范表。
基础接地隐蔽验收填写记录
基础接地隐蔽验收填写记录应包括以下内容:
1. 工程名称、工程编号、验收部位、验收日期等基本信息。
2. 施工单位、项目经理、技术负责人等参与验收的人员信息。
3. 接地装置的规格、型号、数量等基本信息。
4. 接地电阻的测试记录及测试结论。
5. 隐蔽工程的施工过程描述,包括施工方法、施工材料、施工顺序等。
6. 验收结论,包括是否符合设计要求和相关规范,是否满足安全使用要求等。
7. 验收人员签字及验收意见。
以上内容仅供参考,具体填写可根据实际情况进行调整。
同时,填写时应认真仔细,保证信息的真实性和准确性。