注射液用卤化丁基橡胶塞外观及其尺寸
- 格式:doc
- 大小:53.50 KB
- 文档页数:11
卤化丁基橡胶塞规格尺寸【摘要】卤化丁基橡胶塞是一种常用的密封材料,在各种工业应用中广泛使用。
本文介绍了卤化丁基橡胶塞的规格尺寸相关内容。
首先介绍了测量方法,然后详细解释了标准规格尺寸和常见尺寸。
文章还探讨了定制需求和注意事项。
卤化丁基橡胶塞的规格尺寸应用非常广泛,质量可靠,具有良好的发展前景。
无论在哪个行业,卤化丁基橡胶塞都是一种非常值得信赖的材料,能够为生产和加工提供有效的支持和保障。
通过了解和遵循相关规格尺寸的标准和注意事项,可以确保卤化丁基橡胶塞的使用效果和安全性。
在未来的发展中,卤化丁基橡胶塞将继续发挥其重要作用,为各行各业带来更多的便利和优势。
【关键词】卤化丁基橡胶塞、规格尺寸、测量方法、标准、常见尺寸、定制需求、注意事项、应用广泛、质量可靠、未来发展前景1. 引言1.1 卤化丁基橡胶塞规格尺寸介绍卤化丁基橡胶塞规格尺寸是指制造卤化丁基橡胶塞时所需遵循的尺寸标准和规格要求。
卤化丁基橡胶塞是一种常用的密封材料,具有较好的耐热、耐腐蚀和耐老化性能,广泛应用于医药、化工、食品等行业中。
在制造卤化丁基橡胶塞时,规格尺寸的准确性至关重要。
需要进行规格尺寸的测量,确保符合标准要求。
测量方法通常包括使用卷尺、卡尺等工具进行准确测量,并对测量结果进行记录和核对。
卤化丁基橡胶塞的规格尺寸标准也非常重要。
不同行业、不同用途的卤化丁基橡胶塞可能有不同的尺寸标准,因此在选择材料和制造工艺时,需要遵循相应的标准要求。
常见的卤化丁基橡胶塞规格尺寸包括直径、高度、材料厚度等参数。
定制需求时,可以根据具体应用需求进行个性化设计,确保符合用户的实际使用情况。
在使用卤化丁基橡胶塞时,需注意尺寸的匹配和安装作业,避免尺寸不合适导致的密封不严密或安装困难等问题。
定期检查和维护也是保证卤化丁基橡胶塞规格尺寸准确的重要措施。
卤化丁基橡胶塞规格尺寸的准确性对产品质量和使用效果有着重要影响。
对于未来发展前景,随着科技进步和工艺改进,卤化丁基橡胶塞规格尺寸的标准化和个性化定制将更加完善,应用范围也将进一步拓展。
注射用无菌粉末用卤化丁基橡胶塞检测规程背景注射用无菌粉末用卤化丁基橡胶塞广泛用于注射器和输液袋等制品中,它可作为连接容器和导管的关键结构部件。
卤化丁基橡胶塞的主要特性是耐高温,耐腐蚀,有弹性,可以确保药品在运输和储存过程中不受污染。
然而,如果橡胶塞发生变质,会给药品带来潜在的风险,因此在生产过程中应采取措施检测橡胶塞的合格率。
目的本规程旨在确保注射用无菌粉末用卤化丁基橡胶塞的质量达到规定标准,同时规范橡胶塞的生产和检验程序,从而保障注射器和输液袋等制品的安全。
检测项目外观•橡胶塞的颜色应当一致,无明显杂质和裂痕;•橡胶塞的表面平整光滑,无肉眼可见的破损、斑点和凹凸;•橡胶塞与容器、导管的连接处应无漏水、渗水、漏气现象。
硬度应使用硬度计测定卤化丁基橡胶塞的硬度,符合以下标准:•硬度指数在65~80之间;•制品硬度测量应在20℃±5℃的温度下测定。
过氧化值应使用过氧化值法测量卤化丁基橡胶塞的过氧化值,符合以下标准:•过氧化值小于或等于5mmol/k;•按比色法检测和反应检测的结果应符合国家标准。
含氟量应使用热滴定法测定卤化丁基橡胶塞的含氟量,符合以下标准:•含氟量应小于或等于0.1%;•按国家标准进行测定。
溶出物应使用合适的方法检测卤化丁基橡胶塞的溶出物,符合以下标准:•没有明显的异味,不含易溶解的杂质,不影响药品的有效成分;•滴定酸、盐酸、水和其他相关物质的溶出物含量符合国家标准。
检测程序样品准备应根据国家标准和药品的特殊需求选择合适的规格和型号的注射器。
外观检查将样品分别进行外观检验,包括塞口外观、塞体外观、连接处外观。
记录缺陷、杂质和裂痕等情况。
硬度检测取符合要求的橡胶塞样品,将其放置在20℃±5℃的环境中,保持10分钟后,进行硬度测定。
过氧化值检测取符合要求的橡胶塞样品,使用过氧化值法测定其过氧化值,测定结果符合国家标准。
含氟量检测取符合要求的橡胶塞样品,使用热滴定法测定其含氟量,测定结果符合国家标准。
药用氯化丁基橡胶塞标准(试行)YBB 00042002本标准适用于直接与注射剂接触的氯化丁基橡胶塞。
【外观】取本品数个,目视检测,表面色泽应均匀,不得有污点、杂质、气泡、裂纹、缺胶、粗糙、胶丝、胶屑、海绵状、毛边;不得有除边造成的残缺或锯齿现象;不得有模具造成的明显痕迹。
【鉴别】(1)称取本品5~20g,置于干燥的试管中,将长约4毫米的钠片一片置于固定并倾斜的试管中,使其恰好位于试样之上,用火焰的尖端加热试管,将钠融化在试样上,继续加热2分钟,使呈深红色,冷却后加入乙醇,将过剩的钠醇化,加水约10ml溶解,过滤,滤液备用。
A:取滤液1.5ml置于试管中,加硝酸酸化,煮沸1~2分钟,加入硝酸银1滴,应产生白色沉淀。
B:取滤液0.2ml,置于微量试管中,加氯仿1滴,加稀硫酸1滴,加薪配置的氨水1滴(或3%H2O2溶液2~3滴),经振荡混匀后,静止5分钟,氯仿层应不显色。
(2)红外光谱取本品约3g切成3mm×3mm小块置索氏抽提器中用丙酮或适宜的溶剂回流浸提8小时,取残渣80℃烘干,取0. 1~0.2g置于裂解管的底部,然后用试管夹水平的将裂解管移到酒精灯上加热,当出现裂解产物冷凝在裂解管冷端时,再继续加热至裂解基本完全但没碳化为止,取少许裂解物滴在溴化钾片上,在80℃烘干,照分光光度法(《中华人民共和国药典》2000年版二部ⅣC)测定,应与对照图谱基本一致。
【穿刺落屑】输液瓶用胶塞:取10只被测胶塞和10只已知穿落屑数的胶塞分别装在与其相配的输液瓶上,每只瓶中注入半瓶水。
加上铝盖,用手动封盖机封口,打开铝盖穿刺部位。
按先被测胶塞再已知穿刺落屑数胶塞的顺序交替穿刺胶塞。
穿刺时,胶塞保持直立,握持金属穿刺器(见图1)垂直向胶塞标记区域内穿刺,晃动数秒后拨出穿刺器。
每次穿刺前用丙酮或甲基—异丁基酮擦拭穿刺器。
穿刺器不得有损坏,并保持锋利(如穿器损坏,须换用新的)。
直至所有胶塞胶被穿刺一次。
取下被测胶塞,将瓶中水全部通过快速滤纸过滤,确保瓶中不残留落屑。
注射用xx无菌粉末用溴化丁基橡胶塞本标准适用于直接与注射用冷冻干燥无菌粉末接触的溴化丁基橡胶塞的检验。
【外观】取本品数个,照附表检查法检查,应符合规定。
【鉴别】*(1)取本品适量剪成小颗粒,称取2.0g,置于30ml坩埚中,加碳酸氢钠2.0g均匀覆盖试样,置电炉上,缓缓加热至炭化,放冷,置高温炉300℃加热至完全灰化,取出,放冷,加水10ml使溶解,过滤,取滤液1.5ml,置于试管中,加硝酸酸化,加入硝酸银试液1滴,应产生淡黄色沉淀。
(2)除另有规定外,照包装材料红外分光光谱测定法(YBB)第四法测定,应与对照图谱基本一致。
【穿刺落屑】取本品10个,照注射剂用胶塞、垫片穿刺落屑测定法(YBB)第二法对照法测定,落屑数应不得过5粒。
【穿刺力】取本品10个,照注射剂用胶塞、垫片穿刺力测定法(YBB)第二法测定,穿刺瓶塞所需的力均不得过10N。
【胶塞与容器密合性】取本品10个,置烧杯中,加水5分钟,取出,在70℃干燥1小时,备用。
另取10个与之配套的注射液瓶,加水至标示容量,用上述胶塞、垫片塞紧或封紧,再加上与之配套的铝盖或铝塑盖,压盖。
放入高压灭菌器中,121℃±2℃,保持30分钟,冷却至室温,放置24小时,将上述样品倒置,放入含有10%亚甲兰溶液的容器中,置于带抽气着装置的容器中,抽真空度为25kPa,维持30分钟,真空装置恢复至常压,再放置30分钟,取出,用水冲洗瓶外壁,观察,亚甲兰溶液不得渗入瓶内。
【自密封性】取胶塞与容器密合性项下样品,采用符合注射剂用胶塞、垫片穿刺力测定法(YBB)第二法中注射针,向胶塞不同穿刺部位垂直刺穿胶塞,每个胶塞穿刺3次,每穿刺10次后更换注射针。
将上述样品倒置,放入含有10%亚甲兰溶液的容器中,置于带抽气着装置的容器中,抽真空度为25kPa,维持30分钟,真空装置恢复至常压,再放置30分钟,取出,用水冲洗瓶外壁,观察,亚甲兰溶液不得渗入瓶内。
【水分】取经105℃干燥2小时后的胶塞约2.0g,将其剪碎,精密称定,置已于105℃恒重的称量瓶中,经105℃干燥2小时后再次精密称定,减失重量不得过0.3%。
注射液用卤化丁基橡胶塞外观及其尺寸(doc 8页)更多企业学院:《中小企业管理全能版》183套讲座+89700份资料《总经理、高层管理》49套讲座+16388份资料《中层管理学院》46套讲座+6020份资料《国学智慧、易经》46套讲座《人力资源学院》56套讲座+27123份资料《各阶段员工培训学院》77套讲座+ 324份资料《员工管理企业学院》67套讲座+ 8720份资料《工厂生产管理学院》52套讲座+ 13920份资料《财务管理学院》53套讲座+ 17945份资料《销售经理学院》56套讲座+ 14350份资料《销售人员培训学院》72套讲座+ 4879份资料中国医药包装协会标准YBX-xxxx-xxxx注射液用卤化丁基橡胶塞外观及尺寸(征求意见稿)200x-xx-xx发布200x-xx-xx实施中国医药包装协会发布前言本标准由中国医药包装协会提出本标准由XXXXXXXXXXXXXXX公司起草本标准起草人:XXX本标准由中国医药包装协会负责解释本标准于200x年xx月xx日首次发布注射液用卤化丁基橡胶塞外观及尺寸1 范围本标准规定了注射液用卤化丁基橡胶胶塞的胶塞结构、规格尺寸及公差、检测方法、检验规则。
本标准适用于以氯化丁基橡胶或溴化丁基橡胶为主要原料制造的一次性使用的输液胶塞(以下简称“胶塞”)。
本标准是对YBB00042005注射液用卤化丁基橡胶塞标准的完善,作为质量验证应同时使用。
2 规范性引用文件下列标准中的条款通过本标准的引用而成为本标准的条款。
凡是注明日期的引用文件,其随后所有的修改单(不包括勘误的内容)或修订版不适于本标准,然而,鼓励根据本标准达成协议的各方研究是否可使用这些文件的最新版本。
凡是不注明日期的引用文件,其最新版本适于本标准。
GB/T2828.1-2003 逐批检查计数抽样程序及抽样表(适用于连续批的检查)ISO 8536-2 医用输液器具第二部分:输液瓶塞YBB00012004 低硼硅玻璃输液瓶YBB00042005 注射液用卤化丁基橡胶塞3 胶塞结构及尺寸3.1 结构如下图所示。
注射用无菌粉末用卤化丁基橡胶塞1 主题内容与适用范围本标准规定了注射用无菌粉末用卤化丁基橡胶塞的产品分类、技术要求及试验方法、检验规则、标志、包装、运输和贮存。
本标准适用于以氯化丁基橡胶、溴化丁基橡胶为主要原材料制造的直接与注射用无菌粉末接触的氯化或溴化丁基橡胶塞(以下简称“胶塞”)。
2 引用标准下列文件中的条款通过本标准的引用而成为本标准的条款。
凡是注日期的引用文件,其随后所有的修改单(不包括勘误的内容)或修订版均不适用于本标准,然而,鼓励根据本标准的使用各方研究是否可使用这些文件的最新版本。
凡不注日期的引用文件,其最新版本适用于本标准。
GB 191-2000 包装储运图示标志GB/T 2828.1-2003 计数抽样检验程序第1部分:按接收质量限(AQL)检索的逐批检验抽样计划GB 6543 瓦楞纸箱GB 6682 实验室用水规格YBB00022003 热原检查法YBB00032003 溶血检查法YBB00042003 急性全身毒性检查法。
YBB00052005 注射用无菌粉末用卤化丁基橡胶塞中华人民共和国药典—2005年版二部ISO8362-2 注射剂用弹性件丁基橡胶注射剂瓶塞ISO8871 注射剂用弹性件通用要求3 产品分类3.1 胶塞按所配套的瓶子类型分为A型、B型两种。
3.2标记示例符合本标准要求:产品型式+冠部结构+内针刺圈结构+胶种例如:型式A型,公称尺寸20mm,冠部采用结构形式为:双圈,内针刺圈直径大于3㎜、颈部直径13.2±0.10㎜的注射用无菌粉末用卤化丁基橡胶塞标记为:20-A Q4 技术要求及试验方法4.1尺寸:因胶塞产品属弹性体,所以测量方法使用通过性测量方式。
将测量精度为0.02mm的游标卡尺或精度为0.01㎜数显卡尺尺寸定位在各种测量项目尺寸下限,通过的为不合格;然后将卡尺尺寸定位在尺寸上限,通不过的为不合格;其余为尺寸合格产品。
应符合表1及下发的图纸要求。
中国医药包装协会标准YBX-xxxx-xxxx注射液用卤化丁基橡胶塞外观及尺寸(征求意见稿)200x-xx-xx发布200x-xx-xx实施中国医药包装协会发布前言本标准由中国医药包装协会提出本标准由XXXXXXXXXXXXXXX公司起草本标准起草人:XXX本标准由中国医药包装协会负责解释本标准于200x年xx月xx日首次发布注射液用卤化丁基橡胶塞外观及尺寸1 范围本标准规定了注射液用卤化丁基橡胶胶塞的胶塞结构、规格尺寸及公差、检测方法、检验规则。
本标准适用于以氯化丁基橡胶或溴化丁基橡胶为主要原料制造的一次性使用的输液胶塞(以下简称“胶塞”)。
本标准是对YBB00042005注射液用卤化丁基橡胶塞标准的完善,作为质量验证应同时使用。
2 规范性引用文件下列标准中的条款通过本标准的引用而成为本标准的条款。
凡是注明日期的引用文件,其随后所有的修改单(不包括勘误的内容)或修订版不适于本标准,然而,鼓励根据本标准达成协议的各方研究是否可使用这些文件的最新版本。
凡是不注明日期的引用文件,其最新版本适于本标准。
GB/T2828.1-2003 逐批检查计数抽样程序及抽样表(适用于连续批的检查)ISO 8536-2 医用输液器具第二部分:输液瓶塞YBB00012004 低硼硅玻璃输液瓶YBB00042005 注射液用卤化丁基橡胶塞3 胶塞结构及尺寸3.1 结构如下图所示。
图1:26B系列胶塞结构示意图图2:28B胶塞结构示意图图3:32A系列胶塞结构示意图3.2 尺寸及公差应符合表1的规定。
注:规格尺寸可按用户要求设计生产,但胶塞塞颈不应小于26B系列规格4 外观质量4.1胶塞的外观应符合下列规定:a.与药液接触表面及穿刺圈内不许有污点、杂质;b.表面不许有可移动污点、杂质;c.表面不应有气泡、裂纹;d.表面不应有缺胶、粗糙;e.表面不应有胶丝、胶屑、海绵状、毛边;f.不应有模具造成的明显痕迹;g.表面的色泽应均匀。
冷冻干燥卤化丁基橡胶塞标准冷冻干燥卤化丁基橡胶塞标准1. 冷冻干燥卤化丁基橡胶塞的定义冷冻干燥卤化丁基橡胶塞是一种用于医药领域的塞子材料,具有较高的化学稳定性和耐用性。
它通常用于药品瓶口的密封,以确保药品的质量和安全性。
2. 冷冻干燥卤化丁基橡胶塞的特性- 化学稳定性:冷冻干燥卤化丁基橡胶塞具有很高的化学稳定性,能够在各种药物成分的环境下保持其原有的性质,不会因受到药物成分的影响而发生变化。
- 耐用性:由于其优良的耐腐蚀性和抗老化性能,冷冻干燥卤化丁基橡胶塞能够在长期使用中保持其原有的弹性和密封性能。
- 密封性:冷冻干燥卤化丁基橡胶塞具有较好的密封性能,能够有效地防止外界空气和微生物的进入,保证药品的质量和安全性。
3. 冷冻干燥卤化丁基橡胶塞的标准目前,冷冻干燥卤化丁基橡胶塞的生产和使用已经被纳入了相关的国际标准和行业标准中。
这些标准主要包括了对于原材料的要求、制造工艺的规范、产品性能的检测等内容,旨在确保冷冻干燥卤化丁基橡胶塞的质量和稳定性。
4. 对冷冻干燥卤化丁基橡胶塞的个人观点和理解冷冻干燥卤化丁基橡胶塞作为药品包装中重要的密封材料,对于药品的质量和安全性起着至关重要的作用。
在我看来,更加严格的标准有助于确保冷冻干燥卤化丁基橡胶塞的质量和稳定性,为医药行业提供更加可靠的保障。
总结冷冻干燥卤化丁基橡胶塞作为一种用于医药领域的塞子材料,在药品包装中发挥着至关重要的作用。
通过严格的标准和规范,可以确保冷冻干燥卤化丁基橡胶塞的质量和稳定性,进而保障药品的质量和安全性。
以上就是对冷冻干燥卤化丁基橡胶塞的全面评估和相关文章的撰写,希望能够满足您的要求。
冷冻干燥卤化丁基橡胶塞作为医药领域中的重要密封材料,其质量和稳定性对于药品的质量和安全至关重要。
在目前的医药行业中,对于药品包装材料的质量和标准要求越来越高,以确保药品在生产、储存和输送过程中的质量和安全性。
冷冻干燥卤化丁基橡胶塞的标准和相关要求也被提高和严格化。
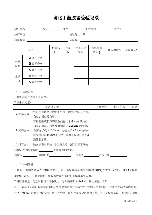
丁基胶塞检验记录
检品名称
规 万只
生产单位 取样日期 年 月 日 物料编号 报告日期 年 月 日 取样数量 只 检验者 复核者 检验依据 企业标准《Q/320281YDZ-2008》
结 论 本品按企业标准《Q/320281YDZ-2008》检验,结果
一、外观质量:
本品表面光洁、色泽 ,
二、化学性能:
1、澄清度与颜色:
取本品,依法制备试验液。
取试验液 ml ,置比色管中观察,溶液
2、PH 变化值:
取制备的试验液与空白液分别测定PH 值,PH 值分别为: 、
三、胶塞与容器的密合性:
与配套西林瓶口配合
四、不挥发物:
取制备的试验液与空白液,依法检查,两者之差 过4.0mg 。
五、标志、包装:
标志:产品名称、生产厂家、厂址、商标;生产日期、规格、数量等
包装:外包装为 内包装为
丁基胶塞检验报告书
报告书编号:BH057R—10005
检品名称药用卤化丁基橡胶塞规格20-D3
生产单位江阴海华橡塑有限公司数量150.5万只
物料编号BH07-100803 取样日期2010 年10 月05 日取样数量200 只报告日期2010 年10 月09 日检验依据企业标准《Q/320281YDZ-2008》
检验项目标准规定检验结果
外观质量:应符合规定符合规定
化学性能:应符合规定符合规定
密合性能:应符合规定符合规定
不挥发物:应符合规定符合规定
标志、包装:应符合规定符合规定
结论本品按企业标准《Q/320281YDZ-2008》检验,以上检验结果均符合规定。
质量受权人复核人检验人。
药用丁基胶塞质量标准一、引言药用丁基胶塞是药品包装的重要组成部分,其质量直接关系到药品的质量和安全性。
为了规范药用丁基胶塞的生产和质量控制,本质量标准应运而生。
本标准主要包含以下方面:外观、尺寸、物理性能、化学性能和微生物限度。
二、外观药用丁基胶塞的外观应平整、光滑,无明显瑕疵、气泡和颜色不均匀。
胶塞的表面应无残留物、油腻或手印等污染。
三、尺寸药用丁基胶塞的尺寸应符合设计要求,包括直径、高度和厚度等参数。
胶塞的直径应在规定范围内,以确保与药瓶的配合良好;高度和厚度应符合标准,以保证足够的机械强度和密封性能。
四、物理性能1. 拉伸强度:药用丁基胶塞应具有一定的拉伸强度,以保证在正常包装和运输过程中不易破损。
2. 撕裂强度:药用丁基胶塞应具有足够的撕裂强度,以防止在开启药瓶时出现撕裂现象。
3. 压缩永久变形:药用丁基胶塞应具有较小的压缩永久变形,以保证在使用过程中保持良好密封性能。
4. 密度:药用丁基胶塞的密度应均匀一致,且符合标准要求。
5. 热稳定性:药用丁基胶塞应能在药品包装的温度条件下保持稳定,不出现软化、变形等现象。
五、化学性能1. 耐化学腐蚀性:药用丁基胶塞应能耐受药品、消毒剂等化学物质的腐蚀,以确保药品包装的密封性和安全性。
2. 溶出物:药用丁基胶塞在浸泡于药品或其他溶剂中时,应不溶出对人体有害的物质。
3. 蒸发残渣:药用丁基胶塞在高温烘烤或暴露于空气中时,应不产生对人体有害的蒸发残渣。
4. 微生物限度:药用丁基胶塞中不得检出对人体有害的微生物(如细菌、霉菌等)。
5. 无毒无害性:药用丁基胶塞应无毒无害,不会对人体健康造成影响。
6. 透明度:药用丁基胶塞应具有较高的透明度,以便于观察药品包装内部的情况。
7. 耐磨性:药用丁基胶塞应具有较好的耐磨性,以防止在重复使用过程中出现磨损现象。
8. 抗老化性:药用丁基胶塞应具有较好的抗老化性能,以防止在储存和使用过程中出现性能下降现象。
YBB30062012注射液用卤化丁基橡胶塞Zhusheyeyong Luhuadingji XiangjiaosaiHalogenated Butyl Rubber Stopper for Injection本标准适用于直接与注射液接触的氯化或溴化丁基橡胶塞。
【外观】取本品数个,照表1 依法检查,应符合规定。
【规格尺寸】取本品数个,照表2 和表3 依法检查,应符合规定。
【鉴别】*(1)称取本品2.0g,剪成小颗粒,置坩锅中,加碳酸氢钠2.0g 均匀覆盖试样,置电炉上,缓缓加热至炭化,放冷,置马弗炉300℃加热至完全灰化,取出后,冷却至室温,加水10ml 使溶解,滤过,取续滤液1.5ml,置于试管中,加硝酸酸化,加入硝酸银试液1 滴,应产生白色或淡黄色沉淀。
(2)取本品适量,照包装材料红外光谱测定法(YBB60012012)第四法测定,应与对照图谱基本一致。
【穿刺落屑】取本品10 个,照注射剂用胶塞、垫片穿刺落屑测定法(YBB60082012)第一法测定,落屑数应不得过20 粒。
【穿刺力】取本品10 个,照注射剂用胶塞、垫片穿刺力测定法(YBB60072012)第一法测定,平均穿刺力不得过75N,且每个胶塞的穿刺力均不得过80N,穿刺过程中不应有胶塞被推入瓶内。
【密封性与穿刺器保持性】取本品10 个,置高压蒸汽灭菌器中(不浸水),121℃±2℃,保持30 分钟,冷却至室温,另取10 个与之配套的玻璃注射液瓶加水至标示容量,用上述胶塞,塞紧,再加上与之配套铝盖,压盖。
用符合注射剂用胶塞、垫片穿刺力测定法(YBB60072012)中图1 所示的穿刺器,向胶塞穿刺部位垂直穿刺,穿刺器刺穿胶塞,倒挂瓶,穿刺器悬挂0.5kg 重物,穿刺器应保持4 小时不被拔出,且瓶塞穿刺部位应无泄漏。
【灰分】取本品1.0g,照橡胶灰分测定法(YBB600212012)测定,不得过45%。
【挥发性硫化物】* 取本品,照挥发性硫化物测定法(YBB60052012)测定,应符合规定。
中国医药包装协会标准
YBX-xxxx-xxxx
注射液用卤化丁基橡胶塞
外观及尺寸
(征求意见稿)
200x-xx-xx公布 200x-xx-xx 实施
中国医药包装协会发布
前言
本标准由中国医药包装协会提出
本标准由XXXXXXXXXXXXXXX公司起草本标准起草人:XXX
本标准由中国医药包装协会负责解释本标准于200x年xx月xx日首次公布
注射液用卤化丁基橡胶塞外观及尺寸
1 范围
本标准规定了注射液用卤化丁基橡胶胶塞的胶塞结构、规格尺寸及公差、检测方法、检验规则。
本标准适用于以氯化丁基橡胶或溴化丁基橡胶为要紧原料制造的一次性使用的输液胶塞(以下简称“胶塞”)。
本标准是对YBB00042005注射液用卤化丁基橡胶塞标准的完善,作为质量验证应同时使用。
2 规范性引用文件
下列标准中的条款通过本标准的引用而成为本标准的条款。
凡是注明日期的引用文件,其随后所有的修改单(不包括勘误的内容)或修订版不适于本标准,然而,鼓舞依照本标准达成协议的各方研究是否可使用这些文件的最新版本。
凡是不注明日期的引用文件,其最新版本适于本标准。
GB/T2828.1-2003 逐批检查计数抽样程序及抽样表(适用于连续批的检查)
ISO 8536-2 医用输液器具第二部分:输液瓶塞
YBB00012004 低硼硅玻璃输液瓶
YBB00042005 注射液用卤化丁基橡胶塞
3 胶塞结构及尺寸
3.1 结构如下图所示。
图1:26B系列胶塞结构示意图
图2:28B胶塞结构示意图。