模板安装工程质量验收记录表
- 格式:docx
- 大小:9.25 KB
- 文档页数:1
模板安装检验批质量验收记录一、项目基本信息项目名称:_____项目地点:_____施工单位:_____监理单位:_____验收日期:_____二、检验目的本次模板安装检验旨在对施工现场的模板安装质量进行全面检查和评价,确保施工质量符合相关标准和规范要求,保证工程质量和安全。
三、检查内容1. 模板质量检查- 模板材料:检查模板材料的规格、厚度、强度等是否符合设计要求。
- 模板固定:检查模板的固定方式和连接是否牢固、稳定,是否符合设计要求。
- 模板平整度:检查模板表面是否平整,有无明显凹凸、提肋、突起等缺陷。
- 模板拱曲度:检查模板的变形情况,是否满足规范要求。
- 模板接缝:检查模板的接缝是否平直、紧密,是否存在开缝、漏浆等问题。
2. 模板安全检查- 模板支撑系统:检查模板支撑系统的牢固性、稳定性,是否满足承重要求。
- 模板使用秩序:检查模板使用现场的整洁度、通风、照明等是否符合安全要求。
- 模板防护措施:检查施工现场是否设置了必要的安全警示标识、防护栏杆等措施。
3. 模板施工质量验收- 模板竣工验收:检查模板的施工现场是否符合规范要求,是否存在质量问题。
- 模板尺寸偏差:检查模板的尺寸偏差是否在允许范围内,是否影响后续施工。
- 模板表面质量:检查模板表面的光洁度、平整度等质量指标是否符合要求。
四、检查方法1. 实地检查:对模板进行实地观察,检查模板的安装质量,包括固定方式、尺寸偏差、表面质量等。
2. 抽样检验:从现场随机抽取若干模板进行检验,包括材料规格、强度测试等。
五、检查结果根据模板安装检查的情况,结合相关标准和规范,评定本次模板安装质量验收结果如下:1. 模板质量:_____- 合格:模板材料规格、强度、固定方式、平整度等符合要求。
- 不合格:模板存在规格偏差、固定不牢、表面不平整等质量问题。
2. 模板安全:_____- 合格:模板支撑稳定,现场整洁,设置了必要的安全措施。
- 不合格:模板支撑不牢固,现场不整洁,缺乏必要的安全措施。
桥梁工程模板与支(拱)架制作和安装检验批质量
验收记录表
模板与支(拱)架制作和安装检验批质量验收记录填
表说明
主控项目
1、模板、支架和拱架制作及安装应符合施工设计图(施工方案)的规定,且牢固稳定,接缝严密,立柱基础有足够的支撑面和排水、防冻融措施。
检查数量:全数检查。
检查方法:观察和用钢尺量。
一般项目
注:1 H为构筑物高度(mm),L为计算长度(mm);
2支承面高程系指模板底模上表面支撑混凝土面得高程。
3、固定在模板上的预埋件、预留孔内模不得遗漏,且应按照牢固。
检查数量:全数检查。
检查方法:观察。
注:模板、支架和拱架分项工程不是工程实体项目,其检验资料不收入竣工资料,只作为过程控制的一种手段。
模板安装工程查验批报验申请表工程名称:编号:致贵州建工监理:(监理单位)工作,现报上该工程报验申请我单位已达成了表,请予以审察和查收。
附件:模板安装工程查验批质量查收记录 1 份包办单位(章):项目经理:日期:审察建议:项目监理机构:总 / 专业监理工程师:日期:模板安装工程查验批质量查收记录表GB50204-2002单位(子单位)工程名称分部(子分部)工程名称查收部位施工单位项目经理施工履行标准名称及编号混凝土构造工程施工质量查收规范( GB50204-2002 )施工质量查收规范的规定监理(建设)单位施工单位检查评定记录查收记录主模板支撑、立柱地点和垫板第 4.2.1 条1控项防止隔绝剂沾污第 4.2.2 条2目1 模板安装的一般要求第 4.2.3 条2 用作模板地坪、胎膜质量第 4.2.4 条3 模板起拱高度第 4.2.5 条预埋钢板中心线地点( mm ) 3预埋预埋管、预留孔中心线地点3 (mm )件、中心线地点( mm ) 5 预留插筋4 外露长度(mm )+10,0孔允一预埋螺中心线地点( mm ) 2 许偏般栓外露长度(mm )+10,0 差项中心线地点( mm )10预留洞目尺寸(mm )+10,0轴线地点(mm ) 5底模上表面标高( mm )±5 模板截面内部尺寸基础±105 安装(mm )柱、墙、梁+4,-5 允许层高垂直度不大于 5m6 误差(mm )大于 5m 8 相邻两板表面高低差( mm ) 2表面平坦度( mm ) 5施工单位检查评定结果合格专业工长(施工员)项目专业质量检查员:施工班组长年月日监理(建设)单位查收结论专业监理工程师:(建设单位项目专业技术负责人):年月日模板拆掉工程查验批报验申请表工程名称:编号:致贵州建工监理:(监理单位)我单位已达成了工作,现报上该工程报验申请表,请予以审察和查收。
附件:模板拆掉工程查验批质量查收记录 1 份包办单位(章):项目经理:日期:审察建议:项目监理机构:总 / 专业监理工程师:日期:模板拆掉工程查验批质量查收记录表GB50204-2002(Ⅲ)单位(子单位)工程名称分部(子分部)工程名称施工单位施工履行标准名称及编号施工质量查收规范的规定底模及其支架拆掉时的混凝土1强度主控后张法预应力构件侧模和底模项2的拆掉时间目3后浇带拆模和支顶一1 防止拆模损害般项目2 模板拆掉、堆放和清运施工单位检查评定记录第 4.3.1 条第 4.3.2 条第 4.3.3 条第 4.3.4 条第 4.3.5 条010601020101查收部位项目经理监理 (建设 )单位查收记录专业工长(施工员)施工班组长施工单位检查评定结果项目专业质量检查员:年月日监理(建设)单位查收结论专业监理工程师:(建设单位项目专业技术负责人):年月日钢筋加工工程查验批报验申请表工程名称:编号:致贵州建工监理:(监理单位)我单位已达成了工作,现报上该工程报验申请表,请予以审察和查收。
模板工程检验批质量验收记录
一、工程名称:XXXXXX
二、施工单位:XXXXXX
三、验收日期:XXXX年XX月XX日
四、验收内容:
1. 模板安装工程检验批质量验收记录表(见附表)
2. 模板拆除工程检验批质量验收记录表(见附表)
3. 模板支撑工程检验批质量验收记录表(见附表)
4. 模板工程质量问题处理记录(见附表)
5. 模板工程质量检验评定表(见附表)
五、验收结论:
经过对模板安装、拆除、支撑工程的检验,本检验批质量符合要求,同意验收。
六、参加验收人员:
1. 建设单位:XXX、XXX、XXX
2. 监理单位:XXX、XXX、XXX
3. 施工单位:XXX、XXX、XXX
4. 设计单位:XXX、XXX、XXX
5. 其他单位:XXX、XXX、XXX
七、验收意见和建议:
1. 建议对模板工程质量进行定期检查,确保施工安全和质量;
2. 在模板安装和拆除过程中,应注意施工人员的安全,严格按照操作规程进行;
3. 建议对模板支撑工程进行定期维护和检查,确保工程质量和安全。
八、备注:
本记录一式四份,建设、监理、施工和设计单位各执一份。
如有疑问或需要进一步了解情况,请联系相关人员。
混凝土模板工程验收表
一、项目基本情况
项目名称项目地址项目施工单位工程负责人审核人
二、工程质量验收情况
2.1 施工前的准备
1.基础开挖是否符合设计要求?
2.地面是否平整无障碍影响施工?
3.施工现场是否按照设计方案要求设立了安全标志?
4.施工现场是否存在危险物品,如有是否采取措施?
2.2 模板制作
1.模板材料是否符合工程设计要求?
2.模板安装是否符合要求?
3.模板的水平度是否符合要求?
4.模板板面是否平整,有无起伏?
2.3 施工验收
1.砼浇筑前是否检查了模板?
2.砼浇筑过程中是否严格按照工艺要求进行?
3.砼硬化后是否及时拆模,是否对拆下的模板进行处理?
2.4 工程质量检测
项目检测方法检测机构检测结果是否合格
模板水平度直线水准
模板结构直观检查
砼强度
三、工程质量验收结论
该混凝土模板工程的施工现场环境整洁,安全设施完善,施工人员素质高。
在施工过程中,工程质量监督和质量控制得到了严格执行,工作纪律良好。
经过检测,该混凝土模板工程结构牢固,质量良好,各项指标均符合设计要求,达到了验收标准,在此结论中予以认可。
四、建议和注意事项
工程完工后,应及时做好安全和质量结论及资料的归档工作,并保留原始资料及检测记录。
同时,对该工程容易出现问题的部位,应定期进行检查和维护。
如果发现问题及时整改,防止可能发生的事故。
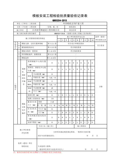
模板安装工程检验批质量验收记录表
GB50204—2002
(Ⅰ)
010601□□
说明
(Ⅰ)
010601
020101
主控项目:
1、安装现浇结构的上层模板及其支架时,下层楼板应具有承受上层荷载的承载能力,或加设支架;上、下层支架的立柱应对准,并铺设垫板。
对照设计观察检查。
2、涂刷模板隔离剂时,不得沾污钢筋和混凝土接搓处,观察检查。
一般项目:
1、模板安装的一般要求。
观察检查。
(1)模板的接缝不应漏浆;在浇筑混凝土前,木模板应浇水湿润,模板内无积水;
(2)模板与混凝土的接触面应清理干净并涂刷隔离剂,但不得采用影响结构性能或妨碍装饰工程施工的隔离剂;
(3)浇筑混凝土前,模板内的杂物应清理干净;
(4)对清水混凝土工程及装饰混凝土工程,应使用能达到设计效果的模板。
2、用作模板的地坪、胎模等应平整光洁,不得产生影响构件质量的下沉、裂缝、起砂或起鼓。
观察检查。
3、对跨度不小于4m的现浇钢筋混凝土梁、板,其模板应按设计要求起拱;当设计无具体要求时,起拱高度宜为跨度的1/1000~3/1000。
水准仪、拉线和尺量检查。
4、固定在模板上的预埋件、预留孔和预留洞均不得遗漏,且应安装牢固,其偏差符合规定。
尺量检查。
5、现浇结构模板安装的偏差符合规定。
经纬仪、水准仪、2m靠尺和塞尺、拉线和尺量检查。