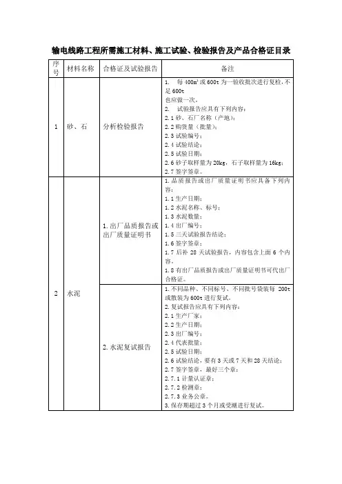
输电线路金具检测报告
- 格式:doc
- 大小:351.00 KB
- 文档页数:11
架空高压输电线路常见金具识别技术研究发布时间:2022-03-10T10:21:23.304Z 来源:《新型城镇化》2022年1期作者:齐飞[导读] 由于巡线机器人是以输电线路为路径和载体,因此当机器人在线路上行动时,势必会遇到众多的电力金具。
内蒙古电力(集团)有限责任公司呼和浩特供电分公司内蒙古呼和浩特 010010摘要:由于巡线机器人是以输电线路为路径和载体,因此当机器人在线路上行动时,势必会遇到众多的电力金具。
为了更好地实现线路巡检,扩大巡检范围,机器人需要有跨越线路上的金具的能力。
为了实现跨越金具这个任务,必须要先能判别金具的种类。
而根据识别出的金具种类,机器人才能更好的做出对应金具的跨越动作。
关键词:架空;高压输电线路;金具识别技术1金具识别场景目标识别具体场景为输电导线,目标背景通常为天空加上部分自然环境(山川河流等)。
机器人依靠双臂挂在输电导线上巡检。
通过将图像采集的摄像头布置在巡线机器人前方的云台上,采用仰角300的方式安装后,拍摄的图像中天空所占比例更高,可以减少图像背景的复杂度,减少后续的金具识别部分的运算量。
巡线机器人在输电导线上进行移动时,会出现爬坡和下坡的情况,通过在机器人载重箱中设置的重力传感器,可以感知到机器人本身相对于地面的倾角变化,随后通过控制电路将这个倾角补偿到摄像头的云台角度中,可以最大程度的实现连续同一方向对线路金具的拍摄。
本实验中用于训练与识别的图像主要采集自互联网与实验室拍摄。
实验室环境下拍摄的图片背景比较单一,特征提取与识别难度都较低,采集自互联网的金具图像背景较为复杂,与实际工作环境中的金具图像更为接近。
2架空高压输电线路常见金具识别技术2.1金具识别方案组成根据设计要求与对策,本文设计的金具识别算法可以分为两部分,第一部分为金具图像特征的构造。
金具图像的特征构造部分包含图像的预处理与金具特征提取。
第二部分是分类器(机器学习模型)的构造。
传统图像特征算子常见的有三种,基于图像梯度的HOG特征、基于图像纹理的LBP特征与基于特征模板(边缘、中心、对角)的Haar特征。
输电线路设计—金具一、金具的种类在输电线路设计中,常见的金具种类包括电杆顶金具、拉线夹、悬挂夹、接地棒等。
它们各自有着不同的作用和用途。
1.电杆顶金具:用于固定、连接电杆和导线。
主要有插接式电杆顶金具和压接式电杆顶金具两种。
插接式电杆顶金具通常由螺栓、支座和插头等组成,便于更换和维修。
压接式电杆顶金具则采用压接方式将导线连接到电杆上,具有较高的接触面积和强度。
2.拉线夹:用于连接绝缘导线和拉线,通常由夹体、固定螺栓、垫圈等组成。
拉线夹需要具备良好的电气性能和导线的承载能力,以保证线路的正常输电。
3.悬挂夹:用于固定输电线路的间隙裸电缆,使其保持一定的张力和支撑。
悬挂夹通常由夹线体、固定螺栓、挂环等组成,抗拉强度要求较高。
4.接地棒:用于将输电线路接地,以保证人身安全和降低雷击可能性。
接地棒需要选择导电性能较好的材料,并进行良好的接地接口处理。
二、金具的选材金具的选材直接影响到线路的稳定性和安全可靠性。
一般情况下,金具的选材要考虑以下几个方面:1.金具的导电性能:选用电导率较高的材料,以减小电阻,降低能量损耗。
2.金具的耐腐蚀性:金具在户外使用,常接触到各类大气环境,容易受到风吹日晒、雨水侵蚀等,因此需要选择能够抵抗腐蚀的材料。
3.金具的强度和韧性:金具需要承受一定的张力和外力,因此需要具备足够的强度和韧性,以保证其不会发生损坏、折断等情况。
4.金具的可靠性:金具的可靠性是确保线路安全运行的重要因素。
因此,在选材时需要考虑金具的寿命、使用环境和工艺要求等因素,以保证金具的可靠性和稳定性。
三、设计要点和注意事项在进行输电线路金具设计时,需要注意以下几个要点和注意事项:1.合理确定金具间距和张力:金具的间距和张力的确定需要综合考虑导线的类型和规格、线路的长度和负载情况等因素。
间距过大或张力过小都会影响线路的稳定性,导致电线路的功率损失和负载能力下降。
2.金具的防震设计:金具需要具备一定的抗震能力,以防止地震等自然灾害对线路的破坏。
特高压输电线路金具断裂原因分析研究摘要:大风区内某段特高压输电线路复合绝缘子低压端均压环夹板发生断裂事故。
采用断口宏观分析、X射线检测、拉伸试验、金相检验以及断口微观分析的方法,结合金具材质状况、运行环境等方面分析了该特高压输电线路复合绝缘子低压端均压环夹板断裂原因。
结果表明:该均压环夹板在铸造过程中产生大量缩松、气孔等缺陷,铸造缺陷在服役环境中极易萌生裂纹,在风载荷作用下裂纹不断扩展,最终均压环夹板断裂。
关键词:大风区、输电线路、金具、铸造缺陷、断裂0引言特高压直流输电工程是国家“西电东送”战略重点工程,也是世界上电压等级最高、输送容量最大、输电距离最远、技术水平最高的特高压输电工程。
目前,国内金具制造厂家数量较多,加工制造水平参差不齐,由于金具质量问题引发的掉线事故时有发生。
大风是新疆地区典型的气象特征,也是线路故障的主要外力因素之一。
输电线路系统受力复杂,对风的作用敏感,各个部件在长期风荷载作用下容易发生损伤,严重影响结构安全。
该特高压输电线路因某段线路防坠装置卡具松动、光缆断骨严重等问题进行转基建消缺。
经过运维人员巡视,大风区某导线悬垂串1支复合绝缘子低压端均压环夹板断裂。
本文通过对该输电线路复合绝缘子低压端均压环夹板断裂原因进行分析,以便今后工作中加强入网金属材料监督,严把材料制造关,从而保证电网经济、安全、稳定运行。
1实验结果与分析1.1 宏观检查均压环夹板对均压环起固定支撑作用,连接形式如图1(a)所示,夹板材料采用ZL102铝合金,金属型铸件。
图1(b)为夹板断裂后断口的宏观形貌,可观察到断口表面颜色呈灰黑色,无金属光泽,未见明显塑性变形,呈典型的脆性断裂特征,断口处存在明显的气孔。
图1(c)为夹板表面形貌,表面上也存在少量较大的气孔,图1(d)可以看出,断裂的夹板存在一定的形变。
图1 夹板断裂宏观形态1.2 X射线检测为检测夹板内部质量情况,对断裂夹板进行X射线检测,检测结果如图所示,夹板内部存在疏松、气孔等铸造缺陷。
一、输电线路设备运行现状1.输电线路设计水平公司运行线路多以设计院设计为主。
根据多年来运行情况分析,线路设计水平总体良好。
以往主要采用的杆塔结构能够满足地区防雷、防盗等技术防范要求。
近几年,随着标准化典设的广泛应用,新建线路均按照上级颁布的标准进行设计。
设计中主要存在的问题:一是线路一般只注意通道红线批复,但具体的杆位未能及时与规划部门沟通,时有杆位在新建道路现象发生;二是设计中缺少防撞、防鸟害措施。
2.线路设备外力破坏2011年防外力破坏形势依然很严峻,通道内违章建房、植树等现象较多,保护区内建筑施工点多面广。
今年公司重点加强分级预控措施的落实,强化属地管理责任,通过制订保护宣传卡、册的分发,有效提高线路防外破的宣传工作,同时组建了群众护线员、施工企业护线员等多级护线组织机构,进一步做好了线路外破的防范工作。
3.导线、地线与金具(1)、导线:目前,地区导线运行状况良好,除少数线路35kV-110kV 线路因规划需求,在十二·五期间可能出现卡脖子现象外,正拟纳入技改工程改造。
总体未出现严重锈蚀现象等。
(2)、地线现状:公司110kV 线路运行状况良好,随着分流地线、光缆的广泛应用,原有镀锌钢绞线用量正逐步减少,老旧线路通过技改修理总体水平良好。
35kV 线路因近几年改造工程少,运行水平差,多数线路运行年限达到15 年以上。
(3)、金具磨损:公司运行线路暂未出现严重金具磨损锈蚀情况。
4.绝缘子问题公司35-110kV 线路悬垂串、耐张串多数以合成绝缘子为主,通过近几年运行状况分析,未出现重大故障或事故,主要发生过雷击损坏等。
5.杆塔问题公司35-110kV 线路杆塔采用电力设计院的塔型。
在多年的运行中未出现重大事故。
但近两年因龙卷风等恶劣天气也发生过倒杆断线事故,就杆塔本身情况看,对空旷极端恶劣多发地区的杆塔应适当提高制造要求,减少使用档距等。
6.防雷问题2011 年公司全力做好了线路防雷整改工作,年初重点对管辖设备的接地装置进行全方面排查,并对锈蚀严重的接地装置进行批量更换,同时,通过加设弹簧垫片等方式加强接地线与杆塔连接处固定。
输电线路关键金具及其缺陷检测方法发布时间:2023-02-07T07:50:50.770Z 来源:《福光技术》2023年1期作者:陈泽明[导读] 随着科学技术的飞速发展,人民的用电需求持续上升,使得输电线路的规模也在不断的增长,其中输电线路金具的缺陷检测在维护输电安全与稳定方面扮演着越来越重要的角色。
鉴于此,本文将对输电线路关键金具及其缺陷检测方法展开探讨。
广东电网有限责任公司湛江供电局广东省湛江市 524032摘要:随着科学技术的飞速发展,人民的用电需求持续上升,使得输电线路的规模也在不断的增长,其中输电线路金具的缺陷检测在维护输电安全与稳定方面扮演着越来越重要的角色。
鉴于此,本文将对输电线路关键金具及其缺陷检测方法展开探讨。
关键词:输电线路;金具;缺陷;检测1金具金具,(armour clamp)送电线路广泛使用的铁制或铝制金属附件,统称为金具。
金具种类繁多,用途各异,例如,安装导线用的各种线夹,组成绝缘子串的各种挂环,连接导线的各种压接管、补修管,分裂导线上的各种类型的间隔棒等,此外还有杆塔用的各类拉线金具,以及用作保护导线的预绞丝有关,须互相配合。
它关系着导线或杆塔的安全,即使一只损坏,也可能造成线路故障。
因此,金具的质量、正确使用和安装,对线路的安全稳定有一定影响。
2输电线路关键金具及其缺陷检测方法2.1金具上螺栓及销子螺栓与螺母成对存在,是输电线路中连接类金具使用最多的配件。
螺栓螺母对常与其他各类金具共同使用,起到固定和接续的作用,是输电线路中必不可少的一部分。
松动脱落及锈蚀严重的螺栓螺母如果不能及时被发现,会严重影响输电线路安全运行,另外,一些关键金具上螺栓的尾部要安装销子进行限位,防止由于风摆舞动等引起的螺帽脱落,因销子的脱落、变形失效造成螺帽的脱落属于重大缺陷,应及时发现补装。
由于长期处于户外环境中,输电线路中的金具无法避免锈蚀问题,影响电力系统的安全稳定运行,因此,也有文献利用性能优良的检测模型对输电线路锈蚀问题进行研究。
xxx线路工程(含光缆工程)质量评估报告XXX工程建设监理有限责任公司xxxx年xx 月批准:年月日审核:年月日编写:年月日目录1 工程项目概况 (1)2 质量评估范围 (2)3 质量评估依据 (3)4 施工过程质量控制综述 (3)5 工程质量监理控制概述 (4)6 分项、分部、单位工程质量核查情况 (6)7 工程质量评估结论 (7)1 工程项目概况1.1工程概况1.1.1工程名称: kV输电线路工程。
1.1.2建设地点:工程起自X州X镇坉琴,止于X市X镇。
1.1.3工程规模及主要技术特性:1)电压等级: kV2)中性点接地方式:直接接地3)回路数:单回路4)线路长度:144.266km(如双回路,则表示为:I回:XX km,II回:XX km)5)地形,地质:本线路所经地区地形主要为丘陵,其中丘陵占67%,山地占20%,平地占13%;地质主要为坚土(占40%)、普土(占20%)、松砂石(占20%),部分为泥水(占10%)、岩石(占10%)。
6)主要气象条件:本线路所经区域属南亚热带季风气候区,气候较高,雨量充沛,日照充足。
最大风速:37m/s,覆冰:0mm。
7)铁塔基础:主要采用掏挖基础和桩基础,并视地形情况设有等高或不等高基础;对地形较陡排水量较大的设有排水沟、护坡或挡土墙。
8)杆塔:共计基,其中转角塔基,直线塔基。
9)导、地线:导线采用4×JL/LB20A-630/45铝包钢芯铝绞线;地线架设一根JLB40-150铝包钢绞线,另一根OPGW-36B1-150光缆。
10)绝缘子:本工程线路按d级(Ⅲ级)污秽区设计,采用钢化玻璃绝缘子。
11)接地型式:采用闭合环形或放射形水平接地体型式;接地体采用φ10热镀锌圆钢,接地引下线采用φ12热镀锌圆钢,并与各杆塔接地螺栓连接。
12)交叉跨越:本工程主要跨越:在建高速公路2处,省道2处,地方铁路1处,钻越500kV双回1处,跨越220kV1处,跨越110kV2处,35kV以下电力线28处。
表A.0.1 路径复测记录表(线记1)监理:专职质检员:施工负责人:检查人:表A.0.2 普通基础和拉线基础分坑及开挖检查记录表(线记2)监理:专职质检员:施工负责人:检查人:表B.0.1 现浇铁塔基础(含插入式)检查及评定记录表(线基1)监理:专职质检员:施工负责人:检查人:表B.0.12导线、地线含(OPGW)展放施工检查及评定记录表(线线1)监理:专职质检员:施工负责人:检查人:表B.0.13 导线、地线直线压接管施工检查及评定记录表(线线2)耐张段桩号号至号耐张段塔号号至号导地或地线规格导线:地线:施工日期年月日压接管位置号至号相别线别压前铝管压前钢管压后铝管压后钢管扩径导线外观检查a压接人钢印代号评定外径d1(mm)需压长度(mm)外径d1(mm)需压长度(mm)对边距(mm)压接长度(mm)对边距(mm)压接长度(mm)填充铝股根数填充铝股长度最大最小最大最小最大最小12最大最小787134783243监理:专职质检员:施工负责人:检查人:表B.0.14 导线、地线耐张液压管施工检查及评定记录表(线线3)耐张段施工桩号号至号耐张段运行塔号号至号导地或地线规格导线:地线:施工日期年月日施工桩号大号侧或小号侧相别线别压前铝管压前钢管压后铝管压后钢管扩径导线外观检查a压接人钢印代号评定外径d1(mm)需压长度(mm)外径d1(mm)需压长度(mm)对边距(mm)压接长度(mm)对边距(mm)压接长度(mm)填充铝股根数填充铝股长度最大最小最大最小最大最小最大最小30.111110111116.1116.11122.21111111111111111111111111111111118.112346324623543监理:专职质检员:施工负责人:检查人:表B.0.15 导线、地线(含OPGW)紧线施工检查及评级记录表(耐张段线线4)监理:专职质检员:施工负责人:检查人:表B.0.16 导线、地线(含OPGW)附件安装施工检查及评定记录表(线线5)监理:专职质检员:施工负责人:检查人:表B.0.17 接地装置施工检查及评定记录表(线地1)表B.0.18 线路防护设施检查及评定记录表(线防1)监理:专职质检员:施工负责人:检查人:表B.8 工程控制网测量/线路复测报审表工程名称:编号:SCCS-2017-001本表一式份,表B.0.8 自力式铁塔组立检查及评定记录表(线塔1)监理:专职质检员:施工负责人:检查人:表A.0.5 交叉跨越检查记录表(线记5)监理:专职质检员:施工负责人:检查人:工程名称:编号:SCCS-2017-001隐蔽工程(接地线埋设)验收记录工程名称:华电台儿庄风电场一期工程优化增容项目隐蔽工程验收记录(地基验槽)。
第30卷第12期2 0 1 2年1 2月水 电 能 源 科 学Water Resources and PowerVol.30No.12Dec.2 0 1 2文章编号:1000-7709(2012)12-0146-03500kV输电线路跳线金具电晕放电特性全姗姗,曹 晶,谷莉莉,谢 梁,邓杰杰(中国电力科学研究院,湖北武汉430074)摘要:输电线路相邻耐张段导线之间一般采用跳线方式连接,跳线金具结构复杂,产生的电晕严重。
为获得跳线金具的电晕放电特性,利用紫外成像仪对不同结构、安装数量及位置的500kV输电线路跳线间隔棒进行试验,获得了间隔棒的起晕电压值;同时对间隔棒中的线夹结构进行试验,并利用有限元法计算其电场分布。
分析结果表明,不同试验方法获得的金具电晕放电特性存在差异,实际应用中应根据工程需要及现场具体情况,选择合适的跳线金具。
关键词:输电线路;电晕放电;跳线;间隔棒;紫外成像仪;有限元法中图分类号:TM851文献标志码:A收稿日期:2012-07-08,修回日期:2012-09-27作者简介:全姗姗(1985-),女,硕士研究生,研究方向为高电压外绝缘等,E-mail:quanshanshan522@163.com 为满足社会经济的快速发展,国家电网公司快速增加架空输电线路的长度,形成了以高铁塔、多分裂导线和同塔多回并架为特征的电力输送网络。
在超/特高压输电线路上,线路及主要金具的电压很高,电晕放电过程中电能损耗[1]影响线路的经济运行,因此电晕是影响电网安全经济运行和电力设备设计的重要方面。
在架空输电线路中,除了导线表面外,防振锤、间隔棒和均压环[2~4]等金具也较易出现电晕。
输电线路中跳线金具是线路结构中较为复杂的部分,产生的电晕也比一般线路金具严重。
为研究跳线金具的放电特性,本文以500kV输电线路中采用的跳线为样本,对其薄弱环节间隔棒进行了研究,利用紫外成像仪对不同结构、安装数量和位置的间隔棒进行了试验比对,获得跳线金具的电晕放电特性。
架空输电线路耐张线夹X射线检测发布时间:2022-07-13T03:54:43.420Z 来源:《福光技术》2022年15期作者:叶翔[导读] 耐张线夹作为一种连接导地线的常用金具被广泛应用于架空输电线路架设工作中。
广东电网有限责任公司广州供电局广东广州 510080摘要:耐张线夹作为一种连接导地线的常用金具被广泛应用于架空输电线路架设工作中。
此类金具安装后不再拆卸,其长期运行的可靠性关系到输电线路能否安全稳定运行。
耐张线夹压接过程存在的缺陷是造成局部发热、导线损伤、金具或导线断裂甚至掉线的重要原因,如何对耐张线夹压接质量在线检测也成为输电设备金属监督的重要工作内容。
鉴于此,本文将以某架空输电线路耐张线夹为例,对架空输电线路耐张线夹X射线检测进行探讨。
关键词:架空输电线路;耐张线夹;X射线检测1X射线检测原理X射线检测主要是指利用X射线能够穿透金属材料,并由于材料对射线的吸收和散射作用的不同,在成像装置上形成耐张线夹等金具压接部位结构影像,从而发现压接管内部缺陷的一种无损检测方法。
2018年9月,国网公司发布《输电线路金具压接质量X射线检测技术导则》(Q/GDW11793-2017)规范了架空输电线路金具压接质量X射线检测工作,同时明确了检测机构和人员、检测设备、检测工装等相关要求。
检测时,X射线源与成像装置的布置如图1所示,其能够保证X射线束中心垂直指向透照区中心。
成像装置宜紧贴待检测的耐张线夹,并保持平行,不得产生弯曲变形。
2架空输电线路耐张线夹X射线检测本文以某架空输电线路耐张线夹为例,通过对其进行X射线在线检测,发现其存在大量压接结构缺陷。
2.1典型压接缺陷钢芯铝绞线耐张线夹压接如图2所示。
其中区域1为钢锚压接区。
区域2为铝管不压区,区域3为导线压接区。
按这3个区域分析耐张线夹压接缺陷。
图2中区域1压接缺陷主要为钢锚凹槽部位压接不到位和凹槽压接数量不足等。
钢锚凹槽压接数量不足的RT检测图像如图3所示,按压接工艺,两圈凹槽都应当压接,图3所示靠近长圆环一侧凹槽没有受压。
电力电缆检验报告
自查报告。
报告日期,2023年5月15日。
报告对象,公司管理部门。
报告内容:
根据公司要求,我们对电力电缆进行了自查,并就检验结果进
行了报告。
自查内容包括电缆的外观、尺寸、绝缘电阻、导体电阻、绝缘电压、耐压测试等项目。
首先,我们对电缆的外观进行了检查,确保电缆表面光滑,无
明显损伤和变形。
然后,我们对电缆的尺寸进行了测量,确保符合
标准要求。
接着,我们对电缆的绝缘电阻和导体电阻进行了测试,测试结
果显示绝缘电阻和导体电阻均符合标准要求。
同时,我们对电缆进
行了绝缘电压和耐压测试,测试结果显示电缆能够承受标准要求的
电压并保持良好的绝缘性能。
最后,我们对电缆进行了外观检查,确保电缆标识清晰、完整,并且符合标准要求。
综上所述,我们对电力电缆进行的自查结果显示,电缆符合标
准要求,可以正常投入使用。
报告人,XXX(签名)。
联系方式,XXX(电话/邮箱)。
河北宏顺电力器材科技有限公司
出厂试验报告
报告编号:HS--8
产品名称:线路金具
工程名称:中电投风电场项目
委托单位:河北宏顺电力器材科技有限公司
试验:审核:日期:试验报告
1、试验概括
试验概括如表所示。
2、外观检测
外观检测根据标准GB/T 进行,所有产品均符合图纸要求。
3、尺寸检测
尺寸检测根据标准GB/T 进行,所有产品均符合图纸要求。
4、防腐、破载试验
防腐试验根据标准 DL/T 进行,破载试验根据GB/T 进行,结果如表所示试验:审核:日期:
5、结论
该工程所有产品均通过了表中的试验,产品合格,允许出厂。
试验:审核:日期:。
一、输电线路简介输电线路是电力系统的主干网络。
包括绝缘子、金具、杆塔和输电线等设备和器材。
它广泛分布在平原及高山峻岭,直接暴露于风雪雨露等自然环境之中,同时还受到洪水、滑坡等自然灾害的损害,运行环境相当恶劣。
电力系统的安全可靠性运行至关重要。
输电线路可靠性及运行情况直接决定着电力系统的稳定和安全。
检修是保证输电设备健康运行的必要手段。
做好输电设备的检修工作及早发现事故隐患并及时予以排除,使其始终以良好的状态投入运行具有重要的意义,尤其是电力系统向高电压、大容量、互联网发展,其重要性更加突出。
二、输电线路状态检修概念及意义输电线路设备状态维修是一种先进的维修管理方式,能有效地克服定期维修造成设备过修或失修的问题,可给电力系统及社会带来巨大的经济效益。
通过状态检修,能根据设备检测采集的数据,结合设备健康状态表达模型及健康指示参数,运用智能决策算法诊断出设备当前的健康状态,并预测设备寿命;如有需要提出检修建议计划。
状态检修是以设备的当前实际的工作状况为依据,通过先进的状态监测手段、可靠性评价手段以及寿命预测手段,综合各种设备的状态信息,判断设备的状态,识别故障早期征兆,对故障部位及其严重程度、故障发展趋势做出判断,并根据分析诊断的结果在设备性能下降到一定程度或故障将要发生前进行检修。
输电线路设备管理是电力企业设备管理的重要组成部分。
检修管理的优劣,对线路的健康状况、运行性能以及供电的可靠性影响极大。
输电线路状态检修是一种先进的检修管理方式,能有效地克服定期检修造成设备过修或失修的问题,大幅度提高供电可靠性,可给电力系统及社会带来巨大的经济效益,需要在今后大力推广。
2.1 输电线路设备检修发展过程(1)我国输电线路设备检修方式的发展大致经历了这样的三个阶段,即从事后检修发展到定期检修再向状态检修。
(2)事后检修是50 年代以前主要采用的方式,就是在设备发生了故障或事故以后才进行检修。
这是基于那时没有形成现在这样庞大的网络,因此设备发生故障时影响面小,同时大部分设备简单,人们对电力依赖性不强,所以当时只进行简单的日常维护和检修,没有开展系统检修和管理。
报告编号:FH2014-08-01检测报告工程(项目)名称:XXXXXXXXXXXXXXX工程样品名称:电力金具检测项目:破坏载荷试验委托单位:XXXXXXXXXXXXXXX有限公司检测类备:来样检测XXXXXXXXXXXXXXX检测有限公司第1页共8页XXXXXXXXXXXXXXX检测有限公司检测综合报告YNHG/WD20-01-22报告编号:FH2014-08-01-001项目名称:XXXXXXXXXXXXXXX工程试件名称:电力金具试件或样品信息来样为XXXXXXXXXXXXXXX有限公司现场抽检送检试样金具厂家:成都电力金具总厂金具型号:U型挂环U-7,共4套,编号为HD200532-0533; UL型挂环UL-12,共4套,编号为:HD200536-0537; 球头挂环QP-10,共4套,编号为:HD200540-0541;碗头挂板WS-10,共4套,编号为:HD200544-0545;直角挂板Z-12,共4套,编号为:HD200548-0549;延长环PH-10,共4套,编号为:HD200552-0553;调整板DB-10,共4套,编号为:HD200556-0557。
取样部位/试件(样品)状态合格试件(样品)数量共28套代表数量/委托单位XXXXXXXXXXXXXXX有限公司委托编号检测日期2014年08月02日检测地点XXXXXXXXXXXXXXX检测环境温度:21℃湿度:55%RH 检测项目破坏载荷试验检测参与人员XXXXXXXXXXXXXXX检测依据(执行标准)GB/《电力金具机械实验方法第一部分:机械试验》GB/T2314-2008《电力金具机械通用技术条件》GB/《电力金具机械实验方法第四部分:验收规则》检测主要设备WE-60万能材料试验机(W4-436)。
检测结果描述所检项目符合标准技术要求,评定为合格。
备注无签发:审核:检测负责人:第2页共8页XXXXXXXXXXXXXXX检测有限公司电力金具破坏载荷试验报告YNHG/WD20-02-22报告编号:FH2014-08-01-002项目名称:XXXXXXXXXXXXXXX工程试件名称:U型挂环U-7委托单位XXXXXXXXXXXXXXX有限公司委托编号设备型号WE-60设备编号2011437检验标准GB/验收标准GB/T2314-2008GB/检测结果序号试件编号标准要求(kN)试验结果及说明试验判定1HD2014-0530≥7084kN(试件变形未破坏)符合要求2HD2014-0531 ≥70 84kN(试件变形未破坏)符合要求3HD2014-0532 ≥70 84kN(试件变形未破坏)符合要求4HD2014-0533 ≥70 84kN(试件变形未破坏)符合要求以下空白签发:审核:检测负责人第3页共8页XXXXXXXXXXXXXXX检测有限公司电力金具破坏载荷试验报告YNHG/WD20-03-22报告编号:FH2014-08-01-003项目名称:XXXXXXXXXXXXXXX工程试件名称:UL型挂环UL-12委托单位XXXXXXXXXXXXXXX有限公司委托编号设备型号WE-60设备编号2011437检验标准GB/验收标准GB/T2314-2008GB/检测结果序号试件编号标准要求(kN)试验结果及说明试验判定5HD2014-0534≥120145kN(试件变形未破坏)符合要求6HD2014-0535 ≥120 145kN(试件变形未破坏)符合要求7HD2014-0536 ≥120 145kN(试件变形未破坏)符合要求签发:审核:检测负责人第4页共8页XXXXXXXXXXXXXXX检测有限公司电力金具破坏载荷试验报告YNHG/WD20-04-22报告编号:11HD2014-0540 ≥100 122kN(试件变形未破坏)符合要求12HD2014-0541 ≥100 122kN(试件变形未破坏)符合要求以下空白签发:审核:检测负责人第5页共8页XXXXXXXXXXXXXXX检测有限公司电力金具破坏载荷试验报告YNHG/WD20-05-22报告编号:FH2014-08-01-005项目名称:XXXXXXXXXXXXXXX工程试件名称:碗头挂板WS-10委托单位XXXXXXXXXXXXXXX有限公司委托编号设备型号WE-60设备编号2011437检验标准GB/验收标准GB/T2314-2008GB/检测结果序号试件编号标准要求(kN)试验结果及说明试验判定13HD2014-0542≥100122kN(试件变形未破坏)符合要求15HD2014-0544 ≥100 122kN(试件变形未破坏)符合要求16HD2014-0545 ≥100 122kN(试件变形未破坏)符合要求以下空白签发:审核:检测负责人第6页共8页XXXXXXXXXXXXXXX检测有限公司电力金具破坏载荷试验报告YNHG/WD20-06-22报告编号:FH2014-08-01-006项目名称:XXXXXXXXXXXXXXX工程试件名称:直角挂板Z-12委托单位XXXXXXXXXXXXXXX有限公司委托编号设备型号WE-60设备编号2011437检验标准GB/验收标准GB/T2314-2008GB/检测结果序号试件编号标准要求(kN)试验结果及说明试验判定18HD2014-0547 ≥120 145kN(试件变形未破坏)符合要求19HD2014-0548 ≥120 145kN(试件变形未破坏)符合要求20HD2014-0549 ≥120 145kN(试件变形未破坏)符合要求以下空白签发:审核:检测负责人第7页共8页XXXXXXXXXXXXXXX检测有限公司电力金具破坏载荷试验报告YNHG/WD20-07-22报告编号:FH2014-08-01-007项目名称:XXXXXXXXXXXXXXX工程试件名称:延长环PH-10委托单位XXXXXXXXXXXXXXX有限公司委托编号设备型号WE-60设备编号2011437检验标准GB/验收标准GB/T2314-2008GB/检测结果21HD2014-0550≥100122kN(试件变形未破坏)符合要求22HD2014-0551 ≥100 122kN(试件变形未破坏)符合要求23HD2014-0552 ≥100 122kN(试件变形未破坏)符合要求24HD2014-0553 ≥100 122kN(试件变形未破坏)符合要求以下空白签发:审核:检测负责人第8页共8页XXXXXXXXXXXXXXX检测有限公司电力金具破坏载荷试验报告YNHG/WD20-08-22报告编号:FH2014-08-01-008项目名称:XXXXXXXXXXXXXXX工程试件名称:调整板DB-10委托单位XXXXXXXXXXXXXXX有限公司委托编号设备型号WE-60设备编号2011437检验标准GB/验收标准GB/T2314-2008GB/检测结果1HD2014-0554≥100122kN(试件变形未破坏)符合要求2HD2014-0555 ≥100 122kN(试件变形未破坏)符合要求3HD2014-0556 ≥100 122kN(试件变形未破坏)符合要求4HD2014-0557 ≥100 122kN(试件变形未破坏)符合要求以下空白签发:审核:检测负责人说明1、本报告无“XXXXXXXXXXXXXXX检测有限公司检测报告专用章”、“计量认证CMA标志章”无效;多页报告无骑缝章无效。
至:线路新建工程施工项目部以下是拟用于工程的“线路工程质量检查及评级记录表”,监理部按《标准化作业手册》要求拟定,请施工项目部在各工序施工过程中根据实际施工情况对应表格如实填写。
(有不妥之处,请询监理项目部).线路工程质量检查及评级记录表目录:1,线基1 现浇铁塔(等高斜柱式)基础专检及评级记录表2,线基1—1 现浇铁塔(全方位高低腿斜柱式)基础检查及评级记录表3,线基1—2 插入角钢式现浇铁塔(高低腿)基础检查及评级记录表4,线基1-3 现浇钢管杆基础检查及评级记录表5,线基5 岩石、掏挖铁塔基础检查及评级记录表6,线基6 灌注桩基检查及评级记录表7,线塔1 自立式铁塔组立检查及评级记录表8,线线1 导、地线展放施工检查及评级记录表9,线线7 附件安装施工检查及评级记录表10,线地1 接地装置施工检查及评级记录表11,线防1 线路防护设施检查及评级记录表12,线线4 导、地线直线液压管施工检查及评级记录表13,线线5 导、地线耐张液压管施工检查及评级记录表14,线线6 紧线施工检查及评级记录表(耐张段)15,线统1 _____________分部工程(分项工程)评级统计表16,线统2 _____________单位工程质量评级统计表附件:表格现浇铁塔(等高直柱式)基础及评级记录表(自检)工程名称:线路新建工程监理工程师:专职质检员:施工负责人:检查人:岩石、掏挖现浇铁塔(全方位高低腿直柱式)基础及评级记录表(自检)工程名称:线路新建工程监理工程师:专职质检员: 施工负责人: 检查人:插入角钢式现浇铁塔(高低腿)基础检查及评级记录表工程名称:监理工程师:专职质检员:施工负责人: 检查人:线基1—3现浇钢管杆基础检查及评级记录表工程名称:监理工程师:专职质检员:施工负责人:检查人:岩石、掏挖铁塔基础及评级记录表(复检)工程名称:线路新建工程监理工程师: 专职质检员:施工负责人:检查人:线基6灌注桩基检查及评级记录表工程名称:监理工程师:专职质检员:施工负责人: 检查人:线塔1 自立式铁塔组立检查及评级记录表工程名称:监理工程师:专职质检员:施工负责人: 检查人:线线1 导、地线展放施工检查及评级记录表工程名称:监理工程师:专职质检员:施工负责人: 检查人:线线7附件安装施工检查及评级记录表工程名称:监理工程师: 专职质检员:施工负责人: 检查人:线地1接地装置施工检查及评级记录表工程名称:线路新建工程监理工程师:专职质检员:施工负责人: 检查人:线防1 线路防护设施检查及评级记录表工程名称:监理工程师:专职质检员:施工负责人: 检查人:线线4 导、地线直线液压管施工检查及评级记录表工程名称:监理工程师: 质检员: 施工负责人:检查人:线线5 导、地线耐张液压管施工检查及评级记录表工程名称:监理工程师:质检员:施工负责人:检查人:线线6 紧线施工检查及评级记录表(耐张段)监理工程师: 专职质检员: 施工负责人:检查人:线统1分部工程(分项工程)评级统计表工程名称:线统2单位工程质量评级统计表工程名称:。
报告编号:FH2014-08-01
检测报告
工程(项目)名称:XXXXXXXXXXXXXXX工程
样品名称:电力金具
检测项目:破坏载荷试验
委托单位:XXXXXXXXXXXXXXX有限公司
检测类备:来样检测
XXXXXXXXXXXXXXX检测有限公司
第1页共8页
XXXXXXXXXXXXXXX检测有限公司
检测综合报告
项目名称:XXXXXXXXXXXXXXX工程试件名称:电力金具
试件或样品信息来样为XXXXXXXXXXXXXXX有限公司现场抽检送检试样
金具厂家:成都电力金具总厂
金具型号:U型挂环U-7,共4套,编号为HD200532-0533; UL型挂环UL-12,共4套,编号为:HD200536-0537; 球头挂环 QP-10,共4套,编号为:HD200540-0541;碗头挂板WS-10,共4套,编号为:HD200544-0545;直角挂板Z-12,共4套,编号为:HD200548-0549;延长环PH-10,共4套,编号为:HD200552-0553;调整板DB-10,共4套,编号为:HD200556-0557。
取样部位/试件(样品)状态
合格
试件(样品)数量共28套代表数量/委托单位XXXXXXXXXXXXXXX有限公司委托编号
检测日期2014年08月02日检测地点
XXXXXXXXXXX
XXXX 检测环境温度:21℃湿度:55%RH
检测项目破坏载荷试验
检测参与人员XXXXXXXXXXXXXXX
检测依据(执行标准)GB/《电力金具机械实验方法第一部分:机械试验》GB/T2314-2008《电力金具机械通用技术条件》
GB/《电力金具机械实验方法第四部分:验收规则》
检测主要设备WE-60万能材料试验机(W4-436)。
检测结果描述所检项目符合标准技术要求,评定为合格。
备注无
签发:审核:检测负责人:
第2页共8页
XXXXXXXXXXXXXXX检测有限公司
电力金具破坏载荷试验报告
项目名称:XXXXXXXXXXXXXXX工程试件名称:U型挂环U-7委托单位XXXXXXXXXXXXXXX有限公司委托编号
设备型号WE-60设备编号2011437
GB/T2314-2008检验标准GB/验收标准
GB/
检测结果
序号试件编号标准要求(kN)试验结果及说明试验判定1HD2014-0530≥7084kN(试件变形未破坏)符合要求
2HD2014-0531≥7084kN(试件变形未破坏)
符合要求3HD2014-0532≥7084kN(试件变形未破坏)符合要求4HD2014-0533≥7084kN(试件变形未破坏)符合要求
以下空白
签发:审核:检测负责人
第3页共8页
XXXXXXXXXXXXXXX检测有限公司
电力金具破坏载荷试验报告
项目名称:XXXXXXXXXXXXXXX工程试件名称:UL型挂环UL-12委托单位XXXXXXXXXXXXXXX有限公司委托编号
设备型号WE-60设备编号2011437
GB/T2314-2008检验标准GB/验收标准
GB/
检测结果
试验判定序号试件编号标准要求(kN)试验结果及说明
5HD2014-0534≥120145kN(试件变形未破坏)符合要求
6HD2014-0535≥120145kN(试件变形未破坏)符合要求
签发:审核:检测负责人
第4页共8页
XXXXXXXXXXXXXXX检测有限公司
电力金具破坏载荷试验报告
10HD2014-0539≥100122kN(试件变形未破坏)符合要求
11HD2014-0540≥100122kN(试件变形未破坏)
符合要求12HD2014-0541≥100122kN(试件变形未破坏)符合要求以下空白
签发:审核:检测负责人
第5页共8页
XXXXXXXXXXXXXXX检测有限公司
电力金具破坏载荷试验报告
项目名称:XXXXXXXXXXXXXXX工程试件名称:碗头挂板WS-10委托单位XXXXXXXXXXXXXXX有限公司委托编号
设备型号WE-60设备编号2011437
GB/T2314-2008检验标准GB/验收标准
GB/
检测结果
序号试件编号标准要求(kN)试验结果及说明试验判定13HD2014-0542≥100122kN(试件变形未破坏)符合要求14HD2014-0543≥100122kN(试件变形未破坏)符合要求
15HD2014-0544≥100122kN(试件变形未破坏)
符合要求16HD2014-0545≥100122kN(试件变形未破坏)符合要求以下空白
签发:审核:检测负责人
第6页共8页
XXXXXXXXXXXXXXX检测有限公司
电力金具破坏载荷试验报告
项目名称:XXXXXXXXXXXXXXX工程试件名称:直角挂板Z-12委托单位XXXXXXXXXXXXXXX有限公司委托编号
设备型号WE-60设备编号2011437
GB/T2314-2008检验标准GB/验收标准
GB/
检测结果
序号试件编号标准要求(kN)试验结果及说明试验判定17HD2014-0546≥120145kN(试件变形未破坏)符合要求18HD2014-0547≥120145kN(试件变形未破坏)符合要求
19HD2014-0548≥120145kN(试件变形未破坏)
符合要求20HD2014-0549≥120145kN(试件变形未破坏)符合要求以下空白
签发:审核:检测负责人
第7页共8页
XXXXXXXXXXXXXXX检测有限公司
电力金具破坏载荷试验报告
项目名称:XXXXXXXXXXXXXXX工程试件名称:延长环PH-10
委托单位XXXXXXXXXXXXXXX有限公司委托编号
设备型号WE-60设备编号2011437
GB/T2314-2008检验标准GB/验收标准
GB/
检测结果
序号试件编号标准要求(kN)试验结果及说明试验判定21HD2014-0550≥100122kN(试件变形未破坏)符合要求22HD2014-0551≥100122kN(试件变形未破坏)符合要求23HD2014-0552≥100122kN(试件变形未破坏)符合要求
24HD2014-0553≥100122kN(试件变形未破坏)
符合要求以下空白
签发:审核:检测负责人
第8页共8页
XXXXXXXXXXXXXXX检测有限公司
电力金具破坏载荷试验报告
项目名称:XXXXXXXXXXXXXXX工程试件名称:调整板DB-10
委托单位XXXXXXXXXXXXXXX有限公司委托编号
设备型号WE-60设备编号2011437
GB/T2314-2008检验标准GB/验收标准
GB/
检测结果
序号试件编号标准要求(kN)试验结果及说明试验判定1HD2014-0554≥100122kN(试件变形未破坏)符合要求2HD2014-0555≥100122kN(试件变形未破坏)符合要求
3HD2014-0556≥100122kN(试件变形未破坏)
符合要求4HD2014-0557≥100122kN(试件变形未破坏)符合要求以下空白
签发:审核:检测负责人
说明
1、本报告无“XXXXXXXXXXXXXXX检测有限公司检测报告专用章”、“计量认证CMA标志章”无效;多页报告无骑缝章无效。
2、复制本报告未重新加盖本公司“试验专用章”或本公司公章无效。
3、本报告无检测负责人、审核人、授权签字人签字无效。
4、本报告涂改无效
5、若对本检验报告有异议,请在报告发出之后15日内向本公司提出,逾期将不予受理。
6、来样检测仅对样品负责,现场检测对检测部位负责。
7、本次检测为报告中所涉及的检测项目,检测结论仅适用于本报告中所标注的检测方法,并仅针对被检测试件的本次检测有效。
XXXXXXXXXXXXXXX检测有限公司
地址:昆明市经开区大石坝火电公司基地21幢
邮编:650218
电话:7、9
传真:08。