输电线路工程三级及以上动态风险计算书-2020
- 格式:doc
- 大小:350.72 KB
- 文档页数:9
电力三级及以上施工安全风险识别评估和预控清册12020年4月19日军营110千伏输变电工程(电力隧道)(第三标段)三级及以上施工安全风险识别、评估和预控清册一、三级及以上施工安全风险识别、评估及控制管理针对三级及以上施工安全风险,项目部应采取以下管理措施:(1)施工项目部是现场施工安全风险识别、评估及控制的执行主体。
组织项目部所有员工学习《国家电网公司电网工程施工安全风险识别、评估及控制办法(试行)》文件,确保施工项目部管理人员、施工人员熟悉施工安全风险管理流程及相关工作。
(2)开展现场初勘,确定本项目各工序固有风险。
编制《施工安全风险识别、评估、预控清册》,对三级及以上作业风险逐一进行复测并填写《施工作业风险现场复测单》。
(3)将《三级及以上施工安全风险识别、评估和预控清册》和《作业风险现场复测单》报监理项目部审核并报业主项目部备案。
(4)根据作业前动态因素,计算确定作业动态风险等级,建立《三级及以上施工安全风险动态识别、评估及预控措施台帐》,并根据动态风险等级采取相应措施。
22020年4月19日(5)三级及以上风险作业前,相关管理人员必须到岗到位。
(6)三级及以上风险作业必须填写《电网工程安全施工作业票B》。
同时,按照作业步骤填写《电网工程安全施工作业票B》中的作业风险控制卡有关项目,并由工作负责人逐项确认。
(7)将《三级及以上施工安全风险识别、评估和预控清册》报送公司审查,公司审查经过后报业主项目部和监理项目部审批。
(8)三级施工安全风险控制:施工班组负责人、安全员(监护人)和监理人员到场。
四级施工安全风险控制:施工单位要有分管领导组织现场检查,相关职能部门派专人监督,施工项目经理、专职安全员到位;监理单位要有分管领导组织现场检查,项目总监、安全监理工程师现场监督;建设单位要有分管领导组织现场检查,业主项目经理、业主项目部安全专职现场监督;省级公司要有基建安全管理人员适时开展监督检查。
项目部经过动态识别、计算得知,开挖深度大于5米的开挖作业内容的风险等级为3级。
输变电工程固有风险汇总清册
(1)编写专项施工方案。
(2)填写《安全施工作业票B》,作业前通知监理旁站。
(3)使用前应检查并确认电动机、电缆线均正常保护接地良好,防护装置安全有效,锯片选用符合要求,安装正确。
(4)启动后,应空载运转,检查并确认锯片运转方向正确,升降机构灵活,运转中无异常和异响,一切正常后,方可作业。
(5)混凝土切割时应注意被切割混凝土的力变化。
防止卡锯片、绳锯等。
(6)混凝土切割作业中,当工件发生冲击、跳动及异常音响时,应立即停机检查排除故障后,方可继续作业。
军营110千伏输变电工程(电力隧道)(第三标段)三级及以上施工安全风险识别、评估和预控清册一、三级及以上施工安全风险识别、评估及控制管理针对三级及以上施工安全风险,项目部应采取以下管理措施:(1)施工项目部是现场施工安全风险识别、评估及控制的执行主体。
组织项目部所有员工学习《国家电网公司电网工程施工安全风险识别、评估及控制办法(试行)》文件,确保施工项目部管理人员、施工人员熟悉施工安全风险管理流程及相关工作。
(2)开展现场初勘,确定本项目各工序固有风险。
编制《施工安全风险识别、评估、预控清册》,对三级及以上作业风险逐一进行复测并填写《施工作业风险现场复测单》。
(3)将《三级及以上施工安全风险识别、评估和预控清册》和《作业风险现场复测单》报监理项目部审核并报业主项目部备案。
(4)根据作业前动态因素,计算确定作业动态风险等级,建立《三级及以上施工安全风险动态识别、评估及预控措施台帐》,并根据动态风险等级采取相应措施。
(5)三级及以上风险作业前,相关管理人员必须到岗到位。
(6)三级及以上风险作业必须填写《电网工程安全施工作业票B》。
同时,按照作业步骤填写《电网工程安全施工作业票B》中的作业风险控制卡有关项目,并由工作负责人逐项确认。
(7)将《三级及以上施工安全风险识别、评估和预控清册》报送公司审查,公司审查通过后报业主项目部和监理项目部审批。
(8)三级施工安全风险控制:施工班组负责人、安全员(监护人)和监理人员到场。
四级施工安全风险控制:施工单位要有分管领导组织现场检查,相关职能部门派专人监督,施工项目经理、专职安全员到位;监理单位要有分管领导组织现场检查,项目总监、安全监理工程师现场监督;建设单位要有分管领导组织现场检查,业主项目经理、业主项目部安全专职现场监督;省级公司要有基建安全管理人员适时开展监督检查。
项目部经过动态识别、计算得知,开挖深度大于5米的开挖作业内容的风险等级为3级。
三级及以上施工安全风险清册及计算公式见附表。
电网工程动态施工安全风险值计算许荣生为了保证电网工程施工安全风险始终处于可控、在控、能控状态,必须按照动态识别、科学评估、分级控制的原则,通过对固有风险分析,动态风险识别、评估,确定风险等级,采取不同的管理措施。
1.计算依据:《国家电网公司电网工程施工安全风险识别、评估及控制办法(试行)》国家电网基建[2011]1758号。
2.计算公式:2.1固定风险值计算D1=L1×E1×C1————公式(1)(1)式中的L1——发生事故或风险事件的可能性,按A.2.1.1(L1)表取值。
A.2.1.1(L1)表(1)式中的E1风险事件出现的频率程度, 按A.2.1.2(E1)表取值。
A.2.1.2(E1)表(1)式中的C1发生风险事件产生的后果按A.2.1.3(C1)表取值。
A.2.1.3(C1)表2.2动态风险值计算 动态风险值D 2=KD 1————公式(2)(2)式中D 1————固定风险值;K ————动态调整系数。
Nbjk i ∑==61=6654321bjU bj U bj U bj U bj U bj U +++++————公式(3)公式(3)中的jb ——对应维度Ui中各子项风险因素风险值的平均值。
维度实际情况与K 值的取值关系表3例题例如输电线路的一般土石方开挖工程,当采取机械开挖时,可能产生的危险是坍塌。
3.1其固定风险值按D 1= L 1×E 1×C 1————公式(1)计算当L 1=6(发生的可能性为相当可能),E 1=0.5(风险事件出现的频率程度为非常罕见),C 1=7(发生风险事件产生的后果为严重损失),代入固定风险值D 1=L 1×E 1×C 1=6×0.5×7=21, 3.2动态风险值按D 2=KD 1————公式(2)计算(2)式中D1=21——固定风险值;K ——动态调整系数按Nbjk i ∑==61=6654321bjU bj U bj U bj U bj U bj U +++++公式(3)计算U 1bj =51514131211U U U U U ++++=514.07.07.07.0++++=0.7;bj U 2=3232221U U U ++=317.04.0++=0.367 ;bj U 3=3333231U U U ++=37.04.01++=0.7bj U 4=24241U U +=24.07.0+=0.55bj U 5=454535251U U U U +++=47.0114.0+++=0.775bj U 6=56564636261U U U U U ++++=57.07.07.04.04.0++++=0.58,;代入公式(3)k=6654321bjU bj U bj U bj U bj U bj U +++++=658.0775.055.07.0367.07.0+++++=0.612动态风险值按D 2=KD 1=3.34612.021=;其对应的风险等级按表A.2.1.4对照,在20~70区间,属于2级风险等级。
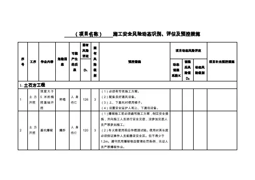
110KV输变电工程三级及以上固有安全风险识别和预控措施汇总山西跃通电力工程有限公司二O一二年六月1110KV输变电工程三级及以上固有安全风险识别和预控措施汇总序号工序作业内容可产生的危险固有风险评定D1固有风险级别预控措施四、输电线路工程部分3.土石方工程3.4 特殊基坑开挖作业3.4.1泥沙流沙坑开挖坍塌82 3泥沙坑、流沙坑施工中容易塌方。
严格按照方案采取档泥沙板措施,以上这两种情况施工时,应派专人安全监护,随时检查坑边是否有裂纹出现,做好安全监护。
5.杆塔施工5.2 悬浮抱杆分解组立5.2.3抱杆系统布置起重伤害90 3(1)组塔前,应根据作业指导书的要求分拉线坑,各拉线间以拉线及对地角度要符合措施要求,技术员或安全员负责检查。
(2)抱杆直接支在松软土质时,根部采取防沉措施;支在坚硬或冻结地面时,根部采取防滑措施。
(3)钢丝绳端部用绳卡固定连接时,绳卡压板应在钢丝绳主要受力的一边,且绳卡不得正反交叉设置;绳卡间距不应小于钢丝绳直径的6倍;绳卡数量应符合规定。
5.2.4地锚坑选择及设置物体打击、起重伤害120 3工作票上应注明坑深尺寸,地锚埋设前,派专人测尺检查,深度足够,挖好马道,回填夯实后,负责人检查后在工作票上签字确认。
5.2.9吊装塔头物体打击、机具142 3严格按作业指导书安全技术要求,按抱杆的吊载计算,仔细核对图纸手册的吊段重量参数,严禁超重吊装。
2序号工序作业内容可产生的危险固有风险评定D1固有风险级别预控措施伤害5.3 5.4 落地通天抱杆分解吊装组立(带摇臂)5.3.2临时地锚布置物体打击125 3 总牵引地锚、制动系统中心、抱杆顶点及杆塔中心四点必须在同一垂直面上,不得偏移。
5.3.6慢速起立起重伤害135 3 启动绞磨,慢速牵引,使牵引滑轮组各绳受力均匀。
5.4.2临时地锚布置机具伤害120 3(1)地锚埋设前,应派专人检查深度,马槽的开挖情况,受力方向。
(2)回填土应夯实。
军营110千伏输变电工程(电力隧道)(第三标段)三级及以上施工安全风险识别、评估和预控清册一、三级及以上施工安全风险识别、评估及控制管理针对三级及以上施工安全风险,项目部应采取以下管理措施:(1)施工项目部是现场施工安全风险识别、评估及控制的执行主体。
组织项目部所有员工学习《国家电网公司电网工程施工安全风险识别、评估及控制办法(试行)》文件,确保施工项目部管理人员、施工人员熟悉施工安全风险管理流程及相关工作。
(2)开展现场初勘,确定本项目各工序固有风险。
编制《施工安全风险识别、评估、预控清册》,对三级及以上作业风险逐一进行复测并填写《施工作业风险现场复测单》。
(3)将《三级及以上施工安全风险识别、评估和预控清册》和《作业风险现场复测单》报监理项目部审核并报业主项目部备案。
(4)根据作业前动态因素,计算确定作业动态风险等级,建立《三级及以上施工安全风险动态识别、评估及预控措施台帐》,并根据动态风险等级采取相应措施。
(5)三级及以上风险作业前,相关管理人员必须到岗到位。
(6)三级及以上风险作业必须填写《电网工程安全施工作业票B》。
同时,按照作业步骤填写《电网工程安全施工作业票B》中的作业风险控制卡有关项目,并由工作负责人逐项确认。
(7)将《三级及以上施工安全风险识别、评估和预控清册》报送公司审查,公司审查通过后报业主项目部和监理项目部审批。
(8)三级施工安全风险控制:施工班组负责人、安全员(监护人)和监理人员到场。
四级施工安全风险控制:施工单位要有分管领导组织现场检查,相关职能部门派专人监督,施工项目经理、专职安全员到位;监理单位要有分管领导组织现场检查,项目总监、安全监理工程师现场监督;建设单位要有分管领导组织现场检查,业主项目经理、业主项目部安全专职现场监督;省级公司要有基建安全管理人员适时开展监督检查。
项目部经过动态识别、计算得知,开挖深度大于5米的开挖作业内容的风险等级为3级。
三级及以上施工安全风险清册及计算公式见附表。
220kV山越一线N18~N23杆塔改造工程三级及以上风险动态风险计算书220kV山越一线N18~N23杆塔改造工程三级及以上风险动态风险计算书工程公司2020年 08月- 1 -220kV山越一线N18~N23杆塔改造工程三级及以上风险动态风险计算书批准(分管领导)年月日技术审核(技术部门)年月日安全审核(安全部门)年月日编写(项目总工)年月日- 2 -220kV山越一线N18~N23杆塔改造工程三级及以上风险动态风险计算书220kV山越一线N18~N23杆塔改造工程三级以上动态风险计算书一、计算依据《国家电网公司输变电工程施工安全风险识别评估及预控措施管理办法》国网(基建/3)176-2015国家电网公司关于印发国家电网公司输变电工程施工安全风险预警管控工作规范(试行)的通知(国家电网安质〔2015〕972号)国网四川省电力公司关于印发《国家电网公司电力安全工作规程(电网建设部分)》(试行)宣贯落实工作方案的通知(川电安监〔2016〕15号)二、LEC安全风险评价方法定义及计算方法1.LEC 安全风险评价方法定义LEC 法是对具有潜在危险性作业环境中的危险源进行半定量的安全评价方法。
该方法采用与系统风险率相关的三方面指标值之积来评价系统中人员伤亡风险大小。
这三方面分别是:L为发生事故的可能性大小;E为人体暴露在这种危险环境中的频繁程度;C为一旦发生事故会造成的损失后果。
风险值D=L×E×C。
D值越大,说明该系统危险性大,需要增加安全措施,或改变发生事故的可能性,或减少人体暴露于危险环境中的频繁程度,或减轻事故损失,直至调整到允许范围内。
值得注意的是,LEC风险评价法对危险等级的划分,一定程度上凭经验判断,应用时需要考虑其局限性,根据实际情况予以修正。
2.固有风险值计算固有风险值采用LEC法定量计算,固有风险等级根据固有风险值的大小确定。
固有风险值D1=L1×E1×C1。
2.1.固有风险因素 L1、E1、C1取值及风险值 D1与风险等级关系表220kV山越一线N18~N23杆塔改造工程三级及以上风险动态风险计算书2.1.1 发生事故或风险事件的可能性(L1)2.1.2:风险事件出现的频率程度(E1)2.1.3:发生风险事件产生的后果(C1)2.1.4:风险值 D 与风险等级关系表- 4 -作业过程中要有专人监护20≤D<70一般风险,需要注意 2<20 稍有风险,但可能接受 1输变电工程施工安全风险等级划分为五级:一级风险(稍有风险):指作业过程存在较低的安全风险,不加控制可能发生轻伤及以下事件的施工作业;二级风险(一般风险):指作业过程存在一定的安全风险,不加控制可能发生人身轻伤事故的施工作业;三级风险(显著风险):指作业过程存在较高的安全风险,不加控制可能发生人身重伤或死亡事故,或者可能发生七级电网事件的施工作业;四级风险(高度风险):指作业过程存在很高的安全风险,不加控制容易发生人身死亡事故,或者可能发生六级电网事件的施工作业;五级风险(极高风险):指作业过程存在极高的安全风险,不加控制可能发生群死群伤事故,或者可能发生五级电网事件的施工作业。
3.动态风险值计算3.1.施工作业必备条件指标表1施工作业必备条件指标判定序号指标正常情况赋值否决赋值判定作业人员按规定要求经相应的安全生 1 未培训、未按规定要求培训不得1 安全培训产教育和岗位技能培训,并或考核不合格。
施工Ua 考核合格。
特种作业按照规定要求,取得相关从未取得相应从业资格证或不得2 人员持证业资格证或作业证。
1作业证。
施工上岗Ub作业人员经医师鉴定,无妨作业人员未经医师鉴定或职业禁忌碍工作的病症。
存在职业禁忌者从事相关不得3 1 有害作业。
职业禁忌判定参Uc 施工考《职业健康监护技术规范》GBZ188-2007。
按相关规定,无超龄或年龄4 作业人员不足人员参与作业。
(年龄不1有超龄或年龄不足人员参不得年龄Ud 小于18周岁,高处作业人与作业。
施工员最大年龄不大于45周岁)设备设施施工机械、设备应有合格证不得5 定期检测并按要求定期检测,且检测 1 无合格证或检测不合格。
施工Ue 合格。
设备和工按照规定对设备和工器具进未开展准入检查;或检查不不得6 器具准入 1行准入检查,且检查合格。
合格。
施工检查Uf安全防护按规定配备合格的安全防护未按规定配备合格的安全不得7 用品配备 1用品。
防护用品。
施工情况Ug8 材料合格结构性材料均有合格证。
1 结构性材料合格证不全。
不得证Uh 施工9 材料送检根据相关规定,要求送检的1 未按规定要求送检材料。
不得率Ui 材料均送检并符合要求。
施工安全文明施工现场符合Q/GDW250-2009 标准不得10 施工设施Q/GDW250-2009 中强制 1强制性内容未落实。
施工Uj 性标准要求。
施工安全相应按照《国家电网公司基未制定;技术方案建安全管理规定》中附录B、未审核审批;不得11 (措施)C、D所列分部分项工程制 1未交底。
施工及专家论定专项施工方案,并审批(或证Uk 专家论证)。
作业票办《国家电网公司基建安全管理规定》中附录E所列作业未办理作业票。
不得12 理及交底 1须办理作业票,并审批,交未按规定交底。
施工情况Ul底后实施。
3.2.动态调整系数计算方法动态风险值D2= D1/k动态调整系K:4∑ a i• b jk= i =1N- 6 -式中:N=4(4 个维度) a i ----对应维度 Ui 的重要性评价权重值b j ---对应维度 Ui 中各子项风险因素的平均值在输变电工程中,各维度相对重要性暂时统一按较高考虑,即 ai=1,项目动态风险调整系数采用简易评价法,即:4 ∑ b jk = i = 1N维度实际情况与各维度风险因素风险取值关系,见表 2。
表 2 维度实际情况与 K 值的取值关系维 险值 b j 子项U ij 10.60.3度 U i作业人员施 主要作业人员都有 3 项及以 超过 50%的主要作业人主要作业人员无同类员有 3 项及以上同类项目工经验 U 11 上同类工程项目经验。
项目经验。
经验。
作业人员体检合格;人员一个 作业人员体检合格;人员作业人员体检合格;人作业时间大于 8 但不超过作业人员生 工作日平均工作时间不超过 8 员作业时间大于 10 小10 小时,且夜间作业时间人 U 1理状态 U 12 小时,且夜间作业时间占总工时,夜间作业时间占总 占总工期大于 20%但不期比重不超过 20%。
工期大于 30%。
超过 30%。
指挥人员技指挥人员具有 3 个及以上同 指挥人员具有 1 或 2 个同 指挥人员无同类项目能 及 经 验类项目现场指挥经验。
类项目现场指挥经验。
现场指挥经验。
U 13机械设备性 设备已使用时间未超过设备 设备已使用时间达到设备 设备使用时间已超过 使用年限,但经过鉴定可 设备使用年限,且未经能 U 21使用年限的。
机 U 2以降级使用的。
检定合格。
机械设备维 建立完善的维修保养体系,且 建立完善的维修保养体 建立完善的维修保养 修保养 U 22 保养记录齐全;外观检查,工 系,外观检查,工况一般。
体系,保养记录不齐- 7 -U ij 1 0.6 0.3 度U i况良好。
全,工况较差。
起吊荷载大于起重机械额起吊荷载大于起重机机械设备负起吊荷载不超过起重机械额械额定起重量的95%,定起重量的90%但不超荷情况U23 定起重量的90%。
或者两台机械实行台过95%。
吊作业的。
施工工期满足合理工期要求。
达到80%及以上合理工未达到80%及以上合U31 期的。
理工期的。
非常复杂,隔离措施难以实施,施工场地影响周围环境周边环境开阔,隔离措施完学校、城镇、人流密集场范围内有历史文物、地所或施工场地狭窄等较复铁、共同沟、大直径管U32 善,便于施工。
杂的周边环境。
道、大型压力总水管等重要建筑物及设施,或夜间施工。
不良天气(气温高于5℃坏天气(温度高于但不超过17℃ 或高于正常状态(气温大于17℃但35℃或低于 5℃,风速26℃但不超过 35℃,风不超过26℃ ,风速不超过大于5.4m/s但不超气候情况速大于1.5m/s但不超过1.5m/s,无降雨或有降雨但过10.8m/s,降雨量U33 5.4 m/s ,降雨量大于降雨量不超过9.9mm等条件大于24.9mm但不超9.9 mm 但不超过环境均满足)。
过49.9 mm等条件中24.9mm 等条件中的任U3 的任意一项)。
意一项)。
地质条件中硬土或中软土;软弱土;坚硬土或岩石,且无地下水。
单位出水量不超过单位出水量大于U3410L/min·m。
10L/min·m。
交通运输环运输路线可事先确定,运输通运输路线可事先确定,路路况较差,运输通道存境U35 道畅通、路况良好。
况一般,但险情可控。
在不可控险情。
作业地点与带电体的距离作业地点与带电体的临近带电作作业地点与带电体的距离大大于《安规》表1规定的距离小于相关法规、标而小于《安规》表2规定准、规程等规范规定的业U36 于《安规》表2规定的距离。
的距离,且按照规定要求安全距离,未按照规定采取完善的安全措施。
要求采取安全措施。
交叉作业环有交叉作业,且事先有制临时出现交叉作业,未无交叉作业订交叉作业专项作业方事先制订交叉作业专境U37案。
项作业方案。
管理安全保证、安全保证、监督体系完善,人安全保证、监督体系较为体系不完善,人员未到监督体系U4 员到位。
完善,人员基本到位。
岗到位。
U41- 8 -U ij 1 0.6 0.3 度U i项目部、施工队按要求配项目部、施工队、作业项目安全人项目部、施工队、作业点按规点两个或两个以上部备安全员,作业点未按要员配备U42 定要求配置安全员。
门未按规定配备安全求配备安全员。
员。
安全管理目目标明确,并进行细化分解,目标未细化,措施针对性、无安全管理目标,或未标、措施措施完善,有针对性和操作可操作性较差。
建立安全管理体系。
U43 性。
班前安全活按规定实施,内容具有针对按规定实施,内容针对性未按规定实施。
动U44 性。
较差。
安全监督检按规定实施,整改闭环,落实按规定进行监督检查,但未按规定进行监督检查、验收未对整改项目进行复查落到位。
查和验收。
U45 实。
应急救援预编制完整的应急预案体系并编制应急预案体系不完未编制应急预案,未开案与演练整,未按规定开展应急演按规定开展应急演练。
展应急演练。
U46 练。
安全教育活按规定开展安全教育活动,教按规定开展安全教育活未按规定开展安全教动开展情况育活动具有针对性,记录齐动,但针对性较差,或记育活动。
U47 全。
录不齐全。
三、计算结果- 9 -。