项目目标成本分析模板(适用传统、EPC项目)
- 格式:xls
- 大小:60.50 KB
- 文档页数:1
项目成本分析报告尊敬的XXX先生/女士:以下是对项目成本进行详细分析的报告,旨在帮助您更好地了解项目的财务情况。
本报告按照标准的财务报告格式进行编写,包括项目概述、成本分析以及结论等部分。
请您详细阅读。
一、项目概述项目名称:XXX项目项目周期:起始日期 - 截止日期项目目标:在项目周期内完成XXX任务,实现XXX目标项目预算:根据报价和费用估计,预计项目总投资为XXX金额二、成本分析1. 直接成本直接材料成本:XXX金额直接人工成本:XXX金额直接设备/工具消耗成本:XXX金额直接外包/分包成本:XXX金额合计直接成本:XXX金额2. 间接成本间接材料成本:XXX金额间接人工成本:XXX金额间接设备/工具消耗成本:XXX金额间接外包/分包成本:XXX金额合计间接成本:XXX金额3. 预期风险成本预期风险成本:XXX金额4. 总成本总成本 = 直接成本 + 间接成本 + 预期风险成本总成本:XXX金额三、成本分析说明1. 直接成本分析直接材料成本占比:占总成本的XX%直接人工成本占比:占总成本的XX%直接设备/工具消耗成本占比:占总成本的XX%直接外包/分包成本占比:占总成本的XX%2. 间接成本分析间接材料成本占比:占总成本的XX%间接人工成本占比:占总成本的XX%间接设备/工具消耗成本占比:占总成本的XX%间接外包/分包成本占比:占总成本的XX%3. 预期风险成本分析预期风险成本占比:占总成本的XX%主要风险因素:详细列出项目可能面临的风险,并分析其可能对成本的影响四、结论根据对项目成本的分析,我们可以得出以下结论:1. 直接成本占总成本的比重较大,其中直接材料成本和直接人工成本是主要构成部分。
2. 间接成本的占比相对较小,但仍需予以关注。
3. 预期风险成本对项目成本产生了一定的影响,特别需要注意和管理。
衷心希望以上分析对您的决策和管理有所帮助。
如有任何问题或需要进一步讨论,请随时与我们联系。
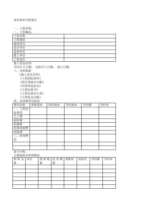
工程建筑工程项目成本分析报告(样本)编制单位:编制人:项目经理:日期:2013 年09 月25日成本分析报告审批表项目名称: 2013年05月项目成本分析报告目录一、项目基本情况介绍二、合同主要条款三、本次成本分析节点四、项目效益及成本费用情况(一)收入、成本费用的确认原则(二)项目效益情况及成本费用情况(三)预算成本与实际成本对比费用节超分析1、人工费分析2、材料费分析3、机械费分析4、间接费分析五、项目成本控制存在的风险六、项目预计索赔利润分析七、存在的问题与不足八、改进措施一、项目基本情况工程项目位,工程为A03、A05、A07、A09地块内住宅、商业、网点及配套建筑等,总建筑面积约30万平米;结构类型:框架、框剪、剪力墙;层数:高层、小高层、多层。
建设单位为鸡西恒祥房地产开发有限公司,监理单位为鸡西银建工程建设监理有限公司工期: 2011年09月25日---------2013年06月30日造价暂定:480,000,000.00(大写:肆亿捌仟万元整)二、合同主要条款(一)、计价依据(1)人工费人工费工日单价按2010年定额53元/工日的计算,同时按照《关于发布二O一O年建筑安装等工程结算指导意见的通知》(黑建造价[2010]12号)调增人工费价差。
调增装饰工程22元/工日、其他工程12元/工日。
施工期内造价相关文件对定额人工费做出调整的,按文件规定调整人工费。
(2)通用措施费通用措施费按下表系数计取:单位:%(3)企业管理费企业管理费的计取不超过下表系数:单位:%(4)利润利润的计取不超过下表系数:单位:%(二)、付款条件付款方式:单体建筑完成地上二层顶板混凝土浇筑,发包人支付该单体首次工程进度款,承包人报送该单体工程进度款拔付申请并附形象进度工程量清单,发包人在7日内审核完成,按应拔付工程进度款的80%支付。
拨付过首次工程进度款的单体工程,以后进度款按月支付,每月25日承包人报送工程进度款拔付申请并附形象进度工程量清单,发包人在7日内审核完成,按应拔付工程进度款的80%支付。
工程项目成本分析模板
一、简介
本模板主要涉及工程项目成本分析的基本原理及流程、重要的参数和
变量,以及各种成本分析技术、工具。
本模板可作为企业实施工程项目前
所必须进行的一项重要步骤,以便于为企业投资决策提供科学依据。
二、工程项目成本分析的基本原理
1、工程项目成本分析是一种重要的经济决策分析方法,它主要是通
过对工程项目价格、投资及其他影响因素进行分析,预测该工程项目可能
产生的成本及其他经济收益,从而为企业投资决策提供科学依据。
2、工程项目成本分析的原则和技术是把投资费用、本金、支出、收入、产品销售价格、投资期限、产品销售量、投资回报率等分析综合起来,以评价不同的工程项目投资可能带来的效益,形成最优的投资组合方案。
单位:元
二级单项目经理:
编制
6、BT项目、垫资有利息收入的项目利息收入及计划成本在第八项中单独列示,无利息收入的,利息支出费用在第七项2.7中列示。
5、超高层收入按人工与机械的比例分别计入劳务费与机械费项目中。
4、机电安装工程分包施工,按总数填列。
3、中小型机械如由劳务分包提供,费用计入劳务费中,如项目提供,单独列入“中小型机械中”。
说明:1、项目可根据实际需要增减明细项。
2、要求项目实际成本归集时按计划成本明细项归集,便于比较分析、管理控制。
工程项目成本分析表
项目名称: 所属单位:
1。
项目成本分析报告范本中一项目成本分析报告一、工程慨况1、工程名称:xxxxx工程2、工程地点:xxxxxx3、结构类型:框架4、建筑面积:39600 m25、建筑物高度及层数:5.4 m -23 m不等,1-3层不等6、单位建筑面积钢筋含量:102kg/ m27、主要合同条款:1)、施工内容:土建结构与装修及市政道路;2)、合同总价 5067万元,单方造价 1278.79元;3)、质量安全目标:广州市样板工程;4)、工程款支付方式及支付比例:合同签定后七天内发包人支付备料款按中标总价的25%,进度款按每月已完工程量的95%支付,最后一个月进度款支付至90%,待竣工结算后付至95%,余款作为保修金。
8、项目承包合同条款:项目人数24人,承包工期255天,承包总价 4612万元。
9、劳务分包情况:分包单位:分包内容:主体结构施工及装修等全部工作内容;项目承包人工费638万元。
结算方式:工程量据实结算,单价包干。
10、本次经济活动分析报告,截止时间为20xx年12月31日。
二、编制依据1、预算收入是根据......建设工程造价信息,实际工程量。
2、合同收入是根据实际工程量及合同综合单价编制。
3、安装与洁具的配合费未进入。
4、钢管、扣件等损失费用未进入。
三、项目成本收支情况详细情况见下表:序号名称单位收入实际支出盈亏1人工费元4565799.05 7893130.60 -3327331.55 2材料费元27202162.25 30957642.25 -3755980.00 3机械费元1646965.62 1339118.62 307847.004专业分包元18068703.13 16665759.25 1402943.88 5其他直接费元1784079.32 522804.8 1261274.52 6间接费元2021447.92 1476210.54 542237.38 7管理费元928742.32 850000 78742.328利润元1369739.81 1369739.819税金元2002.96 2002.96 10签证元454065.13 454065.13 序号名称单位收入实际支出盈亏11其他费用元191300-191300 12元642510. 9 909604.52-267093.62合计60681728.41 62806583.54-2124855.13 (一)、人工费人工费分析表:序号名称单位收入实际支出盈亏定额含量单价合价(元)实际工程量综合单价(元)1人工费4565799.057893130.60-3327331.552工日152193.3030.004565799.05合计4565799.057893130.60-3327331.55从表中反映人工费超支332.73万元(人工费单价内包含小型机械、铁丝、铁钉、墙面涂料底层腻子等)。
epc项目成本测算报告模板[项目名称]成本测算报告1. 项目概述:- 项目名称:- 项目目标:- 项目规模:- 项目周期:2. 测算方法:- 测算依据:- 测算范围:- 测算假设:- 测算数据来源:3. 成本分析:- 人工成本:- 人员工资:- 人员培训费用:- 材料成本:- 原材料费用:- 设备费用:- 外包成本:- 外包服务费用:- 外部咨询费用:- 设备租赁成本:- 建筑租赁成本:- 其他成本:4. 风险预测:- 风险因素:- 风险概率:- 预测结果:- 应对措施:5. 成本估算总结:- 总成本估算:- 成本分布:- 详情请参见附表:6. 附表(示例):- 人工成本表:| 人员名称 | 工资 | 培训费用 ||-----------|--------------|--------------|| 张三 | 5000 | 1000 || 李四 | 6000 | 1500 |- 材料成本表:| 材料名称 | 单价 | 数量 | 总金额 | |-----------|-----------|-----------|-------------|| A材料 | 10 | 100 | 1000 || B材料 | 20 | 200 | 4000 |- 外包成本表:| 项目名称 | 服务费用 | 咨询费用 ||-----------|--------------|--------------|| 外包项目1 | 5000 | 2000 || 外包项目2 | 6000 | 2500 |以上报告仅为示例,实际成本测算报告根据项目具体情况进行调整和填写。
XXX工程
项目目标成本分析资料
编制单位:
编制日期: 年 月 日
编制说明
一、编制依据
二、工程概况
1、工程名称:
2、建设地点:
3、建设单位
4、建设工期:
5、工程内容:
6、付款方式:
7、材料调价方式:
8、其他及奖罚形式:
三、工程中标情况
四、成本分析结果
1、工程直接费成本:0元
2、其他直接费成本:0元
3、间接费成本:0元
4、税金:0元
5、利费额及指标:0元利费指标:0.00%
五、主要测算项目说明
六、各种风险及二次经营对项目经营目标产生的影响因素分析
目标成本分析汇总表(表一)
间接费目标成本分析表(表二)
其他直接费目标成本分析表(表三)
第 6 页,共 10 页
材料市场价格汇总表(表八)。
第X工程有限公司X项目经理部成本分析报告目录一、项目概况...................................................................................................... - 2 -二、施工生产进度情况...................................................................................... - 2 -三、验工计价情况分析...................................................................................... - 2 -四、项目经营状况.............................................................................................. - 3 -五、责任成本完成情况...................................................................................... - 3 -六、变更索赔进展情况.................................................................................... - 13 -七、下步管理工作中拟采取的措施(明确完成时限及相关责任人)....... - 14 -XX项目责任成本分析报告一、项目概况本项目部为XX标段,建设单位为XX公司,设计单位为XX有限责任公司,监理单位为XX有限公司。
(一)管段施工里程:(二)合同工期:(三)合同造价:(四)主要工程量:二、施工生产进度情况(一)对上验工计价:截止月日,本期完成产值xx万元,开累完成产值xx万元,本期验工计价xx万元,开累验工计价xx万元(直委管项目应扣除集团公司管理费),已完未验工xx万元。
XX项目成本分析报告(样本)编制单位: ****项目经理部编制人:审核人:编制时间:XX项目20XX年第X期(节点/月/季度)成本分析报告一、项目概况1、项目基本情况:对项目的结构形式(框架、框筒、框剪、筒体、钢结构、网架结构等),建设地点,建筑规模(建筑面积,分地上、地下建筑面积,功能,层高等)进行简要描述。
2、承包范围:(此处文字说明要详细描述合同内我方承包范围)(例如):2.1自行施工部分:主体工程、粗装修工程及水电安装工程,除甲方指定分包部分其它均由我方施工;2.2甲指分包:土方工程、桩基础工程、边坡支护工程、户外强电、消防工程、弱电工程、铝合金门窗、门面及车库门、防盗门及入户门、电梯及设备、通风排烟工程、地下室桥架及电缆、阳台栏杆、园林绿化工程、燃气工程、二次装修工程(含门厅及会所)等。
3、合同条件:3.1合同总额:3.2合同计量计价及材料调差原则:(合同约定的相关条款)3.3合同结算方式、结算时间等:(合同约定的相关条款)3.4合同支付相关约定:(合同约定的相关条款。
如工程款支付方式、支付时间、支付比例等等)3.5合同工期及开竣工日期:(按照合同及实际情况进行描述)3.6合同质量约定情况:(描述主要指标和重要条款)二、《项目风险抵押目标责任书》主要责任指标:(描述主要指标和重要条款)三、本期(节点/月/季度)工程形象进度(项目商务经理自己输文字)根据项目实际情况简要描述工程本核算节点完工状态,工期情况,可以表格形式反映。
如下表:四、项目成本管控情况(以图表配合文字方式叙述)如:本项目从开工至年月累计完成施工产值(含税)元,实际支出总成本(含税)元,实现利润元,含税毛利率为 %。
其中:累计人工费(扩大劳务分包、清包)盈利(亏损)元,材料费盈利(亏损)元,机械费盈利(亏损)元,措施费盈利(亏损)元,专业分包盈利(亏损)元,管理费(间接费)盈利(亏损)元等。
项目总体收支情况、分项成本情况分析如下:1、项目利润单位:万元前期累计本期累计名称1 2 3=1+2合同预算收入(含税)实际成本(不含税金)税金净利润利润率2、项目开工至本期总体收支情况统计表(以柱状图表示合同产值收入与实际成本,科目根据《中国建筑第四工程局有限公司项目成本费用计算及摊销指南》设为人工费、材料费、机械费、专业分包工程费、措施费、管理费、规费、利润、其它、税金科目,并另加利润设置,且满足Σ实际各科目费用=Σ预算各科目费用=按合同计价计量原则计算收入)3.项目实际成本组成分析单位:万元4、本期(节点/月/季度)项目实际成本、计划成本与责任成本对比分析表单位:万元说明:本表反映了项目的管理能力、程度、好坏5、分项成本分析5.1人工费分析人工费分析表单位:万元说明:正值为成本超支,负值为成本节约分析时先按整体情况进行分析,即对人工费总的节超进行说明,再对分项工程盈亏进行说明。
epc工程成本分析报告标题:EPC工程成本分析报告一、引言EPC(Design, Procurement and Construction)工程是一种将设计、采购和施工全流程进行一体化管理的工程模式。
EPC工程成本分析是评估工程项目成本的关键环节,通过对设计、采购和施工等环节的成本进行分析,可以为项目制定合理的预算和控制成本提供指导。
本报告旨在对EPC工程的成本进行全面分析,以提供决策者参考。
二、设计成本分析设计成本是EPC工程的第一环节,直接影响着后续采购和施工工作。
设计成本主要包括设计人员费用、设计软件费用、设计咨询费用等。
设计人员费用占据设计成本的主要部分,通常根据设计师的工作经验和设计项目的规模、难度进行计算。
设计软件费用是指用于设计的计算机软件购买费用,根据软件的功能和证书类型来计算。
设计咨询费用是指请外部专业咨询机构对设计进行评审和指导所需支付的费用。
三、采购成本分析采购成本是EPC工程的核心环节,涉及到原材料、设备和劳动力等方面的成本。
原材料成本占据采购成本的很大比例,根据工程规模和所需材料的种类、质量进行计算。
设备成本是指购买和安装所需设备的费用,通常根据设备类型、数量和供应商给出的报价进行计算。
劳动力成本包括工程人员的工资、福利和机械设备操作员的工资等,通常按照人员数量和工时进行计算。
四、施工成本分析施工成本是EPC工程中最直接的成本,主要包括人工费用、机械设备费用、土建材料费用等方面。
人工费用占据施工成本的重要部分,直接与工程的进度和质量相关,需要根据工程规模和工期进行计算。
机械设备费用是指用于施工的各种工程机械的购买和使用费用,根据机械种类和使用时间进行计算。
土建材料费用是指施工过程中所使用的各种建筑材料的购买费用,根据所需材料的种类和用量进行计算。
五、其他成本分析其他成本是指EPC工程中除设计、采购和施工外的其他费用,主要包括运输费用、安全管理费用、保险费用等。
运输费用是指将原材料、设备和施工人员运送至工地所需支付的费用,根据运输距离和运输方式进行计算。