高速铁路路基过渡段施工方案
- 格式:doc
- 大小:656.50 KB
- 文档页数:11
宝兰铁路工程BLTJ-13标路基工程过渡段施工作业指导书1.适用范围适用于宝兰铁路工程BLTJ-13标过渡段施工。
2.作业准备2.1内业技术准备作业指导书编制后,应在开工前组织技术人员认真学习实施性施工组织设计,阅读、审核施工图纸,澄清有关技术问题,熟悉规范和技术标准。
制定施工安全保证措施,提出应急预案。
对施工人员进行技术交底,对参加施工人员进行上岗前技术培训,考核合格后持证上岗。
2.2外业技术准备(1)进行场地清理和地基处理,并进行测量放线,准确放出过渡段施工范围。
(2)配置足够的施工机械和施工人员,准备足够的过渡段施工用填料。
(3)施工作业层中所涉及的各种外部技术数据收集。
(4)修建生活房屋,配齐生活、办公设施,满足主要管理、技术人员进场生活、办公需要。
3.技术要求路基过渡段主要包括:路桥过渡段、路基与横向结构物(涵洞)过渡段、路隧过渡段、路堤路堑过渡段。
小于150m的短路基及深厚湿陷性黄土地基采用桩板结构处理的不再设置过渡段工程。
3.1路桥过渡段台后设置楔形过渡段,长度除硬质岩石外不小于20m。
过渡段范围内基床表层填料级配碎石掺5%P.S.A32.5水泥,过渡段的基床表层以下填料采用级配碎石掺5% P.S.A32.5水泥。
台后路基应以混凝土回填,并用小型平板振动机压实,并使Evd≥30Mpa;路基基地原地面整平后,用振动碾压机压密实,并使Evd≥30Mpa。
软弱地应先进行地基处理、检测合格后再进行过渡段施工。
3.2路基与涵洞过渡段当涵洞顶部与路基面的高度h小于2m时,按照路桥过渡段方式,采用倒楔形过渡方案,过渡段的基床表层以下填料采用级配碎石掺3%P.S.A32.5水泥,过渡段范围内的基床表层级配碎石掺3%P.S.A32.5水泥过渡段,当涵洞顶部至路基面的高度h大于等于2.0m时,在涵洞侧面设置倒楔形级配碎石掺3%P.S.A32.5水泥过渡段,过渡段范围的基床表层级配碎石掺5%P.S.A32.5水泥。
目录一、编制依据 (1)二、工程概况 (1)三、适用范围 (1)四、过渡段设置形式及技术要求 (1)五、过渡段A组填料施工工艺 (2)六、安全质量保证措施 (4)温溪货场路涵过渡段施工方案一、编制依据1、金温扩能改造工程路基施工总说明图;2、金温扩能改造工程路基路基工程设计与施工参考图集;3、《高速铁路路基工程施工质量验收标准》;4、《高速铁路路基工程施工技术指南》;5、《铁路工程土工试验规程》。
二、工程概况温溪货场内路涵过渡段共4处,分别金温扩能改造工程温溪货场K191+541(2-5.0m)框架顶进涵、K191+906(1-4.0m)框架涵、K192+127(1-1.5m)框架涵、K192+235(1-2.5m)框架涵。
三、适用范围本施工方案用于中铁隧道集团金温扩能改造工程温溪货场(120km/h 及以下I级铁路路基)。
四、过渡段设置形式及技术要求1、路涵过渡段设置形式对照表2、路涵过渡段当涵顶距轨底高度小于1.5m时,过渡段范围内采用A组填料分层填筑,并按基床表层压实指标控制。
过渡段填筑采用A组填料技术标准为K30≥150Mpa/m,空隙率n<28%。
过渡段基坑回填C15混凝土和级配碎石掺5%水泥(级配碎石填筑至基床表层)并用小型平板振动机压实。
基坑回填到原地面平整后,用打夯机夯实。
路涵过渡段两侧过渡段必须对称填筑,并与相邻路堤同步施工,涵背两端采用压路机能碾压,压路机碾压不到时,采用打夯机进行夯实。
当靠近结构物的部位时因横向碾压,涵顶部料不足1m时不得用压路机碾压。
大样图如下:当涵顶距路肩高度于1.5m时,过渡段范围内采用A组填料分层填筑,并按基床表层压实指标控制。
过渡段填筑采用A组填料技术标准为K30≥150Mpa/m,空隙率n<28%。
过渡段基坑回填C15混凝土和级配碎石掺5%水泥(级配碎石填筑至基床表层)并用小型平板振动机压实。
基坑回填到原地面平整后,用打夯机夯实。
路涵过渡段两侧过渡段必须对称填筑,并与相邻路堤同步施工,涵背两端采用压路机碾压,压路机碾压不到时,采用打夯机进行夯实。
论高速铁路路基过渡段施工的步骤与工艺措施作者:王智李飞来源:《科技创新导报》2012年第13期摘要:近些年,高速铁路路基过渡段的施工作为整个工程施工的核心环节,路基过渡段的施工质量在很大程度上决定了整个工程的施工质量,所以采取有效的工艺措施做好路基过渡段的施工,意义重大。
本文从具体的工程实例出发,结合相关工程实例在铁路路基过渡段的施工情况,对高速铁路路基过渡段施工的步骤与施工工艺措施进行说明。
关键词:高速铁路路基过渡段施工步骤施工工艺措施中图分类号:U213.1 文献标识码:A 文章编号:1672-3791(2012)05(a)-0132-01本文以新建兰新铁路第二双线(新疆段)七标段路基工程为例,该工程于2010年开工,2011年线下工程基本全部完工。
该工程路基过渡段采用水泥级配碎石填筑,基床表层以下级配碎石分层压实。
该工程路基过渡段的施工取得了良好的工程效果。
1工程概况1.1 工程简介DK1729+500-DK1735+350地表下为细角砾土,地质良好,承载力达500Kpa;DK1736+000-DK1738+300地表0.5~1.0左右为细角砾土,其下为泥岩,泥岩地段路基需挖除后进行换填处理。
1.2 工程所处的地理环境该工点位于吐鲁番至后沟段,为哈密、吐鲁番盆地北缘天山南麓山前冲、洪积平原区,地形平坦开阔,地势略有起伏,地面高程950~1050m,多为典型的戈壁荒漠地貌,区内人烟稀少。
该工点位于三十里风区。
大风频繁,风力强劲、风速变化剧烈。
每年8级以上的风期平均就达156天之多。
大风多集中在每年的春秋季节,最大风速大于40m/s,主导风向N100~500W。
2工程路基过渡段施工步骤2.1 过渡段基坑回填、基底处理桥台台后及横向结构物基坑采用C15砼回填,回填前清理基坑中的松散土。
按设计要求桥台台后采用无砂砼预制块砌筑渗水墙,并在渗水墙底部埋设φ100mm软式透水管,将水流排至路基以外。
涵洞提前做好防水层和纤维砼保护层。
我国近些年铁路建设飞速发展,高速铁路建设进入了快车道,而铁路的路桥建设必须本着安全、可靠为前提。
它要求铁路系统具有高品质和高可靠性。
铁路的稳定与平顺是不可或缺的。
一般我们在路基与桥梁连接处,由于刚度差别大,会增加列车与线路的振动,影响线路结构的稳定,甚至危及行车安全。
在路基与桥梁之间设置一定长度的过渡段,可减少路基与桥梁之间的沉降差,达到降低振动,浅谈铁路路桥过渡段的施工处理云凤华(中铁十九局集团第二工程有限公司,辽宁 辽阳 111000 )摘 要:铁路线路的稳定和安全是铁路建设的头等大事,在路基和桥梁之间设置过渡段,可以使轨道刚度变化,降低线路振动,本文将分析路桥过渡段线路结构变形不一致的原因,通过实例阐述路桥过渡段的施工处理方法和措施。
关键词:过渡段;碾压器械;沉降中图分类号: U213 文献标识码:A减缓线路结构的变形的效果,保证列车安全、平稳运行。
1 路桥过渡段结构变形原因分析路桥过渡段受到高速运行车辆动荷载的作用时,在桥头处往往会出现振动较大的跳车现象,这种现象在铁路或高速公路的路桥过渡区段都有可能出现。
产生这种现象的主要原因有以下几个方面:1.1地基条件原因在软土地基上,路桥过渡段的路和桥的工后沉降量是不同的,因此在路桥过渡处必然有沉降差。
地基土的性质及结构不同,所产生的沉降和沉降达到稳定所需要的时间也不同。
所以,地基工后沉降是地基造成桥头跳车的成因。
1.2桥台后路堤填料的原因桥台后路堤填料一般全是填土。
由于施工的原因,往往作业面相对狭小,碾压质量不易控制,其压实度达不到设计要求。
路桥过渡处常会产生细小的伸缩裂缝,经过地表水或雨水的渗透后,会使路基填土出现病害,强度降低,产生沉降。
或由于水的渗透流动带走填料中的细颗粒土,使得路桥过渡处出现沉降变形。
1.3设计及施工原因设计时对路桥过渡区段的施工碾压过程考虑不周,对填料的要求不严格,桥台后的排水设计考虑不周,都将影响其施工质量。
施工时对工期或工序安排不当,不能够很好地控制填土压实质量,使得填土本身出现沉降变形。
铁路路桥过渡段施工技术要点选择合理的过渡段地基处理方法1.对地基进行特别设计软土地基上修建过渡段,如果地基产生沉降,则会引起轨面不平整现象,因此,要专门设计地基的处理方法。
以综合处理方案为宜,选用粉喷桩加土工合成材料和砂垫层并利用长短桩逐渐过渡,靠近桥台处的粉喷桩最长,且最好桩端支撑在硬层上,或采用排水固结法加土工合成材料,并辅以超载预压,采用加密区、密疏过渡区和一般区方式,由桥台向路基过渡。
在处理软基时采用粉喷桩加土工合成材料,不仅可以有效提高施工的速度,减少其固结时间,使差异沉降有所降低,是处理轨面不平整现象的最好方法。
2.过渡段合理填料的确定填料的质量对地基质量的好坏有着直接的影响,在同一压实度的作用下,使用不同的填料,对过渡段地基所产生的压密沉降也是不一样的,通常情况下,强度低、刚度小的材料承重能力低,如果承载物体质量过重,极易产生沉降变形。
因此,在选择合适填料进行施工时,要选择级配碎石、水泥石灰改良砂石等强度高、变形小的级配粗粒料。
此类材料不仅可以使桥台背填料自身的承重能力提高,减少压缩变形,还能有效减少填土对地基变形的影响,同时减少地基处理的费用。
3.加筋土路堤结构技术在过渡段路基填土中,可以埋设一些拉筋材料,加筋土不仅可以增加路基的强度,减少加筋土的整体变形,还可以大大提高路基的刚度,刚度增加的多少,跟土工材料铺设的层数和间距有很大关系。
因此,若能在压缩层有效的厚度中多铺设加筋材料,能有效起到降低沉降的作用,然后再对加筋材料的间距和位置加以调整,可将桥台后过渡段的台阶式沉降变成连续的斜坡式沉降,这样对刚性路面的正常使用影响不大,能消除跳车现象,以及降低台背处的侧向和垂直应力所引起的很大的剪应力,以达到路桥过渡段平稳过渡的目的。
4.过渡板法在路桥过渡段范围内的路堤上搭设钢筋混凝土厚板。
并将厚板的一端放在刚性基础桥台上,另一端则支撑在基床底层填土表面。
此法可以使轨面弯折角减小来增大轨道的刚度,随着路基下沉,支撑面面板承受局部拉应力,当应力值超过允许弯拉应力时,搭板断裂,严重影响行车安全、速度与舒适性。
高速铁路路基与桥梁过渡段施工技术研究作者:肖同来源:《城市建设理论研究》2013年第15期摘要:铁路线路的稳定和安全是铁路建设的头等大事,在路基和桥梁之间设置过渡段,可以使轨道刚度变化,降低线路振动,文中笔者通过对路桥过渡段线路存在的问题进行分析,并提出了相应的解决措施。
关键词:高速铁路、路基、桥梁、过渡段、施工技术中图分类号:U238 文献标识码:A 文章编号:一、前言我国近些年铁路建设飞速发展,高速铁路建设进入了快车道,而铁路的路桥建设必须本着安全、可靠为前提。
它要求铁路系统具有高品质和高可靠性。
铁路的稳定与平顺是不可或缺的。
一般我们在路基与桥梁连接处,由于刚度差别大,会增加列车与线路的振动,影响线路结构的稳定,甚至危及行车安全。
在路基与桥梁之间设置一定长度的过渡段,可减少路基与桥梁之间的沉降差,达到降低振动,减缓线路结构的变形的效果,保证列车安全、平稳运行。
二、高速铁路路桥过渡段存在的问题及原因1、路基变形导致路基沉降高速铁路过渡段一半情况下是采用填土作为填料,在施工的过程中,因为填料颗粒间的孔隙无法完全消除,在自重和外载的共同作用下,隙率会继续降低,填料逐渐被压缩,从而产生压缩下沉。
而且,由于过渡段的位置较为特殊,常常会因为施工作业面的狭窄,难以控制碾压质量,致使密实度达不到施工设计的标准要求。
2、地基工后沉降地基工后沉降是造成桥头跳车的成因。
高速铁路和高速铁路路桥过渡段会有可能出现不同程度的跳车现象,产生路基下沉变形、线路部件损坏、轨面变化等严重的线路病害,在很大程度上影响高速铁路的运营安全。
3、设计不合理之前的高速铁路路桥过渡段没有较为合理的设计要求,设计过程中并不是作为一种结构物进行考虑的。
在进行设计时会出现对路桥过渡区段的施工碾压过程考虑不全,没有严格要求填料等都将是影响高速铁路路桥过渡段的施工质量的重要因素。
三、高速铁路路基过渡段地基处理方法1、浅层处理开挖换填是指全部或部分挖除软土,换填以砂、砾、卵石、片石等渗水性材料或强度较高的牯性土。
路堤、路堑与横向结构物过渡段施工工艺过渡段主要是解决线路纵向相邻结构体之间不同刚度、不同沉落的平顺过渡问题,目前一般采用加筋土法、碎石类优质料填筑法和过渡板等方法来处理线路纵向过渡问题。
1 工艺特点1)过渡段基底处理应按施工图要求与横向结构物基底处理同时进行,并同时验收。
2)过渡段施工检测方法较多,验收标准较高。
3)施工准备工作繁杂,应与路基同步施工。
2 适用范围适用高速铁路、公路和客运专线的路堤、路堑与横向结构物过渡段工程的施工。
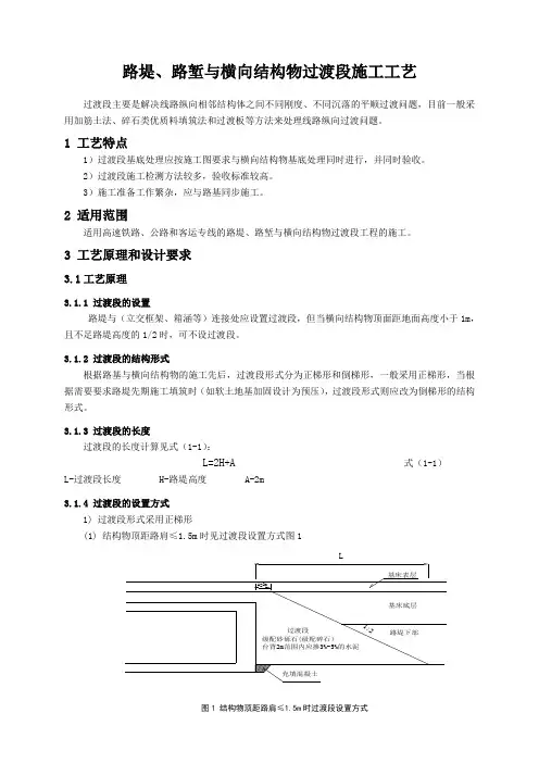
3 工艺原理和设计要求3.1工艺原理3.1.1 过渡段的设置路堤与(立交框架、箱涵等)连接处应设置过渡段,但当横向结构物顶面距地面高度小于1m,且不足路堤高度的1/2时,可不设过渡段。
3.1.2 过渡段的结构形式根据路基与横向结构物的施工先后,过渡段形式分为正梯形和倒梯形,一般采用正梯形,当根据需要要求路堤先期施工填筑时(如软土地基加固设计为预压),过渡段形式则应改为倒梯形的结构形式。
3.1.3 过渡段的长度过渡段的长度计算见式(1-1):L=2H+A 式(1-1)L-过渡段长度 H-路堤高度 A-2m3.1.4 过渡段的设置方式1) 过渡段形式采用正梯形(1) 结构物顶距路肩≤1.5m时见过渡段设置方式图1L(2)结构物顶距路肩≥1.5m时见过渡段设置方式图2L基床底层图2 结构物顶距路肩≥1.5m时过渡段设置方式2) 过渡段采用倒梯形(1) 结构物顶距路肩≤1.5m时见过渡段设置方式图3图3 结构物顶距路肩≤1.5m时过渡段设置方式(2) 结构物顶距路肩≥1.5m 时见过渡段设置方式图43.2 设计要求3.1 使用材料不同速度目标值所用的材料情况设计时速为200Km/h 以下的过渡段采用A 组填料(砂类土除外),设计时速为200Km/h 以上的过渡段一般采用掺3~5%水泥的级配碎石(级配砂砾石)。
3.2 压实标准不同部位的压实标准见表13.3 检测每压实层抽样检验孔隙率3点,其中距路基两侧填筑级配碎石边线1m 处左、右各1点,路基中部1点;每填高90cm 抽样检验地基系数2点,其中距路基两侧填筑级配碎石边线2m 处1点,路基中部1点。
高速铁路路基施工重点及建议【摘要】随着社会经济的发展,人们的出行越来越高速化与舒适化,高速铁路无疑是二者的有机结合。
在高速铁路施工过程中,路基施工显得尤其重要,因其是柔性体,沉降控制难度大,运行过程中容易出现的不安全因素多。
所以,在高速铁路修建过程中如何保证路基的施工质量是整个线路的重点。
本文通过在京沪高速铁路修建过程中摸索出的经验,指出了注意事项,提出了施工建议,为以后的高速铁路路基施工提供了借鉴经验,能避免少走弯路。
【关键词】高速铁路路基施工施工要点施工建议1工程概况水电五局在京沪高铁三标段共施工特大桥4座,226个墩台,128孔简支箱梁,2联连续梁;5段路基,1.5条隧道。
其中路基最长的631m,最短的25m,总长度1404m。
2工程特点铁路路基施工有其独特的特点,高速铁路路基施工的特点更加鲜明。
第一,路基数量少,单段长度短。
第二,地基处理形式多,单项地基处理项目工程量小。
水电五局在京沪高铁施工的5段路基,地基处理量最大的是CFG桩,其余的还有岩溶注浆、强夯、堆载预压、换填,工程量小,并且很分散,其他没有使用的地基处理方式更多。
第三,路基填筑标准高,检测项目多。
高速铁路的填筑标准比普通铁路不止高一点,有些检测项目比普通铁路高几倍,且普通铁路没有的检测项目在高铁也要检测。
第四,路基工点图设计不详细,特别是附属工程,仅仅有工程量而无具体施工图纸。
3施工要点及建议3.1 土石方开挖在进行土石方开挖前,测量原始地形,让监理签字确认。
若实际测量原始地形与设计差别较大,则需要联系设计、监理、建设单位进行现场测量确认。
铁路与水电在土石方开挖上有很大不同,铁路在进行土石方开挖前不进行原始地面确认,除非与设计有重大偏差,一般均按设计工程量结算。
但铁路还有个特点,工程完工后要进行概算清理。
所以,经签字确认后的原始地面线在概算清理时有很大作用,若设计工程量偏小,可找回部分工程量,减少损失。
路堑开挖时,要控制好开挖断面,尽量避免超欠挖。
目录1.编制说明 (1)1.1编制依据 (1)1.2编制原则 (1)1.3编制范围 (2)2.工程概况 (2)2.1主要工程数量 (3)2.2工程特点、重难点分析及其对策 (3)3.总体施工方案 (4)3.1施工组织机构 (4)3.2劳动力配备 (5)3.3机械设备配置 (6)3.4施工进度安排 (7)3.5施工工期安排 (8)3.6土方调配原则 (9)3.7临时工程 (9)4.施工总体安排 (10)4.1场地清理 (10)4.2测量放线 (10)4.3现场核对 (10)4.4工程特点、重点、难点分析 (11)4.5总体施工方法 (12)5.施工技术措施 (16)5.1路基基床施工技术措施 (16)5.2路堤施工技术措施 (17)5.3土质路堑施工技术措施 (18)5.4石质路堑施工技术措施 (18)5.5路基沉降观测技术措施 (19)5.6过渡段施工技术措施 (19)5.7路基防护及附属工程措施 (20)5.8路基、路堑边坡防护措施 (21)5.9确保路基填料达标的措施 (21)5.10保证达到压实标准的技术措施 (22)5.11控制工后沉降的措施 (22)5.12控制不均匀沉降的措施 (23)6.施工工艺及方法 (24)6.1施工准备 (24)6.2试验段施工 (24)6.3地基处理 (26)6.4CFG桩施工 (29)6.5水泥搅拌桩 (32)6.6路基填筑 (34)6.7路堑开挖 (44)7.路基排水与防护工程 (54)7.1混凝土挡土墙 (54)7.2锚杆框架梁施工 (55)7.3桩板墙施工 (57)7.4路基排水工程施工 (61)8.过渡段施工 (62)8.1路桥过渡段 (62)8.2路堤、路堑与横向结构物过渡段 (64)8.3路堤路堑过渡段 (67)8.4半挖半填路基过渡段 (68)8.5路堑与隧道过渡段 (70)8.6桥遂间短路基过渡段 (71)8.7过渡段施工技术保证及检测标准 (71)9.路基相关工程 (76)9.1线路防护栅栏 (76)9.2电缆槽 (76)9.3综合接地 (78)9.4接触网立柱基础 (78)9.5路基信息化施工 (79)9.6连通管道 (79)9.7弃土场 (79)10.镇雄车站施工 (80)10.1施工进度安排 (87)10.2施工组织安排 (87)10.3工难点和注意事项 (87)11.创优规划和质量保证措施. (89)11.1创优规划 (89)11.2质量保证措施 (89)12.安全保证措施. (91)12.1安全目标 (91)12.2安全生产保证体系 (91)12.3安全保证措施 (91)13.环保、水保措施 (94)13.1维护自然生态平衡的措施 (94)13.2合理规划施工用地 (94)13.3临时工程环境保护 (95)13.4生活区环境保护措施 (95)13.5植被保护 (95)13.6施工中的环保措施 (96)13.7竣工环境恢复措施 (96)13.8防止大气、噪声、水污染的措施 (96)13.9水土保持措施 (97)路基工程施工组织设计1.编制说明1.1编制依据1 .有关合同的文件2 .《镇雄车站施工图》、《站场路基工点设计图》、《区间路基设计图》3. 铁道部相关设计规范、施工指南以及验收标准;4. 成贵高铁CGZQSG-11标设计施工交底文件及相关资料文件;5.公司近年来铁路、高速公路等类似施工经验、施工工法、科技成果.6.对现场实地考察所获得的铁路现状、交通条件、现有施工情况及其他一些设施的相关资料和数据;7. 我部为完成本单位工程拟投入的专业施工人员及管理人员、机械设备情况.1.2编制原则1.切实遵守落实招、投标文件,承包合同,设计图纸中的内容.把承包合同中有关安全、质量、环保、工期、文明施工等方面的规定在施工组织设计和施工中得到落实;2.坚持“安全第一,预防为主”的指导思想,结合本段路基工程特点,制定积极有效的安全管理,技术组织措施,确保人身安全和工程施工安全.3.坚持“百年大计,质量第一”的方针,制定完善的工程质量管理制度 ,建立质量保证组织体系,针对本段工程特点和质量目标的要求,加强过程控制,从各个环节上保证工程质量目标的实现.4.根据施工总工期的安排和分阶段节点工期要求,利用网络技术优化工期安排和资源配置,突出关键工序,统筹组织,超前计划,合理安排工序衔接.5.高度重视文明施工和环境保护工作,珍惜、合理利用土地.6.采用先进的施工技术,坚持专业化作业与系统管理相结合,科学安排各项施工程序,通过建立先进的项目信息管理系统,实现施工组织的连续、均衡、紧凑、高效.7.按照生产组织工厂化、工序控制专业化、现场作业机械化、过程控制信息化的思路组织施工.1.3编制范围编制范围为:DK319+575.15~D3K321+668范围的路基工程.工程内容包括:清表、路基基底处理、路堤填筑、路堑土石方开挖、锚固桩、路隧过渡段、镇雄车站、路涵过渡段及路基附属、沉降观测等内容.2.工程概况DK319+575.15~D3K321+668段路基工程,DK321+500.394=D3K321+500(长链0.394米)全长2.092千米.位于云南省镇雄县以勒镇境内,始于姚家坪隧道出口,止于庙梗隧道入口.本段路基设计为路堑和路堤、结构物过渡段.基床底层填筑A、B组填料;基床以下填筑A、B组填料;路堤挖除膨胀土、松软土及黏土地段换填A、B组料;路堑挖除风化松动土地段换填A、B组料;边坡防护采用锚杆框架梁、撒草籽间植灌木护坡等形式进行防护.DK319+575.15~D3K321+668施工区,沿线经过云贵高原,呈东南走向,海拔高程1500~1600米,总体为西北低东南渐高的趋势.地势较为平坦,大部分为旱地、耕地及部分林地.该标段地面横坡平缓,地形起伏较小 ,表层覆盖松软土、软土、膨胀土,下伏白云岩,局部含白云质灰岩,灰质白云岩,偶夹页岩,局部含石膏及岩岩.特殊岩土为人工填土、软土、松软土、黏土(弱膨胀土).沿线气候从亚热带温热湿润气候以及亚热带湿润季风气候逐渐过渡为亚热带季风性湿润气候.年平均气温11.3℃,极端最高气温36.2℃,极端最低气温-7℃,年平均降雨量为923.6米米,年最大积雪深度 12厘米.对段内地表水及地下水分析,部分地下水对砼侵蚀等级为H2.地震动峰值加速度值为0.05g.地震动反应谱特征周期值,全线均为0.35s.2.1主要工程数量路基土石方:填方298034 立方,挖土方526500立方,挖石方42790立方.路基加固:碎石垫层53678立方,土工格栅186189平米,级配碎石25052立方,基底挖除换填A、B组填料29765立方,混凝土圬工2597立方,CFG桩117312延米,水泥搅拌桩339669延米,板桩结构圬工19852立方.2.2工程特点、重难点分析及其对策2.2.1施工工期紧张受季节性气候的影响,雨季明显,集中在4-7月,有效施工期较短,工期紧张.2.2.2施工设计标准高.本标为无咋轨道设计,按一次性铺设跨区间无缝线路,远期时速250千米/h,按客运专线标准施工,对施工工艺、质量控制提出了较高要求.2.2.3各专业接口多,组织协调复杂.本段工程集路基、桥涵、旅客地道、轨道、部分站后相关工程于一体,各专业接口工程方案的选定和方案的实施将是整体工程施工组织的重点,必须高度重视.2.2.4软基处理工作量大施工时间紧,施工组织难度大 .软土路基处理为水泥搅拌桩和CFG桩两种形式,工作量分别约为339669米和117312米.考虑路基土石方填筑问题,施工组织难度大 .2.2.5工程重难点分析及其对策措施工程重难点及施工主要对策见下表2-4-1.表2-4-1 工程重难点及施工主要对策表项目工程重、难点主要工程措施软土路基路基工后沉降控制:一般地段不应大于150米米,桥台台尾过渡段路基工后沉降不应大于80米米,沉降速率不大于40米米/y⑴全面系统研究本段地基条件,对其中地质条件资料不全或较特殊的地段,将加密勘测和扩大勘测范围,全面掌握地基的物理力学指标及其变化,为地基工后沉降分析提供依据.⑵采取水泥搅拌桩及CGF桩等地基加固处理方案减少地基总沉降.⑶加强软土路堤沉降变形监测.观测断面在地形地质条件变化较大时和过渡段适当加密,以路堤中心沉降观测为重点,其他包括路基面沉降观测、边桩位移观测等.⑷路堤施工期间,在各观测断面,进行填筑-时间-沉降观测,根据沉降和侧向变形的沉降速率指导路堤填筑施工,若沉降和变形速率过大 ,则调整路堤填土速率.利用工后观测资料预测路基最终沉降测.3.总体施工方案3.1施工组织机构按照精干、高效,扁平化管理的原则,项目部根据任务量、工程艰巨程度设置工区,工区下设分工区,分工区下设作业架子队.架子队设队长、技术负责人,配置技术、质量、安全、试验、材料、领工员、工班长等架子队主要组成人员,架子队主要组成人员由我公司正式职工担任,并具有相应的作业技能.施工现场所有劳务作业人员均纳入架子队统一集中管理,由架子队按照施工组织安排统筹劳务作业任务.班组作业人员在领工员和工班长的带领下进行作业,每个工序和作业面有领工员、技术员、安全员跟班作业.实行架子队技术交底制度 ,技术负责人就工程作业工序和环节向领工员、工班长进行书面技术交底,书面技术交底资料归类存档备查.领工员、工班长在实施作业前对班组作业人员进行工作和安全交底.施工组织机构见图3-1-1图3-1-1 施工组织机构图3.2劳动力配备劳动力配置表见表3-1-3. 表3-1-3 劳动力配置表工种 数量 工种 数量 工种 数量 队长 1 测量工 5 混凝土工 12 技术负责人 3 机械司机 8 砌石工 4 技术员10汽车司机30起重工5项目经理部路基工区第一分部技术员安全员材料员试验员质量员施工劳务队安全员 4 爆破工 5 修理工 4 质量员 4 风枪工40 防水工 5 试验员 6 焊工8 架子工12 材料员 2 模板工10 电工 2 领工员 2 钢筋工10 普工120 调度员 1 木工 4 工班长 63.3机械设备配置结合本工程和工期要求,按照施工组织设计中确定的施工方法、施工机具、设备的要求,组织施工机具按计划、按期进场,确保工程施工顺利进行.进场机械设备应保持较高的完好率,并按规定定期保养.主要机械设备见表3-1-4.表3-1-4 主要施工机械设备表序号设备名称规格型号数量备注1 挖掘机CAT320D 82 推土机T200 23 装载机ZL50C 24 振动压路机YZT18 25 振动压路机YZT25 26 自卸车25T 267 平地机PY180 28 CFG桩钻机109 水泥搅拌桩机GZJ-600 1010 混凝土输送车8米³ 411 空气压缩机WJL3.5-20/8 1012 电焊机BX1-500 413 电焊机AX-400 414 钢筋切断机CQ-40 215 钢筋弯曲机GW6-40 216 钢筋调直机GT3-12 2序号设备名称规格型号数量备注17 卷扬机J米-5 2018 吊车25T 219 柴油发电机50KW 120 砂浆搅拌机JS500 121 插入式振捣器ZX-50 1022 平板式振动器ZX-7 523 混凝土输送泵HBT60.13.90S 524 变压器S11-米500/10 125 抽水机40DL 526 GPS 南方 127 全站仪拓普康T600 128 水准仪DSZ2 23.4施工进度安排本标段路基主要为镇雄车站,路基土石方84.7万米3,级配碎石2.4217万米3,水泥搅拌桩339669延米,CFG桩117312延米,路基土石方进度指标见表3-1-5.表3-1-5 路基土石方进度指标表序号机械名称单机日产量单机月产量备注1 挖掘机1000米³25000米³2 推土机3200米³80000米³3 压路机3200米³80000米³4 装载机1000米³25000米³5 平地机2000米³50000米³6 摊铺机700米³17500米³7 冲击压路机5000米³125000米³说明:每月有效工作日按25天计算.地基处理工效指标见表3-1-6.表3-1-6 地基处理工效指标表序号机械名称单机/人工日产量单机/人工月产量备注1 CFG桩1000米25000米2 水泥搅拌桩400米10000米3 锚固桩50米1250米说明:每月有效工作日按25天计算.路基填筑工效指标见表3-1-7.表3-1-7 路基填筑工效指标表序号机械名称单作业面日完成量单作业面月完成量备注1 基床表层800~1000米³20000~25000米³2 基床底层900~1100米³22500~27500米³3 基床以下路基1000~1200米³25000~30000米³说明:每月有效工作日按25天计算.3.5施工工期安排本标段总工期 24 个月,计划开工日期:2014年 6 月 1 日,计划竣工日期: 2016 年 6 月 1 日,同时满足节点工期要求.具体工期见表3-1-7.3-1-7 工期安排表工程项目开工日期完工日期备注路基清理2014.5.1 2014.5.30 30地基处理 (CFG桩) 2014.6.10 2014.12.10 180地基处理(水泥搅拌桩) 2014.6.10 2014.12.10 180锚固桩2014.8.1 2015.6.1 300 路基土石方 2014.6.1 2016.4.1 660防护工程2016.3.1 2016.6.1 903.6土方调配原则土石方调配根据“就近移挖作填,减少运距”的原则,并充分利用挖方,合理安排弃土场;采取合理的运输方法,并按照“不同填料不得在同一层混填”的规定来进行调配,做到平衡、经济、合理.根据本标段实际情况.3.7临时工程3.7.1临时便道本标段穿越居民区,从项目部拌和站有原有便道通往施工区,我公司经过实地查勘,决定采用整修原有便道及新修便道的方法来保障全线施工便道的畅通:(1).姚家坪隧道出口与我标段接壤,由项目部拌和站通往姚家坪隧道口现有施工便道以建设好,可以利用.(2).我分部路基工程队驻地设在(DK320+700)左线300米)处.与镇雄车站改移道路接壤,距离镇雄车站施工区仅300米距离.由项目部通往我工区驻地原有便道路况良好,可以稍作整修加宽加固加以利用.(3).庙梗隧道入口与我标段终点接壤,途径国道线,其修建300米便道方可进入我标段施工区.(4).经综合考虑线路特点,右方坡陡挖方多,左方地势稍平缓.我公司决定在DK319+945~DK320+400左线界桩外5 米处重新租用临土地用作施工便道.因镇雄车站施工范围广,有道路改移红线经过我方驻地,此处路基开挖施工不需要临时修建便道,待车站路基层及结构物施工完成后,再在左线租用.(5). 临时便道要求便道宽度:按照山岭重丘区要求,主干道、引入线按单车道标准设置,均按照路基宽4.5米,路面宽3.5米.每200米设错车道一处,错车道宽6米,长度 15米.最小曲线半径:一般最小曲线半径20米,极困难条件下为15米.最大坡度:一般情况下≤8%,最大纵坡10%~15%.路面:泥结碎石路面和混凝土路面.道路排水:设单侧排水沟,沟底宽和深度不小于30厘米.安全防护:边坡处视现场情况设下挡浆砌石墙和护坡;陡岩地段设置防护墩,路边按规定设各种道路标志.3.7.2施工、生活用水此标段地下水较丰富,我分部拟在驻地附近凿井取水,并设置30米³蓄水池作为生活用水,施工用水将铺设管线从毛坝河引导.3.7.3施工、生活用电我分部拟从DK321+100左线350处设置一台315KVA的变压器作为施工用电,生活区用电将由变压器单独架线接入,形成相对独立的生活供电系统.4.施工总体安排4.1场地清理清查施工红线范围内的高压线、输油管线、国防光缆,查看施工范围的地表水、地下水情况.进行施工场地清表应满足:场地平整、无杂物、树根、环保,且做好“三通一平”工作.4.2测量放线根据施工图及现场地形测量结果准确计算出放样坐标值,实施现场测量放线,测量放线执行测量复核制.测量复核制包含两方面的内容:测量资料的计算复核制和测量外业的双检复核制.4.3现场核对施工图纸到位后,根据施工图现场核对制度 ,由工程队总工程师组织工程科实施施工图现场核对,填写《路基工程设计现场核对表》.4.4工程特点、重点、难点分析本段路基工程主要有路堤填筑、路堑开挖、坡面防护、地基处理、CFG桩工程、水泥搅拌桩、锚固桩.4.4.1路基坡面防护必须保证开挖施工过程中的边坡稳定和列车运营阶段的边坡稳定.根据不同的地段分别设计有骨架护坡及空心砖边坡防护、液压喷播植草间植灌木、锚杆框架梁、路堑边坡顶部土层设锁顶锚杆、一级边坡采用锚杆框架梁护坡护坡、空心砖内植草等方式防护,以减少地表、地下水对路基浸蚀.在进行路堑土石方开挖施工中要求做到边开挖边防护.4.4.2岩溶整治路基确保路堤本体在填筑施工中和运营过程中的稳定和工后沉降量控制在15米米以内,此外由于地面以下存在溶洞、渗漏型溶槽及开口型岩溶,设计要求对其采用钻孔注浆、土工膜封闭、C15混凝土浇筑、桩板、桩筏等措施处理,原地表斜坡面地段进行路基填筑时采用挖台阶方式,增强其顺坡抗滑能力,设计6个月工期沉降观测期,使路基沉降在工前基本完成,控制工后沉降在15米米以内.在进行路堤填筑施工时,设置沉降和位移观测桩,通过沉降、位移观测,来确定填土速度 .4.4.3CFG桩、水泥搅拌桩加固地基工程确保路堤本体在填筑施工中和运营过程中的稳定和工后沉降量控制在15米米以内,对水田及黏土、松软土地段,设计要求进行CFG桩、水泥搅拌桩加固处理,以便控制路堤填筑速率.路基坡面防护、岩溶路基和CFG桩、水泥搅拌桩加固路基的沉降观测和填筑速率控制,为本段路基施工的重点.特别是岩溶路基加固质量控制为本段路基施工的难点.4.5总体施工方法土质基底在填筑前进行地基条件分析,检测承载力是否满足要求,否则采用换填或采取其它加固措施.路堤填筑按“三阶段、四区段、八流程”工艺及连续压实控制技术施工,填筑前先做试验段,取得技术参数指导后续施工.路堑开挖前,首先进行排水设施施工.路堑爆破采用浅孔台阶或深孔梯段松动控制爆破,边坡采用光面爆破或预裂爆破,基床面采用密集小型排炮,预留人工清理层.路隧、路桥、路涵、堑堤过渡段与路基同时填筑.其刚性过渡采用级配碎石掺入3%或5%水泥作填料按梯形断面分层填筑,重型机械压实.在大型机械设备无法作业或禁止靠近作业部位(距离结构物1米),采用小型压路机及冲击夯施工.路基施工前先取代表性地面,施作路基试验段,并在地基、路堤不同位置预先埋设测试元件(沉降板和观测桩).路基填筑完成后,沿线路方向每隔20~50米设置观测断面一个,对过渡段差异沉降进行重点观测,在过渡段加密设置,埋设沉降观测设备,进行沉降观测,并依据观测资料进行沉降分析及预测,做到信息化施工.为了保护路基的稳定和安全,接触网支座基础采用人工成孔,灌注混凝土的方法;电缆槽采用机械法开槽,安装预制管节方法,综合接地线和边通管道与路基同步施工完成.路基排水系统要尽早施工并形成体系,以便将路基范围的水顺畅排出,避免水渗入路基造成病害.路基附属加固工程根据土方填筑进度并考虑沉降及时安排施工,随路基填筑逐段推进.路堑防护工程紧跟开挖施工,路基成型一段,防护一段.4.5.1地基处理本区段地表与地基处理形式有:清除换填、CFG桩、水泥搅拌桩加固及垫层等处理形式.原地面处理时,推土机推除地表面浮土、场地平整,挖掘机装车,自卸汽车运弃,压路机填筑前压实.施工前根据施工图设计提供的地质资料进行现场复核,根据线路路基的不同地质情况,选用轻型动力触探、重型动力触探、标准贯入、静力触探及地质钻孔五种原位测试方法的一种进行现场勘测,并结合室内土工试验验证设计采用地质资料的可靠性,当地质核查补勘结果与原设计采用的地质勘查数据不同时,再进行详细地质勘察,重新评价地质条件.地面坡度陡于1:5时,自上而下挖台阶,沿线路纵向地表挖成底宽不小于2米的台阶后再填筑路基;沿线路横向挖台阶的宽度和高度符合设计要求,原地采用冲击压实技术进行填前压实.4.5.2路堤施工路堤地段施工前用推土机和平地机进行清表,然后按照工点施工图进行地基处理.地基处理完成一段后按照土方调配方案进行路堤填筑施工,其中路堤基床以下部位按设计填料或采用改良土经试验符合相关规定后连续压实控制填筑.基床底层采用B组填料填筑,基床表层级配碎石采用“厂拌法”施工,自卸汽车运输,平地机与摊铺机摊铺,振动压路机碾压.每种路基填料填筑施工前,选择一定长度试验区段进行试验,确定机械设备组合、施工工艺、摊铺厚度、压实遍数、改良土配合比、级配料配合比等施工参数和试验、检测方法,指导施工.施工时按路堤本体、基床底层、基床表层三部分,纵向分段、水平分层全断面填筑.路堤本体、基床底层填筑按“三阶段、四区段、八流程”工艺施工,自卸车运料,推土机配合平地机摊铺平整,重型振动压路机连续压实.压实工艺与厚度等按照试验段试验结果进行,且每层压实厚度土质路基不大于30厘米,石质路基不大于35厘米.高路堤施工至6米时,用冲击式压路机进行冲击追密压实.基床表层级配碎石分两层施工,第一层采用平地机平整,第二层采用摊铺机摊铺施工;级配碎石在填料拌和站集中拌和,采用摊铺机摊铺施工,重型振动压路机碾压,压实工艺按照试验总结的参数进行.4.5.3路堑施工路堑开挖方式根据地形情况、地质状况、断面形状、路堑长度、施工季节及环保要求,结合土石方调配方案确定.地形平缓的浅路堑采取全断面纵向开挖方法;当路堑长度较短,挖深较大时,采取横向分台阶开挖方法;路堑较长且深度较大时,采取纵向分层分台阶开挖方法;当地形起伏,且路堑长度大、开挖深,采取纵横向分台阶结合的开挖方法.软岩及土质路堑采用纵向分层推土机和挖掘机开挖,人工配合刷坡,挖掘机或装载机装土,自卸车运输;硬质岩石路堑采用浅孔爆破,边坡采用预留光爆层光面爆破施工,严防超欠挖和炸坏边坡,炮眼用手持凿岩机钻孔,挖掘机或装载机装渣,自卸车运输.施工前与施工中,做好堑顶防排水设施和临时防护设施,对影响边坡稳定的地面水和地下水及时采取措施引排,并在路堑表面设置排水坡,以利排水,避免雨水对路堑产生危害.施工完成后,立即进行防护工程施工.路堑开挖完成后进行基底检验,对基床厚度内地层采用工程地质调绘、原位测试、电法物探、必要时进行钻探取样等方法,进行地基土地基条件的核查与检测,根据试验结果对不能满足基床动态稳定性要求的地段,按照设计要求进行换填或采取措施进行地基加固施工.4.5.3基床表层施工本区段基床表层填料采用级配碎石,填筑时采用纵向分段、水平分层全断面施工,级配碎石采用带自动计量设备的级配碎石拌和站集中拌制.基床表层采用自卸式汽车运输,摊铺机分层摊铺,重型振动式压路机连续压实.路基防风工程及路基相关工程已施工地段,采用小型压路机压实.运输过程中,采用较为密闭的自卸车且在顶部加盖防水彩条布,以减少水分损失与蒸发,保持级配碎石填料含水率最佳,确保基床表层压实质量.4.5.4过渡段路基施工路基与结构物连接处纵向刚度变化地段,设置过渡段,采用水泥稳定级配碎石(掺加5%水泥)填筑,过渡段的形式和纵向坡率根据设计图纸实施.将拌和好的级配碎石用密封良好或覆盖盖布的自卸汽车运输到指定填筑区段;采用推土机、平地机按照设计横坡及试验确定的分层厚度摊铺平整,局部辅助人工平整;采用重型振动压路机碾压,局部用冲击振动夯夯实,具体碾压按照现场试验确定的工艺及参数进行.4.5.5土石方调配方案路基土石方调配尽量移挖作填,减少废方和借方,先利用石方,不足时再利用土方.在路基集中用土地段,尽量采用距线路较近的土源,利用路堑挖方(为合格填料)的地段扩堑挖土,石质良好的路堑扩堑后可作为片石及料石的采集场.部分路堑石方或隧道弃碴在填料生产场经解小、破碎、筛分后生产成B组填料,对不符合要求的利用方进行改良,不足的土石方采用沿线距离较近的取土场取土.弃土场按设计位置设置,在不影响山体和边坡稳定的前提下,尽量选在路堑附近的冲沟顶部,弃土场坡脚设置挡碴墙,完工后平整.4.5.6路基边坡支挡、防护及附属工程路基附属工程主要包括浆砌片石、片石混凝土、钢筋混凝土、坡面骨架护坡、土工格栅、地下排水设施、防护栅栏、挡土墙等项目.路基防护和支挡结构工程、路基防排水工程与相关工程、路基附属结构物随路基主体施工同步推进.防护、排水工程与路基平行作业,路基成型一段,附属工程施工一段.综合接地、过轨管线及线间集水井在路基基床底层填筑过程中埋设,接触网支柱基础、电缆槽等在基床表层填筑完成后施工.施工采用人工配合机械的方法,并不得因施工而损害路基稳固与安全.确保不因进行接触网支柱、电缆槽、综合接地、连通管道等设施修建以及运架梁过程而损坏和危及路基的安全与稳固.路基防风工程在基床底层填筑完成后即进行施工.4.5.7路基变形监测路基施工设置专门的路基沉降观测装置,通过定期观测数据,对沉降情况进行分析,据此指导下道工序的施工,确定沉降期、稳定期,作为无碴轨道可以开始施工的依据.选用精度高、性能稳定的监测设备,同时尽量避免造成施工干扰.路基施工至基床表层顶面后,先监测半年,根据监测结果,分析评价地基的最终沉降量完成时间,及时调整措施使地基处理达到预。
杭黄铁路站前Ⅴ标项目部一分部DK87+851.325~DK99+226.63 路基过渡段试验段填筑施工方案中交二航局杭黄铁路站前Ⅴ标项目部一分部二〇一五年七月目录1.编制依据及原则11.1编制依据11.2编制原则12.编制范围及主要技术标准22.1编制范围22.2主要技术标准33.工程概况及数量、工程地质、工程重难点及主要对策33.1工程概况及主要工程数量33.1.1工程概况33.1.2过渡段主要工程数量 33.2工程地质33.3工程重点、难点和主要对策34.过渡段施工54.1路堑、路堤及桥台过渡段施工84.2路基及横向结构物(立交框架结构、涵洞)过渡段施工8 4.3路堤及路堑过渡段施工84.4半填半挖路基及不同岩土组合路基施工94.5.过渡段填筑压实标准95.过渡段管理机构及施工机械配置95.1过渡段管理机构设置95.2.现场机械、仪器及施工人员投入106.质量控制措施116.1确保路基压实标准的工艺措施116.2控制路基工后沉降及不均匀沉降采取的技术措施116.3保证路基竖向刚度、差异沉降技术措施127.安全保证措施127.1施工现场安全用电措施137.2施工机械安全保证措施137.3确保既有公路安全畅通措施137.4施工期间的防汛措施147.5.保证人身安全措施148.纠正及预防措施159.环保、水保措施151.编制依据及原则1.1编制依据1 、国家、铁道部和地方政府的有关政策、法规和条例、规定;2 、杭黄铁路公司编制的《指导性施工组织设计》;3 、中交二航局杭黄铁路《投标书》;4 、建设单位、杭黄Ⅴ标项目部下发的施工安排要点、建设单位要求的工期及质量、环境保护要求;5 、国家、地方有关职业健康安全的要求;6 、《路基工程设计及施工参考图集》(杭黄图集施(路))7 、《桐庐站路基设计图》。
8 、《高速铁路路基工程施工技术指南》(铁建设(2010)241号)9 、《高速铁路路基工程施工质量验收标准》(TB 10751-2010)10 、《高速铁路设计规范(试行)》(TB10621-2009)11 、《铁路特殊路基设计规范》(TB10035-2006)12 、现场调查的相关资料;1.2编制原则⑴严格遵守部颁规范、规程和规则等技术标准的原则铁道部颁发的现行各项施工技术规范、规程和规则是指导铁路施工的权威性行业标准,技术方案编制中将严格遵守这些行业标准。
- 1 - 路基过渡段施工方案 一、编制依据和主要技术标准 1.1编制依据 1、《高速铁路路基工程施工质量验收标准》 2、《高速铁路路基工程施工技术指南》 3、《云桂线广西段施工图》 1.2适用范围 适用于新建铁路路基过渡段施工。 1.3主要技术标准 铁路等级:Ⅰ级; 正线数目:双线; 设计行车速度:250km/h; 二、工程概况 正线路基长度共计共12146米,其中过渡段长度2690米,包括以下六种形式:路基与桥台连接处过渡段、路堑与隧道连接处过渡段、路堤与横向结构物连接处过渡段、路堤路堑过渡段、半挖半填过渡段、两桥(隧道)之间短路基过渡段。 隧路过渡段采用级配碎石掺5%水泥填料填筑,路涵、路桥及路堤与路堑过渡段基床底层及基床以下路堤采用级配碎石掺3%水泥填料填筑,基床表层采用级配碎石掺5%水泥填料填筑。 过渡段填筑在结构物混凝土强度达到设计强度及基坑回填验收合格后进行施工。 三、施工准备 1、施工队伍配置 为确保本工程的安全、优质、高效、如期完成,项目经理部下设四个专业路基施工队伍。 2、设备配置 依据施工质量、施工工期等要求,配备足量机械设备,提高机械利用率,统筹安排各种资源。 - 2 -
四、施工组织及安排 4.1施工人员安排 1、主要管理人员
表1 主要管理人员 编号 姓名 职 务 备 注 1 项目经理 2 项目总工 3 副 经 理 4 副 经 理 5 工程部部长 6 安质部部长 7 物资部部长 8 测量队长 9 试验室主任 10 现场技术员
4.2施工机械设备安排 过渡段路基填筑主要采用拌和站集中拌合,自卸车装运土方,挖掘机整平,振动式压路机碾压。所需机械设备见下表2。 - 3 -
表2 投入的机械设备 序号 名称 型号 单位 数量 备注 1 挖掘机 CASE240 台 4 2 振动压路机 XS261 台 4 3 装载机 ZL50 台 4 4 自卸汽车 东风 台 16 5 冲击夯 台 8 6 洒水车 东风-135 台 4
4.3检测仪器、测量设备的配备 表3 试验检测仪器及测量设备 序号 仪器设备名称 规格型号 单位 数量 备注
1 灌沙筒 150 台 4 2 K30 台 4 2 全站仪 T602 台 4 3 水准仪 DNA03 台 4 4 动态变形模量测试仪 Evd 台 2 5 静态变形模量测试仪 Ev2 台 2
五、主要施工方法 5.1、路堤与桥梁过渡段施工
设置方式图如下: - 4 -
(1)过渡段沿线路纵向为倒梯形,采用级配碎石掺水泥填料分层填筑,底宽5m,纵向坡度根据实际地形进行计算,满足过渡段长度不小于20m。 (2)必须待桥涵砼强度达到设计强度要求并完成基坑回填及防水层施工验收合格后方可进行过渡段填筑。过渡段施工前,应根据场地情况,采取相应的防排水措施并在桥台或涵洞侧面画填筑分层线。 (3)过渡段路堤应与其连接的路堤同时施工,并将过渡段与连接路堤的碾压面,按大致相同的高度进行填筑。 (4)根据施工情况确定主要施工工艺参数,报监理单位确认。分层压实厚度按35cm控制,台后2.0m范围外采用大型压路机进行碾压,在过渡段的桥台台尾后2.0m范围内采用冲击夯夯实,防止施工过程中碰到桥台,松铺厚度按20cm控制。当过渡段比路堤先施工时,向路堤方向合理延长,在施工路堤时再进行刷坡处理。 (6)台后基坑采用C15素混凝土一次连续浇筑回填,浇筑后高程与原地面高程一致。 (7)路基过渡段的外包土应与过渡段同步施工,施工过程中注意控制填料质量,不得使用级配碎石掺水泥质土填筑,后期绿色植被不容易成活,b值取1.8m。 (8)加入水泥的级配碎石填料宜在2小时内使用完毕。 - 5 -
5.2、路堤与横向结构物(涵洞)过渡段施工 回填混凝土1:22基床以下
基床表层基床底层
接配碎石掺3%水泥涵洞
20横向结构物顶及两端各20m范围内级配碎石掺5%水泥L=2+2*(H-h)
H轨底线
0.6路堤与横向结构物过渡段图(一)
h>1
H1:2
20基床表层基床底层
基床以下2
级配碎石掺3%水泥
回填混凝土路堤与横向结构物过渡段图(二)
涵洞横向结构物顶及两端各20m范围内级配碎石掺5%水泥L=2+2*(H-h)轨底线
0.6h≤1
对涵洞结构物两侧基坑混凝土进行检查,做到过渡段区域无先期涵洞施工中所产生的垃圾及松土(杂土)等。 (1)横向结构物顶部及其两侧各20m范围内基床表层的级配碎石填料掺3%水泥。压实标准应满足基床表层的要求。 (2)过渡段沿线路纵向为倒梯形,分层填筑,底宽2m,纵向坡度1:2;压实标准满足基床底层的要求。 - 6 -
(3)当横向建筑物物顶至路基面距离小于1m时,包括横向建筑物从建筑物顶至基床表层底分层填筑级配碎石填料掺3%水泥的填料。横向建筑物及建筑物两端各20m范围内基床表层填料为级配碎石掺入5%的水泥。 (4)当横向结构物与线路斜交时,过渡段采用斜交正做,即沿线路方向结构物与路基的两交点之间部分路基填料全部为级配碎石内掺入5%水泥,之后设置标准的正交过渡段。 (5)路堤基底原地面平整后,用振动压路机碾压密实,并使Evd≥35Mpa。 (6)过渡段路堤应与其连接的路堤同时施工,并将过渡段与连接路堤的碾压面,按大致相同的高度进行填筑。 (7)距涵身外周1.5m范围之内,采用人工填筑,人工配合冲击夯进行夯实,1.5m范围之外采用机械振动碾压密实;填筑必须两侧分层对称进行;当顶部填土厚度大于1m时,方可通行重型机械,在填筑距涵顶部3m以下时,采用无振动碾压,而填筑至涵顶部3m以上时,便可采用振动碾压。 (8)大型机械作业时,应与桥台、涵洞及挡墙边缘保持不小于1m的间距。 5.3、路堤与路堑过渡段施工
弱风化~未风化硬质岩路堤与路堑连接处过渡段示意图(一)
路堑2.0基床底层1:2.0
基床表层
0.6
≥5.01:1
基床以下级配碎石掺5%水泥
20.0级配碎石掺5%水泥Ⅰ
Ⅰ (1)过渡段填筑前,应平整地基表面,碾压密实;并应挖除堤堑交界坡面的表层松土,按设计要求做成台阶状。路堤与路堑连接处,顺原地面纵向挖成1:2的坡面,坡面上开挖台阶,台阶高度0.6m,路堤侧18m至路堑2m的范围内基床表层级配碎石掺5%水泥分层填筑,压实标准满足基床表层的要求,基床以下过渡段采用级配碎石掺3%水泥,分层填筑,压实标准应满足压实系数≥0.95、地基系数K30 - 7 -
≥150 Mpa/m、动态变形模量Evd≥50Mpa。 (2)过渡段的填筑施工应与相邻路堤同步进行。 (3)大型压路机能碾压到位的部分,其施工方法应符合《铁路路基施工规范》的有关规定;靠近堤堑结合处,应沿虔婆边缘进行横向碾压。 (4)大型压路机碾压不到的部位,应采用冲击夯分层进行夯实,填料的松铺厚度不宜大于20cm,碾压遍数应通过试验确定。 表1 基床底层压实质量标准 填筑 部位 填料种类 压实指标 细粒土、粉砂、改良土 砂类土 (粉砂除外) 砾石类 碎石类 块石类
基床 底层
压实系数Kh (0.95) — — — — 地基系数K30(MPa/m) (150) 100 120 130 150
相对密度Dr — 0.75 — — — 孔隙率n(%) — — 31 31 — - 8 -
5.4、隧道与路堑过渡段施工
土质、软质岩及强风化硬质岩石路堑与隧道连接处在路堑范围内设置过渡段,长度不小于20m,厚度从仰拱厚度渐变到基床表层厚度。过渡段采用级配碎石掺5%水泥分层填筑,压实标准:K30≥150MPa/m、Evd≥50MPa、压实系数K≥0.95。 5.5、半挖半填、短路基过渡段施工 按照区间路基设计图开挖纵横向台阶并采用对应填料填筑。 六、碾压工艺试验 1、 碾压方式 压实顺序按先两侧后中间的顺序进行,压实程序按先静压后弱振再强振进行。碾压速度宜控制在2km/h,对台背重型机械不能进行碾压,采用冲击夯振动密实;通过现场检测压实系数K、K30、Evd,以确定机械碾压虚铺厚度为30cm和35cm条件下,最佳碾压的工艺及碾压遍数;台背2m及涵背1.5m范围采用冲击夯振动密实 - 9 -
虚铺厚度为15cm和20cm,确定最佳夯实遍数。 2、 碾压工艺试验参数: ①:虚铺30cm,采用碾压流程:静压1遍→弱振2遍→强振1遍→静压1遍,共5遍。 ②:虚铺30cm,采用碾压流程:静压1遍→弱振2遍→强振2遍→静压1遍,共6遍。 ③:虚铺30cm,采用碾压流程:静压1遍→弱振2遍→强振2遍→弱振1遍→静压1遍,共7遍。 ④:虚铺35cm,采用碾压流程:静压1遍→弱振2遍→强振1遍→静压1遍,共5遍。 ⑤:虚铺35cm,采用碾压流程:静压1遍→弱振2遍→强振2遍→静压1遍,共6遍。 ⑥:虚铺35cm,采用碾压流程:静压1遍→弱振2遍→强振2遍→弱振1遍→静压1遍,共7遍。 ⑦:虚铺15cm,采用冲击夯夯实;夯实1遍→夯实2遍→夯实3遍→夯实4遍→夯实5遍→夯实6遍→夯实7遍→夯实8遍 ⑧虚铺20cm,采用冲击夯夯实;夯实1遍→夯实2遍→夯实3遍→夯实4遍→夯实5遍→夯实6遍→夯实7遍→夯实8遍 路桥、路涵、隧路及路堤与路堑过渡段级配碎石填料填层机械碾压均按照①~⑥碾压方式进行检测;虚铺厚度为30cm时,在按照①工艺第4遍强振完成后进行检测,检测压实系数K、K30、Evd各3点,详细记录各种检测数据;在此基础上,再强振1遍(②碾压工艺),达到5遍要求,做好记录;检测完成后再弱振1遍(③碾压工艺),检测压实系数K、K30、Evd和各3点,做好记录,检测完成后静压一遍。虚铺厚度为35cm时,在按照④工艺第4遍强振完成后进行检测,检测压实系数K、K30、Evd各3点,详细记录各种检测数据;在此基础上,再强振1遍(⑤碾压工艺),达到5遍要求,做好记录;检测完成后再弱振1遍(⑥碾压工艺),检测压实系数K、K30、Evd和各3点,做好记录,检测完成后静压一遍。台背2m及涵背1.5m范围采用冲击夯振动密实,虚铺厚度为15cm和20cm,按照⑦-⑧的工艺进行施工,第4遍开始检测,直至检测符合设计要求,每层检测做好记录。 对碾压后还达不到压实质量控制标准的区段进行补压,直至各项检测指标均达