1.5m盖板涵结构计算书
- 格式:doc
- 大小:255.00 KB
- 文档页数:15
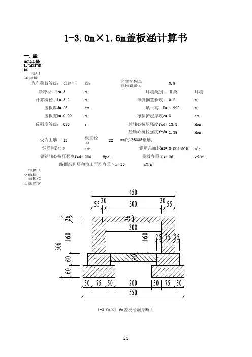
一.盖板计算1.设计资料适用涵洞桩号:BK1+746;公路-Ⅰ级; 安全结构重要性系数γ0:0.93m;Ⅱ类环境;3.2m;0.2m;26cm; 1.992m;0.99m;3cm;C30;13.8Mpa; 1.39Mpa;12根直径为228cm;0.0045616m²;280Mpa; 26kN/m³;20kN/m³根据《公路圬工桥涵设计规范》(JTG D61-2005)中7.0.6关于涵洞结构的计算假定: 盖板按两端简支的板计算,可不考虑涵台传来的水平力.1-3.0m×1.6m盖板涵计算书汽车荷载等级: 净跨径:L 0=环境类别: 盖板宽b=净保护层厚度c=砼强度等级:砼轴心抗压强度fcd= 计算跨径:L=单侧搁置长度: 盖板厚d= 填土高:H=钢筋轴心抗压强度fsd= 盖板容重γ1=砼轴心抗拉强度ftd=受力主筋:mm的HRB335钢筋,路面结构层和填土平均容重γ2=1-3.0m×1.6m盖板涵洞身断面钢筋间距:钢筋总面积As=2.外力计算1) 永久作用 (1) 竖向土压力46.43kN/m(2) 盖板自重6.69kN/m 2) 由车辆荷载引起的垂直压力(可变作用)根据《公路桥涵设计通用规范》(JTG D60-2004)中4.3.4的规定:计算涵洞顶上车辆荷载引起的竖向土压力时,车轮按其着地面积的边缘向下做30°角分布。
当几个车轮的压力扩散线相重叠时,扩散面积以最外面的扩散线为准。
根据《公路桥涵设计通用规范》(JTG D60-2004)中4.3.1关于车辆荷载的规定: 车辆荷载顺板跨长3.90m车辆荷载垂直板跨长7.30m 车轮重 PP=560kN车轮重压强L19.68kN/m²3.内力计算及荷载组合1) 由永久作用引起的内力 跨中弯矩67.99kN.m边墙内侧边缘处剪力79.68kN 2) 由车辆荷载引起的内力 跨中弯矩24.94kN.m 边墙内侧边缘处剪力29.22kN跨中弯矩γ0q=K·γ2·H·b= g=γ1·d·b/100= V1=(q+g)·L 0/2= M2=p·L²·b/8= V2=p·L 0·b/2= La=1.6+2·H·tan30°= Lb=5+2·H·tan30°= p=P/La/Lb= M1=(q+g)·L²/8=γ01) 砼受压区高度0.093m根据《公路钢筋混凝土及预应力混凝土桥涵设计规范》(JTG D62-2004)中5.2.1关于 相对界限受压区高度ξb的规定:HRB335钢筋的相对界限受压区高度ξb=0.56。
.米净跨径明盖板涵整体计算一. 盖板计算1.设计资料汽车荷载等级:公路 -I 级;环境类型: I 类环境;净跨径: L0;单侧放置长度:;计算跨径:;盖板板端厚 d1=40cm;盖板板中厚 d2=40cm;盖板宽;保护层厚度 c=4cm;混凝土强度等级为 C30;轴心抗压强度 f cd;轴心抗拉强度 f td;主拉钢筋等级为HRB335;抗拉强度设计值 f sd=280Mpa;主筋直径为 25mm,外径为 27mm,共 45 根,采纳钢筋总面积 A s2涵顶铺装厚 H1=15cm;涵顶表处厚 H2=1cm;盖板容重γ 1=25kN/m3;涵顶铺装容重γ 2=25kN/m3;涵顶铺装容重γ 3 =1kN/m3依据《公路圬工桥涵设计规范》(JTG D61-2005) 中对于涵洞结构的计算假设:盖板按两头简支的板计算,可不考虑涵台传来的水平力2.外力计算1) 永远作用(1)涵顶铺装及涵顶表处自重q=(γ2·H1+γ 3·H2)·b=(25×0.15+1×0.01)×(2)盖板自重g=γ1 ·(d 1+d2)·b/2/100=25×(40+40)×2)由车辆荷载惹起的垂直压力(可变作用)依据《公路桥涵设计通用规范》(JTG D60-2004) 中 4.3.1 对于车辆荷载的规定:车辆荷载顺板跨长.L a 车轮重 P=280kN依据《公路桥涵设计通用规范》 (JTG D60-2004) 中 4.3.2 对于汽车荷载冲击力的规定: 汽车荷载的局部加载,冲击系数采纳车轮重压强·P/L a =1.3 ×3. 内力计算及荷载组合 1) 由永远作用惹起的内力跨中弯矩M 1 =(q+g) ·L 2/8=(24.82+66.00) × 5.1 2 边墙内侧边沿处剪力× V 1=(q+g) ·L /2=(24.82+66.00)2) 由车辆荷载惹起的内力跨中弯矩M 2 =p ·L a ·× ×边墙内侧边沿处剪力+p ·L ·(L -1.5)/LV2=p ·L · (L-L /2)/La0aa0× 0.20 ×× ×3) 作用效应组合依据《公路桥涵设计通用规范》 (JTG D60-2004) 中对于作用效应组合的规定:跨中弯矩γ 0M d 12) ×(1.2 ×295.27+1.4 × 边墙内侧边沿处剪力γ 0V d 12) ×(1.2 ×217.96+1.4 ×4. 长久情况承载能力极限状态计算截面有效高度 h 0 =d 1.1)砼受压区高度x=f sd·A s /f cd/b=280×依据《公路钢筋混凝土及预应力混凝土桥涵设计规范》(JTG D62-2004)中对于相对界线受压区高度ξ b 的规定:HRB335 钢筋的相对界线受压区高度ξb=0.56 。
基础数据覆土及地质情况公路等级:一级公路请选择填土高度:5m 桥涵类型:盖板暗涵请选择地基承载力:200kPa;不均匀沉降系数K:不考虑请选择环境类别:Ⅱ类环境请选择路基横断面布置路面厚度:0.72m路面宽度: 4.5m 路面容重:24kN/m³路基宽度:6m填土容重:18kN/m³左侧边坡坡率: 1.5填土内摩擦角φ:30°右侧边坡坡率:1.5上部结构配筋情况净跨径L 0:4m 纵向钢筋直径:25mm 计算板宽:1m 纵向钢筋根数:12根支点处板厚:40cm 裂缝宽度:0.159mm 支撑宽度:30cm 净保护层厚:35mm横向钢筋直径10mm 支座形式:支座请选择取用根数8根支座中心距背墙距离:15mm 计算根数15mm混凝土强度:C35请选择钢筋间距125mm纵向主筋型号:HRB400请选择横向分布筋型号:HRB400请选择上部板容重:26kN/m³下部结构台身尺寸台身计算宽度:1m 净高H 0:4m 背墙宽度C 4: 1.11m 台身宽C 2: 1.41m 单层基础厚:0.75m 基础襟边C1:0.3m铺砌厚度:0.75m 基础层数:1层盖板涵(暗桥)数据输入横向分布筋按纵向钢筋20%进行计算!基础形式:整体式基础请选择台身材料类型浆砌片石请选择台身材料强度15请选择石料强度:MU40请选择台身容重:24kN/m³;基础容重:24kN/m³;铺砌容重:24kN/m³;计算结果0.146分布筋配筋率不满足规范要求,重来!分布筋直径及间距满足规范要求!挠度验算满足要求!跨中截面不需设预拱度!0.0mm混凝土正截面受弯承载力满足要求!偏心距满足要求!直接受剪承载力满足要求砼受压区高度满足规范要求!主筋配筋率满足规范要求!正截面抗弯承载力满足规范要求!抗剪截面满足规范要求!裂缝宽度满足规范要求!计算结果偏心受压承载力满足要求!预拱度设计值计算需要地基承载力:189kPa;基底应力满足要求。
***********专用线改建工程DK0+023.4 1-1.0m涵洞接长为1-1.5m盖板涵施工组织设计编制:复核:审批:***********化学危险品专用线改建工程项目部二O一七年六月十五日目录一、工程概况 (2)二、编制依据 (2)三、主要工程数量 (2)四、施工准备 (2)五、工期安排及劳力组织 (4)六、机械配置 (4)七、涵洞工程主要施工方法 (5)八、施工技术措施 (7)九、安全保证措施 (12)十、工程质量保证措施 (14)十一、质量、环境、安全目标及指标 (15)十二、文明、环保施工措施 (15)十三、防洪防汛措施 (15)十四、附件 (16)一、工程概况本盖板涵位于******化学危险品专用线改建工程DK0+023.4处,涵洞轴线与铁路斜交,斜交角度为33°。
既有为1-1.0m钢筋混凝土盖板箱涵,净高1.2m为排洪涵。
因改建化学危险品专用线在原涵洞左侧接长10.09米。
接长端涵洞基础为整体基础,涵洞基础、边墙身为C20混凝土;盖板为N15A式C30钢筋混凝土。
本涵基底位于砂粘土上,地基承载力为100kpa,基底换填50cm 砂夹碎石。
本涵按《肆桥5009》图设计。
出口铺砌按叁桥(89)8011图施工。
二、编制依据1、《铁路技术管理规程》(2007.04.01)2、《铁路桥涵基本设计规范》(TB10002.1-2005)3、《铁路桥涵钢筋混凝土和预应力混凝土结构设计规范》(TB10002.3-2005)4、《铁路桥涵地基和基础设计规范》(TB10002.5-2005)5、通用图《钢筋混凝土盖板箱涵》(肆桥5009)6、现场调查资料。
三、主要工程数量1、C30钢筋混凝土盖板4.20m3;2、C20混凝土基础27.61m3;3、C20混凝土边墙15.82m3;4、出入口铺砌浆砌片石5.66m3;5、基坑挖土及外运86.11m3;6、换填砂夹碎石22.22 m3;四、施工准备⒈测量根据管段内设计的导线控制网采用莱卡TC802全站仪进行施工放样测量,执行《新建铁路工程测量规范》(TB10101)的相关规定。
盖板涵工程量计算式盖板涵是一种常见的排水结构,用于引导和收集地表水,以防止水流侵蚀和积水。
对于盖板涵工程,正确计算工程量是至关重要的,以确保工程进展顺利并满足设计要求。
本文将介绍盖板涵工程量计算的相关公式和方法。
一、盖板涵工程概述盖板涵工程是一种将地表水引导至下游排水系统的结构。
它通常由进水孔、涵洞、出水孔等组成。
其基本功能是通过控制涵洞截面面积和进出水孔的位置和大小,来调整地表水的流速,防止水流过快或过慢而引起的问题。
二、盖板涵工程量的计算对盖板涵工程量的计算主要包括涵洞截面面积的计算、进水孔和出水孔的计算、涵洞长度的计算等。
下面将分别介绍这些计算公式和方法。
1. 涵洞截面面积的计算涵洞截面面积的计算通常根据设计要求和实际情况来确定。
一般可以采用矩形或圆形截面。
如果采用矩形截面,截面面积的计算公式为:截面面积 = 宽度 ×高度其中,宽度是涵洞的水平跨度,高度是涵洞的垂直跨度。
如果采用圆形截面,截面面积的计算公式为:截面面积= 1/4 × π × 直径²其中,π取3.14。
2. 进水孔和出水孔的计算进水孔和出水孔的计算根据设计要求和涵洞的实际情况来确定。
一般可以采用矩形或圆形孔口。
如果采用矩形孔口,孔口面积的计算公式为:孔口面积 = 宽度 ×高度其中,宽度是孔口的水平跨度,高度是孔口的垂直跨度。
如果采用圆形孔口,孔口面积的计算公式为:孔口面积= 1/4 × π × 直径²其中,π取3.14。
3. 涵洞长度的计算涵洞长度的计算通常根据设计要求和涵洞的实际情况来确定。
涵洞长度主要受到地形、水流速度和涵洞断面形状的影响。
一般来说,涵洞长度应尽量保持水流稳定,以避免水流过快或过慢而引起的问题。
涵洞长度的计算可以参考以下公式:涵洞长度 = 坡度 ×河底净宽其中,坡度是涵洞纵向的变化率,河底净宽是涵洞的宽度减去进水孔和出水孔的宽度。
4.5米净跨径1米填土暗涵盖板计算1.设计资料汽车荷载等级:公路-I级;环境类别:I类环境;净跨径:L0=4.5m;单侧搁置长度:0.30m;计算跨径:L=4.76m;填土高:H=1m;盖板板端厚d1=26cm;盖板板中厚d2=35cm;盖板宽b=1.00m;保护层厚度c=4cm;混凝土强度等级为C30;轴心抗压强度f cd=13.8Mpa;轴心抗拉强度f td=1.39Mpa;主拉钢筋等级为HRB335;抗拉强度标准值f sd=280Mpa;盖板容重γ1=26kN/m3;土容重γ2=18kN/m32.外力计算1) 永久作用(1) 竖向土压力q=γ2·H·b=18×1×1.00=18kN/m(2) 盖板自重g=γ1·(d1+d2)·b/2/100=26×(26+35)×1.00/2 /100=7.93kN/m2) 由车辆荷载引起的垂直压力(可变作用)根据《公路桥涵设计通用规范》(JTG D60-2004)中4.3.4的规定:计算涵洞顶上车辆荷载引起的竖向土压力时,车轮按其着地面积的边缘向下做30°角分布。
当几个车轮的压力扩散线相重叠时,扩散面积以最外面的扩散线为准根据《公路桥涵设计通用规范》(JTG D60-2004)中4.3.1关于车辆荷载的规定:车辆荷载顺板跨长L a=0.2+2·H·tan30=0.2+2×1×0.577=1.35m车辆荷载垂直板跨长L b=0.6+2·H·tan30=0.6+2×1×0.577=1.75m车轮重P=70kN车轮重压强Lp=P/L a/L b=70/1.35/1.75=29.45kN/m23.内力计算及荷载组合1) 由永久作用引起的内力跨中弯矩M1=(q+g)·L2/8=(18.00+7.93)×4.762/8=73.44kNm边墙内侧边缘处剪力V1=(q+g)·L0/2=(18.00+7.93)×4.5/2=58.34kN2) 由车辆荷载引起的内力跨中弯矩M2=p·L a·(L-L a/2)/4=29.45×1.35×(4.76-1.35/2)/4=40.72kNm边墙内侧边缘处剪力V2=p·L a·(L0-L a/2)/L0=29.45×1.35×(4.5-1.35/2)/4.5=33.89kNm3) 作用效应组合根据《公路桥涵设计通用规范》(JTG D60-2004)中4.1.6关于作用效应组合的规定:跨中弯矩γ0M d=0.9(1.2M1+1.4M2)=0.9×(1.2×73.44+1.4×40.72)=130.62kNm边墙内侧边缘处剪力γ0V d=0.9(1.2V1+1.4V2)=0.9×(1.2×58.34+1.4×33.89)=105.71kN4.截面设计拟用主筋为HRB335级钢筋,直径为16mm,外径为17.5mm,单根面积为2.011cm2 1) 截面有效高度h0=d1-c-1.75/2=26-4-.875=0.211m2) 试算受压区高度x0=h0-(h02-2γc·γ0·M d/f cd/b/103)1/2=0.211-(0.2112-2×1.25×130.62/13.8/1.00/1000)1/2=0.066m3) 计算钢筋面积A s0=f cd·x0·b/f sd=13.8×0.066×1.00/280=0.003276m2选用主筋为HRB335级钢筋,直径为16mm,共17根,选用钢筋总面积A s=0.003419m25.持久状况承载能力极限状态计算1) 砼受压区高度x=f sd·A s/f cd/b=280×0.003419/13.8/1.00=0.069m根据《公路钢筋混凝土及预应力混凝土桥涵设计规范》(JTG D62-2004)中5.2.1关于相对界限受压区高度ξb的规定:HRB335钢筋的相对界限受压区高度ξb=0.56。
一.盖板计算1.设计资料适用涵洞桩号:BK1+746;公路-Ⅰ级; 安全结构重要性系数γ0:0.93m;Ⅱ类环境;3.2m;0.2m;26cm; 1.992m;0.99m;3cm;C30;13.8Mpa; 1.39Mpa;12根直径为228cm;0.0045616m²;280Mpa; 26kN/m³;20kN/m³根据《公路圬工桥涵设计规范》(JTG D61-2005)中7.0.6关于涵洞结构的计算假定: 盖板按两端简支的板计算,可不考虑涵台传来的水平力.钢筋间距:1-3.0m×1.6m盖板涵洞身断面路面结构层和填土平均容重γ2=1-3.0m×1.6m盖板涵计算书盖板宽b=净保护层厚度c=砼强度等级:砼轴心抗压强度fcd=环境类别: 汽车荷载等级: 盖板厚d= 净跨径:L 0= 计算跨径:L= 填土高:H=单侧搁置长度:钢筋总面积As= 盖板容重γ1=砼轴心抗拉强度ftd=mm的HRB335钢筋,受力主筋:钢筋轴心抗压强度fsd=2.外力计算1) 永久作用 (1) 竖向土压力46.43kN/m(2) 盖板自重6.69kN/m 2) 由车辆荷载引起的垂直压力(可变作用)根据《公路桥涵设计通用规范》(JTG D60-2004)中4.3.4的规定:计算涵洞顶上车辆荷载引起的竖向土压力时,车轮按其着地面积的边缘向下做30°角分布。
当几个车轮的压力扩散线相重叠时,扩散面积以最外面的扩散线为准。
根据《公路桥涵设计通用规范》(JTG D60-2004)中4.3.1关于车辆荷载的规定: 车辆荷载顺板跨长3.90m车辆荷载垂直板跨长7.30m 车轮重 PP=560kN车轮重压强L19.68kN/m²3.内力计算及荷载组合1) 由永久作用引起的内力 跨中弯矩67.99kN.m边墙内侧边缘处剪力79.68kN 2) 由车辆荷载引起的内力 跨中弯矩24.94kN.m 边墙内侧边缘处剪力跨中弯矩q=K·γ2·H·b= p=P/La/Lb= V1=(q+g)·L 0/2= M1=(q+g)·L²/8= g=γ1·d·b/100= La=1.6+2·H·tan30°= Lb=5+2·H·tan30°= M2=p·L²·b/8=γ0γ0=1) 砼受压区高度0.093m根据《公路钢筋混凝土及预应力混凝土桥涵设计规范》(JTG D62-2004)中5.2.1关于 相对界限受压区高度ξb的规定:HRB335钢筋的相对界限受压区高度ξb=0.56。
钢筋混凝土盖板涵验算钢筋混凝土盖板涵验算*******1. 设计依据:《公路桥涵设计通用规范》(JTG D60-2004)《公路钢筋混凝土及预应力混凝土桥涵设计规范》(JTG D62-2004) 《公路圬工桥涵设计规范》(JTG D61-2005)《公路桥涵地基与基础设计规范》(JTJ 024-85)《公路涵洞设计细则》JTG/T D65-04-20072. 设计资料:涵洞净跨径l0=1.5 m盖板支点厚度h1=0.19 m盖板跨中厚度h2=0.19 m盖板计算跨径lp=l0+h1=1.69 m管节材料砼标号=C30砼板顶填土高H=1.9 m土容重γ1=18 kN/m^3钢筋混凝土容重γ2=25 kN/m^3土的内摩擦角φ=35度保护层厚度=0.03 m主受力钢筋级别=HRB335主受力钢筋直径=16 mm主受力钢筋间距=0.16 m3. 外力计算:a.恒载填土垂直压力q=土容重*填土高=33.3 kN/m^2板自重垂直压力qz=盖板容重*盖板平均高度=4.75 kN/m^2b.活载横向分布宽度a=7.636 m纵向分布宽度b=3.736 m垂直压力P=19.628 kN/m^24.荷载组合及内力计算:a.跨中弯矩恒载产生的跨中弯矩M恒=(Q土+Q自)*lp^2/8=13.584 kN.m活载产生的跨中弯矩M汽=7.008 kN.mb.支点剪力恒载支点剪力Q恒=(Q土+Q自)*l0/2=28.538 kN活载支点剪力Q汽=14.721 kNc.荷载组合结构重要性系数(涵洞设计安全等级为三级)γ0=0.9剪力Qj=0.90*(1.2Q恒+1.4Q汽)=49.369 kN弯矩Mj=0.90*(1.2M恒+1.4M汽)=23.501 kN.m5. 截面配筋:混凝土轴心抗压设计强度Ra=13.8 MPa钢筋抗拉设计强度Rg=280 MPa需要钢筋截面积为Ag=6.855 cm^2建议配筋采用4根Φ166. 正截面强度验算:实际受拉区配筋面积为Ag=12.569 cm^2混凝土受压区高度x=Rg*Ag/(Ra*b)=2.5502 cm截面有效高度h0=16 cm混凝土受压区高度界限系数ξjg=0.56受压区高度x < ξjg*h0=8.96,满足要求砼材料安全系数γc=1.25正截面强度=1/γc*Ra*b*x*(h0-x/2)=41.457 kN.m正截面强度> 设计强度Mj,正截面强度满足要求7. 斜截面剪切强度验算:砼轴心抗压强度标准值fck=20.1 MPa r0*Qj=44.432 ≤0.51*10^-3*sqrt(fck)*b*h0=365.837 ,截面尺寸满足要求混凝土轴心抗拉设计强度ftk=1.39 MPa r0*Qj=44.432 ≤0.5*10^-3*ftk*b*h0=139,斜截面抗剪强度满足要求8. 裂缝宽度验算:钢筋表面形状影响系数C1 =1荷载特征影响系数C2 =1.33构件形式系数C3 =1.15受拉钢筋有效配筋率ρ=As/(b*h0)=0.008受拉钢筋的直径d=16 mm受拉钢筋重心处的应力σg=95.113 MPa钢筋的弹性模量Es=200000 MPa最大裂缝宽度δfmax=C1*C2*C3*σg/Es*(30+d)/(0.28+10*ρ)=0.093 mm δfmax < 0.2,最大裂缝宽度满足要求*******钢筋混凝土盖板涵涵台验算*******1. 设计依据:《公路桥涵设计通用规范》(JTG D60-2004)《公路钢筋混凝土及预应力混凝土桥涵设计规范》(JTG D62-2004) 《公路圬工桥涵设计规范》(JTG D61-2005)《公路桥涵地基与基础设计规范》(JTJ 024-85)2.设计资料:涵台净高=1.9 m盖板搁置长=0.25 m涵台背坡=1:0铺砌厚度=0.4 m铺底距台距=0 m是否为整体式基础:否基础厚度=0.6 m基础襟边宽=0.2 m基础级数=1是否设置支撑梁=是支撑梁宽=0.4 m支撑梁高=0.4 m路基宽度=185.94 m涵洞长度=188.92 m涵台顶宽=0.48 m涵台材料的长细比修正系数=1砂浆强度等级=M7.5涵台容重=23 kN/m^3铺底容重=23 kN/m^3基础容重=23 kN/m^3涵台身抗压强度设计值=14.5 MPa 基底容许应力[σ]=280 kPa3.水平土压力计算:涵台计算高度=1.795 m破坏棱体长度=2.051 m活载土压力换算土层厚=1.325 m 水平土压力q1=15.949 kN/m^2水平土压力q2=24.705 kN/m^2支座处反力RA=16.934 kN支座处反力RB=19.553 kN最大弯矩所在X=0.77 m最大弯矩=8.197 kN.m4.垂直压力计算:在X截面上的垂直力如下:P(1)=38.05 kNE(1)=-0.115 mM(1)=-4.376 kN.mP(2)=7.659 kNE(2)=0.125 mM(2)=0.957 kN.mP(3)=1.005 kNE(3)=0.125 mM(3)=0.126 kN.mP(4)=8.505 kNE(4)=-0 mΣP恒=55.219 kN ΣM恒=-3.293 kN.m5.截面强度与稳定验算:组合弯矩Mj=6.773 kN.m组合剪力Nj=78.186 kN偏心距e0=0.087 m偏心距e0 ≤0.6*y=0.144,偏心距符合要求!γ0*Nj=70.367 < φ*A*fcd=4967.159,强度满足要求!6.基底应力验算:基底垂直压力如下:P(1)=38.05 kNE(1)=-0.115 mM(1)=-4.376 kN.mP(2)=7.659 kNE(2)=0.125 mM(2)=0.957 kN.mP(3)=1.005 kNE(3)=0.125 mM(3)=0.126 kN.mP(4)=20.976 kNE(4)=-0 mM(4)=-0 kN.mP(5)=12.144 kNE(5)=0 mM(5)=0 kN.mP(6)=0 kNE(6)=0.24 mM(6)=0 kN.mP(7)=7.524 kNE(7)=0.34 mM(7)=2.558 kN.mP(8)=3 kNE(8)=-0.34 mM(8)=-1.02 kN.mE(9)=0.34 mM(9)=2.264 kN.mP(10)=14.721 kNE(10)=-0.115 mM(10)=-1.693 kN.mΣP=111.739 kN ΣM=-1.183 kN.m A=0.88 m^2 W=0.129 δmax=ΣP/A + ΣM/W=136.143 kPaδmin=ΣP/A - ΣM/W=117.81 kPaδmax < 基底容许应力280.00kPa,满足要求。
目录1 工程概况 (2)1.1 技术标准 (2)2 计算采用的技术规范及软件 (2)3.设计资料 (3)4、荷载组合说明 (3)5、盖板计算 (4)5.1 混凝土参数 (4)5.2荷载计算 (4)5.3 盖板内力计算 (4)5.4 盖板结构配筋 (5)5.5盖板持久状况承载能力极限状态计算 (5)5.6 盖板持久状况正常使用极限状态计算 (7)6、涵台计算 (8)6.1基础资料 (8)6.2涵台与基础构造 (8)6.3涵台验算 (10)7、计算结论 (13)金甲大沟涵洞计算书1 工程概况贵阳市白云区大健康产业园一号路道路工程项目位置位于贵阳市白云区麦架镇,金甲大沟涵洞为一号路主线上跨金甲大沟而设。
涵洞盖板为现浇实心板梁,盖板延跨径方向端部厚度为55cm,直线过度到中间厚度为65cm。
涵洞与道路正交,净跨径为4米。
涵洞起点桩号为JK0+103.275,终点桩号为JK0+213.275,全长110米。
1.1 技术标准汽车荷载:城-A级;设计基准期:100年地震烈度:地震动峰值加速度<0.05g,按Ⅵ设防道路等级:城市主干路设计荷载:1、结构重力:混凝土容重取 26KN/m32、填土容重20KN/M3,粘聚力c=0,内摩擦角为35度。
3、收缩徐变影响力:按04设计规范取用,天数3650天4、汽车荷载:城-A级车道荷载及车辆荷载。
自振频率及冲击系数:按规范取用按规范计算。
5、温度力:整体温差取+20℃、-20℃。
6、地震动峰值加速度: 0.05g2 计算采用的技术规范及软件1、《公路工程技术标准》(JTG B01-2003)2、《公路桥涵设计通用规范》(JTG D60-2004)3、《公路钢筋混凝土及预应力混凝土桥涵设计规范》(JTG D62-2004)4、《公路圬工桥涵设计规范》(JTG D61-2005)5、《公路桥涵地基与基础设计规范》(JTG D63-2007)6、《城市桥梁设计规范》(CJJ 11-2011)7《公路桥涵施工技术规范》(JTG TF50-2011)采用桥梁博士3.0进行混凝土梁验算。
一.盖板计算1.设计资料适用涵洞桩号:BK1+746;公路-Ⅰ级; 安全结构重要性系数γ0:0.93m;Ⅱ类环境;3.2m;0.2m;26cm; 1.992m;0.99m;3cm;C30;13.8Mpa; 1.39Mpa;12根直径为228cm;0.0045616m²;280Mpa; 26kN/m³;20kN/m³根据《公路圬工桥涵设计规范》(JTG D61-2005)中7.0.6关于涵洞结构的计算假定: 盖板按两端简支的板计算,可不考虑涵台传来的水平力.钢筋间距:1-3.0m×1.6m盖板涵洞身断面路面结构层和填土平均容重γ2=1-3.0m×1.6m盖板涵计算书盖板宽b=净保护层厚度c=砼强度等级:砼轴心抗压强度fcd=环境类别: 汽车荷载等级: 盖板厚d= 净跨径:L 0= 计算跨径:L= 填土高:H=单侧搁置长度:钢筋总面积As= 盖板容重γ1=砼轴心抗拉强度ftd=mm的HRB335钢筋,受力主筋:钢筋轴心抗压强度fsd=2.外力计算1) 永久作用 (1) 竖向土压力46.43kN/m(2) 盖板自重6.69kN/m 2) 由车辆荷载引起的垂直压力(可变作用)根据《公路桥涵设计通用规范》(JTG D60-2004)中4.3.4的规定:计算涵洞顶上车辆荷载引起的竖向土压力时,车轮按其着地面积的边缘向下做30°角分布。
当几个车轮的压力扩散线相重叠时,扩散面积以最外面的扩散线为准。
根据《公路桥涵设计通用规范》(JTG D60-2004)中4.3.1关于车辆荷载的规定: 车辆荷载顺板跨长3.90m车辆荷载垂直板跨长7.30m 车轮重 PP=560kN车轮重压强L19.68kN/m²3.内力计算及荷载组合1) 由永久作用引起的内力 跨中弯矩67.99kN.m边墙内侧边缘处剪力79.68kN 2) 由车辆荷载引起的内力 跨中弯矩24.94kN.m 边墙内侧边缘处剪力跨中弯矩q=K·γ2·H·b= p=P/La/Lb= V1=(q+g)·L 0/2= M1=(q+g)·L²/8= g=γ1·d·b/100= La=1.6+2·H·tan30°= Lb=5+2·H·tan30°= M2=p·L²·b/8=γ0γ0=1) 砼受压区高度0.093m根据《公路钢筋混凝土及预应力混凝土桥涵设计规范》(JTG D62-2004)中5.2.1关于 相对界限受压区高度ξb的规定:HRB335钢筋的相对界限受压区高度ξb=0.56。
2.5米净跨径3.92米填土暗盖板涵整体计算一.盖板计算1.设计资料汽车荷载等级:公路-I级;环境类别:I类环境;净跨径:L0=2.5m;单侧搁置长度:0.30m;计算跨径:L=2.8m;填土高:H=3.92m;盖板板端厚d1=32cm;盖板板中厚d2=32cm;盖板宽b=0.99m;保护层厚度c=3cm;混凝土强度等级为C30;轴心抗压强度f cd=13.8Mpa;轴心抗拉强度f td=1.39Mpa;主拉钢筋等级为HRB400;抗拉强度设计值f sd=330Mpa;主筋直径为20mm,外径为22mm,共12根,选用钢筋总面积A s=0.003770m2盖板容重γ1=25kN/m3;土容重γ2=18kN/m3根据《公路圬工桥涵设计规范》(JTG D61-2005)中7.0.6关于涵洞结构的计算假定:盖板按两端简支的板计算,可不考虑涵台传来的水平力2.外力计算1) 永久作用(1) 竖向土压力q=γ2·H·b=18×3.92×0.99=69.8544kN/m(2) 盖板自重g=γ1·(d1+d2)·b/2/100=25×(32+32)×0.99/2 /100=7.92kN/m2) 由车辆荷载引起的垂直压力(可变作用)根据《公路桥涵设计通用规范》(JTG D60-2004)中4.3.4的规定:计算涵洞顶上车辆荷载引起的竖向土压力时,车轮按其着地面积的边缘向下做30°角分布。
当几个车轮的压力扩散线相重叠时,扩散面积以最外面的扩散线为准根据《公路桥涵设计通用规范》(JTG D60-2004)中4.3.1关于车辆荷载的规定:车辆荷载顺板跨长L a=1.6+2·H·tan30=1.6+2×3.92×0.577=6.13m 车辆荷载垂直板跨长L b=5.5+2·H·tan30=5.5+2×3.92×0.577=10.03m 车轮重P=560kN车轮重压强Lp=P/L a/L b=560/6.13/10.03=9.12kN/m23.内力计算及荷载组合1) 由永久作用引起的内力跨中弯矩M1=(q+g)·L2/8=(69.85+7.92)×2.82/8=76.22kNm边墙内侧边缘处剪力V1=(q+g)·L0/2=(69.85+7.92)×2.5/2=97.22kN2) 由车辆荷载引起的内力跨中弯矩M2=p·L2·b/8=9.12×2.82×0.99/8=8.84kNm边墙内侧边缘处剪力V2=p·L0·b/2=9.12×2.50×0.99/2=11.28kN3) 作用效应组合根据《公路桥涵设计通用规范》(JTG D60-2004)中4.1.6关于作用效应组合的规定:跨中弯矩γ0M d=0.9(1.2M1+1.4M2)=0.9×(1.2×76.22+1.4×8.84)=93.46kNm边墙内侧边缘处剪力γ0V d=0.9(1.2V1+1.4V2)=0.9×(1.2×97.22+1.4×11.28)=119.21kN4.持久状况承载能力极限状态计算截面有效高度h0=d1-c-2.2/2=32-3-1.100=27.9cm=0.279m1) 砼受压区高度x=f sd·A s/f cd/b=330×0.003770/13.8/0.99=0.091m根据《公路钢筋混凝土及预应力混凝土桥涵设计规范》(JTG D62-2004)中5.2.1关于相对界限受压区高度ξb的规定:HRB400钢筋的相对界限受压区高度ξb=0.53。
XXXXXXXXXXXX工程G1DK1+216.7 1-1.5m盖板涵K1549+634.8 1-2.5m框架涵GL1DK0+030 1-2.5m框架涵施工组织设计XXX有限公司XXXXXXX工程项目经理(指挥)部xx目录1. 编制依据 (2)2. 编制范围 (2)3. 工程概况及主要工程数量 (2)4. 施工组织结构及施工队伍的安排 (3)5. 施工总体设计 (4)6.施工方法、施工工艺及技术措施 (5)7. 工期计划及进度安排 (11)8. 主要材料、机械设备的供用计划和供用方案、保证措施 (12)9. 创优规划和质量保证措施 (13)10. 安全目标,安全保证体系及措施 (17)11. 工期保证措施 (19)12. 文明施工 (22)13. 施工环保、水土保持措施 (23)14. 附表 (24)14.1 组织机构图 (24)14.2 涵洞施工工艺流程图 (24)14.3 质量保证体系框图 (24)14.4 安全保证体系图 (24)14.5 施工进度横道图 (24)14.6 施工平面布置图 (24)施工组织设计1.编制依据XXXX项目施工招标文件、施工设计图、最新铁路设计规范、施工规范、验收规范、规则、标准及上级技术部门所提出的技术要求等。
X局霞凝项目部对作业队的任务划分通知和作业队自行组织的现场踏勘资料等。
我公司多年的工程施工经验和目前施工队伍的技术水平及机械设备状况。
联合体协议书及质量管理体系、环境管理体系、职业健康安全管理体系等。
2.编制范围本工程为霞凝站新建货场G1DK1+300~+900段涵洞工程,地处霞凝站以南,施工范围内有3座涵洞分别为G1DK1+216.7 1-1.5m正交钢筋混凝土盖板涵(侧沟排水)、K1549+634.8 1-2.5m 与货3道斜交52度钢筋混凝土框架涵(排洪)、GL1DK0+030 1-2.5m正交钢筋混凝土框架涵(排洪)。
3.工程概况及主要工程数量3.1工程特点、重点及难点本线是加快上海货运能力的重要组成部分,将大大地增强长沙物流的竞争力,提升铁路市场份额。
一.盖板计算1.设计资料适用涵洞桩公路-Ⅰ级;安全结构重要性系数γ0.93m;Ⅱ类环境;3.2m;0.2m;26cm; 1.992m;0.99m;3cm;C30;13.8Mpa;1.39Mpa;12根直径为228cm;0.0045616m²;280Mpa;26kN/m³;20kN/m³根据《公路圬工 盖板按两端简支受力主筋:钢筋轴心抗压强度fsd= 填土高:H=单侧搁置长度:钢筋总面积As= 盖板容重γ1=砼轴心抗拉强度ftd=mm的HRB335钢筋,1-3.0m×1.6m盖板涵计算书盖板宽b=净保护层厚度c=砼强度等级:砼轴心抗压强度fcd=环境类别: 汽车荷载等级: 盖板厚d= 净跨径:L 0= 计算跨径:L=钢筋间距:1-3.0m×1.6m盖板涵洞身断面路面结构层和填土平均容重γ2=算1) 永久作用 (1) 竖向土压力46.43kN/m(2) 盖板自重6.69kN/m2) 由车辆荷载引 根据《公路桥涵 计算涵洞顶上车 当几个车轮的压 根据《公路桥涵 车辆荷载顺3.90m车辆荷载垂7.30m车轮重P=P=560kN车轮重压强19.68kN/m²3.内力计算及荷载1) 由永久作用引 跨中弯矩67.99kN.m边墙内侧边缘处79.68kN2) 由车辆荷载引 跨中弯矩24.94kN.m边墙内侧边缘处29.22kN3) 作用效应组合 根据《公路桥涵 跨中弯矩 γ =104.85153kN.mg=γ1·d·b/100= La=1.6+2·H·tan30°= Lb=5+2·H·tan30°= M2=p·L²·b/8=V2=p·L 0·b/2=V1=(q+g)·L 0/2=M1=(q+g)·L²/8=q=K·γ2·H·b= p=P/La/Lb=γ=122.87288kN.m4.持久状况承载能0.219m1) 砼受压区高度0.093m根据《公路钢筋 相对界限受压区 HRB335钢筋的相0.123m砼受压区高度满2) 最小配筋率 根据《公路钢筋 受弯构件最小配1.772,不小于45ftd/f0.223,同时不小于0.2主筋配筋率满足3) 正截面抗弯承 根据《公路钢筋 受弯构件正截面220.013kN.m≥γ0Md=104.85kN.m正截面抗弯承载4) 斜截面抗剪承 根据《公路钢筋 抗剪截面验算的605.63kN≥γ0Vd=122.87kN抗剪截面满足规 根据《公路钢筋 受弯构件斜截面 对于板式受弯构188.35kN≥γ0Vd=122.87kN可不进行斜截面 (JTG D62-ρ=100·As/b/d=(d-c-2.2/2)/100= 截面有效高度 h 0= x=fsd·As/fcd/b= x≤ξb·h 0= fcd·b·x(h0-x/2)= 0.51×10-3·fcu,k 0.5·b·h 0= 1.25×0.5×10-3·α2·ftd·b·h0=根据《公路钢筋 中6.4关于裂缝 环境类别为II类 作用短期效应组85.45kN.m作用长期效应组77.97kN.m受拉钢筋的应力98.31Mpa1.00作用长期效应影1.461.15裂缝宽度Wfk=C1·==0.936mm≤0.20mm裂缝宽度满足规二.台身及基1.设计资料基础为分离式 计算假定:将0.53m;0.75m;1.6m; 1.73m;3.852cm;1.75m;35度;铺底厚度:0.4m;300kPa;计算台宽b:0.99m;基础层数:2层;0.25m;单层基础厚:0.6m;C25片石砼; 2.77Mpa;0.387Mpa;0.336Mpa;C20片石砼;铺底材料: 台身基础容重:24kN/m³;铺底容重:23kN/m³;基础襟边: M l =1.0M1+0.4M2= σss=Ms/0.87/As/h0=C2=1+0.5Ml/Ms= 钢筋表面形状系数C1=Ms=1.0M1+0.7M2= 受力性质系数C3=M7.5浆砌片石;基础埋深H 2:基础底宽h 基:基础材料:地基承载力容许值:台身弯曲抗拉强度ftmd=台身直接抗剪强度fvd=台身顶宽C1:台身底宽C2:涵洞净高H 0:台身计算高度H1:台身材料:台身轴心抗压强度fcd==ϕ:回填土的内摩擦角2.台身验算1) 水平力 车辆荷载等代土=0.5212.005计算长度B=7.30m= 1.913m土的侧压力系数=tan ²(45°-0.271q1=(H+h+=21.65kN/mq2=(H2+h=30.93kN/m台身基础验算简图=⨯θtan H =l 20破坏棱体长度ϕϕϕϕθθtan tan cot tan tan )(的正切值线间夹角破坏棱体破裂面与竖直++-=A端处弯矩=-9.95kN.mA端处剪力=29.83kN最大弯矩位置x0=5.366kN/m=1.062m最大弯矩计算= 5.36kN.m2) 竖向力最不利截面y-y受力简图)877(1202121q q H M A +-=当x0= 1.062名 称竖向力(kN)偏心矩e (m)P1123.4-0.275P234.90.11P3 3.30.11P49.580∑P171.21∑M=-29.73) 截面验算作用效应组合-25.37kN.m 184.9kN 37.6kN偏心矩ee=γ0Md/γ0.137m ≤0.6s=0.225m,满足要求;(1) 偏心受压承 现根据《公路圬 计算偏心受压构m时,台身在此截面y-y上的竖向力、偏心矩及弯矩构件承载力影响系数计算简图γ0Md=0.9×(1.2×∑M+1.4×Mmax)= γ0Nd=0.9×1.2×∑P= γ0Vd=0.9×1.4×QA=-33.943.840.360弯 矩(kN.m)弯曲平面内的截0.2860.2171.3,1.211m,= 2.078= 1.5748,a取0.002=0.716= 1.000砌体偏心受压构=0.716 构件截面面积0.7425m²现根据《公路圬 =1472.1739kN ≥γ0Nd=184.9kN偏心受压承载力A=C2*b= x方向和y方向偏心受压构件承载力影响系数,其中m取 构件长细比,其中长细比修正系数γβ取构件计算长度l 0取0.7H1==12b/=ix =12C2/=iy ⎥⎥⎦⎤⎢⎢⎣⎡+-+•+-=22)(33.11)3(11)(1)(1y x x x yx mx x i e i e x e βαβϕ⎥⎦⎤⎢⎣⎡+-+•+-=22)(33.11)3(11)(1)(1x y y y xy my y i e i e ye βαβϕ(2) 正截面受弯 构件受拉边缘的0.093m³现根据《公路圬 W·ftmd=35.91825.37kN.m正截面受弯承载 (3) 直接受剪承 现根据《公路圬0.7, Nk=190.1kN直接受剪承载力3.基底应力验算 基础底面上的竖 竖向力及弯矩进基底应力计算简图W=b·C 2²/6=kN.m ≥γ0Md=344.54937.6kNkN ≥ γ0Vd==其中μf=基础底面面积1.733m²0.505m³ 基底应力满足要 1-3.0m×W 基=b·h 基²/6=179.26A=b·h 基=kPa≤300kPa;=+=∑∑基W AM P max δ。
基础数据覆土及地质情况公路等级:一级公路请选择填土高度:5m 桥涵类型:盖板暗涵请选择地基承载力:200kPa;不均匀沉降系数K:不考虑请选择环境类别:Ⅱ类环境请选择路基横断面布置路面厚度:0.72m路面宽度: 4.5m 路面容重:24kN/m³路基宽度:6m填土容重:18kN/m³左侧边坡坡率: 1.5填土内摩擦角φ:30°右侧边坡坡率:1.5上部结构配筋情况净跨径L 0:4m 纵向钢筋直径:25mm 计算板宽:1m 纵向钢筋根数:12根支点处板厚:40cm 裂缝宽度:0.159mm 支撑宽度:30cm 净保护层厚:35mm横向钢筋直径10mm 支座形式:支座请选择取用根数8根支座中心距背墙距离:15mm 计算根数15mm混凝土强度:C35请选择钢筋间距125mm纵向主筋型号:HRB400请选择横向分布筋型号:HRB400请选择上部板容重:26kN/m³下部结构台身尺寸台身计算宽度:1m 净高H 0:4m 背墙宽度C 4: 1.11m 台身宽C 2: 1.41m 单层基础厚:0.75m 基础襟边C1:0.3m铺砌厚度:0.75m 基础层数:1层盖板涵(暗桥)数据输入横向分布筋按纵向钢筋20%进行计算!基础形式:整体式基础请选择台身材料类型浆砌片石请选择台身材料强度15请选择石料强度:MU40请选择台身容重:24kN/m³;基础容重:24kN/m³;铺砌容重:24kN/m³;计算结果0.146分布筋配筋率不满足规范要求,重来!分布筋直径及间距满足规范要求!挠度验算满足要求!跨中截面不需设预拱度!0.0mm混凝土正截面受弯承载力满足要求!偏心距满足要求!直接受剪承载力满足要求砼受压区高度满足规范要求!主筋配筋率满足规范要求!正截面抗弯承载力满足规范要求!抗剪截面满足规范要求!裂缝宽度满足规范要求!计算结果偏心受压承载力满足要求!预拱度设计值计算需要地基承载力:189kPa;基底应力满足要求。
刚果(金)RN2-BUTEMBO市政道路工程 桥梁结构计算书 RN2-Butembo项目技术部 1
1.5米净跨径盖板涵结构计算 1 盖板计算 1.1设计资料 汽车荷载等级:公路-Ⅱ级; 环境类别:Ⅱ类环境; 净跨径:L0=1.5m; 单侧搁置长度:0.20m; 计算跨径:L=1.7m; 填土高:H=0.8m; 盖板板端厚d1=20cm;盖板板中厚d2=20cm;盖板宽b=0.50m;保护层厚度c=3cm; 混凝土强度等级为B350; 轴心抗压强度fcd=13.8Mpa; 轴心抗拉强度ftd=1.39Mpa;
主拉钢筋等级为HRB335; 抗拉强度设计值fsd=280Mpa; 主筋直径为18mm,外径为18mm,共5根,选用钢筋总面积As=3.14x0.0092x5=0.001272m2 盖板容重γ1=0.2x0.5x1.9x2.62x9.8=4.88kN/m3; 土容重γ2=3.60kN/m3
根据《公路圬工桥涵设计规范》(JTG D61-2005)中7.0.6关于涵洞结构的计算假定:盖板按两端简支的板计算,可不考虑涵台传来的水平力 刚果(金)RN2-BUTEMBO市政道路工程 桥梁结构计算书
RN2-Butembo项目技术部 2
1.2外力计算 1) 永久作用 (1) 竖向土压力 q=γ2·H·b=3.6×0.8×0.50=1.44kN/m (2) 盖板自重 g=γ1·(d1+d2)·b/2/100=4.88×(20+20)×0.5/2 /100=0.5kN/m 2) 由车辆荷载引起的垂直压力(可变作用) 根据《公路桥涵设计通用规范》(JTG D60-2004)中4.3.4的规定: 计算涵洞顶上车辆荷载引起的竖向土压力时,车轮按其着地面积的边缘向下做30°角分布。当几个车轮的压力扩散线相重叠时,扩散面积以最外面的扩散线为准 根据《公路桥涵设计通用规范》(JTG D60-2004)中4.3.1关于车辆荷载的规定: 车辆荷载顺板跨长 刚果(金)RN2-BUTEMBO市政道路工程 桥梁结构计算书 RN2-Butembo项目技术部 3
La=1.6+2·H·tan30=1.6+2×0.8×0.577=2.52m 车辆荷载垂直板跨长 Lb=5.5+2·H·tan30=5.5+2×0.8×0.577=6.42m 车轮重 P=588kN 车轮重压强L p=P/La/Lb=560/2.52/6.42=36.34kN/m2 1.3内力计算及荷载组合 1) 由永久作用引起的内力 跨中弯矩 M1=(q+g)·L2/8=(1.44+0.5)×1.72/8=0.70kNm 边墙内侧边缘处剪力 V1=(q+g)·L0/2=(1.44+0.5)×1.5/2=1.46kN 2) 由车辆荷载引起的内力
跨中弯矩 M2=p·La·(L-La/2)·b/4=36.34×2.52×(1.7-2.52/2)×0.50/4=5.04kNm 刚果(金)RN2-BUTEMBO市政道路工程 桥梁结构计算书
RN2-Butembo项目技术部 4
边墙内侧边缘处剪力 V2=p·La·b·(L0-La/2)/L0)=36.34×2.52×0.50×(1.5-2.52/2)/1.5=7.33kN 3) 作用效应组合 根据《公路桥涵设计通用规范》(JTG D60-2004)中4.1.6关于作用效应组合的规定: 跨中弯矩 γ0Md=0.9(1.2M1+1.4M2) =0.9×(1.2×0.7+1.4×5.04)=7.11kNm 边墙内侧边缘处剪力 γ0Vd=0.9(1.2V1+1.4V2) =0.9×(1.2×1.46+1.4×7.33)=10.81kN 1.4持久状况承载能力极限状态计算 截面有效高度 h0=d1-c-2.2/2=20-3-1.100=0.159m 1) 砼受压区高度 x=fsd·As/fcd/b=280×0.001272/13.8/0.50=0.052m 根据《公路钢筋混凝土及预应力混凝土桥涵设计规范》(JTG D62-2004)中5.2.1关于相对界限受压区高度ξb的规定: HRB335钢筋的相对界限受压区高度ξb=0.56。 刚果(金)RN2-BUTEMBO市政道路工程 桥梁结构计算书 RN2-Butembo项目技术部 5
x≤ξb·h0=0.56×0.159=0.089m 砼受压区高度满足规范要求 2) 最小配筋率 根据《公路钢筋混凝土及预应力混凝土桥涵设计规范》(JTG D62-2004)中9.1.12关于受弯构件最小配筋百分率的规定: P=100·As/b/h0=1.6,不小于45ftd/fsd=0.22,同时不小于0.2 主筋配筋率满足规范要求 3) 正截面抗弯承载力验算 根据《公路钢筋混凝土及预应力混凝土桥涵设计规范》(JTG D62-2004)中5.2.2关于受弯构件正截面抗弯承载力计算的规定: fcd·b·x(h0-x/2)=13.8×1000×0.50×0.052(0.159-0.052/2) =47.72kNm≥γ0Md=7.11kNm 正截面抗弯承载力满足规范要求 4) 斜截面抗剪承载力验算 根据《公路钢筋混凝土及预应力混凝土桥涵设计规范》(JTG D62-2004)中5.2.9关于抗剪截面验算的规定: 0.51×10-3·fcu,k0.5·b·h0=0.51×10-3×300.5×500×159 =222.074kN≥γ0Vd=10.81kN 抗剪截面满足规范要求。 根据《公路钢筋混凝土及预应力混凝土桥涵设计规范》(JTG D62-2004)中5.2.10关于受弯构件斜截面抗剪承载力验算的规定: 对于板式受弯构件,公式可乘以1.25提高系数 刚果(金)RN2-BUTEMBO市政道路工程 桥梁结构计算书 RN2-Butembo项目技术部 6
1.25×0.5×10-3·α2·ftd·b·h0=1.25×0.0005×1×1.39×0.50×1000×0.159×1000 =69.07kN≥γ0Vd=10.81kN 可不进行斜截面抗剪承载力的验算,只需按照《公路钢筋混凝土及预应力混凝土桥涵设计规范》(JTG D62-2004)中9.3.13构造要求配置箍筋 箍筋间距为20cm,满足规范要求。 1.5裂缝宽度计算 根据《公路钢筋混凝土及预应力混凝土桥涵设计规范》(JTG D62-2004)中6.4关于裂缝宽度验算的规定: 环境类别为Ⅱ类环境,对于钢筋混凝土构件,最大裂缝宽度不应超过0.20mm 作用短期效应组合 Ms=1.0M1+0.7M2 =1.0×0.7+0.7×5.04=4.23kNm 作用长期效应组合 Mi=1.0M1+0.4M2 =1.0×0.7+0.4×5.04=2.72kNm 受拉钢筋的应力 σ
ss=Ms/0.87/As/h0=4.23/0.87/0.001272/0.159=24.04Mpa 作用长期效应影响系数 刚果(金)RN2-BUTEMBO市政道路工程 桥梁结构计算书 RN2-Butembo项目技术部 7
C2=1+0.5Mi/Ms=1+0.5×2.72/4.23=1.32 裂缝宽度 Wfk=C1·C2·C3·σss·(20+d)/Es/(0.28+10·ρ) =1×1.32×1.15×24.04×(20+13)/2.00×105/(0.28+10×0.016) =0.025mm≤0.20mm 裂缝宽度满足规范要求 2.台身及基础计算 2.1设计资料 基础为整体式,基础襟边C1=0.05m,台身宽C2=0.40m,基础宽C3=2.40m 背墙宽C4=0.20m,搭接宽度C5=0.20m,基础高度为0.20m 涵洞净高H0=1.50m,计算高度H1=1.60m,基础顶深H2=2.50m 台身容重=21.5kN/m3,基础容重为21.5kN/m3,
台身轴心抗压强度fcd=4.23Mpa,台身弯曲抗拉强度ftmd=0.45Mpa,台身直接抗剪强度fvd=1.08Mpa 地基承载力容许值为250kPa,回填土的内摩擦角为30° 刚果(金)RN2-BUTEMBO市政道路工程 桥梁结构计算书
RN2-Butembo项目技术部 8
将台身简化为上端铰支、下端固结模型,取台宽b=0.49m进行计算
2.2台身验算 1) 水平力 刚果(金)RN2-BUTEMBO市政道路工程 桥梁结构计算书
RN2-Butembo项目技术部 9
车辆荷载等代土层厚 破坏棱体长度l0=(H1+d1/2+H)*tan(45°-30°/2)=1.50m 计算长度B=14m 板总自重 ∑G=21.5KN/m3×5.32m3=114.38KN
=114.38/14/1.5/3.6=1.51m 土的侧压力系数
=tan2(45°-30°/2)=0.3333 q1=(H+h+d1/2)·b·λ·γ =(1.7+1.51+0.10)×0.49×0.3333×3.6=1.94kN/m q2=(H+h+H0+d1/2)·b·λ·γ =(0.8+1.51+1.5+0.10)×0.49×0.3333×3.6=2.30kN/m A端处弯矩
=-0.12kNm A端处剪力
=2.31kN 最大弯矩位置x0的计算