能源计量器具一览表(电力)
- 格式:xls
- 大小:56.50 KB
- 文档页数:30
能源计量器具配备及管理制度为确保本厂能源计量器具能及时有效的配备和得到合理妥善的管理,以确保得到准确可靠的能源消耗数据,经本厂节能降耗小组研究决定,特制定本制度。
1、后勤是能源计量器具的管理部门,并负责能源计量器具的入库和贮存。
2、各使用部门负责本部门能源计量器具的日常维护。
3、供销科负责能源计量器具的采购。
4、能源计量器具的配备要求4.1 能源计量配备率表1 能源计量器具配备率要求单位:%能源种类进出用能单位主要用能设备电力 100 95水 95 80蒸汽 95 80煤 100 95可回收利用的余能 80 —-4。
2 用能单位能源消耗量(或功率)限定值表2 用能单位能源消耗量(或功率)限定值能源种类电力煤蒸汽水其它单位 kW/月 t/月 GJ/a t/月限定值4.3能源计量器具准确度等级表3 用能单位能源计量器具准确度等级要求计量器具类别计量目的准确度等级要求衡器进出用能单位燃料的静态计量0。
1I类用户 0。
5sII类用户 0。
5进出用能单位有功电能表 III类用户 1。
0交流电能计量IV类用户 2。
0V类用户 2。
0 气体流量表(装置)进出用能单位的气体能源计量蒸汽2.5 管径不大于250mm 2。
5 进出用能单位水量水流量表(装置)计量管径大于250mm 1。
5用于液态、蒸汽能源的温度计量 2.0 温度仪表与气体、蒸汽质量计算相关的温度计量 1。
0用于气态、液态能源的压力计量 2。
0 压力仪表与气体、蒸汽质量计算相关的压力计量 1。
0 注1:当计量器具是由传感器(变送器)、二次仪表组成的测量装置或系统时,表中给出的准确度等级应是装置或系统的准确度等级。
装置或系统未明确给出其准确度等级时,可用传感器与二次仪表的准确度等级按误差合成方法合成。
注2:运行中的电能计量装置按其所计量电量的多少,将用户分为五类。
I类用户为月平均用电量500万kWh及以上或变压器容量为10000kWh及以上高压计费用户;II类用户为小于I类用户用电量(或变压器容量)但月平均用电量100万kWh及以上或变压器容量为2000kWh及以上的高压计费用户;III类用户为小于II类用户用电量(或变压器容量)但平均用电量10万kWh及以上或变压器容量为315kWh及以上的上费用户;IV类用户为负荷容量为315kWh以下的计费用户;V类用户为单相供电的计费用户.4。
能源计量器具管理
一、能源计量器具维修、校验管理机构
由公司动力车间负责全厂能源计量器具日常巡检、维修和校验工作。
维修与校验管理机构示意图如下:
2.
二、能源计量器具一览表
公司能源计量器具包括各种电能表、煤气流量计和衡器类(地磅、漏斗秤、吊秤) 等
工作仪表和计量标准仪表等。
三、能源计量器具检定周期
根据国家计量检定规程的要求,并结合我公司使用实际,规定能源计量器具检定周期如下表:
从上表可以看出,陕西东岭冶炼有限公司的能源计量器具检定周期要严于国家规定的周期,可以更有效地保证能源计量器具使用的准确可靠性。
四、
能源计量器具量值传递系统图 1.气体(煤气)流量计量器具量值传递系统图
2.衡器计量器具量值传递系统图
3.电能计量器具量值传递系统图.
五、能源计量器具的合格证与检定证书(部分照片)
我公司凡属于国家规定强制检定的能源计量标准器具,均具有检定证书。
非强制检定的能源
计量器具,均具有合格证书。
图1部分能源计量器具的检定证书
图2部分能源计量器具合格证。
能源计量器具一览表
精度序检验名称型号规格测量范围,, 制造厂出厂编号出厂日期存放地点本厂编号等级号状况
静态1 电子汽车衡 SCS-30A 15t 常州托力多称重设备有限公司 J546-5 2004.1 地磅房 JX-1101 合格 III
三相三线电子3 DDSY241型 00000.0~~~99999.9KWH 1 江阴合众电力仪表有限公司 2003年 2#变电站 JX-1401 合格 110642 式预付电能表
三相三线电子4 DDSY241型 00000.0~~~99999.9KWH 1 江阴合众电力仪表有限公司 2005年 1#变电站 JX-1402 合格 111191 式预付电能表
三相三线电子5 DDSY241型 00000.0~~~99999.9KWH 2.0 江阴合众电力仪表有限公司 2004年 2#变电站 JX-1403 合格 110642 式预付电能表
电子式三相有6 DTS94型 00000.0~~~99999.9KWH 1 江苏苏源卡欧电有限公司2005年 2#变电站 JX-1404 合格 120609853 功电能
30000.0~9999.9m 7 水表 LXSG-15EV~40EV 2.5 苏州自来水表厂 2005.1 西门卫 JX-1001 合格 S234Y
30000.0~9999.9m 8 水表 LXSG-15EV~40EV 2.5 苏州自来水表厂 2004.12 东门卫 JX-1002 合格 SO25Y。
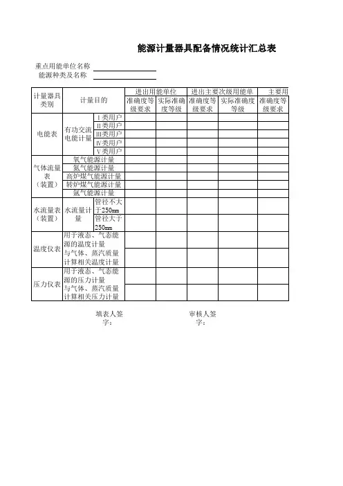
能源计量器具配备情况统计
汇总表
能源计量器具配备情况统计汇总表
本表用于统计各进出用能单位、进出主要次级用能单位和主要用能设备的能源计量器具配备情况,并计算实际配备率。
重点用能单位名称:
本栏填写各重点用能单位的名称。
能源种类及能源名称:
本栏填写各能源种类和名称,如电能表、油流量表、气体流量表、水流量表、温度仪器和压力仪表等。
能源计量分级、分项:
本栏填写能源计量器具的分级、分项或项的名称。
进出用能单位、进出主要次级用能单位和主要用能设备:
本栏分别填写进出用能单位、进出主要次级用能单位和主要用能设备的名称。
实配数量:
本栏填写实际配备的能源计量器具数量。
实际配备率:
本栏计算实际配备率,公式为实配数量÷应配数量×100%。
其他项目:
本栏包括可回收利用余能、能源计量标准、自检自查和能源能量分析等项目。
填表人签字:审核人签字:填表日期:。
能源计量器材清单
该能源计量器材清单涵盖了各种用于能源计量的设备和工具。
以下是清单的详细内容:
1. 电能计量器:用于测量和记录电力消耗的仪表。
2. 水能计量器:用于测量和记录水资源消耗的设备。
3. 气能计量器:用于测量和记录气体资源消耗的工具。
4. 热能计量器:用于测量和记录热能消耗的仪表。
5. 光能计量器:用于测量和记录光能利用的设备。
6. 动能计量器:用于测量和记录动力能源消耗的工具。
7. 能量数据采集系统:用于采集能源计量器上的数据并进行记录和分析的设备。
8. 远程监控系统:用于监控和管理能源计量器设备的远程控制系统。
9. 数据传输设备:用于将能源计量器的数据传输到其他计算机系统的装置。
10. 数据存储设备:用于存储和备份能源计量器数据的设备。
11. 能源管理软件:用于分析和管理能源消耗数据的计算机程序。
12. 校准设备:用于校准能源计量器的工具。
这份能源计量器材清单提供了各种能源计量器设备和工具的详细描述和功能说明。
它们在实现能源节约和可持续发展方面扮演着重要的角色。
通过使用这些计量器材,我们可以更好地管理和控制能源的消耗,从而减少资源浪费并提高能源利用效率。
请注意,这只是一份简单的器材清单,并不详尽或完整。
根据不同的能源计量需求,可能还存在其他类型的计量器材。
建议在选择器材时需根据具体情况进行考虑和采购。