抹灰工程的分类与组成---根据材料及装饰效果1、一般抹灰 2
- 格式:ppt
- 大小:1.91 MB
- 文档页数:63
抹灰工程抹灰工程,就是用砂浆涂抹在建筑物的墙面、顶棚等部位的一种装饰工程,其作用是:增加建筑物的美观和形象,可以隔热、隔音、防潮,减少外界有害物质对建筑物的腐蚀,延长建筑物的使用寿命。
1.1 抹灰工程的分类及组成1.抹灰工程的分类(1)按施工部位不同分类1)室内抹灰,包括墙面、顶棚抹灰等。
2)室外抹灰,包括外墙、女儿墙、压顶抹灰等。
(2)按使用要求及装饰效果不同分类1)一般抹灰,包括普通抹灰和高级抹灰。
2)装饰抹灰,包括水刷石、斩假石、干粘石等。
3)特种抹灰,包括保温砂浆、耐酸砂浆和防水砂浆等。
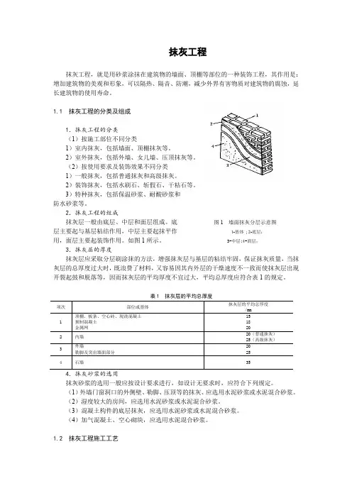
2.抹灰工程的组成抹灰层一般由底层、中层和面层组成。
底图1 墙面抹灰分层示意图层主要起与基层粘结作用,中层主要起抹平作1-基体; 2-底层;用,面层主要起装饰作用。
如图1所示。
3-中层;4-面层;3.抹灰层的厚度抹灰层应采取分层刷涂抹的方法,增强抹灰层与基层的粘结牢固,保证抹灰质量,当抹灰层的总厚度过大时,既浪费了材料,又容易因其内外层的干燥速度不一致而使抹灰层出现开裂起鼓和脱落等,因而抹灰层的平均厚度不宜过大,平均总厚度应符合表1的规定。
表1 抹灰层的平均总厚度项次部位或基体抹灰层的平均总厚度/mm1 顶棚、板条、空心砖、现浇混凝土预制混凝土金属网1518202 内墙 20(普通抹灰) 25(高级抹灰)3 外墙勒脚及突出墙面部分20254 石墙354.抹灰砂浆的选用抹灰砂浆的选用一般应按设计要求进行,如设计无要求时,应符合下列规定。
(1)外墙门窗洞口的外侧壁、勒脚、压顶等的抹灰、应选用水泥砂浆或水泥混合砂浆。
(2)湿度较大的房间,应选用水泥砂浆或水泥混合砂浆。
(3)混凝土构件的底层抹灰,应选用水泥砂浆或水泥混合砂浆。
(4)加气混凝土、空心砌块,应选用水泥混合砂浆。
1.2 抹灰工程施工工艺1.内墙一般抹灰的施工内墙一般抹灰的施工工艺为:施工准备→基层处理→抹灰饼→冲筋(图9.2)→做护角(图9.3)→抹灰图9.2 挂线做标志块及标筋A.引线;B.灰饼(标志块);C.钉子;D.冲筋图9.3 护角1-窗口;2-墙面抹灰;3-面层;4-水泥护角2.外墙装饰抹灰的施工现以干粘石为例介绍,其抹灰的施工工艺为:基层处理→找规矩→打底→粘分格条→抹灰→起条。
抹灰工程一、抹灰工程的分类1、一般抹灰:石灰砂浆、水泥混合砂浆、水泥砂浆、聚合物水泥砂浆、麻刀灰、纸筋石灰、粉刷石膏等。
一般抹灰又按建筑物的标准可分为普通抹灰和高级抹灰二级。
2、装饰抹灰:水刷石、斩假石、干粘石、假面砖等。
二、抹灰的组成1、通常抹灰分为底层、中层及面层。
2、抹灰层的平均总厚度:⑴顶棚:15㎜;⑵内墙:普通抹灰为18㎜;高级抹灰为25㎜;⑶外墙为20㎜;⑷石墙为35㎜;⑸装饰抹灰通常要大于一般抹灰,当抹灰总厚度≥35㎜时,应按设计要求采取加强措施。
3、抹灰工程一般应分遍进行。
如果一次抹得太厚,由于内外收水快慢不同,易产生开裂,甚至起鼓脱落。
三、常用材料(一)水泥、石灰1、水泥:不应小于32.5级的普通硅酸盐水泥(简称普通水泥)、矿渣硅酸盐水泥(简称矿渣水泥)以及白水泥、彩色硅酸盐水泥(简称彩色水泥)。
2、石灰①石灰膏:块状生石灰经熟化成石灰膏后使用。
熟化时间一般不应少于15d,用于罩面时,不应少于30d。
②磨细生石灰粉:将块状生石灰碾碎磨细的成品,为磨细生石灰粉。
用磨细生石灰粉代替石灰膏浆,可节约石灰20%~30%。
由于磨细生石灰粉颗粒很细,所以用它粉刷不易出现膨胀。
罩面用的磨细生石灰粉的熟化期不应小于3d。
(二)砂、石粒、瓷粒1、砂:抹灰用砂中砂,或粗砂与中砂混合使用。
2、彩色石粒:彩色石粒是由天然大理石破碎而成,多用于水磨石、水刷石及斩假石的骨料。
3、彩色瓷粒:用石英、长石和瓷土为主要原料烧制而成。
以彩色瓷粒代替彩色石粒用于室外装饰抹灰。
(三)麻刀、纸筋1、麻刀:使用时将麻丝剪成2~3㎝,每100㎏石灰膏约掺1㎏,即成麻刀灰。
2、纸筋(草纸):每100㎏石灰膏掺纸筋2.75㎏。
(四)膨胀珍珠岩、1、膨胀珍珠岩:适用于在-200~8000C范围内做保温隔热材料,具有堆密度小、导热系数低、承压能力较高的优点。
2、膨胀蛭石:堆积密度为80~200㎏/m3,导热系数为0.047~0.07W(m·K),耐火防腐。
抹灰工程的分类抹灰按工程部位分为外墙抹灰、内墙抹灰、顶棚抹灰、地面抹灰、饰面安装等;按使用材料和装饰效果分为一般抹灰和装饰抹灰。
抹灰按建筑物标准分为普通抹灰、中级抹灰和高级抹灰三类墙(柱)面一般抹灰施工墙、柱面一般抹灰使用的材料包括石灰砂浆、水泥砂浆、水泥混合砂浆、麻刀石灰、纸筋石灰、玻璃丝石灰、石膏灰等。
墙(柱)面装饰抹灰施工墙柱面装饰抹灰常见的有水刷石、干粘石、斩假石、现制水磨石、甩毛灰、拉条灰、喷涂、弹涂等。
墙(柱)面镶贴大理石施工工艺大理石饰面工程的施工方法一般有粘贴法、镶贴法和干挂法三种。
1.粘贴法施工工艺。
在墙、柱面大理石装饰工程中,当大理石板材厚度小于1厘米、边长小于40厘米时,一般采用粘贴法施工。
施工准备工作有:(1)材料准备:大理石板材、325#以上水泥、白水泥、粗砂、中砂、颜料、熟石灰、粘结剂等。
(2)机具准备:砂轮锯、合金钢钻头、台钻、切割机、手电钻、打孔机、电锤、抹灰工具等。
施工方法如下:(1)工序顺序:处理基层→抄平放线→选材试排→粘贴大理石板→清理嵌缝。
(2)基本操作:①基层处理,首先检查基层的垂直度和平整度,偏差大的部位应凿掉或填补,油污处要清洗,光滑的要凿毛。
②抄平放线,弹出不同规格板材分格线。
③选材试排。
选择合格板材进行试排,调整颜色花纹,定位编号,清理板材背面,按次序堆放,以便粘贴。
④粘贴大理石板。
用贴灰饼标出墙面的控制点,按放线弹出的最下一层大理石板的下口标高,垫好固定直尺,并用铁水平尺检查无误,方可在直尺上开始粘贴第一排大理石板。
一般按编号在大理石背面抹上3~5厘米混合砂浆。
由下往上粘贴在找平层上,最下一层要紧靠直尺上皮,贴上后用橡皮锤轻轻砸实,使砂浆挤满与弹出的上口水平线相齐为准,边粘贴边检查质量。
当采用盲缝粘贴时,在石缝间嵌进0.5毫米的塑料,或在石板的棱边夹进少量纱绳,以防棱边碰损。
如图4-49所示。
2.镶贴法施工工艺。
在墙、柱面大理石装饰工程中,当大理石板材的边长大于40厘米时,一般采用镶贴法施工。
一抹灰工程一、抹灰分类和组成(一)抹灰的分类1.按施工部位的不同,抹灰工程可分为室内抹灰(内抹灰)和室外抹灰(外抹灰)。
2.按使用要求及装饰效果的不同,抹灰工程分为一般抹灰、装饰抹灰和特种砂浆抹灰。
(1)一般抹灰:一般抹灰所使用的材料有石灰砂浆、水泥砂浆、水泥混合砂浆、3.按主要工序和表面质量的不同,一般抹灰工程分为普通抹灰和高级抹灰(具体工程的抹灰等级应由设计单位按照国家有关规定,根据技术、经济条件和装饰美观的需要予以确定,并在施工图中注明)。
(二)抹灰饰面的组成为使抹灰层与建筑主体表面粘结牢固,防止开裂、空鼓和脱落等质量弊病的产生并使之表面平整,装饰工程中所采用的普通抹灰应分层操作,即将抹灰饰面分为底层、中层和面层三个构造层次。
1.抹灰为粘结层,其作用主要是确保抹灰层与基层牢固结合并初步找平。
2.抹灰为找平层,主要起找平作用。
根据具体工程的要求可以一次抹成,也可以分遍完成,所用材料通常与底层抹灰相同。
3.抹灰为装饰层,对于以抹灰为饰面的工程施工,不论一般抹灰或装饰抹灰,其面层均通过一定的操作工艺使表面达到规定的效果,起到饰面美化作用。
二主要材料质量要求二、抹灰工程主要材料质量要求1.抹灰用的水泥宜为硅酸盐水泥、普通硅酸盐水泥,其强度等级不应小于。
2.不同品种不同标号的水泥不得混合使用。
3.抹灰用砂子宜选用中砂,或中砂与粗砂混合掺用;抹面和勾缝砂浆一般采用细砂,可提高砂浆的和易性;特细砂在抹灰过程中不能单独使用,可以将它适量掺入粗、中砂内,改善级配。
要求颗粒坚硬、洁净,使用前应过筛,不得含有杂物、碱质或其他有机物。
三抹灰工程一般规定1.抹灰工程应在隐蔽工程完毕,并经验收后进行。
外墙抹灰工程施工前应先安装钢木门窗框、护栏等,并应将墙上的施工孔洞堵塞密实。
3.不同材料基体交接处表面的抹灰应采取防止开裂的加强措施。
为防止不同材质基层的伸缩系数不同而造成抹灰层的通常裂缝,不同材质基层交接处表面应先铺设防裂加强材料(如金属网等),其与各基层的搭接宽度应不小于100mm。
装饰工程建筑装饰指建筑饰面,指为了人们视觉要求对建筑主体结构的保护作用向进行的艺术处理及加工,包括:抹灰、饰面、玻璃、涂料、裱糊、刷浆、花饰等工程,是房屋建筑施工的最后一个施工工程,具有工程量大,施工工期长,耗用劳动量多,占建筑物总造价等特点。
§1 抹灰工程一、抹灰工程的分类和组成按抹灰的材料和装饰效果可分为一般抹灰和装饰抹灰(1)一般抹灰一般抹灰面层材料有石灰砂浆、水泥砂浆、水泥混合砂浆、聚合物水泥砂浆和麻刀灰、纸筋石灰、石膏灰等。
一般抹灰按建筑标准可分为普通抹灰和高级抹灰,当无设计要求时,按普通抹灰验收。
抹灰工程应分层进行。
抹灰由底灰、中层和面层组成。
(2)装饰抹灰装饰抹灰面层材料有水刷石、斩假石、干粘石、假面砖、拉毛灰、喷涂、滚涂等。
二、一般抹灰施工(一)一般抹灰的级别普通抹灰:简易住宅,地下室等,要求:一底一面,亦可一遍成活,分层赶实修整,表面压光。
中级抹灰:一般住宅,公用或工业建筑要求,一底一中一面,做到阳角找方,设置标筋,分层赶实修整,表面压光。
高级抹灰:大型公共建筑,纪念性建筑,一底数中一面,做到阴阳角找方,设置标筋,分层赶实修整,表面压光。
(二)一般抹灰施工1、施工准备:材料,工具准备2、基层处理:①凹凸石平应剔平补齐,填平孔洞沟槽;②太光时应剔毛,易于抹灰;③不同材料交接处搭金属网。
3、施工方法:⑴墙面抹灰;⑵阳角:1:2砂浆抹出护角,h≮2m,b≮50mm,⑶面层:两遍压光⑷顶棚抹灰:①墙顶四周弹线,定出抹灰层厚度②沿顶棚四边找平,表面顺平,压实⑴墙面抹灰:①中级和普通抹灰,先灰饼,标筋(保证墙面垂直)再抹底层灰。
步骤:墙土角2灰饼(50mm左右)厚为抹灰厚度,以墙面平整决定,最薄≮7mm,然后用耗线作下面垂直灰饼左右钉土,栓小线,挂通线,每1.2~1.5m作若干灰饼。
标筋:灰饼稍干后竖向沿灰饼宽100mm砂浆,以灰饼向为准刮平。
②高级抹灰:先房间规方小房间:以一面墙为基线,方尺规方大房间:地面弹十字线,由此至离墙角100mm处,弹墙角抹灰准线,在准线上下两端排好通线后贴饼,标筋,再抹灰。
8.2抹灰工程9.2.1抹灰工程分类抹灰工程的种类如图9.1所示,按使用材料和装饰效果不同,可分为一般抹灰和装饰抹灰两大类;按工程部位不同,则又可分为墙面抹灰、顶棚抹灰和地面抹灰三种。
图9.1抹灰分类9.2.2一般抹灰一般抹灰按使用要求、质量标准和操作工序不同,分普通抹灰、中级抹灰和高级抹灰三级。
普通抹灰为一底层、一面层,两遍成活,分层抹平、修整;中级抹灰为一底层、一中层、一面支,三遍成活,需做标筋,分层赶平、修整,表面压光;高级抹灰为一底层、几遍中层、一面层,多遍成活,需做标筋,角棱找方,分层赶平、修整,表面压光。
抹灰层的组成如图9.2所示,对各层的要求如下。
图9.2抹灰层的组成图9.3不同基层接缝处理1-底层;2-中层;3-面层;4-基层1-砖墙;2-钢丝网;3-板条墙9.2.2.1基层抹灰前必须对基层予以处理,如砖墙灰缝剔成凹槽,混凝土墙面凿毛或刮107胶水泥腻子、板条墙的板条间有8~10mm间隙;并应清除基层表面的灰层、污垢;填平脚手孔洞、管线沟槽、门窗框缝隙,洒水润湿。
在不同结构基层的交接处(如砖墙、板条墙或混凝土的连接),应先铺钉一层金属网或丝绸纤维布(图9.3),且与相交基层搭接宽度应各不小于100mm,以防抹灰层因基层温度变化而胀缩不一产生裂缝。
在门口、墙、柱易受碰撞的阳角处,宜用1:2的水泥砂浆抹出不低于1.5m高的护角(图9.4)。
对于砖砌体的基层,应待砌体充分沉降后,方能进行底层抹灰,以防砌体沉降拉裂抹灰层。
为了控制抹灰层的厚度和平整度,在抹灰前还必须先找好规矩,即四角规方,横线找平,竖线吊直,弹出准线和墙裙、踢脚板线,并在墙面做出标志(灰饼)和标筋(冲筋),以例找平。
图9.4墙、柱阳角包角抹灰1-1:1.4水泥白灰砂浆;2-1:2水泥砂浆图9.5所示,为抹灰操作中灰饼与冲筋的做法。
9.2.2.2底层底层厚度为5~9mm,其作用是使抹灰层能与基层牢固结合,并对基层进行初步找平。