船用电缆的参考载流量
- 格式:doc
- 大小:175.50 KB
- 文档页数:5
300V-1000V电缆载流量(本资料选自《电气工程》常用数据速查手册)1)、8.3导线载流量。
450V/750V及以上橡胶绝缘、塑料绝缘电线的载流量。
BVVB型、BLVVB型、RVVB型电线载流量见表8-24。
(2)、450V/750V及以下橡胶绝缘电力电缆的载流量。
通用橡套软电缆的载流量见表8-25。
(3)、0.6/1KV聚氯乙烯绝缘电力电缆的载流量。
0.6/1KV聚氯乙烯绝缘钢带铠装聚氯乙烯护套电力电缆载流量见表8-26。
(4)防火电缆的载流量。
1、阻燃电缆的载流量。
1)B、R系列阻燃电线、电缆的载流量见表8-27。
2)交联聚氯乙烯绝缘阻燃电力电缆的载流量见表8-28、表8-29,短路电流见表8-30。
3)聚氯乙烯绝缘阻燃电力电缆的载流量见表8-31。
(5)耐火电缆的载流量。
1)聚氯乙烯绝缘耐火电缆的载流量见表8-32。
2)BV-105型耐热聚氯乙烯绝缘铜芯电线的载流量见表8-33。
3)BTTQ、BTTVQ系列耐火电缆技术数据见表8-34。
4)BTTZ、BTTVZ系列耐火电缆技术数据见表8-35。
5)NH-YYJV系列耐火电力电缆技术数据见表8-36——8-38。
(6)表8-39。
聚氯乙烯绝缘低烟低卤阻燃电力电缆的载流量。
(7)表8-40。
交联聚氯乙烯绝缘低烟无卤阻燃电力电缆的载流量。
目录表8-24 BVVB型、BLVVB型、RVVB型电线载流量 (5)450V/750V及以下橡胶绝缘电力电缆的载流量 (5)通用橡套软电缆的载流量见表8-25 (5)YQ、YQW、YHQ、型 / A (5)YZ、YZW、YHZ型 / A (5)YC YCW YHC型 / A (6)0.6、1KV聚氯乙烯绝缘电力电缆的载流量 (6)表8.26 VV22、VLV22型聚氯乙烯绝缘钢带铠装聚氯乙烯护套电力电缆载流量。
(6)VV22、VLV22单芯 (7)VV22 (7)VV22、VLV22 3芯 (7)VV22、VLV22 4芯 (8)VV22、VLV22 3+1芯 (8)VV22 5芯 (9)VV22 4+1芯 (9)VV22 (9)3+2芯 (9)防火电缆的载流量 (9)表 8-27 B、R系列阻燃电线电缆的载流量 (10)ZR-BV 300/500V (10)ZR-BV 450/750V (10)ZR-BV 450/750 (11)ZRZR-BVVB 300/500V (11)ZR-BVR 450/750V (11)ZR-BVR 450/750V (11)ZR-BV 300/500 (11)ZR-BVV 300/500V (12)ZR-RVV 300/300V (12)ZR-RVVB 300/300V (12)ZR-RVV 300/500V (12)ZR-RVVB300/500V (13)ZR-RVS (13)300/300V (13)ZR-RVS (13)300/300V (13)2)交联聚氯乙烯绝缘电力电缆的载流量见表8-28、表8-29,短路电流见表8-30 (13)表8-28 交联聚氯乙烯绝缘阻燃电力电缆的载流量 (13)ZR-YJV 0.6/1kv (13)ZR-YJV 0.6/1kv (16)表8-29 高压交联聚氯乙烯绝缘阻燃电力电缆的载流量 (20)ZR-YJV、ZR-YJLV (20)ZR-YJV22、 ZR-YJLV22 (21)ZR-YJV、 ZR-YJLV (22)表8-30 交联电缆导体短路电流(短路时间为1S) (23)450V/750V及以下橡胶绝缘电力电缆的载流量0.6、1KV聚氯乙烯绝缘电力电缆的载流量表8.26 VV22、VLV22型聚氯乙烯绝缘钢带铠装聚氯乙烯护套电力电缆载流量。
电缆载流量对照表SANY GROUP system office room 【SANYUA16H-SANYHUASANYUA8Q8-SANYUA16电缆载流量对照表电缆载流量口决:估算口诀:二点五下乘以九,往上减一顺号走。
三十五乘三点五,双双成组减点五。
条件有变加折算,高温九折铜升级。
穿管根数二三四,八七六折满载流。
说明:(1)本节口诀对各种绝缘线(橡皮和塑料绝缘线)的载流量(安全电流)不是直接指出,而是”截面乘上一定的倍数”来表示,通过心算而得。
由表53可以看出:倍数随截面的增大而减小。
(2)“二点五下乘以九,往上减一顺号走”说的是2.5mm’及以下的各种截面铝芯绝缘线,其载流量约为截面数的9倍。
如2.5mm’导线,载流量为2.5×9=22.5(A)。
从4mm’及以上导线的载流量和截面数的倍数关系是顺着线号往上排,倍数逐次减l,即4×8、6×7、10×6、16×5、25×4。
(3)“三十五乘三点五,双双成组减点五”,说的是35mm”的导线载流量为截面数的3.5倍,即35×3.5=122.5(A)。
从50mm’及以上的导线,其载流量与截面数之间的倍数关系变为两个两个线号成一组,倍数依次减0.5。
即50、70mm’导线的载流量为截面数的3倍;95、120mm”导线载流量是其截面积数的2.5倍,依次类推。
(4)“条件有变加折算,高温九折铜升级”。
上述口诀是铝芯绝缘线、明敷在环境温度25℃的条件下而定的。
若铝芯绝缘线明敷在环境温度长期高于25℃的地区,导线载流量可按上述口诀计算方法算出,然后再打九折即可;当使用的不是铝线而是铜芯绝缘线,它的载流量要比同规格铝线略大一些,可按上述口诀方法算出比铝线加大一个线号的载流量。
如16mm’铜线的载流量,可按25mm2铝线计算。
(5)计算电缆载流量选择电缆(根据电流选择电缆):(6)导线的载流量与导线截面有关,也与导线的材料、型号、敷设方法以及环境温度等有关,影响的因素较多,计算也较复杂。
电缆载流量对照表大全电缆是电力传输的重要设备,选择合适的电缆型号对于电力系统的安全和稳定运行至关重要。
下面介绍常见电力电缆的载流量,供用户参考。
但需要注意的是,具体标准还需按照各个电缆厂提供的数据为准。
一、0.6/1KV聚氯乙烯绝缘电力电缆的载流量,常用型号为VV22、VLV22型。
其中,VV22是聚氯乙烯绝缘钢带铠装聚氯乙烯护套电力电缆,其载流量需要满足以下条件:线芯长期工作温度为70℃,环境温度为25℃,埋地深度为1000mm,土壤热阻系数为1.0m.℃/W,线芯轴间距离为S=2D。
二、常见的BVVB型、BLVVB型、RVVB型电线的载流量也需要考虑。
其中,BVVB型电线的载流量需要满足中性线截面面积同主线芯面积,BLVVB型、RVVB型电线的载流量需要按照2芯电缆数据计算,当一根线芯不载流时,其流量按2芯电缆数据计算。
三、通用橡套软电缆的载流量需要考虑450V/750V及以下橡胶绝缘电力电缆YQ、YQW、YHQ、YC、YCW、YHC 型号的载流量。
其中,1中性线截面面积同主线芯面积,2、3芯电缆中一根线芯不载流时,其流量按2芯电缆数据计算。
四、阻燃电线电缆的载流量需要考虑B、R系列阻燃电线电缆的载流量。
具体载流量参数请参考相关资料。
五、最常用的交联聚氯乙烯绝缘电力电缆的载流量需要参考ZR-YJV电力电缆载流量表。
具体载流量参数请参考相关资料。
六、高压交联聚氯乙烯绝缘阻燃电力电缆的载流量需要参考ZR-YJV、ZR-YJLV电力电缆载流量表。
具体载流量参数请参考相关资料。
七、矿物质绝缘电缆的载流量需要参考BTTZ铜芯铜护套氧化镁矿物质绝缘电缆载流量表。
具体载流量参数请参考相关资料。
需要注意的是,以上载流量参数仅供参考,具体标准还需按照各个电缆厂提供的数据为准,以确保电缆使用过程中参数正确,避免不必要的麻烦。
更多电缆载流量参数表可以参考相关资料。
船舶岸电电缆长度要求摘要:1.船舶岸电电缆的概念与作用2.船舶岸电电缆长度的一般要求3.船舶岸电电缆长度的具体计算方法4.船舶岸电电缆长度的注意事项5.总结正文:船舶岸电电缆是用于连接船舶与岸上电源的一种电力传输设备,它的主要作用是在船舶停靠码头期间为船舶提供电力,以满足船舶在港期间的各种电力需求。
在选择船舶岸电电缆时,电缆长度的要求是一个非常重要的因素。
一、船舶岸电电缆的概念与作用船舶岸电电缆,又称船舶港口电缆,是连接船舶与岸上电源的一种专用电缆。
在船舶停靠码头期间,通过船舶岸电电缆为船舶提供电力,以满足船舶在港期间的各种电力需求。
包括船舱照明、通信设备、船舶辅助设备等。
二、船舶岸电电缆长度的一般要求船舶岸电电缆长度的选择,需要根据实际需求和船舶与岸上电源的距离来确定。
通常情况下,电缆长度应满足以下条件:电缆长度应大于等于船舶与岸上电源之间的最远距离,同时应预留一定的富余量,以应对船舶在靠泊过程中的摇摆和位移。
三、船舶岸电电缆长度的具体计算方法船舶岸电电缆长度的计算方法如下:1.测量船舶与岸上电源之间的距离,这是确定电缆长度的基础数据。
2.考虑船舶在靠泊过程中的摇摆和位移,通常情况下,摇摆和位移的幅度约为船舶长度的5%~10%。
3.根据以上数据,计算出电缆长度,并适当预留一定的富余量。
四、船舶岸电电缆长度的注意事项在选择船舶岸电电缆长度时,还需要注意以下几点:1.电缆型号的选择,应根据实际需求和电缆敷设环境来确定。
2.电缆的截面积应满足电力传输的要求,通常情况下,电缆截面积越大,传输能力越强。
3.电缆的敷设方式,应根据船舶结构和电缆敷设环境来确定,以确保电缆的安全可靠。
总结:船舶岸电电缆长度的选择是一个非常重要的环节,需要根据实际需求和船舶与岸上电源的距离来确定。
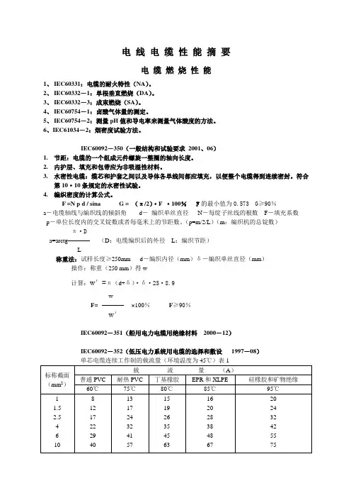
电线电缆性能摘要电缆燃烧性能1、IEC60331:电缆的耐火特性(NA)。
2、IEC60332-1:单根垂直燃烧(DA)。
3、IEC60332-3:成束燃烧(SA)。
4、IEC60754-1:卤酸气体量的测定。
5、IEC60754-2:测量pH值和导电率来测量气体酸度的方法。
6、IEC61034-2:烟密度试验方法。
IEC60092-350(一般结构和试验要求2001、06)1.节距:电缆的一个组成元件螺旋一整圈的轴向长度。
2.内护层、填充和包带应为非吸湿性材料。
3.水密性电缆:缆芯和护套之间以及导体各单线间都应填充,以便整个电缆得到连续密封。
符合第10·10条规定的水密性试验。
4.编织密度的计算公式。
F =N p d / sinaG = (π/2)·F ·100% F的最小值为0.573 G≥90%a-电缆轴线与编织线的倾斜角d-编织单丝直径N-每绽子丝线的根数F-填充系数p-单位长度内的交叉锭数或者每毫米上的节距数。
(p=m/2/L)(m:编织机的总锭数)π·Da=arctg (D:电缆编织后的外径L:编织节距)L称重法:试样长度≥250mm d-编织内径(mm)δ-编织单丝直径(mm)操作:称重(250 mm)得w计算:w′=π(d+δ)·δ·25·8.9wF= ×100%F≥90%w′IEC60092-351(船用电力电缆用绝缘材料2000-12)IEC60092-352(低压电力系统用电缆的选择和敷设1997-08)无论电缆护层是何种类型(即有铠装的或没有铠装),这些载流量均适用且相当近似。
对于二芯、三芯和四芯,表1给出的载流量应乘以下列修正系数。
二芯电缆:0.85 三芯和四芯电缆:0.70注1:对于每个标称截面A(以mm2为单位)的载流量I(以A为单位)系用下列公式计算:I= a·A0.625式中a为导体最高允许工作温度系数,如下表所示:注2:当矿物绝缘电缆敷设的位置在使用中当手易于触及铜护套时,则第六栏中所示的载流量应剩以修正系数0.7,以使护套的温度不超过70℃。
300V-1000V电缆载流量(本资料选自《电气工程》常用数据速查手册)1)、导线载流量。
450V/750V及以上橡胶绝缘、塑料绝缘电线的载流量。
BVVB型、BLVVB型、RVVB型电线载流量见表8-24。
(2)、450V/750V及以下橡胶绝缘电力电缆的载流量。
通用橡套软电缆的载流量见表8-25。
(3)、1KV聚氯乙烯绝缘电力电缆的载流量。
1KV聚氯乙烯绝缘钢带铠装聚氯乙烯护套电力电缆载流量见表8-26。
(4)防火电缆的载流量。
1、阻燃电缆的载流量。
1)B、R系列阻燃电线、电缆的载流量见表8-27。
2)交联聚氯乙烯绝缘阻燃电力电缆的载流量见表8-28、表8-29,短路电流见表8-30。
3)聚氯乙烯绝缘阻燃电力电缆的载流量见表8-31。
(5)耐火电缆的载流量。
1)聚氯乙烯绝缘耐火电缆的载流量见表8-32。
2)BV-105型耐热聚氯乙烯绝缘铜芯电线的载流量见表8-33。
3)BTTQ、BTTVQ系列耐火电缆技术数据见表8-34。
4)BTTZ、BTTVZ系列耐火电缆技术数据见表8-35。
5)NH-YYJV 系列耐火电力电缆技术数据见表8-36——8-38。
(6)表8-39。
聚氯乙烯绝缘低烟低卤阻燃电力电缆的载流量。
(7)表8-40。
交联聚氯乙烯绝缘低烟无卤阻燃电力电缆的载流量。
目录表8-24 BVVB型、BLVVB型、RVVB型电线载流量..... 错误!未定义书签。
450V/750V及以下橡胶绝缘电力电缆的载流量.......... 错误!未定义书签。
通用橡套软电缆的载流量见表8-25................ 错误!未定义书签。
YQ、YQW、YHQ、型 / A ....................... 错误!未定义书签。
YZ、YZW、YHZ型 / A ......................... 错误!未定义书签。
YC YCW YHC型 / A ........................... 错误!未定义书签。
船舶岸电电缆长度要求
1.船舶尺寸和型号:不同尺寸和型号的船舶需要不同长度的岸电电缆。
较大的船舶通常需要更长的电缆来覆盖其电力需求。
2.停靠时船舶的位置:停靠的船舶在港口内的位置也会影响电缆长度
的要求。
如果船舶停靠在远离电源的地方,需要更长的电缆以达到船舶的
电力需求。
3.港口的供电设施:不同港口的供电设施可能存在一定的差异。
一些
港口可能提供更高功率的电源,因此可以使用更短的电缆。
然而,一些供
电设施可能容量有限,需要使用更长的电缆。
4.港口的安全标准:航运业各国港口对于船舶岸电电缆的要求可能不同。
有些国家可能有关于使用特定类型电缆或限制最大长度的规定,以确
保船舶和港口的安全。
总的来说,船舶岸电电缆长度一般视船舶和港口的具体情况而定。
在
一些情况下,一条电缆可能达到数百米甚至更长,以覆盖较远的距离。
然而,一些港口可能会限制电缆的最大长度。
因此,在船舶停靠港口之前,
船舶经营者通常需要了解并遵守港口的相关规定。
需要注意的是,船舶岸电电缆的长度要求不仅仅取决于电缆的长度本身,还包括电缆的质量和耐用性。
船舶在航行期间经历了各种气候条件和
波浪,因此岸电电缆需要足够坚固和耐用,以保证长时间的使用。
此外,
船舶岸电电缆还需要符合相应的国际或地区标准,以确保其电气安全性。
综上所述,船舶岸电电缆长度要求是一个相对灵活的概念,取决于船
舶和港口的具体情况。
船舶经营者应该了解并遵守相关的国际和地区法规,以确保船舶和港口的安全,并选择合适的电缆长度来满足船舶的电力需求。
最全电缆载流量和对照表(值得收藏)!一、综述铜芯线的压降与其电阻有关。
其电阻计算公式:20℃时:17.5÷截面积(平方毫米)=每千米电阻值(Ω)75℃时:21.7÷截面积(平方毫米)=每千米电阻值(Ω)其压降计算公式(按欧姆定律):V=R×A线损是与其使用的压降、电流有关。
其线损计算公式:P=V×AP-线损功率(瓦特) V-压降值(伏特) A-线电流(安培)二、铜芯线电源线电流计算法1平方毫米铜电源线的安全载流量--17A。
1.5平方毫米铜电源线的安全载流量--21A。
2.5平方毫米铜电源线的安全载流量--28A。
4平方毫米铜电源线的安全载流量--35A 。
6平方毫米铜电源线的安全载流量--48A 。
10平方毫米铜电源线的安全载流量--65A。
16平方毫米铜电源线的安全载流量--91A 。
25平方毫米铜电源线的安全载流量--120A。
单相负荷按每千瓦4.5A(COS&=1),计算出电流后再选导线。
三、铜芯线与铝芯线的电流对比法2.5平方毫米铜芯线等于4平方毫米铝芯线4平方毫米铜芯线等于6平方毫米铝芯线6平方毫米铜芯线等于10平方毫米铝芯线<10平方毫米以下乘以五>即: 2.5平方毫米铜芯线=<4平方毫米铝芯线×5> 20安培=4400千瓦;4平方毫米铜芯线=<6平方毫米铝芯线×5> 30安培=6600千瓦;6平方毫米铜芯线=<10平方毫米铝芯线×5> 50安培=11000千瓦土方法是铜芯线1个平方1KW,铝芯2个平方1KW.单位是平方毫米就是横截面积(平方毫米)电缆载流量根据铜芯/铝芯不同,铜芯你用2.5(平方毫米)就可以了其标准:0.75/1.0/1.5/2.5/4/6/10/16/25/35/50/70/95/120/150/185/2 40/300/400...还有非我国标准如:2.0铝芯1平方最大载流量9A,铜芯1平方最大载流量13.5A二点五下乘以九,往上减一顺号走。
船舶岸电电缆长度要求摘要:1.船舶岸电电缆的概念与作用2.船舶岸电电缆长度的一般要求3.船舶岸电电缆长度的实际应用与调整4.船舶岸电电缆长度对电力传输效率的影响5.船舶岸电电缆的选择与使用建议正文:船舶岸电电缆是一种用于连接船舶与陆地电源的电缆,其主要作用是在船舶停靠码头时,为船舶提供稳定的电力供应,以确保船舶上各种设备的正常运行。
一、船舶岸电电缆的概念与作用船舶岸电电缆,又称船舶外部电源电缆,是连接船舶与陆地电源的一种专用电缆。
其作用是在船舶停靠码头时,为船舶提供稳定的电力供应,以确保船舶上各种设备的正常运行。
此外,船舶岸电电缆还能有效地减少船舶在港期间的污染排放,降低船舶运营成本。
二、船舶岸电电缆长度的一般要求船舶岸电电缆的长度一般在100 米至300 米之间,具体长度取决于船舶的类型、大小以及电源设施的位置。
在选择船舶岸电电缆长度时,还需要考虑到电缆的弯曲半径、拖拽力等因素,以确保电缆在使用过程中安全可靠。
三、船舶岸电电缆长度的实际应用与调整在实际应用中,船舶岸电电缆长度的选择需要根据具体情况进行调整。
例如,对于大型船舶,由于其电力需求较大,可能需要更长的电缆;而对于停泊在拥挤码头的船舶,可能需要较短的电缆以避免与其他船舶发生碰撞。
此外,船舶岸电电缆长度的选择还应考虑到电源设施的位置,以便于电缆的连接与使用。
四、船舶岸电电缆长度对电力传输效率的影响船舶岸电电缆长度的增加会导致电缆电阻的增加,从而降低电力传输效率。
因此,在选择船舶岸电电缆长度时,需要在确保电缆安全可靠的前提下,尽量选择较短的长度,以提高电力传输效率。
五、船舶岸电电缆的选择与使用建议在选择船舶岸电电缆时,应根据船舶的类型、大小以及电源设施的位置,选择合适的电缆长度。
同时,还需关注电缆的材质、规格以及生产厂家等方面的信息,以确保电缆的质量和性能。
在使用船舶岸电电缆时,应注意电缆的连接与固定,避免因电缆松动或损坏导致的事故。
电缆载流量对照表大全
胜华电气提供最新的电缆载流量对照表,以帮助用户选择适合的电力电缆型号。
以下是常见电力电缆的载流量数据,但具体标准应以各电缆厂提供的数据为准。
一、1KV聚氯乙烯绝缘电力电缆的载流量,常用型号
VV22、VLV22型聚氯乙烯绝缘钢带铠装聚氯乙烯护套电力电
缆载流量。
计算条件包括线芯长期工作温度为70℃、环境温
度为25℃、埋地深度为1000mm、土壤热阻系数为°C/W、线
芯轴间距离为S=2D。
二、常见BVVB型、BLVVB型、RVVB型电线的载流量。
三、通用橡套软电缆的载流量,包括450V/750V及以下
橡胶绝缘电力电缆YQ、YQW、YHQ、YC、YCW、YHC型
号的载流量。
其中,中性线截面面积与主线芯面积相同。
当芯电缆中一根线芯不载流时,其流量按照2芯电缆数据计算。
四、阻燃电线电缆的载流量,包括B、R系列阻燃电线电缆的载流量。
更多数据可下载资料查看。
五、最常用的交联聚氯乙烯绝缘电力电缆的载流量,包括ZR-YJV电力电缆载流量表的各种规格型号。
更多数据可下载资料查看。
六、高压交联聚氯乙烯绝缘阻燃电力电缆的载流量表,包括ZR-YJV、ZR-YJLV的各种多芯载流量数据。
更多数据可下载资料查看。
七、矿物质绝缘电缆的载流量表。
1.用途:该类电缆适用于各种河海船舶,海上石油等水上建筑物上交流额定电压2KV及以下的变频电机等其他变频设备。
一般都是“3+3”的对称结构,该种结构的变频电缆具有较好的抗干扰能力。
2.参照标准:IEC60092-353 1KV~3KV及以下挤出固体绝缘船用电力电缆3.使用特性:工作温度:90℃,125℃等额定电压U0/U:0.6/1KV,2KV最小弯曲半径:不小于电缆外径的6倍电缆的使用寿命不小于25年。
4.性能指标:20℃导体直流电阻满足IEC60228标准。
20℃电缆绝缘电阻不小于5000MΩ·km。
阻燃性能满足IEC60332-3-22 A类阻燃要求(40分钟供火,电缆的碳化高度不超过2.5m)。
对额定电压为0.6/1KV的电缆,电压试验为3500V,5分钟绝缘不击穿; 对额定电压为2KV的电缆,电压试验为6000V,5分钟绝缘不击穿。
对耐火电缆,其耐火性能满足IEC60331 (90分钟(供火)+15分钟(撤火后),火焰温度750℃(0~+50℃)电缆供电正常,不联电).屏蔽效果好,能很好的屏蔽外界低频和高频信号对其的干扰及他本身对外界的干扰.电缆的低烟无卤指标满足IEC60754.2的要求,卤酸气体释放量不大于5mg/g,具体检测其PH值不小于4.3,电导率不大于10μs/mm 。
电缆的低烟性能:电缆的烟密度(透光率)不小于60%。
满足IEC61034的标准要求。
5.电缆结构:主线导体(conductor)采用高质量的退火镀锡铜。
此类导体具有很好的防腐效果。
导体结构分为实心导体,绞合导体和软导体。
接地导体(ground conductors)采用高质量的退火镀锡铜。
此类导体具有很好的防腐效果。
导体结构分为实心导体,绞合导体和软导体。
绝缘(insulation)采用挤包式绝缘。
该挤出方式,可以减少导体和绝缘间的气体,以防止其水汽等杂质的进入。
(左图绝缘等级为2KV)线芯(color code)区分一般是采用颜色区分。
电缆直径和载流量对照表电缆直径和载流量对照表铜芯线的电阻和压降计算公式如下:20℃时:每千米电阻值(Ω)=17.5÷截面积(平方毫米)75℃时:每千米电阻值(Ω)=21.7÷截面积(平方毫米)压降计算公式(按欧姆定律):V=R×A线损计算公式:P=V×A,其中线损与使用的压降和电流有关。
铜芯线电源线的安全载流量如下:1平方毫米铜电源线:17A1.5平方毫米铜电源线:21A2.5平方毫米铜电源线:28A4平方毫米铜电源线:35A6平方毫米铜电源线:48A10平方毫米铜电源线:65A16平方毫米铜电源线:91A25平方毫米铜电源线:120A单相负荷按每千瓦4.5A(COS&=1),计算出电流后再选择导线。
铜芯线与铝芯线的电流对比如下:2.5平方毫米铜芯线等于4平方毫米铝芯线4平方毫米铜芯线等于6平方毫米铝芯线6平方毫米铜芯线等于10平方毫米铝芯线10平方毫米以下乘以五>即:2.5平方毫米铜芯线=20安培=4400瓦;4平方毫米铜芯线=30安培=6600瓦;6平方毫米铜芯线=50安培=瓦;土方法是铜芯线1个平方1KW,铝芯2个平方1KW。
单位是平方毫米。
电缆载流量根据铜芯/铝芯不同,铜芯可使用2.5(平方毫米),其标准为:0.75/1.0/1.5/2.5/4/6/10/16/25/35/50/70/95/120/150/185/240/300/4 00…,还有非我国标准如:2.0.铝芯1平方最大载流量9A,铜芯1平方最大载流量13.5A。
根据条件变化进行折算,高温时铜折算为九折。
穿管根数为二三四,八七六折满载流。
二点五下乘以九,往上减一顺号走"这句话是指,截面为2.5mm2及以下的铝芯绝缘线,其载流量大约是截面数的9倍。
例如,2.5mm2导线的载流量为2.5×9=22.5(A)。
对于4mm2及以上的导线,其载流量与截面数的倍数关系是顺着线号往上排,倍数逐次减1,即4×8、6×7、10×6、16×5、25×4.三十五乘三点五,双双成组减点五"这句话是指,截面为35mm2的导线载流量为截面数的3.5倍,即35×3.5=122.5(A)。
YJV(FYJV),YJLV(FYJLV),ZC–YJV ZC-YJLV 0.6/1YJV22(FYJV22),YJLV22(FYJLV22),ZC–YJV22,ZC-YJLV220.6/1kV仪器仪表交易网>信息中心电线电缆载流量表(全)?? 很多用户对电线电缆的安全载流量不是很清楚,甚至是专业的电工对精确的数据都不是特别了解。
天津市电缆总厂第一分厂根据实际生产的电线电缆规格品种,制定了不同规格型号的电线电缆载流量表,简单易懂,一目了然。
希望能对各位朋友有所帮助.高压电缆载流量:规格型号载流量表:8.7/10(8.7/15)KV交联聚乙烯绝缘电力电缆允许持续载流量额定电压U。
/U8.7/10(8.7/15)KV型号YJV、YJLV、YJY、YJLY、YJV22、YJLV22、YJV23、YJLV23、JYV32,YJLV32、YJV33、YJLV33YJV、YJLV、YJY、YJLY芯数三芯单芯敷设空气中土壤中空气中土壤中单芯电缆排列方式导体材质铜铝铜铝铜铝铜铝铜铝铜铝标 称 截 面 (mm2)25 35 120 140 90 110 125 155 100 120 140 170 110 135 165 205 130 155 150 180 115 135 160 190 120 145 50 70 165 210 130 165 180 220 140 170 205 260 160 200 245 305 190 235 215 265 160 200 225 275 175 215 95 120 255 290 200 225 265 300 210 235 315 360 240 280 370 430 290 335 315 360 240 270 330 375 255 290 150 185 330 375 225 295 340 380 260 300 410 470 320 365 490 560 380 435 405 455 305 345 425 480 330 370 240 300 435 495 345 390 445 500 350 395 555 640 435 500 665 765 515 595 530 595 400 455 555 630 435 490 400 500 565 ... 450 ...520 ...450 ... 745 855585 680890 1030695 810680 765520 595 725 825 565 650 环境温度 (℃)40 25402526/35KV 电力电缆允许持续载流量26/35KV 交联聚乙烯绝缘电力电缆允许持续载流量额定电压U 。