商品混凝土厂家进场需提供的 明细
- 格式:docx
- 大小:11.85 KB
- 文档页数:2
材料进场提供发货明细
1.钢筋原材料进场
钢筋原材进场后,其发货明细由物资部分别通知试验员、施工员、质检员,再由试验员通知甲方(负责材料管理)、监理(见证人)到达材料进场地点,由供货商提供钢筋原材产品质量证明书及发货清单对进场钢筋进行三方验收。
对其品牌、观感、直径(游标卡尺)、牌号、规格、带有抗震要求(E)、数量过磅进行核对,核对无误后钢筋原材卸货到指定钢筋加工房按类堆放,按照物资部开出的送检通知单和附在后面的厂家出厂的产品质量证明书及发货清单进行监理见证员现场
见证取样。
2.混凝土原材料进场
针对商品混凝土或砂浆应对供应搅拌站的的原材料发货明细进
行见证取样抽检,应对分部工程(基础与主体结构)至少各抽检一次进行复验,样品名称(应对原材料里面的砂、石、水泥、粉煤灰等分别进行取样送检。
各项工程所需的各种进场材料需要提供的资料一、地基与基础1、各种加固材料的出厂合格证、准用证各进场检验报告。
2、混凝土、水泥土试块的强度测试报告。
3、单桩或复合地基载荷试验报告及其他地基质量检验报告。
二、桩基工程1、钢筋、水泥、砂石等原材料质量证明书、复试报告及准用证。
2、商品混凝土质量保证书和准用证。
3、预制桩出厂合格证。
三、钢筋混凝土结构工程1、钢筋、水泥、粗细骨料等原材料质量证书、准用证、生产许可证、交易凭证、复试报告、进口钢筋的商检报告。
2、预拌(商品)混凝土质量证明和塌落度检查记录。
3、混凝土强度和抗渗试验报告及评定结果和钢筋连接试验报告。
四、砌体结构工程1、砖、砌块、预制构件、水泥、钢筋等材料构件的质量证明书、准用证及进场试验报告。
2、后置埋件拉结试验报告。
3、混凝土和砂浆试块报告及评定结果。
五、混凝土小型空心砌块工程1、小砌块准用证、出厂合格证或复试报告。
2、砂浆混凝土试块报告。
3、水泥、钢材等原材料的合格证、复试报告。
六、钢结构工程1、钢材焊接材料高强螺栓连接、防火涂料、防腐涂料等的质量证明书、试验报告。
2、钢构件出厂合格证和设计要求强度试验的构件试验报告。
3、高强螺栓连接摩擦面抗滑移系数厂家试验报告和安装前复试报告。
4、高强螺栓连接产生预拉力或扭距系数复验报告。
七、装饰、门窗、屋面工程1、各种原材料出厂质量证书、准用证、复试报告、及其它试验报告。
八、住宅建筑初装饰工程1、原材料的出厂质保书、产品合格证、准用证、复试报告及其它试验报告。
2、煤气、给水试压试验报告。
3、排水管道的通水、灌水、通球试验记录。
4、卫生器具的盛水试验记录。
5、卫生间、阳台泼水试验记录。
6、电气绝缘电阻接地、电阻测定记录。
九、铝合金、门窗安装工程1、门窗产品的准用证、出厂合格证及相关材料的合格证。
2、门窗三性检测报告。
3、门窗喷淋试验报告。
十、塑料门窗安装工程1、门窗产品的准用证和出厂合格证。
2、厂家提供的PVC塑料与相关材料的相容性试验报告。
混凝土进场台账混凝土进场台账1. 引言混凝土进场台账是为了记录和管理进场的混凝土材料的信息和使用情况。
本旨在提供一个最新最全的混凝土进场台账模板范本,供参考使用。
2. 混凝土供应商信息在这一章节中,记录混凝土供应商的基本信息,包括供应商名称、连系人、连系方士、以及供应商的注册资质和信誉等级。
3. 混凝土类型和规格在这一章节中,列出所采用的混凝土类型和规格,包括普通混凝土、高强混凝土、自流平混凝土等,以及具体的配制要求和强度等级。
4. 混凝土进场日期和数量在这一章节中,按照时间的先后顺序记录混凝土的进场日期和数量。
每一个进场日期下,详细列出各个混凝土批次的数量,并进行累计计算。
5. 混凝土进场检验在这一章节中,记录混凝土进场时的检验情况。
包括检验项目、检验方法、检验结果等。
确保每批混凝土都进行了质量检验,并记录检验结果。
6. 混凝土使用情况在这一章节中,按照工程项目或者施工部位的区分,记录混凝土的使用情况。
包括日期、使用部位、用量等信息。
同时,记录混凝土的施工情况,如浇筑时间、浇筑方式等。
7. 混凝土余料处理在这一章节中,记录混凝土余料的处理情况。
包括余料的处理方式、处理日期、处理记录等。
确保混凝土余料得到合理的处理和利用。
8. 混凝土样品保存在这一章节中,记录混凝土样品的保存情况。
包括样品编号、保存位置、保存日期等信息。
确保混凝土样品能够长期保存并进行需要的检测。
9. 总结和评价在这一章节中,对混凝土进场的情况进行总结和评价。
包括进场材料的质量、供应商的服务态度、进场材料的数量和使用情况等。
并提出改善意见和建议。
附件:1. 混凝土供应商合同2. 混凝土质量检验报告3. 混凝土使用记录表4. 混凝土余料处理记录5. 混凝土样品保存记录法律名词及注释:1. 混凝土:指由水泥、沙子、砂石和水等按照一定比例混合而成的建造材料。
2. 强度等级:指混凝土的抗压强度标准,常用的有C30、C40等等。
数字代表混凝土的抗压强度,单位为N/mm²。
商品砼厂家应提供资料的内容:
一、商品砼厂资质证明、试验室资质证书、计量认证证书复印件(需加盖公章)
二、原材料质量证明及试验报告(商品砼厂家根据工程使用商品砼的时间长短,向施工单位提供一批或多批原材料质量证明及试验报告。
)
1、××厂水泥出厂试验报告及商品砼厂现场抽检水泥检验报告
2、砂卵石抽检检验报告
3、添加剂出厂质量证明及商品砼厂现场抽检验报告
4、粉煤灰质量证明及现场抽检检验报告
三、水泥混凝土配合比试验报告、配合比设计通知书
四、混凝土抗压强度试验报告(商品砼厂家要根据施工单位反馈的情况,
在试验报告上反映准确的部位情况)
五、商品砼出厂合格证
商品砼使用情况反馈样表(由施工单位定期填写反馈到商品砼厂)
注:1、施工单位要做好商品砼内部接收管理登记工作,定期向商品砼厂家反馈部位使用商品砼情况。
2、商品砼厂家应根据厂原材料周期情况向施工单位提供一套或多套资料。
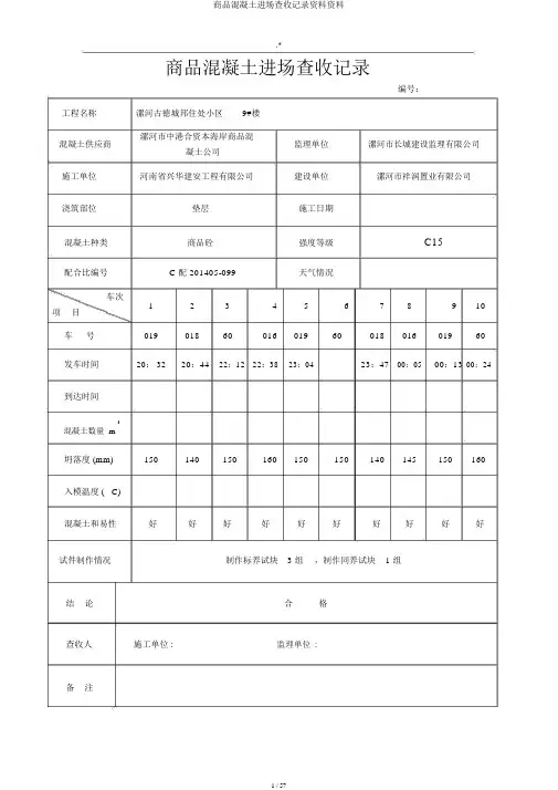
商品混凝土进场查收记录编号:工程名称漯河古德城邦住处小区9#楼混凝土供应商漯河市中港合资本海岸商品混监理单位漯河市长城建设监理有限公司凝土公司施工单位河南省兴华建安工程有限公司建设单位漯河市祥润置业有限公司浇筑部位垫层施工日期混凝土种类商品砼强度等级C15配合比编号 C 配 201405-099天气情况车次12345678910项目车号019018600160196001801601960发车时间20: 3220:4422:1222:3823:0423:4700:0500:1300:24到达时间3混凝土数量 m坍落度 (mm)150140150160150150140145150160入模温度 ( ° C)混凝土和易性好好好好好好好好好好试件制作情况制作标养试块 3 组,制作同养试块 1 组结论合格查收人施工单位 :监理单位:备注商品混凝土进场查收记录编号:工程名称漯河市古德城邦住处小区9#楼混凝土供应商漯河市中港合资本海岸商品混监理单位漯河市长城建设监理有限公司凝土公司施工单位河南省兴华建安工程有限公司建设单位漯河市祥润置业有限公司浇筑部位垫层施工日期混凝土种类商品砼强度等级C15配合比编号C配 201405-099天气情况车次12345678910项目车号01801601932323202232发车时间01: 1501:2702:0606:0810:1512:4615:4417:52到达时间3混凝土数量 m坍落度 (mm)160155150130130140140130入模温度 ( ° C)混凝土和易性好好好好好好好好试件制作情况制作标养试块 2 组,制作同养试块 1 组结论合格查收人施工单位 :监理单位:备注工程名称漯河市古德城邦住处小区9#楼混凝土供应商漯河市中港合资本海岸商品混监理单位漯河市长城建设监理有限公司凝土公司施工单位河南省兴华建安工程有限公司建设单位漯河市祥润置业有限公司浇筑部位基础施工日期混凝土种类商品砼强度等级C30配合比编号C配 201605-097天气情况车次12345678910项目车号85816026323185816026发车时间07: 2507:4507:5808:0908:2408:3808:4809:0509:2009:50到达时间3混凝土数量 m坍落度 (mm)150150160155150140150160150150入模温度 ( ° C)混凝土和易性好好好好好好好好好好试件制作情况制作标养试块14 组,制作同养试块 3 组结论合格查收人施工单位 :监理单位 :备注好商品混凝土进场查收记录编号:施工单位河南省兴华建安工程有限公司建设单位漯河市祥润置业有限公司浇筑部位基础施工日期混凝土种类商品砼强度等级C30配合比编号C配 201605-097天气情况车次12345678910项目车号26328531816085313281发车时间10: 0610:2711:1212:5713:3214:1415:0615:2916:11到达时间3混凝土数量 m坍落度 (mm)150150160150150140150150160160入模温度 ( ° C)混凝土和易性好好好好好好好好好好试件制作情况制作标养试块14 组,制作同养试块 3 组结论合格查收人施工单位 :监理单位 :备注商品混凝土进场查收记录编号:工程名称漯河市古德城邦住处小区9#楼施工单位河南省兴华建安工程有限公司建设单位漯河市祥润置业有限公司浇筑部位基础施工日期混凝土种类商品砼强度等级C30配合比编号 C 配 201605-097天气情况车次12345678910项目车号60856032856032608532发车时间16: 4117:5118:2018:3819:2019:5920:3321:0621:2923:17到达时间319:混凝土数量 m坍落度 (mm)150150160150160140150150160150入模温度 ( ° C)混凝土和易性好好好好好好好好好好试件制作情况制作标养试块14 组,制作同养试块 3 组结论合格查收人施工单位 :监理单位 :备注商品混凝土进场查收记录编号:施工单位河南省兴华建安工程有限公司建设单位漯河市祥润置业有限公司浇筑部位基础施工日期混凝土种类商品砼强度等级C30配合比编号 C 配 201605-097天气情况车次12345678910项目车号85266032608526608526发车时间00: 0500:4301:1401:5102:3402:5203:3303:5704:2205:00到达时间3混凝土数量 m坍落度 (mm)140150160150150160150150140150入模温度 ( ° C)混凝土和易性好好好好好好好好好好试件制作情况制作标养试块14 组,制作同养试块 3 组结论合格查收人施工单位 :监理单位 :备注商品混凝土进场查收记录编号:施工单位河南省兴华建安工程有限公司建设单位漯河市祥润置业有限公司浇筑部位基础施工日期混凝土种类商品砼强度等级C30配合比编号 C 配 201605-097天气情况车次12345678910项目车号60858750768750538272发车时间05: 1506:1106:3406:5107:1407:4408:0308:3409:0209:30到达时间3混凝土数量 m坍落度 (mm)150150160140150140160150150160入模温度 ( ° C)混凝土和易性好好好好好好好好好好试件制作情况制作标养试块14 组,制作同养试块 3 组结论合格查收人施工单位 :监理单位 :备注商品混凝土进场查收记录编号:工程名称漯河市古德城邦住处小区9#楼浇筑部位基础施工日期混凝土种类商品砼强度等级C30配合比编号 C 配 201605-097天气情况车次12345678910项目车号76825387505382508782发车时间09: 5510:2211:0111:2411:5012:3213:0613:4214:0315:08到达时间3混凝土数量 m坍落度 (mm)160150150160140150155160140150入模温度 ( ° C)混凝土和易性好好好好好好好好好好试件制作情况制作标养试块14 组,制作同养试块 3 组结论合格查收人施工单位 :监理单位 :备注商品混凝土进场查收记录编号:工程名称漯河市古德城邦住处小区9#楼漯河市中港合资本海岸商品混浇筑部位基础施工日期混凝土种类商品砼强度等级C30配合比编号 C 配 201605-097天气情况车次12345678910项目车号76505387827287765387发车时间15: 2116:3517:0717:4818:4719:3320:1021:1622:5323:24到达时间3混凝土数量 m坍落度 (mm)150150160140150160150140150150入模温度 ( ° C)混凝土和易性好好好好好好好好好好试件制作情况制作标养试块14 组,制作同养试块 3 组结论合格查收人施工单位 :监理单位 :备注商品混凝土进场查收记录编号:工程名称漯河市古德城邦住处小区9#楼混凝土供应商漯河市中港合资本海岸商品混监理单位漯河市长城建设监理有限公司浇筑部位基础施工日期混凝土种类商品砼强度等级C30配合比编号 C 配 201605-097天气情况车次12345678910项目车号50728776725352505382发车时间00: 2800:5101:2501:5902:1803:0703:3004:2805:1005:45到达时间3混凝土数量 m坍落度 (mm)150140150160150150140160155150入模温度 ( ° C)混凝土和易性好好好好好好好好好好试件制作情况制作标养试块14 组,制作同养试块 3 组结论合格查收人施工单位 :监理单位 :备注商品混凝土进场查收记录编号:工程名称漯河市古德城邦住处小区9#楼混凝土供应商漯河市中港合资本海岸商品混监理单位漯河市长城建设监理有限公司浇筑部位基础施工日期混凝土种类商品砼强度等级C30配合比编号 C 配 201605-097天气情况车次12345678910项目车号507253827287发车时间06: 0907:1407:5408:2508:4710:02到达时间3混凝土数量 m坍落度 (mm)150150150140150160入模温度 ( ° C)混凝土和易性好好好好好好试件制作情况制作标养试块14 组,制作同养试块 3 组结论合格查收人施工单位 :监理单位 :备注商品混凝土进场查收记录编号:工程名称漯河市古德城邦住处小区9#楼漯河市中港合资本海岸商品混浇筑部位地下室施工日期混凝土种类商品砼强度等级C30配合比编号 C 配 201605-099天气情况车次12345678910项目车号81725681878760728156发车时间10: 4811:0811:5012:1712:2813:4914:0014:1914:5214:32到达时间3混凝土数量 m坍落度 (mm)150160150150160150150160150150入模温度 ( ° C)混凝土和易性好好好好好好好好好好试件制作情况制作标养试块8 组,制作同养试块 1 组结论合格查收人施工单位 :监理单位 :备注商品混凝土进场查收记录编号:工程名称漯河市古德城邦住处小区9#楼混凝土供应商漯河市中港合资本海岸商品混监理单位漯河市长城建设监理有限公司浇筑部位地下室施工日期混凝土种类商品砼强度等级C30配合比编号 C 配 201605-099天气情况车次12345678910项目车号72568772815687607281发车时间21: 1421:5922:1222:3722:4823:0823:2623:4023:5000:05到达时间3混凝土数量 m坍落度 (mm)150160150140150150150160150150入模温度 ( ° C)混凝土和易性好好好好好好好好好好试件制作情况制作标养试块8 组,制作同养试块 1 组结论合格查收人施工单位 :监理单位 :备注商品混凝土进场查收记录编号:工程名称漯河市古德城邦住处小区9#楼漯河市中港合资本海岸商品混浇筑部位地下室施工日期混凝土种类商品砼强度等级C30配合比编号 C 配 201605-099天气情况车次12345678910项目车号65877265857822651878发车时间00: 2604:4305:2005:5507:4308:0208:4408:5109:0609:41到达时间3混凝土数量 m坍落度 (mm)160150150140150150160150160140入模温度 ( ° C)混凝土和易性好好好好好好好好好好试件制作情况制作标养试块8 组,制作同养试块 1 组结论合格查收人施工单位 :监理单位 :备注商品混凝土进场查收记录编号:工程名称漯河市古德城邦住处小区9#楼混凝土供应商漯河市中港合资本海岸商品混监理单位漯河市长城建设监理有限公司凝土公司混凝土种类商品砼强度等级C30配合比编号 C 配 201605-099天气情况车次12345678910项目车号22188578656522656518发车时间10: 2310:5611:1512:1813:0414:2115:2415:5217:3717:58到达时间3混凝土数量 m坍落度 (mm)160150150140150150160150160140入模温度 ( ° C)混凝土和易性好好好好好好好好好好试件制作情况制作标养试块8组,制作同养试块 1 组结论合格查收人施工单位 :监理单位 :备注商品混凝土进场查收记录编号:工程名称漯河市古德城邦住处小区9#楼混凝土供应商漯河市中港合资本海岸商品混漯河市长城建设监理有限公司凝土公司监理单位混凝土种类商品砼强度等级C30配合比编号 C 配 201605-096天气情况车次12345678910项目车号87728187607281568760发车时间15: 1115:4016:0716:2816:4917:2018:0618:2718:4619:00到达时间3混凝土数量 m坍落度 (mm)15015016014150160140150150150入模温度 ( ° C)混凝土和易性好好好好好好好好好好试件制作情况制作标养试块 1 组,制作同养试块 1 组结论合格查收人施工单位 :监理单位 :备注商品混凝土进场查收记录编号:工程名称漯河市古德城邦住处小区9#楼混凝土供应商漯河市中港合资本海岸商品混监理单位漯河市长城建设监理有限公司凝土公司混凝土种类商品砼强度等级C30配合比编号 C 配 201605-096天气情况车次12345678910项目车号7281568760发车时间19: 0719:5420:1620:4520:59到达时间3混凝土数量 m坍落度 (mm)150160140150150入模温度 ( ° C)混凝土和易性好好好好好试件制作情况制作标养试块1组,制作同养试块 1 组结论合格查收人施工单位 :监理单位 :备注商品混凝土进场查收记录编号:工程名称漯河市古德城邦住处小区9#楼混凝土供应商漯河市中港合资本海岸商品混漯河市长城建设监理有限公司凝土公司监理单位混凝土种类商品砼强度等级C30配合比编号 C 配 201605-099天气情况车次12345678910项目车号32172132322118321721发车时间13: 0613:3514:0614:3915:0316:0016:3617:0417:5418:33到达时间3混凝土数量 m坍落度 (mm)160150150140150150160150160140入模温度 ( ° C)混凝土和易性好好好好好好好好好好试件制作情况制作标养试块3组,制作同养试块 1 组结论合格查收人施工单位 :监理单位 :备注商品混凝土进场查收记录编号:工程名称漯河市古德城邦住处小区9#楼混凝土供应商漯河市中港合资本海岸商品混漯河市长城建设监理有限公司凝土公司监理单位混凝土种类商品砼强度等级C30配合比编号 C 配 201605-099天气情况车次12345678910项目车号17183235发车时间19: 2519:5720:3121:02到达时间335混凝土数量 m坍落度 (mm)150150140150入模温度 ( ° C)混凝土和易性好好好好试件制作情况制作标养试块3组,制作同养试块 1 组结论合格查收人施工单位 :监理单位 :备注商品混凝土进场查收记录编号:工程名称漯河市古德城邦住处小区9#楼混凝土供应商漯河市中港合资本海岸商品混漯河市长城建设监理有限公司凝土公司监理单位混凝土种类商品砼强度等级C30配合比编号 C 配 201612-015天气情况车次12345678910项目车号31552355353151635发车时间11: 4412:2913:0313:3614:3315:2616:1416:3517:4918:12到达时间3混凝土数量 m坍落度 (mm)140150150160150160150150150160入模温度 ( ° C)混凝土和易性好好好好好好好好好好试件制作情况制作标养试块1组,制作同养试块 1 组结论合格查收人施工单位 :监理单位 :备注商品混凝土进场查收记录编号:工程名称漯河市古德城邦住处小区9#楼混凝土供应商漯河市中港合资本海岸商品混监理单位漯河市长城建设监理有限公司凝土公司施工单位河南省兴华建安工程有限公司建设单位漯河市祥润置业有限公司配合比编号 C 配 201612-015天气情况车次12345678910项目车号31516发车时间18:3018:4119:13到达时间3混凝土数量 m坍落度 (mm)140150160入模温度 ( ° C)混凝土和易性好好好试件制作情况制作标养试块1组,制作同养试块 1 组结论合格查收人施工单位 :监理单位 :备注商品混凝土进场查收记录编号:工程名称漯河市古德城邦住处小区9#楼混凝土供应商漯河市中港合资本海岸商品混监理单位漯河市长城建设监理有限公司凝土公司施工单位河南省兴华建安工程有限公司建设单位漯河市祥润置业有限公司浇筑部位三层施工日期配合比编号 C 配 201612-015天气情况车次12345678910项目车号33203287333276873376发车时间11: 4011:2112:1312:4112:5813:1813:3714:1015:3015:53到达时间3混凝土数量 m坍落度 (mm)150160150150150150160150140150入模温度 ( ° C)混凝土和易性好好好好好好好好好好试件制作情况制作标养试块 2 组,制作同养试块 1 组结论合格查收人施工单位 :监理单位 :备注商品混凝土进场查收记录编号:工程名称漯河市古德城邦住处小区9#楼混凝土供应商漯河市中港合资本海岸商品混监理单位漯河市长城建设监理有限公司凝土公司施工单位河南省兴华建安工程有限公司建设单位漯河市祥润置业有限公司配合比编号 C 配 201612-015天气情况车次12345678910项目车号87203332768720发车时间16: 1017:3618:2118:2818:5019:2520:11到达时间3混凝土数量 m坍落度 (mm)160150140150150160150入模温度 ( ° C)混凝土和易性好好好好好好好试件制作情况制作标养试块 2 组,制作同养试块 1 组结论合格查收人施工单位 :监理单位 :备注商品混凝土进场查收记录编号:工程名称漯河市古德城邦住处小区9#楼混凝土供应商漯河市中港合资本海岸商品混监理单位漯河市长城建设监理有限公司凝土公司施工单位河南省兴华建安工程有限公司建设单位漯河市祥润置业有限公司配合比编号 C 配 201605-097天气情况车次12345678910项目车号52322385332625584521发车时间9: 579: 4810:0310:2810:5811:1511:3511:5912:2112:57到达时间3混凝土数量 m坍落度 (mm)140150150150160150160150160150入模温度 ( ° C)混凝土和易性好好好好好好好好好好试件制作情况制作标养试块 1 组,制作同养试块0 组结论合格查收人施工单位 :监理单位 :备注商品混凝土进场查收记录编号:工程名称漯河市古德城邦住处小区9#楼混凝土供应商漯河市中港合资本海岸商品混监理单位漯河市长城建设监理有限公司凝土公司施工单位河南省兴华建安工程有限公司建设单位漯河市祥润置业有限公司浇筑部位四层施工日期配合比编号 C 配 201612-015天气情况车次12345678910项目车号52322385523223发车时间13: 3014:0314:2914:4015:2115:5616:21到达时间3混凝土数量 m坍落度 (mm)150160150150150150160入模温度 ( ° C)混凝土和易性好好好好好好好试件制作情况制作标养试块 1 组,制作同养试块0 组结论合格查收人施工单位 :监理单位 :备注商品混凝土进场查收记录编号:工程名称漯河市古德城邦住处小区9#楼混凝土供应商漯河市中港合资本海岸商品混监理单位漯河市长城建设监理有限公司凝土公司施工单位河南省兴华建安工程有限公司建设单位漯河市祥润置业有限公司浇筑部位五层施工日期配合比编号 C 配 201605-097天气情况车次12345678910项目车号26535226532633352334发车时间8: 599: 349: 5510:2310:5611:0411:2311:5612:2313:32到达时间324:23:混凝土数量 m坍落度 (mm)150160150140150150150160150160入模温度 ( ° C)混凝土和易性好好好好好好好好好好试件制作情况制作标养试块 1 组,制作同养试块0 组结论合格查收人施工单位 :监理单位 :备注商品混凝土进场查收记录编号:工程名称漯河市古德城邦住处小区9#楼混凝土供应商漯河市中港合资本海岸商品混监理单位漯河市长城建设监理有限公司凝土公司施工单位河南省兴华建安工程有限公司建设单位漯河市祥润置业有限公司浇筑部位五层施工日期配合比编号 C 配 201612-015天气情况车次12345678910项目车号5326275253275227发车时间14: 1614:0314:2814:5615:1115:3316:0316:12到达时间324:混凝土数量 m坍落度 (mm)150150160150160150140160入模温度 ( ° C)混凝土和易性好好好好好好好好试件制作情况制作标养试块 1 组,制作同养试块 0 组结论合格查收人施工单位 :监理单位 :备注商品混凝土进场查收记录编号:工程名称漯河市古德城邦住处小区9#楼混凝土供应商漯河市中港合资本海岸商品混监理单位漯河市长城建设监理有限公司凝土公司施工单位河南省兴华建安工程有限公司建设单位漯河市祥润置业有限公司浇筑部位六层施工日期混凝土种类商品砼强度等级C30车号21657887654152653925发车时间13: 1213:4514:3014:5715:2515:4516:2117:0117:5618:30到达时间3混凝土数量 m坍落度 (mm)150150150160150150160150160150入模温度 ( ° C)混凝土和易性好好好好好好好好好好试件制作情况制作标养试块 1 组,制作同养试块0 组结论合格查收人施工单位 :监理单位 :备注商品混凝土进场查收记录编号:工程名称漯河市古德城邦住处小区9#楼混凝土供应商漯河市中港合资本海岸商品混监理单位漯河市长城建设监理有限公司凝土公司施工单位河南省兴华建安工程有限公司建设单位漯河市祥润置业有限公司浇筑部位六层施工日期混凝土种类商品砼强度等级C30配合比编号 C 配 201612-015天气情况车号87786521877821发车时间19: 2319:5020:2620:4821:1221:4522:13到达时间3混凝土数量 m坍落度 (mm)150150160150160160150入模温度 ( ° C)混凝土和易性好好好好好好好试件制作情况制作标养试块 1 组,制作同养试块0 组结论合格查收人施工单位 :监理单位 :备注商品混凝土进场查收记录编号:工程名称漯河市古德城邦住处小区9#楼混凝土供应商漯河市中港合资本海岸商品混监理单位漯河市长城建设监理有限公司凝土公司施工单位河南省兴华建安工程有限公司建设单位漯河市祥润置业有限公司浇筑部位七层施工日期混凝土种类商品砼强度等级C30配合比编号 C 配 201612-015天气情况车号111918117187195发车时间9: 4610:4610:5211:2112:5413:3314:0814:2014:5215;21到达时间混凝土数量3 m坍落度 (mm)150160150150150160150160160150°C)入模温度 (混凝土和易性好好好好好好好好好好试件制作情况制作标养试块 1 组,制作同养试块0 组结论合格查收人施工单位 :监理单位 :备注商品混凝土进场查收记录编号:工程名称漯河市古德城邦住处小区9#楼混凝土供应商漯河市中港合资本海岸商品混监理单位漯河市长城建设监理有限公司凝土公司施工单位河南省兴华建安工程有限公司建设单位漯河市祥润置业有限公司浇筑部位七层施工日期混凝土种类商品砼强度等级C30配合比编号 C 配 201605-097天气情况车次12345678910项目.*发车时间15: 4315:5516:2616:4916:5817:21到达时间3混凝土数量 m坍落度 (mm)150150160150160150入模温度 ( ° C)混凝土和易性好好好好好好试件制作情况制作标养试块1组,制作同养试块0 组结论合格查收人施工单位 :监理单位 :备注商品混凝土进场查收记录编号:工程名称漯河市古德城邦住处小区9#楼混凝土供应商漯河市中港合资本海岸商品混监理单位漯河市长城建设监理有限公司凝土公司施工单位河南省兴华建安工程有限公司建设单位漯河市祥润置业有限公司浇筑部位八层施工日期混凝土种类商品砼强度等级C30配合比编号 C 配 201612-015天气情况车次12345678910项目车号5855232352855.*发车时间15: 5116:1916:4217:0417:1817:3218:0218:1518:3518:58到达时间3混凝土数量 m坍落度 (mm)150150150160150150160150160150入模温度 ( ° C)混凝土和易性好好好好好好好好好好试件制作情况制作标养试块 1 组,制作同养试块0 组结论合格查收人施工单位 :监理单位 :备注商品混凝土进场查收记录编号:工程名称漯河市古德城邦住处小区9#楼混凝土供应商漯河市中港合资本海岸商品混监理单位漯河市长城建设监理有限公司凝土公司施工单位河南省兴华建安工程有限公司建设单位漯河市祥润置业有限公司浇筑部位八层施工日期混凝土种类商品砼强度等级C30配合比编号 C 配 201605-097天气情况车次12345678910项目车号5223855223.*发车时间19: 2819:4320:2820:4020:54到达时间3混凝土数量 m坍落度 (mm)150150160150150入模温度 ( ° C)混凝土和易性好好好好好试件制作情况制作标养试块1组,制作同养试块0 组结论合格查收人施工单位 :监理单位 :备注商品混凝土进场查收记录编号:工程名称漯河市古德城邦住处小区9#楼混凝土供应商漯河市中港合资本海岸商品混监理单位漯河市长城建设监理有限公司凝土公司施工单位河南省兴华建安工程有限公司建设单位漯河市祥润置业有限公司浇筑部位九层施工日期混凝土种类商品砼强度等级C30配合比编号 C 配 201612-015天气情况车次12345678910项目车号63728263398217231528.*发车时间20: 3720:5521:4322:5123:3423:5900:2500:52到达时间3混凝土数量 m坍落度 (mm)150160150150150160150160150160入模温度 ( ° C)混凝土和易性好好好好好好好好好好试件制作情况制作标养试块 1 组,制作同养试块0 组结论合格查收人施工单位 :监理单位 :备注商品混凝土进场查收记录编号:工程名称漯河市古德城邦住处小区9#楼混凝土供应商漯河市中港合资本海岸商品混监理单位漯河市长城建设监理有限公司凝土公司施工单位河南省兴华建安工程有限公司建设单位漯河市祥润置业有限公司浇筑部位九层施工日期混凝土种类商品砼强度等级C30配合比编号 C 配 201605-097天气情况车次12345678910项目车号1763723917发车时间01: 15 01:28 01:45 02:0902:42.*到达时间3混凝土数量 m坍落度 (mm)150160150150160入模温度 ( ° C)混凝土和易性好好好好好试件制作情况制作标养试块1组,制作同养试块0 组结论合格查收人施工单位 :监理单位 :备注商品混凝土进场查收记录编号:工程名称漯河市古德城邦住处小区9#楼混凝土供应商漯河市中港合资本海岸商品混监理单位漯河市长城建设监理有限公司凝土公司施工单位河南省兴华建安工程有限公司建设单位漯河市祥润置业有限公司浇筑部位十层施工日期混凝土种类商品砼强度等级C30配合比编号 C 配 201612-015天气情况车次12345678910项目车号31213150212727505625发车时间17: 02 18:26 18:50 19:26 19:39 19:58 20:40 20:59 21:2321:58.*到达时间3混凝土数量 m坍落度 (mm)150160150150150160150150160150入模温度 ( ° C)混凝土和易性好好好好好好好好好好试件制作情况制作标养试块 1 组,制作同养试块0 组结论合格查收人施工单位 :监理单位 :备注商品混凝土进场查收记录编号:工程名称漯河市古德城邦住处小区9#楼混凝土供应商漯河市中港合资本海岸商品混监理单位漯河市长城建设监理有限公司凝土公司施工单位河南省兴华建安工程有限公司建设单位漯河市祥润置业有限公司浇筑部位十层施工日期混凝土种类商品砼强度等级C30配合比编号 C 配 201605-097天气情况车次12345678910项目车号2127505027发车时间22: 19 22:43 23:01 23:3223:49.*到达时间混凝土数量3 m坍落度 (mm)150150160150150入模温度 ( ° C)混凝土和易性好好好好好试件制作情况制作标养试块 1 组,制作同养试块0 组结论合格查收人施工单位 :监理单位 :备注商品混凝土进场查收记录编号:工程名称漯河市古德城邦住处小区9#楼混凝土供应商漯河市中港合资本海岸商品混凝土监理单位漯河市长城建设监理有限公司公司施工单位河南省兴华建安工程有限公司建设单位漯河市祥润置业有限公司浇筑部位十一层施工日期混凝土种类商品砼强度等级C30配合比编号 C 配 201612-015天气情况车123456789101112次项目车号807325755975257359807525发车时间18:32 18:49 19:10 19:58 20:02 20:39 21:20 21:57 22:16 22:27 23:01 00:05。
各种进场材料需提供资料汇总目录!5篇第一篇:各种进场材料需提供资料汇总目录!各种进场材料需提供资料汇总目录!一、地基基础1、各种加固材料的合格证证、准用证各进场检验报告2、混凝土、水泥土试块的强度测试报告。
3、单桩或复合地基载荷试验试墟报告及其他地基质量检验报告。
二、桩单工程1、制筋、水泥、砂石等原材料质量证明书复试报告及准用证2、商品混凝土质量保证书和准用证3、预制桩出厂合格证三、制筋混凝土结构工程1、制筋、水泥、粗细骨料苗等材料质量证书、准用证、许可证、交易凭证、复试报告、进口钢筋的商检报告。
2、预拌(商品)混凝土质量证明和塌落度检查记录。
3、混凝土强度和执渗试验报告及评定结果和钢筋连接试验报告四、砌体结构工程1、砖、砌块、预制构件、水泥、钢筋等材料构件的质量证明书准用证及进场试验报告。
2、后置埋件拉结试验报告。
3、混凝土和砂浆试块报告及评定结果。
五、混凝土小型空心砌体工程1、小砌块准用证、出厂合格证或复试报告2、砂浆混凝土试块报告3、水泥、钢材等原材料的合格证及复试报告。
六、钢结构工程1、钢材焊接材料高强螺栓连接、防火涂料、防腐涂料等的质量证明书、试验报告2、钢构件出厂合格证和设计要求强度试验的构件试验报告。
3、高强螺栓连接摩擦面抗滑移系数厂家试验报告和安装前复试报告。
4、高强螺栓连接产生预拉力或扭距系数复验报告。
5、一、一级焊缝探伤报告。
七、装饰、门窗、尾而工程1、各种原利料出厂质量证书、准用证、复试报告、及其它试验报告。
八、住宅建筑初装饰工程1、原材料的出厂质保书、产品合格证、准用证、复试报告及其它试验报告2、煤气、给水试压试验报告。
3、排水管道的通水、灌水、通球试验记录。
4、卫生器具的盛水试验记录。
5、卫生问、阳台泼水试验记录。
6、电气绝缘电阻接地、电阻测定记录。
九、铝合金、门窗安装工程1、门窗产品的准用证、出厂合格证及相关材料的合格证。
2、门窗三性检测报告。
3、门窗喷淋试验报告。
十、塑料门窗安装工程1、门窗产品的准用证和山厂合格证。
各项工程所需的各种进场材料需要提供的资料一、地基与基础1、各种加固材料的出厂合格证、准用证各进场检验报告。
2、混凝土、水泥土试块的强度测试报告。
3、单桩或复合地基载荷试验报告及其他地基质量检验报告。
二、桩基工程1、钢筋、水泥、砂石等原材料质量证明书、复试报告及准用证。
2、商品混凝土质量保证书和准用证。
3、预制桩出厂合格证。
三、钢筋混凝土结构工程1、钢筋、水泥、粗细骨料等原材料质量证书、准用证、生产许可证、交易凭证、复试报告、进口钢筋的商检报告。
2、预拌(商品)混凝土质量证明和塌落度检查记录。
3、混凝土强度和抗渗试验报告及评定结果和钢筋连接试验报告。
四、砌体结构工程1、砖、砌块、预制构件、水泥、钢筋等材料构件的质量证明书、准用证及进场试验报告。
2、后置埋件拉结试验报告。
3、混凝土和砂浆试块报告及评定结果。
五、混凝土小型空心砌块工程1、小砌块准用证、出厂合格证或复试报告。
2、砂浆混凝土试块报告。
3、水泥、钢材等原材料的合格证、复试报告。
六、钢结构工程1、钢材焊接材料高强螺栓连接、防火涂料、防腐涂料等的质量证明书、试验报告。
2、钢构件出厂合格证和设计要求强度试验的构件试验报告。
3、高强螺栓连接摩擦面抗滑移系数厂家试验报告和安装前复试报告。
4、高强螺栓连接产生预拉力或扭距系数复验报告。
七、装饰、门窗、屋面工程1、各种原材料出厂质量证书、准用证、复试报告、及其它试验报告。
八、住宅建筑初装饰工程1、原材料的出厂质保书、产品合格证、准用证、复试报告及其它试验报告。
2、煤气、给水试压试验报告。
3、排水管道的通水、灌水、通球试验记录。
4、卫生器具的盛水试验记录。
5、卫生间、阳台泼水试验记录。
6、电气绝缘电阻接地、电阻测定记录。
九、铝合金、门窗安装工程1、门窗产品的准用证、出厂合格证及相关材料的合格证。
2、门窗三性检测报告。
3、门窗喷淋试验报告。
十、塑料门窗安装工程1、门窗产品的准用证和出厂合格证。
2、厂家提供的PVC塑料与相关材料的相容性试验报告。
江苏中新苏通商品混凝土有限公司原材料进场质量标准1、范围进场用于商品混凝土生产的原材料,主要包括石料、砂、水泥、粉煤灰、外加剂等。
进料批次的认定:按照国家规范要求认定批次,或同厂家、同规格、进货前后时间不超过24h认定为一个批次。
2、质量标准各种原材料应符合相关标准要求,尚应符合以下条件:石料规格及质量要求级配要求其他各项指标必须符合JGJ 52-2006中规定的要求(压碎值、坚固性、有害物质含量、碱活性等)。
砂规格及质量要求级配要求其他各项指标必须符合JGJ 52-2006中规定的要求(压碎值、坚固性、有害物质含量、碱活性、氯离子含量等)。
水泥规格及质量要求其他各项指标必须符合GB/T1346-2001,GB175-2007中规定的要求(凝结时间、安定性、碱含量、不容物、烧失量、三氧化硫、氧化镁、氯离子含量等)。
粉煤灰规格及质量要求其他各项指标必须符合国家行业标准中规定的要求。
矿渣微粉规格及质量要求选择不低于S95的矿渣微粉,且要求安定性合格。
外加剂规格及质量要求其他技术指标应符合GB8076-1997中规定的要求(泌水率比、含气量、凝结时间差、抗压强度比、收缩率比等)。
3、其他注意事项材料进场材料班应提前半天通知检测人员。
材料到场后,材料班收料人员、送货人员会同检测人员进行取样检测,检测合格后方可卸料,同时送货联、收货联必须由检测人员签字盖章方可进行结算。
如第一次检测出现不合格,在送货单位要求的情况下,可进行第二次检测,检测送其他第三方检测机构进行。
材料检测超标的处理办法:a、含泥量超过上述标准,超标部分从数量上予以扣除;b、规格超标,超标部分从数量上予以扣除;c、超标情况的处理由材料班和质检人员协商后共同进行;d、其他未尽事项报公司领导处理。
江苏中新苏通商品混凝土有限公司2010-01-20。
混凝土的进场计划1. 准备材料在进行混凝土进场前,需要准备以下材料:- 混凝土原材料:水泥、骨料、矿粉等;- 混凝土添加剂:缓凝剂、减水剂等;- 现场施工设备:搅拌车、输送泵等;- 测量工具:电子秤、塔尺等;- 安全设备:安全帽、防护服等;- 其他辅助材料:绳索、垫木等。
确保以上材料的充足供应和良好质量,是顺利进行混凝土施工的基础。
2. 组织人员混凝土施工需要组织合适的人员进行操作和监控。
以下是必要的人员组成:- 工地现场管理人员:负责协调施工计划、安排人员和材料,监督工程进展;- 混凝土搅拌师傅:负责混凝土材料的搅拌和保证配合比的准确性;- 输送泵操作员:掌握输送泵的使用技巧,保证混凝土的顺利输送;- 测量员:负责测量混凝土的材料比例和均匀性,确保混凝土质量合格;- 安全员:监督施工现场的安全性,确保施工人员的安全;- 其他辅助人员:如搬运工、清洁工等。
确保人员配置合理,技能娴熟,并加强对相关工作的培训和沟通。
3. 安排进场时间混凝土的进场时间应合理安排,以确保施工进度的顺利进行。
需要考虑以下因素:- 工地施工计划:根据施工计划确定混凝土的进场时间,尽量避免与其他工序冲突;- 天气状况:避免在恶劣天气条件下进行混凝土施工;- 交通状况:根据交通通畅情况,安排混凝土进场的最佳时间;- 施工队伍:根据施工队伍的组织情况,合理调度混凝土的进场时间。
确保混凝土的进场时间与其他施工工序的衔接良好,以提高施工效率。
4. 施工方案在混凝土进场前,需要制定详细的施工方案,包括以下内容:- 混凝土配合比:根据实际工程要求和材料质量,确定适宜的混凝土配合比;- 施工流程:明确混凝土的搅拌、输送、浇筑等施工流程和顺序;- 施工标准:遵循相关的混凝土施工标准,确保施工质量达标;- 安全措施:制定相关的安全措施和应急预案,保障施工人员的安全。
制定合理的施工方案,能够提高混凝土施工的效率和质量。
混凝土的进场计划对于工程的顺利进行至关重要。
配合比设计跟混凝土的和易性、耐久性及强度有关。
一般有下列要求:1、满足施工条件要求的和易性2、满足结构设计或施工进度所要求的强度3、满足与使用条件相适应的耐久性4、满足经济上的合理性,在保证混凝土质量的前提下,尽量节约水泥,合理地使用材料和降低成本。
配合比设计的基本资料
1)混凝土设计强度等级
2)工程特征(工程所处环境、结构断面、钢筋最小净距等)
3)水泥品种和强度等级
4)砂、石的种类规格、表观密度以及石子最大粒径
5)施工方法
设计方法与步骤
普通混凝土配合比的设计步骤,首先按照原始资料进行初步计算。
得出“理论配合比”;经过试验室试拌调整,提出满足施工和易性要求的“基准配合比”;然后根据基准配合比进行表观密度和强度的调整,确定出满足设计和施工要求的“试验室配合比”;最后根据现场砂石实际含水率,将试验室配合比换算成“生产配合比”。
各项工程所需的各种进场材料需要提供的资料一、地基与基础1、各种加固材料的出厂合格证、准用证各进场检验报告。
2、混凝土、水泥土试块的强度测试报告。
3、单桩或复合地基载荷试验报告及其他地基质量检验报告。
二、桩基工程1、钢筋、水泥、砂石等原材料质量证明书、复试报告及准用证。
2、商品混凝土质量保证书和准用证。
3、预制桩出厂合格证。
三、钢筋混凝土结构工程1、钢筋、水泥、粗细骨料等原材料质量证书、准用证、生产许可证、交易凭证、复试报告、进口钢筋的商检报告。
2、预拌(商品)混凝土质量证明和塌落度检查记录。
3、混凝土强度和抗渗试验报告及评定结果和钢筋连接试验报告。
四、砌体结构工程1、砖、砌块、预制构件、水泥、钢筋等材料构件的质量证明书、准用证及进场试验报告。
2、后置埋件拉结试验报告。
3、混凝土和砂浆试块报告及评定结果。
五、混凝土小型空心砌块工程1、小砌块准用证、出厂合格证或复试报告。
2、砂浆混凝土试块报告。
3、水泥、钢材等原材料的合格证、复试报告。
六、钢结构工程1、钢材焊接材料高强螺栓连接、防火涂料、防腐涂料等的质量证明书、试验报告。
2、钢构件出厂合格证和设计要求强度试验的构件试验报告。
3、高强螺栓连接摩擦面抗滑移系数厂家试验报告和安装前复试报告。
4、高强螺栓连接产生预拉力或扭距系数复验报告。
七、装饰、门窗、屋面工程1、各种原材料出厂质量证书、准用证、复试报告、及其它试验报告。
八、住宅建筑初装饰工程1、原材料的出厂质保书、产品合格证、准用证、复试报告及其它试验报告。
2、煤气、给水试压试验报告。
3、排水管道的通水、灌水、通球试验记录。
4、卫生器具的盛水试验记录。
5、卫生间、阳台泼水试验记录。
6、电气绝缘电阻接地、电阻测定记录。
九、铝合金、门窗安装工程1、门窗产品的准用证、出厂合格证及相关材料的合格证。
2、门窗三性检测报告。
3、门窗喷淋试验报告。
十、塑料门窗安装工程1、门窗产品的准用证和出厂合格证。
2、厂家提供的PVC塑料与相关材料的相容性试验报告。
商品混凝土厂家进场需提供的资料明细
1、进场前须向施工单位提供厂家资质文件(生产许可证、经营许可证、实验室资质、人员资质等)。
由施工单位报我监理方考察、审核,通过后使用。
2、进场时需提供资料:
(1)混凝土运输签认单(必须注明出场时间,到场时间,自检情况,运输车辆编号,送料人-司机签字等);
(2)预拌混凝土申请单、配比通知单-开盘鉴定;
(3)各种原材料的搅拌站试验室自检报告;
(4)预拌混凝土出厂临时合格证,28天后提供正式的预拌混凝土出厂合格证。
(5)各原材料,如水泥、砂子的碱含量和氯含量报告。
3、如监督站有要求,还应对用于工程的搅拌站出具的配合比送具有资质的第三方试验室做审核。
具体细节:提供各强度的配合比并送检用于各强度配合比的各原材料,由试验室对原材料的合格性和配合比的可行性进行比对核实,最后出具该配合比的可行性报告,并应在搅拌站提供的各资料上加盖该试验室试验章。
4、预拌混凝土石料一般采用人工碎石,以增加混凝土的和易性,如需使用天然石料或破碎混凝土石料等,必须试验石料的压碎指
标、含泥量、泥块含量、针片状颗粒含量等项目的合格性,合格方能用于混凝土。
好商品混凝土进场验收记录编号:商品混凝土进场验收记录编号:商品混凝土进场验收记录编号:商品混凝土进场验收记录编号:商品混凝土进场验收记录编号:商品混凝土进场验收记录商品混凝土进场验收记录商品混凝土进场验收记录商品混凝土进场验收记录编号:商品混凝土进场验收记录编号:商品混凝土进场验收记录商品混凝土进场验收记录编号:商品混凝土进场验收记录商品混凝土进场验收记录编号:商品混凝土进场验收记录编号:商品混凝土进场验收记录编号:商品混凝土进场验收记录编号:商品混凝土进场验收记录商品混凝土进场验收记录编号:商品混凝土进场验收记录商品混凝土进场验收记录编号:商品混凝土进场验收记录商品混凝土进场验收记录商品混凝土进场验收记录编号:商品混凝土进场验收记录编号:商品混凝土进场验收记录编号:商品混凝土进场验收记录编号:商品混凝土进场验收记录编号:商品混凝土进场验收记录商品混凝土进场验收记录编号:商品混凝土进场验收记录编号:商品混凝土进场验收记录商品混凝土进场验收记录商品混凝土进场验收记录商品混凝土进场验收记录商品混凝土进场验收记录编号:商品混凝土进场验收记录商品混凝土进场验收记录编号:商品混凝土进场验收记录商品混凝土进场验收记录编号:商品混凝土进场验收记录商品混凝土进场验收记录商品混凝土进场验收记录编号:商品混凝土进场验收记录编号:商品混凝土进场验收记录商品混凝土进场验收记录编号:商品混凝土进场验收记录商品混凝土进场验收记录。
商品混凝土厂家进场需提供的资料明细
1、进场前须向施工单位提供厂家资质文件(生产许可证、经营许可证、实验室资质、人员资质等)。
由施工单位报我监理方考察、审核,通过后使用。
2、进场时需提供资料:
(1)混凝土运输签认单(必须注明出场时间,到场时间,自检情况,运输车辆编号,送料人-司机签字等);
(2)预拌混凝土申请单、配比通知单-开盘鉴定;
(3)各种原材料的搅拌站试验室自检报告;
(4)预拌混凝土出厂临时合格证,28天后提供正式的预拌混凝土出厂合格证。
(5)各原材料,如水泥、砂子的碱含量和氯含量报告。
3、如监督站有要求,还应对用于工程的搅拌站出具的配合比送具有资质的第三方试验室做审核。
具体细节:提供各强度的配合比并送检用于各强度配合比的各原材料,由试验室对原材料的合格性和配合比的可行性进行比对核实,最后出具该配合比的可行性报告,并应在搅拌站提供的各资料上加盖该试验室试验章。
4、预拌混凝土石料一般采用人工碎石,以增加混凝土的和易性,如需使用天然石料或破碎混凝土石料等,必须试验石料的压碎指
标、含泥量、泥块含量、针片状颗粒含量等项目的合格性,合格方能用于混凝土。