【CN209885197U】一种台球桌袋口快速更换结构【专利】
- 格式:pdf
- 大小:365.35 KB
- 文档页数:7
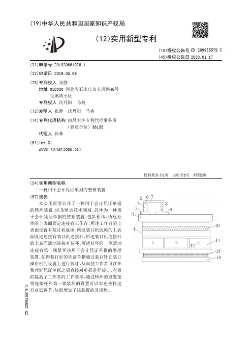
(19)中华人民共和国国家知识产权局(12)实用新型专利(10)授权公告号 (45)授权公告日 (21)申请号 201920661976.1(22)申请日 2019.05.09(73)专利权人 张静地址 050000 河北省石家庄市东岗路46号世奥湾小区专利权人 次丹阳 马爽(72)发明人 张静 次丹阳 马爽 (74)专利代理机构 南昌大牛专利代理事务所(普通合伙) 36135代理人 孙林(51)Int.Cl.B42C 13/00(2006.01)(54)实用新型名称一种用于会计凭证单据的整理装置(57)摘要本实用新型公开了一种用于会计凭证单据的整理装置,涉及财会技术领域,具体为一种用于会计凭证单据的整理装置,包括柜体,所述柜体的上表面固定连接有工作台,所述工作台的上表面设置有装订机底座,所述装订机底座的上表面固定连接有装订机连接杆,所述装订机连接杆的上表面活动连接有转环,所述转环的一侧活动连接有第一锁紧环该用于会计凭证单据的整理装置,使得装订好的凭证单据通过装订针在装订操作台的设置上进行装订,从而使工作者可以在整理好凭证单据之后直接对单据进行装订,有效的提高了工作者的工作效率,通过转环的设置使得连接杆和第一锁紧环的设置可以对连接杆进行高低调节,从而增加了该装置的灵活性。
权利要求书1页 说明书3页 附图2页CN 209955579 U 2020.01.17C N 209955579U权 利 要 求 书1/1页CN 209955579 U1.一种用于会计凭证单据的整理装置,包括柜体(1),其特征在于:所述柜体(1)的上表面固定连接有工作台(2),所述工作台(2)的上表面设置有装订机底座(3),所述装订机底座(3)的上表面固定连接有装订机连接杆(4),所述装订机连接杆(4)的上表面活动连接有转环(5),所述转环(5)的一侧活动连接有第一锁紧环(6),所述转环(5)远离装订机连接杆(4)的一端固定连接有连接杆(7),所述连接杆(7)的下表面固定连接有装订针(8),所述柜体(1)靠近工作台(2)的上表面固定连接有装订操作台(9),所述柜体(1)的内部活动连接有挡板(10),所述柜体(1)靠近挡板的内部设置有抽屉(11),所述抽屉(11)的外表面设置有手环(12)。
(19)中华人民共和国国家知识产权局(12)实用新型专利(10)授权公告号 (45)授权公告日 (21)申请号 201920509100.5(22)申请日 2019.04.16(73)专利权人 楚雄千镒广告传媒有限公司地址 675000 云南省楚雄彝族自治州楚雄市开发区盘龙云海国际公寓3幢2单元24、25室(72)发明人 罗正安 (74)专利代理机构 昆明合众智信知识产权事务所 53113代理人 张玺(51)Int.Cl.A47F 5/10(2006.01)(54)实用新型名称一种艺术活动用支架台(57)摘要本实用新型涉及艺术用品技术领域,具体为一种艺术活动用支架台,包括左右对称的两个支撑台,两个支撑台通过铰链铰接,支撑台的上表面开设有凹槽,凹槽的底面上方设有滑动组件;支撑台下方设有两个完全相同的支撑杆,两个支撑杆相互交叉设置,两个支撑杆的中心处通过转轴铰接,支撑台的底面对称开设有两个插槽且支撑杆的顶部与插槽插接配合本实用新型在放置展品时,通过调整滑块达到合适位置,使得支架台的大小能适合不同展品的大小,提高了支架台的适用范围。
本实用新型在收纳时,将支撑杆与支撑台分离后,支撑台可向上折叠,两根支撑杆沿着转轴收缩夹角,实现对支架台的收纳,节省了收纳空间。
权利要求书1页 说明书3页 附图3页CN 209883658 U 2020.01.03C N 209883658U权 利 要 求 书1/1页CN 209883658 U1.一种艺术活动用支架台,包括左右对称的两个支撑台(1),其特征在于:两个所述支撑台(1)通过铰链(2)铰接,所述支撑台(1)的上表面开设有凹槽(3),所述凹槽(3)的底面上方设有滑动组件(4);所述支撑台(1)下方设有两个完全相同的支撑杆(5),两个支撑杆(5)相互交叉设置,两个所述支撑杆(5)的中心处通过转轴(6)铰接,所述支撑台(1)的底面对称开设有两个插槽(7)且所述支撑杆(5)的顶部与所述插槽(7)插接配合。
(19)中华人民共和国国家知识产权局(12)实用新型专利(10)授权公告号 (45)授权公告日 (21)申请号 201920440331.5(22)申请日 2019.04.02(73)专利权人 海宁小二慧储智能科技有限公司地址 314408 浙江省嘉兴市海宁市长安镇顾家路28号-1(72)发明人 张跃伟 (51)Int.Cl.B65G 1/04(2006.01)(54)实用新型名称一种布匹存放结构及装置(57)摘要本实用新型涉及一种布匹存放结构及装置,布匹存放结构包括布匹卷以及与之配合的布匹吊挂杆;布匹卷包括硬纸筒以及缠绕在硬纸筒外周的布匹;所述的布匹吊挂杆包括竖直设置的竖杆,竖杆的上下两端分别设有吊环与承托部;竖杆穿设于硬纸筒内,且吊环从硬纸筒上端露出,承托部支撑于硬纸筒及布匹下端;一种布匹存放装置,存放装置包括多个布匹存放结构、多个挂钩组件及至少一个挂料组件;本实用新型的布匹存放结构将布匹卷与布匹吊挂杆之间组合在一起,当布匹吊挂杆悬吊布匹后,就可以用移动布匹吊挂杆的方式来实现对布匹的移动。
权利要求书1页 说明书4页 附图6页CN 209853081 U 2019.12.27C N 209853081U权 利 要 求 书1/1页CN 209853081 U1.一种布匹存放结构,其特征在于:包括布匹卷以及与之配合的布匹吊挂杆(5);所述的布匹卷包括硬纸筒(502)以及缠绕在硬纸筒(502)外周的布匹(501);所述的布匹吊挂杆(5)包括竖直设置的竖杆(505),竖杆(505)的上下两端分别设有吊环(503)与承托部;竖杆(505)穿设于硬纸筒(502)内,且吊环(503)从硬纸筒(502)上端露出,承托部支撑于硬纸筒(502)及布匹(501)下端。
2.根据权利要求1所述的布匹存放结构,其特征在于:承托部为一横杆(504),横杆(504)的中部与竖杆(505)下端固定连接。
3.根据权利要求1所述的布匹存放结构,其特征在于:承托部为一十字架,十字架的中心处与竖杆(505)下端固定连接。
(19)中华人民共和国国家知识产权局(12)实用新型专利(10)授权公告号 (45)授权公告日 (21)申请号 201920273954.8(22)申请日 2019.03.04(73)专利权人 昌龙兴科技(深圳)有限公司地址 518108 广东省深圳市宝安区石岩街道办水田居委会水田第三工业区创业路9号
(72)发明人 徐惠良 胡超飞 (74)专利代理机构 深圳市智胜联合知识产权代理有限公司 44368代理人 李永华 张广兴
(51)Int.Cl.B65H 19/30(2006.01)
B65H 75/24(2006.01)
B65H 18/26(2006.01)
(54)实用新型名称一种换卷辊装置(57)摘要本实用新型提出的一种换卷辊装置包括气胀轴,纸管安装在所述气胀轴上从而对流延膜进行收卷;所述换卷辊装置包括固定盘、多个所述气胀轴和换卷辊,所述换卷辊位于所述气胀轴一侧;所述换卷辊和所述气胀轴安装在所述固定盘上,气胀轴上的纸管完成流延膜收卷后,所述固定盘带动所述换卷辊与所述气胀轴旋转,所述换卷辊靠近所述气胀轴至所述换卷辊贴靠在套在纸管上的流延膜上。流延膜进行收卷结束后,流延膜断料时气胀轴和换卷辊处于相互贴靠状态,换卷辊压紧流延膜,确保流延膜收卷收尾过程中,流延膜收卷的紧密性,防止流延膜收卷结束后,流延膜结尾处粘靠不牢造成流延膜卷散开,流延膜卷不易储存的问题。
权利要求书1页 说明书3页 附图2页CN 209889931 U2020.01.03
CN 209889931 U1.一种换卷辊装置,所述换卷辊装置包括气胀轴,纸管安装在所述气胀轴上从而对流延膜进行收卷;其特征在于:所述换卷辊装置包括固定盘、多个所述气胀轴和与所述气胀轴数量相同的换卷辊,所述换卷辊位于所述气胀轴一侧;所述换卷辊和所述气胀轴安装在所述固定盘上,气胀轴上的纸管完成流延膜收卷后,所述固定盘带动所述换卷辊与所述气胀轴旋转,所述换卷辊靠近所述气胀轴至所述换卷辊贴靠在套在纸管上的流延膜上。2.根据权利要求1所述的换卷辊装置,其特征在于,所述换卷辊装置包括中心轴、摆臂、换卷气缸;所述换卷辊通过所述摆臂安装在所述中心轴一侧;所述换卷气缸安装在所述固定盘上并与所述中心轴连接,所述换卷气缸驱动所述中心轴旋转;所述中心轴旋转时,所述中心轴通过所述摆臂带动所述换卷辊靠近或远离所述气胀轴。3.根据权利要求2所述的换卷辊装置,其特征在于,所述换卷气缸包括气缸连接臂,所述气缸连接臂与所述中心轴连接,所述换卷气缸通过所述气缸连接臂驱动所述中心轴旋转。4.根据权利要求1所述的换卷辊装置,其特征在于,所述换卷辊装置包括主动轮、传动轴、过渡轮、传动轮和同步带;所述传动轴通过轴承安装在所述固定盘上,所述主动轮和所述过渡轮安装在所述传动轴两端;所述过渡轮与所述传动轮通过同步带连接;所述传动轮安装在所述换卷辊一端;电机可以带动所述主动轮旋转,进而带动所述换卷辊旋转。5.根据权利要求4所述的换卷辊装置,其特征在于,所述主动轮与所述传动轴通过离合器连接,所述离合器将所述主动轮与所述传动轴断连时,所述换卷辊可以静止或受摩擦力转动。
(19)中华人民共和国国家知识产权局(12)实用新型专利(10)授权公告号 (45)授权公告日 (21)申请号 201920372050.0(22)申请日 2019.03.22(73)专利权人 体鱼信息科技(苏州)有限公司地址 215000 江苏省苏州市高新区蓝天商务广场3幢1006室(72)发明人 常路 (74)专利代理机构 北京一格知识产权代理事务所(普通合伙) 11316代理人 钟廷良(51)Int.Cl.E05B 47/06(2006.01)E05B 73/00(2006.01)G07C 9/00(2006.01)(54)实用新型名称一种插入式自动存取手牌系统(57)摘要本实用新型涉及一种插入式自动存取手牌系统,包括一手牌座以及与手牌座配合使用的手牌,在手牌座上具有一容手牌自上而下插入的嵌入槽,在手牌座内安装有一锁扣机构,所述手牌包括一手牌主体以及与手牌主体相连的环状弹性套带,在手牌主体的底端具有一与锁扣机构相配合的锁孔。
本实用新型的优点在于:采用手牌座与手牌的配合,并结合锁扣机构,从而实现了手牌的锁紧,这样后续可通过扫码等操作来实现锁扣机构的解锁来取手牌,无需人工发放与收存,非常的方便,相应的也减少了场所所需的服务人员的数量,降低成本。
权利要求书1页 说明书4页 附图3页CN 209891870 U 2020.01.03C N 209891870U权 利 要 求 书1/1页CN 209891870 U1.一种插入式自动存取手牌系统,其特征在于:包括一手牌座以及与手牌座配合使用的手牌,在手牌座上具有一容手牌自上而下插入的嵌入槽,在手牌座内安装有一锁扣机构,所述手牌包括一手牌主体以及与手牌主体相连的环状弹性套带,在手牌主体的底端具有一与锁扣机构相配合的锁孔。
2.根据权利要求1所述的插入式自动存取手牌系统,其特征在于:所述锁扣机构包括一锁扣壳体,该锁扣壳体位于手牌座的嵌入槽的下方,在锁扣壳体的上端具有一与手牌座的嵌入槽相连通的锁槽,所述锁扣壳体内安装有一对相互配合的锁板、解锁板,锁板、解锁板均铰接安装在锁扣壳体内,且锁板、解锁板均与锁扣壳体之间安装有扭簧,所述锁板由锁牌板、自锁板呈V形状连接而成,在锁牌板靠近自锁板一侧具有一向自锁板方向延伸的并嵌入手牌主体的锁孔内的锁块,在自锁板上具有一向锁牌板方向延伸的卡块,所述解锁板呈弧形状,在解锁板的上端位于靠近解锁板的一侧还具有一与自锁板的卡块相配合的卡口,所述解锁板的下端由安装在锁扣壳体内的电磁铁驱动沿着解锁板与锁扣壳体的铰接点进行摆动。
(19)中华人民共和国国家知识产权局
(12)实用新型专利
(10)授权公告号
(45)授权公告日
(21)申请号 201920241479.6
(22)申请日 2019.02.26
(73)专利权人 天津市科品工业设计有限公司
地址 300000 天津市东丽区金钟街道满江
道保利玫瑰湾一期一号楼二门2003室
(72)发明人 王银炜
(74)专利代理机构 北京中仟知识产权代理事务
所(普通合伙) 11825
代理人 田江飞
(51)Int.Cl.
A63D 15/00
(2006.01)
(54)实用新型名称
一种台球桌袋口快速更换结构
(57)摘要
本实用新型公开了一种台球桌袋口快速更
换结构,包括装置本体,所述装置本体包括底洞
袋口结构和中洞袋口结构,所述底洞袋口结构由
第一顶板、第一夹板、第一卡板和第一底板组成,
所述中洞袋口结构由第二顶板、第二夹板、第二
卡板和第二底板组成,所述第一顶板和所述第二
顶板的底部分别固定安装有第一连接件和第二
连接件,与现有技术相比,本实用新型的有益效
果如下:本实用新型通过设置有第一连接件、第
一通孔、第一插孔、第一插销、第一连接件、第二
通孔、第二插孔和第二插销,使得更换袋口更加
的方便,从而节省时间,降低成本,金属件上也粘
贴牛皮,但是粘贴的面积小于以前的,大大的节
省了材料。
权利要求书1页 说明书3页 附图2页
CN 209885197 U
2020.01.03
C
N
2
0
9
8
8
5
1
9
7
U
1.一种台球桌袋口快速更换结构,包括装置本体(1),其特征在于:所述装置本体(1)包
括底洞袋口结构(2)和中洞袋口结构(3),所述底洞袋口结构(2)由第一顶板(6)、第一夹板
(7)、第一卡板(8)和第一底板(9)组成,所述中洞袋口结构(3)由第二顶板(13)、第二夹板
(14)、第二卡板(15)和第二底板(16)组成,所述第一顶板(6)和所述第二顶板(13)的底部分
别固定安装有第一连接件(11)和第二连接件(18),所述第一卡板(8)和所述第二卡板(15)
的两端均设置有第一插孔(10)和第二插孔(17)。
2.根据权利要求1所述的一种台球桌袋口快速更换结构,其特征在于:所述第一夹板
(7)、第一卡板(8)和第一底板(9)的顶部表面均设置有第一通孔(12),第一连接件(11)穿过
第一夹板(7)、第一卡板(8)和第一底板(9)上的第一通孔(12)通过螺丝连接。
3.根据权利要求1所述的一种台球桌袋口快速更换结构,其特征在于:所述第二夹板
(14)、第二卡板(15)和第二底板(16)的顶部表面均设置有第二通孔(19),第二连接件(18)
穿过第二夹板(14)、第二卡板(15)和第二底板(16)上的第二通孔(19)通过螺丝连接。
4.根据权利要求1所述的一种台球桌袋口快速更换结构,其特征在于:所述第一夹板
(7)和第一卡板(8)之间通过螺丝连接,第二夹板(14)和第二卡板(15)通过螺丝连接。
5.根据权利要求1所述的一种台球桌袋口快速更换结构,其特征在于:所述第一插孔
(10)内活动连接有第一插销(4),第二插孔(17)内活动连接第二插销(5)。
6.根据权利要求1所述的一种台球桌袋口快速更换结构,其特征在于:所述第一顶板
(6)、第一夹板(7)、第一卡板(8)和第一底板(9)均由锌合金或者铝合金制成,第一插销(4)
由不锈钢材料制成。
7.根据权利要求1所述的一种台球桌袋口快速更换结构,其特征在于:所述第二顶板
(13)、第二夹板(14)、第二卡板(15)和第二底板(16)均由锌合金或者铝合金制成,第二插销
(5)由不锈钢材料制成。
8.根据权利要求1所述的一种台球桌袋口快速更换结构,其特征在于:所述第一夹板
(7)的内侧设有牛皮。
权 利 要 求 书
1/1页
2
CN 209885197 U