丙烯酸酯橡胶阻尼材料研究进展
- 格式:docx
- 大小:30.11 KB
- 文档页数:7
橡胶添加丙烯酸锌改善压痕的原理橡胶是一种常见的弹性材料,具有优良的耐磨、耐腐蚀和耐高温性能。
然而,在长期使用过程中,橡胶制品往往会产生压痕现象,降低了其外观质量和使用寿命。
为了改善橡胶制品的压痕性能,可以添加丙烯酸锌。
丙烯酸锌是一种有机金属化合物,具有良好的涂膜性能和抗压痕性能。
将丙烯酸锌添加到橡胶中,可以通过以下几个方面来改善橡胶制品的压痕性能。
丙烯酸锌可以提高橡胶的硬度。
橡胶的硬度直接影响到其抗压痕性能。
添加丙烯酸锌可以增加橡胶的硬度,使其在受力时更加坚硬,从而减小了压痕的产生。
丙烯酸锌可以与橡胶中的活性基团发生反应,形成交联结构,增加橡胶的交联密度,提高了橡胶的硬度。
丙烯酸锌可以增强橡胶的抗压性能。
橡胶在受到外力作用时,容易发生压痕现象。
添加丙烯酸锌可以增强橡胶的抗压性能,使其能够更好地抵抗外力的作用,减少压痕的产生。
丙烯酸锌可以与橡胶中的链段结构相互作用,形成网状结构,提高橡胶的强度和耐压性能。
丙烯酸锌还可以改善橡胶的耐磨性能。
橡胶在长期使用过程中,由于摩擦和磨损,容易产生压痕。
添加丙烯酸锌可以提高橡胶的耐磨性能,减少橡胶表面的磨损,延长橡胶制品的使用寿命。
丙烯酸锌可以形成均匀的涂膜层,填充橡胶表面的微小凹陷,增加橡胶的平整度和耐磨性能。
总结起来,通过添加丙烯酸锌可以改善橡胶制品的压痕性能。
丙烯酸锌可以提高橡胶的硬度和强度,增强橡胶的抗压性能,减小压痕的产生。
同时,丙烯酸锌还可以改善橡胶的耐磨性能,延长橡胶制品的使用寿命。
因此,橡胶添加丙烯酸锌是一种有效的方法,可以有效地改善橡胶制品的压痕性能。
丙烯酸酯橡胶配合与工艺丙烯酸酯橡胶的用老化、耐热性能优良,与一般橡胶相比,通常的使用温度较高。
在这种较高的温度下,防老剂的防护作用往往不甚显著,因此除皂交联型丙烯酸酯橡胶外,通常不需加防老剂。
另外,因丙烯酸酯橡胶制品基本上是在与热油接触的条件下使用的,软化剂在使用过程中全产生挥发、抽出、移栖现象,所以通常不宜采用。
这样,配方就比较简单,通常仅包括硫化剂,补强剂,操作助剂三部分,防老剂和软化剂只个别使用。
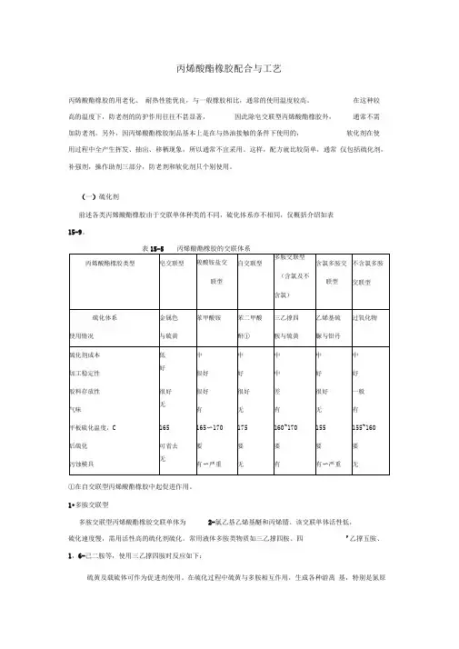
(一)硫化剂前述各类丙烯酸酯橡胶由于交联单体种类的不同,硫化体系亦不相同,仅概括介绍如表15-9。
①在自交联型丙烯酸酯橡胶中起促进作用。
1•多胺交联型多胺交联型丙烯酸酯橡胶交联单体为2-氯乙基乙烯基醚和丙烯腈。
该交联单体活性低,硫化速度慢,需用活性高的硫化剂硫化。
常用液体多胺类物质如三乙撑四胺、四'乙撑五胺、1,6-己二胺等,使用三乙撑四胺时反应如下:硫黄及载硫体可作为促进剂使用。
在硫化过程中硫黄与多胺相互作用,生成各种游离基,特别是氮原子上具有活性中心的游离基,能从橡胶分子链上夺取氢原子,引起交联,游离基HS・也容易与分子链上的活性位置结合成硫键,从而加速硫化过程。
BA型丙烯酸酯橡胶试验表明,使用三乙撑四胺,四乙撑五胺、多乙撑多胺,1, 6-己二胺硫化时,在同等用量条件下硫化特性及硫化胶物理机械性能接近,最宜用量为多胺交联剂1. 5~1 . 75份,硫黄1份,其中1 , 6-己二胺工艺性能稍好,推荐在一般模型制品方面使用。
多乙撑多胺分子量大,沸点高,不易挥发,适用于空气硫化,用量1. 75份。
其它胺类交联剂因易挥发,无法使丙烯酸酯橡胶完成空气硫化。
以多胺类物质硫化时,增加胶料碱性,可加速硫化过程,如使用碱性皂,即有明显效果,用量不宜超过1份,以免热老化性能变差。
天然橡胶常用的活化剂氧化锌有明显抑制硫化作用,要避免使用,其它金属氧化物除氧化钙外也都有抑制硫化作用,应予注意。
[NextPage]极压剂的各种油十分稳定,使用温度可达150 C,间断使用温度可更高些,这是丙烯酸酯橡胶最重要的特征。
硅橡胶阻尼材料专业:11高分子姓名:刘谢非学号:C31114047一.硅橡胶特点硅橡胶是以一Si—O—Si—为主链,通过硅原子与有机基团组成侧链的高分子弹性体。
侧基为有机基团。
因其键角大、取向自由度大,柔顺性好,所以具有卓越的耐低温性能;因其键能大(422.5kJ/mol),所以耐高温性能好]1]。
其玻璃化转变温度较低(-70~-140°C),室温附近其性能变化小,而硅氧键的结构使其在较宽的温度范围(-50~200C)内力学性能较稳定二.硅橡胶阻尼材料1■阻尼材料将固体机械振动能转变为热能而耗散的材料,主要用于振动和噪声控制。
材料的阻尼性能可根据它耗散振动能的能力来衡量,评价阻尼大小的标准是阻尼系数。
导弹、运载火箭和飞机在飞行时,由于发动机工作和气动噪声等原因,会引起严重的宽频带随机振动和噪声环境,还会激发结构和电子控制仪器系统众多的共振峰,使结构出现疲劳失效和动态失稳,使电子控制仪器精度降低以至发生故障。
统计数字表明,火箭的地面和飞行试验故障约有三分之一与振动有关,而结构材料的阻尼性能不佳是造成这类故障的一个重要原因。
为了提高结构的阻尼性能,可将结构材料和阻尼材料组合成复合材料,即由结构材料承受应力,阻尼材料产生阻尼作用,以达到控制振动和降低噪声的目的2■高分子材料的阻尼原理高聚物在交变应力的作用下,由于其特有的粘弹性,形变的变化落后于应力的变化,发生滞后现象,有一部分功以热或其他形式消耗掉。
这样就形成阻尼。
在玻璃化温度以下,高聚物在外力作用下的形变主要是由键长、键角的改变引起的小形变,即弹性形变,速度很快几乎完全跟得上应力的变化,因此阻尼小;在高弹态时,由于链段运动比较自由,内耗也小。
在玻璃化转变区域向高弹态过渡时,当应力以适中的频率作用于高聚物,由于链段开始运动,而体系的粘度还很大,链段受到的摩擦阻力比较大,形变落后与应力变化,阻尼较大。
通用型阻尼材料要求至少有60~80C这样宽广的玻璃化转变温度,为了加宽玻璃化转变温度范围,可以在高聚物的侧链上引入大体积的苯基,或用阻尼系数高的聚合物作为基材,和另一种玻璃化温度与之相差几十度的聚合物共混、共聚,来达到扩大阻尼温度区域及满足其他需求的目的。
丙烯基弹性体(PBE)市场发展现状前言丙烯基弹性体(PBE)是一种具有良好机械性能和可塑性的高分子材料,广泛应用于各个领域。
本文将探讨当前丙烯基弹性体市场的发展现状,并分析其未来的发展趋势。
1. 市场概述1.1 市场定义丙烯基弹性体(PBE)是一类以丙烯酸酯为基础合成的弹性体材料,具有优异的耐热性、耐化学性和机械性能,可广泛应用于制造业、建筑业等领域。
1.2 市场规模根据市场研究机构的数据,2019年全球丙烯基弹性体市场规模达到XX亿美元,并预计未来几年将保持稳定增长。
2. 市场驱动因素2.1 增长需求随着全球经济的发展,对于高性能弹性材料的需求逐渐增加。
丙烯基弹性体作为一种具有多种优良性能的材料,得到了广泛的应用。
2.2 技术进步随着科技的不断进步,丙烯基弹性体的生产工艺得到了改善和创新,产品质量和性能得到了提升,进一步推动了市场的发展。
3. 市场应用领域3.1 汽车制造丙烯基弹性体在汽车制造行业中广泛应用于减震系统、密封件等部位,以提高乘坐舒适性和汽车性能。
3.2 建筑领域丙烯基弹性体在建筑领域中主要用于防水涂料、屋面材料等,具有良好的耐候性和耐酸碱性能。
3.3 医疗行业由于丙烯基弹性体具有良好的生物相容性和可塑性,被广泛应用于医疗器械、人工关节等领域。
4. 市场竞争态势4.1 主要厂商目前,全球丙烯基弹性体市场上的主要厂商包括ABC公司、XYZ公司等。
4.2 市场份额分析根据市场研究报告显示,2019年ABC公司在丙烯基弹性体市场占有率超过30%,处于市场领先地位。
5. 市场挑战和机遇5.1 挑战丙烯基弹性体市场面临着原材料价格波动、生产成本上升等挑战,需要厂商寻找降本增效的途径。
5.2 机遇随着技术的进步和应用领域的拓展,丙烯基弹性体市场将迎来更多的机遇,例如新能源汽车的快速发展将带动对丙烯基弹性体的需求增加。
6. 未来发展趋势6.1 绿色环保随着全球环保意识的增强,可再生能源和环保材料的需求增加,对于可降解丙烯基弹性体的研发和应用将成为未来的发展趋势。
阻尼涂料用苯丙四元共聚乳液的合成及其结构与性能的关系张杰;高圩【摘要】以苯乙烯(St)、甲基丙烯酸甲酯(MMA)、丙烯酸丁酯(BA)和三乙二醇二甲基丙烯酸酯(TEGDMA)为原料,进行了四元共聚乳液的合成研究.红外光谱(FT-IR)和乳液物性的表征结果显示,合成得到了固含量为40%左右、贮存稳定的目标产物.用动态机械热分析仪(DMA)对聚合物胶膜的交联密度、阻尼性能和储能模量进行了表征,对胶膜的机械性能、耐热性能进行了测试.结果表明:共聚物的相关性能与其交联密度密切相关.共聚物的网链密度随TEGDMA用量的增加而增加;与线性胶膜相比,胶膜的耐热性能和储能模量均随网链密度的增加有较大提高;TEGDMA用量增加,胶膜机械性能得到改善,阻尼性能呈现先增后降的变化趋势.【期刊名称】《涂料工业》【年(卷),期】2015(045)008【总页数】7页(P1-7)【关键词】四元共聚乳液;阻尼性能;机械性能;耐热性能;网链密度【作者】张杰;高圩【作者单位】华东理工大学材料科学与工程学院,上海200237;华东理工大学材料科学与工程学院,上海200237【正文语种】中文【中图分类】TQ637.2高分子阻尼材料在其玻璃化转变区域能有效地将机械能和声能转变成热能,是一种能减弱振动、降低噪音的功能性材料[1]。
在阻尼涂料用水性乳液中,对水性丙烯酸酯类乳液胶膜的阻尼性能研究最受关注,其涂料可广泛应用于航空航天、航海、机动车辆、轨道交通和建筑等领域。
因单一的均聚物有效阻尼温域较窄,常通过将不同 Tg的聚合物共混[2]、共聚[3-6]、添加填料[7]或合成互穿聚合物网络(IPN)[8-10]等手段来改善高分子材料的阻尼性能。
考虑到实际应用,一般要求高聚物阻尼材料的阻尼温域差值至少达到60~80℃,同时有较高的损耗因子(tanδ>0.3)[11-12]。
与乳液共混、填料改性以及互穿网络结构设计相比,共聚能通过聚合物分子结构设计达到提高材料阻尼性能的目的。
聚氨酯丙烯酸酯封端与解封特性及其UV-湿气双固化性能研究1. 引言1.1 研究背景聚氨酯丙烯酸酯(PUA)是一种具有广泛应用前景的高分子材料,其具有优异的耐磨、耐腐蚀、耐热性和化学稳定性。
PUA在油墨、涂料、胶粘剂等领域有着广泛的应用,但其封端与解封特性及其UV-湿气双固化性能研究尚未得到深入的探讨。
PUA的封端结构对其性能有着重要影响,研究其封端特性有助于深入了解PUA材料的结构性质。
PUA的解封特性也是评价其可再加工性能的重要指标,因此探究PUA 的解封特性对其应用具有重要意义。
近年来UV-湿气双固化技术在涂料、胶粘剂等领域得到了广泛应用,但在PUA材料中的应用还比较有限。
研究PUA的UV-湿气双固化性能不仅可以拓展其应用领域,还可以为其工业化生产提供有力的支撑。
对PUA封端与解封特性及其UV-湿气双固化性能的研究具有重要的理论意义和实际应用价值。
1.2 研究目的研究的目的是通过分析聚氨酯丙烯酸酯封端与解封特性及其UV-湿气双固化性能,探讨其在材料科学领域中的应用潜力。
具体来说,目的包括以下几个方面:研究聚氨酯丙烯酸酯封端特性,揭示其结构特征及其对材料性能的影响,为材料设计和改性提供依据;探究聚氨酯丙烯酸酯的解封特性,分析其在实际应用中的可控释放功能,为智能材料的开发提供理论支持;研究其UV-湿气双固化性能,评价其在不同环境条件下的固化效果,为该材料在不同应用场景下的性能调控提供参考;通过实验方法的设计和结果与讨论的分析,全面评估聚氨酯丙烯酸酯的性能,为其在材料工程领域的进一步研究和应用奠定基础。
通过本研究的开展,旨在为聚氨酯丙烯酸酯材料的优化设计和工程应用提供科学依据,促进相关领域的技术创新和产业发展。
2. 正文2.1 聚氨酯丙烯酸酯封端特性分析聚氨酯丙烯酸酯是一种常用的双组分固化体系,其封端反应是影响固化性能的重要因素之一。
封端反应可以通过改变聚氨酯丙烯酸酯中的封端物质来实现。
一般来说,封端物质的种类和含量都会对固化速度、硬度和耐久性等性能产生影响。
中国聚丙烯酸酯行业运行现状及发展趋势分析报告一、行业的运行现状1.市场需求稳定增长:随着经济的发展和人民生活水平的提高,相关行业对聚丙烯酸酯的需求不断增加,特别是建筑、汽车、电子、包装等行业,对聚丙烯酸酯的需求量大,并且稳定增长。
2.生产技术逐步提升:中国聚丙烯酸酯行业在生产技术方面已经取得了一定的进展,不断引进和消化吸收国际先进技术,提高产品的质量和产能,并且逐渐向中高端市场进军。
3.企业竞争激烈:中国聚丙烯酸酯行业企业众多,竞争激烈。
目前,一些规模较大的企业通过技术创新、产品升级等方式,提高自身竞争力,并通过优质服务赢得了市场份额。
4.产业链逐步完善:中国聚丙烯酸酯行业的产业链正在逐步完善,从原材料供应到产品生产再到销售服务,形成了一个相对完整的产业链,为行业的发展提供了良好的基础条件。
二、发展趋势分析1.聚丙烯酸酯产品向高附加值产品转型:随着消费升级的趋势,聚丙烯酸酯行业将逐渐向生产高附加值的产品转型,注重产品质量和功能性的提升,满足市场不断增长的个性化需求。
2.生产工艺的绿色环保化:环保意识的提升和政府对环境保护的要求,将促使聚丙烯酸酯行业加大环保投入,提升生产工艺的绿色环保化水平,减少对环境的污染。
3.加大创新力度:在面对国际市场竞争的同时,中国聚丙烯酸酯行业需要加大创新力度,通过不断提高技术水平和产品质量,增强自主品牌的竞争力。
4.加强产业协同发展:聚丙烯酸酯行业需要加强与上下游产业的合作,形成产业协同发展的格局,提高行业整体竞争力,实现产业链的优化和升级。
5.拓展国际市场:中国聚丙烯酸酯行业在满足国内市场需求的同时,还应积极拓展国际市场,增加出口额度,降低对国际原材料价格的依赖,提高行业的国际竞争力。
总之,中国聚丙烯酸酯行业正处于稳步发展的阶段,市场需求旺盛,技术水平不断提高。
未来,随着经济的发展和技术的进步,聚丙烯酸酯行业有望迎来更加广阔的发展空间。
同时,行业企业还需注重创新、环保和国际市场开拓,以提高竞争力和可持续发展能力。
聚合物基阻尼材料的改性技术进展【摘要】聚合物基阻尼材料由于比重轻、易于加工,并且能够产生较大的内耗,广泛应用于产业机械、家用电器、精密仪器和军事装备等领域的减振降噪,其研究开发不仅能产生重大的社会效益和经济效益,而且具有广阔的应用前景。
但单一的聚合物已经不能满足人们对减振降噪阻尼材料的吸振效率高、高阻尼温度范围宽、力学性能优良、质轻价廉的要求。
为此,聚合物基阻尼材料的改性备受研究者的关注。
【关键词】阻尼材料;国内外;聚合物目前,聚合物基阻尼材料的改性研究主要集中在将阻尼峰相距较大的两相通过共混或共聚的方式复合,通过控制两相间的微相结合程度达到提高峰强度及峰间温域范围的阻尼因子的目的。
聚合物基阻尼材料的改性主要集中在如下几个方面。
1 共混改性如苗传威等[1]的研究发现,聚甲基丙烯酸甲酯/聚丙烯酸乙酯/聚丙烯酸正丁酯以共混比为33/33/33混合后,共混物的阻尼性能较好,共混体系在0℃以上形成了一个tanδ值大于0.7、温域达100 ℃的阻尼平台。
Kaneko 等[2]在研究聚乙基丙烯酸酯(AR)/氯化聚乙烯(CPE)体系时发现,共混使材料的阻尼性能得到了很大的改善。
在加入功能小分子后,AR 和CPE 玻璃化转变区的凹谷上升为平坦区,阻尼效果更佳。
2 共聚改性如Hill等[3]用甲基丙烯酸甲酯接枝聚乙二醇酯碳酸盐得到共聚物,随着甲基丙烯酸甲酯接枝含量和接枝率的提高,共聚物的阻尼峰位置会向高温方向移动,从而使材料能适合不同的场合和环境条件。
彭伟江等[4]合成由两种成分嵌段共聚而成的聚醋酸乙烯酯-丙烯酸酯类橡胶阻尼材料,损耗因子变大,阻尼性能明显改善。
3 填充改性如韩俐伟等[5]在丁腈橡胶和聚氯乙烯共混物中加入层状填料云母后,共混物的玻璃化转变温度向高温方向移动,高阻尼温域范围变宽,同时材料的弹性模量提高。
Hajime等[6]将碳纤维填充到环氧树脂基体,然后与各种热塑性弹性体进行叠层复合,复合材料不仅具有很高的硬度,而且阻尼效果显著。
新型聚丙烯酸酯活性交联单体的制备及应用郑静许江菱黄光速∗∗(四川大学高分子科学与工程学院高分子材料科学国家重点实验室四川成都 610065)聚丙烯酸酯橡胶(ACM)是一种耐热、耐油、耐候,性价比较高的特种橡胶,广泛应用于汽车工业的耐油密封。
将ACM与其它橡胶或塑料共混共硫化是聚丙稀酸酯橡胶发展的一个新方向。
开发新的硫化体系一直是聚丙烯酸酯橡胶的重要课题。
从ACM的性能改进和功能拓展来看,非共轭二烯烃作为交联单体是较好的选择。
现在采用的非共轭二烯烃如乙叉降冰片烯、双环戊二烯毒性大,合成工艺复杂,发展受到限制。
本工作根据我国现有的技术条件和绿色化学的概念,合成出一种低毒,高活性的非共轭二烯烃,用作聚丙烯酸酯橡胶的交联单体,具有较大的理论意义和实用价值。
进一步地,这种新型交联单体还有望广泛用作聚丙烯酸酯类涂料和粘合剂的交联剂。
从分子设计的角度,要求作为交联单体的非共轭二烯烃在结构上满足以下两个条件:(1)具有与丙烯酸酯相似的分子结构,易于与丙烯酸酯实现共聚合。
(2)具有不同活性的两个双键,在聚合反应结束以后,交联单体中仍有一个双键被保留下来,用于一步的硫化或交联。
为此,我们采用乙烯基交换法合成出丙烯酸乙烯基酯(VA)。
在该反应中,我们首次采用一种有机碱YB取代常用的碱金属与钯共催化,在相同合成条件下获得比由常规方法得到的~20%的产率高得多的>70%的产率,同时通过调节工艺技术条件,成功地解决了乙酸钯(Pd(OAc)2)稳定性差的问题,避免了无活性钯黑的析出。
整个制备方法具有突出的工业化应用前景。
其合成反∗基金项目:四川省科学基金资助项目∗∗通讯联络人, E-mail: polymer410@应过程可图示如下: O OO OH OO+首先利用螯合剂与Pd(OAc)2原位螯合生成催化剂(phen)Pd(OAc)2,再与有机碱YB 共催化丙烯酸(AA)与乙酸乙烯酯(V Ac )进行乙烯基交换反应。
对反应产物进行了气相色谱、红外和核磁共振分析,表征了V A 结构的存在(见fig.1, fig.2)和证明了其大于70%的产率。
一、产品介绍丙烯酸AA又称败脂酸分子式C3H4O2无色液体有刺激气味相对密度1.0511熔点13℃沸点141.6℃溶于水、乙醇和乙醚化学性质活跃易聚合而成透明白色粉末还原时生成丙酸与盐酸加成时生成2-氯丙酸。
通常加甲氧基氢醌或氢醌作阻聚剂它主要用于制备丙烯酸树脂等也用于其他有机合成。
强有机酸有腐蚀性。
下游分类丙烯酸酯AE——丙烯酸及其同系物的酯类的总称主要有丙烯酸甲酯MA、丙烯酸乙酯EA、丙烯酸正丁酯n-BA和丙烯酸异辛酯2-EHA等能自聚或和其他单体共聚是制造粘合剂、合成树脂和塑料的单体。
丙烯酸甲酯CH2CHCOOCH3无色液体相对密度0.9535熔点-76.5℃沸点80.5℃溶于乙醇、乙醚易挥发、易聚合也能与其他单体共聚用于制造塑料、树脂、涂料和粘合剂也用于皮革、纺织品和纸张的加工。
丙烯酸乙酯CH2CHCOOCH2CH3也是无色液体相对密度0.924熔点为-72℃沸点100-101℃几乎不溶于水溶于乙醇和乙醚易聚合也能与其他单体共聚用于制备塑料、树脂等高聚物也可用作有机合成中间体。
丙烯酸丁酯CH2CHCOOCH23CH3系无色液体易燃相对密度0.898熔点-64℃沸点145-146℃折射率1.4185易聚合微溶于水能与乙醇、乙醚混溶遇热很快聚合用于制造合成树脂、合成纤维、合成橡胶、塑料、涂料、粘合剂等。
丙烯酸酯是重要的高分子单体和基本有机化工原料在精细化工的应用中占有相当重要的地位其系列产品成千上万几乎涉及到工业领域各部门广泛应用于涂料、粘合剂、塑料、纺织、造纸、橡胶、石油、水处理、化纤、制革等行业。
以丙烯酸及其酯制得的高聚物具有优良的耐候、耐紫外光、耐水、耐热等特性从而使其在涂料、粘合剂、皮革、化纤、造纸等方面得以广泛应用。
特别是近年高吸水性树脂消费的快速增长促进了世界丙烯酸工业的发展。
丙烯酸及其系列产品主要是其酯类近年得到迅速发展。
如像乙烯、丙烯、氯乙烯、丙烯腈等产品发展成为重要的高分子化学工业的原料。
硅橡胶阻尼材料的研究进展王明毫;朱金华;卢世杰;迟雷鹏【摘要】综述了近年来硅橡胶阻尼材料的研究进展,介绍了硅橡胶的结构和阻尼机理,概述了提升硅橡胶阻尼性能的手段:改变硅橡胶分子链结构使链段运动受阻;将阻尼橡胶与硅橡胶共混以拓宽阻尼温域;形成互穿网络提高相容性;添加不同功能的阻尼剂改善阻尼效果,并对硅橡胶阻尼材料在不同领域的应用进行了展望.【期刊名称】《弹性体》【年(卷),期】2018(028)005【总页数】5页(P73-77)【关键词】硅橡胶;阻尼材料;研究进展【作者】王明毫;朱金华;卢世杰;迟雷鹏【作者单位】海军工程大学基础部,湖北武汉 430033;海军工程大学基础部,湖北武汉 430033;海军工程大学基础部,湖北武汉 430033;海军工程大学基础部,湖北武汉 430033【正文语种】中文【中图分类】TQ333.93机械设备在运行时产生的振动和噪声会影响其正常工作,严重时会缩短使用寿命甚至危及使用的安全性[1-2]。
人们常常使用阻尼材料来减少振动和噪声产生的危害。
高聚物阻尼材料是目前被广泛应用的减振降噪材料,而其中以硅橡胶为基体的阻尼材料由于具有良好的耐高温、耐低温性和优异的耐老化性能而日益受到人们的关注[3-4]。
硅橡胶是开链的聚硅氧烷,其主链由Si—O—Si链节组成,侧基为有机基团。
因主链键能较大(422.5 kJ/mol),所以有优异的耐高温性能;又因其主链取向自由度大且有较好的柔顺性,所以硅橡胶的耐低温性能尤为卓越[5]。
由于硅橡胶有较低的玻璃化转变温度(-70~-140 ℃),因此在室温附近性能比较稳定,而主链的硅氧键结构使其在较宽温域内力学性能稳定,因此,硅橡胶与其它高分子材料相比具有更宽的环境适应性。
但是硅橡胶的阻尼性能不佳,通常阻尼系数仅有0.05~0.1。
除此之外,硅橡胶的玻璃化转变温度也比较低,这些因素限制了硅橡胶阻尼材料的应用范围[6]。
为了拓宽硅橡胶阻尼材料的应用范围,必须对其进行改性以提高其阻尼性能[7]。
新型的聚合物阻尼材料的研究与进展 ——丙烯酸酯橡胶阻尼材料研究进展
专业及班级:高材09级(1)班 姓名: 董飞 学号: 40901020107 1
目录 摘 要:.......................................................................................................................... 2 关键词:.......................................................................................................................... 2 概述................................................................................................................................. 2 1 高聚物材料的阻尼机理.............................................................................................. 2 2 丙烯酸酯橡胶阻尼的改性方法 ................................................................................... 3 2.1 共混改性..................................................................................................... 3 2.2 共聚............................................................................................................ 4 2.3 IPN ........................................................................................................ 4 2.4 添加有机小分子 .......................................................................................... 5 2.5 填充改性..................................................................................................... 5 3 结论.......................................................................................................................... 6 4 展望.......................................................................................................................... 6 2
丙烯酸酯橡胶阻尼材料研究进展 摘 要: 分析了高聚物材料的阻尼机理,简要介绍了阻尼性能的评价方法,重点阐述了丙烯酸酯橡胶的共混、共聚、IPN、添加小分子及填充改性制备高性能阻尼材料的研究进展,指出对丙烯酸酯橡胶阻尼材料应用于耐高温环境的阻尼性能缺乏研究,还有待深入,研制集绿色和多功能为一体的新型阻尼材料将是未来高聚物阻尼材料又一个重要的发展方向。
关键词: 丙烯酸酯;阻尼材料;共混;橡胶;共聚 概述 在现代科技高速发展的时代,各种机械设备正向高速、高效、自动化方向发展,但其在工作时所产生的振动和噪声严重破坏了机械本身的精确度、可靠性和稳定性,而且还会缩短机械零部件的使用寿命,同时也会对人们的身心健康产生严重的影响,如损伤听力、影响睡眠、诱发疾病等。因此,通过增大机械系统的能量损耗来达到减振、降噪目的的阻尼研究一直是国内外关注的焦点。在阻尼材料的研究过程中,高阻尼、宽温域的阻尼材料是研究的重点。在应用于阻尼材料的高分子材料历史中,橡胶因具有高弹性而优先得到使用。丙烯酸酯橡胶(ACM)是橡胶类的一种,是以丙烯酸烷基酯为主要成分的耐高温、耐油性、耐臭氧、抗紫外线等综合性能优异的合成橡胶,耐高温仅次于氟橡胶和硅橡胶,且价格仅为氟橡胶的1/10。丙烯酸酯橡胶阻尼材料在室温附近的阻尼性能优越,同时具有良好的粘结性能和力学性能,以及耐热、耐老化等优点,在减振和吸声等领域逐渐受到关注[1-5],并广泛应用于汽车、机械、电子、化工、仪表、轻工等行业中。本文简要介绍了高聚物材料的阻尼机理,重点阐述了丙烯酸酯 橡胶阻尼材料的改性方法。
1 高聚物材料的阻尼机理 高聚物阻尼材料是目前应用最广泛的黏弹性阻尼材料,因其结构的特殊性而3
广泛地应用于阻尼材料之中,它兼有黏性液体损耗能量的特性和弹性固体储存能量的特性,已成为当前阻尼材料研究的热点。高聚物之所以具有优异的阻尼性能,是由其特殊的分子结构决定的。高聚物材料的阻尼性能与高分子材料自身的分子结构有关,其黏弹性是高分子材料形变性质的重要特征,高聚物在交变应力的作用下,形变滞后于应力变化,发生滞后现象。因此,高聚物阻尼作用机理直接与高聚物的动态力学松弛性质相关。当高聚物与振动物体相接触时,必然吸收一定量的振动能量而变成热能,结果使振动受到阻尼作用。聚合物受力形变时产生的滞后现象的大小决定了其阻尼作用的大小。由于滞后现象,使得材料的拉伸-回缩循环变化均需要克服其本身的大分子链段之间的内摩擦阻力而产生内耗[6],正是形变-恢复循环变化过程中的这种内耗将机械能以热能的形式耗散掉而起到了阻尼作用。测定高聚物阻尼常用的实验方法有[7]:自由振动、强迫共振、强迫非共振、声波传播,其中强迫非共振法是最为常用的方法,因为它能直接给出阻尼损耗因子tanδ与温度T、储能模量E与T的关系曲线,这些曲线能表明高聚物材料玻璃化转变行为的某些重要特性,通过分析这些曲线的变化情况可以得到一些与阻尼性能相关的信息。高聚物的tanδ值越高、阻尼温域越宽,阻尼性能就越好。衡量高聚物阻尼性能的方法目前主要有2种:TA定性评价法和LA定量评价法[8-9]。
2 丙烯酸酯橡胶阻尼的改性方法 丙烯酸酯橡胶作为综合性能优良的阻尼材料,在航空航天和航海以及民用等领域具有广阔的应用前景,但是,其玻璃转变温度区只在20~30℃,有效阻尼区域狭窄,不能完全满足工程应用的需要而受到限制,因此必须对其进行改性[10]。为了研制能满足特定使用要求的高聚物阻尼材料,采用共混、共聚、互穿网络聚合物等改性方法,可有效拓宽高聚物的玻璃转变温度Tg的温域,满足材料高阻尼性能的要求。
2.1 共混改性 单一高分子材料的有效阻尼区域较狭窄,用作阻尼材料时经常无法满足宽温域高阻尼的使用要求。为拓宽玻璃化转变温域,将两种或多种聚合物进行共混改性是最常用的改性方法,其原理是通过共混使聚合物材料具有微观相分离的结构从而拓宽阻尼峰的半峰宽,使其2个(或多个)玻璃转化区的凹谷上升为平坦区。这就要求共混的聚合物的Tg值相差比较大,共混组分必须是部分相容的,这时组分(或多组分)的玻璃化温度才能产生相对位移和靠近。Huang等[11]4
将丙烯酸酯橡胶与硅橡胶共混,制备了有机硅/丙烯酸酯复合橡胶阻尼材料,其使用温度和频率范围均较宽,阻尼温域可以拓宽到140~150℃,在1Hz的测试振动频率下,tanδ可以控制在0.7~1.1,且可根据需要调整该共混复合物的阻尼温域和tanδ值。郑诗建等[12]在丙烯酸酯橡胶和聚氯乙烯共混体系阻尼特性的研究中发现,通过共混技术,向丙烯酸酯橡胶中加入聚氯乙烯(PVC),其共混物在-10℃和80℃呈现出2个阻尼峰,并且两峰间的阻尼值有所提高。当PVC含量大于40份时,共混物在-10~110℃温度区域tanδ达到0.25~0.60,使材料的使用范围得到了扩展。Li Yongjin[13]等在探讨聚偏二氟乙烯(PVDF)与丙烯酸酯橡胶(ACM)共混物双层晶体结构及其双轴向行为时发现,二者共混后玻璃转变温度向高温区移动,PVDF含量小于60%时,二者完全共混,损耗因子随着PVDF含量的减少而增加,当PVDF含量与ACM含量比为20∶80时,损耗因子可达到2.5。也有一些学者[14-15]将酚醛树脂(PF)作为“阻尼赋予剂”与ACM共混,发现PF的羟基和ACM羰基之间具有分子间的氢键作用,会提高共混物的阻尼性能,随着PF的含量和分子量的增加,共混物的阻尼峰会向高温移动并且变宽,而且共混物作为阻尼材料使用,其成本也会降低。
2.2 共聚 通过分子设计调整共聚物的结构,由共聚制得的阻尼材料在较宽的温度范围内可呈现良好的阻尼性能。李素青等[16]在研究丙烯酸酯共聚物的分子设计及阻尼性能时发现,将含有乙烯基聚硅氧烷(PVMS)大分子硅单体与丙烯酸酯进行乳液自由基共聚,制得了较好的阻尼性能的丙烯酸酯类宽温域阻尼材料,其tanδ值最高可达2.01,阻尼峰峰宽可达100℃。Chu等[17]报道了乙烯基乙酸酯与丁基丙烯酸酯共聚物的tanδ可以控制在1.76~1.80,阻尼温域也比较宽,且体系的tanδ值随着乙烯基乙酸酯含量的增加而提高。
2.3 IPN 通过化学或物理方法将两种或两种以上聚合物网络互相贯穿并缠结而形成互穿聚合物网络(IPN)也是聚合物共混的一种独特方法。互穿聚合物网络的相容性直接影响材料的阻尼性能。互穿聚合物网络材料具有强迫互容、界面互穿、双相连续和协同作用等独特的结构与性能特征,具有宏观上不分相和微观上相分离的特点,从而可以使不相容或半相容的聚合物组分通过IPN方式结合起来而