电线电缆测试项目及仪器总汇
- 格式:xlsx
- 大小:823.83 KB
- 文档页数:2
电缆出厂检验项目电缆是现代社会不可或缺的重要设备,被广泛应用于电力、通信、交通等各个领域。
为确保电缆的质量和安全性能,电缆出厂前需要进行一系列的检验项目。
本文将介绍电缆出厂检验的相关内容。
一、外观检查外观检查是电缆出厂检验的首要步骤。
操作人员应仔细观察电缆的外观,包括电缆的颜色、光泽、表面是否平整、是否有明显的划痕或损伤等。
同时,还需检查电缆的标志、标牌等是否齐全、清晰可辨。
二、尺寸检查尺寸检查是为了验证电缆的尺寸是否符合标准要求。
操作人员使用专用工具测量电缆的外径、内径、绝缘层厚度等参数,并与产品技术要求进行比对。
如果尺寸不合格,将会影响电缆的安装和使用效果。
三、电气性能测试电气性能测试是电缆出厂检验的重要环节之一。
常见的电气性能测试项目包括电阻测试、绝缘电阻测试、耐压试验等。
电阻测试是为了检查电缆的导电性能,绝缘电阻测试是为了检测电缆绝缘层的质量,耐压试验是为了检验电缆的耐电压能力。
四、机械性能测试机械性能测试是为了确定电缆在运输、安装和使用过程中的耐受能力。
常见的机械性能测试项目包括拉伸试验、挠曲试验、冲击试验等。
拉伸试验是为了检查电缆的拉伸强度,挠曲试验是为了检测电缆的柔韧性能,冲击试验是为了检验电缆的抗冲击能力。
五、燃烧性能测试燃烧性能测试是为了验证电缆的阻燃性能。
电缆在火灾发生时,其阻燃性能直接关系到人员的生命安全和财产损失。
常见的燃烧性能测试项目包括垂直燃烧测试、烟密度测试、脱落火星测试等。
六、环境适应性测试环境适应性测试是为了验证电缆在不同环境条件下的使用性能。
常见的环境适应性测试项目包括耐候性测试、耐氧化性测试、耐湿热性测试等。
这些测试项目能够评估电缆在各种恶劣环境下的抗老化和抗腐蚀性能。
电缆出厂检验项目涵盖了外观检查、尺寸检查、电气性能测试、机械性能测试、燃烧性能测试和环境适应性测试等多个方面。
通过对这些项目的检验,可以确保电缆的质量和安全性能,保障电力、通信、交通等领域的正常运行。
电线电缆的检测项目及检测方法【摘要】近年来电力行业取得了迅速的发展,其中电线电缆发挥着重要的功能和作用。
当前我国电线电缆生产量已经达到世界前列,但其中存在的一个现实问题在于电缆质量合格率较低,而且使用过程中存在安全隐患,因此需要做好针对电线电缆的检测工作,在这个过程中需要运用科学合理的检测方法。
【关键词】电线电缆;检测项目;检测方法1 电线电缆外观尺寸检测项目和方法1.1外观检测外观设计是人们对电线电缆的第一印象,因此要做好针对外观的检测工作。
开展检测工作时首先需要对电线外观进行观察,即观察表面是否有油污、斑点、裂纹和毛刺等缺陷,以及外观是否光洁元整,同时还要检测电线电缆表面抗腐蚀性能以及氧化程度。
1.2尺寸检测不同于其他行业,电力行业明确规定了不同功能作用的电线电缆的相应尺寸,用于高压交联的电线电缆尺寸更需要严格遵循相关规定标准要求,从而保证其安全性与性能水平。
电线电缆尺寸检测项目包含内容较多,电线电缆密度、截面、节距、厚度、扇形高度等均是所检测对象。
在电线电缆尺寸实际检测过程中,首先进行样本抽样工作,在这个过程中需要对样本的线径、绝缘体厚度进行检测。
1.3结构检测电线电缆结构检测的项目与对象主要包括四个方面,分别为电线电缆断面检测、护层检测、绝缘线芯以及锁芯结构。
结构检测工作十分重要,是电线电缆外观尺寸检测项目的最终环节,在保证电线电缆尺寸标准方面有着十分重要的作用,完成外观尺寸检测工作才能保证电线电缆外观表面的整洁性和完整性。
2 电线电缆电气性能检测项目和方法衡量电线电缆产品质量的一个重要指标在于电气性能,对于电线电缆而言,电气性能能够直接影响乃至决定其使用寿命与使用水平。
通常情况下,电线电缆电气性能检测项目包括三个方面,分别为电线电缆的绝缘电阻检测、电压实验以及直流电阻检测。
2.1绝缘电阻检测绝缘电阻检测是电线电缆检测项目中最为关键的项目之一,电线电缆的电气性能在很大程度上受到绝缘电阻性能的影响。
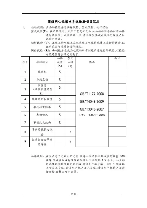
圆线同心绞架空导线检验项目汇总1、检验规则:产品的检验分为抽样试验、型式试验、例行试验型式试验(T):在产品设计、生产工艺变化之后.从抽样检验合格批中抽样进行的检验;试验只做一次.并且仅当其设计或工艺改变之后试验才重做。
抽样试验(S):在成品的电缆上或取至成品电缆的元件上进行的试验.以证明成品电缆符合设计规范。
例行试验(R):由制造方在成品电缆的所有制造长度进行的试验.以检验抽样规则:在生产完工之后出厂之前.从每一生产批中按成盘的数量10%抽样.从成盘或成卷绞线的距端头1米处取1.5米长;如全部的试样的检验项目全部合格.则该生产批合格;如有1项及以上项目不合格.则该生产批产品不合格.对该生产批的产品进行全检.合格品可以出货。
1、检验规则:产品的检验分为抽样试验、型式试验、例行试验型式试验(T):在产品设计、生产工艺变化之后.从抽样检验合格批中抽样进行的检验;试验只做一次.并且仅当其设计或工艺改变之后试验才重做。
抽样试验(S):在成品的电缆上或取至成品电缆的元件上进行的试验.以证明成品电缆符合设计规范。
例行试验(R):由制造方在成品电缆的所有制造长度进行的试验.以检验电缆是否符1、检验规则:产品的检验分为抽样试验、型式试验、例行试验型式试验(T):在产品设计、生产工艺变化之后.从抽样检验合格批中抽样进行的检验;试验只做一次.并且仅当其设计或工艺改变之后试验才重做。
抽样试验(S):在成品的电缆上或取至成品电缆的元件上进行的试验.以证明成品电缆符合设计规范。
例行试验(R):由制造方在成品电缆的所有制造长度进行的试验.以检验电缆是否符0.6/1kV交联电缆检验项目(标准:GB/T12706.1-2008)1检验规则:产品的检验分为抽样试验、型式试验、例行试验型式试验(T):在产品设计、生产工艺变化之后.从抽样检验合格批中抽样进行的检验;试验只做一次.并且仅当其设计或工艺改变之后试验才重做。
抽样试验(S):在成品的电缆上或取至成品电缆的元件上进行的试验.以证明成品电缆符合设计规范。
电线电缆检验与测试1. 引言电线电缆是电力传输和数据通信的重要组成部分,质量的稳定性和可靠性对于各种应用场景至关重要。
为了确保电线电缆的质量符合标准要求,进行定期的检验与测试是必不可少的工作。
本文将介绍电线电缆检验与测试的目的、方法和常见的测试项目,帮助读者理解和掌握这一重要的工作内容。
2. 检验与测试的目的电线电缆的检验与测试旨在确保其符合质量标准和安全要求。
具体目的包括:1.确保电线电缆的电气性能符合设计要求,如导体电阻、绝缘电阻、绝缘耐压试验等;2.检测电线电缆的物理性能,如外观、抗拉强度、耐磨损性等;3.验证电线电缆的环境适应性,如耐油性、耐酸碱性等;4.检查电线电缆的标志和标签是否完整和准确。
3. 检验与测试的方法3.1. 非损伤性检验方法非损伤性检验方法是一种无需破坏电线电缆外层绝缘层或导体的方法,通过观察和测量来评估电线电缆的性能和质量。
常见的非损伤性检验方法包括:•目视检查:检查电线电缆的外观是否完好,如有无破损、变形、污染等;•射线检测:利用射线对电线电缆进行透视检查,检测内部缺陷,如气孔、异物等;•声波检测:利用声波检测电线电缆的结构是否完整,如有无松动,导线是否断裂等。
3.2. 损伤性检验方法损伤性检验方法需要对电线电缆进行破坏,以获取更详细和准确的信息。
这些方法主要用于研究和分析电线电缆的内部结构和成分。
常见的损伤性检验方法包括:•剖面分析:将电线电缆切割后,在显微镜下观察其截面结构和材料组成;•化学分析:采用化学方法来分析电线电缆的组成成分和材料性质;•电子显微镜观察:使用电子显微镜来观察电线电缆的微观结构和缺陷。
3.3. 功能性测试方法功能性测试方法主要用于评估电线电缆在实际应用中的性能和可靠性。
这些方法包括:•绝缘电阻测试:通过测量电线电缆绝缘层的电阻值,评估其绝缘性能;•导体电阻测试:测量电线电缆导体的电阻值,判断其导电性能;•耐压试验:对电线电缆进行高电压测试,检查其绝缘层是否能够受得住电压的冲击;•耐磨损性测试:评估电线电缆外层绝缘层对于磨损和刮擦的抵抗能力;•环境适应性测试:模拟不同环境条件下的测试,如高温、低温、湿度等,评估电线电缆的适应性。
电线电缆的检测项目及检测方法分析作者:张庆美来源:《企业文化》2020年第08期摘要:在我国建设方面的快速发展中,电力身为其中一员,它也在随之变化,极大推动了电线电缆行业的发展。
不管在现在还是未来,电线电缆身为国民经济的一员,它也在给各行各业的兄弟姐妹提供发展支持。
有一句话说得好“哪里有建设,哪里就要用电线电缆”,这个市场是很大的,需要我们去建设基础设施,为我们的国家添姿添彩,我们要严格按标准检测,加大对电线电缆的要求,下面就为大家讲解一下电线电缆的检测项目和方法,让大家进一步了解电线电缆。
关键词:电线电缆;检测项目;检测方法中国电线电缆行业已经发展快三十年了,它是电力传播的主要工具,起着無可替代的作用,它作为一种介质材料,质量的好坏影响着用电安全,小到家家户户,大到国家的经济建设。
在当今这个社会中,电线电缆在电力这个行业中占着很大的比例,它是国民经济中最大的配套行业之一,其产品广泛应用于各行各业,小到身边的家具用电,大到汽车以及石油化工等工程,它在维持着现代经济社会正常运转的保障。
一、电线电缆的外观尺寸检验项目(一)外观检测我们知道在说起外观的时候,会想起“颜值”这个词,没错,电线电缆也不例外,它关系我们每个人的财产安全,我们要慎重选择,有的商家卖得贵,有的卖得便宜,我想说千万别在这个上面省钱,因为质量差的会给我们大家带来安全隐患。
其实电线电缆的生产技术含量不太高,所以会有便宜的、贵的,原因就是偷工减料了,或者是数量不够。
电线上标志,和衣服一样有牌子,我们要看它是否有认证标志,看它的制造商、厚度、外径、线径等;然后看它的包装,国标的电线做得比较好,看着就好看,摸着就舒服。
在打开包装后看一下,如果皮太厚就是非标了,那它的内芯肯定也不够,线皮使劲一拉,看一下会不会扯破,如果不会破就是国标的了。
(二)尺寸检测对于检测项目方面而言,我国是有专门的检测机构的,在电性能实验上有时候会发现电线电缆不符合规范,除了这个以外,还有它的外观尺寸上,也有很多不合格,这得引起我们的注意。
电缆检验内容
电缆检验主要包括以下内容:
1. 电线电缆外表检测:包括外观检测、尺寸检测、结构检测和标志检测。
外观检测主要检查护套的表面是否光滑平整,有无裂痕、毛刺、污斑等缺陷。
尺寸检测包括截面密度扇形高度厚度等检测内容。
结构检测是结合外观尺寸检测的最终检测。
标志检测是确认标志的耐擦和连续性,例如购买电缆的时候看到线体的标志模糊甚至缺失,有可能就是非标电缆。
2. 电线电缆电气性能检测:包括直流电阻检测、电压实验检测、工频耐压检测和机械性检测。
直流电阻是用来测试电线电缆的导电性能,也就是电阻值,对于电阻值国家有专门的标准。
电压检测是检测绝缘的电阻,为了避免绝缘材料以及结构在强烈的电磁场下被破坏,引起电缆损坏或发生火灾。
工频耐压检测通常采用交流电压检测,即检测电线电缆的工作电压,一般工频电压是工作电压的3-5倍。
机械性能检测多为拉力以及电缆的耐老化程度。
3. 电缆附件检测:包括电压互感器校验仪检定和电流互感器校验仪检定等。
以上信息仅供参考,如需获取更多详细信息,建议咨询专业电缆检验人员。
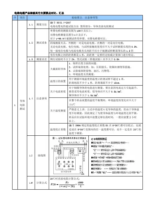
序项目检验要点、注意事项等1 导体电阻测试1.1 测量方法GB/T 3048.4-2007电线电缆电性能试验方法第四部分:导体直流电阻测试1.2 测试设备单臂电桥的测量范围为100Ω及以上;双臂电桥测量范围为1Ω及以下;对于1-99.9Ω被测试件用单臂、双臂电桥都可以。
四端测量夹具,外侧的一对是电流电极、内侧的一对是电位电极;无论电流电极、电位电极,与试样接触的宽度应不大于试样测量长度的0.5%。
每一端电位电极与电流电极夹头间距不应小于被测试样断面周长的1.5倍电位电极之间的距离都是1米,此距离一定要经过权威计量部门进行检定。
1.3 测量误差例行试验时不大于2%、型式试验(仲裁试验)应不大于0.5%1.4 注意事项大截面铝导体1、取样长度方面的问题。
2、试样端部处理,如:压铝接头、软铜丝缠绕等措施。
3、去除端部附着物、油污、污物等。
4、环境温度及其测量。
温度计的放置用于测量环境温度的温度计距离试样不超过1米,距离地面不少于1米,距离墙面不少于15cm。
关于电流密度对于细微导体的电阻进行测量,要注意因电流过大引起温升,推荐采用电流密度,铝导体应不大于0.5A/mm2,铜导体应不大于1.0A/mm2。
关于温度测量在整个样品放置的温度平衡期间,环境温度的变化应不大于±1℃严格意义上讲,公式中的温度t是导体的温度,但由于导体温度不好测量,因此规定了为使导体温度与环境温度达到平衡,样品应在试验环境中放置足够长的时间,一般应放置2小时以上。
温度校正系数GB/T 3956规定的温度校正系数Kt在5-35℃都可以校正,也就是说在5-35℃范围内的任一温度都可以,而不一定是在20℃的温度下测量。
1.5 接线图1.6 计算公式20℃时直流电阻计算公式:LtRxR1000)20(120⨯-+=α2 热收缩试验1.1 测量方法GB/T 2951.13-2008 电缆和光缆绝缘和护套材料通用试验方法1.2 测试设备电热烘箱 200℃游标卡尺或钢直尺分度值0.021.3 适用范围塑料绝缘和PE护套电线电缆产品1.4 测试目的测量塑料绝缘和PE护套在高温下的收缩率1.5 注意事项在进行绝缘热收缩试验时,有个时间要求,就是在截取试样到在试样上进行标记的时间,不超过5分钟。
电线电缆质量检测内容电线电缆产品质量检测的关键内容都有哪些呢?下⾯就由长江电缆⼩编详解⼀下吧。
1、导线直流电阻的测量:电线电缆的导电线芯主要传输电能或电信号。
导线的电阻是其电⽓性能的主要指标,通过此项的检查可以发现⽣产⼯艺中的某些缺陷,如导线断裂或其中部分单线断裂、导线截⾯不符合标准、产品的长度不正确等。
2、绝缘电阻的测试:绝缘电阻是反映电线电缆产品绝缘特性的主要指标,它反映了线缆产品承受电击穿或热击穿能⼒的⼤⼩。
测定绝缘电阻可以发现⼯艺中的缺陷,如绝缘⼲燥不透或护套损伤受潮;绝缘受到污染和有导电杂质混⼊;各种原因引起的绝缘层开裂等。
3、绝缘强度试验:电线电缆的绝缘强度是指绝缘结构和绝缘材料承受电场作⽤⽽不发⽣击穿破坏的能⼒。
绝缘强度试验可分为耐压试验和击穿试验,通过耐压试验可以考验产品在⼯作电压下运⾏的可靠性;击穿试验是在⼀定的试验条件下,升⾼电压直到试品发⽣击穿为⽌,测量击穿场强或击穿电压,通过击穿试验可以考核电缆承受电压的能⼒与⼯作电压之间的安全裕度。
4、电压实验:电线电缆的的绝缘强度取决于其绝缘结构与绝缘材料承受电场作⽤⽽不发⽣击穿破坏的能⼒。
为保证电线电缆的安全⼯作,⼀般要进⾏电压实验。
5、电线电缆尺⼨和外观的检测在进⾏电线电缆的检测过程中,对于尺⼨和外观的检测也是⾮常重要的。
电线电缆的外观决定了其带给⼈的第⼀印象,第⼀印象的好坏,也决定着是否对于这个电线电缆的质量的肯定。
在进⾏外观的检测上,要仔细的进⾏勘察,对于有裂缝,油污等影响电线电缆性能正常使⽤的瑕疵问题要及时的进⾏改正,以便能够留给⼈好的印象。
另外,在进⾏尺⼨的检测上,要尽可能的保证所检测的样品的厚度,⾼度,密度等符合检验的标准,符合的则为合格产品,反之则为不合格的产品。
电线电缆检测检测方案1. 简介电线电缆是现代社会不可或缺的基础设施,广泛应用于电力传输、通信传输和数据传输等领域。
然而,由于其使用环境的复杂性和长期工作的形式,电线电缆容易受到各种外界因素的影响而发生故障。
因此,对电线电缆进行定期的检测和维护是非常必要的。
本文将介绍一种电线电缆检测的通用方案,帮助用户进行电线电缆的可靠性检测和故障诊断。
2. 检测设备在电线电缆检测中,我们需要使用一些专门的设备来帮助进行测试和诊断。
以下是常用的电线电缆检测设备:2.1 电缆故障测试仪电缆故障测试仪是用来检测电缆故障位置和类型的设备。
它可以通过发送特定的电信号,并根据接收到的信号变化来确定故障的位置。
常见的电缆故障测试仪包括:时间域反射仪(TDR)和电缆局放测量仪。
2.2 电缆绝缘测试仪电缆绝缘测试仪可以用来检测电缆的绝缘性能。
它通过施加高电压测试电缆的绝缘强度来判断电缆的绝缘状况。
常见的电缆绝缘测试仪有:直流电阻测试仪和交流耐压测试仪。
2.3 电缆线束测试仪电缆线束测试仪主要用于测试电缆线束的连通性和良好性。
它可以通过检测线束的开路、短路、接地等情况,确定线束是否正常工作。
3. 检测步骤进行电线电缆检测的一般步骤如下:3.1 准备工作在进行电线电缆检测之前,需要对相关检测设备进行准备和校验。
确保设备的正常工作和准确性。
3.2 检测电缆的绝缘状况使用电缆绝缘测试仪对电缆的绝缘状况进行测试。
首先,将测试设备连接到待测电缆的两端,并设置测试仪的测试参数。
然后,对电缆施加高电压,观察测试仪的显示结果,以确定电缆的绝缘状况是否符合要求。
3.3 检测电缆的连通性使用电缆线束测试仪对电缆的连通性进行测试。
将测试设备连接到待测电缆的两端,观察测试仪的显示结果。
如果显示结果正常,则表示电缆的连通性良好;如果显示结果异常,则需要进一步检查和修复。
3.4 检测电缆的故障位置使用电缆故障测试仪对电缆的故障位置进行测试。
首先,将测试设备连接到待测电缆的一端,并设置测试仪的测试参数。
电缆检测标准及检测项目电缆是现代电力系统中不可或缺的基本设施之一、为确保电缆线路的安全运行和性能可靠,对电缆进行定期检测是非常重要的。
电缆检测标准主要有国家标准、行业标准和企业内部标准等。
其中,国家标准是指根据我国法律法规、行业规范以及技术规范制定的标准。
行业标准是指在特定行业内根据统一的技术和管理要求制定的标准。
企业内部标准是指企业根据自身实际情况和需求自行制定的标准。
电缆检测项目主要包括以下几个方面:1.外观检查:对电缆外皮进行检查,包括检查电缆是否存在划痕、裂纹或破损等情况。
2.绝缘电阻测试:通过测试电缆的绝缘电阻来评估其绝缘性能,以判断是否存在绝缘故障。
3.接地电阻测试:测试电缆的接地电阻,确认其是否符合相关标准要求,以确保安全接地。
4.电容测试:通过测试电缆的电容来评估其绝缘性能,判断是否存在漏电现象。
5.绝缘损耗测试:用来测试电缆在工作频率下的绝缘损耗,以判断其绝缘材料的质量是否符合要求。
6.绝缘强度测试:通过施加高压电源,测试电缆的绝缘强度,以判断其能否承受工作时的额定电压。
7.短路测试:通过施加短暂的过电压,检测电缆是否存在短路故障。
8.局放测试:通过监测电缆局部放电现象,评估电缆的绝缘状态,判断是否存在绝缘故障。
9.电阻测试:测试电缆导体的电阻,以判断导体的连接是否正常、导体是否断裂。
10.护套绝缘测试:测试电缆的护套绝缘质量,以确保护套能够起到保护电缆的作用。
11.功率因数测试:测试电缆的功率因数,以判断电缆的绝缘状态和电气性能。
以上仅是电缆检测的一些常见项目,具体的检测内容还会根据不同的电缆类型和实际情况而有所不同。
在进行电缆检测时,需要依据相应的标准和规范进行,确保检测结果准确、可靠。
类别检测项目仪器
结构尺寸投影仪、读数显微镜、游标卡尺
标志检查钢板尺
绝缘厚度读数显微镜或投影仪
导体电阻直流电阻电桥、欧兆计
绝缘电阻绝缘电阻测试仪、高绝缘漏电测试仪、恒温水浴锅
过渡电阻矿用电缆过渡电阻测试仪
表面漏放电试验泄漏电流测试仪
半导电屏蔽电阻率试验半导电橡塑材料体积电阻率测试仪
耐压(电压试验)高压试验台
线电缆进行工频浸水耐压试验绝缘耐压试验机
绝缘高温压力高温压力试验仪、高温压力试验装置(高温压力试验机)
导线拉断力试验拉力试验机
绝缘和护套老化前后的拉力试验老化箱、拉力试验机、投影仪、测厚仪
电线电缆滑脱力架空绝缘电缆粘附力试验仪
裸电线弯曲试验电线弯曲试验机
裸电线拉力试验拉力试验机
裸电线扭转试验扭转试验机
聚氯乙烯护套抗开裂试验抗开裂试验抗开裂试验装置
导体抗拉强度及伸长率线材((铜丝铜丝))伸长率试验机
低温冲击低温箱、冲击试验机
低温拉伸低温箱、拉力试验机、削片机、冲片机
低温卷绕低温卷绕试验机
电线耐磨电线耐磨试验机试验机
荷重断芯荷重断芯试验机
剥离扭绞剥离扭绞测试仪
电缆动静态曲挠曲挠试验仪
耐臭氧臭氧老化试验箱
绝缘和护套材料空气烘箱老化烘箱
绝缘和护套材料氧弹老化氧弹老化试验机
绝缘和护套材料空气弹老化空气弹老化试验机
热延伸热延伸试验烘箱
绝缘和护套热失重烘箱、万分之一天平
绝缘热稳定性试验热稳定性试验仪
电线电缆燃烧气体释放试验卤酸气体释出测定装置(卤素气体含量和酸度)
成束燃烧试验成束燃烧试验装置
电线电缆耐火试验耐火试验装置
单根电线电缆垂直燃烧试验(水平、垂直燃烧试验装置
成品及材料的有害物质限量测定产烟毒性试验装置
电线电缆燃烧烟密度测定电线电缆烟密度试验机
碳黑含量聚乙烯中碳黑和矿物质填料含量测定仪
聚乙烯塑料氧化诱导期氧化诱导期试验机
聚合物燃烧性能测试氧指数测定仪
聚乙烯塑料熔融体指数熔融指数仪
透水试验透水试验仪
吸水试验吸水试验装置
热冲击烘箱、卷绕装置
电线电缆耐溶剂性能测试精密恒温油浴,烘箱,拉力试验机
其他
结构
电力测试
箱体测试
力学测试
燃烧测试
化学分析
漆膜连续性漆膜连续性测试仪