Visio-节能干燥机电气原理图V1
- 格式:pdf
- 大小:285.88 KB
- 文档页数:8
电器及P L C控制技术电气原理图(总11页)-本页仅作为预览文档封面,使用时请删除本页-2《电器及PLC 控制技术》电气原理图一、三相异步电机的全压起动控制电路1、 电动机连续运转控制电路2、电动机的点动控制电路 (1)仅能点动控制的电路FR1L2L 3L 1L 2L 3L3(2)手动开关控制的点动、长动控制电路(3)控制按钮的复式触点控制的点动、长动控制电路FR1L 2L 3L SAFR1L 2L 3L4(4)中间继电器控制的点动、长动控制电路3、顺序起停控制电路(1)采用两个停止按钮的顺序起停控制电路FR1L 2L 3L KA1FR 1L 2L 3L 2KM 2FR5(2)采用一个停止按钮的顺序起停控制电路(3)采用时间继电器延时的顺序起停控制1FR 1L 2L 3L 2FR 2KM 1FR 1L 2L 3L 22KM 2FR4、可逆旋转控制电路1)手动按钮控制电路:(1)(2)KM2KM21L2L3LKM2KM21L2L3L6(3)2)自动循环控制前进后退1SQ2SQ3SQ4SQKM2KM21L2L3LKM1L2L3L7二、三相异步电机的减减压起动控制电路1、定子绕组串电阻减压起动控制电路2、星形——三角形减压起动控制KMFR1L2L3LFR1L2L3L83、变压器减压起动控制电路4、延边三角形减压起动控制电路FR1L2L3L1234KMFR1L2L3L910三、三相绕线式异步电动机的转子串电阻起动控制四、三相异步电动机的制动控制电路 1、三相异步电动机能耗制动控制电路KMFR1L 2L 3L FU 3KFR 1L 2L 3L FU2、三相异步电动机的反接制动控制3、三相异步电动机的电容制动控制1KM 1KM FR1SB 2SB 1FU 1KMn 2KM 2KM KSRFUQM 3~2KM FR1L 2L 3L 1KM 2KM Q1KM 1KM FR1SB 2SB 1L 2L 3L 1FU 2FU KT2KM 2KM 1KM M 3~1KM 1R 2KM 1KM KT2R C。
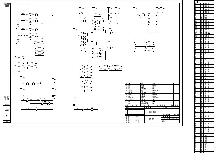
1)电气符号说明表代号名称型号规格数量安装位置备注BPQ 变频器NICE2000-E-A-4017 1 控制箱上机房1 BZ 抱闸线圈 AC220V1 主机链轮旁CS 接近开关 HS-CS12-N11-V050DL 电铃 UC□475 1 金属骨架内1 主驱动旁DT 电磁铁线圈 5N380V ACEAS 上梯级照明 AC220V20W绿色 1 上端金属架内下端金属架内EAX 下梯级照明 1EU 上部方向指示器TGF-100 1上部外盖板端头下部外盖板端头ED 下部方向指示器 TGF-100 12控制箱FU1、FU2 熔断器 6A控制箱1 FU3 熔断器 4A控制箱FU4、FU5、FU7 熔断器 2A3控制箱FU6 熔断器 0.5A1 GYM 故障显示译码板 XS-Ⅲ 1 控制箱K1 主电源开关 JFD11-40(KG41B) 1 控制箱C6 1 控制箱K2 照明电源开关 DZ47-631控制箱C403PK3 断路器 C45N1 控制箱KAQ 安全接触器 3TH40-31KBP 变频器输出接触器 3TB44-22 1 控制箱1 控制箱KPH 相序继电器 ABJ1-1221 控制箱KS 上行接触器 3TB44-22KX 下行接触器3TB44-22 1 控制箱1 控制箱KYX 运行接触器 3TB44-22KZD 制动接触器 3TB40-221 控制箱1 上机房M1 交流电动机 YFD160L2-6上机房M2 自动加油装置 1上右端头围裙板PGS 上故障显示盒 1下左端头围裙板PGX 下故障显示盒 1SC1 上左出入口开关LXW403D 1上左出入口围裙板内上右出入口围裙板内SC2 上右出入口开关 LXW403D 1下左出入口围裙板内SC3 下左出入口开关 LXW403D 1下右出入口围裙板内SC4 下右出入口开关 LXW403D 1SCL 驱动链断链开关 LXK3-20S/J 1 驱动链旁SF1 左扶手带断带开关 LXK3-20S/J 1 涨紧装置SF2 右扶手带断带开关 LXK3-20S/J 1 涨紧装置SDT 附加制动器检测开关TR236 1 主驱动旁手控检修装置SJS 检修上行按钮 1SJT 1 控制箱急停按钮 LA49-□□J/4 1 控制箱SJT2 上端急停按钮 LA□-720P 1 上右端头围裙板SJT 3 下端急停按钮 LA□-720P 1 下左端头围裙板SJT 4 分线箱急停按钮 LA49-□□J/4 1 下分线箱SJT 停止按钮 LA49-□□J/4 1 手控检修装置SJX 检修下行按钮 1手控检修装置上梳齿前沿板左下SS1 上左梳齿异常开关 UKS 1上梳齿前沿板右下SS2 上右梳齿异常开关 UKS 1下梳齿前沿板左下SS3 下左梳齿异常开关 UKS 1下梳齿前沿板右下SS4 下右梳齿异常开关 UKS 1STS 上梯级蹋陷开关 UKT 1 中上部STX 下梯级蹋陷开关 UKT 1 中下部SXY 下端钥匙开关 LA□-720Y 1 下左端头围裙板SYL 右梯级链断链开关 UKS 1 涨紧装置上左围裙板内侧SW1 上左围裙板开关 LXW403D 1上右围裙板内侧SW2 上右围裙板开关 LXW403D 1下左围裙板内侧SW3 下左围裙板开关 LXW403D 1下右围裙板内侧SW4 下右围裙板开关 LXW403D 1SZL 左梯级链断链开关 UKS 1 涨紧装置SZS 上正常-检修转换开关LA49-□□X/2 1 控制箱SZX 下正常-检修转换开关LA49-□□X/2 1 下分线箱1 控制箱TC1 电源变压器 TDB100-06TC2 电源变压器 TDB63-011 控制箱1控制箱TC3 开关电源 S-15-24V1 上部光电感应开关 BR5M-TDTL 1 上部围裙端头板V2 下部光电感应开关 BR5M-TDTL 1 下部围裙端头板控制箱1XAS 二芯插座 36V/10A下分线箱XAX 二芯插座 36V/10A1手控检修装置XJD 检修插头 1控制箱XJS 上检修插座 1下分线箱XJX 下检修插座 1控制箱XS 三芯插座 220V/10A1下分线箱1XX 三芯插座 220V/10A2)电气原理图3)电气接线图。
常用电器原理图与维修雷志远普通耳塞带录音耳塞RR L LRLGR L GR L G普通电风扇原理图调速装置等效电路C 安全装置定时装置调速装置电动机匹配电容BR1D51N4007T 113001T 213001D61N4007R6R5C 1L12-3TL310-15TL22-3TL4荧光台灯电路图R2R3R7R4R9C 3C 4C 5C 6C 2D21N4007D11N4007D41N4007D31N4007灯管B荧光节能台灯原理与维修电子节能灯具有低电压启辉、无频闪、无噪音、高效节能、开灯瞬间即亮、使用寿命长(3000小时以上,为普通白炽灯的3倍多)等优点,很受消费者的欢迎(尤其在电源电压波动频繁的地区)。
电子节能灯有玻罩型和裸露型。
玻罩型又有球型、球柱型、工艺型等三个系列,前两个系列均有全透明、刻花、彩色刻花和乳白色4个品种。
它具有外形美观、安装时不易损坏灯管、耐碰撞等优点;裸露型则有H型、UH型、3U型、4U型、2D型及螺旋型等。
按发光的颜色分,则可分为红、绿、蓝、黄(色温为2700K,属暖色光,类似于白炽灯的光色)、白(色温以6400K居多,属冷色光,类似于日光灯的光色);而色温为5000K的灯管因光色接近于自然光,对眼睛无刺激,更适合于学生和精细工作。
本文介绍的电子节能灯电路见图1,印板图见图2。
该电路已加有软启动(灯丝预热)电路,可延长灯管寿命。
多应用于护目灯和外销灯具中。
【荧光节能台灯原理】对于电路工作原理,分析如下:R1、R5、R6为三极管T2的启动电阻。
电源接通后,T2饱和导通,300V电源经C5、灯丝、变压器L4、L3,三极管T2、T2发射极电阻R6、地,给C5充电。
充电后期,由于有电流流经L3,L1、L2、L3又绕在同一个铁心上,故L2、L1产生感应电压,L2感应电压上负下正,促使T2由饱和进入截止状态,而L1则上正下负,促使T1由截止进入保和导通状态。
T2截止后,T1饱和导通。
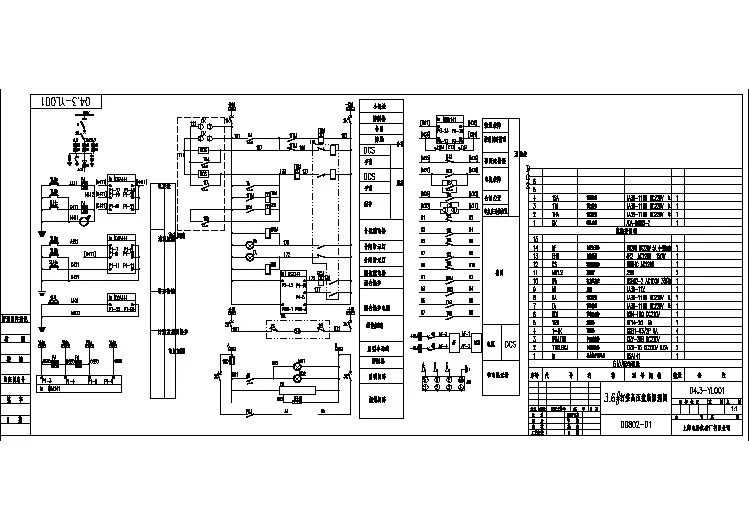
A B C D E FABCDEF编辑者栏 X:一自动生成的页被手工修改增补页字段目录日期页面描述yusnfengF06_002X 页/1X111封面28.09.2012/2LENOVO目录 : /1 - /2310.05.2013/3LENOVO主回路10.05.2013/4LENOVO主回路10.05.2013/5LENOVO直流电源10.05.2013/6LENOVO吨包平台电磁阀10.05.2013/7LENOVOPLC信号输入10.05.2013/8LENOVOPLC信号输入10.05.2013/9LENOVOPLC信号输出10.05.2013/10LENOVOPLC信号输出10.05.2013/11LENOVOPLC模拟量输入10.05.2013/12LENOVOPLC扩展模块输出10.05.2013/13LENOVOPLC扩展模块输入10.05.2013/14LENOVO吨包放大器接线板10.05.2013/15LENOVO电子称放大器接线图10.05.2013/16LENOVO触摸屏通讯10.05.2013/17LENOVOCPU224总览图09.05.2013/18LENOVO模块总览图09.05.2013/19LENOVO端子接线图09.05.2013/20LENOVO安装板图09.05.2013/21LENOVO面板安装图09.05.2013/22LENOVO部件汇总表10.05.2013X/23LENOVO部件汇总表10.05.2013XB C D E FBCDEF 数量名称序号标识符部件型号制造商备注S7-200,水平导轨1A16ES7 214-1BD23-OXB8西门子14输入/10输出继电器 长度 = 120.5 mm1CTSC-2001A2CTS7231-7HB32深圳合信模拟量输入,2输入16位高精度 长度 = 71 mm2S7-200,水平导轨1A36ES7 222-1HF22-OXA8西门子数字量输出8 继电器 长度 = 46 mm3CTSC-2001A4CTS7221-1BF32深圳合信8路数字量输入 长度 = 46 mm4光电开关(NO)1B1MR-30X台湾阳明15-34VDC, 带电缆(1.5 m),直接反射式,NPN, 检测距离30 mm5高精度放大器1BP1高精度放大器蚌埠天光24V供电,4路传感器输入 0-5V输出6称重控制器1BP2NO.0021三冠15V供电,2路放大器7开关电源1G1NES-150-24明伟单相150W; 输出24VDC,电流6.5A; 频率 (Hz):50/60;8开关电源1G2RS-150-±15明伟单相100W; 输出±15VDC,电流5A; 频率 (Hz):50/60;9绿色圆形指示灯1H1ND16-22 DS GREEN正泰工作电压 DC 24V 安装孔Φ22 颜色:绿色10小型电磁继电器5KA1...KA5JZX-22F/4Z 24VDC正泰小型中间继电器 线圈24VDC 4组转换11阻旋料位开关1KL1HZX-HF 220V DN65南京汇讯安装孔Φ6512接触器2KM1;KM2CJX2-1210正泰AC-3,5.5kW/400V,1常开触点,230V 50/60Hz13小型断路器1QF1DZ47-60 3P D20正泰 3 极,20 A,脱扣特性 D,DIN 导轨安装14马达保护开关2QF2;QF5DZ108-20 1-1.6A正泰设置范围 1-1.6A, 常开触点 + 1 常闭触点, 通过两个按钮开关15小型断路器1QF3DZ47-60 2P D6正泰 2 极,6 A,脱扣特性 D,DIN 导轨安装16马达保护开关1QF4DZ108-20 4-6.3A正泰设置范围 4-6.3A, 常开触点 + 1 常闭触点, 通过两个按钮开关17急停按钮1S1LAY 3-11 M/4正泰急停按钮 蘑菇头式,1NO,1NC 红色18行程开关1S2YBLX-ME/8101正泰短小型行程开关19按钮开关3S3;S10;S12NP2-BA35正泰按钮开关,自复平钮,绿色,1NO 1NC20按钮开关3S4;S11;S13NP2-BA45正泰按钮开关,自复平钮,红色,1NO 1NC21旋钮开关1S5NP2-BD25正泰2位置锁定,1NO,1NC22行程开关4S6...S9YBLX-P1/120/10正泰滚轮行程开关23固态继电器3SSR1...SSR3SSR-3-480D20无锡三星电器AC-3,2kW/480V/20A,控制3-36V DC247"显示器1TPC TK7062KW串口 1×RS232、1×RS485 USB 1主1从 以太网 无 尺寸192mm×138mm25昆仑通泰航空插座,4 极3X1;X2;X4WS16K4ZG4极航空插座,和WS16J4TQ插头配套26航空插头,4 极3X1;X2;X4WS16J4TQ4极航空插头,和WS16K4ZG插座配套27B C D E FBCDEF 数量名称序号标识符部件型号制造商备注航空插头,7 极1X3WS16J7TQ7极航空插头,和WS16K7ZG插座配套28航空插座,7 极1X3WS16K7ZG7极航空插座,和WS16J7TQ插头配套299极D行插头(母)2XP1;XP39极D行插头(母)9极D行插头(母)309极D行插头(公)1XP49极D行插头(公)9极D行插头(公)31终端固定件5XT1...XT3SKJ-2G2施米斯终支架, 颜色:灰色32终端隔板3XT1...XT3SKJ-G(DUK)施米斯终端盖, 颜色:灰色33带螺栓连接点的通用端子4XT1SKJ-10施米斯灰色 截面积:0.5-16 mm²,宽度:10.2 mm34带螺栓连接点的通用端子55XT1...XT3SKJ-4灰色 截面积:0.2-6 mm²,宽度:6.2 mm35施米斯电控柜1ZC2600*1600*400控制柜 宽度600, 高度1600, 厚400,36。
「44个必备电气原理图」手里有图,心里不慌,建议收藏备用!1. 三相异步电动机正反转控制电路2.双重互锁控制电路3.三相电动机行程控制电路4.三相异步电动机的时间控制电路(延时控制电路)5.三相异步电动机的制动控制电路(电磁抱闸制动电路、反接制动控制电路、能耗制动控制电路)5.1三相异步电动机的制动控制电路5.2三相异步电动机的制动控制电路6.并联型直流稳压电源电路7.串联型直流稳压电源电路零基础学电工从入门到精通电工书籍自学彩图新编实用电工手册书建筑工程资料库458.三端可调式直流稳压电源电路9.正、负直流稳压电源电路10.短路全保护声光报警直流稳压电源电路11.电流测量电路(测量交流大电流12.电压测量电路(测量交流高电压)13.单相有功电能表测量电路14.三相有功电能表直入式接线图15.信号发生器电路原理图16.C620型车床电气控制电路17.M7120型平面磨床控制电路18.Z35型摇臂钻床控制电路19.X62W型万能铣床控制电路20.T68型卧式镗床控制电路21.电力传输过程示意图22.企业变配电一次电路图23.低压二次接线原理图24.1单相电源三相交流电动机无级调速电路25.超声波遥控电动机调速电路26.直流电动机电枢电压调速电路(点击关注☞建筑10大技术类公众号)27.定时调光微光控制照明节电电路28.1喷漆机械手的定位控制电路(步进顺序控制器)28.2喷漆机械手的定位控制电路(步进顺序控制器)29.1家用多路红外遥控电路29.2家用多路红外遥控电路30.1超声波遥控电路30.2超声波遥控电路31.1无线电遥控报警电路31.2无线电遥控报警电路32.超声波检测电路33.人体红外探测器电路34.1六管超外差式晶体管收音机电路原理图34.2六管超外差式晶体管收音机电路原理图34.3六管超外差式晶体管收音机电路原理图35.光控电灯节电电路36.声控节电开关电路37.集光、磁、触摸为一体的节电控制电路(照明开关控制电路)38.气体烟雾检测报警器电路图39.湿度测量报警器电路图40.汽车防盗报警器电路图41.机器人自动控制系统42.机器人无线遥控电路(以遥控距离为1000m的三通道IC型无线遥控器为例)43.传输自动线堵料监视电路44.自动生产线断料监视电路(点击关注☞建筑10大技术类公众号)。