屏蔽电缆生产厂家
- 格式:docx
- 大小:330.45 KB
- 文档页数:3
10kV环网柜电缆T型连接头使用中应注意的问题张东斐1都志军2(1.天津市电力公司;2.城南供电分公司)摘要结合天津地区实际,对近年大量使用的10kV环网柜电缆T型连接头绝缘护套选型、电缆屏蔽断口应力处理方法作了论述,提出了小型环网柜使用三芯大截面电缆时T型连接头安装应注意的几个问题。
关键词T型连接头选型安装1引言自2003年以来,随着10kV环网柜的大量使用,相应配套使用了大量电缆T型连接头。
对于这种新型电缆附件,目前在选型、安装和运行中还存在一些问题,本文结合天津地区10kV环网柜电缆T型连接头的发展和使用提出一些看法,供大家参考。
2T型绝缘增强护套的选型T型绝缘增强护套是10kV环网柜电缆T型连接头的重要组成部件,是在工厂预制而成的。
它的作用是增强高压带电导体相间及对地(箱体外壳)绝缘,防止高压带电导体直接裸露在空气中,以弥补环网柜相间及对地空气距离不足的弱点;同时,T型绝缘增强护套覆盖出线套管表面,防止套管表面发生沿面闪络。
目前常用的T型绝缘增强护套有两种类型,即屏蔽型(可触摸型)和非屏蔽型(不可触摸型)。
二者作用基本相当,区别之处在于有无内、外屏蔽层。
非屏蔽型既无内屏蔽,又无外屏蔽,只有绝缘层。
对屏蔽型来说,比绝缘型多了内、外两层屏蔽。
内屏蔽层采用半导电橡胶硫化成型,与绝缘层复合成一体。
它的作用是使电缆导体连接处的空气隙处于等电位下,防止接线端子表面尖锐处因电场畸变而发生电晕放电。
外屏蔽(运行时接地)使护套外表面保持零电位,带电可触摸,无需考虑对外部屏蔽的安全距离。
理论和实践都证明,不论绝缘型,还是屏蔽型,都能满足电缆头与环网柜出线套管安全连接的需要。
但二者的区别还是很明显的。
绝缘型在运行中外表面是不接地的,有悬浮电位,相间或与任何接地体都必须保持一定的空气距离,它实际上是橡胶绝缘层(一般为硅橡胶或三元乙丙橡胶)与空气的复合绝缘。
屏蔽型最大的优点是可有效防止人员误碰而发生触电。
在天津地区,10kV环网柜大都安装在箱式变电站中,环网柜电缆连接间隔都有后盖,且与接地刀闸有机械连锁,在不停电、接地刀闸不合入的情况下,后盖是打不开的。
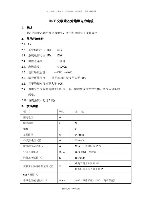
10kV交联聚乙烯绝缘电力电缆1.概述kV交联聚乙烯绝缘电力电缆,适用配电网或工业装置中。
2.使用环境条件2.1.kV2.2.系统标称电压〔U〕:10kV2.3.系统最高电压〔Um〕: 12kV2.4.中性点连接:不接地2.5.海拔高度:≤4000m2.6.运行环境温度:—15℃~+40℃2.7.运行环境湿度:日平均相对湿度不大于 95%2.8.月平均相对湿度不大于 90%2.9.周围空气没有明显地受到尘埃、烟、腐蚀性或可燃性气体、蒸汽或盐雾的污染;2.10.地震强度不超过8度;3.技术参数附表:导体的直流电阻4.结构导体采用多股圆形软铜线绞合紧压成导体,外表光滑、无油污、毛刺,其组成、性能和外观应符合3956标准的规定,紧压系数不小于0.90。
导体直流电阻符合GB/T12706标准要求。
导体屏蔽导体屏蔽应为挤包的交联型半导电层;半导电层应均匀地包覆在导体上,外表应光滑,无明显绞线凸纹,不应有尖角、颗粒、烧焦和擦伤的痕迹。
绝缘绝缘应采用交联聚乙烯材料(XLPE型),挤包紧密,外表平整,其性能应符合IEC 60502标准。
绝缘标称厚度为,绝缘平均值应不小于标称厚度。
绝缘最薄点的厚度应不小于其标称值的90% mm。
绝缘偏心度不大于10%。
4.4 绝缘屏蔽导体绝缘屏蔽层应为不可剥离的挤包半导电层,半导电层应均匀地包覆在绝缘外表;半导电层外表应光滑,不应有尖角、颗粒、烧焦和擦伤的痕迹。
导体屏蔽、绝缘、绝缘屏蔽应采用干式、三层共挤的方式生产。
金属屏蔽金属屏蔽采用铜带屏蔽或者铜带加铜丝疏绕屏蔽的复合屏蔽结构。
铜带屏蔽采用一层软铜带重叠绕包。
三芯电缆的屏蔽铜带标称厚度不小于。
铜丝屏蔽根据短路电流的大小,选择不同的铜丝截面:16mm2、25mm2、35mm2、50mm2,采用疏绕铜丝,其相邻两根铜丝之间最大的间隙应不大于8mm,平均间隙不大于4mm。
铜丝疏绕屏蔽在铜丝外面间隙绕包一层标称厚度不小于的反向铜带扎紧。
馈线知识全掌握,教您辨别如何选择适合⾃⼰的馈线馈线知识全掌握,教您辨别如何选择适合⾃⼰的馈线⼀、实⼼聚⼄烯和发泡聚⼄烯到底有什么却别?市场上各种馈线种类繁多,下⾯具体说⼀下实⼼聚⼄烯和发泡聚⼄烯的区别,两种电缆的特性。
实⼼聚⼄烯编号SYV发泡聚⼄烯编号SYWV(或者SYFV)1、绝缘层物理特性不同:SYV是100%聚⼄烯填充,介电常数ε=2.2-2.4左右;⽽SYWV也是聚⼄烯填充,但充有80%的氮⽓⽓泡,聚⼄烯只含有20%,宏观平均介电常数ε=1.4左右;ε=εˊ+jε",其中,ε"为损耗项,空⽓的ε"基本为“0”,这⼀⼯艺成就于90年代,它有效降低了同轴电缆的介电损耗;2、芯线直径不同:以50-5为例,由于-5电缆结构标准规定,绝缘层外径(即屏蔽层内径)是4.8mm,不能改变,为了保证50Ω的特性阻抗,⽽特性阻抗只与内外导体直径⽐和绝缘层的介电常数ε⼤⼩有关,ε⼤芯线细,ε⼩芯线粗,芯线直径:SYWV是1.66mm;⽽SYV 只有1.37mm。
3. 上述两项根本区别,决定了两种电缆的传输特性——传输衰减不同,SYV电缆是最早期的同轴电缆,在⼏⼗上百年时间⾥⼀直⽤它传输,包括传输射频信号;但后来当SYWV出现后,射频以上波段就很少应⽤SYV了。
因为⾼频衰减差别太⼤了;慢慢的SYV就基本上主要⽤在监控视频传输上了,也就把这种射频电缆的“元⽼”,改称为“视频电缆”了。
但这绝不等于说:SYV“视频电缆”的视频传输特性⽐SYWV好,实际刚好相反,SYWV的视频传输特性也全⾯优于SYV电缆。
这⽅⾯的误解很普遍,且我国南⽅⽐北⽅的误解要严重,认为传输视频信号,“必须⽤视频电缆”。
实测1000⽶电缆视频传输性能,SYWV75-5/64编电缆:0.5M—5.15db,6M—19.12db;国标优质SYV75-5/96编电缆:0.5M—6.43db,6M—21.76db(相同编⽹结构电缆衰减⽐发泡电缆⼤3db——即⼤1.4倍以上),有⼀个还挺有名的⼚家产品,SYV75-5/128编电缆,6M—25.22db,衰减⽐发泡电缆⼤6db以上——即⼤2倍多);以50Ω电缆为例,标准400MHZ的衰减常数:SYV 50-5 衰减常数为19.21dB/100m , ⽽SYWV 50-5衰减常数为13.9dB/100m;SYV 50-7 衰减常数为15.26dB/100m , ⽽SYWV 50-7衰减常数为9.0dB/100m。
铁路电缆外护套耐压试验规程
非金属护套进行直流耐的试验电压是参照例行试验,也就是出厂试验的试验电压值由生产厂家和用户双方协商决定,试验电压值为电缆屏蔽与地之间加25kV直流电压,耐压1min。
对外护套厚度大于等于2.5mm的电缆,在电缆屏蔽与地之间加10kV直流电压,耐压1min。
因此在电缆屏蔽与地之间加10kV 负极性直流电压,耐压1min也就成为国内用户流行的外护套耐压试验标准。
这--试验足以检测严重的外护套损伤。
注意,在外护层受损伤修复后,也要重复此试验。
保证上述试验成功的前提条件是电缆外护套的外表面与地接触良好。
在外护套的外表面加导电石墨层是有效的办法。
没有导电石墨层的电缆敷设在电缆沟或管道中,做此项试验就比较麻烦。
例如可以往电缆沟内充水作为地极。
电缆外保护套对保障高压电缆的安全运行发挥着极大作用,应从电缆外保护套接地故障的类型等进行仔细分析与耐压试验。
变频电缆和电力电缆的区别1.用途:变频电缆是电源和变频电机之间的连接线也是传输电能的导线,电力电缆更是传出电能的,从这方面两种电缆是相同的。
2.干扰性:变频器专用电缆具有良好的抗干扰性,使得变频电机传输电能时能够稳定传输而不会受到干扰同时也不会干扰到其它设备的运行,而普通电力电缆就没有这些性能,这些是取决于电缆的内部结构,3.电压:变频电缆的使用电压一般为:0.6/1KV,6/10KV,8.7/16KV电力电缆的电压和变频电缆的电压大体相同。
电力电缆的电压有超高压,变频电缆一般使用电压是中压和低压。
4.结构:变频电缆的芯线结构是平行排列,绝缘采用高强度挤出式并且每根单独芯线上采用不同要求的屏蔽层,在芯线排列好后还要根据要求和使用环境来加上又一层的屏蔽,最后是电缆的护套,电力电缆的结构就是采用普通挤压挤出芯线,单芯不带屏蔽。
5.型号:变频电缆的型号可分为很多:BP-YJVP BP-YJLVBP-YJVP1-2 BP-YJGP2 BP-YJVP3 BP-YJLVP1-2 BP-YJGRP 等等,还有些电缆厂家自己厂内型号参差不齐。
电缆电缆是通用型号。
也是由于国内现在没有关于变频电缆的有关标准,所以大部分是根据电力电缆的标准来生产的,还有就是结合国外标准,来达到变频电机的正常使用。
结构和芯数:变频电缆和电力电缆在芯数上大致相同也要根据设计院的图纸来设计的,不过变频电缆通常可以用3芯电缆。
执行标准本产品按企业标准制造。
Executive standardIt is manufactured according Standard.产品用途本产品适用于交流额定电压0.6/1kV及以下要求频繁及耐油的场合作动力装置或移动照明的电力传输。
ApplicationIt is suitable for electricity transmission as motire power device or migration light with rated voltage up to 0.6/1kV or lower the demand of occasion is frequenty more and resisant to grease.型号及名称Type and Designation一、额定电压0.6/1KV及以下聚氯乙烯绝缘电力电缆1、执行标准:GB12706.1-20022、主要用途:用于固定敷设额定电压1KV及以下输配电线路作输送电能用。
环网柜电缆T型连接头应用1引言自2003年以来,随着10kV环网柜的大量使用,相应配套使用了大量电缆T型连接头。
对于这种新型电缆附件,目前在选型、安装和运行中还存在一些问题,本文结合天津地区10kV环网柜电缆T型连接头的发展和使用提出一些看法,供大家参考。
2T型绝缘增强护套的选型T型绝缘增强护套是10kV环网柜电缆T型连接头的重要组成部件,是在工厂预制而成的。
它的作用是增强高压带电导体相间及对地(箱体外壳)绝缘,防止高压带电导体直接裸露在空气中,以弥补环网柜相间及对地空气距离不足的弱点;同时,T型绝缘增强护套覆盖出线套管表面,防止套管表面发生沿面闪络。
目前常用的T型绝缘增强护套有两种类型,即屏蔽型(可触摸型)和非屏蔽型(不可触摸型)。
二者作用基本相当,区别之处在于有无内、外屏蔽层。
非屏蔽型既无内屏蔽,又无外屏蔽,只有绝缘层。
对屏蔽型来说,比绝缘型多了内、外两层屏蔽。
内屏蔽层采用半导电橡胶硫化成型,与绝缘层复合成一体。
它的作用是使电缆导体连接处的空气隙处于等电位下,防止接线端子表面尖锐处因电场畸变而发生电晕放电。
外屏蔽(运行时接地)使护套外表面保持零电位,带电可触摸,无需考虑对外部屏蔽的安全距离。
理论和实践都证明,不论绝缘型,还是屏蔽型,都能满足电缆头与环网柜出线套管安全连接的需要。
但二者的区别还是很明显的。
绝缘型在运行中外表面是不接地的,有悬浮电位,相间或与任何接地体都必须保持一定的空气距离,它实际上是橡胶绝缘层(一般为硅橡胶或三元乙丙橡胶)与空气的复合绝缘。
屏蔽型最大的优点是可有效防止人员误碰而发生触电。
在天津地区,10kV环网柜大都安装在箱式变电站中,环网柜电缆连接间隔都有后盖,且与接地刀闸有机械连锁,在不停电、接地刀闸不合入的情况下,后盖是打不开的。
因此,屏蔽型可防止人员误碰而发生触电这一优点意义不大。
而如果使用屏蔽型,倒有以下问题需要考虑。
一是制造成本高;二是在不拆除T型连接头情况下进行电缆试验和查找故障时,从后堵盖引出的试验设备引线与外屏蔽距离不够,必须使用专用试验端子与试验引线连接;三是绝缘层内外都有屏蔽,如果绝缘层中有杂质或气泡,极易造成击穿;四是后堵盖与绝缘层间形成一界面,如果处理不好,可能造成沿此界面的爬闪。
号:VV,VV22,VVP,YJVP,VLV,YJLV,VLV22,VV23,VV32,VV42,YJV32,YJV42,KVV,KV V22,KVV32,KVVP,KVVP2,KVVP22,KVVP2-22,KVVRP,KVVRP22,YC,YCW,YZ,YZW, YH,YHF,YHD,MY,MYP,MZ,MZP,MC,MCP,MCPT,MCPTJ,MYPTJ,MYQ,MVV,MVV22,MV V32,MYJV,MYJV22,MKVV,MKVV22,MKVVP,MKVVRP,MKVV32,MKVVP22,MHYV, MHYVR,MHY32,MHYVP,MHYVRP代号含义:执行标准:GB JB MA CCC QS其它别称:电力电缆型号:VV VV22 YJV YJV22 VVP YJVP (1-5)*(1.5-400)及(3-4)*(2.5-300)+(1-2)*(1.5-150)规格:单芯,双芯,三芯,四芯,五芯(1-5)*(1.5-400)标称面积(平方毫米):1.5,2.5,4,6,10,16,25,35,50,70,95,120,150,185,240,300,4003×2.5+1×1.5 3×4+1×2.5 3×6+1×4 3×10+1×6 3×16+1×10 3×25+1×16 3×35+1×16 3×50+1×25 3×70+1×353×95+1×50 3×120+1×70 3×150+1×70 3×185+1×95 3×240+1×120 3×300+1×1503×2.5+2×1.5 3×4+2×2.5 3×6+2×4 3×10+2×6 3×16+2×10 3×25+2×16 3×35+2×16 3×50+2×25 3×70+2×353×95+2×50 3×120+2×70 3×150+2×70 3×185+2×95 3×240+2×120 3×300+2×1504×2.5+1×1.5 4×4+1×2.5 4×6+1×4 4×10+1×6 4×16+1×10 4×25+1×16 4×35+1×16 4×50+1×25 4×70+1×354×95+1×50 4×120+1×70 4×150+1×70 4×185+1×95 4×240+1×120 4×300+1×150控制电缆型号:KVV KVV22 KVVP KVVP2 KVVP2-22 KVVP22 (2 -37)*(0.75-10)规格:(2-37)*0.75 (2-37)*1.0 (2-37)*1.5 (2-37)*2.5 (2-37)*4 (2-37)*6 (2-37)*10重型橡套软电缆型号: YC YCW单芯,双芯,三芯,四芯,五芯(1-5)*(1.0-400)标称面积(平方毫米):1.0,1.5,2.5,4,6,10,16,25,35,50,70,95,120,150,185,240,300,4002*1+1*1 3*1+1*1 3*1+2*1 4*1+1*12*1.5+1*1 3*1.5+1*1 3*1.5+2*1 4*1.5+1*12*2.5+1*1.5 3*2.5+1*1.5 3*2.5+2*1.5 4*2.5+1*1.52*4+1*2.5 3*4+1*2.5 3*4+2*2.5 4*4+1*2.52*6+1*4 3*6+1*4 3*6+2*4 4*6+1*42*10+1*6 3*10+1*6 3*10+2*6 4*10+1*62*16+1*6 3*16+1*6 3*16+2*6 4*16+1*62*25+1*10 3*25+1*10 3*25+2*10 4*25+1*102*35+1*10 3*35+1*10 3*35+2*10 4*35+1*102*50+1*16 3*50+1*16 3*50+2*16 4*50+1*162*70+1*25 3*70+1*25 3*70+2*25 4*70+1*252*95+1*35 3*95+1*35 3*95+2*35 4*95+1*352*120+1*35 3*120+1*35 3*120+2*35 4*120+1*352*150+1*50 3*150+1*50 3*150+2*50 4*150+1*502*185+1*50 3*185+1*50 3*185+2*50 4*185+1*502*240+1*70 3*240+1*70 3*240+2*70 4*240+1*702*300+1*95 3*300+1*95 3*300+2*95 4*300+1*952*400+1*95 3*400+1*95 3*400+2*95 4*400+1*95中型橡套软电缆型号: YZ YZW规格:单芯,双芯,三芯,四芯,五芯,六芯(1-6)*(0.75 -6)MM2标称面积(平方毫米):1.0,1.5,2.5,4,63*1+1 4*1+13*1.5+1 4*1.5+13*2.5+1.5 4*2.5+1.53*4+2.5 4*4+2.53*6+4 4*6+4防水电缆型号:JHS JHSB规格:单芯,双芯,三芯(1-3)*(1.5-400)标称面积(平方毫米):1.5,2.5,4,6,10,16,25,35,50,70,95,120,150,185,240,300,4003*1+1*1 3*1.5+1*1 3*2.5+1*1.5 3*4+1*2.5 3*6+1*4 3*1 0+1*6 3*16+1*6 3*25+1*10 3*35+1*103*50+1*16 3*70+1*25 3*95+1*35 3*120+1*35 3*150+1*50 3*185+1*50 3*240+1*70 3*300+1*953*400+1*95采掘机电缆型号:UGF UGFP UGEFP规格:3*6 3*10 3*16 3*25 3*35 3*50 3*70 3*95 3* 1203*6+1*6 3*10+1*10 3*16+1*16 3*25+1*16 3*35+1*16 3*50+1*16 3*70+1*25 3*95+1*35采煤机电缆型号:MC MCP MY MYP规格:3*4+1*4 3*35+1*6+3*2.5 3*70+1*16+3*43*6+1*6 3*35+1*6+4*2.5 3*70+1*16+4*43*10+1*10 3*35+1*6+3*4 3*70+1*16+3*63*16+1*10 3*35+1*6+4*4 3*70+1*16+4*63*25+1*16 3*35+1*6+3*6 3*95+1*25+3*43*35+1*16 3*35+1*6+4*6 3*95+1*25+4*43*50+1*16 3*50+1*10+3*2.5 3*95+1*25+3*63*70+1*25 3*50+1*10+4*2.5 3*95+1*25+4*63*95+1*25 3*50+1*10+7*2.5 3*95+1*25+3*103*120+1*35 3*50+1*10+3*4 3*95+1*25+4*103*150+1*50 3*50+1*10+4*43*185+1*70 3*50+1*10+3*63*240+1*95 3*50+1*10+4*63*16+1*4+3*2.53*25+1*6+4*2.53*35+1*6+4*43*50+1*10+4*4煤矿用监视移动软的电缆型号:MYPTJ规格:3*25+3*16/3+3*2.53*35+3*16/3+3*2.53*50+3*16/3+3*2.53*50+3*25/3+3*2.53*70+3*16/3+3*2.53*70+3*25/3+3*2.53*70+3*35/3+3*2.53*95+3*35/3+3*2.53*95+3*50/3+3*2.535KV及以下中低压交联电力电缆型号:YJV YJV22 YJV32 YJV 42 MYJV MYJV22 MYJV32 MYJV42规格:YJV 1*25 YJV22 3*25YJV 1*35 YJV22 3*35YJV 1*50 YJV22 3*50YJV 1*70 YJV22 3*70YJV 1*95 YJV22 3*95YJV 1*120 YJV22 3*120YJV 1*150 YJV22 3*150YJV 1*185 YJV22 3*185YJV 1*240 YJV22 3*240YJV 1*300 YJV22 3*300YJV 3*25YJV 3*35YJV 3*50YJV 3*70YJV 3*95YJV 3*120YJV 3*150YJV 3*185YJV 3*240YJV 3*300煤矿用电缆型号及规格MA编号产品名称产品型号MIA040246煤矿用移动屏蔽橡套软电缆MYP-0.38/0.66 (4~70)mm2 MIA04024 6 煤矿用移动屏蔽橡套软电缆MYP-0.66/1.14 (10~95)mm2MIA04024 7 采煤机屏蔽橡套软电缆MCP-0.38/0.66 (16~50)mm2MIA04024 7 采煤机屏蔽橡套软电缆MCP-0.66/1.14 (35~95)mm2MIA040248煤矿用移动橡套软电缆MY-0.38/0.66 (4~70)mm2MIA040249采煤机橡套软电缆MC-0.38/0.66 (16~50)mm2MIA0 4025 0 煤矿用移动金属屏蔽监视型橡套软电缆MYPTJ-3.6/6 (25~50)mm2MIA040251煤矿用电钻橡套电缆MZ-0.3/0.5 (2.5~4)mm2MIA040252煤矿用电钻屏蔽橡套电缆MZP-0.3/0.5 (2.5~4)mm2MIA0 8014 3 煤矿用聚氯乙烯绝缘聚氯乙烯护套控制电缆MKVV-450/750 (2~14)×(4~6)mm2MIA0 8014煤矿用聚氯乙烯绝缘聚氯乙烯护套控制电缆MKVV-450/750 (2~37)×(0.75~2.5)mm23MIA0 8014 4 煤矿用聚氯乙烯绝缘聚氯乙烯护套编织屏蔽钢带铠装控制电缆MKVVP22-450/750 (2~14)×(4~6)mm2MIA0 8014 4 煤矿用聚氯乙烯绝缘聚氯乙烯护套编织屏蔽钢带铠装控制电缆MKVVP22-450/750 (2~37)×(0.75~2.5)mm2MIA0 8014 5 矿用交联聚乙烯绝缘聚氯乙烯护套细钢丝铠装控制电缆MKYJV32-450/750 (19~37)×(0.75~1.0)mm2MIA0 8014 5 矿用交联聚乙烯绝缘聚氯乙烯护套细钢丝铠装控制电缆MKYJV32-450/750 (4~14)×(4~6)mm2MIA0 8014 5 矿用交联聚乙烯绝缘聚氯乙烯护套细钢丝铠装控制电缆MKYJV32-450/750 (7~37)×(1.5~2.5)mm2MIA0 8014 6 煤矿用交联聚乙烯绝缘聚氯乙烯护套编织屏蔽控制电缆MKYJVP-450/750 (2~14)×(4~6)mm2MIA0 8014 6 煤矿用交联聚乙烯绝缘聚氯乙烯护套编织屏蔽控制电缆MKYJVP-450/750 (2~37)×(0.75~2.5)mm2MIA0 8014 7 煤矿用交联聚乙烯绝缘聚氯乙烯护套控制电缆MKYJV-450/750 (2~37)×(0.75~2.5)mm2MIA0 8014 7 煤矿用交联聚乙烯绝缘聚氯乙烯护套控制电缆MKYJV-450/750 (2~14)×(4~6)mm2MIA0 8014 8 煤矿用聚氯乙烯绝缘聚氯乙烯护套编织屏蔽控制软电缆MKVVRP-450/750 (4~37)×(1.5~2.5)mm2MIA0 8014 8 煤矿用聚氯乙烯绝缘聚氯乙烯护套编织屏蔽控制软电缆MKVVRP-450/750 (4~37)×(0.5~1.0)mm2MIA0 8014 9 煤矿用聚氯乙烯绝缘聚氯乙烯护套细钢丝铠装控制电缆MKVV32-450/750 (19~37)×(0.75~1.0)mm2MIA0 8014 9 煤矿用聚氯乙烯绝缘聚氯乙烯护套细钢丝铠装控制电缆MKVV32-450/750 (4~14)×(4~6)mm2MIA0 8014 9 煤矿用聚氯乙烯绝缘聚氯乙烯护套细钢丝铠装控制电缆MKVV32-450/750 (7~37)×(1.5~2.5)mm2MIA0 8015 0 煤矿用聚氯乙烯绝缘聚氯乙烯护套钢带铠装控制电缆MKVV22-450/750 (4~37)×2.5mm2MIA0 8015 0 煤矿用聚氯乙烯绝缘聚氯乙烯护套钢带铠装控制电缆MKVV22-450/750 (4~14)×(4~6)mm2MIA0 8015 0 煤矿用聚氯乙烯绝缘聚氯乙烯护套钢带铠装控制电缆MKVV22-450/750 (7~37)×(0.75~1.5)mm2MIA0 8015 1 煤矿用聚氯乙烯绝缘聚氯乙烯护套编织屏蔽控制电缆MKVVP-450/750 (2~37)×(0.75~2.5)mm2MIA0 8015 1 煤矿用聚氯乙烯绝缘聚氯乙烯护套编织屏蔽控制电缆MKVVP-450/750 (2~14)×(4~6)mm2MIA0 8015 2 煤矿用交联聚乙烯绝缘钢带铠装聚氯乙烯护套电力电缆MYJV22-0.6/1 (4~185)mm2MIA0 8015 3 煤矿用聚乙烯绝缘编织屏蔽聚氯乙烯护套通信软电缆MHYVRP (5~10)×2×( 0.75~1.5)mm2MIA08015 4 煤矿用移动轻型橡套软电缆MYQ-0.3/0.5 (1.0~2.5)mm2MIA0 8015 5 煤矿用聚乙烯绝缘编织屏蔽聚氯乙烯护套通信电缆MHYVP (5~10)×2×( 0.75~1.5)mm2MIA0 8015 6 煤矿用聚乙烯绝缘聚氯乙烯护套通信软电缆MHYVR (5~10)×2×( 0.75~1.5)mm2MIA0 8015 7 煤矿用聚氯乙烯绝缘聚氯乙烯护套电力电缆MVV-0.6/1 (1.5~185)mm2MIA0 8015 8 煤矿用交联聚乙烯绝缘聚氯乙烯护套电力电缆MYJV-0.6/1 (1.5~185)mm2MIA080159采煤机金属屏蔽橡套软电缆MCPT-1.9/3.3 (35~95)mm2 MIA08016 0 采煤机金属屏蔽监视型橡套软电缆MCPTJ-1.9/3.3 (35~95)mm2MIA0煤矿用聚乙烯绝缘钢丝铠装聚氯乙MHY32 (5~19)80161烯护套通信电缆×2×( 0.75~1.5)mm2MIA0 8016 2 煤矿用聚氯乙烯绝缘聚氯乙烯护套控制软电缆MKVVR-450/750 (4~37)×(0.5~2.5)mm2MIA0 8016 3 煤矿用聚氯乙烯绝缘钢带铠装聚氯乙烯护套电力电缆MVV22-0.6/1 (2.5~185)mm2属于大类:聚氯乙烯绝缘聚氯乙烯护套控制电缆聚氯乙烯电线布电线 BV线电力电缆塑料电缆矿用电缆(煤矿用电缆)阻燃电缆耐火电缆低烟无卤电缆焊把线护套线橡套线矿用通信电缆矿用控制电缆矿用橡套电缆矿用电力电缆矿用信号电缆矿用电话电缆矿用防暴电缆矿用通讯电缆通用电缆通用橡套电缆高压电缆低压电缆低压电力电缆交联电缆高压交联电缆硅橡胶电缆 kvv电缆 vv电缆 yc电缆 yz电缆 yh电缆 kgg电缆ycw电缆 yzw电缆 mc电缆 mcp电缆 mz电缆 mzp电缆 my电缆 myp电缆myptj电缆 mcptj电缆 myq电缆 ugf电缆 zr-vv电缆 nh-vv电缆 mkvv 电缆 mvv电缆 myjv电缆 mkyjv电缆 mhyv电缆 mhy32电缆 jhs电缆防水电缆关键词:聚氯乙烯电线布电线 BV线电力电缆塑料电缆矿用电缆(煤矿用电缆)阻燃电缆耐火电缆低烟无卤电缆焊把线护套线橡套线矿用通信电缆控制电缆矿用控制电缆矿用橡套电缆矿用电力电缆矿用信号电缆矿用电话电缆矿用防暴电缆矿用通讯电缆通用电缆通用橡套电缆高压电缆低压电缆低压电力电缆交联电缆高压交联电缆硅橡胶电缆 kvv电缆 vv 电缆 yc电缆 yz电缆 yh电缆 kgg电缆 ycw电缆 yzw电缆 mc电缆 mcp电缆 mz电缆 mzp电缆 my电缆 myp电缆 myptj电缆 mcptj电缆 myq电缆 ugf 电缆 zr-vv电缆 nh-vv电缆 mkvv电缆 mvv电缆 myjv电缆 mkyjv电缆mhyv电缆 mhy32电缆 jhs电缆防水电缆规格资料:国标电缆规格如下标准产品:非标产品:对于特殊设计电缆本公司可定做,定做电线电缆起定200米。
CTS350对称数字通信电缆测试系统用 户 手 册上 海 电 缆 研 究 所 用户选定设备对数25对 32对√前 言非常感谢您选择、使用上海电缆研究所研制生产的CTS系列对称数字通信电缆测试系统,本产品完全由我们自主研制开发,性能指标达到或者超出国外同类型测试设备,具有较高的性价比。
我们将竭诚满足广大用户的需求,为您提供高效、高质的测试设备,同时带给您完善的技术支持和便捷的售后服务。
我们以“SECRI--先进、安全、可靠、满意的标志”作为我们公司的质量方针,同时“以科技优势为依托,大力开展高科技产品的产业化,坚持质量第一,努力发展成为行业中有规模、有实力的制造商,并保持在行业中技术领先地位”的公司经营理念,为您带来我们的承诺。
欢迎您的随时垂询,联系方式:服务咨询 86-21-65491166技术支持 86-21-65491166传 真 86-21-55620082网 址 电子信箱********************公司名称 上海电缆研究所赛克力光电缆有限责任公司地 址 上海市军工路1000号邮 编 200093本手册介绍了CTS350对称数字通信电缆测试系统的用途、性能特点、基本工作原理、使用方法、使用注意事项等内容,可以帮助您尽快熟悉和掌握设备的操作方法和使用要点。
为方便您正确、熟练使用该设备,并得到满意的测量结果,请仔细阅读本手册,并按照手册指导操作。
本手册中说明均以32对测试系统为例,25对测试系统请参照测试软件或见手册中注意事项。
手册中若有不足之处,恳请广大用户批评指正。
并敬请用户、专家等人士在使用中遇到任何问题,或有良好的意见和建议,请提出宝贵意见!我们不甚感谢!编者2009.1目 录第一篇 技术原理篇 (1)第一章 概述 (2)第二章 技术说明 (3)第一节 技术参数 (3)第二节 测试原理 (4)第三节 自动测试原理图 (6)第三章 硬件说明 (7)第一节 整机外形 (7)第二节 结构特点 (8)第三节 系统连线 (10)第二篇 测试使用篇 (11)第四章 用户必读 (12)第一节 初始检查 (12)第二节 样品准备 (12)第三节 电缆的安装 (14)第五章 软件使用 (16)第一节 软件结构 (16)第二节 测试软件界面 (17)第三节 菜单栏 (18)第四节 工具栏 (24)第五节 配置栏 (24)第六章 电缆的测试 (25)第一节 测试前的注意事项 (25)第二节 进入测试程序 (27)第三节 准备测试 (27)第四节 测试进程界面 (33)第五节 浏览测试结果 (35)第三篇 系统配置篇 (39)第七章 系统的校准 (40)第一节 系统校准必须掌握的基础知识 (40)第二节 网络分析仪校准 (50)第三节 设备标定 (65)第四节 标定重要提示 (76)第八章 测试标准 (77)第九章 系统配置 (101)第一节 用户配置 (101)第二节 扩展信息 (102)第三节 测试标准 (103)第四节 系统色标 (103)第五节 打印配置 (104)第六节 文件命名规则 (109)第七节 图形设置 (111)第八节 离散频率点 (114)第九节 通道色标 (116)第十节 语言 (118)第四篇 异常处理篇 (119)第十章 测试异常处理 (120)第一篇技术原理篇第一章概述由于对称数字通信电缆在局域网中愈来愈广泛的使用,以及局域网本身的迅猛发展对通信电缆提出的苛刻的性能要求,使电缆生产厂家愈来愈重视电缆的检测手段。
浅析中压交联电缆生产过程中质量控制的问题及对策摘要:随着社会的进步,科学技术的发展,电越来越成为生活中不可或缺的东西,电线电缆产品在国内外贸易中愈加频繁的出现,生产厂家以及使用单位对电线电缆的质量提出了更高更精细的要求,这就需要在其生产过程中科学地改进技术,加强质量控制。
关键词:交联电缆;质量控制;问题及对策引言随着人们对电缆要求的增高,电缆行业亟需解决的问题不但涌现,无论是技术上的攻克,还是常见问题的解决,电缆行业必须直面这些问题,改进生产工艺和方法,保证产品质量,才能在行业内不断提高自身的竞争力。
本文列举了几种常见的问题以及解决方案。
1.绝缘线芯偏心1.1产生原因现在生产销售和正在使用的的中压交联电缆的绝缘线芯都是采用交联电缆制造的核心工序,即内屏蔽、绝缘、外屏蔽三层共挤技术。
目前采用的大都是国产或者部分进口的先进挤出设备,可以挤出厚度均匀达标,偶尔出现绝缘层偏离中心的情况大致有以下几个原因;一是机械设备的装配问题,由于长时间的使用且为定时检查设备,导致矫正偏心的螺丝松动情况的出现,从而导致整个模具的偏动造成偏心;二是机械设备的不配套,模芯与模套差距太大,模芯过大,与模套之间过大的间隙使装配过程中导体左右摆动难以定位造成偏心;三是温度的影响,挤出头的温度时高时低,出来的胶有厚有薄导致偏心;四是挤出头和下个器械的中心偏差造成偏心。
1.2解决方法第一,械器设备使用前后仔细检查,避免出现模芯模套不配套,螺丝松动等情况;第二,在生产绝缘层较厚的电缆时,当绝缘线芯进入交联硫化管时,应注意提高第一区加热段的温度。
绝缘外层需要尽快交联,线芯密封时尽量使用搓线器,以防止因绝缘自重引起的下垂变形引起的绝缘偏心。
2.线芯表面凹凸不平,鼓包指电缆绝缘线芯表面不光滑,不平整,有凸起或者凹陷的情况。
2.1产生原因2.1.1老胶现象老胶现象有时会出现在交联绝缘线芯的生产过程中,也称为预交联,当交联挤出头温度过高或交联材料在流通渠道的死角位置较长时间停留就会造成老胶现象,老胶后的材料呈琥珀色,颜色与时间和温度有关:停留时间越长,颜色越深;温度越高,颜色越深。
电缆中的铜丝屏蔽和铜带屏蔽选哪一种比较好?
根据不同的场合,电缆结构也不同。
在屏蔽干扰的场合,屏蔽电缆被广泛使用,所以在选择屏蔽电缆时,应该选择铜丝屏蔽还是铜带屏蔽?关于铜丝屏蔽和铜带屏蔽,小编将带你简单了解!
屏蔽层的作用主要是保护电流或信号不受外界电磁干扰,避免使用中自身产生的电磁场对周围环境的干扰和电流流通故障。
根据屏蔽性能的要求,选择不同的材料,如铜丝编织屏蔽、铜带缠绕屏蔽、铜丝松散缠绕屏蔽、铝合金丝编织屏蔽、铜包铝丝编织屏蔽、铝塑复合带缠绕屏蔽等。
为了确保屏蔽层的连续性并降低屏蔽层的传输阻抗,通常需要在屏蔽层中纵向放置一根或多根退火铜丝作为引流线,用于铜带缠绕。
铜带屏蔽电流的主要方向与铜带相同。
铜丝屏蔽电流流过一个短路径,产生的热量较少,而两层铜带屏蔽增加了屏蔽横截面积,减少了流动电流,产生的热量较少。
虽然它可以屏蔽信号,但如果它瞄准的是载流量为500mm的电缆,它自身产生的磁场也会增加。
当短路电流超过一定值时,第二层0.12毫米铜带的有效截面值不能达到铜丝缠绕所能达到的较大有效截面值。
从以上综合考虑,铜丝的屏蔽效果要比其他屏蔽方法好得多,而且连续性可靠,因此可以选用铜丝屏蔽电缆。
但是,根据不同的施工方案和敷设环境,铜屏蔽电缆的利用率也很高。
在这里,用户应该根据自己的需要选择购买。
机载线缆选型要点一、引言机载线缆在航空领域的应用十分广泛,它们承担着传输电力和信号的重要任务。
正确选择合适的机载线缆对于保障飞机系统的正常运行至关重要。
本文将从电气性能、机械性能、环境适应性、可靠性和成本等方面,介绍机载线缆选型的要点。
二、电气性能1. 电缆导体:选择电导率高、电阻小的材料,如铜或铝。
2. 电缆截面积:根据电流负载和电缆长度,合理选择截面积以满足电流传输要求。
3. 屏蔽结构:根据系统对电磁干扰的要求,选择合适的屏蔽结构,如单层屏蔽、双层屏蔽或铝塑复合屏蔽等。
三、机械性能1. 机械强度:根据机载线缆在安装和使用过程中所承受的力和振动情况,选择具有足够机械强度的线缆。
2. 抗压能力:根据线缆在机体内的布置情况,选择能够承受合适压力的线缆。
3. 耐磨性:根据线缆的使用环境,选择具有良好耐磨性能的线缆,以防止磨损导致电缆故障。
四、环境适应性1. 耐高低温性:根据飞机运行环境温度范围,选择耐高低温的线缆材料。
2. 阻燃性:选择具有良好阻燃性的线缆,以减少火灾风险。
3. 耐候性:选择具有耐候性的线缆,以适应各种气候条件下的使用。
五、可靠性1. 寿命:选择具有较长寿命的线缆,以减少更换频率和维修成本。
2. 可靠性测试:对选定的线缆进行各项测试,如电气性能测试、机械性能测试和环境适应性测试等,以确保其可靠性。
3. 厂家信誉:选择有良好信誉和经验丰富的线缆生产厂家,以确保线缆质量可靠。
六、成本1. 价格:选择价格合理的线缆,以控制成本。
2. 维修成本:根据线缆的可靠性和寿命,选择维修成本较低的线缆,以减少后期维护费用。
结论机载线缆选型是保障飞机系统正常运行的重要环节。
从电气性能、机械性能、环境适应性、可靠性和成本等方面全面考虑,选择合适的机载线缆至关重要。
只有通过科学合理的选型,才能确保飞机系统的稳定性和可靠性,提高航空器的安全性。
4、电线电缆技术参数表4.1、1kV电缆技术参数和性能要求运行条件系统标称电压和频率:(1)0.6/1kV,50Hz(2)DC1000V系统接地方式:中性点直接接地系统。
环境条件:环境温度:-32.2℃~+40℃。
敷设条件:敷设环境有直埋、管槽、排管、沟道、隧道、桥架、竖井等多种方式。
地下敷设时电缆局部可能完全浸于水中。
运行要求电缆导体的长期最高额定温度:交联聚乙烯为90℃。
短路时(不小于5S)电缆导体的最高温度不超过:交联聚乙烯为250℃。
电缆最小弯曲半径应满足:多芯电缆≤12D。
其中D为电缆外径。
电缆地下敷设时需满足局部可能完全浸于水中的运行要求。
技术要求本次采购的0.6/1kV铠装交联聚乙烯绝缘电力电缆,其技术参数除应符合GB/T 12706.1-2008的要求以外,还应满足本标书以下要求。
(1)导体表面应光洁、无油污、无损伤绝缘的毛刺、锐边,无凸起或断裂的单线,并符合GB/T3956-1997标准。
铜导体材料为无氧圆铜杆(铜的纯度≥99.9%),并注明铜杆的来源地。
(2)聚乙稀电力电缆绝缘层应为挤包制成,交联聚乙烯电力电缆绝缘层应为添加交联剂后挤包交联而成。
绝缘标称厚度应符合GB/T 12706.1-2008的规定,绝缘层的横断面上应无目力可见的气泡和沙眼等缺陷,禁止使用翻新料。
(3)钢带铠装应采用双层镀锌钢带,钢带应采用具有商品质量认可的热轧或冷轧钢带,绕包应圆整光滑。
(投标时应注明镀锌)(4)电力电缆的外护套性能符合现行国家标准要求。
(5)成品电缆的表面应连续、清晰地印刷厂名、型号规格、电压、制造年份、计米长度标志。
(6)承包方应用铁木结构电缆盘。
电缆盘应能承受所有在运输,现场搬运或在任何气象条件下户外至少储存3年期间可能遭受的外力作用。
并且电缆盘应承受在安装或处理电缆时所可能遭受的外作用力不会损伤电缆及盘本身。
电缆盘筒体最小直径应符合电缆最小弯曲半径。
1kV电缆技术参数表承包方根据以下表格填写规格参数4.2、10kV交流电缆技术性能要求基本要求电缆外皮上以0米起点,以1米为单位打上长度标尺及型号规格、电压等级等参数,且能保证不易磨掉。
10kV电力电缆通用技术规范1 标准和规范1.1 除本规范特别规定外,卖方所提供的设备均应按下列标准和规范进行设计、制造、检验和安装。
所用的标准必须是其最新版本。
如果这些标准内容矛盾,应按最高标准的条款执行或按双方商定的标准执行。
如果卖方选用标书规定以外的标准,需提交与这种替换标准相当的或优于标书规定标准的证明,同时提供与标书规定标准的差异说明。
1.2 本条件中标明的参数数值是作为特殊强调的条款。
1.3 引用标准,引用标准一览表见表1。
这些标准应是现行的有效版本,同时在与下述标准各方达成协议的基础上鼓励研究采用下述最新版本的可能性。
表1 引用标准一览表2 技术参数和性能要求2.1 电缆结构电缆结构除符合GB/T 12706.2的规定外,还应满足以下要求。
2.1.1 导体导体表面应光洁、无油污、无损伤屏蔽及绝缘的毛刺、锐边,无凸起或断裂的单线。
导体应为圆形并绞合紧压,紧压系数不小于0.9,其他应符合GB/T 3956。
2.1.2 挤出交联工艺导体屏蔽、绝缘、绝缘屏蔽应采用三层共挤工艺,全封闭化学交联。
绝缘料采用交联聚乙烯料,半导电屏蔽料采用交联型材料,绝缘料和半导电料从生产之日到使用不应超过半年。
生产厂家提供对产品工艺制造水平的描述,包括干式交联流水线方式,生产设备中的测偏装置、干式交联,冷却装置的描述等。
2.1.3 导体屏蔽导体屏蔽应为挤包的半导电层,电阻率不大于100Ω·cm。
半导电层应均匀地包覆在导体上,并和绝缘紧密结合,表面光滑,无明显绞线凸纹,不应有尖角、颗粒、烧焦或擦伤的痕迹。
标称截面积500mm2及以上电缆导体屏蔽应由半导电带和挤包半导电层复合组成。
2.1.4绝缘绝缘标称厚度为4.5mm,绝缘厚度平均值应不小于标称值,任一点最小测量厚度应不小于标称厚度tn的90%。
任一断面的偏心率[(最大测量厚度-最小测量厚度)/最大测量厚度]应不大于10%。
电缆的绝缘偏心度应符合下式规定(tmax- tmin)/tmax≤10%式中:tmax——绝缘最大厚度,mm;tmin——绝缘最小厚度,mm;tn——绝缘标称厚度,mm。
黄石电厂207#、208#机组退运黄石电网110kV线路改造110kV交联聚乙烯绝缘电力电缆附件技术条件黄石电力勘测设计公司2020年10月19日批准:杨干群审核:董继军校核:蒋兴武设计:徐悦文目录1.总则2.应遵循的主要标准3.使用条件4.技术要求5.试验6.包装及储运7.厂家应提供的技术文件8.附表9.设备需求表工程概况黄石电厂207#、208#机组退运黄石电网110kV线路改造,为保证枫变两独立电源,采用电缆进行站内间隔调整。
电缆采用穿管敷设方式。
电缆头、避雷器附件支架2套,敷设YJLW02-500mm2铜芯电缆240m。
总则1.1.须知1.1.1.制造厂应仔细阅读我方技术规范书。
制造厂所提供的产品必须满足本技术规范书中提出的要求。
1.1.2.制造厂以书面形式或其它形式对本技术规范书全部条文作出响应。
1.1.3.技术规格书中所提出的技术指标与制造厂响应的技术指标不一致时,按两者之中较高的执行。
1.2.制造厂应提供的文件1.2.1.与本技术规格书同型号电缆附件的型式试验报告。
1.2.2.电缆系统预鉴定试验相应的试验合格证书及试验报告。
1.2.3.电缆附件生产的质量体系认证证书[ISO 9000]。
1.2.4.能够证明厂家已生产过200套同类型的电缆附件产品,并且这些产品已在110kV系统中成功地运行三年以上的销售及运行业绩表(见附件表)。
1.2.5.厂家电缆附件产品的结构尺寸图,以及安装工艺说明。
1.2.6.厂家响应与本技术规格书的差异表(见附件表)。
1.2.7.电缆附件生产厂家的主要生产设备和试验仪器设备(如挤塑机、主要试验设备仪器等)的参数、使用时间(以表格表示)。
1.2.8.电缆附件中主要材料,如橡胶、环氧、绝缘填充剂的名称、型号、规格及生产厂家(以表格表示)。
1.2.9.电缆附件在本技术规格书规定的运行条件下,制造厂家应保证其投标产品具有30年的使用寿命。
2.应遵循的主要标准制造厂家提供的技术文件应遵循(但不限于)以下标准,标准如有更新,以最新版本为准。
视频线和射频线的主要区别来源:特种电缆 理论上,两种线材都可以互换,没有问题,都能达到技术上需要的特定要求。
中国电缆网版权所有,转载请注明来至中国电缆网理论和实际运用往往不是一回事,有些所谓理论参数数据跟不上实际的形势发展和生产的发展、市场需求的发展。
并不是说得出理论上的一些参数就是权威,拿来一本书,抄一下,数据要多少就有多少。
有时候一些所谓的“参数数据”是给某些人“钻牛角尖”用的。
“专家”和“工程师”都可以自已封的。
谁误导了谁,大家自已去做个工程就知道。
在实际的工程安装应用上,市面上的SYWV(有线电视线)一般来说,它的屏蔽网在质量和技术要求上相对会造得差一点,屏蔽性能(抗干扰性能)相对比较差,如果用于闭路电视监控上作长线传输更容易引入干扰。
生产厂家都知道,有线电视传输信号主要依靠调制和解调器,可以把信号调定在某个频段上,就能有效避开干扰信号,另外,有线电视传输的信号源是卫星接收站,是一个技术含量非常高的机房,中途还装有干线放大器,信号强劲;闭路电视监控有什么?它的信号源只是一只摄像机。
所以用于有线电视的SYWV视频线出于控制成本的原因或技术要求等原因,不会太着重或没有必要着重有线电视线的屏蔽性能,自然会把屏蔽铜网技术处理上造得疏一点、细一点或采用非纯铜的屏蔽网(如镀锡铜、旧铜或其它的镀铜金属等)。
用于闭路电视监控上的SYV视频线,由于闭路电视监控系统一般采用点对点直接传输视频信号,没有外加的调制设备,它的屏蔽性能(抗干扰性能)主要是依靠屏蔽网,所以对SYV视频线的屏蔽性能(抗干扰性能)无论从质量上和技术上都要求比较严格,线材生产厂家会从技术上着力研究和考虑把SYV视频线的屏蔽网造得密一点,编织得更合理而且材料用足,才能保证闭路电视监控系统的屏蔽性能(抗干扰性能),对SYV视频线不断根据实践应用进行改善改良,这就是平常厂家标称的执行“企业标准”。
SYWV比SYV视频线的所谓优势只在于:如果按以前中国的国家标准(好象是咸丰年以前的事了)的话,SYWV线径做成1.0,SYV线径做成0.8,SYWV在传输信号时相对衰减少一点而矣,但SYWV的屏蔽性能较差,这些所谓优势己没有什么意义了。
严谨生产 质量可靠
中国经济持续快速的增长,为线缆产品提供了巨大的市场空间,
随着中国电力工业、数据通信业、交通业、等行业规模的不断扩大,
对电线电缆的需求也将迅速增长,未来电线电缆业还有巨大的发展潜
力。屏蔽电缆的质量哪家好?安徽康斐尔电气有限公司是一个不错的
选择,接下来小编为您简单介绍,希望给您带来一定程度上的帮助。
屏蔽电缆是使用金属网状编织层把信号线包裹起来的传输线。编
织层一般是红铜或者镀锡铜。
屏蔽层接地通常采用两种方式来处理:屏蔽层单端接地和屏蔽层
双端接地。
1、屏蔽层单端接地是在屏蔽电缆的一端将金属屏蔽层直接接地,
另一端不接地或通过保护接地。
在屏蔽层单端接地情况下,非接地端的金属屏蔽层对地之间有感
应电压存在,感应电压与电缆的长度成正比,但屏蔽层无电势环流通
过。单端接地就是利用抑制电势电位差达到消除电磁干扰的目的。
严谨生产 质量可靠
这种接地方式适合长度较短的线路,电缆长度所对应的感应电压
不能超过安全电压。静电感应电压的存在将影响电路信号的稳定,有
时可能会形成天线效应。
2、双端接地是将屏蔽电缆的金属屏蔽层的两端均连接接地。
安徽康斐尔电气有限公司位于长江之滨的的文明城市天长市,是
集科技攻关、新品研发、制造营销、出口为一体的生产型企业。主要
产品:电力电缆、控制电缆、计算机电缆、核电站用1E级和非1E
级电力电缆。仪器仪表系列:压力变送器、压力表系列、双金温度计、
无纸记录仪、工业热电偶、仪表保护箱、温度传感器等。
公司拥有雄厚的技术力量、精良的制造工艺和科学的管理手段。
公司严格执行产品标准及行业标准,按照国内各工矿企业的使用环境
条件和工艺要求,制定严格的工艺流程,使产品工艺精良。公司自主
严谨生产 质量可靠
研制、开发、生产的产品主要有六大系列,400多个品种。被广泛应
用于航天、军工、电力、水处理等行业,产品销往国内29个省市自
治区,在许多重点工程中使用,获得用户高度评价。