卫星抗辐射加固技术
- 格式:pdf
- 大小:104.70 KB
- 文档页数:5
电脑太空舱的知识点总结一、电脑太空舱的技术特点1. 耐高温太空环境中的温度变化范围极大,从太阳光直射下的高温到气候阁下的低温都会给电脑系统带来严峻的考验。
电脑太空舱需要采用耐高温的设计,包括采用特殊的材料和散热系统,以保证在极端温度环境下系统的稳定运行。
2. 耐辐射太空中存在着大量的宇宙辐射,包括太阳辐射、宇宙射线等,这些辐射会对电脑系统的元件和电路产生损害,引起系统的故障甚至失效。
在太空舱中,需要采用耐辐射的设计,包括采用特殊的辐射抗性材料和加固电路设计等手段,以保证系统在辐射环境下的可靠性。
3. 抗微重力太空环境中不存在地球引力,这样就会在计算机系统的散热、电路连接等方面带来一系列的问题。
在太空舱中,需要采用抗微重力的设计,包括采用特殊的散热系统和固定电路连接方式等手段,以保证系统在微重力环境下的稳定运行。
4. 高性能太空任务中通常需要进行大量的数据处理和复杂的计算,因此电脑太空舱需要具有高性能的计算能力和数据处理能力,包括高性能的处理器、大容量的存储器和高速的数据传输接口等。
5. 可靠性在太空任务中,电脑系统的可靠性是至关重要的,因为在太空中无法进行维修和更换。
因此,电脑太空舱需要具有高可靠性的设计,包括采用冗余设计、强化的物理结构和严格的质量控制等手段,以保证系统在极端环境下的长期稳定运行。
6. 通信能力太空舱中的电脑系统需要与地面控制中心和其他航空器进行通信,因此需要具有高性能的通信能力,包括高速数据传输和稳定的通信连接等。
二、电脑太空舱的应用领域1. 卫星控制卫星是太空舱中最常见的应用场景之一,它需要具有高可靠性、高性能和抗辐射的电脑系统来进行卫星控制、数据处理和通信等任务。
2. 太空探测器太空探测器是用于探测太阳系和宇宙其他地方的科学研究任务中,它需要具有高性能的计算和数据处理能力,以收集和处理大量的科学数据。
3. 航天飞行器航天飞行器包括载人飞船和空间站等,它需要具有高可靠性、高性能和抗微重力的电脑系统,以进行飞行控制、生命保障系统的控制和维护等任务。
中国空间技术研究院(航天五院)一、单位简介中国航天科技集团公司第五研究院(以下简称五院)隶属于《财富》世界500强的中国航天科技集团公司。
五院成立于1968年2月20日,经过40余年的发展,已成为中国主要的空间技术及其产品研制基地,是中国空间事业的主力军。
建院以来,历代五院人牢记使命、顽强拼搏,树立了中国航天史上一座座新的里程碑,实现了空间技术的新跨越。
1970年4月24日,五院成功研制并发射了中国第一颗人造地球卫星——东方红一号,开创了中国探索外层空间的新纪元。
2003年10月,神舟五号载人飞船载人航天飞行获得圆满成功,使中国成为世界上第三个能够独立开展载人航天活动的国家。
2007年10月,嫦娥一号月球探测器进入环月轨道,实现了中华民族千年的飞天梦想——嫦娥奔月。
2008年9月,神舟七号载人飞船成功实现了中国航天员首次空间出舱活动。
2011年11月“天宫一号”目标飞行器与神舟八号飞船成功实现交会对接,标志着中国载人航天事业发展实现了新的重大突破。
迄今为止,五院共研制、发射和在轨运行一百多个不同类型的航天器,已经形成了以载人航天、深空探测、导航定位、对地观测、通信广播、空间科学与技术试验等六大系列航天器,实现了大、中、小、微型航天器的系列化、平台化发展。
五院十分重视空间技术专业领域人才的培养,现有中国科学院和中国工程院院士7名,国际宇航科学院院士12人,俄罗斯宇航科学院院士8人,11名国家级突出贡献专家和4100多名高级专业技术人才。
自1978年招收研究生以来,已经形成学科专业齐全,管理体制配套的硕士、博士和博士后高层次人才培养体系。
现有博士学位授权一级学科2个,博士学位授权二级学科1个,硕士学位授权一级学科8个,硕士学位授权自主设置二级学科3个,博士后流动站3个,博士后工作站4个。
博士生导师130余人,硕士生导师400余人。
五院设有以研究生培养、员工培训、客户培训为中心任务的神舟学院,拥有包括研究生教室、多媒体电化教室、集同设计实验室等8000多平米的教学实践场地。
SOI技术的抗辐照能力报告目录1 关于SOI抗辐照技术的可行方案 (3)2 SOI技术简介 (4)2.1SOI技术的定义 (4)2.2SOI技术的特点 (4)3 SOI技术的研究现状 (7)3.1常用的四种抗辐射材料 (7)3.2SOI技术的应用 (7)3.3SOI技术国际主流公司 (8)3.4SOI产业联盟 (9)3.5国内SOI技术研究 (9)3.6SOI技术的市场份额 (10)4 空间辐射问题 (10)4.1航天器面临的辐射环境 (10)4.2电子元器件所受到的辐射效应 (12)5 SOI抗辐照技术 (13)5.1SOI技术的抗辐射指标 (13)5.2SOI器件实例 (13)5.3SOI技术和体硅CMOS技术两种技术抗辐射能力的对比 (14)5.4SOI不加固的抗辐照性能 (14)5.5体硅不进行抗辐射加固的抗辐照性能 (15)5.6目前国内SOI技术的工艺水平 (16)5.6.1 0.8um工艺芯片的集成度 (16)5.6.2 0.8um工艺与0.18um工艺集成度的差异 (17)6 STI侧沟道隔离技术 (17)6.1隔离的目的 (17)6.2隔离技术的要求 (18)6.3常见的隔离工艺技术 (18)6.4LOCOS隔离技术 (18)6.5改进的LOCOS结构隔离技术 (20)6.6STI隔离技术 (22)1 关于SOI抗辐照技术的可行方案国内现有四家做抗辐照方面研究的单位:(1)七七一所:目前在抗辐照芯片开发方面,工艺比较落后;(2)七七二所:用体硅进行抗辐照加固做了一批抗辐照芯片,采用0.18um工艺,在中芯国际流片,抗辐照指标达不到航天水平,只有一款芯片投入了实际应用,最近出了问题;而且芯片封装仅有391个引脚。
(3)58所:采用0.5um SOI技术生产抗辐照芯片,集成度只有20到30万门,频率只能到10到20 MHz,但是芯片封装能达到1000多个引脚。
(4)中科院微电子所:采用0.18um SOI技术生产抗辐照芯片,正在做几款SOI芯片,最近有一款4M的存储器已经研发成功,集成了1200万个晶体管,抗辐照总剂量水平为300Krad,无单粒子闩锁效应,抗单粒子翻转比体硅好,具体指标待论证。
Vol. 40, No. 4航 天 器 环 境 工 程第 40 卷第 4 期430SPACECRAFT ENVIRONMENT ENGINEERING2023 年 8 月https:// E-mail: ***************Tel: (010)68116407, 68116408, 68116544面向航天器型号的COTS元器件选用策略薄 鹏1,汪 悦2*(1. 中国空间技术研究院; 2. 中国航天宇航元器件工程中心:北京 100094)摘要:为了实现COTS元器件在航天器中低成本高效应用,文章调研了商用塑封器件的工业基础、应用风险以及国内外各航天机构对COTS元器件的应用策略;针对COTS元器件的选用策略,系统性提出了元器件需求分析、选择、供应、应用结合的选用程序,并在此基础上设计了元器件供应方选择、执行标准选择和产品选择的选用要素。
最后结合元器件应用实践需求,提出了面向航天器型号的COTS元器件选用控制建议。
关键词:COTS元器件;选用策略;选用程序;选用要素设计;航天产品可靠性中图分类号:TN406文献标志码:A文章编号:1673-1379(2023)04-0430-07 DOI: 10.12126/see.2023102Selection strategy of COTS components for spacecraftBO Peng1, WANG Yue2*(1. China Academy of Space Technology; 2. China Aerospace Components Engineering Center: Beijing 100094, China)Abstract: In order to realize low-cost and high-efficient application of COTS components in spacecraft,this paper reviewed the industrial basis and application risks of commercial plastic encapsulation components, and application strategies of COTS components by aerospace agencies at home and abroad. For the selection strategy of COTS components, a systematic selection procedure combined requirement analysis, selection, supply and application of components was proposed. On this basis, the selection elements of component supplier selection, implementation standard selection and product selection were designed. Finally, according to the practical requirements of component application, suggestions for the selection and control of COTS components for spacecraft were given.Keywords: commercial off-the-shelf (COTS) component; selection and application strategy; selection and application procedure; selection and application element design; reliability of space products收稿日期:2023-03-28;修回日期:2023-07-26基金项目:装备预先研究项目(编号:3050804)引用格式:薄鹏, 汪悦. 面向航天器型号的COTS元器件选用策略[J]. 航天器环境工程, 2023, 40(4): 430-436BO P, WANG Y. Selection strategy of COTS components for spacecraft[J]. Spacecraft Environment Engineering, 2023, 40(4): 430-4360 引言商业现货(COTS)元器件与宇航元器件的主要区别在于COTS元器件在设计时未考虑真空、辐射、原子氧等空间环境适应性和长期工作可靠性。
新声代从跌跌撞撞到一路逆袭,原来“风云”是这样的卫星文/付毅飞启动微信,一个孤独的小人凝望地球。
这张 美国国家航空航天局向世界公开的第一张完整地 球照片名叫“蓝色弹珠”。
它是由阿波罗17号 宇航员拍摄,视角在非洲大陆上空。
每当中国航天科技集团八院气象与环境总体 室副主任、风云四号卫星主任设计师陈晓杰打开 微信时,思绪总会不由自主地飞到2017年9月25 曰那天。
那天是我国新一代静止轨道气象卫星风云四号A星正式交付投入使用的曰子,微信启动画面 随之变脸——图像仍是蓝色地球,但展示的位置 却变成东半球,拍摄它的正是风云四号A星。
“照片视角是从中国上空观测到的地球,那 种感觉很不一样。
”陈晓杰至今对此印象深刻。
1969年初,一场罕见的雨雪冰冻灾害席卷 半个中国,而当时世界上拥有气象卫星的国家只 有苏联和美国。
我国虽然能接收国外气象卫星云 图,但只是单纯的“黑白图像”,无法挖掘原始202丨年第2期丨中国科技财富39新声代数据、反演各种气象要素,应用受到极大限制。
1969年1月29曰,周恩来总理提出:“要 赶快改变落后面貌,搞我们自己的气象卫星。
”1970年2月,周总理亲自签发中共中央、国务院、中央军委文件,下达了研制气象卫星的 任务。
由此,我国气象卫星事业正式起步。
迄今为止,我国共成功发射17颗风云系列 气象卫星,目前有7颗在轨运行。
这些最“知人 冷暖”的卫星,在太空中观察地球的风云变幻,提示我们添衣打伞。
据中国气象局消息,2021年我国计划发射 风云四号B星和风云三号E星,“十四五”时期 共计划发射7颗风云气象卫星。
“到2035年,我 国要建立监测精密、预报精准、服务精细的气象 业务体系,气象综合实力达到世界先进水平,气 象深度融入民生保障和行业发展,气象强国基本 建成。
”该局局长庄国泰透露。
命运多舛,首星发射39天就“夭折”了1988年9月4曰,风云一号卫星总设计师 孟执中站在数+米高的发射塔架上,心中翻江 倒海。
计算机测量与控制A%3%&A!%%!&!+589:0;<';-=:<;8;>0?+5>0<56!!#%'!!#收稿日期 %3%!/335*!修回日期 %3%!///3$作者简介 郭!强%/'''&!男!硕士!助理工程师$通讯作者 伍攀峰%/'E%&!男!硕士!研究员$引用格式 郭!强!伍攀峰!许振龙A基于双核锁步的多核处理器,S*加固方法(])A计算机测量与控制!%3%&!!%%!&"%'!%''A文章编号 /5B/&4'E %3%& 3!3%'!3B!!$F- /3A/54%5 N A O@:1A//+&B5% 8\A%3%&A3!A3&!!!中图分类号 "/'!!文献标识码 V 基于双核锁步的多核处理器)S(加固方法郭!强/ 伍攀峰/ % 许振龙/%/L山东航天电子科学技术研究所!山东烟台!%5&335*%L哈尔滨工业大学航天学院!哈尔滨!/4333/&摘要 以单粒子翻转为代表的软错误是制约.F(,器件空间应用的主要因素之一*为了满足空间应用对高集成卫星电子系统抗辐照防护的要求!提出了一种面向通用多核处理器的单粒子翻转加固方法!通过软件层面双核互检!在不额外增加硬件开销的前提下!充分提高了.F(,器件的可靠性!具有良好的可移植性和较强的工程实用价值*进行软件故障注入实验!在程序执行的关键节点注入错误信息!验证该双核互检方法实用性*实验结果表明双核互锁方法可以/33U检测出系统中产生的单粒子翻转!抗软错误能力满足应用需要$关键词 双核锁步*抗辐射加固*单粒子翻转*多核处理器*软件故障注入)S(%;/>B5<@;8;>0';0A5C B5<':60/@5<;[<5@;==5<=H-=;C5>G:-6+5<;U5@2=0;9<*F e16@2/!c*I6@Z X@2/!%!d*J[X@>=@2/%/L,[6@D=@2V X Y=0\6O XS>X O8Y=@1O,O1X@O X6@D(X O[@=>=2;)X0X6Y O[-@0818a8X!W6@861!%5&335!.[1@6*%L,O[==>=ZV08Y=@6a81O0!K6Y P1@-@0818a8X=Z(X O[@=>=2;!K6Y P1@!/4333/!.[1@6&D E=0<-@0"-810=@X=Z8[X?61@Z6O8=Y0Y X08Y1O81@28[X0\6816>6\\>1O681=@=Z O=??X Y O16>=Z Z+8[X+0[X>Z%.F(,&D X71O X0Z=Y8[X0=Z8X Y Y=Y Y X\Y X0X@8X D P;01@2>X X7X@8Z>1\\1@2*-@=Y D X Y8=?X X88[X Y X`a1Y X?X@80=Z Y6D1681=@\Y=8X O81=@Z=Y[12[>;1@8X2Y68X D068X>>18X X>X O+ 8Y=@1O0;08X?01@0\6O X6\\>1O681=@0!601@2>X X7X@8Z>1\Y X1@Z=Y O X?X@8?X8[=D Z=Y2X@X Y6>?a>81+O=Y X\Y=O X00=Y10\Y=\=0X D A([Y=a2[ 8[X D a6>O=Y X6@D?a8a6>1@0\X O81=@1@0=Z8M6Y X>X7X>!8[X Y X>16P1>18;=Z.F(,D X71O X010Z a>>;1?\Y=7X DM18[=a86D D181=@6>[6Y D M6Y X=+ 7X Y[X6D!M18[62==D\=Y86P1>18;6@D08Y=@2X@21@X X Y1@2\Y6O81O6>76>a X*([X0=Z8M6Y X Z6a>81@N X O81=@X f\X Y1?X@806Y X O=@D a O8X D8=1@+ N X O88[X X Y Y=Y1@Z=Y?681=@688[X:X;@=D X0D a Y1@2X f X O a81=@\Y=2Y6?!6@D7X Y1Z;8[X\Y6O81O6>18;=Z8[X D a6>O=Y X6@D?a8a6>1@0\X O81=@ X8[=D*([X X f\X Y1?X@86>Y X0a>800[=M8[688[X D a6>O=Y X1@8X Y>=O:1@2?X8[=DO6@Z a>>;D X8X O88[X01@2>X X7X@8Z>1\\1@22X@X Y68X D1@ 8[X0;08X?!6@D?X X88[X6\\>1O681=@=Z1806P1>18;8=Y X01080=Z8X Y Y=Y0AK;3J5<C="D a6>O=Y X>=O:08X\*Y6D1681=@[6Y D X@1@2*01@2>X+X7X@8a\0X8%,S*&*?a>81O=Y X\Y=O X00=Y*0=Z8M6Y X Z6a>81@N X O81=@L!引言近年来!随着国内外航天产业和新兴技术的蓬勃发展!卫星功能密度和星上实时性要求日益增长!基于传统单核处理器设计的星载计算机系统已无法满足航天器任务需求!多核处理器应用于航天任务已成为了发展的必然(/)$航天应用的电子产品要考虑空间辐射效应的影响$空间辐射环境中的高能质子'粒子等都有可能使高集成卫星电子系统中的半导体器件在敏感区域产生瞬态脉冲!进一步触发单粒子翻转%,S*!01@2>XX7X@8a\0X80&事件!导致系统得到错误的运行结果以及系统中的其他故障!如挂起和崩溃等(%)$当辐射足够高时!可能致使存储器单元'寄存器'锁存器和触发器的数据位发生翻转!从而引起系统错误(!)$单粒子效应引发的错误类型包括硬错误和软错误两种不同类型的错误$随着集成电路工艺尺寸的持续优化!软错误出现的几率大幅度提高!已成为航天器设计中的重点研究对象(&)$就目前的技术而言!传统的星载计算机一般采用由专门定制的宇航级器件设计而成!宇航级的器件考虑了真空'辐射'原子氧等空间环境适应性和长期工作可靠性!但在性能上普遍落后于同期商用货架产品%.F(,!O=??X Y O16>=Z Z+8[X+0[X>Z&!而且价格成本远远高于后者$相比于高等级抗辐射加固宇航器件!.F(,器件因性能优异'成熟度高'采购成本低廉的特性在国际上已得到充分认可(4)$但.F(,器件在芯片设计时没有进行抗辐射加固设计!应用于空间任务易发生单粒子翻转!进而对星上电子系统产生影响!需要进行相应的抗,S*容错(5)$星上电子系统常用的抗单粒子加固措施有双机切换'多模冗余'错误检测与纠正%S$V.!X Y Y=YD X8X O81=@6@D!投稿网址 M M MA N0N O>;:9A O=?!!计算机测量与控制!第!%""""""""""""""""""""""""""""""""""""""""""""""""""""卷#%'&!#O =Y Y X O 81=@&检验等方式$文献(B )针对I =M X Y I .&53处理器核原有存储机制以及纠检错加固算法展开研究!实现了对I =M X Y I .&53两种不同纠错能力的S $V .加固设计*文献(E)中采用软硬件结合的方式!设计了一种低成本容错方法$针对星载计算机硬件采用双机冷备方案!同时通过现场可编程门阵列%^I <V !Z 1X >D \Y =2Y 6??6P >X 268X 6Y Y 6;&仲裁处理器状态!在检测到异常时进行切机*文献(')提出了一种三模冗余设计!采用部组件级冗余!!个.I *进行热冗余备份!通过^I <V 完成仲裁!信息通过高速串行外设接口%,I -!0X Y 16>\X Y 1\[X Y 6>1@8X Y Z 6O X &实现信息交互*文献(/3)中在可重构^I <V 内部设置独立工作的三核处理器!通过反熔丝^I <V 可对任一处理器进行重构!构成了可修复的三模冗余系统$尽管硬件层面的加固方式可以有效提高电子系统的可靠性!但也带来了额外的硬件开销和资源占用问题$从软件层面通过牺牲处理器部分性能来提高系统可靠性是另一种行之有效的方法$车辆'航空电子系统中常用锁步技术来实现双核处理器抗软错误软件加固(///&)$文献(/4)提出了一种扩展的双核锁步方法!将执行周期和锁步周期分离!并引入了k 写历史表k 的概念!降低了系统性能开销!但需要额外引入监测模块对两核计算结果作判断*文献(/5)发明了一种基于J ;@`+B 333的双核V )#处理器抗软错误防护方法!结合基于复算域的双核互检方法和基于检查点的回卷恢复方法!可在双核处理器核间实现软错误的检测和恢复!但检查点设置在每段程序末尾!回卷带来的系统性能开销过大$本文基于双核锁步机制!提出了一种多核处理器核间互检机制!在不引入额外硬件的前提下!将写命令作为.I *间的同步点!检查点在写同步点中选取!仅对系统关键数据的改动做记录!以较小的性能开销实现了软错误检测和系统恢复$最后采用软件故障注入方式对加固前后的处理器抗单粒子翻转能力进行评估!验证了该机制抗软错误能力满足应用的需要$!!双核锁步机制锁步技术是一种错误检测机制!常应用于车辆'航空电子系统中!是双核处理器抗软错误加固设计的重要技术手段$双核锁步系统通常被称为主从锁步处理器$冗余处理器称为从属!在开机复位%I F )!\=M X Y=@Y X 0X 8&时以与主处理器相同的状态开始!运行相同的指令!接收相同的输入!并在没有发生错误时在每个时钟周期中生成相同的输出$如果主核和从核输出结果不同!系统会自动丢弃错误并重新执行指令$如果尝试纠正错误的次数超过了允许的阈值!则会触发系统重置$双核锁步技术的原理如图/所示$检查点%.I !O [X O :\=1@8&技术是在应用程序的执行过程中!每间隔一段时间将处理器当前正确的状态以检查图/!双核锁步原理点文件的形式存储到存储器中*回卷恢复%))!Y =>>P 6O :Y X O =7X Y ;&技术是在检测到系统发生故障后!由处理器从存储器中读取最近一次保存的检查点文件!使处理器恢复至上一个正确状态并重新执行故障程序!避免在发生故障后!处理器重新开始执行应用程序!从而减少了因故障带来的计算损失!有效地提高系统的可用性和容错能力!检查点和回卷恢复技术的原理如图%所示(/B )$图%!检查点和回卷恢复技术#!双核互锁加固设计#"!!硬件架构本文提出的双核互锁加固设计是在I =M X Y I .架构中e =Y >`系列的一款双核处理器I%3%3上设计和实现的!该方法仅需要一些调整就可适用于其他系列处理器!是面向通用型多核处理器的抗软错误加固设计$硬件架构如图!所示$图!!双核互锁硬件架构两核有各自的O 6O [X 存储互锁机制产生的过程信息!通过共享的G %O 6O [X 及D D Y !存储器存储程序及运行过程中的寄存器'内存数据$本文双核互锁机制基于写操作进行同步!每次写同步都会进行两核交互!若彼此计算结果一致则继续执行程序!否则将系统状态恢复到最近的检查点!重新执行部分指令$!投稿网址 M M MA N 0N O >;:9A O =?第!期郭!强!等"基于双核锁步的多核处理器,S *""""""""""""""""""""""""""""""""""""""""""""""""""""加固方法#%'4!#$$)!中设置两级历史表%cK (!M Y 18X[108=Y ;86P >X &文件!分别存储第!个和第!g /个锁步周期内产生的写命令!写同步处更新历史表3!检查点处更新历史表/$当系统检测到错误时!调用回卷中断!从历史表中获取自上一个检查点起被更改的数据!并进行恢复$#"#!软件平台本文双核互锁设计基于"f M =Y :0操作系统实现$"f +M =Y :0操作系统是美国风河%c 1@D )17X Y &公司于/'E !年开发的一种高性能'可裁剪的嵌入式实时操作系统!具有较强的时性和可靠性!广泛应用在航空'航天'军事等实时性要求极高的高精尖技术领域中(/E/')$本文使用"f M =Y :0操作系统搭建非对称多处理%V#I !60;??X 8Y 1O?a >81\Y =O X 001@2&工作环境!在两核中运行相同的程序!通过消息队列进行两核交互!使用I =M +X Y I .处理器自带的核间中断进行检查点和回卷恢复操作$,!双核互锁加固实现在双核互锁机制中!两处理器运行相同的应用程序!基于写指令进行同步!每!个写同步设置一个验证点%"I !7X Y 1Z 1O 681=@\=1@8&$根据应用程序功能和可靠性要求等因素!合理设置"I 的数量和间隔$图&详细介绍了.I *3'.I */的执行概况及互锁加固流程$/&写同步".I *3'.I */执行相同的应用程序!在写命令处进行同步!交换数据*%&一致性判断".I *写同步后!将自身数据与来自另一处理器的数据进行比较!比较结果有一致和不一致两种*!&cK (3".I *3的一级写历史表!负责存储第!个检查点%最近的一次检查点&后.I *3对关键数据的写命令*&&cK (3#".I */的一级写历史表!负责存储第!个检查点%最近的一次检查点&后.I */对关键数据的写命令*4&"I "检查点*5&cK (/"二级写历史表!负责存储第!g /个检查点到第!个检查点%最近的一次检查点&间处理器对关键数据的写命令!在检查点处更新$数据初始化后!两核并行执行相同应用程序!在执行到写命令时进行同步$在写同步处!两核通过消息队列进行写指令交互!然后比较二者的差异!如果对比结果一致!则认为系统中没有发生故障!更新cK (3'cK (3#*若对比结果不一致!则认为当前系统中发生故障!生成回卷恢复中断信号!.I *3'.I */分别响应中断信号!使系统恢复到上一个验证点状态$执行到验证点时!若.I *写同步均判断一致!则代表连续通过了!个同步点!此时应用程序暂停执行!对比cK (3和cK (3#!若表决一致!两核生成检查点中断信号!调用中断服务例程获取cK (3内容!覆盖cK (/!并清空cK (3'cK (3#!然后继续执行应用程序$同一时刻!$$)!存储器中保留有恢复至系统第!个检查点的cK (3和恢复至第!g /个检查点的cK (/文件$处理器调用回卷中断程序!即写同步判断不一致时!.I *3'.I */从cK (3中获取第!个检查点后的所有写命令!执行回卷恢复操作!从第!个检查点重新执行该段程序!直到应用程序执行结束$在本文中!写操作范围被定义为"/&通用寄存器"<I )3+<I )!/*%&特殊寄存器"条件寄存器%.)!O =@D 181=@Y X 210+8X Y &'链接寄存器%G )!>1@:Y X 2108X Y &和计数寄存器%.()!O =a @8Y X 2108X Y &等*!&$$)!存储器$同时!在设计时要考虑以下问题"/&.I *3'.I */连接到外部$$)!存储器!并将应用程序和检查点文件存储在不同地址中*%&.I *3'.I */共享$$)!内存!对于不可同时访问的资源需要设置互斥信号量等进行保护*!&验证点在所有写同步中选取!但二者并不等同!大部分写同步不对cK (/作改动$,"!互锁判断在双核互锁机制中!由.I *本身担任监测模块!任一.I *判断两核写命令不一致!则认为系统中出现了软错误!需要采取相应措施$监测机制基于"f M =Y :0操作系统编写!采用.语言进行设计!它负责验证.I *3和.I */的一致性并通过输出的中断信号控制锁步$监测模块通过比较.I *3'.I */的写命令来判断二者是否一致!比较方式有以下两种$/&第一种方法"将.I *3'.I */同步时的写地址和写数据分别发送给对方!然后二者对各自数据的每一位进行比较*%&第二种方法"在.I *3'.I */写同步的数据中应用签名!两.I *仅对比签名来判断是否一致!签名方式有数据总和'异或掩码等$在第一种方法中!不需要对应用程序做额外修改!优点是监测覆盖率较大!但会增大系统开销$在第二种方法中!需要在同步前计算签名!即在应用程序上附加代码!但降低了监测模块对比数据量!有效降低了系统消耗时间$综合考虑上述两种方法的优缺点!采用第二种方法在.I *3'.I */的写同步数据中应用签名!而后再由.I *3'.I */进行对比!签名的实现方式是"将写地址和写数据相与!然后计算总和中二进制数据//0的个数!如表/所示$表/!.I *3写同步应用签名计算过程数据来源写地址写数据相与签名.I *33f %&3'P E 3f /%D 5E B 3f E 53f 3!.I */3f %&3'P E3f /%D 5E B3f E 53f 3!!投稿网址 M M MA N 0N O >;:9A O =?!!计算机测量与控制!第!%""""""""""""""""""""""""""""""""""""""""""""""""""""卷#%'5!#图&!双核互锁加固流程以.I *3为例!写同步流程如图4所示$首先.I *3计算自身写地址和写数据的签名!然后通过消息队列将签名发送至.I */!等待来自.I */的签名!超时则触发回卷$图4!双核互锁.I *3写同步过程接收到来自.I */的签名后!.I *3进行二者对比!不一致触发回卷$若一致性判断通过!则记录写命令!继续执行程序$,"#!检查点与回卷恢复技术!L %L /!检查点技术检查点的设置基于.I *3'.I */的写同步!设置检查点间隔为!!每连续!个写同步检验通过!就向.I *3'.I */发送一个检查点中断请求!.I *3'.I */响应中断信号后执行检查点中断操作$处理器响应中断流程如图5所示$在检查点执行过程中!发送中断请求!调用中断服务函数!初始化相关信号量和共享变量!获取cK (3中数据形成检查点文件!覆盖历史表/!并清空历史表3$!L %L %!回卷恢复技术当任何一次写同步检测到两核写命令不同时!系统进图5!处理器响应中断流程入回卷恢复操作$为了尽可能降低系统回卷引入的性能资源消耗!本文设置了四级回卷!如图B 所示$图B !回卷恢复流程一级回卷中断"一次表决不一致时!回卷计数值加/!重新执行该指令*二级回卷中断"连续两次表决不一致!按照cK (3内容修改$$)!中内存数据段与.I *寄存器的值!使它们恢复到第!个检查点状态!回卷计数值加/!其余信号清零!退出中断*三级回卷中断"按照cK (3'cK (/内容修改$$)!!投稿网址 M M MA N 0N O >;:9A O =?第!期郭!强!等"基于双核锁步的多核处理器,S *""""""""""""""""""""""""""""""""""""""""""""""""""""加固方法#%'B !#中内存数据段与堆栈数据段的值!使它们恢复到第!g /个检查点状态!回卷计数值加/!其余信号清零!退出中断*四级回卷中断"中断服务程序用$$)!中的备份数据覆盖内存数据段'.I *寄存器值!清空cK (3和cK (/!清零所有信号!重新执行该程序$当连续回卷计数为4时!代表四级回卷恢复机制仍未解决当前系统中出现的错误!控制系统复位$此外!对双核锁步过程中的数据传输进行信息冗余加固!提高系统可靠性$,",!核间交互双核互锁设计以较小的性能和资源代价来换取系统可靠性的提升!两核互为检查模块!任一核认为数据异常则默认系统受到软错误影响!可见两核的交互是双核互锁设计的关键!包括两核交互'交互方式'交互频率等!两核交互设计的好坏决定了系统性能开销大小$!L !L /!交互内容交互内容是指系统在检查点操作时具体保存的某些状态$交互内容设置详细!那么通过回卷技术可以有效地使系统回到上一个检查点时的正确状态!重新执行程序段!得到正确的结果$相应的!也会带来系统检查点操作和回卷操作时间的增加*上下文内容缺失!会导致无法通过回卷技术得到正确的系统状态!进而不能够产生正确的计算结果!使整个锁步机制失效$在本文中!交互内容包括写命令对内存数据段的改变以及.I *各寄存器值!考虑到$$)!存储器受错误检查和纠正%S ..!X Y Y =Y O [X O :1@26@DO =Y Y X O 81@2&技术加固!认为内存数据可靠性较高!并在每个程序开始执行时进行一次内存数据段备份!程序运行到检查点时仅更新交互内容不对内存数据段进行额外操作$!L !L %!交互方式通常情况下!锁步系统通过一致性检验进行两处理器的同步$目前主要的设置方式有写操作同步和划分程序块同步两种$前者是在处理器运行到写操作时!通过等待的方式进行同步!当完成一致性检验后!两个处理器同时开始后续指令执行*划分程序块是指将应用程序划分为多个块!在两块之间设置验证点!当到达验证点时!通过等待的方式实现同步$在本文中!考虑到划分程序块可能使错误数据污染内存!甚至对其他系统造成严重影响的情况!选择基于写操作同步的设置方式$但由于写操作频率在不同程序间的不确定性!本文选择将检查点设置与一致性检验设置进行区分!每次写操作都进行一致性检验!多次写操作后进行一次检查点操作$同时设置四级回卷!针对潜在单粒子影响有一定的抵抗能力$!L !L !!交互频率检查点间隔的选取对系统性能影响很大$检查点设置密集!意味着需要频繁进行检查点操作!且易产生潜在单粒子影响无法消除的现象*检查点设置稀疏!两个处理器计算结果不一致!触发回卷后需要重新执行很长一段程序$致使系统产生不必要的性能开销$在本文中!将检查点设置与一致性检验设置进行区分!每次写同步都进行一致性检验!多次写同步后进行一次检查点操作$通过写请求先到等后到的方式进行.I *3'.I */的同步$检查点数量和回卷数量设置不一致!当写同步一致性表决不通过时!根据连续回卷次数!产生相应的回卷中断信号$7!故障注入基本原理与方案设计7"!!软件故障注入技术软件故障注入技术%,c -^-!0=Z 8M 6Y X1?\>X ?X @8X D Z 6a >81@N X O 81=@&是在软件层次来实现处理器的故障注入方法!该技术不需要任何硬件设备就可以实现故障的模拟注入!而是在处理器程序编译或者运行时动态的修改执行程序!或者人为设置寄存器值来改变处理器的运行状态!这种注入方法不需要任何额外的开销!属于一种低成本的故障注入技术!且故障注入位置灵活可控!具有相当高的自由性$另一方面!通过脚本或者程序可以实现批量的故障注入操作!完成故障注入的全自动化设置$故障注入会因实现方式的不同或者注入对象的不同而略有差异!但是基本设计思想是一致的(%3)!其原理如图E所示$图E !故障注入原理图主要通过定时器超时'代码插入和异常,陷阱等技术手段(%/)!对双核锁步机制及个容错技术进行故障注入实验!模拟系统中上至双核处理器'下至处理器的寄存器'存储单元等多个层次可能发生的故障!验证双核互锁机制是否能够有效工作!提高系统可靠性$7"#!故障注入设计方案为验证本文提出的双核互锁机制的抗软错误的有效性!在两核写同步'检查点两处注入故障来模拟系统中出现的单粒子翻转现象!观察.I *3'.I */是否能正确识别软错误!并通过回卷恢复技术得出正确的结果$&L %L /!同步点故障注入在双核互锁机制中!.I *3和.I */执行相同的程序!在写同步处进行数据交互!从而进行一致性判断!产生相!投稿网址 M M MA N 0N O >;:9A O =?!!计算机测量与控制!第!%""""""""""""""""""""""""""""""""""""""""""""""""""""卷#%'E !#应的检查点中断信号或回卷中断信号$因此!为了模拟处理器在执行任务过程中数据位翻转的情况!可以通过故障注入的方法直接对处理器写命令的计算签名进行修改!故障注入位置如图'所示$图'!同步点故障注入故障注入步骤如下"/&设置信号量0123!核/每次写命令时0123信号自增*%&核/写同步计算签名后读取0123信号!若大于预设值!则进入故障注入函数*!&同步点故障注入函数获取核/计算后的签名!与3f 44444444做与运算!将运算结果重新赋值给签名*&&核/得到故障注入后的签名!通过消息队列与核3交换数据!两核进行一致性判断$连续修改一次到五次写同步后形成的核3的计算签名!每次翻转签名中的一个P 18位!模拟执行应用过程中数据位发生翻转的情况!致使系统产生回卷恢复中断信号!并观察系统回卷级数!后续是否能恢复到正确的系统状态!产生正确输出$&L %L %!检查点文件故障注入检查点文件是双核锁步机制的核心!是系统能恢复到上一个正确状态的依据$.I *执行到检查点处时!分别从cK (3'cK (3#获取数据!生成检查点文件$因此!为了模拟处理器在检查点处数据位翻转情况!可以在检查点文件生成时进行故障注入!故障注入位置如图/3所示$图/3!检查点文件故障注入故障注入步骤如下"/&设置信号量012/!核/每次进入检查点时012/信号自增*%&核/在计算检查点文件签名前读取012/信号!若大于预设值!则进入检查点故障注入函数*!&在检查点故障注入函数中!手动设置不同的故障注入位置!分别将检查点文件中各寄存器的值与3f 44444444做与运算!运算结果保存到检查点文件中*&&核/计算检查点文件签名!通过消息队列与核3交换数据!进行一致性判断$通过修改.I */生成检查点文件中各寄存器值!翻转其中的/P 18位!模拟从堆栈地址中读取各寄存器值时发生数据位翻转的情况!致使.I *3'.I */在对比检查点文件的签名时产生回卷恢复中断信号!从而达到故障注入的目的$同样通过连续注入一次到四次错误!观察系统回卷级数!是否能恢复到正确的系统状态$M !故障注入试验结果分析根据&L %所述的软件故障注入方案!分别进行相应的故障注入设计!其实验结果如表%所示$表%!双核互锁故障注入实验结果注入位置注入次数核3表决结果核/表决结果中断类型回卷次数实验次数输出正确率c /30a O O X X D 0a O O X X D,34/33U c //Z 61>Z 61>一级回卷中断/4/33U c /%Z 61>Z 61>二级回卷中断%4/33U c /!Z 61>Z 61>三级回卷中断!4/33U c /&Z 61>Z 61>四级回卷中断&4/33U c /4Z 61>Z 61>复位&4/33U c %30a O O X X D 0a O O X X D,34/33U c %/Z 61>Z 61>一级回卷中断/4/33U c %%Z 61>Z 61>二级回卷中断%4/33U c %!Z 61>Z 61>三级回卷中断!4/33U c %&Z 61>Z 61>四级回卷中断&4/33U c %4Z 61>Z 61>复位&4/33U Y /30a O O X X D 0a O O X X D,34/33U Y //Z 61>Z 61>一级回卷中断/4/33U Y /%Z 61>Z 61>二级回卷中断%4/33U Y /!Z 61>Z 61>三级回卷中断!4/33U Y /&Z 61>Z 61>四级回卷中断&4/33U Y /4Z 61>Z 61>复位&4/33U .)30a O O X X D 0a O O X X D,34/33U .)/Z 61>Z 61>一级回卷中断/4/33U .)%Z 61>Z 61>二级回卷中断%4/33U .)!Z 61>Z 61>三级回卷中断!4/33U .)&Z 61>Z 61>四级回卷中断&4/33U .)4Z 61>Z 61>复位&4/33U G )30a O O X X D 0a O O X X D,34/33U G )/Z 61>Z 61>一级回卷中断/4/33U G )%Z 61>Z 61>二级回卷中断%4/33U G )!Z 61>Z 61>三级回卷中断!4/33U G )&Z 61>Z 61>四级回卷中断&4/33U G )4Z 61>Z 61>复位&4/33U!投稿网址 M M MA N 0N O >;:9A O =?。
卫星元器件抗辐射指标优化分析王义元;韩冬梅;赵志明;柳征勇【摘要】目的在航天器设计中对选用的电子元器件提出了抗辐射指标要求.随着航天器设计寿命增加,对元器件提出的抗辐射指标越来越高,因此需要优化对元器件的抗辐射指标要求,以降低因辐射指标不满足而限制元器件的选择范围.方法通过对国内外抗辐射指标体系的对比分析和典型轨道、典型器件的数据分析,探讨总剂量指标的优化方法.对在轨翻转概率的影响因素进行分析,并采用典型数据的单粒子翻转概率评估,明确采用单一LET阈值指标的局限.结果总剂量效应和单粒子效应指标均有优化的方法和空间.结论通过对辐射环境的细化分析,降低辐射设计裕度,可降低总剂量的辐射指标要求.结合单粒子效应的应用需求以及防护设计,降低对器件LET 阈值要求.%Objective Design of spacecraft has requirements on radiation resistance indexes of electronic components.With the increase of spacecraft design life,the components requires higher radiation resistant index,so it is needed to optimize the radiation resistance index for components,in order to reduce the limit of components due to insufficient radiation indicators.Methods Through comparative analysis on domestic and foreign systems of anti radiation indicators and date analysis of typical orbit and typical device,optimization method of total dose indicators were discussed.Factors affecting the rollover probability of orbit were analyzed.Typical data of single particle rollover probability was assessed.The limit of single LET threshold indicators was identified.Results There were methods and space for optimization of indexes for both total dose effect and single particle effect.Conclusion Through detailed analysisof the radiation environment and reduction of the radiation design margin,requirements on the total dose radiation index might be reduced.The requirement on LET threshold might be reduced in combination with the application requirement of single particle effect and protection design.【期刊名称】《装备环境工程》【年(卷),期】2017(014)011【总页数】5页(P89-93)【关键词】抗辐射元器件;总剂量效应;单粒子效应【作者】王义元;韩冬梅;赵志明;柳征勇【作者单位】上海宇航系统工程研究所,上海201109;上海宇航系统工程研究所,上海201109;上海宇航系统工程研究所,上海201109;上海宇航系统工程研究所,上海201109【正文语种】中文【中图分类】TJ01空间多种带电粒子与航天器上的电子元器件相互作用,形成电离总剂量效应、位移效应和单粒子效应,引起电子器件参数退化、功能异常等,从而影响航天器在轨正常工作,甚至威胁其在轨安全[1-3]。
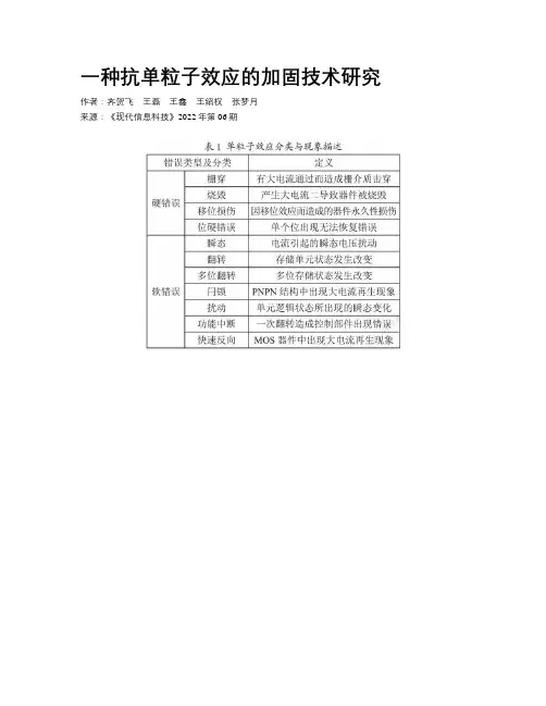
一种抗单粒子效应的加固技术研究作者:齐贺飞王磊王鑫王绍权张梦月来源:《现代信息科技》2022年第06期摘要:针对数字波控电路在星载控制电路应用中存在的单粒子翻转效应问题,提出了一种基于DICE单元的双稳态D触发器设计改进,设计了一种能够抵御众多类型单粒子翻转效应的D触发器,并基于该D触发器,结合电路级单粒子加固技术设计了一款串并转换芯片。
测试表明,采用改进D触发器结构的波控芯片能够抵御至少80 MeV的单粒子效应事件。
芯片峰值功耗不大于10 mA,写入速率不低于10 MHz,功耗为1 mW/MHz。
关键词:单粒子效应;抗辐照;三模冗余中图分类号:TN79 文献标识码:A文章编号:2096-4706(2022)06-0041-05Research on a Strengthening Technique against Single Event EffectQI Hefei, WANG Lei, WANG Xin, WANG Shaoquan, ZHANG Mengyue(The 13th Research Institute of China Electronics Technology Group Corporation,Shijiazhuang 050051, China)Abstract: In view of the problem of single particle flip effect, which exits in the digital wave control circuit in load control circuit application, this paper puts forward a bistable D trigger design improvement based on DICE unit, designs a D trigger which can resist many types of single particle flip effect. And based on the D trigger, combined with circuit level single particle reinforcementtechnology, it designs a string and conversion chip. Tests show that a wave-control chip with an improved D-trigger structure can resist the Single Event Effect events of 80 MeV at least. The peak power consumption of the chip is not more than 10 mA, the write rate is not less than 10 MHz, and the power consumption is 1 mW/MHz.Keywords: Single Event Effect (SEE); Radiation resistance; Triple Modular Redundancy0 引言地球周围存在着大量的高能粒子射线,主要分为三大类高能粒子辐射源:银河宇宙射线、太阳宇宙射线以及地球辐射带。
文章编号:1006-1630(2001)02-0056-05卫星抗辐射加固技术宋明龙, 朱海元, 章生平(上海航天技术研究院509所,上海 200240) 摘 要:分析了F Y 21C 卫星运行轨道空间辐射环境,介绍了整星、单机、器件抗辐射要求。
卫星研制过程中,对各单机和系统在技术设计、元器件选择、软件编制等的抗辐射加固设计要求。
特别对有CPU 和存储器的单粒子翻转效应(SEU )和闩锁效应(SEL )试验。
仪器和系统的软件均用故障注入的方法完成了抗SEU 的仿真试验。
关键词:太阳同步卫星;空间辐射;抗辐射加固;仿真试验中图分类号:V520.6 文献标识码:AR adiation 2R esistance and R einforce T echnology of S atelliteSON G Ming 2long , ZHU Hai 2yuan , ZHAN G Sheng 2ping(No.509Institute of SAST ,Shanghai 200240,China )Abstract :Putting forward the needs of radiation 2resistance and reinforce of the whole F Y 21C satellite ,stand 2alones and units ,analyzing space radiation environment of the satellite.In the design and manufacture ,we raise clearly the requirements of radiation 2resistance and reinforce about the stand 2alones and system ’s technology design ,unit selection and software programming.Especially SEU and SEL tests are done for the stand 2alones with CPU or memory SEU 2resisting simulation test is also done for the software of the instruments and s ystem by failure 2injecting method.K eyw ords :Sun synchronous satellite ;S pace radiation ;Radiation 2resistance and reinforce ;Simulation test 收稿日期:2000-09-29;修回日期:2001-01-05 作者简介:宋明龙(1940-),男,研究员,上海市宇航学会会员,研究领域:卫星总体。
0 引言太阳同步卫星轨道在地球内、外辐射带内,要受粒子的辐射,如果预防措施不够有力,抗辐射加固设计不全面,那么当遇到空间粒子活动剧烈时,卫星电子器件将受到损害,不能完成预定的工作任务。
研究卫星运行空间环境中各种粒子的种类、分布情况、能量及强度等因数,对星上选用元器件提出抗辐要求、硬件和软件的抗辐加固设计、系统的地面SEU 仿真试验以及故障对策等抗辐加固技术,是研制长寿命卫星的关键。
1 空间粒子辐射环境分析F Y 21C 所处空间的粒子辐射环境如下:a.地球辐射带粒子地球辐射带分为内、外两带。
内辐射带的空间范围在赤道平面约(600~10000)km 高度内;外辐射带的空间范围延伸到赤道平面约(10000~60000)km 高度。
F Y 21C 卫星的轨道高度为870km ,属于内辐射带范围。
内辐射带粒子由地球磁场俘获,粒子主要有质子、电子组成。
电子能量大于0.5MeV ,最大积分通量大于108/(cm 2・s );质子能量为(0.4~50)MeV ,最大积分通量大于106/(cm 2・s )。
F Y 21C 气象卫星飞越大西洋负磁区(西经40°)上空时,将可能经受重粒子的轰击。
b.太阳宇宙线当太阳耀斑发生时,伴随有大量高能带电粒子的发射,此即太阳质子事件。
发出的高能带电粒子称作太阳宇宙线。
太阳宇宙线主要是质子和粒子,能量一般为(10~1000)MeV。
太阳质子事件突发的高能粒子,能使星上大规模集成电路的计算机产生致命故障。
c.银河宇宙线来自银河系各个方向的高能带电粒子,绝大多数是质子和α粒子,还有少量高能粒子,此即银河宇宙线。
银河宇宙线的能量大,但通量小。
上述三种空间粒子辐射环境,前两种对卫星有较大危害。
地球辐射带粒子对CMOS器件的辐射累积损伤是主要的;而太阳质子耀斑辐射出的高能粒子,对计算机CPU、RAM及PROM等器件将产生单粒子翻转效应(SEU)和闩锁效应(SEL),从而导致数字集成电路器件发生软故障或永久性损伤。
2 抗辐射指标的确定a.轨道及工作寿命 轨道高度870km,倾角98.8°,工作寿命>2a。
b.星体表面材料和器件 总剂量:5.7×104 Gy;太阳电池电子辐照总剂量:3×1014电子数/ cm2・a。
c.星内材料与器件 总剂量:>50~1×103 Gy;3mm铝屏蔽单机内:材料与器件最低能承受60Gy。
d.抗空间静电充放要求(a)等电位要求 卫星外壳任何两点(不包括绝缘部件)之间的阻抗≤10mΩ。
(b)单机通过辐射干扰检测 在距离0.3m 处能抗10000V放电产生的电磁脉冲干扰。
e.抗单粒子翻转和单粒子闩锁要求(a)单粒子翻转 ≯10-5~10-7(次/位・天) (对星载计算机和存储器)。
(b)单粒子闩锁 电路设计抗闩锁措施,若闩锁16h内应对本机无损伤,并对卫星其他系统功能无影响。
3 抗辐加固规定和试验指标a.进行元器件试验。
集成电路抗总剂量指标是:摸底指标1×103~5×104Gy;功能考核指标5×102Gy。
b.明确需做抗辐加固验证试验的单机有星载计算机、DCDS终端设备、扫描辐射计线路箱、固态存储器、遥控接收机。
c.星载设备的软件必须采取容差设计和相应的故障隔离及对策,系统软件进行SEU仿真试验。
4 免做抗辐射加固试验条件的确定对于同时具备如下条件者,可免做抗辐射加固试验:a.元器件(a)SOS、SOL或CMOS外延结工艺;(b)抗总剂量达到1×103Gy;(c)单粒子翻转小于10-8次/位・天;(d)无闩锁效应或闩锁阈值很高。
b.单机(a)所用元器件抗总剂量达到1×102Gy以上;(b)机壳外屏蔽厚度≮3mm(铝)。
5 抗辐射加固设计5.1 电子元器件的选择和考核F Y21C星在设计阶段要求各单机研制单位对关键性器件选用SOS器件,一般器件选用CMOS外延工艺器件。
元器件的选用,在技术上采取以下准则和措施:a.选择满足抗总剂量、抗SEU、SEL指标的元器件。
b.核心器件选用HCS器件,接口级、切换级和电源等选用按有关标准制造的产品。
c.电阻、电容、三极管、二极管、继电器等选用国产可免做抗辐射验证试验的产品。
d.微处理器及其外围设备用的器件选用抗辐射加固产品。
e.大规模或超大规模集成电路需有厂方抗辐射能力的质保书,认证单位在厂方生产的批量产品中随机抽取1~2只作抗辐射验证试验。
试验品在无屏蔽状态下做辐照,只作功能测试。
f.元器件若无厂方抗辐射能力质保书,则从每种元器件中随机抽取2~3只进行功能正常、功能偏差、功能失效的总剂量辐照验收试验,试验指标为1×103Gy。
g.电子器件的重离子、高能质子的单粒子辐照试验采用Cf252锎源在器件开盖条件下进行SEU、SEL试验。
h.对暴露在星外的有机材料,采用高抗辐射塑料和涂料。
5.2 电子线路的抗辐射加固设计电子线路应进行抗辐射加固设计,以便在辐射环境下,也能够继续保持电路的功能和性能。
电路抗辐射加固的硬件措施如下:a.元器件参数指标降额使用。
降额使用指标应保证辐射、温度和老化等综合效应的最坏情况下电路性能不超过正常工作的范围。
在条件许可情况下,优先考虑使用中小规模集成电路。
b.选用合适的屏蔽方式和屏蔽材料。
c.对个别抗辐射裕度不是很高的电子器件,采用加盖0.5mm厚度的铅皮作加强屏蔽。
d.采取冗余设计,增加安全系数,对运算电路、控制电路和中断电路内部存储器采用三冗余方式,防止发生软错误。
e.冗余设计中应用故障隔离技术。
f.为防止因闩锁时过电流损坏CMOS器件,电路设计时设置限流范围。
5.3 单机抗辐射加固设计5.3.1 无CPU控制单机a.合理选取机壳屏蔽厚度。
根据F Y21C卫星2a工作寿命要求,星内仪器的机壳均采用厚度≮3mm的铝板构成,确保产品在2a辐射累计剂量条件下不造成性能超差或功能失效。
b.采用冗余设计。
除采用冷热备份措施外,当元器件发生永久性故障时,或由机内预设置指令,切换到备份单元工作,或由地面遥控指令,切换到需要的工作模式。
c.合理设计单机内闩锁电流范围。
当发生闩锁后能在16h内不会损坏仪器,经关机后恢复工作时不造成性能超差或功能失效。
d.各单机的输入、输出电路端口均采用可靠有效的故障隔离措施,保证一台单机的故障不影响相邻单机的正常工作。
5.3.2 有CPU控制单机卫星抗辐射措施中,总剂量和闩锁现象一般通过对硬件采取措施来解决,而SEU造成的软错误还需通过硬件和软件多种方法来解决。
因此,除采用无CPU控制单机的抗辐射加固设计外,还需采取如下措施:a.对不能采用三取二输出数据,并能确定为硬件故障的,要具有硬件重构功能。
b.正确设置“看门狗”,对正常/故障启动提供识别标志,供软件按不同标志进行相应的初始化处理。
c.硬件要具有自诊断功能和非法地址检验功能、非法指令检验功能。
d.星载计算机选用具有故障诊断、故障隔离、高抗辐射性能的CPU,硬件时钟与软件时钟互为备份的计时配置,以增强软件抗辐射能力;存储器具有“纠一检二”的功能,在一定程度上,对SEU 事件进行自动纠正。
e.除星载计算机外,其他用CPU控制的单机,CPU、存储器等重要器件均选用符合有关标准的产品。
5.4 星载计算机的抗辐射加固设计星载计算机按总体抗辐射加固要求进行硬件设计。
重要器件选用SOS器件,一般器件选用CMOS外延工艺器件;对不能保证无闩锁的器件,在电路设计中均用限流电阻来阻断闩锁的发生,或防止因闩锁时过电流而损伤器件。
星载计算机设计成既具有双热机冗余,又能冷热备份冗余的能独立工作的双机系统。
星载计算机的软件包含管理软件、姿态控制软件和程控测控软件。
为抗辐射加固,软件采取了如下措施:a.程序进行模块化设计,模块之间以若干单字长的中断指令进行隔离。