钢丝绳加注润滑剂的方法步骤
- 格式:ppt
- 大小:22.50 KB
- 文档页数:7
细纱锭子是纺织机械中重要的部件,其润滑加油对于保证细纱生产的顺利进行至关重要。
正确的润滑加油方法可以延长细纱锭子的使用寿命,提高生产效率,降低故障率。
然而,在进行细纱锭子的润滑加油时,也需要注意一些事项,以确保操作的安全和有效性。
下文将对细纱锭子润滑加油方法及注意事项进行详细介绍。
一、细纱锭子润滑加油方法1.定期润滑:根据细纱锭子的使用频率和工作环境,制定合理的定期润滑计划。
一般来说,细纱锭子在正常生产情况下,需要每隔一定时间进行润滑加油。
这样可以有效地防止细纱锭子因摩擦产生过热,延长使用寿命。
2.选择合适的润滑剂:在进行润滑加油时,需要选择符合细纱锭子工作环境和温度要求的润滑剂。
一般来说,细纱锭子可选择润滑油、润滑脂或者固体润滑剂。
润滑油适用于高速、高温环境下的润滑,而润滑脂则适用于低速、高负荷环境下的润滑。
固体润滑剂则适用于特殊工况下的润滑。
3.润滑方式:润滑方式一般有手动润滑和自动润滑两种。
手动润滑需要操作人员定期检查细纱锭子的润滑情况,然后进行加油或注油。
而自动润滑则是通过设备自动喷油、注油或给油脂进行润滑。
根据实际情况选择合适的润滑方式,确保细纱锭子的润滑效果。
4.润滑部位:在进行细纱锭子的润滑加油时,需要注意润滑部位的选择。
一般来说,细纱锭子包括轴承、轴颈等部位需要进行润滑加油。
不同部位的润滑方式和润滑剂选择可能会有所不同,需要根据实际情况进行具体操作。
5.注意润滑量:在进行细纱锭子的润滑加油时,需要控制好润滑剂的润滑量,尽量避免过量或者过少的情况。
过量的润滑剂会造成细纱锭子的污染和浪费,而过少的润滑剂则会导致摩擦增大,影响细纱锭子的正常工作。
二、细纱锭子润滑加油注意事项1.安全第一:在进行细纱锭子的润滑加油时,需要确保操作人员的安全。
在润滑加油前需要切断电源,并采取相应的防护措施,避免发生意外。
2.严格按照润滑加油规程进行操作:在进行细纱锭子的润滑加油时,需要严格按照润滑加油规定进行操作,禁止擅自改动润滑加油部位和润滑剂种类。
钢丝绳使用说明书1. 介绍钢丝绳是由多股金属丝捻合而成的柔性索具,具有高强度、耐磨损、耐腐蚀等优点,广泛应用于建筑、运输、石油化工等领域。
本使用说明书将详细介绍钢丝绳的使用方法、注意事项和维护保养等内容,以确保钢丝绳在使用过程中能够达到最佳效果并保证工作安全。
2. 使用方法- 安装:将钢丝绳正确地安装在相应设备上,确保每股丝绳都被正确使用,并结扎牢固。
- 松紧度:根据实际使用需求,调整钢丝绳的张力。
过松的钢丝绳可能会影响其使用寿命,过紧则会增加使用风险。
建议使用专业设备进行张力调整。
- 使用范围:根据钢丝绳的最大承载限制,确保在安全范围内使用。
不要超载使用,以免造成钢丝绳断裂或损坏。
3. 注意事项- 避免过度弯曲:钢丝绳弯曲时可能会造成损伤,导致断裂。
在使用中,避免过度弯曲或折叠钢丝绳,减少损伤风险。
- 避免摩擦:钢丝绳与其他物体的摩擦会导致表面磨损,减少强度。
在使用过程中,要避免钢丝绳与悬挂的物体、固定定位点等直接接触,以减少摩擦损伤。
- 定期检查:定期检查钢丝绳的表面状况,包括断丝、变形、锈蚀等情况。
如发现异常情况,应及时更换钢丝绳,确保使用安全。
- 防护措施:在使用钢丝绳时,应戴上耐切割手套,以防止手部受伤。
同时,确保工作区域没有其他人员站立,以减少伤害风险。
4. 维护保养- 清洁:定期使用清洁剂清洁钢丝绳的表面,去除尘土、油污等。
使用软毛刷轻轻擦拭,避免使用硬物刮擦以防表面损伤。
- 润滑:根据使用频率和工作环境,定期给钢丝绳进行润滑保养。
选择适合的润滑剂,涂抹在钢丝绳表面,确保润滑剂能够渗入绳芯,提高其灵活性和耐磨性。
- 存储:当钢丝绳不使用时,应垂直存放在干燥通风的地方,避免阳光直射、高温、潮湿等不利因素,以免造成钢丝绳质量下降。
5. 应急处理- 断裂:如果钢丝绳在使用过程中发生断裂,应立即停止使用,并替换为新的钢丝绳。
同时,要检查其他部分是否有损坏或松动,以防类似事故再次发生。
- 损伤:如果钢丝绳在使用过程中受到磨损、切割等损伤,也应立即停止使用,并更换为新的钢丝绳。
电动葫芦的钢丝绳维护保养指南电动葫芦作为一种常见的起重设备,在现代工业生产中发挥着重要作用。
钢丝绳作为电动葫芦的重要构件之一,承担着提升物体的重量。
因此,对钢丝绳的维护保养十分重要,它能够确保电动葫芦的安全运行,并延长其使用寿命。
本篇文章将为您介绍电动葫芦钢丝绳的维护保养指南,帮助您更好地使用和保养电动葫芦。
一、定期检查钢丝绳的磨损情况钢丝绳在使用过程中,由于不断地受到摩擦、拉力和挤压等力的作用,容易产生磨损。
因此,定期检查钢丝绳的磨损情况十分重要。
检查时,可以用手触摸钢丝绳表面,如果感觉到明显的平坦和磨平的部分,或者发现有任何损坏、断裂、腐蚀或变形的情况,都需要及时更换钢丝绳,以免造成事故。
二、清洁钢丝绳及其周围环境钢丝绳使用时往往会遇到各种粉尘、油污或其他杂质的污染。
这些污染物会堆积在钢丝绳表面,加速钢丝绳的磨损和腐蚀。
因此,定期清洁钢丝绳及其周围环境是维护保养的重要步骤。
可以使用刷子或湿布清洁钢丝绳,并确保周围环境干净整洁,避免腐蚀和磨损。
三、注意防止钢丝绳过度弯曲在使用电动葫芦时,需要注意避免钢丝绳过度弯曲。
过度弯曲会导致钢丝绳损坏,甚至断裂。
因此,在使用过程中,应尽量避免钢丝绳的过度弯曲。
如果需要调整方向,可以使用合适的导向装置来保持钢丝绳在合理的弯曲半径范围内运行。
四、定期润滑钢丝绳钢丝绳在使用过程中,需要定期润滑,以减少摩擦和磨损。
使用适当的润滑剂对钢丝绳进行润滑,可以有效减少钢丝绳的磨损,并提高其使用寿命。
润滑剂的选择应根据工作环境和需求进行,一般选择粘度适中的润滑剂,以确保润滑效果。
在润滑过程中,需要注意将润滑剂均匀地涂抹在钢丝绳表面,确保每个部分都被覆盖到。
五、定期检查钢丝绳的捻向和松弛度钢丝绳在使用过程中,由于长时间受到拉力和扭转力的作用,容易引起捻向和松弛度的变化。
因此,定期检查钢丝绳的捻向和松弛度,并及时调整,是保持钢丝绳正常工作状态的重要步骤。
可以使用相关工具进行检测,并根据需要进行调整。
钢丝绳保养技巧(收藏)钢丝绳是广泛应用于各种起重、运输、牵引等设备中的关键部件。
在使用钢丝绳的过程中,正确的保养和维护对于延长其使用寿命、保证作业安全具有重要意义。
以下将详细介绍钢丝绳的保养技巧,供您收藏参考。
一、钢丝绳的选用与安装1.选用钢丝绳时,应根据设备的使用环境、工作负荷等因素选择合适的钢丝绳型号和规格。
例如,对于工作环境恶劣、腐蚀性较大的场合,应选用不锈钢钢丝绳或镀锌钢丝绳。
2.钢丝绳的安装要确保正确、牢固,避免在安装过程中损伤钢丝绳。
钢丝绳与设备的连接部位要使用合适的连接件,如钢丝绳卡、卸扣等,并确保连接件的质量符合国家标准。
二、钢丝绳的日常检查与维护1.定期检查钢丝绳的外观,如发现钢丝绳表面有磨损、腐蚀、断丝等现象,要及时处理。
对于表面磨损严重的钢丝绳,可采取磨光、刷漆等措施进行修复;对于腐蚀严重的钢丝绳,要及时更换。
2.检查钢丝绳的润滑情况。
钢丝绳在使用过程中,要定期涂抹润滑油,以保证钢丝绳的润滑性能。
一般来说,钢丝绳的润滑周期为1-3个月,具体周期可根据实际使用情况调整。
3.检查钢丝绳的张力。
钢丝绳在使用过程中,要确保张力均匀,避免因张力不均导致的钢丝绳损坏。
对于多根钢丝绳并用的设备,要定期检查各钢丝绳的张力,确保其均衡。
4.避免钢丝绳过度弯曲。
钢丝绳在使用过程中,要尽量避免过度弯曲,以防止钢丝绳产生疲劳损伤。
对于需要经常弯曲的钢丝绳,可选用弯曲性能较好的钢丝绳。
5.避免钢丝绳受到冲击和振动。
钢丝绳在使用过程中,要尽量避免受到冲击和振动,以防止钢丝绳产生损伤。
对于冲击和振动较大的设备,可在钢丝绳与设备之间安装缓冲垫等防护装置。
三、钢丝绳的存放与保养1.钢丝绳在存放时,要避免与酸、碱等腐蚀性物质接触,同时要保持存放环境的干燥、通风。
2.钢丝绳在存放过程中,要定期进行检查,如发现钢丝绳表面有锈蚀、断丝等现象,要及时处理。
3.钢丝绳在存放时,要避免受到阳光直射,以防钢丝绳老化。
4.钢丝绳在存放过程中,要定期涂抹防锈油,以保证钢丝绳的防锈性能。
2024年起重机钢丝绳的维护保养钢丝绳是起重机械安全作业的三大重要构件之一(另外还包括吊钩和制动器).平时维护保养不到位,日常检查不细致,违反安全操作规程(如超载,斜拉等),这都是导致钢丝绳受到损害的原因.钢丝绳受到损害后,就容易破断,损毁设备甚至造成人身伤亡事故.钢丝绳的维修保养工作应从下面几个方面做好:1.绳端固定:绳端固定应牢固,可靠.钢丝绳绳端固定通常有4种方式:固定绳端的压板须同时牢固地压在两根绳上,且螺母应有防松装置;用金属压制的接头时,接头不应有裂纹;用楔块时,不应松动,楔套不应有裂纹;用绳卡时,绳卡安装的方向要正确,绳卡压板要压在受力绳(长绳,不是绳头)上,且数量和距离应符合要求.2.钢丝绳与卷筒:卷筒名义直径与钢丝绳直径比值不得小于14;多层缠绕卷筒应有比最外层钢丝绳高出2倍钢丝绳直径的凸缘;卷筒转动应灵活,卷筒壁不应有裂纹或过度的磨损;卷筒上钢丝绳尾端的固定装置应有防松和自锁的功能.3.安全圈数:为了保证起吊作业的安全,工作时,起重机的卷筒上至少应保留两圈钢丝绳作为其安全圈数.检查的方法是:将吊钩放到最低处(一般是地面),由此检查其安全圈数,其中不包括钢丝绳尾部固定的圈数.4.挡绳装置:滑轮应装有防止钢丝绳脱槽的装置,挡绳装置与滑轮间隙不大于1/3钢丝绳的直径.可以用目测的方法检查,必要时可以用钢尺或卡尺测量.5.钢丝绳与滑轮组:滑轮主要用于改变钢丝绳的运动方向.先要检查钢丝绳在滑轮间的穿绕顺序是否正确,同时,还要检查每个滑轮的润滑和转动情况.此外,还要检查每个滑轮凸缘处有无裂纹或破损,如果有,则必须立即更换.6.钢丝绳的报废与更新:起重机的钢丝绳应润滑良好,不得与金属机件相摩擦;不得有扭结,压扁,弯折,断股,笼状畸变,断芯等现象;钢丝绳直径的减小量不得大于7%,可以用卡尺检验;钢丝绳的断丝数不能超过标准规定,要严格按照GB5972-86进行报废与更新.2024年起重机钢丝绳的维护保养(二)重机钢丝绳是工程机械中至关重要的组成部分之一,它用于吊装和悬挂重物,承担着巨大的力量和负荷。
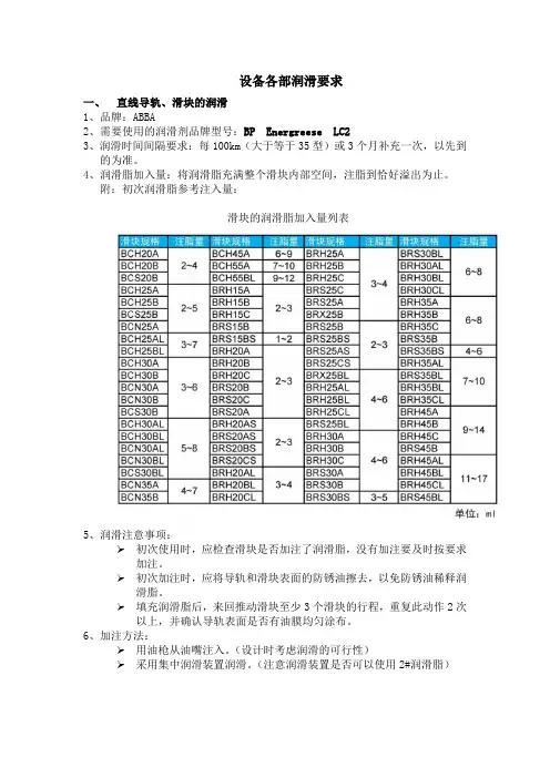
设备各部润滑要求一、直线导轨、滑块的润滑1、品牌:ABBA2、需要使用的润滑剂品牌型号:BP Energreese LC23、润滑时间间隔要求:每100km(大于等于35型)或3个月补充一次,以先到的为准。
4、润滑脂加入量:将润滑脂充满整个滑块内部空间,注脂到恰好溢出为止。
附:初次润滑脂参考注入量:滑块的润滑脂加入量列表5、润滑注意事项:初次使用时,应检查滑块是否加注了润滑脂,没有加注要及时按要求加注。
初次加注时,应将导轨和滑块表面的防锈油擦去,以免防锈油稀释润滑脂。
填充润滑脂后,来回推动滑块至少3个滑块的行程,重复此动作2次以上,并确认导轨表面是否有油膜均匀涂布。
6、加注方法:用油枪从油嘴注入。
(设计时考虑润滑的可行性)采用集中润滑装置润滑。
(注意润滑装置是否可以使用2#润滑脂)二、滚珠丝杠的润滑:1、品牌:ABBA2、需要使用的润滑剂品牌型号:BP Energreese LC23、润滑时间间隔要求:每3个月补充一次。
4、润滑脂加入量:将润滑脂充满整个丝杠母内部空间,注脂到恰好溢出为止。
5、润滑注意事项:初次使用时,应检查丝杠母是否加注了润滑脂,没有加注要及时按要求加注。
初次加注时,应将丝杠和丝杠母表面的防锈油擦去,以免防锈油稀释润滑脂。
填充润滑脂后,来回推动滑块至少3个丝杠母的行程,重复此动作2次以上,并确认丝杠表面是否有油膜均匀涂布。
6、加注方法:用油枪从油嘴注入。
(设计时考虑润滑的可行性)三、谐波减速机(进口、国产)及驱动组件内的轴承的润滑:1、需要使用的润滑剂品牌型号:SK-1A润滑脂2、润滑时间间隔要求:组装后密封好,防止润滑油泄露或者氧化,没有必要进行补充和更换。
(机器的寿命为15年~25年)。
3、润滑脂加入量及方法:参考附图:A部涂抹至盖住齿轮的深度,B部涂抹薄薄一层,C部涂抹厚度大致为钢珠的直径向波发生器涂抹,从D侧注油,直至另一侧冒出之后用手回转2到3圈外轮,内部也是一样,使油全面接触,再次从D侧注油,直至另一侧冒出,外圆薄薄涂抹,中间走孔及键槽也薄薄涂抹。
钢丝绳保养注意事项钢丝绳是一种常用于吊装、牵引等大型机械装置中的重要部件。
正常的保养维护可以延长钢丝绳的使用寿命,提高安全性能。
以下是钢丝绳保养的注意事项。
1. 定期检查: 钢丝绳在使用中容易出现磨损、撕裂、断裂等情况,因此定期检查是很重要的。
检查时应仔细观察钢丝绳的表面是否存在划痕、断丝等情况,并注意检查固定附件的稳固性。
2. 清洗钢丝绳: 钢丝绳常常会因工作环境脏污,因此定期清洗是必要的。
首先用温水和中性洗涤剂清洗钢丝绳的表面,然后用清水冲洗干净,并用干净的抹布擦干绳子表面。
3. 润滑钢丝绳: 定期对钢丝绳进行润滑可以减少磨损,提高钢丝绳的灵活性和使用寿命。
在润滑之前,应将钢丝绳表面的尘土和其他污垢清除干净。
然后,选择合适的润滑剂(通常是特殊的钢丝绳润滑油),均匀地涂抹在钢丝绳上。
4. 避免过载使用: 钢丝绳在使用时应避免过载。
钢丝绳的承载能力是有限的,超过承载能力会导致钢丝绳的损坏,严重时可能发生断裂。
因此,使用钢丝绳时一定要注意不要超过其承载能力范围。
5. 避免过度弯曲: 钢丝绳在工作中遭受过度弯曲也容易导致断裂。
因此,在使用钢丝绳时要尽量避免过弯曲,特别是小半径弯曲,以免损坏钢丝绳。
6. 防止锈蚀: 钢丝绳容易受到湿度和大气中的氧化物的腐蚀。
因此,在存放和使用钢丝绳时,应尽量避免接触湿度较大的环境,同时定期检查钢丝绳的表面是否存在锈蚀情况,发现锈蚀应及时处理。
7. 正确使用: 钢丝绳在使用中要严格按照操作规程进行操作,不得将其用于不合适的工作环境和场合。
此外,钢丝绳在使用时应注意平稳运动,避免突然加减速和颠簸,以免增加钢丝绳的磨损和损坏。
8. 存放钢丝绳: 长时间不使用的钢丝绳应妥善存放。
首先,将钢丝绳清洗干净,并涂抹保养剂。
然后,将钢丝绳悬挂在阴凉、干燥、通风的地方,避免阳光直射和湿度过大的环境。
总结以上,钢丝绳保养的注意事项包括定期检查、清洗和润滑、避免过载使用和过度弯曲、防止锈蚀、正确使用和存放。
2024年矿用钢丝绳的使用与维护正确使用和维护钢丝绳,不仅关系到提升设备的安全,还可以延长钢丝绳的使用寿命,所以在使用和维护钢丝绳时,一定要遵守《规程》中的规定。
1.使用和保管提升钢丝绳新绳应由检验单位进行验收,合格后妥善保管,防止损害和锈蚀。
每卷钢丝绳的原始资料必须完整保存。
保管超过1年的,悬挂前必须再进行1次检验,合格后才能使用。
2.滚筒上钢丝绳缠绕层数和绳头固定的规定①各种提升装置的滚筒上缠绕的钢丝绳层数严禁超过下列规定:立井中升降人员或升降人员和升降物料的,1层;专为升降物料的,2层。
倾斜井巷中升降人员或升降人员和升降物料的,2层;升降物料的,3层。
建井期间升降人员和物料的,2层。
现有生产矿井在用的绞车,如果在滚筒上装设有过渡绳楔,滚筒强度满足要求且滚筒边缘高度符合下面第②条的规定,可按本条所规定的层数增加1层。
移动式的或辅助性的专为升降物料的(包括矸石山和向天桥上提升等)以及凿井期间专为升降物料的,准许多层缠绕。
②滚筒上缠绕2层或2层以上钢丝绳时,必须符合下列要求:滚筒边缘高出最外1层钢丝绳的高度,至少为钢丝绳直径的2.5倍。
滚筒上必须设有带绳槽的衬垫。
钢丝绳由下层转到上层的临界段(相当于绳圈的1/4长的部分)必须经常检查,并应在每季度将钢丝绳移动1/4绳圈的位置。
对现有不带绳槽衬垫的在用绞车,只要在滚筒板上刻有绳槽或用1层钢丝绳作底绳,可继续使用。
③钢丝绳绳头固定在滚筒上时,应符合下列要求:必须有特备的容绳或卡绳装置,严禁系在滚筒轴上。
绳孔不得有锐利的边缘,钢丝绳的弯曲不得形成锐角。
滚筒上应经常缠留3圈绳,用以减轻固定处的张力,还必须留有作定期检验用的补充绳。
3.有钢丝绳接头的使用规定①有接头的钢丝绳,只可在平巷运输设备、30‘以下倾斜井巷中专为升降物料的绞车、斜巷架空乘人装置中使用。
②在倾斜井巷中使用钢丝绳,其插接长度不得小于钢丝绳直径的1000倍。
4.钢丝绳的使用期限摩擦轮式提升钢丝绳的使用期限不超过2年,平衡钢丝绳的使用期限不超过4年,如果钢丝绳的断丝、直径缩小和锈蚀程度不超过《规程》的规定,可继续使用,但不得超过1年。
钢丝绳油污清洗方法引言钢丝绳作为一种重要的起重工具,在使用过程中常常会积累各种油污,这不仅影响钢丝绳的使用寿命,还可能导致工作安全隐患。
因此,定期对钢丝绳进行清洗至关重要。
本文将介绍一些钢丝绳油污清洗的方法,希望可以帮助读者有效地清洗钢丝绳。
材料准备在进行钢丝绳油污清洗之前,我们需要准备以下材料:- 清洗剂:选择一种专业的钢丝绳清洗剂,最好具有去除油污、防腐蚀和护理保养的功能。
- 温水:用来调配清洗液。
- 宽口容器:用于浸泡钢丝绳。
- 刷子:用于清洗钢丝绳表面的油污。
清洗步骤下面是钢丝绳油污清洗的具体步骤:第一步:拆除钢丝绳将钢丝绳从起重设备上拆除下来。
在拆除过程中要注意安全,使用适当的工具,避免钢丝绳被拉紧或猛扔,防止意外事故发生。
第二步:准备清洗液将适量清洗剂倒入宽口容器中,然后加入温水调配成清洗液。
根据清洗剂的说明书,按照比例加水,搅拌均匀。
第三步:浸泡钢丝绳将拆除的钢丝绳完全浸泡在清洗液中,确保每根钢丝都被液体完全覆盖。
浸泡时间根据钢丝绳的油污程度而定,一般建议浸泡30分钟至1小时。
第四步:刷洗钢丝绳使用刷子蘸取清洗液,对钢丝绳表面进行刷洗。
要均匀力度、有规则地刷洗每根钢丝,特别注意不能用过大的力量猛刷,以免损坏钢丝绳。
第五步:漂洗清洗用清水彻底冲洗钢丝绳,将清洗液完全冲洗干净。
注意确保钢丝绳每根钢丝的表面无残留的清洗剂。
第六步:晾干将清洗干净的钢丝绳挂起晾干,保证充分的通风和阳光照射。
晾干的时间视钢丝绳的长度和环境条件而定,通常需要几小时到一天。
第七步:润滑保养在钢丝绳干燥后,应该对其进行合适的润滑保养。
选择一种专门的钢丝绳润滑剂,根据说明将其均匀地喷洒在钢丝绳表面,并用布进行充分的润滑。
注意事项在进行钢丝绳油污清洗时需要注意以下事项:1. 安全第一:在拆卸和清洗过程中,要注意安全,佩戴适当的个人防护装备,如手套、护目镜等,避免发生意外伤害。
2. 选用合适的清洗剂:根据钢丝绳的材质和使用环境选择合适的清洗剂,以免对钢丝绳产生不利影响。
钢丝绳的使⽤和保养⼿册钢丝绳的使⽤及更换保养⼿册⼀、卸货,检查和储存1、钢丝绳运达客户现场时,⾸先应检查包装是否在运输途中有损坏并记录,然后⽴即打开包装检查标识和状况,并验证是否符合产品证书描述及采购订单的描述。
2、为了避免意外事故,钢丝绳应谨慎⼩⼼的卸货,盘卷或绳卷既不允许坠落,也不允许⽤⾦属吊钩或叉车的货叉插⼊钢丝绳3、钢丝绳应储存的凉爽,⼲燥的仓库内,且不应与地⾯接触。
钢丝绳决不允许储存在易受化学烟雾,蒸汽或其他腐蚀剂侵袭的场所。
储存的钢丝绳应定期检查,如有必要,应对钢丝绳包扎。
如果户外储藏不可避免,则钢丝绳应加以覆盖以免湿⽓导致锈蚀。
如果钢丝绳要储存较长的时间,不建议将⼯字轮堆叠在⼀起,这将使得⽊质⼯字轮缓慢受潮,⽔分渗⼊到钢丝绳中间,导致钢丝绳被氧化锈蚀。
长度超过30m的钢丝绳应在卷盘上储存。
4、钢丝绳直径测量允许偏差和不圆度。
对于重要⽤途的钢丝绳,钢丝绳实测直径偏差为:圆股0—0.5%;异形股0—0.6%;钢丝绳的不圆度应不⼤于钢丝绳公称直径的4%(参考国标:GB8918—2006,重要⽤途钢丝绳)。
5、钢丝绳直径测量。
测量钢丝绳直径应⽤带有宽钳⼝的游标卡尺。
钳⼝的宽度要⾜以跨越两个相邻的股。
测量应在⽆张⼒的情况下,于距离钢丝绳端头15m外的直线部位上进⾏,在相距⾄少1m的两截⾯上,并在同⼀截⾯相互垂直的⽅向上测取两个数值。
四个测量结果的算术平均值作为钢丝绳的实测直径。
同⼀截⾯测量的最⼤差值与钢丝绳的公称直径之⽐为不圆度,应符合2.4的规定。
在有争议的情况下,钢丝绳的直径测量可在不超过钢丝绳最⼩破断拉⼒5%的符合下进⾏。
⼆、安装1、卷盘或绳卷展开当钢丝绳从卷盘或绳卷展开时,应采取各种措施避免绳的扭转或降低钢丝绳的扭转程度。
因为钢丝绳扭转可能在绳内产⽣结环,扭结或弯曲的状况。
为避免发⽣这种状况,对钢丝绳应采取保持张紧呈直线状态的措施。
因旋转中的钢丝绳卷盘具有很⼤的惯性,故对此需要进⾏控制使钢丝绳按顺序缓慢地释放出来。
电梯钢丝绳的保养与更换电梯钢丝绳是电梯运行过程中至关重要的组件,对于电梯的安全性和稳定性具有重要影响。
本文将就电梯钢丝绳的保养与更换进行探讨,并提供一些实用的操作建议。
一、电梯钢丝绳的保养1. 定期检查电梯钢丝绳的外观电梯钢丝绳容易受到外界环境的影响,如潮湿、腐蚀等。
因此,我们需要定期检查电梯钢丝绳的外观情况,包括是否有锈蚀、磨损、断丝等现象。
一旦发现问题,应及时采取措施修复或更换。
2. 清洁电梯钢丝绳电梯钢丝绳长时间处在运行状态下,容易积累灰尘、油污等。
我们可以定期使用柔软的刷子和中性清洁剂进行清洁。
注意,清洁剂的选择应该是非腐蚀性的,以避免对电梯钢丝绳产生不良影响。
3. 注意电梯钢丝绳的润滑电梯钢丝绳在运行过程中,需要保持良好的润滑状态,以减少摩擦和磨损。
我们可以选择专门的润滑剂,按照厂家的建议方法和频率进行润滑。
同时,应注意不要过量使用润滑剂,以免造成过度润滑而影响电梯的正常运行。
二、电梯钢丝绳的更换时机1. 寿命达到要求电梯钢丝绳一般具有一定的使用寿命,一旦超过该寿命,就需要及时更换。
一般情况下,电梯钢丝绳的使用寿命在5至8年之间。
因此,我们需要根据实际情况,定期评估电梯钢丝绳是否需要更换。
2. 发现严重磨损或断丝经过一段时间的使用,电梯钢丝绳可能出现磨损或断丝的情况。
一旦发现电梯钢丝绳存在严重的磨损或断丝现象,就需要立即更换。
这是因为磨损或断丝会导致钢丝绳的强度下降,进而影响电梯的运行安全性。
3. 维修效果不佳如果电梯钢丝绳发生了故障,经过维修仍无法恢复正常,那么更换新的钢丝绳是必要的措施。
即便维修可以使电梯恢复正常运行,但也应谨慎评估其使用寿命和安全性,如有必要,仍需进行更换。
三、电梯钢丝绳的更换步骤1. 安全措施在进行电梯钢丝绳更换之前,必须确保电梯处于停止状态,并采取相应的安全措施,以防止电梯的意外启动,造成人员伤害或财产损失。
2. 拆卸旧钢丝绳首先,需要拆卸旧的钢丝绳。
操作者应根据电梯的结构和制造商的要求,按照正确的顺序和方法进行拆卸。
钢丝绳有哪些品种与规格82种现行钢丝绳国家标准及润滑脂与补充润滑剂崔影高级工程师18崔影.钢丝绳失效机理分析及改进举措[J].港口装卸,2012(04):1-4.17崔影.胡美燕.电梯钢丝绳国标GB8903-2005相关内容讨论[A].2012纪念《金属制品》创刊40周年暨2012金属制品行业技术信息交流会16崔影,曹志广,韩丹,杨冕君.碳素钢丝铅淬火抗拉强度影响因素分析[J].金属制品,2011,37(01):57-60.15崔影,刘艳,刘震,杨冕君.电梯曳引钢丝绳强度级别讨论[J].金属制品,2010,36(06):70-72+76.14刘震,崔影,韩丹.钢丝绳用剑麻绳芯结构设计与质量控制[J].金属制品,2010,36(05):22-25.13崔影,刘艳,刘震.冷拉碳素制绳钢丝强度散差影响因素[A].2010金属制品信息网第22届年会12崔影,刘震,刘艳,田绍强.钢丝绳捻制损失产生原因分析[J].金属制品,2010,36(04):14-17.11崔影,刘艳,刘震.钢丝绳用复合材料绳芯[J].金属制品,2009,35(04):52-54+57. 10崔影.电梯钢丝绳生产及对耐疲劳性能的影响[J].金属制品,2009,35(02):15-17.9崔影.刘艳.刘震.直升式热镀锌钢丝表面质量缺陷原因分析[A].2009金属制品行业技术交流会8崔影.对直进式拉丝机改进的建议[J].金属制品,2008(03):30-31.7崔影.钢丝绳制造企业“节能减排”工作的开展与实施[A].2008金属制品行业技术交流会6崔影.钢丝拉拔中缩径跑号原因分析[J].金属制品,2007(05):8-9.5崔影.降低钢丝热镀锌生产成本的有效途径[J].金属制品,2007(03):20-22. 4崔影,杨玉洁.钢丝热镀锌成本核算方法[J].金属制品,2007(02):55-56.3崔影.钢丝热镀锌炭渣擦拭原理分析[J].金属制品,2006(05):27-28.2崔影.影响直升式热镀锌钢丝上锌量波动的因素[J].金属制品,2005(03):15. 1崔影.定尺生产热镀锌钢丝[J].天津冶金,1999(02):40-42.。
钢丝绳增摩脂
【产品介绍】本品由高性能植物树脂、防锈剂、增摩剂、稳定剂和联结剂炼制而成的高性能润滑脂,具有高的摩擦系数、优良的附着力、防锈性。
适用于高技术要求的矿用摩擦提升机钢绳与衬垫间的保护。
型号有钢丝绳增摩脂、钢丝绳增摩维护油。
【产品应用】适用于矿用摩擦提升机钢丝绳及绳芯的润滑保护。
【产品特点】
1、摩擦系数大,符合《煤矿安全规程》和相关技术规范的要求;通过中国国家安全生
产局授权机构的检测。
2、附着力强,能克服钢绳高速运动甩油、滴油现象。
3、防锈性好,能有效延长钢丝绳的使用寿命。
4、滴点高,适应矿用钢丝绳工作环境宽温要求。
【质量指标】钢丝绳增摩脂质量指标
【使用方法】此产品可以方便地喷涂、刷涂,应单绳依次涂刷。
涂后风干1~2小时,在钢丝绳表面形成弹性固体膜。
此产品含有溶剂,施油时禁止明火。
【包装贮运】本品用200升标准桶包装;装缷时轻起轻放;置于阴凉、防火库房保存。
石油钻井用钢丝绳维护、保养和安全使用1. 简介钢丝绳作为石油钻井中的关键部件之一,承担着重要的升降和悬吊作用。
为了确保钢丝绳的正常运行和延长使用寿命,需要进行维护、保养和安全使用。
本文将介绍石油钻井用钢丝绳的维护、保养和安全使用的方法和注意事项。
2. 维护和保养方法2.1 清洗和润滑石油钻井用钢丝绳在使用过程中会积累油污和灰尘,影响其工作效果和寿命。
因此,定期对钢丝绳进行清洗是必要的。
清洗时,可用温水和肥皂或专用的清洗剂进行清洗,并用刷子擦拭钢丝绳的每根细股,去除附着的油污和灰尘。
清洗后,应将钢丝绳晾干。
清洗完毕后,钢丝绳需要润滑以减少摩擦和磨损。
选择适合的润滑剂,在钢丝绳表面均匀涂抹,并用刷子或布进行擦拭,使润滑剂能够充分渗入钢丝绳的细股之间,提供充足的润滑效果。
2.2 检查和更换定期检查钢丝绳的关键部位,如固定端、连接件和捻绳处,是否有损伤、磨损或疲劳裂纹等情况。
若发现问题,应及时修理或更换钢丝绳,以避免安全事故的发生。
钢丝绳的使用寿命也会因为使用条件的不同而有所差异,一般情况下,每个石油钻井季度结束时,都应进行一次全面的检查,并根据实际情况决定是否更换钢丝绳。
2.3 存储和保护当钢丝绳不在使用时,宜存放在干燥通风的地方,并防止阳光直射。
同时,要避免与酸、碱等腐蚀性物质接触,以防止钢丝绳的质量受损。
对于较长时间不使用的钢丝绳,应定期检查其质量和状态,并进行适当的保护措施,如重新润滑、包装等,以保证其正常使用时的安全性和可靠性。
3. 安全使用注意事项3.1 荷载和使用限制在使用石油钻井用钢丝绳时,要根据其工作负荷和使用限制进行合理的选择和安排。
根据石油钻井的实际情况和需求,确定钢丝绳的规格、结构和强度,以确保其能够承受相应的荷载和使用条件。
3.2 使用环境和条件钢丝绳的使用环境和条件会直接影响其工作寿命和安全性能。
在使用过程中,要注意环境温度、湿度、腐蚀性物质等因素对钢丝绳的影响,并做出相应的措施,以保证钢丝绳的安全使用。
钢丝绳油脂清理施工工艺
钢丝绳油脂清理施工工艺是指使用特定的清洗剂和清洗设备,对钢丝绳表面的油脂进行清理的过程。
该工艺主要包括以下几个步骤: 1. 准备工作:确定清洗区域和清洗设备,确保设备完好无损,准备清洗剂和其他所需工具。
2. 清洗前准备:将钢丝绳固定好,用水将表面的灰尘和杂物冲洗干净。
3. 清洗过程:将清洗剂喷洒在钢丝绳表面,用清洗机或手动清洗刷清洗。
可根据情况多次清洗。
4. 冲洗过程:用水将清洗剂和清洗过程中溶解的污垢冲洗干净。
5. 喷涂保护剂:对钢丝绳表面进行喷涂保护剂,起到防锈和保护作用。
以上是钢丝绳油脂清理施工工艺的基本步骤,需要注意的是,在清洗过程中要保证清洗剂和水的流量和压力适宜,不要过度清洗导致钢丝绳表面受损。
同时,在使用保护剂时,要注意喷涂均匀,避免出现漏喷或浪费情况。
- 1 -。
钢丝绳保养指南(收藏)钢丝绳是广泛应用于各种起重、运输、牵引等设备中的关键部件。
为了确保钢丝绳的安全性能和使用寿命,正确的保养和维护至关重要。
本指南将详细介绍钢丝绳的保养方法,帮助您更好地了解和使用钢丝绳。
一、钢丝绳的储存与搬运1.钢丝绳在储存和搬运过程中,应避免与油脂、酸碱等腐蚀性物质接触,以免损坏钢丝绳的表面涂层。
2.钢丝绳应存放在干燥、通风的环境中,避免阳光直射和潮湿。
储存场所应保持清洁,防止灰尘和杂物进入。
3.钢丝绳在搬运过程中,应避免与其他物品碰撞,以免损坏钢丝绳的结构。
4.钢丝绳应按照规格、型号和用途分类存放,并做好标识,以便于管理和使用。
二、钢丝绳的安装与使用1.在安装钢丝绳之前,应检查钢丝绳的外观,确保无明显的损伤、腐蚀、磨损等现象。
2.钢丝绳的安装应按照设备制造商的说明书进行,确保钢丝绳的正确安装和使用。
3.钢丝绳在使用过程中,应避免超负荷使用,以免造成钢丝绳的断裂。
4.钢丝绳在使用过程中,应定期检查钢丝绳的磨损、腐蚀等情况,并及时更换损坏的钢丝绳。
三、钢丝绳的保养与维护1.钢丝绳的保养周期应根据使用环境和频率来确定,一般情况下,每月至少进行一次保养。
2.钢丝绳的保养内容包括:清洁、润滑、检查和调整。
3.清洁钢丝绳时,应使用干净的布或刷子清除钢丝绳表面的灰尘和杂物,避免使用水和清洁剂。
4.润滑钢丝绳时,应使用专用的钢丝绳润滑剂,避免使用油脂和润滑油。
5.检查钢丝绳时,应检查钢丝绳的磨损、腐蚀、断裂等情况,并及时处理。
6.调整钢丝绳时,应确保钢丝绳的张力和松紧度适宜,避免过紧或过松。
四、钢丝绳的更换与报废1.钢丝绳的更换应根据钢丝绳的磨损、腐蚀、断裂等情况来确定,一般情况下,钢丝绳的使用寿命为一年左右。
2.钢丝绳的报废标准如下:(1)钢丝绳的断丝数量超过规定的标准。
(2)钢丝绳的直径减小超过规定的标准。
(3)钢丝绳的表面出现严重的腐蚀、磨损等现象。
(4)钢丝绳的弹性减小,无法恢复原状。