全国甘蔗糖厂名单及日榨量
- 格式:pdf
- 大小:81.38 KB
- 文档页数:4
矿产资源开发利用方案编写内容要求及审查大纲
矿产资源开发利用方案编写内容要求及《矿产资源开发利用方案》审查大纲一、概述
㈠矿区位置、隶属关系和企业性质。
如为改扩建矿山, 应说明矿山现状、
特点及存在的主要问题。
㈡编制依据
(1简述项目前期工作进展情况及与有关方面对项目的意向性协议情况。
(2 列出开发利用方案编制所依据的主要基础性资料的名称。
如经储量管理部门认定的矿区地质勘探报告、选矿试验报告、加工利用试验报告、工程地质初评资料、矿区水文资料和供水资料等。
对改、扩建矿山应有生产实际资料, 如矿山总平面现状图、矿床开拓系统图、采场现状图和主要采选设备清单等。
二、矿产品需求现状和预测
㈠该矿产在国内需求情况和市场供应情况
1、矿产品现状及加工利用趋向。
2、国内近、远期的需求量及主要销向预测。
㈡产品价格分析
1、国内矿产品价格现状。
2、矿产品价格稳定性及变化趋势。
三、矿产资源概况
㈠矿区总体概况
1、矿区总体规划情况。
2、矿区矿产资源概况。
3、该设计与矿区总体开发的关系。
㈡该设计项目的资源概况
1、矿床地质及构造特征。
2、矿床开采技术条件及水文地质条件。
广西主要6大糖业集团简介广西6大制糖集团简介广西作为全国蔗糖产地,集中了全国最多的大型制糖集团,如南华集团、东亚糖业、广糖集团、南糖集团、风糖集团、东糖集团、湘桂集团、永鑫集团等,本文主要简单介绍了在广西区内产能排名靠前的6大糖业集团。
1.广西洋浦南华糖业集团股份有限公司是一家跨地区,集工、农、贸于一体的大型企业集团,由原广西南华糖业集团有限公司于2012年1月整体改制设立而成。
前身是2001年9月25日创建于海南的洋浦南华糖业集团。
公司的主营业务是:甘蔗制糖;蔗渣制浆造纸;糖蜜发酵生产味精、酒精;滤泥等废弃物生产生物有机肥等;以及相关产品购销。
公司下属企业分布于广西、云南、海南、贵州、福建和江苏6个省区,其中制糖生产企业45家(其中在广西15家,其他分布在海南省、云南省、黑龙江省等),制浆造纸企业4家,生物有机肥厂5家,炼糖企业2家,酒精生产企业1家。
现有员工2万余人,是全国规模最大的制糖企业。
公司所属企业主要分布在革命老区、少数民族地区及边境地区,原料区域涉及25万户、约125万蔗农。
公司作为中国制糖行业龙头企业,食糖产量连续十年居全国首位,年产白砂糖100多万吨,持有的“木棉花”、“东星”、“龙田”、“芒乡”、“甜源”、“杜鹃花”等十余种名牌白砂糖产品。
2.广西南宁东亚糖业集团由泰国两仪集团于1993年始分别与中国广西南宁地区5家国营糖厂合资成立,是目前中国最具实力的糖业集团之一。
集团外方股东为亚洲规模最大、在泰国最具声誉的制糖企业--泰国两仪糖业集团。
两仪集团在世界制糖企业排名第四位,同时是亚洲最大的生物质能源生产、生物酒精生产企业。
集团目前有固定员工3600多人,旗下9家公司(6家糖厂:扶南/扶南精糖/驮卢/崇左/宁明/海棠;2家生物能源发电厂;1家肥料厂)分布于中国最大的甘蔗种植基地--崇左市各县区,率先建立循环经济产业链,涵盖制糖、生物能源、肥料、酵母、物流等业务模块。
总资产由合资时的5.05亿增至60亿元,压榨能力由合资时的13,500吨/天增至95,000吨/天,榨季榨蔗量年均近千万吨,产糖量年均100万吨左右。
【环境管理】制糖工业污染物控制标准xxxx年xx月xx日xxxxxxxx集团企业有限公司Please enter your company's name and contentv《制糖工业污染物控制标准》编制说明(征求意见稿)《制糖工业污染物控制标准》编制组二○○五年十月目录1 总论 (2)1.1 任务来源 (2)1.2 行业概况 (2)1.3 标准制定的必要性 (3)1.4 标准编制原则 (4)1.5 标准编制技术路线 (4)1.6 标准编制开展的主要工作 (5)2 制糖生产工艺及污染分析 (8)2.1 甜菜制糖工艺及污染分析 (8)2.2 甘蔗制糖工艺及污染分析 (10)3 制糖工业废水治理技术 (15)3.1 低浓度废水循环利用 (15)3.2 中高浓度有机废水的生化处理 (17)4 主要技术内容和指标的确定 (21)4.1 标准框架制订的依据 (21)4.2 水污染物排放标准限值确定的依据 (22)4.3 大气污染物排放标准限值的确定 (29)4.4 噪声标准限值的确定 (31)4.5 固体废弃物处理处置规定 (31)4.6 污染控制措施的确定 (31)5 经济评估及污染治理工艺分析 (33)5.1 环境效益分析 (33)5.2 重点技术设备成本效益分析 (33)附件1 糖厂调查数据汇总 (36)附件2 国内外制糖行业污染物排放标准相关数据 (41)附件3 主要参考文献 (45)1 总论1.1 任务来源根据《关于公布2003年度环境标准编制单位名单的通知》(国家环保总局办公厅环办函[2003]508号),《制糖工业污染物排放标准》由中国轻工业清洁生产中心牵头制订。
1.2 行业概况制糖工业是食品行业的基础工业,又是造纸、化工、发酵、医药、建材、家具等多种产品的原料工业,在国民经济中占有重要地位。
2003/04年制糖期,全国共生产食糖1002.3万吨,比上个制糖期下降5.7%。
其中:甘蔗糖943.57万吨,甜菜糖58.73万吨。
榨糖甘蔗品种榨糖甘蔗是世界上最有影响力的工业作物之一,其主要用途是生产糖和酒精。
目前,全球甘蔗产量超过18亿吨,其中巴西是世界最大的生产国,其次是印度。
中国也是全球重要的甘蔗生产国之一,其甘蔗品种丰富多样,包括黄贡、黑贡、青贡、皮革糖等等。
本文将介绍一些常见的榨糖甘蔗品种。
一、黄贡甘蔗黄贡甘蔗又称为黄垅甘蔗,属于多节甘蔗,茎秆粗壮,直立,不分枝。
其甜度高、汁液浓稠、纤维少,易于加工。
黄贡甘蔗适宜于生长在长江流域、四川盆地等地,其耐热性和抗倒伏性强,较适宜于南方地区种植。
黄贡甘蔗是中国品种中最早被引进并广泛种植的品种之一,其在中国榨糖业中具有重要地位。
二、皮革糖甘蔗皮革糖甘蔗属于中早熟品种,茎秆中空,粗壮,有少量的枝叶。
其甜度适中,汁液含量高,适合生产糖和酒精。
皮革糖甘蔗主要生长在长江流域、江南平原等地,对土壤要求不高,抗逆性较强。
另外,皮革糖甘蔗的纤维含量极低,不仅有利于加工,而且糖分含量较高,因此广受榨糖企业的欢迎。
黑贡甘蔗属于晚熟品种,茎秆长而细,有数个重叠的节,具有高度的抗倒伏性。
其汁液红黑色,糖分含量高,风味独特,适用于生产特色糖制品。
黑贡甘蔗主要生长在东南沿海地区,如福建、广东、海南等地,对土壤要求不高,但对温度、湿度有较高的要求,因此适宜于南方地区种植。
青贡甘蔗也叫绿甘蔗,属于早熟品种。
其茎秆白绿色,粗细适中,非常适合加工,而且糖分含量高、纤维含量少,是生产白糖的首选。
青贡甘蔗主要生长在江苏、安徽等地,对土壤要求不高,适合于平原地带、丘陵地带以及半山区。
青贡甘蔗的特点是生长快、抗逆能力强、抗病虫能力强,是种植人口密集区的主要品种之一。
五、酿酒甘蔗酿酒甘蔗是专门用于生产酒精和其它酒类的甘蔗品种,其主要特点是糖分高、纤维少、香气浓郁。
酿酒甘蔗种类繁多,如巨甘、合青12号、农18、岭南甜1号等。
酿酒甘蔗一般生长在南方地区,对气候、土壤、水份等条件要求较高,种植难度大,但收益较高。
以上是一些常见的榨糖甘蔗品种,它们在生长条件、加工方式、特性等方面有所不同,但都是我国榨糖业的重要来源。
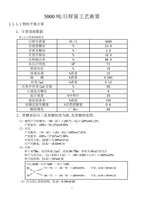
5000吨/日榨量工艺衡算1.1.1.1物料平衡计算1、计算基础数据2、煮糖部份以三系煮糖制度为准,见煮糖制度图。
(1)糖浆产白砂糖率:(90-42)÷(99.75-42)×100%=83.12%产废蜜率:100%-83.12%=16.88%(2)丙羔产丙糖率:(54-42)÷(85-42)×100%=27.91%产废蜜率:100%-27.91%=72.09%应煮丙羔量:16.88÷72.09%=23.42可产丙糖量:23.42-16.88=6.54(3)丙种种子850Bx,设用种量21m3,煮成99.50Bx、体积为60 m3的丙羔种子与丙羔比:(21×0.85×1.45)÷(60×0.995×1.55)×100%=28%种子固溶物:23.42×28%=6.56(4)丙羔需乙原固溶物:23.42-6.56=16.86(5)乙糖羔产乙糖率:(75-50)÷(95-50)×100%=55.56%产蜜(乙原)率:100%-55.56%=44.44%需煮乙羔量:16.86÷44.44%=37.94(乙原全煮丙羔)产乙糖量:37.94×55.56%=21.08以丙糖为底料,用甲原煮制需甲原量:37.94-6.54=31.40(6)甲糖羔产甲糖率:(88-70)÷(99.75-70)×100%=60.50%需煮甲羔量:83.12÷60.50%=137.39甲原、甲洗合计:137.39-83.12=54.27甲洗量:54.27-34.68=19.59甲洗回煮量:19.59-3.28=16.31配甲羔量复核:100+21.08+16.31=137.39图1-1 三系煮糖制度图2、物料衡算表1—2物料衡算表1.1.1.2热力平衡计算1、混合汁、中和汁加热耗汽量加热所需蒸汽计算如下:D = g×c(t2-t1)×(1+9n)/r式中:g—蔗汁量(%蔗重)c—被加热蔗汁比热(KJ/kg.℃)t1、t2—蔗汁加热前后温度(℃)9n—热损失对有效热量百分比(%)r—加热蒸汽潜热(KJ/kg)2、煮糖耗汽量:计算公式如下:耗汽量:D=E×g×(B2—B1)/B1式中:E—蒸发系数g—甲、乙、丙糖膏量(煮种子已包括在内)%蔗重B1、B2—原料浓度和糖膏浓度(0Bx)煮糖总耗汽:22.74%(47.37 t/h——5000T/日),其中甲羔抽Ⅰ效6.41 %,乙丙羔抽Ⅱ效16.33%。
白糖考察报告(二)
时间:12月8日
地点:广西东门南华糖厂
南华糖厂领导在与考察团的会谈中提到,南华糖厂在法律上是全国最大的制糖企业,目前甘蔗日榨量达到3万吨,去年产糖量30.03万吨,含税销售收入达到13亿,本榨季该企业所在蔗区总的种植面积为48.9万亩,但是因为广西修建高速公路,征收了一部分甘蔗地,目前可供收割的面积为48.59万亩,本榨季开榨时间为11月18日,截止12月6日,已经榨糖2.5万吨,出糖率为10.5%,后期随着榨季的推进,出糖率会进一步的提高;今年的天气情况对于甘蔗来说是风调雨顺,每亩甘蔗单产可能提高0.2吨,该企业本榨季预计少产糖7000-10000吨糖,目前销售情况良好,没有多余库存,该领导认为眼下广西的干旱天气可能对后期的甘蔗收榨产生不利影响。
总结分析:从南华糖厂领导的报告中可以看出,即使甘蔗种植面积减少,旱情也影响出糖率,但是最终的食糖减产量却微乎其微,另外,从我们对行程中甘蔗地亲眼所见,广西大部分甘蔗长势良好,真正受旱严重的区域可能不足总面积的5%,这将的后续的考察中进一步验证。
张健。
日榨甘蔗5000吨亚硫酸法糖厂的工艺设计第一章总论一、设计依据①广西大学生物技术与糖业工程学院制糖教研室下达的毕业设计任务书②实习过程中收集的有关资料二、设计原则与设计范围(1)、设计原则①遵守国家法律、法规,贯彻执行国家经济建设方针、政策和基本建设程序,特别应贯彻执行提高经济效益和促进技术进步的方针,响应党和政府发展糖业的号召。
②从全局出发,正确处理农、工、人民内部的关系,设计中尽量节约用地,不占或少占良田,充分利用荒山、空地、劣地和山地。
③本着切合实际、技术先进、经济合理、安全适用的原则,积极采用经过生产考验的先进成熟工艺、新技术、新设备,努力提高机械化、自动化水平,减轻劳动强度,改善劳动条件,合理使用劳动力,提高劳动生产率,力求达到投资少,收效快,质量好,成本低的要求。
④要节约能源,结合当地实际情况,积极实行综合利用,搞好“三废”处理,变废为宝,充分利用资源,支援农业,防止污染,保护环境。
⑤要立足自力更生,注意专业化合作⑥要符合国家各项设计规范,技术标准。
(2)设计范围本设计为日榨甘蔗5000吨亚硫酸法糖厂的工艺设计。
设计糖厂一般分为初步设计和施工图设计。
初步设计由设计说明书、图纸和总概算组成。
它是确定建设项目的投资额,控制了工程拨款,组织主要设备定货,签定贷款合同等的依据。
施工图设计是根据批准的初步设计文件和筹建单位提供订购设备的技术资料和图纸进行,并据以指导施工。
而工艺设计则是初步设计内容之一,是整个糖厂总体设计的一个重要组成部分,是整个设计的核心。
由于全厂设计的工作量大,而毕业设计的时间有限并且是初步设计,因此结合所学的专业知识,进行工艺部分的设计。
设计范围包括确定生产方法、生产流程、物料衡算、热量衡算、设备能力计算、确定设备规范、型号及台数等;编制制炼车间部分设计规范一览表;绘制物料流程图、汽—汽凝水流程图、设备总图。
三、生产规模、生产方法和产品方案(1)、生产规模:日处理甘蔗5000吨结合我区实际情况以及当地的具体条件,根据糖业发展趋势,为满足广大人民对糖的需要,新建一个日榨5000吨的甘蔗糖厂。
广西蔗糖概况蔗糖业是广西经济的优势产业和全国糖业的支柱产业,全自治区糖料蔗面积、总产量和产糖量位居全国第一,其中蔗糖产量占全国的60%以上。
广西壮族自治区地处亚热带湿润季风气候的南部,境内热区面积23.6万平方公里,气候温和,阳光充足,雨量丰富,土地肥沃,是中国糖料生产的主要基地。
上个世纪80年代以来,国家把广西列为了国家重要的产糖基地,广西甘蔗产业得了长足的发展,甘蔗生产也成为了广西的支柱产业之一和广大农民的主要经济收入来源。
近年来,年植蔗面积稳定在1500万亩左右,年蔗糖产量在700万吨以上,工农业产值突破400亿元以上,成为广西经济发展特别是少数民族地区脱贫致富的重要产业。
广西甘蔗种植主要分布于南宁、崇左、来宾、柳州、百色、河池、钦州、北海、防城、贵港10个市(区),各地市(区)甘蔗种植面积情况如下图所示。
目前,广西有56个县(市、区)、749个乡镇生产糖料蔗,蔗农人口达2000万人,全区49个贫困县中有36个县主要依赖种植甘蔗解决农民温饱问题。
糖料蔗总产占广西地区主要经济作物总产的70%以上,商品率高达98%,农民种蔗收入约占种植业收入的25%。
广西食糖主产区分布图(资料来源:中国糖网)广东蔗糖概况广东蔗区是全国重要的糖料生产基地之一,有良好蔗糖发展基础,甘蔗种植面积和蔗糖产量位于全国第三。
广东蔗糖产业主要集中在湛江蔗区,湛江甘蔗种植面积占全省的82%,蔗糖产量占全省的89%。
湛江市位于广东省西南部,祖国大陆最南端,地处热带北缘,属于北热带季风气候区,具有光热充足、雨量丰富、土地肥沃、台风频繁等特点,发展糖蔗生产十分有利。
湛江蔗区常年种植甘蔗180万亩左右,产糖量100万吨左右,单产6吨/亩以上,是全国单产最高的优势区域。
湛江蔗糖生产基地是广东省乃至全国重要的甘蔗生产和制糖基地,湛江蔗糖产业经多年来的发展壮大,已发展成为“三农”的支柱产业之一。
湛江市现有制糖企业20余家,压榨能力7.5万吨,各类综合利用企业15家,相关配套企业30多家。
广西田东南华糖业有限责任公司二糖厂制炼车间2014/2015榨季目标计划实施方案拟制/日期:审核/日期:复核/日期:审批/日期:制炼车间2014/2015榨季目标计划实施方案1、目的为了更好地完成2014/2015年度各项目标指标,结合车间上榨季及历年生产情况,分析存在的问题,制定制炼车间2014/2015榨季目标计划实施方案,要求相关岗位对照执行,确保2014/2015榨季目标计划管理工作顺利完成。
2、目标计划实施要求〈一〉、产糖率1、2013/2014榨季基本情况2013/2014榨季我厂甘蔗过榨量为 1017588.866吨,煮炼收回率90.14%,总收回率87.04%产糖率为12.04%。
白砂糖一级品率完成99.413%,与上榨季持平。
高品质产率为22.07%低于去年12.5个百分点,白砂糖色值130IU以下比率为54.81%,一级白砂糖存储色值检测合格率100%。
2、糖蜜数据统计分析、目标计划及措施分析:(1)2013/2014榨季我厂废蜜重力纯度为38.94GP,与广西先进水平35GP比偏高了约4个百分点,比本厂四个榨季的平均值(38.29GP)高了0.65百分点,榨季生产废蜜重力纯度偏高和废蜜量过大,造成了糖蜜损失蔗糖水平偏高,主要影响因素是丙种及丙糖的煮制操作技能水平和丙膏分蜜控制管理:①煮糖方面抽种量、种子整理、养晶过程和糖蜜的稀释是由人工经验控制,存在偏差。
②分蜜方面,打汽、打水时间和稀释操作由人工经验控制,存在偏差,分蜜工与气送泵工沟通不足,筛完糖时气送泵工不能及时关水。
(2)废糖蜜量与蔗比与行业先进水平(3.3%蔗)过高,比本厂四个榨季平均值(3.56%对蔗)高了0.15百分点,主要原因:废蜜的重力纯度偏高及糖浆的纯度大部分在83.9AP以下,影响了煮炼收回率。
(3)B线的废蜜重力纯度比A线高于1个百分点,且种子杂,不均匀,影响各级糖膏的结晶率。
(4)A线废蜜锤度平均值93.03,上限值96.96,超上限次数甲班31次,乙班13次,丙班7次;废蜜重力纯度平均值38.15,上限值38.99,超上限次数甲班14次,乙班27次,丙班21次;B线废蜜锤度平均值93.10,上限值96.45,超上限次数甲班20次,乙班14次,丙班11次;B线废蜜重力纯度平均值38.59,上限值39.42,超上限次数甲班9次,乙班17次,丙班12次。
中国最大的制糖企业——洋浦南华糖业集团简介2007-12-17 07:59:41| 分类:默认分类| 标签:|字号大中小订阅中国最大的制糖企业——洋浦南华糖业集团简介洋浦南华糖业集团(一下简称“南华集团”)是一家跨地区的,集工、农、贸于一体的大型企业集团,为全国规模最大的制糖企业集团,2006跨2007制糖年度产糖169万吨,占全国食糖总产量14.08%,预计2007跨2008制糖年度产糖220万吨,占全国食糖总产量16%以上。
主营业务为甘蔗、甜菜制糖;蔗渣制浆、造纸;糖蜜发酵生产酒精、味精;甜菜废丝生产颗粒粕饲料;发酵废液及糖厂滤泥等废弃物生产生物复合肥;相关产品购销、甘蔗种植等。
目前南华集团旗下拥有51家独立法人企业、1家分公司,集团有在职职工23000余人。
2007年预计可实现销售收入70亿元。
南华集团下属企业分布在广西、海南、云南、广东、黑龙江、福建和江苏等地区。
在广西,南华集团拥有1家分公司,17家独立法人企业(其中有糖厂14家、造纸厂1家、有机肥料厂1家、麸酸生产厂1家、塑料编织袋生产厂1家),有在职职工9000余人。
2006年跨2007年产糖109万吨,产量居广西各产糖企业中的第一位,约占广西总产糖量的15%。
在黑龙江省,南华集团共有7家独立法人企业,全部为糖厂,制糖能力为日处理甜菜1.3万吨,糖厂数量和产糖量均占黑龙江省一半以上。
在海南省,南华集团共有13家独立法人企业(其中糖厂8家、有机肥料厂1家)。
2006年跨2007年产糖23.3万吨,产糖量居海南省各企业中的第一位,约占海南省总产糖量的65%,有在职职工5000余人。
在云南省,南华集团共有独立法人企业12家(其中有糖厂10家、造纸厂1家、在建年产10万吨的蔗渣造纸厂1家)。
200年跨2007年产糖约35万吨,占云南省产糖量的19%,有在职职工5000余人。
在江苏省,南华集团有独立法人企业1家,为在建生产能力为30万吨的炼糖厂。
国内甘蔗品种资源的产量与糖分评价
1 中国甘蔗品种资源
中国的甘蔗品种资源丰富,分布范围广泛,可以满足不同地区的
新品种需求。
目前,中国国内普遍采用的甘蔗品种有台湾利林彩、台
湾橡果、秦岭玉龙、福鼎宝丽、金盏剑柳、金元和平、济南宏思、河
北玉润、杭州夜神等。
2 甘蔗产量
甘蔗产量主要受养分和水分、光照、温度、土质、施肥以及病虫
害等因素的影响,其中以基地、种植密度、技术、施肥、控病虫以及
增产等具体技术因素的选择对最终的产量产生着决定性的影响。
3 甘蔗的糖分评价
甘蔗的糖分评价标准主要有以下几个方面:①甘蔗颗粒形态良好,即颗粒较大、深而色泽纯正;②糖分较高,一般为甘蔗糖(sucrose)
含量在13%以上;③酸值低,一般为总酸量(titratable acidity)在0.3%以下。
4 如何选择甘蔗品种
选择甘蔗品种首先要考虑满足作物不同地区种植技术和要求,如
抗病性、抗虫性等;其次要考虑果实品质和糖分水平,包括果实形态、外观、口感、持久性等;最后要考虑农艺性状,如苗床繁殖期、灌溉
和施肥要求、抗旱抗寒抗除、抗重金属污染等。
总体而言,针对满足不同区域甘蔗资源需求,必须在品种选择、繁殖、种植管理及病虫害防治等方面打出一片大帆,以期取得更高的产量和糖分水平。
广西榨糖甘蔗品种广西是我国重要的糖业省份,甘蔗是广西主要的糖料作物。
随着科技的不断发展和甘蔗品种的不断研发,广西榨糖甘蔗品种也在不断更新换代。
下面就让我们一起来了解一下广西榨糖甘蔗品种的特点和发展情况。
1. 南糖15南糖15是广西地区广泛种植的一种榨糖甘蔗品种,该品种适应性强,生长快,抗病虫害。
其糖分较高,每亩产量也较高,是商业栽培的主要品种之一。
南糖15整个生长周期大约为10个月左右,生长期要求温度在20℃以上,降雨量要求在1000mm以上。
2. 黑糖干黑糖干是广西地区新近推广的一种榨糖甘蔗品种,该品种生长周期较长,生长速度慢,但是糖含量较高,品质好。
黑糖干的特点是抗旱、抗病虫害、抗逆性强,适合在广西的高温多雨的环境中种植。
该品种每亩产量较低,适合在小规模栽培。
3. 古米6古米6是广西地区常见的一种榨糖甘蔗品种,该品种株型矮小,生长周期短,生长速度快,适应性强。
古米6的糖含量较高,每亩产量也比较高,是商业栽培中的主要品种之一。
栽培要求温度在20℃以上,降雨量要求在1000mm以上。
古米6的品质稳定,适合在广西地区的平原和沿海地带种植。
4. 藤翁甘蔗藤翁甘蔗是广西地区新开发的一种榨糖甘蔗品种,其特点是结实耐糖,口感甜美,鲜美味的汁液适合糖品加工。
藤翁甘蔗的吸糖性能好,性质稳定,是广西地区商业栽培中的新兴品种。
其生长适应性强,抗病虫害、抗旱、抗逆性强,适合在广西的沿海地带种植。
总的来说,随着科技的不断发展和甘蔗品种的不断研发,广西榨糖甘蔗品种不断更新换代,取得了可喜的成果。
以上仅仅是广西榨糖甘蔗品种的一些代表品种,随着科技和生产技术的不断提升,未来广西地区将会出现更多更优秀的榨糖甘蔗品种,切实提高广西糖业的竞争力和经济效益,为广西地区经济发展做出贡献。
广西6大制糖集团简介广西作为全国蔗糖产地,集中了全国最多的大型制糖集团,如南华集团、东亚糖业、广糖集团、南糖集团、风糖集团、东糖集团、湘桂集团、永鑫集团等,本文主要简单介绍了在广西区内产能排名靠前的6大糖业集团。
1.广西洋浦南华糖业集团股份有限公司是一家跨地区,集工、农、贸于一体的大型企业集团,由原广西南华糖业集团有限公司于2012年1月整体改制设立而成。
前身是2001年9月25日创建于海南的洋浦南华糖业集团。
公司的主营业务是:甘蔗制糖;蔗渣制浆造纸;糖蜜发酵生产味精、酒精;滤泥等废弃物生产生物有机肥等;以及相关产品购销。
公司下属企业分布于广西、云南、海南、贵州、福建和江苏6个省区,其中制糖生产企业45家(其中在广西15家,其他分布在海南省、云南省、黑龙江省等),制浆造纸企业4家,生物有机肥厂5家,炼糖企业2家,酒精生产企业1家。
现有员工2万余人,是全国规模最大的制糖企业。
公司所属企业主要分布在革命老区、少数民族地区及边境地区,原料区域涉及25万户、约125万蔗农。
公司作为中国制糖行业龙头企业,食糖产量连续十年居全国首位,年产白砂糖100多万吨,持有的“木棉花”、“东星”、“龙田”、“芒乡”、“甜源”、“杜鹃花”等十余种名牌白砂糖产品。
2.广西南宁东亚糖业集团由泰国两仪集团于1993年始分别与中国广西南宁地区5家国营糖厂合资成立,是目前中国最具实力的糖业集团之一。
集团外方股东为亚洲规模最大、在泰国最具声誉的制糖企业--泰国两仪糖业集团。
两仪集团在世界制糖企业排名第四位,同时是亚洲最大的生物质能源生产、生物酒精生产企业。
集团目前有固定员工3600多人,旗下9家公司(6家糖厂:扶南/扶南精糖/驮卢/崇左/宁明/海棠;2家生物能源发电厂;1家肥料厂)分布于中国最大的甘蔗种植基地--崇左市各县区,率先建立循环经济产业链,涵盖制糖、生物能源、肥料、酵母、物流等业务模块。
总资产由合资时的5.05亿增至60亿元,压榨能力由合资时的13,500吨/天增至95,000吨/天,榨季榨蔗量年均近千万吨,产糖量年均100万吨左右。
中国食糖基本情况中国食糖基本情况一、我国食糖基本情况概述食糖是天然甜味剂,是人们日常生活的必需品,同时也是饮料、糖果、糕点等含糖食品和制药工业中不可或缺的原料。
食糖作为一种甜味食料,是人体所必须的三大养分(糖、蛋白质、脂肪)之一,食用后能供给人体较高的热量(一公斤食糖可产生3900大卡的热量)。
白砂糖(以下简称“白糖”)几乎是由蔗糖分这种单一成份组成的,白糖的蔗糖分含量一般在95%以上。
食糖生产的基本原料是甘蔗和甜菜,甘蔗生长于热带和亚热带地区,甜菜生长于温带地区。
我国甘蔗糖主产区主要集中在南方的广西、云南、广东湛江等地,甜菜糖主产区主要集中在北方的新疆、黑龙江、内蒙等地。
尽管原料不同,但甘蔗糖和甜菜糖在品质上没有什么差别,国家标准对两者同样适用。
我国是重要的食糖生产国和消费国,糖料种植在我国农业经济中占有重要地位,其产量和产值仅次于粮食、油料、棉花,居第四位。
2003年以前,我国食糖产量在600-800万吨之间,消费量基本维持在800万吨左右,食糖生产不能满足国内需求,大多数年份依靠食糖进口来弥补。
2003年来我国食糖产量在1000万吨左右,消费量超过1000万吨,产销基本平衡(如图一所示)。
我国食糖产销量仅次于巴西、印度,居世界第三位(如果把欧盟作为一个整体统计,我国食糖产量居世界第四位)。
我国食糖的市场化程度很高,国家宏观调控主要依靠国家储备,市场在价格形成过程中起主导作用。
我国是世界上用甘蔗制糖最早的国家之一,已有2000多年的历史。
用甜菜制糖是近几十年才开始的。
1.食糖的生产及其特点工厂利用甘蔗、甜菜榨取糖汁,经过沸腾浓缩,中心分离形成糖结晶,这种结晶称为原糖,呈浅棕色。
原糖经过提炼后,成为日常消费的成品糖(如白砂糖、绵白糖等)。
国际上大多数发达国家制糖是采用“原糖——精糖”二步法的制糖生产方法,即“田间糖厂(产出半成品原糖)+精炼糖厂(产出精制糖)”生产方式,先是生产原糖,然后再回溶生产精炼糖的方法。