玻璃幕墙热工计算
- 格式:docx
- 大小:393.36 KB
- 文档页数:16
目录一、工程概况 (2)二、幕墙设计依据的标准、技术规范 (2)2.1设计参数 (2)2.2采用规范 (2)三、结构设计理论及材料性能参数 (10)3.1荷载计算 (10)3.2计算模型的选用 (13)3.3常用材料的力学及其物理性能 (16)3.4 幕墙危险点的确定说明 (22)四、标准玻璃幕墙的计算 (23)4.1玻璃幕墙玻璃的设计计算 (25)4.2玻璃幕墙竖框的设计计算 (29)4.3玻璃幕墙横框的设计计算 (29)4.4焊缝及埋件的计算 (31)4.5框架连接计算 (36)五、标准石材幕墙的计算 (40)5.1 石材幕墙石材的设计计算 (40)5.2石材幕墙竖框的设计计算 (41)5.3石材幕墙横框的设计计算 (44)5.4焊缝及埋件的计算 (46)5.5框架连接计算 (51)工程设计计算书一、工程概况工程名称:晋城市城区人民法院综合办公楼幕墙工程二、幕墙设计依据的标准、技术规范2.1设计参数基本风压值:W0=0. 45KN/m2=0.04(根据《建筑工程地震设防烈度:6度,设计基本地震加速度值为(0.05 g)max抗震设防分类标准》GB50223—2008。
地区粗糙度:C类2.2采用规范2.2.1幕墙设计规范♦《建筑幕墙》GB/T 21086-2007♦《玻璃幕墙工程技术规范》JGJ 102-2003♦《金属与石材幕墙工程技术规范》JGJ 133-2001♦《铝合金结构设计规范》GB 50429—2007♦《建筑幕墙气密、水密、抗风压性能检测方法》GB/T 15227-2007♦《建筑门窗玻璃幕墙热工计算规程》JGJ/T151-2008♦《建筑幕墙平面内变形性能检测方法》GB/T 18250-2000♦《建筑幕墙抗震性能振动台试验方法》GB/T 18575-2001♦《点支式玻璃幕墙工程技术规程》CECS 127:2001♦《点支式玻璃幕墙支承装置》JG 138-2001♦《吊挂式玻璃幕墙支承装置》JG 139-2001♦《建筑玻璃采光顶》JG/T 231-2007♦《小单元建筑幕墙》JG/T 216-2007♦《玻璃幕墙光学性能》GB/T 18091-2000♦《建筑采光设计标准》GB/T 50033-2001♦《屋面工程质量验收规范》GB 50207-2002♦《工业建筑防腐蚀设计规范》GB 50046-2008♦《建筑玻璃可见光透射比、太阳光直接透射比、太阳能总透射比、紫外线透射比及有关玻璃参数的测定》GB/T 2680-19942.2.2铝合金门窗设计规范♦《铝合金门窗》GB/T 8478-2008♦《建筑外门窗气密、水密、抗风压性能分级及检测方法》GB/T 7106-2008♦《建筑外门窗保温性能分级及检测方法》GB/T 8484-2008♦《建筑门窗空气声隔声性能分级及检测方法》GB/T 8485-2008♦《建筑外窗采光性能分级及检测方法》GB/T 11976-2008♦《集成型铝合金门窗》JG/T 173-2005♦《自动门》JG/T177-2005♦《建筑门窗五金件传动机构用执手》JG/T124-2007♦《建筑门窗五金件合页(铰链)》JG/T125-2007♦《建筑门窗五金件传动锁闭器》JG/T126-2007♦《建筑门窗五金件滑撑》JG/T127-2007♦《建筑门窗五金件撑档》JG/T128-2007♦《建筑门窗五金件滑轮》JG/T129-2007♦《建筑门窗五金件单点锁闭器》JG/T130-2007♦《建筑门窗五金件通用要求》JG/T212-2007♦《建筑门窗五金件旋压执手》JG/T213-2007♦《建筑门窗五金件插销》JG/T214-2007♦《建筑门窗五金件多点锁闭器》JG/T215-20072.2.3建筑设计规范♦《建筑结构荷载规范》GB50009-2012♦《建筑设计防火规范》GB 50016—2014♦《建筑物防雷设计规范》GB50057-2010♦《建筑抗震设计规范》GB50011-2010♦《公共建筑节能设计标准》GB50189-2015♦《民用建筑隔声设计规范》(GB 50118-2010)♦《采暖通风与空气调节设计规范》GB 50019-2003♦《工程结构可靠性设计统一标准》GB 50153-2008♦《建筑结构可靠度设计统一标准》GB 50068-2001♦《建筑装饰装修工程质量验收规范》GB 50210-2001♦《玻璃幕墙工程质量验收标准》JGJ/T 139-2001♦《建筑工程施工质量验收统一标准》GB 50300-2001♦《高层民用建筑钢结构技术规程》JGJ 99-98♦《声学建筑和建筑构件声学测量》GB/T 19889.1—10-2005 ♦《钢结构工程施工质量验收规范》GB 50205-2001♦《建筑工程抗震设防分类标准》GB 50233-2008♦《建筑工程建筑面积计算规范》GB/T 50353-2005♦《建筑结构检测技术标准》GB/T 50344-2004♦《建筑施工现场环境与卫生标准》JGJ 146-2004♦《施工现场临时用电安全技术规范》JGJ 46-2005♦《建筑内部装修防火施工及验收规范》GB 50354-2005♦《屋面工程技术规范》GB 50345-2004♦《弹性建筑涂料》JG/T 172-2005♦《工业建筑防腐蚀设计规范》GB 50046-20082.2.4铝材、铝板规范♦《铝合金建筑型材第1部分基材》GB/T 5237.1-2008♦《铝合金建筑型材第2部分阳极氧化、着色型材》GB/T 5237.2-2008 ♦《铝合金建筑型材第3部分电泳涂漆型材》GB/T 5237.3-2008♦《铝合金建筑型材第4部分粉末静电喷涂型材》GB/T 5237.4-2008 ♦《铝合金建筑型材第5部分氟碳喷涂型材》GB/T 5237.5-2008♦《铝合金建筑型材第6部分隔热型材》GB/T 5237.6-2004♦《变形铝及铝合金化学成分》GB/T 3190-2008♦《变形铝及铝合金牌号表示方法》GB/T 16474-1996♦《变形铝及铝合金状态代号》GB/T 16475-2008♦《铝及铝合金波纹板》GB/T 4438-2006♦《建筑幕墙用铝塑复合板》GB/T 17748-2008♦《建筑用铝型材、铝板氟碳涂层》JG/T 133-2000♦《铝及铝合金加工产品的包装、标志、运输、贮存》GB/T 3199-2007 ♦《建筑用硬质塑料隔热条》JG/T 174-2005♦《建筑用隔热铝合金型材穿条式》JG/T 175-2005♦《铝及铝合金压花板、带材》YS/T 490-20052.2.5钢材规范♦《钢结构设计规范》GB 50017-2003♦《碳素结构钢》GB/T 700-2006♦《优质碳素结构钢》GB/T 699-1999♦《合金结构钢》GB/T 3077-1999♦《低合金高强度结构钢》GB/T 1591-2008♦《钢的成品化学成分允许偏差》GB/T 222-2006♦《钢中非金属夹杂物含量的测定标准评级图显微检验法》GB/T10561-2005 ♦《碳素结构钢冷轧薄钢板及钢带》GB/T 11253-2007♦《碳素结构钢和低合金结构钢热轧薄钢板和钢带》GB 912-2008♦《碳素结构钢和低合金结构钢热轧厚钢板及钢带》GB/T 3274-2007♦《建筑用轻钢龙骨》GB/T 11981-2008♦《建筑幕墙用钢索压管接头》JG/T 201-2007♦《不锈钢棒》GB/T 1220-2007♦《耐热钢棒》GB/T 1221-2007♦《不锈钢热轧钢板和钢带》GB/T 4237-2007♦《不锈钢冷轧钢板和钢带》GB/T 3280-2007♦《不锈钢丝绳》GB/T 9944-2002♦《不锈钢和耐热钢牌号及化学成份》GB/T 20878-2007♦《建筑钢结构焊接规程及条文说明》GBJ 81-2002♦《连续热镀锌薄钢板和钢带》GB/T 2518-2004♦《结构用无缝钢管》GB/T 8162-2008♦《装饰用焊接不锈钢管》YB/T 5363-2006♦《冷轧钢板和钢带的尺寸、外形、重量及允许偏差》GB/T 708-2006♦《热轧钢板和钢带的尺寸、外形、重量及允许偏差》GB/T 709-2006♦《热轧型钢》GB/T 706-2008♦《热轧H型钢和部分T型钢》GB/T 11263-2005♦《结构用高频焊接薄壁H型钢》JG/T137-2007♦《混凝土用膨胀型、扩张型建筑锚栓》JG 160-2004♦《耐候结构钢》GB/T 4171—2008♦《混凝土结构后锚固技术规程》JGJ 145—2004♦《预应力混凝土用钢棒》GB/T 5223.3—2005♦《建筑结构用钢板》GB/T 19879-2005♦《铸铁焊条及焊丝》GB/T 10044-2006♦《建筑结构用冷弯矩形钢管》JG/T 178-20052.2.6玻璃规范♦《建筑玻璃应用技术规程》JGJ 113-2009♦《平板玻璃》GB 11614-2009♦《中空玻璃》 GB/T 11944-2002♦《镀膜玻璃第1部分:阳光控制镀膜玻璃》 GB/T 18915.1-2002 ♦《镀膜玻璃第2部分:低辐射镀膜玻璃》 GB/T 18915.2-2002 ♦《玻璃幕墙光学性能》 GB/T 18091-2000♦《建筑用安全玻璃第1部分:防火玻璃》GB 15763.1-2009♦《建筑用安全玻璃第2部分:钢化玻璃》 GB 15763.2-2005♦《建筑用安全玻璃第3部分:夹层玻璃》GB 15763.3-2009♦《建筑用安全玻璃第4部分:均质钢化玻璃》GB 15763.4-2009 ♦《热弯玻璃》 JC/T 915-2003♦《釉面钢化及釉面半钢化玻璃》 JC/T 1006-20062.2.7石材规范♦《天然花岗石荒料》JC/T 204-2001♦《天然花岗石建筑板材》GB/T 18601-2009♦《天然饰面板材实验方法第1部分干燥、水饱和、冻融循环后压缩强度实验方法》GB/T 9966.1-2001♦《天然饰面板材实验方法第2部分干燥、水饱和弯曲强度实验方法》GB/T 9966.2-2001 ♦《天然饰面板材实验方法第3部分体积密度、真密度、真气孔率、吸水率实验方法》GB/T 9966.73-2001♦《天然饰面板材实验方法第4部分耐磨性实验方法》GB/T 9966.4-2001♦《天然饰面板材实验方法第5部分肖氏硬度实验方法》GB/T 9966.5-2001♦《天然饰面板材实验方法第6部分耐酸性实验方法》GB/T 9966.6-2001♦《天然饰面板材实验方法第7部分检测板材、板材挂件组合单元挂装系统强度实验方法》GB/T 9966.7-2001♦《天然饰面板材实验方法第8部分用均匀静压差检测石材挂装系统强度实验方法》GB/T 9966.8-2008♦《干挂饰面石材及其金属挂件》JC 830.1~2-2005♦《天然石材统一编号》GB/T 17670-2008♦《建筑材料放射性核素限量》GB/T 6566-2001♦《建筑幕墙用瓷板》JG/T 217-20072.2.8密封材料规范♦《硅酮建筑密封胶》GB14683-2003♦《建筑用硅酮结构密封胶》GB 16776-2005♦《聚硫建筑密封胶》JC 483-2006♦《中空玻璃用弹性密封胶》JC/T 486-2001♦《中空玻璃用丁基热熔密封胶》JC/T 914-2003♦《建筑窗用弹性密封剂》 JC/T 485-2007♦《建筑门窗用密封胶条》 JG/T 187-2006♦《工业用橡胶板》GB/T 5574-2008♦《幕墙玻璃接缝用密封胶》JC/T 882-2001♦《石材用建筑密封胶》JC/T 883-2001♦《干挂石材幕墙用环氧胶粘剂》JC/T 887-2001♦《建筑密封材料试验方法》GB/T 13477.1~20-2002♦《建筑橡胶密封垫——预成型实心硫化的结构密封垫材料规范》HG/T 3099-2004 ♦《建筑密封材料术语》GB 14682-20062.2.9五金件标准规范♦《十字槽盘头螺钉》GB/T 818-2000♦《十字槽盘头自攻螺钉》GB/T 845-1985♦《十字槽沉头自攻螺钉》GB/T 846-1985♦《平垫圈 C级》GB/T 95-2002♦《平垫圈 A级》GB/T 97.1-2002♦《紧固件机械性能》GB/T 3098.1~6-2000♦《紧固件机械性能不锈钢螺母》GB/T 3098.15-2000♦《紧固件公差螺栓、螺钉、螺柱和螺母》GB/T 3103.1-2002♦《六角头螺栓、C级》GB/T 5780-2000♦《六角螺母、C级》GB/T 41-2000♦《封闭型圆头抽芯铆钉》GB/T 12615.1~4-2004♦《封闭型沉头抽芯铆钉》GB/T 12616-2004♦《开口型沉头抽芯铆钉》GB/T 12617.1~5-2006♦《开口型平圆头抽芯铆钉》GB/T 12618-2006♦《紧固件机械性能抽芯铆钉》GB/T 3098.19-2004♦《地弹簧》QB/T 2697-2005♦《闭门器》QB/T 2698-2005♦《建筑门窗内平开下悬五金系统》JG/T 168-2004♦《自动门应用技术规程》CECS 211:20062.2.10其他规范♦《建筑用岩棉、矿渣棉绝热制品》GB/T 19686-2005♦《绝热用岩棉、矿渣棉及其制品》GB/T 11835-2007♦《建筑物隔热用硬质聚氨酯泡沫塑料》QB/T 3806-99♦《半硬质聚氯乙烯块状塑料地板》GB 4085-2005♦《饰面型防火涂料》GB/T 12441-2005♦ISO 10077-1:2006;Thermal performance of windows, doors and shutters. Calculation of thermal transmittance. Part 1:General.♦prEN ISO 10077-2:2003; Thermal performance of windows, doors and shutters. Calculation of thermal transmittance. Part 2: Numerical method for frames.三、结构设计理论及材料性能参数3.1荷载计算⑴ 作用在幕墙上的风荷载标准值按下式计算: 0k gz sl z W W βμμ= 式中:W k —作用在幕墙上的风荷载标准值(KN/m 2);gz β: 考虑瞬时风压的阵风系数(依据《建筑结构荷载规范》GB50009-2012中的表7.5.1要求选取)sl μ: 风荷载体型系数大面取1.2;转角处取2.0.z μ: 风压高度变化系数(依据《建筑结构荷载规范》GB50009-2012中的表7.2.1要求选取)0W : 基本风压,取0.45 KN/m 2。
建筑幕墙节能设计计算及应用摘要:随着节能时代的到来,建筑幕墙作为建筑的外围护结构,其热工性能要求越来越高。
本文针对具体项目介绍在实际工程中幕墙热工计算的设计应用。
关键词:建筑幕墙;热工性能;幕墙设计Abstract: With the advent of energy-saving times, building walls as the periphery structure of the building, its thermal performance have become increasingly demanding. This paper aimed at the specific project of the curtain wall thermal calculation in practical engineering design applications.Key words: building walls; thermal performance; curtain wall design前言现代建筑大量采用玻璃幕墙,由于幕墙采光部位只有一层玻璃(或中空玻璃)和龙骨隔绝室内外,幕墙建筑往往成为能耗大户。
随着当前建筑对节能环保性能要求的提高,玻璃幕墙做为建筑物的外围护结构其热工性能也有了更高的要求。
因此如何分析计算幕墙的热工性能成在幕墙系统设计中必须要考虑的问题。
幕墙的热工性能以其传热系数K值来衡量,K值越低幕墙的保温性能越好。
下面针对一项具体工程项目介绍幕墙热工性能K值的计算过程及方法。
一、确定建筑物气候分区首先我们需要了解项目概况,建筑物所处地理位置,当地的气候条件如何,建筑物的朝向及用途。
根据建筑物所在地依据规范《公共建筑节能设计标准》确定其气候分区,如果表格里面没有工程所在的城市,请参照临近城市取用。
二、确定建筑物的热工性能最低要求。
根据建筑所处城市的建筑气候分区,围护结构的热工性能应分别符合规范中的具体规定。
外窗热工参数选用及计算在公共建筑节能设计中的应用与探讨2.2.中海企业发展集团南京公司3. 3.中海企业发展集团南京公司摘要:随着2022年4月1日实施的《建筑节能与可再生能源利用通用规范》GB55015-2021,公共建筑节能率从原(甲类)65%提升到72%。
针对夏热冬冷地区,外窗热工系数要求提高,加之绿建星级标准的提升,窗型材很难直接在现有的规范、图集中找到满足要求的类型。
这就需要通过计算得出外窗热工参数。
关键词:标准提升;外窗热工计算。
新国标《建筑节能与可再生能源利用通用规范》GB55015-2021在2022年4月1日正式实施。
相对于旧版《公共建筑节能设计标准》GB50189-2015,节能率提升到72%。
夏热冬冷地区在屋面、外墙、挑空楼板等处的传热系数提升较小。
主要提升的是外窗的热工,包括外窗传热系数和太阳得热系数。
除此之外,在满足规范标准的前提下,根据《绿色建筑评价标准》GB/T50378-2019的要求,不同的绿建星级等级,需要提升对应的建筑外围护结构热工性能。
在实际的项目工作中,因为公共建筑相对于居住建筑,在外立面造型设计上更加追求立面效果,比如经常会使用大面积的玻璃幕墙。
这就使得公共建筑单一立面的窗墙比会非常大。
相应的外窗的热工标准就提升较高。
绿建二星标准下,还需要外窗的热工性能再提升10%。
当外窗的传热系数限值达到K≤2.0时,对于铝合金型材外窗,很难直接在相应的规范图集中选到依据,比如《全国民用建筑工程设计技术措施—节能专篇》中传热系数最小的隔热金属型材多腔密封6中透光Low-E+12氩气+6透明的传热系数K=2.1,无法满足设计要求。
这就需要通过对窗框、玻璃的选用参数进行计算,作为满足要求的依据。
以实际的工程项目为例。
2022年9月图审并通过的,南京地区的尤家凹九年一贯制学校项目。
此教学楼从平面到立面都较为复杂。
单一立面划分较多。
最不利单一立面的窗墙比达到0.48和0.75(报告厅),对应的传热系数限值为K≤2.0(二星)、K≤1.8(二星)。
13清单幕墙计算规则幕墙是建筑外墙的一种装饰性构造,也是建筑设计中重要的组成部分。
幕墙计算规则是指在幕墙设计和施工过程中需要遵循的一系列规定和要求。
下面将介绍13个幕墙计算规则,以帮助读者更好地了解幕墙的设计和施工。
1. 幕墙面积计算规则幕墙面积的计算是幕墙设计的基础,需要准确地测量建筑外墙的尺寸和形状,并考虑到窗户、门等开口部分的面积。
计算面积时,需要将墙体分成若干个矩形、三角形或梯形等形状,然后分别计算其面积,最后将各部分面积相加得到总面积。
2. 幕墙材料计算规则幕墙的材料通常包括铝合金、玻璃、石材等。
在计算幕墙材料时,需要考虑到幕墙的厚度和材料的密度,以确定所需的材料数量。
同时,还需要考虑到材料的浪费率,以便合理控制材料的采购量。
3. 幕墙荷载计算规则幕墙需要承受外部环境的荷载,如风荷载、雨水荷载等。
在计算幕墙荷载时,需要根据建筑的地理位置和气候条件,确定相应的设计参数,并结合幕墙的结构形式和材料特性,计算出幕墙所需承受的荷载大小。
4. 幕墙抗风压计算规则幕墙需要经受来自风力的作用,因此在设计时需要考虑到幕墙的抗风能力。
抗风压的计算需要考虑到幕墙的高度、形状、材料等因素,并根据相应的规范和标准,确定幕墙所需的抗风压力。
5. 幕墙隔热计算规则幕墙的隔热性能对建筑的能耗和室内舒适度有着重要影响。
在计算幕墙的隔热性能时,需要考虑到幕墙的材料导热系数、厚度、表面温度等因素,并结合建筑的使用要求和环境条件,确定幕墙所需的隔热性能指标。
6. 幕墙采光计算规则幕墙的采光性能对建筑的室内采光和节能有着重要影响。
在计算幕墙的采光性能时,需要考虑到幕墙的透光率、反射率、遮阳性能等因素,并结合建筑的使用要求和环境条件,确定幕墙所需的采光性能指标。
7. 幕墙防水计算规则幕墙需要具备良好的防水性能,以保证建筑的外墙不受雨水渗透和漏水的影响。
在计算幕墙的防水性能时,需要考虑到幕墙的材料、结构形式、施工工艺等因素,并结合相应的规范和标准,确定幕墙所需的防水性能指标。
门窗热工计算书(传热系数1.8W/(㎡·K))1 概述1.1 工程概况1.2 本工程热工性能计算项目(1)玻璃系统光学热工性能计算;(2)框二维传热有限元分析计算;(3)幕墙幅面热工性能计算;2 计算依据2.1 相关标准及参考文件《建筑门窗玻璃幕墙热工计算规程》JGJ/T 151-2008;《民用建筑热工设计规范》GB 50176-1993等。
2.2 计算软件《粤建科MQMC建筑幕墙门窗热工性能计算软件》2012正式版3 计算边界条件3.1 工程所在地气象参数表3.1-1工程所在地气象参数3.2 热工性能计算边界条件表3.2-1 计算边界条件依据《建筑门窗玻璃幕墙热工计算规程》(JGJ/T 151-2008)(以下简称“JGJ/T 151”)结露性能评价与计算,在进行工程设计时,工程实际边界条件计算结露性能。
4 门窗设计概况因本窗位于北立面,传热系数要求小于1.8 W/(㎡·K),因此本项目北立面窗选用天易65系列型材,玻璃配置为5+12Ar+5+12Ar+5mm 单银LOW-E 中空玻璃,5 玻璃光学热工性能计算5.1 玻璃光学热工性能计算一般规定单片玻璃(包括其他透明材料,下同)的光学、热工性能应根据测定的单片玻璃光谱数据进行计算。
测定的单片玻璃光谱数据应包括其各个光谱段的透射率、前反射率和后反射率,光谱范围应至少覆盖300~2500nm 波长范围,不同波长范围的数据间隔应满足下列要求:(1)波长为300~400nm 时,数据点间隔不应超过5nm ; (2)波长为400~1000nm 时,数据点间隔不应超过10nm ; (3)波长为1000~2500nm时,数据点间隔不应超过50nm 。
5.2 玻璃光学热工性能计算原理 5.2.1 单片玻璃光学热工性能(1)单片玻璃的可见光透射比应按下式计算:(5.2.1-1)式中——D65标准光源的相对光谱功率分布,见JGJ/T 151附录D ; ——玻璃透射比的光谱数据;——人眼的视见函数,见JGJ/T 151附录D 。
***路西侧***路北侧商住楼项目幕墙节能计算书计算人:校核人:审核人:***2020年6月5日目录第一章、计算依据及说明 (3)一、工程概况说明 (3)二、设计依据 (3)1 相关规范 (3)第二章、居住建筑-透光幕墙热工计算 (5)一、相关参数及规定 (5)1 热工计算环境边界条件 (5)2 计算所遵循的规范规定 (6)二、幕墙系统结构基本参数 (9)1 建筑概况 (9)2 计算单元参数 (9)3 框传热系数相关参数 (9)三、玻璃的传热系数U值的计算 (10)1 计算理论及依据 (10)2 换热系数计算 (11)3 多层玻璃系统材料的固体热阻 (12)4 多层玻璃系统内部气体间层的热阻 (12)四、幕墙系统框的传热系数U值的计算 (15)1 框的传热系数U f (15)2 幕墙系统框与玻璃结合处的线传热系数ψ (17)五、幕墙系统整体的传热系数U值 (17)六、太阳光透射比及计算单元的遮阳系数 (19)1 太阳光总透射比g t (19)2 幕墙系统计算单元的遮阳系数 (21)3 幕墙系统计算单元可见光透射比计算 (21)七、结露计算 (22)1 水表面的饱和水蒸气压计算 (22)2 在空气相对湿度f下,空气的水蒸气压计算 (23)3 空气的结露点温度计算 (23)4 幕墙系统玻璃内表面的计算温度 (23)第三章、居住建筑-非透光幕墙热工计算 (25)一、相关参数及规定 (25)1 热工计算环境边界条件 (25)2 计算所遵循的规范规定 (25)二、幕墙结构基本参数 (27)1 建筑概况 (27)2 计算单元参数 (28)三、幕墙保温计算 (28)1 设计依据 (28)2 围护结构的传热阻 (28)3 U值计算 (29)四、结露计算 (29)1 水表面的饱和水蒸气压计算 (29)2 在空气相对湿度f下,空气的水蒸气压计算 (30)3 空气的结露点温度计算 (30)4 围护结构内表面的计算温度 (30)第四章、居住建筑-非透光幕墙热工计算 (32)一、相关参数及规定 (32)1 热工计算环境边界条件 (32)2 计算所遵循的规范规定 (32)二、幕墙结构基本参数 (34)1 建筑概况 (34)2 计算单元参数 (35)三、幕墙保温计算 (35)1 设计依据 (35)2 围护结构的传热阻 (35)3 U值计算 (36)四、结露计算 (36)1 水表面的饱和水蒸气压计算 (36)2 在空气相对湿度f下,空气的水蒸气压计算 (37)3 空气的结露点温度计算 (37)4 围护结构内表面的计算温度 (37)幕墙结构计算书第一章、计算依据及说明一、工程概况说明工程名称:***路西侧***路北侧商住楼项目工程所在地:***二、设计依据1相关规范1.1幕墙设计规范1.2建筑设计规范1.3建筑节能规范1.4土建图纸:第二章、居住建筑-透光幕墙热工计算一、相关参数及规定1热工计算环境边界条件计算依据说明:GB50176-2016《民用建筑热工设计规范》新规范条文如下:C.5.2条:计算门窗、幕墙传热系数时,应采用建筑工程所在地的冬季计算参数,所采用的边界条件应根据冬季计算参数按照现行行业标准JGJ/T151《建筑门窗玻璃幕墙热工计算规程》的规定计算确定。
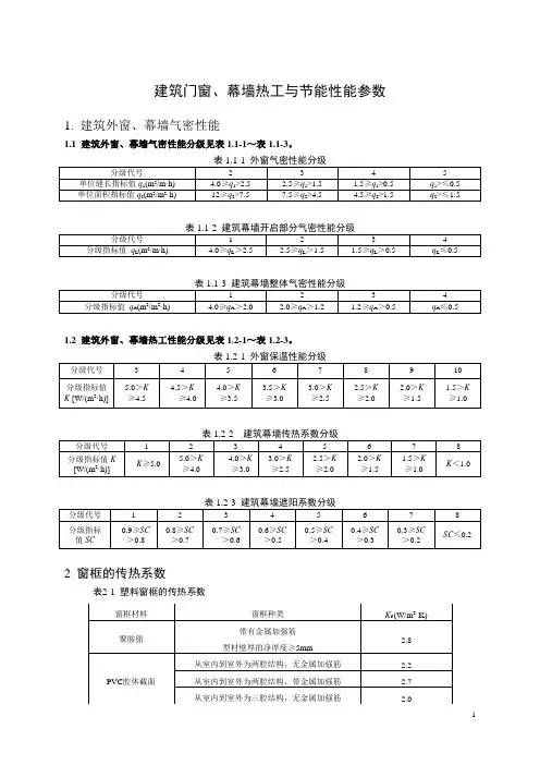
建筑门窗、幕墙热工与节能性能参数
1. 建筑外窗、幕墙气密性能
1.1 建筑外窗、幕墙气密性能分级见表1.1-1~表1.1-3。
1.2 建筑外窗、幕墙热工性能分级见表1.2-1~表1.2-3。
2 窗框的传热系数
表2-1 塑料窗框的传热系数
2.2 木窗框窗框的传热系数
木窗框的K f值是在水汽含量在12%的情况下获得:
K f(W/m2·K)
2.3 金属窗框
框的传热系数K f的数值可以通过下列程序获得:
1) 对没有热断桥的金属框,使用K f0 = 5.9 W/(m2·K);
2) 对具有断桥的金属框,K f0的数值从图中粗线中选取;
K f0(W/m2·K)
2.4. 窗框与玻璃结合处的线传热系数
窗框与玻璃结合处的线传热系数ψ主要受间隔层材料导热系数的影响。
在没有精确计算的情况下,可采用表2-2估算窗框与玻璃结合处的线传热系数ψ:
注:这些值用来计算低辐射的中空玻璃窗,对应玻璃中部传热系数K g≤1.8W/(m2·K)的中空玻璃。
若玻璃系统的传热系数大于1.8W/(m2·K),则可以忽略附加线传热系数ψ。
3 典型玻璃及玻璃系统的光学热工参数见表3.-1。
4 典型玻璃系统、配合不同窗框、在典型窗框面积比的情况下,典型整窗传热系数。
全隐框玻璃幕墙设计计算书设计:校对:审核:批准:目录一、计算引用的规范、标准及资料 (1)1.幕墙设计规范 (1)2.建筑设计规范 (1)3.铝材规范 (1)4.玻璃规范 (1)5.钢材规范 (2)6.胶类及密封材料规范 (2)7.门窗及五金件规范 (2)8.《建筑结构静力计算手册》(第二版) (3)9.土建图纸 (3)二、基本参数 (3)1.幕墙所在地区: (3)2.地区粗糙度分类等级: (3)3.抗震烈度: (3)三、幕墙承受荷载计算 (3)1.风荷载标准值计算: (3)2.垂直于幕墙平面的分布水平地震作用标准值: (4)3.作用效应组合: (4)四、幕墙立柱计算 (5)1.立柱型材选材计算: (5)2.确定材料的截面参数: (6)3.选用立柱型材的截面特性: (7)4.立柱的抗弯强度计算: (7)5.立柱的抗剪计算: (7)五、幕墙横梁计算 (8)1.横梁型材选材计算: (9)2.确定材料的截面参数: (10)3.选用横梁型材的截面特性: (11)4.幕墙横梁的抗弯强度计算: (11)5.型材的抗剪计算:(三角荷载作用下) (12)六、幕墙玻璃的选用与校核: (13)1玻璃板块荷载计算: (13)2.玻璃的强度计算: (14)3.玻璃最大挠度校核: (15)七、连接件计算: (16)1.横梁与角码间连接: (16)2.角码与立柱连接: (17)3.立柱与主结构连接 (19)八、幕墙埋件计算(土建预埋): (20)1.荷载标准值计算: (21)2.埋件计算: (21)3.锚板总面积校核: (22)九、幕墙焊缝计算: (22)1.受力分析: (22)2.焊缝特性参数计算: (23)3.焊缝校核计算: (23)十、隐框玻璃幕墙胶类及伸缩缝计算: (24)1.抗震设计下结构硅酮密封胶的宽度计算: (24)2.结构硅酮密封胶粘接厚度的计算: (24)3.结构胶设计总结: (25)4.耐侯胶胶缝计算: (25)5.立柱连接伸缩缝计算: (25)十一、幕墙板块压板计算: (26)1.压板的弯矩设计值计算: (26)2.压板的应力计算: (26)3.螺栓抗拉强度验算: (27)全隐框玻璃幕墙设计计算书一、计算引用的规范、标准及资料1.幕墙设计规范《建筑幕墙》 JG3035-1996《玻璃幕墙工程技术规范》 JGJ102-2003《金属与石材幕墙工程技术规范》 JGJ133-2001《建筑幕墙物理性能分级》 GB/T15225-94《建筑幕墙空气渗透性能测试方法》 GB/T15226《建筑幕墙风压变形性能测试方法》 GB/T15227《建筑幕墙雨水渗透性能测试方法》 GB/T15228《建筑幕墙保温性能测试方法》 GB84842.建筑设计规范《建筑结构荷载规范》 GB50009-2001《建筑设计防火规范》 GBJ16-2001《高层民用建筑设计防火规范》 GB50045-94《建筑物防雷设计规范》 GB50057-94《建筑抗震设计规范》 GB50011-2001《民用建筑热工设计规范》 GB50176-93《民用建筑隔声设计规范》 GBJ118-89《建筑结构可靠度设计统一标准》 GB50068-2001《建筑装饰工程施工质量验收规范》 GB50210-2001《钢结构设计规范》 GB50017-2003《冷弯薄壁钢结构设计规范》 GB50018-2002《建筑钢结构焊接规程》 GB/T8162《中国地震动参数区划图》 GB18306-2000《采暖通风与空气调节设计规范》 GBJ19-873.铝材规范《铝合金建筑型材》 GB/T5237-2000《变形铝及铝合金化学成份》 GB/T3190《铝及铝合金阳极氧化-阳极氧化膜的总规范》 GB8013-87《铝及铝合金板材》 GB3380-974.玻璃规范《建筑玻璃应用技术规程》 JGJ113-97《浮法玻璃》 GB11614-1999《钢化玻璃》 GB/T9963-1999《幕墙用钢化玻璃与半钢化玻璃》 GB/T17841《中空玻璃》 GB/T11944-2002 《建筑用安全玻璃》 GB15763.1-2001《夹层玻璃》 GB9962-1999《镀膜玻璃第一部分阳光控制镀膜玻璃》 GB/T18915.1-2002 《镀膜玻璃第二部分低辐射镀膜玻璃》 GB/T18915.2-2002 5.钢材规范《碳素结构钢》 GB/T700《优质碳素结构钢》 GB/T699《合金结构钢》 GB/T3077《不锈钢棒》 GB/T1220《不锈钢冷加工棒》 GB/T4226《不锈钢冷扎钢板》 GB/T3280-92《不锈钢热扎钢板》 GB/T4237-92《不锈钢热扎钢带》 GB/T5090《不锈钢和耐热钢冷扎钢带》 GB/T4239《高耐候结构钢》 GB/T4171《焊接结构用耐候钢》 GB/T4172-2000 《低合金高强度结构钢》 GB/T1591《碳素结构钢和低合金结构钢热轧薄钢板及钢带》GB/T912《碳素结构钢和低合金结构钢热轧厚钢板及钢带》GB/T3274《结构用无缝钢管》 JBJ102《金属覆盖层钢铁制品热镀锌层技术要求》 GB/T13912《碳钢焊条》 GB/T5117《低合金钢焊条》 GB/T51186.胶类及密封材料规范《硅酮建筑密封胶》 GB/14683-2003 《建筑用硅酮结构密封胶》 GB16776-97《聚硫建筑密封胶》 JC483-92《中空玻璃用弹性密封胶》 JC/T486-2001 《幕墙玻璃接缝用密封胶》 JC/T882-2001 《石材幕墙接缝用密封胶》 JC/T883-2001 《工业用橡胶板》 GB/T5574《中空玻璃用丁基热熔密封胶》 JC/T914《绝热用岩棉、矿棉及其制品》 GB/T11835-987.门窗及五金件规范《铝合金门》 GB/T8478《铝合金窗》 GB/T8479《地弹簧》 GB/T9296《平开铝合金窗执手》 GB/T9298《铝合金窗不锈钢滑撑》 GB/T9300《铝合金门插销》 GB/T9297《铝合金窗撑挡》 GB/T9299《铝合金门窗拉手》 GB/T9301《铝合金窗锁》 GB/T9302《铝合金门锁》 GB/T9303《闭门器》 GB/T9305《推拉铝合金门窗用滑轮》 GB/T9304《紧固件螺栓和螺钉》 GB/T5277《十字槽盘头螺钉》 GB/T818《紧固件机械性能螺栓螺钉和螺柱》 GB/T3098.1《紧固件机械性能螺母粗牙螺纹》 GB/T3098.2《紧固件机械性能螺母细牙螺纹》 GB/T3098.4《紧固件机械性能螺栓自攻螺钉》 GB/T3098.5《紧固件机械性能不锈钢螺栓螺钉和螺柱》 GB/T3098.6《紧固件机械性能不锈钢螺母》 GB/T3098.158.《建筑结构静力计算手册》(第二版)9.土建图纸二、基本参数1.幕墙所在地区:xxx地区;2.地区粗糙度分类等级:幕墙属于薄壁外围护构件,按《建筑结构荷载规范》(GB50009-2001)A类:指近海海面和海岛、海岸、湖岸及沙漠地区;B类:指田野、乡村、丛林、丘陵以及房屋比较稀疏的乡镇和城市郊区;C类:指有密集建筑群的城市市区;D类:指有密集建筑群且房屋较高的城市市区;依照上面分类标准,本工程按C类地区考虑。
附录D 常用外窗及幕墙热工性能参数D。
0.1常用外窗的传热系数和遮阳系数见表D.0。
1。
表D。
0。
1 常用外窗的传热系数和遮阳系数2 阳台门下部门肚板部位的传热系数,当下部不作保温处理时,应按表中值采用,当作保温处理时,应按计算确定;3 贴Low—E膜的玻璃等效Low-E玻璃;5表中热工参数为各种窗型中较有代表性的数据,不同厂家、玻璃种类以及型材系列品种都有可能有较大浮动,具体数值应以法定检测机构的检测值或模拟计算报告为准。
D。
0。
2典型玻璃的光学、热工性能参数见表D。
0.2.表D。
0。
2 典型玻璃的光学、热工性能参数注:本表引自《全国民用建筑工程设计技术措施—节能专篇/建筑》,建设部工程质量安全监督与行业发展司、中国建筑标准设计研究院编,中国计划出版社,2007年。
D.0。
3采用典型玻璃、配合不同窗框,在典型窗框面积比的情况下,整窗传热系数见表D。
0.3-1和D。
0.3—2。
表D.0.3—1 典型玻璃配合不同窗框的整窗传热系数注:本表引自《全国民用建筑工程设计技术措施—节能专篇/建筑》,建设部工程质量安全监督与行业发展司、中国建筑标准设计研究院编,中国计划出版社,2007年。
表D。
0。
3—2 典型玻璃配合不同窗框的整窗传热系数注:本表引自《全国民用建筑工程设计技术措施-节能专篇/建筑》,建设部工程质量安全监督与行业发展司、中国建筑标准设计研究院编,中国计划出版社,2007年。
D。
0.4常用玻璃贴膜性能指标见表E。
0。
4。
表E.0.4 常用玻璃贴膜性能指标(参考)D。
0.5典型幕墙的光学、热工性能参数见表D.0.5—1和D。
0.5—2。
表D.0。
5—1 典型幕墙的光学、热工性能参数注:镀膜面在中空玻璃的第2面。
表D.0。
5—2 典型幕墙的光学、热工性能参数注:镀膜面在中空玻璃的第2面。
玻璃幕墙工程热工性能与节能设计规范随着科技的进步与人们环保意识的提高,建筑设计领域对于节能性能要求越来越高。
玻璃幕墙作为现代建筑常见的外墙形式,其热工性能与节能设计规范成为研究的热点。
本文将重点探讨玻璃幕墙工程中的热工性能及节能设计规范,并提出相应建议。
一、热工性能1.导热系数导热系数是评价材料导热性能的重要指标,对于玻璃幕墙来说,选用低导热系数的玻璃材料可以有效减少传导热量,提高幕墙的保温性能。
而且,合理选择隔热层及填充材料,采取适当的隔热措施,也能有效降低导热系数。
2.日射热收益在玻璃幕墙工程设计中,还需要考虑到日射热收益。
随着太阳能照射到玻璃幕墙表面,一部分能量会被吸收并转化为热能,增加了建筑内部的热负荷。
因此,合理选择不同热透过系数的玻璃,控制日射热收益,可以提高幕墙的保温性能,并减少能源消耗。
3.空气渗透性玻璃幕墙的空气渗透性是衡量幕墙质量的重要指标之一。
合理选择密封材料,采用有效的密封措施,能够减少空气渗透,提高幕墙的保温效果。
二、节能设计规范1.隔热设计玻璃幕墙的隔热设计是节能的基础。
通过合理选择隔热材料,并使用隔热层进行绝热处理,可以有效降低传导热量和传递热量。
同时结合实际情况,在设计中考虑到保温的重要性,合理选择材料和构造,减少能量损失。
2.遮阳设计在热烈的夏季,太阳直射玻璃幕墙表面会产生大量热量,增加了建筑内部的空调负荷。
因此,遮阳设计是必不可少的节能措施之一。
可以通过合理设计幕墙结构和利用遮阳设施,避免过多的太阳光线直射进入室内,减少太阳能对建筑物的加热作用。
3.换气设计换气设计也是玻璃幕墙工程的重要节能措施之一。
通过合理设置通风设备,增加室内空气流通量,可以减少能源消耗,提高室内舒适度。
此外,还可以配备智能化的温度和湿度控制系统,根据实际需要进行室内环境控制。
4.节能材料的选择玻璃幕墙工程中,选择节能材料是实现节能设计的重要手段。
在玻璃选择方面,可以选用不同热透过系数的玻璃,以降低日射热收益。
临沂市老年养护院幕墙工程玻璃幕墙节能计算书设计:校对:审核:批准:目录1 计算引用的规范、标准及资料 02 计算中采用的部分条件参数及规定 02.1 计算所采纳的部分参数 02.2 规范GB50189-2005《公共建筑节能设计标准》的部分规定 03 幕墙系统结构基本参数 (2)3.1 地区参数: (2)3.2 建筑参数: (2)3.3 环境参数 (2)3.4 单元参数 (2)3.5 框传热系数相关参数 (2)4 玻璃的传热系数U值的计算 (2)4.1 计算基础及依据 (2)4.2 室外表面换热系数 (3)4.3 室内表面换热系数 (3)4.4 多层玻璃系统材料的固体热阻 (3)4.5 多层玻璃系统内部气体间层的热阻 (3)5 幕墙系统框的传热系数U值的计算 (4)5.1 框的传热系数U f (4)5.2 幕墙框与玻璃结合处的线传热系数ψ (6)6 幕墙系统整体的传热系数U值 (6)7 太阳光透射比及遮阳系数计算 (6)7.1 太阳光总透射比g t (6)7.2 幕墙系统计算单元的遮阳系数 (7)7.3 幕墙系统计算单元可见光透射比计算 (7)8 结露计算 (7)8.1 水表面的饱和水蒸气压计算 (7)8.2 在空气相对湿度f下,空气的水蒸气压计算 (8)8.3 空气的结露点温度计算 (8)8.4 幕墙系统玻璃内表面的计算温度 (8)8.5 结露性能评价 (8)建筑幕墙系统节能设计计算书1计算引用的规范、标准及资料《建筑幕墙》GB/T21086-2007《民用建筑热工设计规范》GB50176-93《公共建筑节能设计标准》GB50189-2005《严寒和寒冷地区居住建筑节能设计标准》JGJ26-2010《夏热冬冷地区居住建筑节能设计标准》JGJ134-2010《夏热冬暖地区居住建筑节能设计标准》JGJ75-2003《居住建筑节能设计标准意见稿》[建标2006-46号] 《建筑门窗玻璃幕墙热工计算规程》JGJ/T151-2008 《建筑玻璃应用技术规程》JGJ113-2009《玻璃幕墙光学性能》GB/T18091-2000 《建筑玻璃可见光、透射比等以及有关窗玻璃参数的测定》GB/T2680-94《建筑节能工程施工质量验收规范》GB50411-2007 《居住建筑节能检测标准》JGJ/T132-2009《公共建筑节能改造技术规范》JGJ176-2009 《公共建筑节能检测标准》JGJ/T177-2009《既有居住建筑节能改造技术规程》JGJ129-2000 《节能建筑评价标准》GB/T50668-2011 《建筑幕墙工程技术规范》DGJ08-56-2012 2计算中采用的部分条件参数及规定α2.1计算所采纳的部分参数按《建筑门窗玻璃幕墙热工计算规程》JGJ/T151-2008采用(1)冬季标准计算条件应为:室内空气温度:T in=20℃;室外空气温度:T out=-20℃;室内对流换热系数:h c,in=3.6W/(m2·K);室外对流换热系数:h c,out=16W/(m2·K);室内平均辐射温度:T rm,in=T in室外平均辐射温度:T rm,out=T out太阳辐射照度:I s=300W/m2;(2)夏季标准计算条件应为:室内空气温度:T in=25℃;室外空气温度:T out=30℃;室内对流换热系数:h c,in=2.5W/(m2·K);室外对流换热系数:h c,out=16W/(m2·K);室内平均辐射温度:T rm,in=T in室外平均辐射温度:T rm,out=T out太阳辐射照度:I s=500W/m2;(3)计算传热系数应采用冬季标准计算条件,并取I s=0W/m2;(4)计算遮阳系数、太阳光总透射比应采用夏季标准计算条件;(5)结露性能计算的标准边界条件应为:室内环境温度:20℃;室内环境湿度:30%,60%;室外环境温度:0℃,-10℃,-20℃(6)框的太阳光总透射比g f应采用下列边界条件:q in=α·I sα:框表面太阳辐射吸收系数;I s:太阳辐射照度(W/m2);q in:框吸收的太阳辐射热(W/m2);α2.2规范GB50189-2005《公共建筑节能设计标准》的部分规定(1)结构所在的建筑气候分区应该按下面表格取用。
淮北市和协国际商务楼外装饰工程热工计算书设计:校对:审批:合肥达美建筑装饰工程有限责任公司二〇一〇年六月目录1 计算引用的规范、标准及资料........................................................................................ 错误!未定义书签。
2 计算中采用的部分条件参数及规定................................................................................ 错误!未定义书签。
2.1 计算基本条件:..................................................................................................... 错误!未定义书签。
2.2 规范GB50189-2005《公共建筑节能设计标准》的部分规定 ........................... 错误!未定义书签。
2.3 THERM6.0中常用材料导热系数 .......................................................................... 错误!未定义书签。
3 基本参数............................................................................................................................ 错误!未定义书签。
3.1 地区参数:............................................................................................................. 错误!未定义书签。
图书馆隐框玻璃幕墙设计计算书计算:校核:审核:幕墙公司二〇二四年十月十四日目录一、计算依据及说明 (1)1. 工程概况说明 (1)2. 设计依据 (1)3. 基本计算公式 (3)二、荷载计算 (5)1. 风荷载标准值计算 (5)2. 风荷载设计值计算 (8)3. 水平地震作用计算 (8)4. 荷载组合计算 (8)三、水密性指标值计算 (9)1. 水密性计算 (9)四、玻璃计算 (9)1. 玻璃面积 (9)2. 玻璃板块自重 (10)3. 玻璃强度计算 (10)4. 玻璃跨中挠度计算 (12)五、结构胶计算 (13)1. 结构胶宽度计算 (13)2. 结构胶厚度计算 (14)3. 结构胶强度计算 (15)六、立柱计算 (15)1. 立柱材料预选 (15)2. 选用立柱型材的截面特性 (17)3. 立柱的强度计算 (18)4. 立柱的刚度计算 (19)5. 立柱抗剪计算 (20)七、立柱与主结构连接计算 (20)1. 立柱与主结构连接计算 (20)八、横梁计算 (22)1. 选用横梁型材的截面特性 (22)2. 横梁的强度计算 (23)3. 横梁的刚度计算 (26)4. 横梁的抗剪强度计算 (27)九、横梁与立柱连接件计算 (28)1. 横梁与角码连接计算 (28)2. 角码与立柱连接计算 (29)十、化学锚栓计算 (30)1. 锚栓计算信息描述 (30)2. 锚栓承受拉力计算 (30)3. 锚栓承受剪力计算 (31)4. 锚栓受拉承载力校核 (33)5. 锚栓混凝土锥体受拉破坏承载力校核 (34)6. 混凝土劈裂破坏承载力校核 (37)7. 锚栓钢材受剪破坏校核 (39)8. 构件边缘受剪混凝土楔形体破坏校核 (40)9. 混凝土剪撬破坏承载能力计算 (42)10. 拉剪复合受力承载力计算 (43)11. 锚栓构造要求校核 (44)十一、伸缩缝计算 (45)1. 立柱伸缩缝设计计算 (45)[强度计算信息][产品结构]设计计算书一、计算依据及说明1.工程概况说明工程名称:图书馆玻璃幕墙工程所在城市:昆明市工程所属建筑物地区类别:B类工程所在地区抗震设防烈度:八度(0.2g)工程基本风压:0.3kN/m2工程强度校核处标高:24m2.设计依据3.基本计算公式(1).场地类别划分:根据地面粗糙度,场地可划分为以下类别:A类近海面,海岛,海岸,湖岸及沙漠地区;B类指田野,乡村,丛林,丘陵以及房屋比较稀疏的乡镇和城市郊区;C类指有密集建筑群的城市市区;D类指有密集建筑群且房屋较高的城市市区;图书馆玻璃幕墙按B类地区计算风压(2).风荷载计算:幕墙属于薄壁外围护构件,根据《建筑结构荷载规范》GB50009-2012 8.1.1-2 采用风荷载计算公式: wk =βgz×μsl×μz×w其中: wk---作用在幕墙上的风荷载标准值(kN/m2)βgz---瞬时风压的阵风系数,按《建筑结构荷载规范》GB50009-2012 条文说明8.6.1取定根据不同场地类型,按以下公式计算:βgz =1+2gI10(z10)(-α)其中g为峰值因子取为2.5,I10为10米高名义湍流度,α为地面粗糙度指数 A类场地: I10=0.12 ,α=0.12B类场地: I10=0.14 ,α=0.15C类场地: I10=0.23 ,α=0.22D类场地: I10=0.39 ,α=0.30μz ---风压高度变化系数,按《建筑结构荷载规范》GB50009-2012取定, 根据不同场地类型,按以下公式计算: A 类场地: μz =1.284×(Z 10)0.24B 类场地: μz =1.000×(Z 10)0.30C 类场地: μz =0.544×(Z 10)0.44D 类场地: μz =0.262×(Z 10)0.60本工程属于B 类地区μsl ---风荷载体型系数,按《建筑结构荷载规范》GB50009-2012取定 w0---基本风压,按全国基本风压图,昆明市地区取为0.3kN/m 2(3).地震作用计算: q EAk =β E ×α max ×GAk其中: qEAk ---水平地震作用标准值 β E ---动力放大系数,按 5.0 取定αmax ---水平地震影响系数最大值,按相应设防烈度取定: 6度(0.05g): αmax =0.04 7度(0.1g): αmax =0.08 7度(0.15g): αmax =0.12 8度(0.2g): α max =0.16 8度(0.3g): α max =0.24 9度(0.4g): αmax =0.32昆明市地区设防烈度为八度(0.2g),根据本地区的情况,故取αmax =0.16 GAk ---幕墙构件的自重(N/m 2)(4).荷载组合:结构设计时,根据构件受力特点,荷载或作用的情况和产生的应力(内力)作用方向,选用最不利的组合,荷载和效应组合设计值按下式采用:γ G S G +γ w ψ w S w +γ E ψ E S E +γ T ψ T ST各项分别为永久荷载:重力;可变荷载:风荷载、温度变化;偶然荷载:地震 水平荷载标准值: qk =Wk +0.5×qEAk ,维护结构荷载标准值不考虑地震组合 水平荷载设计值: q=1.4×Wk +0.5×1.3×qEAk荷载和作用效应组合的分项系数,按以下规定采用:①对永久荷载采用标准值作为代表值,其分项系数满足:a.当其效应对结构不利时:对由可变荷载效应控制的组合,取1.2;对有永久荷载效应控制的组合,取1.35b.当其效应对结构有利时:一般情况取1.0;②可变荷载根据设计要求选代表值,其分项系数一般情况取1.4二、 荷载计算1. 风荷载标准值计算Wk : 作用在幕墙上的风荷载标准值(kN/m 2) z : 计算高度24mμz : 24m 高处风压高度变化系数(按B 类区计算): (GB50009-2012 条文说明8.2.1) μz =1×(z 10)0.3=1.30036I10: 10米高名义湍流度,对应A 、B 、C 、D 类地面粗糙度,分别取0.12、0.14、0.23、0.39。
常熟--局幕墙热工性能计算书 (一)本计算概况: 气候分区:夏热冬冷地区 工程所在城市:南京 传热系数限值: ≤ (W/ 遮阳系数限值(东、南、西向): ≤ 遮阳系数限值(北向): ≤
(二)参考资料: 《民用建筑节能设计标准(采暖居住建筑部分)》JGJ26-95 《夏热冬冷地区居住建筑节能设计标准》JGJ134-2001 《民用建筑热工设计规范》GB50176-93 《公共建筑节能设计标准》GB50189-2005 《公共建筑节能设计标准》DBJ 01-621-2005 《居住建筑节能设计标准》DBJ 01-602-2004 《建筑玻璃应用技术规程》JGJ 113-2003 《建筑门窗玻璃幕墙热工计算规程》(JGJ/T151-2008) 《建筑门窗幕墙热工计算及分析系统(W-Energy 2010)》
(三)计算基本条件: 1.计算实际工程所用的建筑门窗和玻璃幕墙热工性能所采用的边界条件应符合相应的建筑设计或节能设计标准。 2.设计或评价建筑门窗、玻璃幕墙定型产品的热工参数时,所采用的环境边界条件应统一采用规定的计算条件。 3.以下计算条件可供参考: (1)各种情况下都应选用下列光谱: S(λ):标准太阳辐射光谱函数(ISO 9845-1); D(λ):标准光源(CIE D65,ISO 10526)光谱函数; R(λ):视见函数(ISO/CIE 10527)。 (2)冬季计算标准条件应为: 室内环境温度 Tin=20℃ 室外环境温度 Tout=0℃ 内表面对流换热系数 hc,in= W/ 外表面对流换热系数 hc,out=20 W/ 太阳辐射照度 Is=300 W/m2 (3)夏季计算标准条件应为: 室内环境温度 Tin=25℃ 室外环境温度 Tout=30℃ 外表面对流换热系数 hc,in= W/ 外表面对流换热系数 hc,out=16 W/ 室外平均辐射温度 Trm=Tout 太阳辐射照度 Is=500 W/m2 (4)计算传热系数应采用冬季计算标准条件,并取Is= 0 W/m2。 (5)计算遮阳系数、太阳能总透射比应采用夏季计算标准条件,并取Tout=25℃。 (6)抗结露性能计算的标准边界条件应为: 室内环境温度 Tin=20℃ 室外环境温度 Tout=-20℃ 或 Tout=-30℃ 室内相对湿度 RH=30% 或 RH=50% 或 RH=70% 室外风速 V=4m/s (7)计算框的太阳能总透射比gf应使用下列边界条件: qin=α·Is qin 通过框传向室内的净热流(W/m2); α 框表面太阳辐射吸收系数; Is 太阳辐射照度 =500 W/m2。 4.设计或评价建筑门窗、玻璃幕墙定型产品的热工参数时,门窗框或幕墙框与墙的连接界面应作为绝热边界条件处理。 5.《公共建筑节能设计标准》GB50189-2005有关规定: (1)各城市的建筑气候分区应按表4.2.1确定。 表4.2.1-1 主要城市所处气候分区
气候分区 代 表 性 城 市
严寒地区A区 海伦、博克图、伊春、呼玛、海拉尔、满洲里、齐齐哈尔、富锦、哈尔滨、牡丹江、克拉玛依、佳木斯、安达
严寒地区B区 长春、乌鲁木齐、延吉、通辽、通化、四平、呼和浩特、抚顺、大柴旦、沈阳、大同、 本溪、阜新、哈密、鞍山、张家口、 酒泉、伊宁、吐鲁番、西宁、银川、丹东
寒冷地区 兰州、太原、唐山、阿坝、喀什、北京、天津、大连、阳泉、 平凉、石家庄、德州、晋城、天水、西安、拉萨、康定、济南、青岛、安阳、郑州、洛阳、宝鸡、徐州
夏 热冬冷地区 南京、蚌埠、盐城、南通、合肥、安庆、九江、武汉、黄石、岳阳、汉中、安康、上海、杭州、宁波、宜昌、长沙、南昌、株洲、零陵、赣州、韶关、桂林、重庆、达县、万州、涪陵、南充、宜宾、成都、贵阳、遵义、凯里、绵阳
夏热冬暖地区 福州、莆田、龙岩、梅州、兴宁、英德、河池、柳州、贺州、泉州、厦门、广州、深圳、湛江、汕头、海口、南宁、北海、梧州
(2)根据建筑所处城市的建筑气候分区,围护结构的热工性能应分别符合表4.2.2-1、表、表、表、表以及表的规定,其中外墙的传热系数为包括结构性热桥在内的平均值Km。 表4.2.2-1 严寒地区A区围护结构传热系数限值
围护结构部位 体型系数 ≤ 传热系数K W/ (m2·K) <体型系数≤ 传热系数K W/ (m2·K) 屋 面 ≤ ≤ 外 墙(包括非透明幕墙) ≤ ≤ 底面接触室外空气的架空或外挑楼板 ≤ ≤ 非采暖房间与采暖房间的隔墙或楼板 ≤ ≤
单一朝 向外窗 (包括透明幕墙)
窗墙面积比≤. ≤ ≤
< 窗墙面积比≤ ≤ ≤
< 窗墙面积比≤ ≤ ≤ < 窗墙面积比≤ ≤ ≤ < 窗墙面积比≤ ≤ ≤ 屋顶透明部分 ≤
表4.2.2-2 严寒地区B区围护结构传热系数限值 围护结构部位 体型系数≤ 传热系数 K W/(m2·K) <体型系数≤ 传热系数K W/(m2·K) 屋 面 ≤ ≤ 外 墙(包括非透明幕墙) ≤ ≤ 底面接触室外空气的架空或外挑楼板 ≤ ≤ 非采暖房间与采暖房间的隔墙或楼板 ≤ ≤
单一朝 向外窗 (包括透明幕墙)
窗墙面积比≤. ≤ ≤ < 窗墙面积比≤ ≤ ≤ < 窗墙面积比≤ ≤ ≤ < 窗墙面积比≤ ≤ ≤ < 窗墙面积比≤ ≤ ≤
屋顶透明部分 ≤
表4.2.2-3 寒冷地区围护结构传热系数和遮阳系数限值- 围护结构部位 体型系数≤ 传热系数K W/(m2·K) <体型系数≤ 传热系数K W/(m2·K) 屋面 ≤ ≤ 外墙(包括非透明幕墙) ≤ ≤ 底面接触室外空气的架空或外挑楼板 ≤ ≤
非采暖空调房间与采暖空调房间的隔墙或楼板 ≤ ≤
外窗(包括透明幕墙) 传热系数K W/(m2·K)
遮阳系数SC
(东、南、西向/北向)
传热系数K
W/(m2·K) 遮阳系数SC
(东、南、西向/北向)
单一朝向外窗 (包括透明幕墙)
窗墙面积比≤ ≤ — ≤ — <窗墙面积比≤ ≤ — ≤ — <窗墙面积比≤ ≤ ≤— ≤ ≤— <窗墙面积比≤ ≤ ≤— ≤ ≤— <窗墙面积比≤ ≤ ≤— ≤ ≤— 屋顶透明部分 ≤ ≤ ≤ ≤ 注:有外遮阳时,遮阳系数=玻璃的遮阳系数外遮阳的遮阳系数;无外遮阳时,遮阳系数=玻璃的遮阳系数。 表4.2.2-4 夏热冬冷地区围护结构传热系数和遮阳系数限值 围护结构部位 传热系数K W/(m2·K) 屋面 ≤ 外墙(包括非透明幕墙) ≤ 底面接触室外空气的架空或外挑楼板 ≤
外窗(包括透明幕墙) 传热系数K W/(m2·K) 遮阳系数SC (东、南、西向/北向)
单一朝向外窗(包括透明幕墙)
窗墙面积比≤ ≤ — <窗墙面积比≤ ≤ ≤ — <窗墙面积比≤ ≤ ≤ <窗墙面积比≤ ≤ ≤ <窗墙面积比≤ ≤ ≤ 屋顶透明部分 ≤ ≤
注:有外遮阳时,遮阳系数=玻璃的遮阳系数外遮阳的遮阳系数;无外遮阳时,遮阳系数=玻璃的遮阳系数。
表4.2.2-5 夏热冬暖地区围护结构传热系数和遮阳系数限值 围护结构部位 传热系数K W/(m2·K) 屋面 ≤ 外墙(包括非透明幕墙) ≤ 底面接触室外空气的架空或外挑楼板 ≤
外窗(包括透明幕墙) 传热系数K W/(m2·K) 遮阳系数SC (东、南、西向/北向)
单一朝向外窗 (包括透明幕墙)
窗墙面积比≤ ≤ — <窗墙面积比≤ ≤ ≤
<窗墙面积比≤ ≤ ≤
<窗墙面积比≤ ≤ ≤
<窗墙面积比≤ ≤ ≤
屋顶透明部分 ≤ ≤
注:有外遮阳时,遮阳系数=玻璃的遮阳系数外遮阳的遮阳系数;无外遮阳时,遮阳系数=玻璃的遮阳系数。
表4.2.2-6 不同气候区地面和地下室外墙热阻限值 气候分区 围护结构部位 热阻 R (m2·K)/W
严寒地区A区 地 面: 周边地面 非周边地面 采暖地下室外墙(与土壤接触的墙)
严寒地区B区 地 面: 周边地面 非周边地面
采暖地下室外墙(与土壤接触的墙)
寒冷地区 地 面: 周边地面 非周边地面 采暖、空调地下室外墙(与土壤接触的墙)
夏热冬冷地区 地面
地下室外墙(与土壤接触的墙)
夏热冬暖地区 地面
地下室外墙(与土壤接触的墙)
注:周边地面系指距外墙内表面2米以内的地面; 地面热阻系指建筑基础持力层以上各层材料的热阻之和; 地下室外墙热阻系指土壤以内各层材料的热阻之和。
(3)外墙与屋面的热桥部位的内表面温度不应低于室内空气露点温度。 一、基本计算参数: 本计算为幕墙系统的热工性能计算。 1.幕墙计算单元的有关参数 总宽: W=4700mm 总高: H=4200mm
幕墙计算单元的总面积: At=W×H= 幕墙计算单元的玻璃总面积: Ag=