油基钻井液
- 格式:ppt
- 大小:4.45 MB
- 文档页数:22
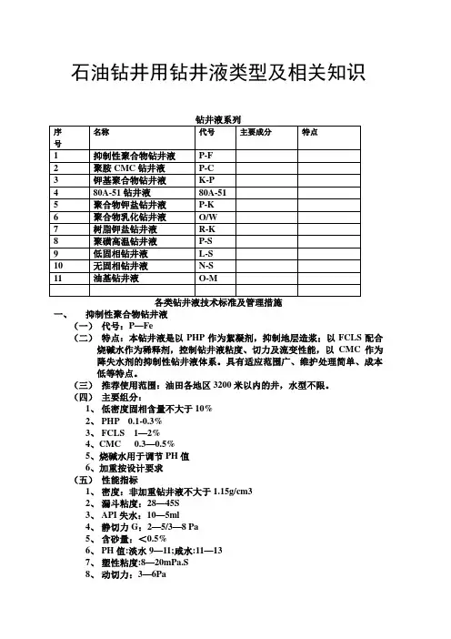
石油钻井用钻井液类型及相关知识一、抑制性聚合物钻井液(一)代号:P—Fe(二)特点:本钻井液是以PHP作为絮凝剂,抑制地层造浆;以FCLS配合烧碱水作为稀释剂,控制钻井液粘度、切力及流变性能,以CMC作为降失水剂的抑制性钻井液体系。
具有适应范围广、维护处理简单、成本低等特点。
(三)推荐使用范围:油田各地区3200米以内的井,水型不限。
(四)主要组分:1、低密度固相含量不大于10%2、PHP 0.1-0.3%3、FCLS 1—2%4、CMC 0.3—0.5%5、烧碱水用于调节PH值6、加重按设计要求(五)性能指标1、密度:非加重钻井液不大于1.15g/cm32、漏斗粘度:28—45S3、API失水:10—5ml4、静切力G:2—5/3—8 Pa5、含砂量:<0.5%6、PH值:淡水9—11;咸水:11—137、塑性粘度:8—20mPa.S8、动切力:3—6Pa(六)维护处理要点:1、大循环改小循环以后,使用震动筛、除砂器控制固相含量,配合清水调整性能1—2周,进行转化处理。
本次处理主要以控制低粘、低切、降低失水为目的。
(采用PHP、FCLS 、NaOH、CMC综合处理)。
2、转化处理以后,用PHP配合烧碱水进行维护处理。
PHP应配成0.5—1%溶液,每班定量均匀加入。
东营组以上地层,钻井液中PHP保持0.1—0.15%的含量。
进入沙河街组地层,PHP保持0.2—0.3%的含量,烧碱量以维护要求的PH为佳。
3、每只钻头下钻完,根据性能要求,用清水、FCLS配合烧碱水处理,用CMC控制失水。
根据失水量的大小决定其用量,然后用PHP维护性能。
FCLS 与烧碱水的比例:一般按淡水2:1;咸水1:1或1:2。
4、钻进中坚持使用好固控设备,保持含砂量小于0.5%。
5、加重前,先用FCLS与烧碱水进行降粘切处理之后再进行加重。
加重时,应按加入的重晶石数量补充0.05—0.1%的PHP量,以确保重晶石在钻井液中的悬浮。
页岩气钻井过程中的钻井液技术背景页岩气开发目前成为全球关注的热点。
在我国,由于现有的天燃气产量难以持续满足中国国民经济的发展和社会高速发展的需求,也由于北美页岩气勘探开发的成功经验,所以中国页岩气的发展引起政府、企业和民众的高度关注。
中国的页岩气勘探开发技术刚刚起步,缺乏相关的经验和技术;美国是最早进行页岩气研究和开采的国家,目前已形成相当的规模,并且进入了开发的快速发展阶段。
页岩气钻井方式的选择美国开发页岩气的成功经验表明,水平井和多种储层压裂改造技术是成功开发页岩气的关键。
在页岩气层钻水平井,可以获得更大的泄流面积,更高的天然气产量。
根据美国页岩气开发的经验,水平井成本平均为直井的3倍,但日均产气量及最终产气量是直井3~5倍,产气速率则提高10倍。
因此,水平井成为了开发页岩气最主要的钻井方式。
页岩气水平井钻井存在的主要问题一方面,页岩是以粘土矿物为主的沉积岩,钻井过程中粘土矿物水化造成强度降低,进而产生缩径、井壁垮塌、卡钻等复杂事故;另一方面,在页岩气水平井钻井中,水平段较长,井壁失稳、摩阻、携岩及地层污染等问题非常突出。
因此,钻井液的选择及其配方直接影响钻井效率、工程事故的发生率及储层保护效果。
从钻井液角度看,要求钻井液能提高地层承压能力,防漏堵漏效果好,最重要的是抑制粘土水化膨胀,造成储层伤害。
选择钻井液体系的原则为:要使钻井液有较强的抑制性、封堵性能和较低的渗透性和活度;能阻止滤液进入页岩地层,防止页岩吸水、强度降低。
油基钻井液传统的页岩气钻井过程中,使用最多的是油基钻井液。
油基钻井液具有以下优点;(1)强的抑制性,能防止和减少水敏性地层的水化、膨胀、分散而引起的缩径或井塌;(2)在钻遇石膏层、盐层及水泥塞时,对Ca、Mg、Na等离子具有很强的抗污染能力;(3)由于以油为外相,油基钻井液润湿效果极佳,能大大降低钻进及起下钻时的扭矩、阻力和张力,减少由于阻、卡引起的井下复杂事故;(4)对钻井设备无腐蚀;(5)具有极好的油气层保护特性;(6)与其他水基钻井液相比,油基钻井液的滤饼滤失速率较小,滤液基本不会引起粘土矿物水化膨胀;(7)滤液进入亲水型硬脆性泥页岩阻力大,从而能较好地稳定泥页岩地层。
第三章钻井液一口油气井钻井成功在很大程度上取决于钻井液的性质和性能。
钻井液始终是为钻井工程服务的,它的发展与钻井工程的发展紧密相关。
由于初期的钻井液是由最简单的泥土和水组成,“泥浆”就成为钻井液沿用至今的代名词。
实际上,这种称呼既不正确更不准确。
钻井液的定义是指具有各种各样功能以满足钻井工程需要的循环流体。
第一节钻井液的功能、组成和类型一、钻井液的功能油气钻井的基本功能是打开找油、找气和采油、采气的通道,是实现油气勘探开发的重要工程手段。
为油气钻井、完井服务是钻井液的目的,钻井、完井的需要是钻井液发展的动力。
因此,钻井液的功能就体现在油气井钻井、完井的两个方面,即在整个钻进过程中,要保持安全优质快速低成本钻井;在进入油气层时,要具有保护储层的作用。
所以,钻井液的功用也就是钻井、完井对钻井液的基本要求。
在钻井方面,钻井液的主要功能有①清洗井底,携带岩屑。
②冷却、润滑钻头和钻柱。
③形成泥饼,保护井壁。
④控制和平衡地层压力。
⑤悬浮岩屑和加重材料。
⑥提供所钻地层的地质资料。
⑦传递水功率。
⑧防止钻具腐蚀。
在保护油气储集层方面,钻井液(此时称完井液)的主要功用是保护油气层的渗透性,尽量降低对原始油气层物化性质的损害。
主要表现在以下两方面:①控制固相粒子含量及级配,防止固相粒子对油气层的损害。
②保持液相与地层的相容性。
二、钻井液的组成和类型钻井液属于复杂的多相多级胶体-悬浮体分散体系。
它既可以是固体分散在液体中,或者是液体分散在另一种液体中,也可以是气体分散在液体中,或者是液体分散在气体中所形成的分散体系。
钻井液的基本成分由分散相+分散介质+化学处理剂组成。
各相具体成分可以是:处理剂(各种维护分散体系稳定和调整分散体系性能的化学添加剂)。
在以水为连续相的水基钻井液中,通常用重量体积百分含量表示钻井液配方中各组分,不考虑处理剂本身的体积。
例如,某种水基钻井液组分为:1000ml水+ 50g膨润土+ 20g 处理剂。
第五章钻井液钻井液(Drilling fluids)是在旋转钻井时循环使用的流体,包括水基、油基、气基三种类型。
由于绝大多数使用的是液体,少量使用气体或泡沫,因此称之为“钻井液”,又由于最初的钻井液主要是由水和粘土组成,而且粘土一直是钻井液的主要配制材料,因此习惯称之为“泥浆”。
尽管目前钻井液的成本仅占钻井总成本的5~10%左右,但它却是影响钻井工程成败的主要因素之一,井愈深,其重要性愈突出,因此,人们形象地把泥浆比喻为“钻井的血液”。
第一节钻井液性能一.钻井液性能钻井液性能测试与计算的技术指标总共有40多项,但对一种钻井液体系,一般要求测定和相适应的指标常常只是几项或十几项。
测试钻井液性能的方法可参见1993年版API RP 13 B-l《水基钻井液现场测试程序推荐作法》和B-2《油基钻井液现场测试程序推荐作法》以及我国行业标准ZB/TE 13004《钻井液测试程序》。
各项性能的代号及单位见表5-1。
二.钻井液性能的控制1.密度(MW)(1)钻井液密度是单位体积钻井液所含物质的质量,法定计量单位为克/厘米3(g/cm3)或千克/米3(kg/m3),钻井现场也常用其他非法定计量单位,如磅/加仑(1b/gal)或磅/英尺3(fo/f t3),有时则用压力梯度表示,如磅/英寸2/英尺(1b/in2/f t)、磅/英寸2/1000英尺(1b/in2/1000f t)、千帕/米(kPa/m)或者是公斤/厘米2/米(kg/cm2/m)等。
它们之间的换算关系见单位换算表。
(2)钻井液密度的设计应控制在合适的数值上。
一般而言,钻井液密度提高有利于支承井壁,保证井眼的稳定,阻止地层流体流入井筒污染钻井液及引发井涌与井喷,但密度高不利于提高钻进速度。
(3)钻井液密度降低有利于避免井漏,提高钻进速度和减少压差卡钻机率,也有利于产层保护,但密度降低容易引发井涌或井喷。
(4)钻井液密度升高的可能因素是:①加入加重材料。
核心提示:地下钻井作业的严酷环境促进了对钻井液的研究和开发,要求能够在钻井过程中完成以下多项关键任务:悬浮、压力控制、岩层稳定性、浮力、润滑和冷却。
地下钻井作业的严酷环境促进了对钻井液的研究和开发,要求能够在钻井过程中完成以下多项关键任务:悬浮、压力控制、岩层稳定性、浮力、润滑和冷却。
悬浮沿钻杆向下或从钻孔中向上流动的钻井液有时会停止运动。
出现这种情况只能有两种原因:一是出现了故障,二是在更换钻头时将钻杆提出了钻孔。
钻探停止时,悬浮在钻井液中的钻屑就会沉入钻孔的底部,将钻孔堵塞。
钻井液被设计为具有一种非常有趣的特性,而该特性可以解决这一问题。
钻井液的稠度(或粘度)随钻井液流速降低而增加。
钻井液停止流动后,就会形成一种粘稠的凝胶体,这种凝胶体可使岩石钻屑悬浮在其中,从而防止它们沉入钻孔底部。
而当钻井液又开始流动后,它就会越变越稀薄,恢复到其以前稀薄的液体形态。
压力控制许多人都看到过石油从钻井台中喷入高空,石油工人为之而欢呼雀跃的情景。
实际上,这类井喷罕有发生,也并不值得庆祝,因为钻探的目标是以控制流量的方式来开采石油。
泥浆被设计为可以抵消岩层中流体的自然压力,从而防止发生此类事故。
压力间必须达到适当的平衡,即钻井液对钻孔壁的压力应足以抵消岩层和石油或天然气施加的压力,但这种压力又不能太大,否则会对油井造成破坏。
如果钻井液的重量太大,可能会使岩石破裂,钻井液也会因此而流失入地下。
液体的压力随其浓度的变化而变化。
在钻井液中添加增重剂可以提高其浓度,进而增大它对钻孔壁的压力。
可调整液体的浓度以满足油井中的环境要求。
裸露岩层的稳定性钻井过程分为两个阶段:第一阶段是钻穿不含石油的岩层,目标是尽快钻穿不含油岩层,到达含油岩层,即储集层。
此时的重点是要保持钻孔中裸露岩层的稳定,同时还要避免钻井液流失。
而如果保持钻井液压力高于岩层孔隙流体压力,钻井液就会出现向岩层的透水岩石中渗入的自然趋势。
在钻井液中加入特殊的添加剂,就能防止发生这种情况。
油基钻井液润湿剂
在油基钻井液体系的应用过程中,由于重晶石粉等加重剂与钻屑等亲水性固体颗粒侵入时,会引起油基钻井液体系粘度升高和加重剂的沉降等一系列问题,从而影响油基钻井液体的流变性与沉降稳定性,因此需要加入润湿剂使侵入全油基钻井液体系中惰性固相表面转化为亲油性。
该润湿剂是一种全油基钻井液体系的高效润湿反转剂,突破了传统润湿反转剂物理吸附的作用机理,它主要是通过润湿剂分子与钻屑和加重剂表面产生化学键合,改变钻屑及加重材料等固相的表面为亲油性,从而有效地改善全油基钻井液体系的流变性与沉降稳定性,有利于油基钻井液体系使用过程中的综合性能稳定与调控。
1、性能与用途
◆用于油基钻井液改变亲水固体(重晶石粉和钻屑)表面润湿性;
◆可用于气制油、白油和柴油等不同基液配制的油基钻井液体系;
◆推荐加量为1~2%。
2、质量指标
表 1 理化指标
表 2 钻井液性能指标
3、包装
该产品采用200L塑料桶包装。
1。
钻井液对石油钻井的影响及对策1.绪论石油钻井是一项复杂的技艺工程,需要诸多方面的工种协调密切配合才能使钻井顺利完成。
钻井主要的工种有钻井、内燃机、石油泥浆。
这是紧密联系的三兄弟。
有人形象比喻说:“石油内燃机犹如人的心脏、钻井液(泥浆)犹如人的血液、石油钻井犹如人的骨骼。
”我认为这种比喻有一定的道理。
石油钻井就是由这三种主要的工种组成的一个完整的钻井体系。
钻井技术不断发展,对钻井液要求越来越高。
钻井液性能好坏在很大程度上决定了钻井的成败。
而钻井液性能的好坏是靠处理剂来调节的。
最早使用的钻井液处理剂是天然高分子化合物,例如丹宁、栲胶和无机物来处理钻井液。
后来引进聚丙烯酰胺钻井液。
现在又使用了阳离子、两性离子和正电胶钻井液等,这些都借用了化学学科特别是高分子化学的发展。
钻井液处理剂材料更是和高分子化学密不可分。
因此,钻井液对石油钻井影响很大。
2. 什么是钻井液钻井液就是在钻井过程中的其多种功能满足钻井工作需要的各种循环流体总称。
钻井液的循环是通过钻井泵来维持的,从钻井泵排出的高压钻井液,经过地面高压管、立管、水龙带、水龙头、方钻杆、钻杆、钻铤到达钻头,从钻头水眼上的喷嘴喷出,从清洗井底、携带钻屑。
然后由沿环形空间(钻柱与井壁形成的空间)向上流动。
到达地面后,经地面,低压管汇流入钻井液池,再经各种固控设备进行处理后返回上水池,最后进入钻井泵循环再用。
钻井液经流的各种管件、设备构成了一整套钻井液循环系统。
要深入了解钻井液对钻井的影响还要知道钻井液的作用。
3.钻井液的作用3.1携带和悬浮岩屑是钻井液首要和最基本的功能在悬浮中,沿钻杆向下或从钻孔中向上流动的钻井液有时会停止运动。
出现这种情况只能有两种原因:一是出现了故障,二是在更换钻头时将钻杆提出了钻孔。
钻探停止时,悬浮在钻井液中的钻屑就会沉入钻孔的底部,将钻孔堵塞。
钻井液被设计为具有一种非常有趣的特性,而该特性可以解决这一问题。
钻井液的稠度(或粘度)随钻井液流速降低而增加。
IADC/SPE 155578生物柴油基钻井液Meishan Wang, 中石油技术服务公司高级工程师;Mingbo Sun, 中国石油大学(西部)教授,Hongyan Shang, 中国石油大学(西部)教授;Songlin Fan,大港油田服务公司石油工程研究院高级工程师;Meiquan Liu,中石油技术服务公司工程师;Fupeng Liu, 大港油田服务公司石油工程研究院工程师摘要在常温和高温下,生物柴油的流变性和白油进行的比较。
研究了生物柴油抑制页岩膨胀的能力。
结果显示,生物柴油的流变性好于白油。
生物柴油能更好的抵抗高温和页岩膨胀。
有机褐煤和植物树脂被用来在生物柴油钻井液中降低滤失。
通过实验得出了生物柴油钻井液的最佳配方。
为了模拟钙和干土的污染,CaSO4.2H2O和钠基搬土加到了体系中。
实验结果显示生物柴油钻井液对于钙和干土的污染是可以接受的。
介绍现在环保在全球都很重要。
因此人们都喜欢环保的钻井液。
基于这种要求开发了生物柴油钻井液。
生物柴油由人工交酯化制成。
原料来自油料作物、野生含油植物、微生物工程藻类、动物油脂和猪食油。
生物柴油能代替矿物柴油而且能重复利用。
主要成分是油脂和甲酯。
生物柴油的特性如下:1.最大湿度30%-45%,水能降低油的粘度,提高其稳定性,2.相对密度0.8724-0.8886,3.润滑性良好。
4.非常环保:含硫低,二氧化硫和硫化物挥发低,生物降解率达到98%,是矿物油的两倍,能有效清除意外泄漏,5.安全性好:高闪点,所以运输、存储和使用非常安全。
油基钻井液的优点包括良好的润滑性、抑制页岩膨胀、井壁稳定性好和抗高温。
缺点有环境污染、容易起火并且成本较高,这些都限制了油基泥浆的使用。
然而,可以用生物柴油来代替原油和矿物柴油来消除这些缺点。
生物柴油配置的钻井液虽然没没有显示出比常规油基泥浆更好的特性,但是与环境相容性很好:1.环保:含硫低,没有芳香烃,容易生物降解,2.安全性好,闪点高,不危险。
油水比对油基钻井液流变性的影响庄严;熊汉桥;丁峰;邓强;张俊杰;冯伟雄;李卫东【摘要】钻井过程中由于地层水侵入导致油水比的变化对钻井液流变性的影响是非常值得研究的.主要采用M3600自动流变仪分别测出不同油水比(2∶ 8/3∶ 7/4∶ 6/5∶ 5/6∶ 4/7∶ 3/8∶ 2)的油基钻井液在不同温度(30℃、60℃、90℃)下的各流变参数.以此判断,当发生水侵时油基钻井液油水比变化引起流变性能的变化.实验证实:当油水比大于1时,油基钻井液属于塑性流体;当油水比小于1时,油基钻井液更倾向于假塑性流体.同一温度下,随着油水比的不断降低,油基钻井液的剪切应力、黏度以及静切力都升高.同一油水比的油基钻井液温度越高,剪切应力、黏度、静切应力都越小.随着油水比的不断降低,油基钻井液的破乳电压不断降低,即稳定性不断交差.【期刊名称】《科学技术与工程》【年(卷),期】2016(016)012【总页数】6页(P238-243)【关键词】油水比;油基钻井液;流变性【作者】庄严;熊汉桥;丁峰;邓强;张俊杰;冯伟雄;李卫东【作者单位】西南石油大学油气藏地质及开发工程国家重点实验室,成都610500;西南石油大学油气藏地质及开发工程国家重点实验室,成都610500;塔里木油田分公司库车勘探开发项目经理部,库尔勒841000;塔里木油田分公司库车勘探开发项目经理部,库尔勒841000;塔里木油田分公司库车勘探开发项目经理部,库尔勒841000;塔里木油田分公司库车勘探开发项目经理部,库尔勒841000;塔里木油田分公司库车勘探开发项目经理部,库尔勒841000【正文语种】中文【中图分类】TE254.1近年来,随着国内能源需求的增加,石油勘探开发逐渐向深部和复杂地层发展。
钻探深井、超深井、大斜度井、多分支井、水平井等复杂井的数量越来越多;特别是随着非常规油气资源的开发,对油基钻井液体系的需求越来越大。
随着油基钻井液应用的不断推广,人们对油基钻井液流变性等性能的研究也越来越多。
钻井用化学材料一、钻井液的作用钻井液又称“泥浆”是由各种油田化学剂(约19类)混合组成的流体。
当钻进至油、气层时所用的钻井液为“完井液”。
修井作业时所用的化学剂配成的流体称为“修井液”。
基本功能有:钻井液具有平衡地层压力、冷却润滑钻头、冲洗井底、携带岩屑、辅助破坏岩层、悬浮岩屑、保护井壁等作用。
保证优质快速钻进。
对于开发,保护油气层。
对于勘探,发现并保护油气层。
二、钻井液的类型水基钻井液:无固相饱和盐水钻井液低固相不分散钻井液(钾铵聚合物、三磺、两性复合离子、阳离子、正电胶等)油基钻井液:油基液、油包水乳化液、低胶性油基液、无毒油基液气体型(空气、雾、泡沫、充气)钻井液钻井液材料分为十六大类。
1.粘土类作用:主要用来配制原浆,亦有增加粘切、降低滤失量的作用。
主要材料:膨润土(主要以蒙脱石为主)、抗盐土(主要为凹凸棒石及海泡石土)、有机土(钠土经阳离子型表面活性剂处理的人造土)。
2.加重材料作用:主要用来提高钻井液的密度,以控制地层压力、防塌、防喷。
主要材料:重晶石粉:以硫酸钡为主要成分的天然矿石,经过机加工而成细度适宜的粉末状产品。
石灰石粉:以碳酸钙为主要成分的天然矿石,经过机械加工而成细度适度的粉末产品。
钛铁矿粉:以氧化钛与四氧化三铁为主要成份。
3.增粘剂作用:主要用来促进钻井液中粘土颗粒网状结构的形成,增加胶凝强度以形成高流阻。
主要材料:黄孢胶、黄原胶、羧甲基纤维素CMC、羟乙基纤维素HEC、正电胶、石棉、胍胶等。
4.降粘剂作用:主要用来改善钻井液的流动性,例如粘度、切力,以增加可泵性、减少摩阻等。
主要材料:酸式焦磷酸盐、四磷酸钠、铁铬盐、木质磺酸盐类、单宁、腐植酸钾、丙烯酸聚合物、硅稀释剂、氧化木质素衍生物等。
5.降滤失剂作用:主要用来降低钻井液的滤失量。
主要材料:淀粉类、低粘度聚阴离子纤维素、钠羧甲基纤维素、共聚物类、聚丙烯腈衍生物或聚丙烯盐、树脂类、复全合纤维素等。
6.絮凝剂作用:主要用来絮凝钻井液中过多的粘土细微颗粒及清除钻屑,从而使钻井液保持低固相,可使钻屑不分散,易于清除,并有防塌作用。
钻井液(泥浆)工艺学第一章 钻井液功用无论在石油钻探还是在岩心钻探中,要保证优质快速钻进,正确的选择、使用钻井液十分的重要,因此钻井液被称为钻进过程的血液。
其功用有以下几点: 1、 清洗孔底,悬浮和携带岩粉。
例如:利用钻井液的触变性,将岩粉悬浮起来,可以防止岩粉迅速沉淀造成埋钻事故。
2、 冷却钻头,提高钻头的使用寿命。
例如:金刚石钻进,其钻头温度可以升到300度以上,如果得不到及时的冷却,就会造成烧钻(即金刚石的碳化)。
3、 润滑钻头和钻具,减弱钻具的振动。
例如:在高速钻进的金刚石钻进中,加入润滑剂的乳化冲洗液,可以减小钻头与孔底岩石、钻杆与孔壁间的摩擦阻力和有效地减弱钻具高速回转时的振动及减轻钻机等动力机的荷载,使钻头平稳工作。
4、 形成泥皮,保护孔壁。
例如:钙处理剂泥浆对水敏性地层有抑制作用,有效地防止孔壁的膨胀和坍塌。
5、 在反循环钻进中,输送岩心。
6、 在采用涡轮钻、螺杆钻及冲击回转钻进中,起传递动力的工作介质。
第二章 钻井液的性能按照API 推荐的钻井液性能指标,包括:密度、漏斗粘度、塑性粘度(视粘度)、动切力、静切力、API 滤失量、HTHP 滤失量、PH 值、含砂量、固相含量、膨润土含量、和各种离子的质量浓度等。
1、 粘土的选择:含蒙脱石的粘土、海泡石抗盐粘土。
粘土的性质:粘土因晶格取代而带负电,因内外表面都能进行水化及阳离子交换容量高故而水化膨胀性强。
2、 粘土的扩散双电子层理论:粘土溶于水中,吸附的阳离子便解离,向外扩散,结果形成胶粒带负电的扩散双电层。
3、 粘土-水胶体分散体系的稳定性与聚结:1) 稳定性包括动力稳定性和聚结稳定性。
其中影响动力稳定性因素主要有:颗粒半径、介质粘度;影响聚结稳定性的因素是分散介质的电解质浓度与价态。
2) 缩小颗粒半径和增加介质粘度可以提高动力稳定性;降低电解质浓度和价数可以提高聚结稳定性。
4、 钻井液的流变性:在外力作用下,钻井液发生流动和变形的特性。