含碱减量混合废水处理工程案例分析
- 格式:pdf
- 大小:67.66 KB
- 文档页数:1
酸析法在碱减量印染废水处理中的应用涤纶纤维织物染色采用的碱减量工艺,会产生高碱度、高有机物浓度且生化性极差的废水,此种废水应单独进行预处理后再与其他印染工段排放的废水混合处理。
采用酸析法进行预处理,并将其应用于某染厂的工程实践中取得了良好的处理效果。
【Abstract】Alkali deweighting process is used in the polyester fabric dyeing,which will produce wastewater with high alkalinity,high organic concentration and poor biochemistry. This kind of wastewater should be pretreated separately,and then mixed treated with wastewater discharged from other printing and dyeing sections. Using the acid precipitation method to carry out pretreatment,and its application in the engineering practice of a dyeing factory has achieved good results.标签:碱减量;酸析法;铁屑内电解;对苯二甲酸1 引言印染行业是我国传统产业纺织工业中的一个重要分支。
印染过程中使用的原料主要是各种纤维,它分为天然纤维和化学纤维两大类。
其中天然纤维包括:棉、麻等植物性纤维和毛、丝等动物性纤维;化学纤维包括:人造纤维(粘胶纤维、铜氨纤维等)和合成纤维(锦纶、涤纶、腈纶、维纶、丙纶等)两大类。
在合成纤维染色过程中,会用到碱减量工艺,产生碱减量废水,此种废水生化性极差,较难生化处理,必须先进行预处理后方可进行生化处理[1]。
碱减量废水处理工程实例金艳【摘要】碱减量废水具有CODCr浓度高、碱度高、可生化性差等特点,成为印染行业污染重、处理难度极大的废水.根据废水水质特点,设计采用酸析-电催化氧化-耐盐菌降解-多效催化氧化处理工艺.工程运行结果表明,进水CODCr的质量浓度为25400 mg/L,出水的质量浓度为200 mg/L以下,达到工业园区污水处理厂进水要求,实现了碱减量废水单独处理达标.%As the alkali reduction wastewater has characteristics of high CODCr concentration, high alkalinity, poor biodegradability, and so on, it is a kind of heavy polluted printing and dyeing wastewater which was difficult to be treated. According to the wastewater characteristics, the combined process of acid out-electro-catalytic oxidation-halophilic bacteria degradation-multi catalytic oxidation was adopted, the operating results showed that when the mass concentration of CODCr in influent water was 25400 mg/L, the mass concentration of CODCr in effluent water was below 200 mg/L, which met the influent water quality requirement of the wastewater treatment plant in the industrial park, the independent treatment effect of alkali reduction wastewater reached the standard.【期刊名称】《工业用水与废水》【年(卷),期】2017(048)004【总页数】4页(P68-71)【关键词】碱减量废水;酸析;电催化氧化;耐盐菌【作者】金艳【作者单位】苏州聚智同创环保科技有限公司, 江苏常熟 215513【正文语种】中文【中图分类】X791.031目前,涤纶已成为服装行业的重要原料,人们利用碱减量技术,赋予涤纶织物具有丝绸般的优良特征。
废水处理工程案例一、污水来源:那个“臭名远扬”的小工厂。
话说有这么一个小工厂,生产一些小玩意儿。
别看厂小,产生的废水可不少,而且那废水啊,简直就是个大杂烩。
里面有生产过程中残留的化学原料,五颜六色的,就像个被打翻的颜料盒。
还有各种小零件清洗后的油污,浮在水面上一层,看着就腻歪。
这废水要是直接排出去,那周围的小河沟可就惨了,估计鱼啊虾啊都得戴着防毒面具才能活下去。
二、废水处理工程启动:组建“超级英雄”团队。
1. 工程师老张——智慧担当。
这时候,老张出场了。
老张可是个经验丰富的工程师,处理废水就像老中医看病一样,先得把病症摸清楚。
他带着他那副厚厚的眼镜,在工厂里到处查看废水的源头,收集水样,然后在实验室里捣鼓来捣鼓去。
2. 技术工人小李——行动派。
小李呢,是个年轻力壮的技术工人。
他就像是老张的得力助手,老张指哪他打哪。
小李负责安装和调试那些废水处理设备,大到像房子一样的反应池,小到一颗颗螺丝钉,他都弄得妥妥当当。
3. 环保专家王姐——监管者。
王姐是个环保专家,那可是相当严格。
她就像一个考官,时刻盯着这个废水处理工程的每一个环节,确保所有操作都符合环保标准。
要是有一点不符合规定的地方,她就会像班主任批评学生一样,毫不留情地指出来。
三、处理工艺:废水的“变形记”1. 物理处理——筛除大坏蛋。
首先是物理处理阶段。
这就像是在废水里进行一场大筛选,把那些大块的固体杂质先给捞出来。
他们用了格栅,就像一个超级大滤网,那些大的废渣啊、碎零件啊,统统被拦截住,就像拦住了一群想要逃跑的小怪兽。
然后通过沉淀池,让那些比较小的固体颗粒慢慢沉到水底,废水就像被做了一场初步的清洁,变得稍微清爽了一点。
2. 化学处理——魔法药水来帮忙。
接下来是化学处理。
这时候就像是给废水喝魔法药水一样。
针对废水中的化学污染物,老张他们往里面加了各种化学药剂。
比如说,遇到酸性废水,就加一些碱性药剂中和一下,就像酸碱在废水里打了一场小架,最后达到了平衡。
碱减量处理碱减量处理是一种环境保护的重要措施,它可以有效地减少碱性废水的排放,降低对环境的污染。
本文将从碱减量处理的原理、方法和应用实例等方面进行阐述。
我们来了解一下碱减量处理的原理。
碱性废水是指含有较高pH值的废水,常见的来源包括电镀、化工、制药等工业过程。
传统的处理方法主要是通过中和反应,使用酸性物质将废水中的碱性物质中和掉。
然而,这种处理方式存在一些问题,比如酸性物质的成本较高、中和产生的盐类废物难以处理等。
而碱减量处理则能够通过改变废水中的化学平衡,实现在不使用酸性物质的情况下降低废水的碱性。
碱减量处理的方法有很多种,下面我们来介绍几种常见的方法。
首先是气体稀释法。
该方法通过向废水中通入二氧化碳等气体,使废水中的碱性物质与气体发生反应生成碳酸盐,从而降低废水的碱性。
这种方法操作简单,成本较低,适用于一些碱性废水浓度较低的情况。
第二种方法是添加酸性物质中和法。
该方法是在废水中添加适量的酸性物质,使废水中的碱性物质与酸性物质发生中和反应,从而达到减少碱性的目的。
这种方法可以根据废水的具体情况来选择合适的酸性物质,如硫酸、盐酸等。
另外一种方法是电解法。
电解法是利用电解原理,通过电解设备将废水中的碱性物质电离分解,从而降低废水的碱性。
这种方法具有处理效果好、能耗低等优点,适用于一些浓度较高的碱性废水。
除了以上几种方法,还有一些其他的碱减量处理方法,如膜分离法、微生物法等。
这些方法有各自的优缺点,可以根据废水的具体情况和处理要求来选择合适的方法。
碱减量处理在实际应用中取得了一些成功的案例。
比如某电镀厂的碱性废水处理,通过使用电解法和气体稀释法相结合的方式,成功地将废水中的碱性物质降低到合理的范围,达到了环境保护的要求。
类似的案例还有很多,这些成功的应用实例为其他企业提供了借鉴和参考。
碱减量处理是一种有效的环境保护措施,它能够降低碱性废水的排放,减少对环境的污染。
碱减量处理的方法多种多样,可以根据废水的具体情况选择合适的方法。
酸碱中和反应的环境友好型应用案例分析酸碱中和反应是化学中常见且重要的反应之一,它可以使酸和碱的性质相互中和,从而达到环境友好的效果。
本文将通过分析几个应用案例,探讨酸碱中和反应在环境保护中的作用。
一、工业废水处理工业废水中常常含有酸性或碱性废液,如果直接排出会对环境造成严重污染。
因此,酸碱中和反应被广泛应用于工业废水处理中。
例如,在废水处理厂中,工作人员将废水中酸性或碱性废液与相应的中和剂进行反应,使其中和生成中性物质,从而达到净化废水的目的。
这种环境友好型的废水处理方法有效降低了酸碱废液对水环境的污染,保护了水生态系统的健康。
二、土壤酸碱调节土壤的酸碱度对植物的生长和发育具有重要影响,过酸或过碱的土壤都会对植物生长不利。
因此,酸碱中和反应在土壤酸碱调节中扮演着重要的角色。
在农业生产中,若发现土壤过酸或过碱,可以利用中和剂来调节土壤的酸碱度。
比如,对于过酸的土壤,可以添加碱性物质进行中和,而对于过碱的土壤,则可以添加酸性物质来达到中和的目的。
这种环境友好型的土壤调节方法提高了土壤的肥力,促进了植物的正常生长。
三、酸雨治理酸雨是一种严重的环境问题,其主要成因是硫化物和氮氧化物与大气中的水蒸气反应形成酸性物质,降落到地面后对环境造成伤害。
为了治理酸雨,酸碱中和反应被广泛应用。
在煤炭和石油燃烧过程中,通过脱硫和脱氮等方法,降低燃料中的硫化物和氮氧化物含量,从而减少了酸性物质的生成。
此外,还可以在受酸雨影响较大的地区进行酸碱中和处理,使用中和剂将土壤中的酸性物质中和为中性或碱性物质,减轻酸雨对土壤和植被的损害。
四、酸碱废弃物处理很多工业废弃物中含有酸性或碱性物质,如果不正确处理,会对环境造成严重污染。
酸碱中和反应可以有效地处理这类废弃物。
例如,对于酸性废弃物,可以使用碱性物质进行中和,将其中和为中性或碱性的废弃物。
同样地,对于碱性废弃物,可以使用酸性物质进行中和。
通过酸碱中和反应处理,可以减少废弃物对环境的危害,实现废弃物的环境友好型处置。
酸析预处理-A/O法处理碱减量印染废水的研究摘要:印染行业排放的碱减量废水是一股水量少、浓度高、碱性大、污染十分严重的有机废水,针对该股难降解的废水,本文提出酸析预处理-兼氧(两段水解酸化)-生物接触氧化法相结合的处理工艺。
试验表明经酸析预处理的碱减量废水与印染废水混合进行水解酸化、好氧处理,废水中的特征污染物对苯二甲酸TA是可生化的。
当进水Dr600~1000g/l、BD5220~350、TA130~280g/l、色度300~400倍左右,系统的Dr、BD5、TA、色度的去除率分别为92%、95%、96%和90%,最终出水水质均能达标排放。
同时,把二沉池排出的污泥回流至水解酸化池进行污泥减容化,还可以降低污泥的处理成本。
关键词:水解酸化生物接触氧化碱减量印染废水对苯二甲酸1前言目前,随着印染行业碱减量加工技术的大量使用,排放的印染废水浓度增大,处理困难。
碱减量是近几年发展很快的工艺,它的主要作用是用来改善涤纶织物服用性能,将织物用烧碱溶液进行处理,按减量率使织物表面的高聚物水解,减量后的涤纶具有丝绸般的柔顺感,水解产物主要是对苯二甲酸(TerephthaliAid,简称TA)和乙二醇(EthyleneGlyl,简称E),因对苯二甲酸在pH12的碱性废水中,其酸根离子又与氢氧化钠的钠离子发生置换,最终以人肉眼看不见的有机盐对苯二甲酸钠(DT)溶解在废水中,这种废水就是俗称的碱减量废水[1]。
经调查表明,碱减量废水水量仅占印染废水总水量的5%~10%,但Dr占50%以上。
碱减量废水的有机浓度高(D通常大于10000g/l)、碱性大(pH大于12);其产生的Dr80%来自涤纶水解产物对苯二甲酸TA,可生化性差,难以直接生化和物化处理,与其它印染废水混合后致使废水污染严重,处理难度加大。
如果将碱减量废水进行预处理,拿掉大部分的D,再和其它印染废水混合,这样就能大幅度降低废水的有机浓度。
因此,本试验是研究经预处理的碱减量废水和印染废水混合后进行生化处理的效果如何。
大连某港口含酸碱废水处理工程设计方案班福忱 李亚峰 赵娜 贾新军(沈阳建筑大学市政与环境工程学院 沈阳110168) 摘 要 采用沉淀+气浮+过滤的废碱处理工艺和采用沉淀+滗水器+过滤的废酸处理工艺处理大连某港口含酸碱类废水,介绍了该工艺的方案、主要构筑物、设备及参数等。
实践证明,该工艺对酸碱废水的处理是成功的。
该工艺是一种新型高效、经济实用的酸碱废水回用的处理方法,具有很好的推广价值。
关键词 酸碱废水 工艺参数 设计实例 回用处理The I ntroduction of Design Program on Acid -alk ali W astew ater T reatment of one H arbor in DalianBAN Fu 2chen LI Y a 2feng ZHAO Na J IA X in 2jun(School o f Municipal and Environmental Engineering ,Shenyang Jianzhu Univer sity Shenyang 110168)Abstract The alkali wastewater treatment process deposition +flotation +filtration and the acid wastewater treatment process deposition +decanter +filtration are adopted to treat acid -alkali wastewater treatment of one harbor in Dalian.The process is introduced ,including the program ,main treatment structures and the operating parameters.The practice proves that the treatment process is success ful and it is a new ,effective ,econom ical and practical method for acid -alkali wastewater treatment ,which should be popularized.K eyw ords acid and alkali wastewater technological parameter design exam ple recycling treatment 大连市某港口的酸碱废水主要来自综合车间和化学清洗车间。
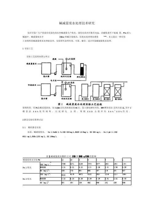
碱减量废水处理技术研究化纤印染厂生产排放印花染色废水和碱减量生产废水。
涤纶仿真丝纤维在高温、高碱度条件下被减量,PTA溶入碱液中。
碱减量废水中CODcr和碱含量极高,给废水处理增加难度[1][2]。
本文提出一种应用工业废料的碱减量废水处理新技术,实验研究表明有效、可靠、廉价,适合印染碱减量废水处理。
1 实验工艺实验工艺流程如图1所示取铸铁屑,用5%盐酸浸泡清洗,加1%JHH活化剂溶液浸泡6h后,装入微电解柱待用。
SBR槽各投加活性污泥2L,其中2槽悬挂30%软性填料,污泥驯化2周,周期C O D去除率约80%^85%待用。
2静态实验结果和讨论2.1 酸析静态实验水质:碱减量废水,No.1:NaOH 2.4%,COD 8854mg/L,BOD5 1845mg/L, SS 350 mg/L 。
No.2:pH 14,COD6524 mg/L,BOD5 1283 mg/L, SS 136mg/L 。
5利用染料化工厂65%废酸,调节碱减量废水PH=表1结果显示,加酸量越大,PTA去除越多。
酸析点PH< 3 时,COD去除率〉80% BOD/COD>0.30,SS 也明显降低。
2.2 微电解静态实验[3]2.2.1 PH对铁耗和BOD5/C O啲影响按pH值为1、2、3、4、5制备碱减量废水酸析沉淀上清液2L。
在微电解柱加入1.5L已活化铸铁屑,微电解反应0.5h。
实验反应条件:出柱废水①:微电解柱静止;出柱废水②:微电解柱置于振荡器上;出柱废水③:微电解柱静止,通空气10mL/(cm2.min);出柱废水④:微电解柱 1.5L铸铁屑中均匀添加10%0 0.5〜①1mm l炭并置于振荡器上。
微电解处理后碱减量废水测定总铁,用电石渣中和至PH9,充分搅拌0.5h,静沉1h,取上清液测定BOD、COD实验结果见表2。
铸铁屑中含有铁和炭,在酸性溶液存在条件下,形成一个个以铁为阳极、炭为阴极的微原电池,产生如下电极反应:阳极Fe-2e —Fe2+E0+ (Fe2+/Fe)=-0.44V阴极2H+2e—2[H] —H2 f E0(H+/H2)= 0VFe2+在碱减量废水中将被作为混凝剂使用。
设计
水质
指标 工艺
流程
水
流
设
计
水
质
指
标
工
艺
流
程
构
筑
物
及
设
备
设计水质指
设
计
水
质
指
标
工艺流
程
处
理
效
果
工
程
投
资
总投资约 262 万元,占地约 1 200 m 2,运行费用约 3. 50 元/m 3 ,碱减量废水回收 TA 可获得效益约 2. 50 元/m 3
设
计水
质指
标
工
艺
流
程
构
筑
物
工
程
投
资
总投资约 100 万元。
设
计
水
质
指
标
工
艺
流
程
设计水质指标(一期)
设计水质指标(二期)
工艺流程(一期)
工艺流程(二期)
处理效果(一期)
处理效果(二期)
设计水质指标
工艺
流
程
构
筑
物
及
设
备
处
理
效果
设
计
水
质
指
标
工
艺
流
程
设
计水
质
指
标
工
艺
流
程
处理效
果。
收稿日期:2000-01-10碱减量废水处理技术试验研究(浙江省工业环保设计研究院,杭州310005)郭茂新,周慧华摘要:采用酸析方法处理碱减量废水,实验pH415~310时,废水COD去除率7019%~7917%。
生产性试验pH3108,COD去除率8711%。
酸析污泥经浓缩后采用厢式压滤机脱水,具有良好的过滤性能和防腐性能,能正常稳定运行。
碱减量废水经分质酸析预处理后,与印染废水混合进行兼氧)好氧加气浮方法处理,出水达到GB4287)92表3规定的一级标准。
500t/d废水处理工程通过达标验收,运行稳定。
关键词:碱减量废水;酸析;脱水;生化处理中图分类号:X791文献标识码:A文章编号:1009-2455(2000)02-0023-03A Stud y on the Technolo gy for the Treatment of Waste W ater from Alkali DecrementGUO Mao_xin,ZHOU Hui_huaAbstract:The treatment of the waste water from alkali decrement used the method of acid eduction.In laborator y test,when p H value was4.5~3.0the COD removal rate from the waste water was70.9%~79.7%;while in industrial test,when pH value was3.08the COD removal rate was87.1%.The sludge from the acid eduction,after thickened,was dewatered b y a recessed p late filter p ress which bad a g ood filterabilit y and corrosion resistance and ran steadil y.After acid eduction pretreatm ent,the waste water from alkali decrement was mixed with the waste water from printing and dyeing and was treated b y A/O p lus air floatation p rocess,and the effluent water met the first g rade standard s p ecified in Table3in GB4287-92.A500t/d waste water treatment project has already passed the acceptance examinations and been running steadil y.Key words:waste water from alkali decrement;acid eduction;dewater;biochemical treatment前言涤纶织物通过碱减量加工而获得像真丝绸一样的柔软活络感,被称为涤纶仿真丝。