单翼迷宫滴灌带企业标准
- 格式:doc
- 大小:20.00 KB
- 文档页数:7
单翼迷宫式滴灌带质量不合格的原因及预防措施发布时间:2021-11-05T11:32:26.792Z 来源:《防护工程》2021年22期作者:张新君[导读] 设计出一款能够解决目前存在的问题与隐患的产品——基于单翼的迷宫式滴灌带。
玛纳斯县市场监督管理局质量与计量检测所新疆昌吉州玛纳斯县 832200摘要:滴灌带是指将具有一定渗透率的液体注入到特定的固体载体中,使其与土壤或岩石等物质进行化学反应,并形成一种或多种流体的混合体,从而达到改善环境的目的而得到的一类新型材料。
本文主要分析单翼迷宫式滴灌带质量不合格的原因,并提出一些预防措施。
关键词:单翼迷宫式滴灌带;质量不合格;原因及预防引言迷宫式的滴灌带是指将传统的迷宫式结构进行整改,以满足现代人的需求和安全的需要,而制成的一种新型的具有防龋效果的可移动的、方便使用的、可滴漏的、能吸水的等多种功能为一体的一类休闲带。
本课题的目的在于通过对单翼的发生器的研究与了解,设计出一款能够解决目前存在的问题与隐患的产品——基于单翼的迷宫式滴灌带。
1迷宫式滴灌带的特点迷宫式滴灌带是指将具有相似或相容性的材料混合放置在与传统的塑料制品中,然后通过塑料的输送装置将其输送到预先设定的浇水点,而与传统的胶合板式喷头相连的管道式喷头就可以直接输送给所需的填充物。
迷宫式滴灌带的特点是:(1)由于其特殊的结构形式,使得其在制作时需要大量的原材料和加工工艺,生产成本较高,且对环境的污染较大。
(2)因为它的密封性好,所以对土壤的适应性强,能很好的适应泥浆的粘附,并可根据不同的泥浆的粘附程度来调整浇注的速度和时间。
(3)使用的胶合板的材质比较硬,不易变形,且易老化,因此对环境影响大。
2单翼迷宫式滴灌带质量不合格的原因在实际的生产过程中,滴灌带的质量不合格的原因有以下几个方面:(1)材料本身的质量问题。
在原材料的选择上,滴灌带的材质和结构设计存在一定的缺陷;在制作的工艺上,没有按照相应的流程进行,导致出现了一些质量隐患。
单翼迷宫滴灌带使用说明一、产品型号Φ8Φ16长度(m)28 80二、材料材料名称LDPE LLDPE HDPE 碳黑配比(%)47.520302.5三、特征参数1、特征参数产品型号Φ8Φ16迷宫流道长度(mm)195200最小流道尺寸(mm)0.6 0.8额定流量(L/h)1.52.0额定工作压力(Kpa)100100流量偏差系数(%)﹤7%﹤7%压力与流量关系式q=0.1026p0.5824q=0.1218p0.6131四、安装使用说明滴灌用水一般经过首部枢纽稳压、过滤、施肥,再通过干管、支管,最后由滴灌带滴到植物的根部。
滴灌带的安装分以下几个步骤进行:1、在支管上打孔如图2所示,在聚乙烯支管上先用专用打孔工具进行打孔。
2、输水管与滴灌带相连如图3所示,用专用旁通将输水支管与滴灌带连在一起。
3、清洗与封头滴灌带与输水管按照步骤1、2安装完毕后要打开输水阀门进行冲洗,将系统及滴灌带中存留的杂质颗粒冲洗掉,最后将滴灌带尾端翻卷两折,用剪断的滴灌带头将末端封住,如六、运行、使用条件1、滴灌带必须在大于0℃的环境温度下使用。
2、滴灌用水必须经过120目以上的过滤器进行过滤。
3、在进行滴灌作业时,必须缓慢地打开输水总开关并逐步达到额定工作压力,以避免由于猛然打开阀门带来的瞬时高压对滴灌系统的破坏。
4、滴灌带在铺放时,迷宫流道的凸面应朝上。
5、剪切滴灌带时应垂直剪切,剪切位置应在两个流道之间。
6、本滴灌带为地上使用,切不可将滴灌带埋入地下。
七、保养、贮存和维修说明精心的保养、贮存和维修,是保证滴灌带正常工作和延长滴灌带使用寿命所必须的。
滴灌带的保养、贮存和维修应注意以下几点:1、复用固定式滴灌系统在冬季来临时必须将系统内的水排净,以免将滴灌带冻坏。
2、移动式滴灌系统在滴灌带的收放卷过程中应参照图5的方式进行,避免硬拽所产生的打死折现象。
3、滴灌带必须存放在干燥场所,避免阳光直射,堆码高度不得超过3米。
4、小雨滴附在地膜上或者温度高时,地膜里水汽蒸发也形成小水滴,在阳光照射下形成凸透镜,阳光聚焦后,当聚焦中心恰好落在滴灌带上,形成局部高温就会把滴灌带面灼伤融化,形成小洞。
单翼迷宫式滴灌带生产工艺质量控制培训资料一、设备特点单翼迷宫式滴灌带制造机械由电控系统、传动系统、挤出系统、成型系统、牵引系统、收卷装置组成。
工作时将配比好的多组份塑料原料放入挤出机中充分熔融,经挤出模具挤出、测径仪定径后进入成型轮,其迷宫型腔在成型轮中完成真空定型和冷却,成型后的制品经切刀切分后,分成两条,经冷却风道进入冷却水箱完成最后的冷却,已经成型的制品经牵引机送入收卷机。
收卷机可同时卷取两条滴灌带,张力自动调整。
收卷长度在一定范围内可随意设定,到达设定长度后自动声光报警。
卷取机上设有排线器,使滴灌带排布整齐美观。
整套设备由电控系统集中控制操作,驱动电机采用国内先进的变频技术,使设备运转稳定,且能耗低。
挤出机采用硬齿面减速机和具有高硬度高耐磨性的优质合金钢制造的高效螺杆机筒,噪音小、寿命长、工作稳定。
同时在挤出机上设有原料自动烘干及自动加料装置,增强了设备对原料的适应性,而且大大降低了工人的劳动强度。
为了适应再生塑料颗粒加工,在挤出模具处目前采用的横向长效换网器,极为方便,使用又安全,并且大大延长了挤出模具的换网时间、使用再生料,由原来的2、3小时延长到8-20小时,提高了工作效率、减少了废品的产生。
在成型系统上,成型轮采用不锈钢制造,并在内部设有循环冷却水道,真空的吸附采用水环式真空泵完成,加上外部的强冷装置,大大加强了制品的成型及定型效果,提高了生产速度和工作稳定性,环境温度适应性更强。
二、基本使用条件1.基础设施厂房高度(指房内)不宜低于4m,且应具有良好的密封及通风功能,室内温度以5~20℃为宜。
房内应清洁干净,不允许有灰尘及其它杂物。
地面平整,有不低于15cm的水泥坚固层。
厂房面积及规划应根据自身情况及所购设备的台数确定。
2.冷却用水冷却水水温直接影响滴灌带的冷却速度,水温不高于15度为宜,且要经过100目滤网过滤,水压不低于0.3Mpa,水量不低于2m3/h。
为防止成型轮和压轮内部结垢,最好使用软化水。
甘肃省2023年滴灌带产品质量监督抽查实施细则本细则适用甘肃省市场监督管理局组织的滴灌带产品质量省级监督抽查。
本细则规定了此产品的抽样方法、检验依据、检验项目、检验方法、判定规则等。
1抽样方法以随机抽样方式在被抽样生产者、销售者的待销产品中抽取。
随机数一般可使用随机数表、随机数骰子或扑克牌等方法产生。
随机抽取完整包装的样品2卷(每卷长度大于等于1500米),再分别从2卷样品中各抽取200米,抽样数量为200米/卷x2卷,其中200米/卷X1卷作为检验样品,另200米/卷X1卷作为备用样品。
2检验依据表1滴灌带产品执行企业标准、团体标准、地方标准的产品,检验项目参照上述内容执行。
凡是注日期的文件,其随后所有的修改单(不包括勘误的内容)或修订版不适用于本细则。
凡是不注日期的文件,其最新版本适用于本细则。
3判定规则3.1 依据标准GB/T19812.1-2017塑料节水灌溉器材第1部分:单翼迷宫式滴灌带GB/T19812.3-2017塑料节水灌溉器材第3部分:内镶式滴灌管及滴灌带现行有效的企业标准、团体标准、地方标准及产品明示质量要求。
3.2 判定原则经检验,检验项目全部合格,判定为被抽查产品所检项目未发现不合格;检验项目中任一项或一项以上不合格,判定为被抽查产品不合格。
若被检产品明示的质量要求高于本细则中检验项目依据的标准要求时,应按被检产品明示的质量要求判定。
若被检产品明示的质量要求低于本细则中检验项目依据的强制性标准要求时,应按照强制性标准要求判定。
若被检产品明示的质量要求低于或包含本细则中检验项目依据的推荐性标准要求时,应以被检产品明示的质量要求判定。
若被检产品明示的质量要求缺少本细则中检验项目依据的强制性标准要求时,应按照强制性标准要求判定。
若被检产品明示的质量要求缺少本细则中检验项目依据的推荐性标准要求时,该项目不参与判定。
第1篇一、前言迷宫滴灌带是一种先进的节水灌溉设备,广泛应用于农业灌溉领域。
它通过迷宫式管道将水输送到作物根部,实现了精准灌溉,大大提高了灌溉效率和作物产量。
为确保迷宫滴灌带机器的正常运行,以下是一份详细的操作规程。
二、设备准备1. 确认设备型号及参数,了解迷宫滴灌带机器的性能和特点。
2. 检查设备外观,确保无损坏、变形等现象。
3. 检查迷宫滴灌带管道,确保无破损、扭曲、变形等现象。
4. 检查水泵、施肥器、电磁阀等部件,确保其正常工作。
5. 准备好灌溉用水,确保水质符合灌溉要求。
三、操作步骤1. 启动水泵(1)打开水源,确保水源充足。
(2)打开水泵开关,启动水泵。
(3)观察水泵运行情况,确保水泵正常工作。
2. 调整灌溉参数(1)根据作物种类、生长阶段和土壤情况,设置合适的灌溉时间、灌溉量和灌溉压力。
(2)调整施肥器参数,确保施肥均匀。
3. 启动灌溉系统(1)打开迷宫滴灌带机器的电源开关。
(2)根据灌溉需求,选择相应的灌溉模式(如手动灌溉、自动灌溉等)。
(3)启动灌溉系统,观察迷宫滴灌带机器运行情况。
4. 监控灌溉过程(1)观察迷宫滴灌带机器的运行状态,确保无异常情况。
(2)根据作物生长情况和土壤湿度,适时调整灌溉参数。
5. 灌溉结束(1)关闭灌溉系统,停止灌溉。
(2)关闭水泵,关闭水源。
(3)检查迷宫滴灌带管道,确保无泄漏、堵塞等现象。
四、保养与维护1. 定期检查迷宫滴灌带机器各部件,确保其正常工作。
2. 定期清理迷宫滴灌带管道,清除管道内的杂质和残留肥料。
3. 定期检查水泵、施肥器、电磁阀等部件,确保其正常工作。
4. 定期对迷宫滴灌带机器进行润滑,延长使用寿命。
5. 存放迷宫滴灌带机器时,注意防潮、防尘、防腐蚀。
五、故障排除1. 灌溉过程中,如发现滴灌带不出水或水流不畅,可能是管道堵塞或滴灌带损坏。
此时,应关闭灌溉系统,检查管道和滴灌带,清除堵塞物或更换损坏的滴灌带。
2. 水泵运行过程中,如出现异常噪音或振动,可能是水泵叶轮损坏或轴承磨损。
单翼迷宫式滴灌带标准嘿,朋友们!今天咱来聊聊单翼迷宫式滴灌带标准这事儿。
你说这单翼迷宫式滴灌带,就像是农田里的小水管精灵!它呀,能把水精准地送到每一棵植物的嘴边,让它们舒舒服服地喝个够。
那这标准可重要啦!就好比咱出门得穿合适的衣服,不然不是大了就是小了,多别扭呀!单翼迷宫式滴灌带的标准要是没把握好,那可能就会出大乱子。
比如说,它的滴水孔大小得合适吧,要是太大了,那水不就跟瀑布似的哗啦啦流,多浪费呀!要是太小了,植物们都得渴死啦。
还有啊,它的材质也得讲究。
总不能用那种一扯就断的吧,那还没怎么用呢就坏了,多让人心疼呀!咱得要那种结实耐用的,能经得住风吹日晒雨淋的。
你想想看,要是你精心种的一片庄稼,就因为滴灌带质量不行,一会儿这里不出水了,一会儿那里又爆了,那你的心血不就白费啦?这可不行!咱得严格按照标准来,选好的滴灌带。
这标准就像是一个金箍棒,把那些不合格的产品都给打跑,留下的都是精品。
咱用着也放心呀,不用担心它会出啥问题。
你说这单翼迷宫式滴灌带标准是不是很重要呀?咱可不能小瞧了它。
就像盖房子得打牢地基一样,这滴灌带的标准就是咱农业种植的坚实基础。
没有它,咱的庄稼怎么能长得好呢?咱农民朋友们种地多辛苦呀,起早贪黑的,不就是为了有个好收成嘛。
这单翼迷宫式滴灌带标准可一定要好好遵守,可不能让那些劣质产品来捣乱。
咱得选符合标准的滴灌带,让它好好为咱的庄稼服务。
让每一滴水都发挥出最大的作用,让咱们的庄稼茁壮成长,结出又大又甜的果实。
到时候,咱看着那丰收的景象,心里得多美呀!所以说呀,这单翼迷宫式滴灌带标准可不是闹着玩的,咱可得重视起来。
这是为了咱自己的利益,也是为了咱的土地,为了咱的未来呀!你说是不是这个理儿?原创不易,请尊重原创,谢谢!。
新疆石河子滴灌带产品质量分析石河子质量技术监督局宋宇[摘要]从1999年新疆天业节水灌溉股份有限公司创立以来,并引进以色列滴灌节水技术,经过几年的发展,逐步推广开来。
近几年,新疆石河子的滴灌节水技术发展较快,大大小小的滴灌带厂陆续建起,本文对石河子滴灌带产品的质量状况做了初步的统计,分析了目前发展中存在的问题、产品整治过程中的难点以及对策。
[主题词]石河子滴灌带质量问题对策新疆远离海洋,是典型的大陆性干旱和半干旱气候区。
新疆年平均降水量154.8mm,年平均蒸发量1500-3400mm,水资源总量为全国倒数第三位。
在新疆没有灌溉就没有农业的发展,“荒漠绿洲,灌溉农业”是其显著特点,因此,大力发展现代节水农业是实现新疆经济、社会、环境协调发展的前提条件。
滴灌就是滴水灌溉技术,它是利用低压管道系统,使作物生长所需的水和养分缓慢、均匀而又定量地浸润作物根系最发达的区域,使作物主要根系活动区的土壤始终保持在最优含水状态。
它具有节约灌溉用水、提高肥料利用率、促进作物生长和提高产量改善品质的作用,是一种最先进的高效节水灌溉技术。
[1]1 石河子滴灌产业的概况1.1 滴灌企业的背景石河子地区膜下滴灌节水在推广速度、应用的作物种类、推广面积都排在全疆的前列。
目前石河子地区共有滴灌带生产企业78家,年生产吨, 2012年销售收入。
规模以上生产企业(年销售收入2000万元以上)4家。
已上市的生产企业1家。
获中国驰名商标1家,新疆名牌企业1家。
通过ISO9000标准质量体系认证企业4家。
其中新疆天业节水灌溉股份有限公司首创的膜下滴灌技术,在中国乃至世界范围内得到了广泛应用。
[2]石河子78家滴灌带生产企业中,固定资产(及设备)投资不足20万元以下的小企业4家。
仅有三条以下(含三条)生产线的小企业就有45家。
这些小企业的存在制约了石河子滴灌带及节水设施产品行业转型,品牌质量提升。
[3]滴灌产品基本情况石河子滴灌带生产企业均以生产单翼迷宫式滴灌带为主。
1、外观:滴灌带外观色泽均匀一致,表面光滑平整,不应有气泡、挂料线、明显未塑化物及杂质,不应有砂眼及小烂洞,管子无严重折叠,管壁无粘连,迷宫流道成型饱满清晰、无塌陷,边缝粘接充分,滴孔张开充分。
2、规格尺寸:2.1、公称内径:Φ16mm 极限偏差:±0.3mm折径:25mm 极限偏差:±0.5mm2.2、公称壁厚:0.18-0.22mm; 极限偏差:+0.04mm;-0.02mm2.3、滴头间距:300㎜偏差:≤5%2.4、每卷段数和每段长度及每卷长度偏差:a、每卷段数:≤3段(不得超过2个接头)b、每段长度:≥200mc、每卷长度偏差:±10m3、流量均匀度:额定流量:1.8L/h、2.0 L/h、 2.4L/h 、2.8L/h、 3.0L/h 、3.2L/h、3.6L/h 、4.0L/h;平均流量相对额定流量偏差:≤10%流量偏差系数:Cv≤10%4、抗堵塞性能:在规定的条件下完成试验后,试样的滴水孔应无不滴水的现象。
5、耐静水压:在0.18Mpa压力下保压60分钟滴灌带不破裂、不渗漏。
6、爆破压力:试样的瞬时爆破压力≥0.20Mpa。
7、拉伸性能:滴灌带应能承受130N拉力不破裂。
试验后标线间的距离相对于试验前距离的变化应≤5%。
8、不透光性:试样应不透光。
9、收卷:收卷松紧适当,滴灌带不应有拉伸拉伤现象;排线均匀,卷体低于卷盘外沿20mm,卷盘与卷体之间无明显缝隙。
10、外包装:10.1、合格证填写规范,字迹清晰;10.2、包装整齐美观,打包带紧固、规范,无折皱、磨烂现象。
单翼迷宫式滴灌带国家执行标准第一部分:引言在当今社会中,水资源的有效利用是非常重要的。
滴灌技术作为一种高效节水的灌溉方式,受到了广泛的关注。
而单翼迷宫式滴灌带作为滴灌技术的一种重要形式,其国家执行标准更是对其质量和效果提出了明确要求。
本文将从单翼迷宫式滴灌带国家执行标准的深度和广度进行评估,并就其在我国水资源利用中的重要性展开讨论。
第二部分:单翼迷宫式滴灌带国家执行标准的深度评估(1)技术要求在单翼迷宫式滴灌带国家执行标准中,对于滴灌带的技术要求是非常关键的。
从材质、耐压能力到滴孔的尺寸、间距等方面都有明确规定,保证了滴灌带在使用过程中的稳定性和灌溉效果。
(2)使用环境要求除了技术要求外,单翼迷宫式滴灌带国家执行标准还明确了其在不同环境下的使用要求。
对于不同土壤类型、气候条件下的使用,都有相应的规范,使得单翼迷宫式滴灌带可以更广泛地应用在不同的灌溉场景中。
(3)质量控制要求在标准中,对单翼迷宫式滴灌带的质量控制要求也是非常严格的。
从生产制造到使用过程中的监测,都有相应的规范和标准,保证了滴灌带的质量可控和稳定。
第三部分:单翼迷宫式滴灌带国家执行标准的广度评估(1)在农业灌溉中的应用单翼迷宫式滴灌带国家执行标准的制定,对于农业灌溉有着非常重要的意义。
其高效节水的特点使得其在农田灌溉中有着广泛的应用前景,对我国农业的可持续发展有着重要的支持作用。
(2)对水资源的保护滴灌技术的使用可以有效减少水资源的浪费,而单翼迷宫式滴灌带国家执行标准的实施更是加强了对水资源的保护。
在水资源紧缺的今天,这种技术的推广对于整个社会的可持续发展至关重要。
第四部分:总结与展望单翼迷宫式滴灌带国家执行标准的制定和实施,标志着我国在滴灌技术领域迈出了重要一步。
它不仅推动了滴灌技术的发展,更加强了对水资源的合理利用和保护。
在未来的发展中,我们可以期待这一标准的不断完善,使得单翼迷宫式滴灌带在更多领域发挥更大的作用。
个人观点与理解作为我国水资源利用领域的一名从业者,我对单翼迷宫式滴灌带国家执行标准的实施充满期待。
新疆地区单翼迷宫式滴灌带产品质量状况浅析马宁;祁新萍【摘要】In Xinjiang region, single wing labyrinth drip irrigation belts were analyzed based on the relevant national standard, product quality unqualified project: tensile properties, carbon black content, flow uniformity, carbon black dispersion. The reason of the unqualified quality of the product and the influence of the resulting was found. The result showed that in the actual production of single wing labyrinth drip irrigation belt, it was particularly important for the recovery of reworked material quality control, production enterprises shall strengthen after-sales service, it was suggested that the ageing test methods should be included in the national standard products, the feasibility of the implementation of the product market access mechanism was also discussed.%根据国家相关标准,分析了新疆地区单翼迷宫式滴灌带产品质量的不合格项目:拉伸性能、炭黑含量,流量均匀度,炭黑分散度,找出了产品质量不合格原因以及由此产生的影响。
单翼迷宫式滴灌带抗热氧老化性能的影响研究发布时间:2023-03-27T07:35:13.587Z 来源:《工程建设标准化》2023年1月第1期作者:何晓瑾[导读] 滴灌是压力灌溉中的一种,非常适用于精细种植,它拥有其他灌溉方式无法比拟的优点,滴灌技术是当今世界上公认的最为节水高效的灌溉技术之一何晓瑾博尔塔拉蒙古自治州产品质量检验所新疆维吾尔自治区博乐市 833400摘要:滴灌是压力灌溉中的一种,非常适用于精细种植,它拥有其他灌溉方式无法比拟的优点,滴灌技术是当今世界上公认的最为节水高效的灌溉技术之一,其发展日益迅速并且前景愈发广阔。
滴灌带作为滴灌技术产品中的一类,主要有单翼迷宫式滴灌带和内镶式滴灌带2种。
其中,单翼迷宫式滴灌带(以下简称为滴灌带)的生产工艺相对简单、成本低廉。
滴灌带生产热合温度过高、压轮压力过大,采用再生料生产及使用中使用不当是造成滴灌带热合压痕边缘开裂的主要原因。
关键词:单翼迷宫式;滴灌带;不合格项目;原因前言:单翼迷宫式滴灌带具有一定优越性。
滴灌技术比喷灌技术有更高的节水增产效果,同时可以结合施肥,提高肥效,所以被广泛地推广和应用。
由于需求的增加,生产滴灌带的企业也不断增多。
由于生产工艺不同,使用的原料和配方不同,这些情况都会影响到滴灌带质量。
1.单翼迷宫式滴灌带的基本情况分析1.1生产流程单螺杆可以挤出吹塑,使用真空法迷宫才会成型。
在生产过程中将热塑性树脂聚乙烯和辅料加热,使其到达工艺温度时,经过螺杆挤出以后吹塑,然后在成型轮上使用抽真空法,成型后经过冷却就可以得到成品。
1.2生产用料和配方大部分滴灌带厂在生产时,都使用回收料和新料混合料加工。
回收料主要有两种。
一种是,将使用过的滴灌带粉碎清洗以后,制造成塑料颗粒。
另一种,是回收料也就是市场上的其它原料,回收以后造成的塑料颗粒,使用这种料时要分清是高密度聚乙烯,还是低密度聚乙烯,或者是线性低密度聚乙烯,然后一定比例调配使用,不可掺加PVC和PP原料。
单翼迷宫式滴管带使用说明书(最终五篇)第一篇:单翼迷宫式滴管带使用说明书单翼迷宫式滴管带使用说明书一、单翼迷宫式滴管带性能特点1、迷宫流道及滴孔一次真空整体热压成型、粘合性好,制造精度高。
2、较宽的迷宫式水流道,紊流态多口出水,抗堵塞能力强。
3、迷宫流道设计,出水均匀,可达85%以上,铺设可达80m。
4、重量轻,安装管理方便,人工安装费用低。
5、选用优质材料,拉伸性能优越,便于人工和机械化铺设。
6、价格相对较低,属于经济型产品,便于大面积推广。
二、单翼迷宫式滴管带产品用途单翼迷宫式滴管带是目前干旱缺水地区最有效的一种节水灌溉方式,其水的利用率可达95%。
滴灌较喷灌具有更高的节水增产效果,同时可以结合施肥,提高肥效一倍以上。
可适用于果树、蔬菜、经济作物以及温室大棚灌溉,在干旱缺水的地方也可用于大田作物灌溉。
其不足之处是滴头易结垢和堵塞,因此应对水源进行严格的过滤处理。
单翼迷宫式滴管带安装使用说明滴灌用水一般经过首部枢纽稳压、过滤、施肥,再通过干管、支管,最后由滴灌带滴到植物的根部。
三、滴灌带的安装分以下几个步骤进行:1、在支管上打孔在聚乙烯支管上先用专用打孔工具进行打孔。
2、输水管与滴灌带相连3、清洗与封头滴灌带与输水管按照步骤1、2安装完毕后要打开输水阀门进行冲洗,将系统及滴灌带中存留的杂质颗粒冲洗掉,最后将滴灌带尾端翻卷两折,用剪断的滴灌带头将末端封住。
四、单翼迷宫式滴管带使用注意事项1.防护要求:搬运时不行抛摔、滚动,严禁野蛮装卸,避免造成磨损和硬物梗伤滴灌带。
2.堆放场地应平整,产品存放时应注意防护,标签向外,易于辨认,不得暴晒。
3.堆放场地应有防鼠措施,避免滴灌带被老鼠等物啃咬。
4.土壤要求:使用产品时,需根据不同的土壤特性选择使用不规格型号的滴灌带,规格型号应以工程设计图纸要求为依据。
5.播种机要求:铺设本产品前请仔细检查播种机,特别是导向环、压带轮、定位轮,必须灵活,光滑,不得有毛刺、焊渣等利物损伤滴管带。
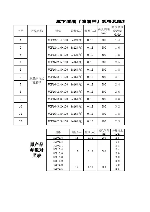
单翼迷宫滴灌带企业标准
单翼迷宫滴灌带标准
QB/T2517—2001
前言
一次性塑料滴灌带是一种以高分子聚合物为基本材料,经挤出吹塑并真空模具成型的带有滴头的塑料节水灌溉器材。
本标准采用的检验方法,大部分采用了国际先进的试验方法,其中规格尺寸的测量、耐拉力性能、流量均匀性、耐静水压试验参考了ISO9261:1991?农业灌溉设备滴灌管技术规范和试验方法?和SL/T67.2—1994?微灌灌水器——微灌管、微灌带?。
一次性可回收塑料滴灌带主要用于农业灌溉、园林绿化、林业、草业等的节水工程及建筑、矿业等。
本标准由中国轻工业联合会综合业务部提出。
本标准由全国塑料制品标准化中心归口.
本标准由新疆天业股份有限公司起草.
本标准主要起草人:郭庆人、黄锐、李双全、李慧娟。
中华人民共和国轻工行业标准
一次性塑料滴灌带
QB/T2517—2001
1 范围
本标准规定了一次性塑料滴灌带的产品分类、技术要求、试验方法、检验规则和标志、包装、运输、贮存。
本标准适用于以塑料为主要原料,经过挤出吹塑并通过真空模具成型的带有滴头的一次性塑料滴灌带( 简称“滴灌带” )。
2 引用标准
下列标准所包含的条文,通过在本标准中引用而构成本标准的条文。
本标准出版时,所示版本均为有效。
所有标准都会被修订,使用本标准的各方应探讨使用下列标准最新版本的可能性。
GB/T2918—1998 塑料试验状态调节和试样的标准环境
GB/T17188—1997 农业灌溉设备、滴灌管、技术规范和试验方法 SL/T67.2—1994 微灌灌水器——微灌管、微灌带
3 定义
3.1 滴灌带emitting tape
用于滴灌,制造过程中已在其上加工有孔眼或其他出流装置,管壁较薄,卷盘后压扁成带状的整体带称为滴灌带。
3.2 额定工作压力nominal working pressure
由滴灌带制造厂推荐的保证滴灌带正常使用的水压。
3.3 一次性one-off 指滴灌带仅铺设一次,用于作物的一个生育周期。
4 产品分类
按额定工作压力分为四类,见表1
表1 产品分类
类别 ? ? ? ?
额定工作压力Mpa 0.1 0.12 0.14 0.16 5 技术要求
5.1 滴灌带内径应符合表2规定。
表2 公称内径及极限偏差 mm 公称内径 12 16 18 20
极限偏差 ?0.46 ?0.50 ?0.54 ?0.60
5.2 滴灌带公称壁厚应符合表3规定。
表3 公称壁厚及极限偏差 mm 公称壁厚 0.16 0.18 0.20 0.22 0.24 极限偏差+0.04
-0.02 +0.06
-0.02 +0.06
-0.02 +0.08
-0.02 +0.08
-0.02
5.3 滴灌带平均壁厚偏差?12%。
5.4 滴头间距偏差?5%。
5.5 每卷段数和每段长度应符合表4要求。
表4 段数及长度
项目每卷段数段每段长度 m
指标 ?2 ?200
5.6 颜色
滴灌带一般为黑色。
5.7 拉伸性能
滴灌带应能承受130N拉力不破裂。
试验后标线间的距离相对于试验前距离的变化应不大于
5%。
5.8 滴灌带的滴头流量偏差系数cv?0.1,滴头的平均流量相对于额定流量的偏差应不大于
10%。
5.9 耐静水压试验
滴灌带不破裂、不渗漏。
6 试验方法
6.1 试样状态调节和试验的环境
按GB/T2918中的标准环境与正常偏差范围进行并在此条件下进行试验,状态
调节时间4h
以上。
6.2 规格尺寸测量
6.2.1内径
按GB/T17188—1997中9.3.2规定,在滴灌带端部插入一锥体(锥角不大于10 )测定滴灌
带的内径,测量中应注意不能使滴灌带扩张。
沿滴灌带端部在锥体上作环形标记,测量锥体标记处的直径。
6.2.2 平均壁厚偏差及壁厚极限偏差
用精度为0.01mm的测厚仪测量滴灌带同截面圆周上等间距四点的壁厚,计算
其算术平均值为平均壁厚。
因设计使滴灌带的(如滴灌带的飞边)壁厚变厚的情况不予考虑。
壁厚极限偏差按式(1)计算。
t=t max (t min)-
t0 。
(1) 式中:? t—壁厚极限偏差 mm
t max—实测壁厚的最大值 mm
t min—实测壁厚的最小值 mm
t 0:——公称壁厚 mm
平均壁厚偏差按式(2)计算。
t= ×100% (2) 式中:t-----平均壁厚偏差, %
tn—-----四点壁厚测量值的算术平均值,mm
6.2.3 滴孔间距
按SL/T67.2—1994中5.4.3的规定,用精度1 mm的尺测量,外出水口不等间距的各测量3个间距,均取最小值。
6.3 耐拉力试验
按SL/T67.2—1994中5.5的规定,在3段30cm长的滴灌带上各作两条间距为20cm的横向标线(包括一个外出水口并位于中间),逐一固定于拉力试验机的夹紧装置上,逐渐施加拉力,保持15min后卸去拉力,放置至少30min。
测量标线间的距的离。
6.4 滴头流量均匀性的试验
按GB/T17188—1997中9.1.1与9.1.2的规定,按GB/T17188—1997中8.1要求抽取25个滴水元件。
当滴水元件入口处的压力等于额定试验压力时,测量滴灌带中滴水元件的流量,分别记录每个滴水元件的测定流量值。
按公式(3)(4)(5)(6)进行计算。
= (3)
CV = (4)
S = ( -- )2 (5)
C = ×100% (6)
式中: ——出水口平均流量,L/h
——第i出水口的流量,L/h
n——出水口的个数(25个)
CV——出水口流量偏差系数
S——出水口流量标准偏差
——额定流量,L/h
c——平均流量相对于额定流量的偏差。
6.5 耐静水压试验
6.5.1 试样
取5段滴灌带,每段至少含有5个出水口。
6.5.2 将滴灌带与供水装置连接,堵上末端,向滴灌带内充水,彻底排气后逐渐加大水压至1.2倍额定工作压力,保持60min。
试验过程中压力波动不大于2%。
7 检验规则
7.1 产品须经生产厂家质量检验部门检验合格并附有产品合格证方可出厂。
7.2 组批
同一批原料、配方和工艺条件下生产的同一规格滴灌带为一批,每批数量不多于1000卷。
以卷为样本单位。
7.3 出厂检验
7.3.1 5.1—5.6按表5规定,采用一般检查水平?,合格质量水平AQL为
6.5。
也可按合同双方协议规定检验。
表5 抽样方法
批量范围 N 卷样本大小 n 合格判定数 Ac 不合格判定数 Re
150 8 1 2
151- 280 13 2 3
281- 500 20 3 4
501- 1200 32 5 6
7.3.2 在计数抽样合格的样品中按试验方法规定抽取样本进行5.7、5.8、5.9试验。
7.4 型式检验
7.4.1型式检验项目为技术要求的全部项目,一般情况下每半年进行一次。
若有下列情况之一,亦应进行型式检验。
a)新产品或老产品转厂生产的试制定型鉴定;
b)结构、材料、工艺有较大变化,可能影响产品性能时;
c)产品长期停产后,恢复生产时;
d)出厂检验结果与上次检验有较大差别时;
e)国家质量监督机构提出进行型式检验的要求时;
7.5 判定规则
7.5.1 样本单位质量的判定
按本标准中规定的项目进行检验。
检验结果有一项不符合本标准规定,则判定该样本为不合格。
7.5.2 交付批质量判定
5.1—5.6按表5规定进行,耐拉力性能、流量均匀性、耐静水压试验检验结果中若有不合格项目,应在原批中抽取双倍样,对不合格项目进行复验,复验项目全部合格,则判该批为合格。
8 标志、包装、运输、贮存
8.1 标志
产品标志应有
a)检验合格证,内容包括:产品名称、分类规格、生产厂名、厂址、生产日期、班组及检号、采用标准号;
b)产品说明书,内容包括:滴头流量压力曲线、滴头额定流量、额定工作压力。
8.2 包装
滴灌带一般用牛皮纸或塑料薄膜包装。
须捆扎牢固。
或按用户要求包装。
8.3 运输
产品在装卸运输时,不得受剧烈撞击、抛摔和重压。
8.4 贮存
滴灌带存放地面应平整,堆放整齐,堆放高度不超过3m。
远离热源,不准露天曝晒。
贮存期为两年。